单位 子单位 工程质量竣工验收记录表
- 格式:docx
- 大小:43.77 KB
- 文档页数:5
单位子单位工程质量竣工验收记录表模板
项目名称: [填写项目名称]
单位名称: [填写单位名称]
竣工日期: [填写竣工日期]
1. 验收人员
2. 验收内容
3. 验收结论
对单位子单位工程质量进行了全面细致的检查,并达到以下结论:
- 合格: [填写合格项目]
- 不合格: [填写不合格项目]
4. 处理措施
针对不合格项目,制定了下列整改措施:
- [填写整改措施1]
- [填写整改措施2]
- [填写整改措施3]
5. 验收结果
6. 验收人员意见
验收人员可在此留下个人意见和签名。
7. 备注
在此填写其他需要备注的事项。
8. 附件
可在此列出附件清单,如照片、图纸等。
附录
可在附件中附上相关的验收标准、检测报告等文件。
单位工程竣工验收记录表————————————————————————————————作者:————————————————————————————————日期:单位(子单位)工程质量竣工验收记录工程名称结构类型工程规模施工单位技术负责人开工日期项目经理项目技术负责人完工日期序号项目验收记录验收结论1分部工程共6分部,经查 6 分部,符合标准及设计要求 6 分部。
2 质量控制资料核查共3 项,经审查符合要求3项。
经核定符合规范要求3项3 主要使用功能和安全核查及抽查结果共核查 3 项,符合要求 3 项,共抽查3项,符合要求3项。
经处理后符合要求 0 项4 观感质量验收共抽查 3 项,符合要求 3 项。
不符合要求0项5 综合验收结论参加验收单位建设单位设计单位施工单位监理单位(公章)单位(项目)负责人:年月日(公章)单位(项目)负责人:年月日(公章)单位负责人:年月日(公章)总监理工程师:年月日单位(子单位)工程竣工验收报验申请表工程名称:致:河南----- (监理公司)我方已按合同要求完成了··工程,经自检合格,请予以检查和验收。
附件:1、单位(子单位)工程竣工验收记录。
2、单位(子单位)工程质量控制资料核查记录。
3、单位(子单位)工程安全和功能检验资料核查及主要功能抽查记录。
4、单位(子单位)工程观感质量检查记录。
承包单位(章)项目经理日期审查意见:项目监理机构总监理工程师日期单位(子单位)工程质量控制资料检查记录工程名称**施工单位**序号项目资料名称份数核查意见核查人1建筑与结构图纸会审、设计变更、洽商记录02 工程定位测量放线记录 2 齐全完整、符合要求3 原材料出厂合格证及进场检(试)验报告17 齐全完整、符合要求4施工试验报告及见证检测报告12 齐全完整、符合要求5 隐蔽工程验收表 4 齐全完整、符合要求6 施工记录 1 齐全完整、符合要求7预制构件、预拌混凝土合格证 2 齐全完整、符合要求8 地基、基础、主体结构检验及抽样检测资料1齐全完整、符合要求9 分项、分部工程质量验收记录22齐全完整、符合要求10 工程质量事故及事故调查处理资料011 新材料、新工艺施工记录01给排水与采暖图纸会审、设计变更、洽商记录0 齐全完整、符合要求2材料、配件出厂合格证书及进场检(试)验报告2齐全完整、符合要求3 管道、设备强度试验、严密性试验记录 24 隐蔽工程验收表0 齐全完整、符合要求5 系统清洗、灌水、通水、通球试验记录 2 齐全完整、符合要求6 施工记录0 齐全完整、符合要求7分项、分部工程质量验收记录 4 齐全完整、符合要求1 建图纸会审、设计变更、洽商记录0齐全完整、符合要求2 筑电气材料、设备出厂合格证书及进场检(试)验报告 5 齐全完整、符合要求3 设备调试记录 2 齐全完整、符合要求4 接地、绝缘电阻测试记录 1 齐全完整、符合要求5 隐蔽工程验收表 2 齐全完整、符合要求6施工记录 2 齐全完整、符合要求7 分项、分部工程质量验收记录6 齐全完整、符合要求1通风与空调图纸会审、设计变更、洽商记录02 材料、设备出厂合格证书及进场检(试)验报告03 制冷、空调、水管道强度试验、严密性试验记录0 4隐蔽工程验收表05 制冷设备运行调试记录06 通风、空调系统调试记录07 施工记录08 分项、分部工程质量验收记录01电梯土建布置图纸会审、设计变更、洽商记录02 设备出厂合格证书及开箱检验记录03 隐蔽工程验收表04 施工记录0 5接地、绝缘电阻测试记录0 6负荷试验、安全装置检查记录0 7 分项、分部工程质量验收记录01建筑智能化图纸会审、设计变更、洽商记录、竣工图及设计说明02 材料、设备出厂合格证及技术文件及进场检(试)验报告03隐蔽工程验收表04 系统功能测定及设备调试记录05 系统技术、操作和维护手册06 系统管理、操作人员培训记录07 系统检测报告08分项、分部工程质量验收报告0结论:施工单位项目经理:总监理工程师:年月日(建设单位项目负责人)年月日单位工程安全和功能检验资料核查及主要功能抽查记录工程名称** 施工单位***序号项目资料名称份数核查意见抽查结果核查(抽查)人1建筑与结构地基承载力检验报告 1 齐全、完整符合要求2 桩基承载力检验报告03 混凝土强度试验报告7 齐全、完整符合要求4 砂浆强度试验报告 3 齐全、完整符合要求5 主体结构尺寸、位置抽查记录1齐全、完整符合要求6 建筑物垂直度、标高、全高测量记录1齐全、完整符合要求7 屋面淋水或蓄水试验记录 1 齐全、完整符合要求8 地下室渗漏水检测记录0 9 有防水要求的地面蓄水试验记录1 齐全、完整符合要求10 抽气(风)道检查记录0 11 外窗气密性、水密性、耐风压检测报告 1 齐全、完整符合要求12 幕墙气密性、水密性、耐风压检测报告0 13 建筑物沉降观测测量记录 0 14 节能、保温测试记录 0 15 室内环境检测报告 0 16 土壤氡气浓度检测报告 0 1给水排水与供暖 给水管道通水试验记录1 齐全、完整符合要求2暖气管道、散热器压力试验记录0 3卫生器具满水试验记录1 齐全、完整符合要求4消防管道、燃气管道压力试验记录0 5 排水干管通球试验记录1 齐全、完整符合要求6 锅炉试运行、安全阀及报警联动测试记录0 1通风与空调 通风、空调系统试运行记录 0 2 风量、温度测试记录 0 3 洁净室洁净度测试记录 0 4 制冷机组试运行调试记录1建筑电气建筑照明通电试运行记录1 齐全、完整符合要求2灯具固定装置及悬吊装置的荷载强度试验记录0 3 绝缘电阻测试记录 1 齐全、完整符合要求4 剩余电流动作保护器0 5 应急电源装置应急持续供电记录1 齐全、完整 符合要求 6 接地电阻测试记录 1 齐全、完整符合要求7 接地故障回路阻抗测试记录0结论:施工单位项目负责人: 总监理工程师:年 月 日 年 月 日单位(子单位)工程观感质量检查记录工程名称许**施工单位***序号 项目抽查质量状况质量评价 好 一般 差 1 建筑与柱体结构外观 0 √ √ 0 √ √ 0 √ √ √ √ 室外墙面 √ √ √√ √ 0 √ √ 0 √√2 变形缝、雨水管√√0 √√√√√√0√3 结构屋面√0√√√0√√√√√4 室内墙面√√O √√√√O 0√√5室内顶棚√0 √√√0√√0√√6室内地面√√√O √√√O 0 √√7 楼梯、踏步、护栏√0 √√√0√√0√√8 门窗√√√O √√O√0√√9 雨罩、台阶、坡道、散水√0 √√√√√√0√√√1 给排水采暖管道接口、坡度、支架√0√√√√√O 0 √√2 卫生器具、支架、阀门√√√√0 √√√√√√3 检查口、扫除口、地漏√√√√√0O√0√√4散热器、支架1建筑电气配电箱、盘、板、接线盒√O √√√√O √0 √√2 设备器具、开关、插座√√√√√0O√0√√3防雷、接地√O√O √√√√0 √√1通风与空调风管、支架2 风口、风阀3风机、空调设备4 阀门、支架5 水泵、冷却塔6 绝热1电梯运行、平层、开关门2 层门、信号系统3 机房1 智能建筑机房设备安装及布局2 现场设备安装3观感质量综合评价好检查结论施工单位项目经理: 总监理工程师:(建设单位项目负责人)年月日年月日。
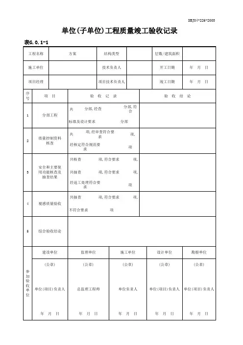
单位工程质量竣工验收记录表单位工程质量竣工验收记录表单位(子单位)工程质量竣工验收记录表工程名称结构类型层数/ 建筑面积施工单位技术负责人开工日期项目经理项目技术负责人竣工日期序号项目验收记录验收结论 1 分部工程共分部,经查分部,符合标准及设计要求分部2 质量控制资料核查共项,经审查符合要求项,经核定符合规范要求项3 安全和主要使用功能核查及抽查结果共核查项,符合要求项,共抽查项,符合要求项,经返工处理符合要求项 4 观感质量验收共抽查项,符合要求项,不符合要求项 5 综合验收结论参加验收单位建设单位监理单位施工单位设计单位(公章)单位(项目)负责人:年月日(公章)总监理工程师:年月日(公章)单位负责人:年月日(公章)单位(项目)负责人:年月日单位(子单位)工程质量控制资料核查记录工程名称施工单位序号项目资料名称份数核查意见核查人1 建筑与结构图纸会审、设计变更、洽商记录 2 工程定位测量、放线记录3 原材料出厂合格证书及进场检(试)验 4 施工试验及见证检测报告5 隐蔽工程验收记录6 施工记录7 预制构件、预拌混凝土合格证8 地基基础、主体结构检验及抽样检测资料9 分项、分部工程质量验收记录10 工程质量事故及事故调查处理资料11 新材料、新工艺施工记录12 1 给排水与采暖图纸会审、设计变更、洽商记录2 材料、配件出厂合格证书及进场检(试)验报告 3 管道、设备强度试验、严密性试验记录4 隐蔽工程验收记录 5 系统清洗、灌水、通水、通球试验记录6 施工记录7 分项、分部工程质量验收记录8 1 建筑电气图纸会审、设计变更、洽商记录2 材料、设备出厂合格证书及进场检(试)验报告3 设备调试记录4 接地、绝缘电阻测试记录5 隐蔽工程验收记录 6 施工记录7 分项、分部工程质量验收记录续表工程名称施工单位序号项目资料名称份数核查意见核查人1 通风与空调图纸会审、设计变更、洽商记录2 材料、设备出厂合格证书及进场检(试)验报告 3 制冷、空调、水管道强度试验、严密性试验记录 4 隐蔽工程验收记录5 制冷设备运行调试记录6 通风、空调系统调试记录7 施工记录8 分项、分部工程质量验收记录9 1 电梯土建布置图纸会审、设计变更、洽商记录2 设备出厂合格证书及开箱检验记录3 隐蔽工程验收记录4 施工记录5 接地、绝缘电阻测试记录6 负荷试验、安全装置检查记录7 分项、分部工程质量验收记录 1 智能建筑图纸会审、设计变更、洽商记录、竣工图及设计说明 2 材料、设备出厂合格证及技术文件和进场检(试)验报告3 隐蔽工程验收记录4 系统功能测定及设备调试记录5 系统技术、操作和维护手册6 系统管理、操作人员培训记录7 系统检测报告8 分项、分部工程质量验收报告检查结论施工单位监理单位项目经理年月日总监理工程师(建设单位项目负责人)年月日单位(子单位)工程安全和功能检验资料核查及主要功能抽查记录工程名称施工单位序号项目安全和功能检查项目份数核查抽查结果核查(抽查人)1 建筑与结构屋面淋水试验记录 2 地下室防水效果检查记录 3 有防水要求的地面蓄水试验记录4 建筑物垂直度、标高、全高测量记录5 抽气(风)道检查记录6 幕墙及外窗气密性、水密性、耐风压检测报告7 建筑物沉降观测测量记录8 节能、保湿测试记录9 室内环境检测报告10 1 给排水与采暖给水管道通水试验记录 2 暖气管道、散热器压力试验记录3 卫生器具满水试验记录 4 消防燃气管道压力试验记录 5 排水干管道球试验记录 6 1 电气照明全负荷试验记录 2 大型灯具牢固性试验记录 3 避雷接地电阻测试记录4 线路、插座、开关接地检验记录 1 通风空调通风、空调系统试运行记录 2 风量、温度测试记录 3 洁净室内洁净度测试记录 4制冷机组试运行调试记录1 电梯电梯运行记录2 电梯安全装置检测报告 1 智能建筑系统试运行记录 2 系统电源及接地检测报告3 检查结论施工单位监理单位项目经理年月日总监理工程师(建设单位项目负责人)年月日单位(子单位)工程观感质量检查记录工程名称施工单位序号项目抽查质量状况质量评价好一般差1 建筑与结构室外墙面2 变形缝3 水落管、屋面4 室内墙面5 室内顶棚6 室内地面7 楼梯、踏步、护栏8 门窗1 给排水与采暖管道接口、坡度、支架2 卫生器具、支架、阀门3 检查口、扫除口、地漏 4 散热器、支架1 建筑电器配电箱、盘、板、接线盒2 设备器具、开关、插座3 防雷、接地1 通风与空调风管、支架2 风口、风阀 3 风机、空调设备 4 阀门、支架5 水泵、冷却塔6 绝热1 电梯运行、平层、开关门2 层门、信号系统 3 机房 1 智能建筑机房设备安装及布局 2 现场设备安装 3 观感质量综合评价检查结论施工单位监理单位项目经理年月日总监理工程师(建设单位项目负责人)年月日。
单位(子单位)工程质量竣工验收记录
注:单位(子单位)工程质量验收合格应符合:所含分部(子分部)工程的质量均应验收合格;质量控制资料应完整,所含分部工程有关安全和功能的检测资料应完整;主要功能项目的抽查结果应符合相关专业质量验收规范的规定;观感质量验收应符合要求。
单位(子单位)工程质量的验收均应在施工单位自行检查评定、监理(建设)单位验收合格的基础上进行,参加验收的各方人员应具备规定的专业技术资格。
验收记录由施工单位填写,验收结论由监理(建设)单位填写,综合验收结论由参加验收积压方共同商定建设单位填写,应对工程质量是否符合设计和规范要求及总体质量水平作出评价。
单位(子单位)工程安全和功能检验资料核查及主要功能抽查记录
工程名称:XXXX项目
施工单位:XXXX有限公司
注:核查意见由监理(建设)单位填写,属非合同内工程的功能检查项目,应填写"无";属合同内工程的功能检
查项目,应填写其检查范围,是全数检验测试,还是按规定抽查检验测试。
抽查结果及结论由监理(建设)单位填写,抽查项目由验收组(委员会)协商确定。
单位(子单位)工程质量控制资料核查记录
程名称:XXXX项目
单位(子单位)工程观感质量检查记录
工程名称:XXXX项目
施工单位:XXXX有限公司
注:①质量评价为差的项目,应进行返修:
②质量评价“好”用√表示,“一般”用O表示,“差”用×表示。
单位(子单位)工程质量竣工验收记录表
CJJ 1 — 2008
工程名称宜昌市城东大道(港窑路- 胜利三路)改造工程
施工单位湖北金扬建设工程有限责任公司
道路类型\工程造价(万元)
项目经理宋金龙项目技术负责人吴建国制表人谭秀丽开工日期2014 年 3 月 1日竣工日期2014年 6月 15 日序号项目验收记录验收结论
1分部工程
质量控制2
资料核查
安全和主要使3用功能核查及
抽查结果
共 7分部,经检查7分部,
合格符合标准及设计要求7分部。
共11项,经审查符合要求11项,
11
合格经核定符合标准要求项。
共核查 2项,符合要求2项,
共抽查 2项,符合要求2项,合格经返工处理符合要求0项。
4
共抽查5项,符合要求5项,
外观质量验收
不符合要求0项。
合格
5综合验收结论合格
建设单位监理单位施工单位(公章)(公章)
(公章)单位负责人:总监理工程师:
单位负责人:
加
(项目)
年月验年月日年月日
日
收
单设计单位
位
(公章)
单位负责人:
(项目)
年月日。
单位工程质量竣工验收记录表
工程名
称
凤凰东扩动迁小区
92#~95#楼室外配套工
程
结构类型
层数/建筑
面积
施工单
位苏州荣帆建设工程有
限公司
技术负责人鲁圣文开工日期
项目经
理汤善春
项目技术负责
人
张磊竣工日期
序号项目验收记录验收结论
1 分部工程共个分部,经查符合标准及设计要
求个分部
同意验收
2 质量控制资料核
查
共项,经审查符合要求项。
同意验收
3 安全和主要使用
功
能核查及抽查结
果
共核查项,符合要求项,
共抽查项,符合要求项,
经返工处理符合要求项,
同意验收
4 观感质量验收共抽查项,符合要求项,不符
合要求项。
一般
5 综合验收结论该工程质量达到合格标准。
同意验收
参加验收单位
建设单位监理单位施工单位设计单位
(公章)
单位(项目)负
责人
年月
日
(公章)
单位(项目)负
责人
年月
日
(公章)
单位(项目)负
责人
年月
日
(公章)
单位(项目)负责人
年月
日
单位工程观感质量检查记录
工程名
称
包头师院9#学生公寓楼施工单位萨拉齐建筑工程股份有限公司
序号项目抽查质量状况
质量评价
好
一
般
差
1
建
筑
与
结
构室外墙面
2 变形缝
3 水落管
4 室内墙面
5 室内顶棚
6 室内地面
7 楼梯、踏步、护栏
8 门窗
1 给
排
水
与
采
暖管道接口、坡度、支架
2 卫生器具、支架、阀门
3 检查口、扫除口、地漏
4 散热器、支架
1 建
筑
电
气配电箱、盘、板、接线盒
2 设备器具、开头、插座
3 防雷、接地
1
通
风
与
空
调风管、支架
2 风口、风阀
3 风机、空调设备
4 阀门、支架
5 水泵、冷却塔
6 绝热
1
电
梯运行、平层、开头门
2 层门、信号系统
3 机房
1 智
能
与
建
筑机房设备安装及布局
2 现场设备安装3
观感质量综合评价
检查结论
总监理工程师
施工单位项目经理年月日(建设单位项目负责人)年
月日
单位工程质量控制资料核查记录
工程名称包头师院9#学生公寓楼施工单
位
萨拉齐建筑工程股份有限公司
序号项目资料名称份数核查意见核查人
1
建
筑
与
结
构图纸会审、设计变更、洽商记录
2 工程定位测量、放线记录
3 原材料出厂合格证书及进场检(报)验报告
4 施工试验报告及见证检测报告
5 隐蔽工程验收记录
6 施工记录
7 预制构件、预拌砼合格证
8 地基基础、主体结构检验及抽样检测资料
9 分项、分部工程质量验收记录
10 工程质量事故及事故调查处理资料
11 新材料、新工艺施工记录
12
1
给
排
水
与
采
暖图纸会审、设计变更、洽商记录
2 材料、配件出厂合格证书及进场检(试)验报告
3 管道、设备强度试验、严密性试验记录
4 隐蔽工程验收记录
5 系统清洗、灌水、通水、通球试验记录
6 施工记录
7 分项、分部工程质量验收记录8
1
建
筑
电
气图纸会审、设计变更、洽商记录
2 材料、设备出厂合格证书及进场(试)验报告
3 设备调试记录
4 接地、绝缘电阻测试记录
5 隐蔽工程验收记录
6 施工记录
7 分项、分部工程质量验收记录
8
结论:
总监理工程师
施工单位项目经理年月日(建设单位项目负责人)年月日
单位工程安全和功能检验资料
核查及主要功能抽查记录
工程名称施工单位
序号项目安全和功能检查项目
份
数
核查
意见
抽查
结果
核查(抽
查)人
1
建
筑
与
结
构屋面淋水试验记录
2 地下室防水效果检查记录
3 有防水要求的地面蓄水试验记录
4 建筑物垂直度、标高、全高测量记录
5 抽气(风)道检查记录
6 幕墙及外窗气密性、水密性、耐风压
检测报告
7 建筑物沉降观测测量记录
8 节能、保温测试记录
9 室内环境检测报告
10
1 给
排
水
与
采
暖给水管道通水试验记录
2 暖气管道、散热器压力试验记录
3 卫生器具满水试验记录
4 消防管道压力试验记录
5 排水干管通球试验记录
6
1
建
筑
电
气照明全负荷试验记录
2 大型灯具牢固性试验记录
3 避雷接地电阻测试记录
4 线路、插座、开头接地检验记录5
1
通
风
空
调通风、空调系统试运行记录
2 风量、温度测试记录
3 洁净室内洁净度测试记录
4 制冷机组试运行调试记录5
1 电梯运行记录
2 电梯安全装置检测报告
1 系统试运行记录
2 系统电源及接地检测报告
3
结论:
总监理工程师
施工单位项目经理年月日(建设单位项目负责人)年月日。