单位(子单位)工程质量竣工验收记录(填写规范)
- 格式:doc
- 大小:38.50 KB
- 文档页数:2
单位(子单位)工程质量竣工验收记录表1工程名称东屿八路(路面、雨水及污水工程)单位工程名称(子单位)路面、雨水及污水工程(排水管道工程)施工单位厦门市捷安建设集团有限公司分包单位/工程类型市政道路工程造价371(万元)开工日期竣工日期项目经理张蔚跃技术负责人陈锦笼序号项目验收记录验收结论1 分部工程共3分部,经查3分部符合标准及设计要求3分部2 质量控制资料核查共7项,经审查符合要求7项,经核定符合规范要求7项3 安全和主要使用功能核查及抽查结果共核查2项,符合要求2项,共抽查2项,符合要求2项,经返工处理符合要求/项4 外观质量检验共抽查3项,符合要求3项,不符合要求/项5 综合验收结论参加验收单位建设单位监理单位施工单位设计单位(公章)单位(项目)负责人:年月日(公章)总监理工程师:年月日(公章)项目经理:年月日(公章)单位(项目)负责人:年月日单位(子单位)工程质量控制资料核查表表2工程名称东屿八路(路面、雨水及污水工程)施工单位厦门市捷安建设集团有限公司序号资料名称份数核查意见1 材质质量保证资料钢材、水泥、砂、碎石、橡胶圈、混凝土、砖;管节、管件、管道设备及管配件等11 符合要求2 施工检测混凝土强度、砂浆强度;回填土压实度1 符合要求3 结构安全和使用功能性检测闭水试验1 符合要求4 施工测量控制点、基准线、水准点的测量;放样复核测量1 符合要求5 施工技术管理施工组织设计(施工方案)、专题施工方案及批复;图纸会审、施工技术交底;设计变更、技术联系单;质量事故(问题)处理;材料、设备进场验收;计量仪器校核报告;工程会议纪要;施工日记13 符合要求6 验收记录验收批、分项、分部(子分部)、单位(子单位)工程质量验收记录;隐蔽验收记录64 符合要求7 竣工图 1 符合要求8 其他结论:施工项目经理:年月日结论:总监理工程师:年月日单位(子单位)工程观感质量核查表表3工程名称东屿八路(路面、雨水及污水工程)施工单位厦门市捷安建设集团有限公司序号检查项目抽查质量情况好中差1管道工程管道、管道附件位、附属构筑物位置2 管道设备3 附属构筑物4 大口径管道;管道内部、管廊内管道安装5 地上管道(桥管、架空管、虹吸管)及承重结构6 回填土7顶管、盾构、浅埋暗挖、定向钻、夯管管道结构8 防水、防腐9 管缝(变形缝)10 进、出洞口11 工作坑(井)12 管道线形13 附属构筑物观感质量综合评价结论:施工项目经理:年月日结论:总监理工程师:年月日单位(子单位)工程结构安全和使用功能性检测记录表表工程名称东屿八路(路面、雨水及污水工程)施工单位厦门市捷安建设集团有限公司序号安全和功能检查项目资料核查意见功能抽查结果1 压力管道水压试验(无压力管道严密性试验)记录2 管道位置高程及管道变形测量及汇总3 给水管道冲洗消毒记录及报告4 阀门安装及运行功能调试报告及抽查检验5 其他管道设备安装调试报告及功能检测6 阴极保护安装及系统测试报告及抽查检验7 防腐绝缘检测汇总及抽查检验8 钢管焊接无损检测报告汇总9101112 其他结论:施工项目经理:年月日结论:总监理工程师:年月日单位(子单位)工程质量竣工验收记录表1工程名称东屿八路(路面、雨水及污水工程)单位工程名称(子单位)路面、雨水及污水工程(道路工程)施工单位厦门市捷安建设集团有限公司分包单位/工程类型市政道路工程造价371(万元)开工日期竣工日期项目经理张蔚跃技术负责人陈锦笼序号项目验收记录验收结论1 分部工程共3分部,经查3分部符合标准及设计要求3分部2 质量控制资料核查共7项,经审查符合要求7项,经核定符合规范要求7项3 安全和主要使用功能核查及抽查结果共核查3项,符合要求3项,共抽查3项,符合要求3项,经返工处理符合要求/项4 外观质量检验共抽查6项,符合要求6项,不符合要求/项5 综合验收结论参加验收单位建设单位监理单位施工单位设计单位(公章)单位(项目)负责人:年月日(公章)总监理工程师:年月日(公章)项目经理:年月日(公章)单位(项目)负责人:年月日单位(子单位)工程质量控制资料核查表表2工程名称东屿八路(路面、雨水及污水工程)施工单位厦门市捷安建设集团有限公司序号资料名称份数核查意见1 材质质量保证资料水泥、砂、碎石、石灰岩、粉煤灰、石屑、砼的配合比,砂浆配合比,水泥稳定土配合比,沥青、沥青配合比17 符合要求2 施工检测路床回填土压实度检测;基层质量密实度检测(灌砂法);基层无侧限抗压强度检测;混凝土路面砼抗折强度检测;路灯、交通标志牌基础混凝土强度;18 符合要求3 结构安全和使用功能性检测路床回弹弯沉值试验水稳层回弹弯沉值试验砼路面取芯试验 6 符合要求4 施工测量控制点、基准线、水准点的测量;放样复核测量1 符合要求5 施工技术管理施工组织设计(施工方案)、专题施工方案及批复;图纸会审、施工技术交底;设计变更、技术联系单;质量事故(问题)处理;材料、设备进场验收;计量仪器校核报告;工程会议纪要;施工日记13 符合要求6 验收记录验收批、分项、分部(子分部)、单位(子单位)工程质量验收记录;隐蔽验收记录57 符合要求7 竣工图 1 符合要求8 其他结论:施工项目经理:年月日结论:总监理工程师:年月日单位(子单位)工程观感质量核查表表3工程名称东屿八路(路面、雨水及污水工程)施工单位厦门市捷安建设集团有限公司序号检查项目抽查质量情况好中差1水泥混凝土面层结构施工2 平整度3 伸缩缝4 清洁度5路缘石直顺度6 缝隙搭接7 平整度8 垂直度9人行道平整度10 直顺度观感质量综合评价结论:施工项目经理:年月日结论:总监理工程师:年月日单位(子单位)工程结构安全和使用功能性检测记录表表工程名称东屿八路(路面、雨水及污水工程)施工单位厦门市捷安建设集团有限公司序号安全和功能检查项目资料核查意见功能抽查结果1 路床回弹弯沉值试验2 水稳层回弹弯沉值试验3 水泥混凝土路面取芯试验4 其他56789101112结论:施工项目经理:年月日结论:总监理工程师:年月日。
单位(子单位)工程质量竣工验收记录(填写规范)一、前言为保证项目的质量,并按照国家有关规定和标准,特制定此规范,以指导本单位在竣工验收过程中的填写。
二、适用范围适用于本单位及分包单位按照合同约定,对单位或子单位工程进行竣工验收的情况。
三、填写要求3.1 填写人员1.填写人员应具备工作责任心和良好的工作素质,须经过相关培训,并熟悉竣工验收规定和合同要求。
2.填写人员应具备专业的技术知识和丰富的实践经验,能够独立进行工程质量评估和判定。
3.2 竣工验收内容1.工程验收范围:包括所有未经验收的工程部位或系统,如建筑物结构、给排水系统、电气系统等;2.检验内容:分为基本设施和主要工程内容,如检测建筑物结构承受负荷能力,检测设备运行稳定性等;3.检验标准:参照施工规范和标准,结合项目技术要求和建设标准,查看工程质量合乎要求;4.检测方法:施工图和设计文件相符,必须按照验收标准和检验方法进行,可以用物理和化学方法等对其进行测试;5.检验结果描述:检测结果应具有可比性,检查出问题或不合规之处应注明,并及时修正。
一般应呈现为表格形式,结构严谨整洁。
3.3 填写规范1.填写时应注意精确,准确,清晰,书写整齐;2.根据实际情况,填写相应的内容,如填写时间,地点,参与验收的人员名单等;3.填写的内容应紧扣检查项,不能遗漏重要内容;4.填写过程中,应遵守相关法律、法规和规章制度,确保填写内容的真实性和可靠性;5.填写完成后,应及时上传相关部门或单位,及时获取反馈和处理意见。
四、填写示例项目名称项目编号填写人员竣工验收日期检验标准检测方法检验结果描述建筑物结构X001 张三、李四2021年1月1日GB5002 物理测试强度达标,无裂缝等质量问题给排水系统X002 王五、赵六2021年1月2日GB842 化学测试合格,无泄漏问题,符合要求电气系统X003 刘七、孙八2021年1月3日GB345 检查表满足技术参数,符合验收标准五、后记本规范可根据实际情况不断完善和更新,保证科学性和实用性。
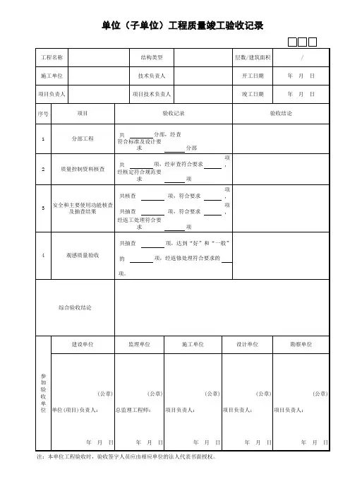
层数/建筑面积开工日期竣工日期
序号项,
项,项,项项,
同意验收。
综合验收结论同意验收。
观感质量验收
安全和主要使用功 能核查及抽查结果
质量控制资料核查
同意验收。
同意验收。
1
2
3
4
5参加验收单位
年 月 日 年 月 日 年 月 日 年 月 日 年 月 日
注:单位工程验收时,验收签字人员应由相应的法人代表书面授权。
单位(项目)负责人:总监理工程师:项目负责人:项目负责人:项目负责人:
建设单位监理单位施工单位设计单位勘察单位
(公章)(公章)(公章)(公章)(公章)
共抽查
10
项,符合要求
10 不符合要求
项共抽查
15
项,符合要求
15
经返工处理符合要求0 经核定符合规范要求40项
共核查
21项,符合要求21 符合标准及设计要求6
分部共
40
项,经审查符合要求
40
项 目
验 收 记 录验 收 结 论
共
6
分部,经查
6
分部工程
同意验收。
施工单位技术负责人2017年8月21日项目负责人项目技术负责人2018年4月19日
单位(子单位)工程质量竣工验收记录
GD-E1-913
工程名称结构类型钢结构
1层/240m2。
单位(子单位)工程质量竣工验收记录(填写规范)
填表说明:
1、单位(子单位)工程的名称要填写全称,即批准项目的名称,并注明是单位工程或子单位
工程;
2、安全和主要使用功能核查及抽查结果栏,包括两个方面,一个是在分部、子分部工程抽查
过的工项目检测报告的结论;另一方面是单位工程抽查的项目要检查其全部的检查方法程序和结论.
3、综合验收结论,填写通过或同意验收.不同意验收就不一定形成表格,待返修完善后,再形
成表格.
4、验收单位签字人表上要求人员签名,对勘察单位在地基部分中签字.
5、。
建筑工程单位(子单位)工程质量竣工验收记录表填写方法及范例单位(子单位)工程验收表为GB50300-2001附录G(1、2、3、4)。
单位(子单位)工程质量验收由五部分内容组成,每一项内容都有有自己的专门验收记录表,而单位(子单位)工程质量竣工验收记录表(GB50300-2001、表G.0.1-1)是一个综合性的表,是各项目验收合格后填写的。
单位(子单位)工程由建设单位(项目)负责人组织施工(含分包单位)、设计单位、监理等单位(项目)负责人进行验收。
单位(子单位)工程验收表中的表G.0.1-1由参加验收单位盖公章,并由负责人签字。
表G.0.1-2、3、4则由施工单位项目经理和总监理工程师(建设单位项目负责人)签字。
一、表名及表头的填写:同检验批表格二、验收内容之一是“分部工程”,对所含分部工程逐项检查。
首先由施工单位的项目经理组织有关人员逐个分部(子分部)进行检查评定。
所含分部(子分部)工程检查合格后,由项目经理提交验收。
经验收组成员验收后,由施工单位填写“验收记录”栏。
注明共验收几个分部,经验收符合标准及设计要求的几个分部。
监理单位审查验收的分部工程全部符合要求后,在验收结论栏内,写上“同意验收”的结论。
填写内容式样见本章附表E。
三、验收内容之二是“质量控制资料核查”,这项内容有专门的验收表格(表G.0.1-2),也是先由施工单位检查合格,再提交监理单位验收。
其全部内容在分部(子分部)工程中已经审查。
通常单位(子单位)工程质量控制资料核查,也是按分部(子分部)工程逐项检查和审查,一个分部工程只有一个子分部工程时,子分部工程就是分部工程;多个子分部工程时,可一个一个地检查和审查,也可按分部工程检查和审查。
每个子分部、分部工程检查审查后,也不必再整理分部工程的质量控制资料,只将其依次装订起来,前边的封面写上分部工程的名称,并将所含子分部工程的名称依次填写在下边就行了。
然后将分部工程审查的资料逐项进行统计,填入验收记录栏内。
单位(子单位)工程质量竣工验收记录
填表说明:
1、1、单位(子单位)工程的名称要填写全称,即批准项目的名称,并注明是单位工程或子单
位工程;
2、2、安全和主要使用功能核查及抽查结果栏,包括两个方面,一个是在分部、子分部工程抽
查过的工项目检测报告的结论;另一方面是单位工程抽查的项目要检查其全部的检查方法程序和结论。
3、3、综合验收结论,填写通过或同意验收。
不同意验收就不一定形成表格,待返修完善后,
再形成表格。
4、4、验收单位签字人表上要求人员签名,对勘察单位在地基部分中签字。
5、5、表G.0.1-1验收记录由施工单位填定,验收结论由监量(建设)单位填写。
综合验收结
论由参加验收各方共同商定,建设单位填写,应对工程质量是否合设计和规范要求及总体质量水平做出评价。