几种地铁隧道土压力计算方法的对比分析
- 格式:docx
- 大小:27.85 KB
- 文档页数:3
土压力的计算>CONTENTS01静止土压力的计算l 基本假定:地表面水平,墙背竖直、光滑l 土体犹如半空间弹性变形体,在土的自重作用下,填土表面下任意深度z 处的静止土压力强度就是无侧向变形时的水平侧压力σz = ?σx = ?σz = γz σx = γzl K 0静止土压力系数,可直接在室内由三轴试验或旁压试验得到,在缺乏试验资料时,对于正常固结土,可按经验公式计算:K 0=1-sin ’l γ土的重度σx = γz静止土压力P0P 0是Z的线性系数,故P 0沿墙的高度呈线性三角形分布。
P 0= Koγz静止土压力合力E0合力大小:合力作用点:距墙底H/302021K H E γ=l 静止土压力计算公式:P 0= Koγz l 静止土压力系数:K 0=1-sin ’=v(1−pl 静止土压力合力: 或者02021K H E γ=H E 02021σ=02朗肯土压力理论l 挡土墙背竖直l 挡土墙背光滑l 墙后填土面水平墙背单元微体若挡土墙不出现位移,墙后土体处于弹性平衡状态,在离填土面深度z 处,σz=σ1=γz, σx=σ3=k0γz 。
用σ1与σ3作成摩尔应力圆与土的抗剪强度曲线不相切。
当挡土墙离开土体向左移动时,墙后土体有伸张趋势,此时竖向应力σz 不变,法向应力σx 减小,σz 和σx 为大小主应力。
当挡土墙位移使墙后土体达到极限平衡状态时,σx 达最小值σ3。
其摩尔应力圆与抗剪强度包线相切。
土体形成一系列滑裂面,面上每个点都处于极限平衡状态,称为主动朗肯状态。
(主动朗肯状态)245ϕα+︒=此时墙背法向应力σx 为最小主应力,即朗肯主动土压力滑裂面的方向与大主应力作用面(水平面)成245ϕα+︒=3=tan 245°−2 −2Man (45°−2)=t4°− −Bt (4°−))245(tan 2a ϕ-︒=K l l Ka :计算点处土的主动土压力系数l l:土的内摩擦角(º)aa zK p γ=aK H E 2a 21γ=ϕ无黏性土l l ll c :土的黏聚力(kPa )aa a K zK p 2c -γ=a K z H E 2a )(21-=γaK c γ2z 0=黏性土aK 2c aK c HK 2a -γ3/)(0z H -朗肯土压力理论若挡土墙在外力作用下向右挤压土体,竖向应力σz不变,而法向应力σx随着挡土墙位移增加而逐步增大,当 σx超过σz时, σx为大主应力, σz为小主应力。
地铁深基坑工程施工的土压力分析随着城市发展的进程,地铁成为现代城市交通的重要组成部分,为了满足人们出行的需求,地铁工程建设也日益增多。
然而,在地铁工程建设过程中,深基坑工程是一个不可忽视的环节。
土压力分析是地铁深基坑工程施工中的重要内容之一。
本文将对地铁深基坑工程施工的土压力分析进行讨论和探究。
一、土压力的产生机理及影响因素土压力是指土体对构筑物或结构体施加的压力。
在地铁深基坑工程施工中,土体的重要力学性质之一就是土压力,它直接影响到基坑结构的安全稳定。
土压力的产生机理主要有以下几点:1. 地表荷载:地表荷载是地铁深基坑施工过程中最主要的荷载来源。
地表上的建筑物、道路、行人等会对挖掘的基坑产生额外的荷载,从而导致土体对基坑施加水平或垂直的压力。
2. 土体变形:当地铁深基坑开挖开始后,土体会发生变形,形成一个临时性的土压力,这种变形也会产生水平或垂直方向的压力。
3. 水压:在一些地质条件复杂的施工区域,地下水的压力对地铁深基坑的土压力产生重要影响。
因此,在土压力的分析中,需要将地下水压力纳入考虑范围。
土压力的大小会受到多种因素的影响,例如土体的性质、地下水的压力、基坑的深度等因素。
同时,基于不同的施工方法,土压力的分析也会有所不同。
二、地铁深基坑施工中的土压力计算方法地铁深基坑施工中的土压力计算可以采用经验公式、数值模拟或力学分析等方法。
根据实际情况选择合适的方法进行土压力计算非常重要。
1. 经验公式:经验公式是根据大量实测数据和多年的建设经验总结而成的。
例如,库仑土压力公式、克朗克土压力公式等。
这些公式简化了计算过程,适用于一些常见的情况,但在复杂情况下可能会有一定的误差。
2. 数值模拟:利用数值模拟软件进行土压力计算,可以更加真实地模拟土体的变形和压力变化。
常用的数值模拟软件有FLAC、PLAXIS等。
通过调整不同的参数,可以得到不同施工阶段土压力的大小和分布情况。
3. 力学分析:采用力学原理进行土压力分析,可以得到更加准确的结果。
盾构过程中土压力的计算与控制土压平衡盾构机工作面土压力及计算在城市市区内进行地铁、上下水管道、电力、通信、输气、共同沟以及地下道路的隧道工程中,具有施工机械化程度高、对周围环境影响小、施工快速等优势的盾构施工技术近年来得到广泛应用。
盾构施工中,开挖面的稳定是通过压力舱的支护压力得以实现的,开挖面支护压力过大会造成地表隆起,而压力过小,容易导致地表沉陷甚至坍塌。
土压平衡盾构机工作面土压力及计算土压平衡式盾构机主要由盾体、刀盘、螺旋输送机、推进装置等构成。
施工过程中,推进液压缸驱动盾构机向前推进,刀盘切削下的泥土充满密封仓和螺旋输送机壳体内的全部空间,形成一定的土压来平衡开挖面土层的水土压力,以此来保持开挖面土层的稳定和防止地表变形,开挖下来的泥土通过螺旋输送机排出盾体。
一、土压力的控制和分类1.控制:土压平衡盾构利用开挖的泥土支撑挖掘面,通过调节盾构推进速度和螺旋机转速和出土量来控制土仓的土压。
使土仓中的土压力与地下水土压力相平衡,以防止开挖崩塌和将地表沉降限制在允许范围内。
2.分类:静止土压力、被动土压力、主动土压力。
(重点)2.1主动土压力:挡土结构物向离开土体的方向移动,致使侧压力逐渐减小至极限平衡状态时的土压力,它是侧压力的最小值。
2.2被动土压力:挡土结构物向土体推移,致使侧压力逐渐增大至被动极限平衡状态时的土压力,它是侧压力的最大值。
土压平衡盾构机工作面土压力及计算2.3 静止土压力:土体在天然状态时或挡土结构物不产生任何移动或转动时,土体作用于结构物的水平压应力二、土压力平衡主动土压力<土仓压力<被动土压力•盾尾注浆的分类:三、土压力的计算(重点)根据土力学原理,可以将盾构机的刀盘近似为挡土墙,然后根据挡土墙理论分析掘进工作面的压力分布特性。
如图l 所示,根据土力学理论,天然土体内垂直静止土压力为σz =γz (1)(1)式中σz 为垂直静止土压力,γ为土的容重,z 为埋置深度。
而垂直于侧面的法向应力为静止侧压力σx =k 0 γz (2)(2)式中σx 为水平静止土压力,k 。
成都地铁10号线土建三标华兴站~区间风井盾构区间隧道开挖面水土压力计算书一、工程概况成都地铁10号线土建三标华兴站~区间风井盾构区间,左线里程ZDK4+363.446~ZDK5+554.255,全长1188.249m,ZDK4+997.440=ZDK5+000.000,短链 2.56m,左线设两个平曲线,半径分别为700m、690m;右线里程YDK4+293.046~YDK5+538.242,全长1245.196m,右线设两个平曲线,半径分别为700m、650m。
本区间设两个联络通道,1号联络通道兼泵房里程为ZDK4+701.805(YDK4+694.929),2号联络通道里程为ZDK5+189.928(YDK5+180.029)。
根据《岩土工程勘察报告》可知,本盾构区间主要地层自上而下依次为杂填土、粉质粘土、卵石土(夹粉细砂)、泥岩,盾构隧道穿越地层主要为卵石土(夹粉细砂),在YDK4+598.1~YDK4+743.8(长度145.7m)段,隧道中下部为强风化泥岩,强风化泥岩侵入隧道断面最大值约4m。
隧道底部埋深平均值为20m,其中粉质粘土(含杂填土)厚度为4m,卵石土厚度为16m。
粉质粘土容重为1.92t/m3,侧压力系数为0.46;卵石土容重为2.2t/m3,侧压力系数为0.36。
静止水位在地面以下5m处。
本区间采用盾构法施工,盾构机刀盘开挖面直径为6.28m。
二、水土压力计算因为同等条件下静止土压力大于主动土压力,所以按静止土压力计算更为安全。
首先把4m厚的粉质粘土(含杂填土)按匀布荷载考虑,均匀作用在卵石土层上,把4m厚的粉质粘土(含杂填土)换算成当量的卵石土厚度,然后与其下部的卵石土厚度16m相加来计算卵石土的土压力。
4m厚的粉质粘土(含杂填土)换算成当量的卵石土厚度为:h换石===3.49m式中h换石—粉质粘土(含杂填土)换算成当量的卵石土厚度(m)h土—粉质粘土(含杂填土)厚度(m),h土=4mγ土—粉质粘土容重,γ土=1.92t/m3γ石—卵石土容重,γ石=2.2t/m31、隧道开挖面上部水土压力(1)土压力б石=k石(h换石+h石)γ石=0.36×[3.49m+(16m-6.28m)]×2.2t/m3=10.46232t/m2=104.6232KN/m2=104.6232KPa=0.105MPa=1.05bar式中б石—土压力(bar)k石—卵石土侧压力系数,k石=0.36h石—卵石土顶面至隧道开挖面上部的卵石土厚度(m),h石=16m-盾构机刀盘开挖面直径6.28m(2)水压力б水=h水γ水=(20m-5m-6.28m)×1t/m3=8.72t/m2=87.2KN/m2=87.2 KPa=0.0872MPa=0.87bar式中б水—水压力(bar)h水—静止水位至隧道开挖面上部的含水层厚度(m)γ水—水的容重,γ水=1t/m3所以隧道开挖面上部水土压力б水土=б石+б水=1.05bar+0.87bar=1.92bar2、隧道开挖面中部水土压力(1)土压力б石=k石(h换石+h石)γ石=0.36×[3.49m+(16m-3.14m)]×2.2t/m3=12.9492t/m2=129.492KN/m2=129.492KPa=0.129MPa=1.29bar式中б石—土压力(bar)k石—卵石土侧压力系数,k石=0.36h石—卵石土顶面至隧道开挖面中部的卵石土厚度(m)(2)水压力б水=h水γ水=(20m-5m-3.14m)×1t/m3=11.86t/m2=118.6KN/m2=118.6 KPa=0.1186MPa=1.19bar式中б水—水压力(bar)h水—静止水位至隧道开挖面中部的含水层厚度(m)γ水—水的容重,γ水=1t/m3所以隧道开挖面中部水土压力б水土=б石+б水=1.29bar+1.19bar=2.48bar3、隧道开挖面下部水土压力(1)土压力б石=k石(h换石+h石)γ石=0.36×(3.49m+16m)×2.2t/m3=15.43608t/m2=154.3608KN/m2=154.3608KPa=0.154MPa=1.54bar式中б石—土压力(bar)k石—卵石土侧压力系数,k石=0.36h石—卵石土顶面至隧道开挖面下部的卵石土厚度(m)(2)水压力б水=h水γ水=(20m-5m)×1t/m3=15t/m2=150KN/m2=150KPa=0.15MPa=1.5bar 式中б水—水压力(bar)h水—静止水位至隧道开挖面下部的含水层厚度(m)γ水—水的容重,γ水=1t/m3所以隧道开挖面下部水土压力б水土=б石+б水=1.54bar+1.50bar=3.04bar二〇一五年五月十七日。
简述隧道盾构法、矿山法、新奥法、盖挖法的区别盾构法施工是以盾构这种施工机械在地面以下暗挖隧道的一种施工方法。
盾构(shield )是一个既可以支承地层压力又可以在地层中推进的活动钢筒结构。
钢筒的前端设置有支撑和开挖土体的装置,钢筒的中段安装有顶进所需的千斤顶;钢筒的尾部可以拼装预制或现浇隧道衬砌环。
盾构每推进一环距离,就在盾尾支护下拼装(或现浇)一环衬砌,并向衬砌环外围的空隙中压注水泥砂浆,以防止隧道及地面下沉。
盾构推进的反力由衬砌环承担。
盾构施工前应先修建一竖井,在竖井内安装盾构,盾构开挖出的土体由竖井通道送出地面。
按盾构断面形状不同可将其分为:圆形、拱形、矩形、马蹄形4种。
圆形因其抵抗地层中的土压力和水压力较好,衬砌拼装简便,可采用通用构件,易于更换,因而应用较为广泛;按开挖方式不同可将盾构分为:手工挖掘式、半机械挖掘式和机械挖掘式3种;按盾构前部构造不同可将盾构分为:敞胸式和闭胸式2种;按排除地下水与稳定开挖面的方式不同可将盾构分为:人工井点降水、泥水加压、土压平衡式,局部气压盾构,全气压盾构等。
盾构法的主要优点:除竖井施工外,施工作业均在地下进行,既不影响地面交通,又可减少对附近居民的噪声和振动影响;盾构推进、出土、拼装衬砌等主要工序循环进行,施T易于管理,施工人员也比较少;土方量少;穿越河道时不影响航运;施工不受风雨等气候条件的影响;在地质条件差、地下水位高的地方建设埋深较大的隧道,盾构法有较高的技术经济优越性。
新奥法是充分利用围岩的自承能力和开挖面的空间约束作用,采用锚杆和喷射混凝土为主要支护手段,对围岩进行加固,约束围岩的松弛和变形,并通过对围岩和支护的量测、监控,指导地下工程的设计施工。
新奥法(NATM)是新奥地利隧道施工方法的简称, 在我国常把新奥法称为“锚喷构筑法”。
采用该方法修建地下隧道时,对地面干扰小,工程投资也相对较小,已经积累了比较成熟的施工经验,工程质量也可以得到较好的保证。
地铁隧道压力变化的分析与计算摘要本文分析了地铁隧道压力波的产生和影响,介绍了国内外部分国家和地区的压力波动控制标准,并通过模拟计算,得出在5.4米盾构隧道和6m盾构隧道中,列车在不同运行速度、气密性条件下车头、车尾的压力波动数据。
关键词地铁隧道压力阻塞比气密性1 地铁隧道压力波的产生和影响当地铁列车在区间隧道中运行时,列车前方的空气受到挤压,空气压强骤然增大而形成压缩波并向周围传播,导致隧道内部及列车车体表面的压力产生变化,进而车体表面的压力波动变化随之传播到车内,当车内压力波动超过一定值后,将对车内乘客的生理产生不良影响,这一现象称之为隧道空气动力学效应。
根据已有的研究成果,列车行驶速度和阻塞比(列车横截面积与地铁净空断面积的比值)是影响地铁隧道压力变化最主要的两个参数。
随着列车行驶速度的提高,为了满足压力变化要求,应逐渐减小阻塞比,高速铁路隧道设计中一般将阻塞比控制在0.23~0.12。
相对而言,地铁的运行速度比较低,一般小于100km/h,此时的空气动力学效应并不明显,但地铁的断面积比较小,一般情况下国内地铁盾构区间的直径为5400mm,其有效断面积约为21.3m2,阻塞比比较高,在这种情况下,列车速度的微小提升,都会产生较大的空气动力学效应。
同时,当地铁车站间距比较大时,为满足防灾及隧道内换气次数的要求,在长区间需设置断面较大的中间通风井,当列车高速通过中间通风井时,空气流通有效断面的变化必将引起地铁内空气压力的波动,频繁的压力变化必然引起车体内外压力产生连锁变化,从而恶化乘车环境,降低了乘车的舒适性。
鉴于以上的原因,必须对列车高速行驶在长区间的压力变化情况进行研究,在一定的条件下,降低压力变化,提高人体舒适度。
2压力波动控制判定标准1)国外地铁或高速铁路压力控制标准介绍表1列出了部分国家及地区的地铁或高速铁路的压力控制标准:2)国内高铁压力控制标准在我国高铁,自广深线准高速列车开行以来所带来的气密性问题,给了我们一些感性认识。
一、TBM软土地区土压力计算分析1、选择合适的土压力分析方法土压力应该沿隧道断面径向作用于衬砌上或分解为水平土压力和竖直土压力2、对隧道结构底部的土压力考虑为土的反向土压力3、计算土压力的方法A、水土合算B、水土分算4、计算方法隧道外荷载计算要根据隧道的埋深情况而定。
当隧道埋深小于2D( D为隧道外径) 时, 上覆土压力为全部覆土重( 当隧道埋深小于1. 5D时按埋深为1. 5D计算), 同时若有地面荷载则应考虑进去。
当隧道埋深不小于2D时, 应根据地层的成拱效应, 计算出土层的松弛土压力。
松弛土压力一般多采用泰沙基公式计算, 根据竖向土压力计算相应的水平土压力, 假设隧道衬砌拱部到底部作用于衬砌型心处的水平土压力是均布的,大小由垂直土压力乘以一个系数决定,水压力及自重根据实际情况计算。
弹性地基梁模型的计算图式二、隧道衬砌及土体变形分析1、衬砌变形采用弹性地基梁结构模型弹性地基梁模型对于错缝拼装的管片衬砌, 均假设管片环是弯曲刚度均匀的环, 对于接头的影响, 则引入了弯曲刚度有效率η和弯矩提高率ᵷ两个参数( η< 1,ᵷ>0) , 把环向衬砌接头对结构刚度的削弱用折减刚度ηEI 代替结构刚度EI, 将计算所得的弯矩M在管片环向接头处进行调整, 接头弯矩为( 1-ᵷ) M, 接头处相邻环管片弯矩增加为( 1+ᵷ) M。
弹性地基梁模型的外荷载如图所示, 主要有竖向土压力、水平土压力、水压力、地基抗力、衬砌自重。
其中, 地基抗力可用全周或局部地基弹簧模拟。
衬砌内力和位移的计算方法是将衬砌环离散为有限个梁单元, 理论分析结果表明, 当梁单元个数足够多时, 即当剖分单元取得足够小时, 完全可以用直梁模型代替曲梁模型。
将地基反力简化为节点处的地基弹簧, 根据计算的节点位移情况决定地基弹簧取舍, 反复进行计算, 直到所有弹簧都受压为止。
2、土体变形分析同一水平面隧道顶部地层竖向位移最大, 距离隧道轴线越远, 土层的竖向位移越小; 距离地表越深, 地层竖向位移越大; 隧道任一深度地层的竖向位移都随施工过程而逐渐增大, 其中注浆和盾尾管片脱开阶段地层竖向位移增长幅度最大, 因为该阶段隧道壁面和盾构外壳脱离, 注入的浆体处在初凝流动态凝结阶段, 弹模较小, 衬砌周围土体挤入盾尾空隙, 周围地层位移较大, 随着注浆体进入可塑状凝结阶段浆体的弹模增长比较快, 相应地层竖向位移增幅减小。
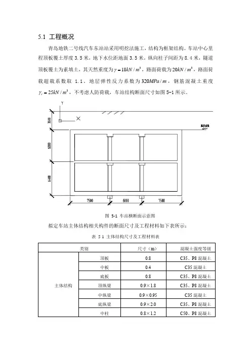
5.1 工程概况青岛地铁二号线汽车东站站采用明挖法施工,结构为框架结构。
车站中心里程顶板覆土厚度3.5米,地下水位距地面3.5米,纵向柱子间距为8.4米,隧道顶板覆土为素填土,其天然重度为318/kN m γ=,路面荷载为320/kN m ,路面荷载超载系数取 1.1。
地层弹性反力系数为320/MPa m ,钢筋混凝土重度325/c kN m γ=,不考虑人防荷载,车站结构断面尺寸如图5-1所示。
图 5-1 车站横断面示意图拟定车站主体结构相关构件的断面尺寸及工程材料如下表所示:表 5-1 主体结构尺寸及工程材料表5.2 荷载类型及组合5.2.1 荷载类型结构设计所考虑的计算荷载主要有:偶然荷载,可变荷载和永久荷载,详见表5-2。
表 5-2地下结构荷载分类表5.2.2 荷载组合荷载的分项系数及组合系数按《建筑结构荷载规范》取值,取值如表5-3。
表5-3 地铁车站结构计算荷载组合表5.3 主要计算参数因为车站所处位置地层较多,为了使计算简便,将物理力学指标相近的地层通过加权平均合并为一层,经合并后,共有三个地层。
各土层具体信息如下表5-4:表5-4 标准断面处从地面至车站底板土层信息表荷载取值如下:1、设备荷载:一般按8KPa计算,超过8KPa按设备实际重量计算。
2、人群荷载:4kPa。
3、路面荷载:20kPa(超载系数取1.0)。
4、水压力: 按全水头考虑。
5、车辆荷载:由于有利于抗浮,不考虑。
5.4.1 垂直荷载1、顶板垂直荷载顶板垂直荷载由路面活载及垂直土压力组成,方向竖直向下。
路面均布活载: 120 1.122kPa q =⨯=垂直土压力: 218.0 3.563kPa γ==⨯=∑i i q h 顶板垂直荷载为: 标准组合: 12=226385kPa 顶板+=+=q q q基本组合: 12=1.1 1.4 1.00.7 1.1 1.35q q q ⨯⨯⨯+⨯顶板1.07822 1.48563117.271kPa =⨯+⨯= 2、中板垂直荷载中板垂直荷载由人群荷载与设备荷载组成,方向竖直向下。
城市地铁盾构施工土压力选择随着北京2008年申奥成功,我国的城市地铁施工必将走向了一个崭新的一页。
城市地铁盾构施工具有快速、安全、对地面建筑物影响小等诸多优点,已经被越来越多的人们所认可。
在城市地铁盾构施工中,如何设置合理的土压,对于控制地表沉降有着至关重要的意义。
一、土压平衡复合式盾构机三种工况的简要介绍土压平衡复合式盾构有三种工况,即敞开式、半敞开式、土压平衡三种掘进模式。
地层围岩条件较好时,螺旋输送机伸入土仓,螺旋输送机的卸料口完全打开,土仓内不保持土压,维持刀盘、土仓、螺旋输送机之间的完全敞开,实现敞开式模式掘进。
当围岩稳定性变坏,工作面有坍塌时或有坍塌的可能,或地下涌水不能得到有效控制时,缩回螺旋输送机,关闭螺旋输送机的卸料口,压入压缩空气,土仓会被压力封闭,控制地下水的涌出,防止坍塌的进一步发生,即可实现半敞开式掘进模式;若水压力大或工作面不能达到稳定状态,则先停止螺旋输送机的出碴,切削下来的碴土充满土仓。
与此同时,用螺旋输送机排土机构,进行与盾构推进量相应的排土作业,掘进过程中,始终维持开挖土量与排土量的平衡来维持仓内碴土的土压力。
以土仓内的碴土压力抗衡工作面的土体压力和水压力,以保持工作面的土体的稳定,防止工作面的坍塌和地下水的涌出,从而使盾构机在不松动的围岩中掘进,确保不产生地层损失,实现土压平衡掘进模式。
二、掘进土压力的设定在选择掘进土压力时主要考虑地层土压,地下水压(孔隙水压),预先考虑的预备压力。
2.1地层施工土压在我国铁路隧道设计规范中,根据大量的施工经验,在太沙基土压力理论的基础上,提出以岩体综合物性指标为基础的岩体综合分类法,根据隧道的埋资深度不同,将隧道分为深埋隧道和浅埋隧道。
再根据隧道的具体情况采用不同的计算方式进行施工土压计算。
2.1.1深埋隧道与浅埋隧道的确定深、浅埋隧道的判定原则一般以隧道顶部覆盖层能否形成“自然拱”为原则。
深埋隧道围岩松动压力值是根据施工坍方平均高度(等效荷载高度)确定的。
城市地铁盾构施工土压力选择随着北京2008年申奥成功,我国的城市地铁施工必将走向了一个崭新的一页。
城市地铁盾构施工具有快速、安全、对地面建筑物影响小等诸多优点,已经被越来越多的人们所认可。
在城市地铁盾构施工中,如何设置合理的土压,对于控制地表沉降有着至关重要的意义。
一、土压平衡复合式盾构机三种工况的简要介绍土压平衡复合式盾构有三种工况,即敞开式、半敞开式、土压平衡三种掘进模式。
地层围岩条件较好时,螺旋输送机伸入土仓,螺旋输送机的卸料口完全打开,土仓内不保持土压,维持刀盘、土仓、螺旋输送机之间的完全敞开,实现敞开式模式掘进。
当围岩稳定性变坏,工作面有坍塌时或有坍塌的可能,或地下涌水不能得到有效控制时,缩回螺旋输送机,关闭螺旋输送机的卸料口,压入压缩空气,土仓会被压力封闭,控制地下水的涌出,防止坍塌的进一步发生,即可实现半敞开式掘进模式;若水压力大或工作面不能达到稳定状态,则先停止螺旋输送机的出碴,切削下来的碴土充满土仓。
与此同时,用螺旋输送机排土机构,进行与盾构推进量相应的排土作业,掘进过程中,始终维持开挖土量与排土量的平衡来维持仓内碴土的土压力。
以土仓内的碴土压力抗衡工作面的土体压力和水压力,以保持工作面的土体的稳定,防止工作面的坍塌和地下水的涌出,从而使盾构机在不松动的围岩中掘进,确保不产生地层损失,实现土压平衡掘进模式。
二、掘进土压力的设定在选择掘进土压力时主要考虑地层土压,地下水压(孔隙水压),预先考虑的预备压力。
2.1地层施工土压在我国铁路隧道设计规范中,根据大量的施工经验,在太沙基土压力理论的基础上,提出以岩体综合物性指标为基础的岩体综合分类法,根据隧道的埋资深度不同,将隧道分为深埋隧道和浅埋隧道。
再根据隧道的具体情况采用不同的计算方式进行施工土压计算。
2.1.1深埋隧道与浅埋隧道的确定深、浅埋隧道的判定原则一般以隧道顶部覆盖层能否形成“自然拱”为原则。
深埋隧道围岩松动压力值是根据施工坍方平均高度(等效荷载高度)确定的。
5.1 工程概况地铁二号线汽车东站站采用明挖法施工,结构为框架结构。
车站中心里程顶板覆土厚度3.5米,地下水位距地面3.5米,纵向柱子间距为8.4米,隧道顶板覆土为素填土,其天然重度为318/kN m γ=,路面荷载为320/kN m ,路面荷载超载系数取1.1。
地层弹性反力系数为320/MPa m ,钢筋混凝土重度325/c kN m γ=,不考虑人防荷载,车站结构断面尺寸如图5-1所示。
图 5-1车站横断面示意图拟定车站主体结构相关构件的断面尺寸与工程材料如下表所示:表 5-1 主体结构尺寸与工程材料表 类别尺寸(m )混凝土强度等级 主体结构顶板 0.8 C35、P8混凝土 中板 0.4 C35混凝土 底板0.8 C35、P8混凝土 顶纵梁 0.9×1.8 C35、P8混凝土 中纵梁 0.9×0.95 C35混凝土 底纵梁 0.9×2.0 C35、P8混凝土 中柱0.8×1.2C50、P8混凝土5.2 荷载类型与组合5.2.1 荷载类型结构设计所考虑的计算荷载主要有:偶然荷载,可变荷载和永久荷载,详见表5-2。
表 5-2地下结构荷载分类表5.2.2 荷载组合荷载的分项系数与组合系数按《建筑结构荷载规》取值,取值如表5-3。
表5-3 地铁车站结构计算荷载组合表5.3 主要计算参数因为车站所处位置地层较多,为了使计算简便,将物理力学指标相近的地层通过加权平均合并为一层,经合并后,共有三个地层。
各土层具体信息如下表5-4:表5-4 标准断面处从地面至车站底板土层信息表荷载取值如下:1、设备荷载:一般按8KPa计算,超过8KPa按设备实际重量计算。
2、人群荷载:4kPa。
3、路面荷载:20kPa(超载系数取1.0)。
4、水压力: 按全水头考虑。
5、车辆荷载:由于有利于抗浮,不考虑。
5.4.1 垂直荷载1、顶板垂直荷载顶板垂直荷载由路面活载与垂直土压力组成,方向竖直向下。
一、TBM软土地区土压力计算分析1、选择合适的土压力分析方法土压力应该沿隧道断面径向作用于衬砌上或分解为水平土压力和竖直土压力2、对隧道结构底部的土压力考虑为土的反向土压力3、计算土压力的方法A、水土合算B、水土分算4、计算方法隧道外荷载计算要根据隧道的埋深情况而定。
当隧道埋深小于2D( D为隧道外径) 时, 上覆土压力为全部覆土重( 当隧道埋深小于1. 5D时按埋深为1. 5D计算), 同时若有地面荷载则应考虑进去。
当隧道埋深不小于2D时, 应根据地层的成拱效应, 计算出土层的松弛土压力。
松弛土压力一般多采用泰沙基公式计算, 根据竖向土压力计算相应的水平土压力, 假设隧道衬砌拱部到底部作用于衬砌型心处的水平土压力是均布的,大小由垂直土压力乘以一个系数决定,水压力及自重根据实际情况计算。
弹性地基梁模型的计算图式二、隧道衬砌及土体变形分析1、衬砌变形采用弹性地基梁结构模型弹性地基梁模型对于错缝拼装的管片衬砌, 均假设管片环是弯曲刚度均匀的环, 对于接头的影响, 则引入了弯曲刚度有效率η和弯矩提高率ᵷ两个参数( η< 1,ᵷ>0) , 把环向衬砌接头对结构刚度的削弱用折减刚度ηEI 代替结构刚度EI, 将计算所得的弯矩M在管片环向接头处进行调整, 接头弯矩为( 1-ᵷ) M, 接头处相邻环管片弯矩增加为( 1+ᵷ) M。
弹性地基梁模型的外荷载如图所示, 主要有竖向土压力、水平土压力、水压力、地基抗力、衬砌自重。
其中, 地基抗力可用全周或局部地基弹簧模拟。
衬砌内力和位移的计算方法是将衬砌环离散为有限个梁单元, 理论分析结果表明, 当梁单元个数足够多时, 即当剖分单元取得足够小时, 完全可以用直梁模型代替曲梁模型。
将地基反力简化为节点处的地基弹簧, 根据计算的节点位移情况决定地基弹簧取舍, 反复进行计算, 直到所有弹簧都受压为止。
2、土体变形分析同一水平面隧道顶部地层竖向位移最大, 距离隧道轴线越远, 土层的竖向位移越小; 距离地表越深, 地层竖向位移越大; 隧道任一深度地层的竖向位移都随施工过程而逐渐增大, 其中注浆和盾尾管片脱开阶段地层竖向位移增长幅度最大, 因为该阶段隧道壁面和盾构外壳脱离, 注入的浆体处在初凝流动态凝结阶段, 弹模较小, 衬砌周围土体挤入盾尾空隙, 周围地层位移较大, 随着注浆体进入可塑状凝结阶段浆体的弹模增长比较快, 相应地层竖向位移增幅减小。
几种地铁隧道土压力计算方法的对比分析
摘要:地铁隧道结构设计一般采用“荷载-结构”模型,而地铁隧道上覆土压力的计算和分布形式是合理化及精细化设计的关键。
本文依托北京地铁3号线某暗挖区间,探讨各类土压力在不同地层中计算结果与埋深的关系,对比分析的计算结果可供同类工程参考。
关键词:地铁隧道;竖向土压力;对比分析
1 引言
地铁隧道结构设计一般采用“荷载-结构”模型,而地铁隧道上覆土压力的计算和分布形式是合理化及精细化设计的关键。
竖向土压力计算理论及公式,包括普氏理论、太沙基理论、谢家杰公式、比尔鲍曼公式、铁路隧道设计规范公式等。
近年来,国内外学者对竖向土压力的计算做了探讨及深入研究。
宋玉香等[1]根据北京地铁所处地层,结合北京地铁四、五和十号线的暗挖隧道标准断面安全度的试算分析,提出了北京地铁隧道竖向土压力荷载计算方法,即《北京地铁矿山法区间隧道结构设计指南》推荐公式(以下简称“设计指南推荐公式”或“推荐公式”);李文博[2]分析各种土压力的计算结果与埋深的关系,并基于修正后的太沙基公式,提出了无经验参数的竖向土压力计算公式;张丽[3]等基于沈阳地铁下穿浑河的盾构隧道,提出实用的深埋隧道土压力计算方法;国斌[4]等依据工程计算经验,提出软岩浅埋隧道荷载计算的变通做法。
本文依托北京地铁3号线某暗挖区间,就普氏理论、太沙基理论、铁路隧道规范公式、设计指南推荐公式等几种计算竖向土压力的公式,探讨在不同地层中竖向土压力计算结果随埋深的变化关系,其对比分析的结果可供同类工程参考。
2 几种常用竖向土压力计算方法及公式
2.5 深浅埋隧道界限的划分
1、《城市轨道交通工程设计规范》(DB11/995-2013)11.3.3款条文说明中,建议隧道深、浅埋的限值(即临界覆土厚度)按2D(D为隧道开挖宽度)考虑;
2、《铁路隧道设计规范》(TB10003-2016)5.1.6条规定,当H<2.5ha时,按浅埋隧道设计,其中,H为隧道拱顶以上覆盖层厚度,ha为深埋隧道垂直荷载计算高度。
3 工程实例计算结果对比
3.1 工程实例
本工程实例基于北京地铁3号线某矿山法区间,其结构断面如图7所示,断面开挖宽度6.48m,开挖高度6.62m,初期支护厚250mm,采用喷射混凝土C20,格栅主筋采用4φ22 HRB400钢筋,每榀格栅间距500mm。
图7 区间隧道标准断面
3.2 粘性土计算结果
根据3号线隧道区间勘察探孔资料,将成层土体各项土层参数按土层厚度加权平均简化为均质粘性土,土体参数及结构几何尺寸见下表:
3、通过计算并整理计算结果,可以得到各种竖向土压力随埋深的关系,如图8所示:
(1)上述几种理论计算竖向土压力大小的关系依次为:太沙基理论<普氏理论<设计指
南推荐公式<铁路隧道设计规范<全土柱理论;
(2)太沙基理论和普氏理论的计算结果偏小,且两者计算结果相差不大,计算中两者均
是按深埋隧道计算;
(3)设计指南推荐公式与铁路隧道新规范的计算结果随埋深(14~28m范围内)呈非线性增加,且两者的差值也在增大;但计算中2.5ha(深埋隧道垂直荷载计算高度)与D1相差
不大,14~28m均不属于深埋隧道。
;
(4)结果(2)和(3)分别视为第一组和第二组竖向土压计算结果(后续简称“第一组”、“第二组”),当埋深在14~28m时,第一组和第二组计算的竖向土压差值随着埋深的增加呈
非线性增加,若计算中,直接按照h>2D来判定浅埋和深埋,这样计算的结果会偏不安全。
(5)从几种竖向土压计算结果可以看出,判断隧道浅埋、深埋是计算隧道竖向土压力的
关键因素,设计人员应结合地铁所处区域,按本区域竖向土压的推荐计算公式来确定。
3.3 砂土计算结果
砂土的土体参数:粘聚力c=0,内摩擦角30°,其他参数与粘性土相同。
通过计算,可以得到在砂土中,各种土压力计算公式与埋深的关系曲线,如图9所示。
(1)当c=0,λ=1时,普氏理论与太沙基理论计算结果相同;且相较于其它计算理论,
普氏理论与太沙基理论计算结果偏小,与粘性土计算结论相同。
(2)较粘性土,第一组与第二组的差值较小,说明粘聚力对竖向土压的计算有一定的影响。
(3)设计指南推荐公式与铁路隧道新规范的计算结果随埋深(14~28m范围内)的增加亦呈非线性增加,且两者的计算结果相近;两者的差值小于粘性土的情形。
(4)结合图8和图9,设计指南推荐公式既然虑了自然拱的作用,同时也考虑了各土层
的影响,且计算结果介于最大值与最小值之间,其土压力变化更切合实际情况。
4 结论
本文结合北京地铁3号线某暗挖区间,从粘性土和砂土两种土层出发,探讨了在不同土
层中,各种竖向土压力计算结果随隧道埋深的变化情况:
(1)判断隧道浅埋还是深埋,是计算隧道竖向土压力的关键,判定时建议考虑自然平衡
拱及各土层特性的影响,这样更符合实际情况。
(2)无论是粘性土还是砂层中,若按照深埋理论,普氏理论与太沙基理论计算的竖向土
压力均偏小,且当为砂层时,两种计算结果相同。
(3)当隧道埋深为14~28m时,无论采用铁路隧道新规范还是设计指南推荐规范,隧
道的竖向土压力均随隧道埋深呈非线性增加。
(4)在北京地区的暗挖隧道,建议采用设计指南的推荐公式,该公式综合考虑自然平衡
拱及各地层参数的影响,较符合实际情况。
当然,在今后的工程实践中,还应继续总结大量
既有工程经验和监测数据,提出更趋于理的修正参数,使理论计算值与工程实践结果更相吻合。
参考文献:
[1]宋玉香,贾晓云,朱永全.地铁隧道竖向土压力荷载的计算研究[J].岩土力学,2007,28(10):2240-2244.
[2]李文博,陶连金,蔡东明,周明科.地铁隧道竖向土压力计算公式探讨与改进[J].铁
道建筑,2013,3:78-81.
[3]张丽,陈东.深埋隧道实用计算分析[J].都市快轨交通,2009,12:76-78.
[4]国斌,罗富荣.软岩浅埋隧道的荷载计算[J].隧道建设,1995,2:38-41.
[5]李志业,曾艳华.地下结构设计原理与方法[M].成都:西南交通大学出版社,2003.
[6]朱永全,宋玉香.隧道工程[M].北京:中国铁道出版社,2014.
[7]TB10003-2016铁路隧道设计规范[S].北京:中国铁道出版社,2017.
[8]钟桂彤.铁路隧道[M].北京:中国铁道出版社,1990.
[9]北京市轨道交通建设管理有限公司.北京地铁矿山法区间隧道结构设计计算指南[G].北京,2006.
[10]DB11/995-2013城市轨道交通工程设计规范.北京,2013.
作者简介:
高洋,硕士研究生,现任职于中铁上海设计院集团有限公司,助理工程师,从事地铁结构设计及地铁装配式车站的研究工作。