最全最详细的合同能源管理项目财政补贴申请流程(附表格)
- 格式:doc
- 大小:415.00 KB
- 文档页数:7
杭州市经济和信息化委员会杭州市国家税务局杭州市地方税务局杭经信联资源〔2011〕188号关于下发合同能源管理项目减免税收操作流程(试行办法)的通知为贯彻落实财政部、国家税务总局《关于促进节能服务产业发展增值税、营业税和企业所得税政策问题的通知》(财税〔2010〕110号)文件精神,经研究,特制定杭州市合同能源管理项目享受税收优惠政策操作流程:一、享受税收优惠政策的节能服务公司认定标准及条件(一)关于减免增值税、营业税凡符合财政部和国家税务总局《关于促进节能服务产业发展增值税、营业税和企业所得税政策问题的通知》(财税〔2010〕110号)第一大点要求的可免征营业税和增值税。
(二)关于减免所得税除符合上述要求外,还需满足以下条件:1、公司具有独立法人资格,在杭州市进行工商注册和税务登记,注册资金100万元以上(含)。
且能够单独提供用能状况诊断、节能项目设计、融资、改造(包括施工、设备安装、调试、验收等)、运行管理、人员培训等服务的专业化节能服务公司。
2、公司有专职专业中级以上(含)技术人员3人以上(含3人)。
3、公司以合同能源管理为主营业务。
4、获国家、省级备案的节能服务公司;获杭州市备案的节能服务公司(上述3条为杭州备案的基本条件)。
二、享受税收优惠政策的企业及项目要求1、公司财务制度健全,并以项目为单位进行会计核算,财务核算规范。
2、节能技术改造项目建设和运行,必须符合安全生产和环境保护要求。
3、享受所得税减免政策,节能服务公司实施合同能源管理的项目,一是需符合《财政部国家税务总局国家发展改革委关于公布环境保护节能节水项目企业所得税优惠目录(试行)的通知》(财税〔2009〕166号)“4、节能减排技术改造”类中第一项至第八项规定的项目和条件;二是节能服务公司投资额不低于实施合同能源管理项目投资总额的70%;三、免征税收操作流程1、项目备案。
节能服务公司与用能企业签订协议后,杭州地区项目填报《合同能源管理项目备案登记表》,外地项目填报《实施杭州市外合同能源管理项目情况证明书》,与合同能源管理项目协议文本,一式二份报杭州市经信委备案。
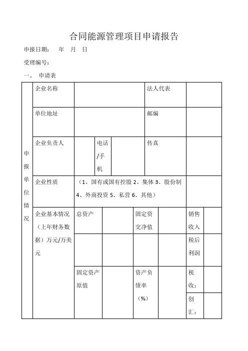
合同能源管理项目申请报告申报日期:年月日
受理编号:
一、申请表
二、申请项目内容
1、项目名称
2、企业概述
3、项目概述:
项目改造前边界范围内(项目实施涉及的设备、设施的范围和地理位置界限)运行及用能情况:
主要改造内容:
项目改造后边界范围内运行及用能情况:
4、技术原理
5、项目节能量
改造前能耗情况:
改造后能耗情况:
节能量测算过程:
6、项目投资额及回收期
7、采用合同能源管理类型:
备注:节能改造项目不允许重复申报政府财政奖励资金,如发现除全额追缴奖励资金的同时,取消申报公司三年的申报资格。
合同能源管理服务认证要求一、认证要求概述合同能源管理服务认证是指通过第三方机构对企业的能源管理服务进行评估和认证,以验证企业是否符合相关的国家标准和行业规范要求。
该认证旨在提高企业的能源利用效率,降低能源消耗和排放,促进可持续发展。
二、认证范围1. 能源管理服务机构:包括能源咨询、设计、实施、监测等服务机构。
2. 能源管理项目:包括建筑节能改造、工业节能改造、新能源开发利用等项目。
三、认证标准1. GB/T 23331-2012《合同能源管理》:该标准规定了合同能源管理的基本概念和术语,以及组织实施合同能源管理的要求和程序。
2. GB/T 27922-2011《建筑节能技术服务规范》:该标准规定了建筑节能技术服务的基本要求、服务流程和评价方法。
3. GB/T 27923-2011《工业节能技术服务规范》:该标准规定了工业节能技术服务的基本要求、服务流程和评价方法。
4. GB/T 27924-2011《新能源开发利用技术服务规范》:该标准规定了新能源开发利用技术服务的基本要求、服务流程和评价方法。
四、认证流程1. 申请:企业向认证机构提交申请,填写相关的申请表格和资料。
2. 审核:认证机构对企业的申请进行审核,包括企业资质、能源管理服务项目等方面的审核。
3. 现场检查:认证机构对企业进行现场检查,了解企业的实际情况和能源管理服务情况。
4. 报告编制:认证机构根据审核和现场检查结果,编制评估报告。
5. 审定:评估报告经过内部审定后,由认证机构颁发合同能源管理服务认证证书。
6. 监督检查:认证机构对已获得认证的企业进行定期监督检查,确保其持续符合相关要求。
五、认证效益1. 提高能源利用效率:通过合同能源管理服务认证,企业可以优化能源使用结构,提高能源利用效率,降低成本和排放量。
2. 增强市场竞争力:获得合同能源管理服务认证后,企业可以提高自身品牌形象和市场竞争力,在激烈的市场竞争中占据优势。
3. 促进可持续发展:合同能源管理服务认证可以促进企业可持续发展,推动企业向低碳、环保、高效的方向转型。
如何申请合同能源管理项目财政专项奖励资金简介为了提高能源利用效率,减少能源浪费,节能减排,中国政府鼓励和支持企业开展合同能源管理项目,并通过财政专项资金奖励鼓励和促进企业参与合同能源管理项目的开展。
本文将介绍如何申请合同能源管理项目财政专项奖励资金。
申请条件根据财政部的规定,以下企业可以申请合同能源管理项目财政专项奖励资金:•在中国境内注册登记的各类企业、集体经济组织和民办非企业单位;•开展合同能源管理项目,并完成节能目标,并经相关部门考核合格;•在申报期限内,按照规定向地方财政部门提交申请材料。
申请流程第一步:确定申报项目企业在开展合同能源管理项目前,应提前向所在地区的发改委或能源管理部门咨询相关政策和申报要求,制定合理的合同能源管理项目方案。
确定申报项目后,按照要求进行项目实施和管理,确保项目取得预期效果。
第二步:准备申报材料企业在申请合同能源管理项目财政专项奖励资金时,需提供如下材料:•企业营业执照或组织机构代码证;•合同能源管理(ESCo)项目实施合同或合作协议;•项目节能目标和节能贡献证明材料;•节能评估报告和项目执行情况报告;•完税证明等。
第三步:申报资金企业按照相关要求,向所在地区的财政部门递交申请,并填写申请表,注明申请的资金金额等信息。
财政部门在收到申请材料后,将对材料进行审核,并进行实地检查。
第四步:评审和发放奖励资金经过审核的申请材料将进入评审程序,主要是评审项目的节能效果和资金使用效益。
评审结果经过厅局级评审批准后,发改委将财政专项奖励资金发放到企业的指定账户。
注意事项在申请合同能源管理项目财政专项奖励资金时,企业需要注意以下事项:•申请材料应真实、准确、完整;•申请材料应按照要求进行分类、归档,并做好备份;•在项目实施过程中,应按照规定做好保存工作,确保项目数据可靠、完整。
通过申请合同能源管理项目财政专项奖励资金,不仅可以获得政府的财政支持,更可以提高企业的产品竞争力和社会影响力,达到节能减排、环保节能的目的。
合同能源管理项目移交申请(中英文实用版)**Contract Energy Management Project Handover Application**Dear Sir/Madam,We are writing to formally apply for the handover of the Contract Energy Management Project that we have been working on together.尊敬的先生/女士,我们正式申请移交我们共同合作的合同能源管理项目。
As the project is now nearing completion, we believe it is time to transfer the project to your team for the final stages.随着项目接近完成,我们认为现在是将项目移交给您的团队进行最后阶段的时候了。
We have prepared a comprehensive handover report that includes all the necessary documentation and information about the project.我们已经准备了一份全面的移交报告,包括项目的所有必要文件和信息。
We would like to request a meeting to discuss the handover process and ensure that all parties are in agreement about the transfer.我们请求召开一次会议,讨论移交流程,并确保各方对移交达成一致。
We look forward to hearing from you soon and would like to express our gratitude for the opportunity to work on this project with you.我们期待您的回复,并对有机会与您合作进行这个项目表示感激。
广东省合同能源管理财政奖励资金项目申报指南背景随着我国工业和城市化进程的加快,能源问题日益成为我国经济发展中的瓶颈问题。
为此,可持续能源管理得到越来越多的关注。
在实现节能减排、减轻对环境的污染方面,合同能源管理是一种高效的手段。
合同能源管理是指政府、企业或组织向专业服务机构外包能源管理服务的一种方式。
该方式通过外包的形式,将能源管理交由专业化的服务机构,以实现企业与专业机构合作、优化能源使用,从而降低企业所产生的能源成本。
为了鼓励广东省内企业实施合同能源管理,省财政厅发布了《广东省财政奖励资金管理办法》。
本文将介绍合同能源管理申报指南。
申报对象广东省内企业及其他单位,包括中央和省政府驻粤机构及国企、民企、外企等,均可以申请合同能源管理财政奖励资金项目。
申报条件按照广东省财政厅要求,以下条件必须都符合才可申请:•实施对象:具有合法的生产经营资格,年营业额不少于 2000 万元人民币;•项目资金:项目资金应以合同能源管理服务费为基础,由企业与服务机构依据市场化原则签订合同,并明确结算方式,服务费不低于 10 万元人民币;•项目规模:项目实施期不少于 12 个月,年节约能源量不少于 500 吨标准煤,年节约能源费用不低于 100 万元人民币;•资质要求:合同能源管理服务机构应具有合法注册、行业资质等方面的基本条件,且前三年内未曾因违法违规被责令关闭,未曾因质量问题受到重大罚款或其它行政处罚;•申报时间:每年 1 月 1 日至 9 月 30 日为申报时间,逾期不予受理。
符合以上条件的企业和单位均可以向广东省财政厅申请合同能源管理财政奖励资金项目。
申报材料1.申报表:申请合同能源管理财政奖励资金项目的申请表必须按照规定格式填写,表格内容应真实、完整地反映了项目的各项情况;2.合同:应当提供企业和服务机构之间签订的合同能源管理服务合同及其附件。
合同应具有法律效力,且明确了各项服务内容、费用、结算方式等重要内容;3.证明材料:应当提供主管部门核发的企业经营许可证或其他相关证明材料,服务机构提供组织机构代码证书、营业执照、知识产权证书、技术标准证书等相关证明材料;4.报价文件:应当提供服务机构对合同能源管理服务费报价的有效报价文件;5.其它材料:为了满足申请资格的认定和申报需要,申请人必须提交广东省财政厅规定的其它材料。
合同能源管理项目财政补贴申请流程一、申请时间:项目合同签订之后二、流程:(一)到项目所在地区县发改委备案,需准备以下资料:1、项目合同复印件2、公司的营业执照和组织机构代码证(都盖公司鲜章)3、投资项目备案申请报告(鲜章)4、节能登记表(鲜章)5、银行出具的该项目总投资20-35%的存款证明完成后,获得项目地发改委的备案通知书。
(二)到项目所在地环保部门办理环境影响报告书,需准备以下资料:1、发改委的备案通知书2、公司的营业执照和组织机构代码证(都盖公司鲜章)3、投资项目备案申请报告(鲜章)4、节能登记表(鲜章)5、环保部门受理后,填写一个《建设项目环境影响登记表》完成后,获得一个环境影响的批复书(三)到市发改委备案,需准备资料:一、节能服务公司申请备案的报告二、节能服务公司对申请备案材料真实性的承诺声明三、节能服务公司基本情况表(附表一)四、合同能源管理项目基本情况表(附表二)五、节能服务公司依据《合同能源管理技术通则》与有关企业签订的合同能源管理项目合同六、有关节能技术方案七、具有甲级资质的咨询、设计机构的评估论证意见(提交时可空白)八、项目的备案、核准或审批文件九、环保部门对项目环境影响报告书(表)的批复文件十、节能评估报告书和节能评估报告表批复文件或通过审查的节能登记表十一、资金筹措证明说明:上述材料编制目录装订成册一式四份报市发展改革委。
附表一节能服务公司基本情况表填报时间:联系电话邮政编码省 市 公司成立时间 年 月 职工总数 (人) 联系人电话其中:技术人员(人)隶属关系填报单位: (盖章) 年 月 日法人代表公司详细地址公司工商登记 注册类型公司注册地国家核准业务范围有无国家认定的 技术中心万元万元其中:中长期贷款余额 万元公司总资产 万元公司净资产 万元短期贷款余额 公司资产负债率 %万元公司注册资本 公司贷款余额 公司主要节能技术 和产品其中:自主研发 的技术和产品最近三年 公司经营情况 年 年年 备 注销售收入利 润税 金附表二合同能源管理项目基本情况表填报时间:合同约定情况项目年节能量 其 中节能收益其他情况资金实际到位情况其 中年 其 中填报单位: (盖章) 月 日项目预算投资用户单位名称合 同 编 号 项 目 名 称项 目 所 属 业 务 范 围项目前期 工作情况项目建成后节 水、资源循环 利用、污染物 减排等情况(四)专家评审通过后(五)到省发改委提交财政补贴申请,资料包括:一、节能服务公司申请财政奖励资金的报告二、节能服务公司对申请财政奖励资金材料真实性的承诺声明三、合同能源管理项目财政奖励资金申请表(附表)四、其他说明:上述材料编制目录装订成册一式四份报省发展改革委。
新能源申请补贴流程一、申请准备1.确认申请条件(1)企业类型①新能源生产企业②新能源设备生产企业③新能源服务企业(2)项目类型①太阳能项目②风能项目③生物质能项目④地热能项目2.收集申请材料(1)企业基本情况①企业营业执照②企业税务登记证(2)项目相关材料①项目可行性研究报告②项目预算及资金来源证明(3)环境影响评估①环境影响评估报告②政府环保审批文件二、提交申请1.在线申请平台注册(1)创建账户①输入企业信息②完成实名认证(2)登录账户①进入申请页面②阅读相关政策2.提交申请材料(1)上传材料①企业基本情况材料②项目相关材料③环境影响评估材料(2)填写申请表格①项目名称与地点②项目资金需求③项目实施方案3.确认提交(1)检查申请信息①确认材料完整性②确认信息准确性(2)提交申请①点击提交按钮②获取申请编号三、申请审核1.初审阶段(1)材料审查①检查材料齐全性②判别材料真实性(2)初步反馈①发送补充资料通知②发送初审结果通知2.复审阶段(1)技术审查①组织专家评审②评估项目技术路线(2)财务审查①检查资金来源合法性②审核项目预算合理性3.最终审核(1)审核会议①汇总审查意见②形成审核结论(2)公示结果①在官网公示审核结果②设定异议反馈期四、补贴发放1.确认补贴金额(1)编制补贴方案①根据审核结果编制②审核补贴方案合法性2.发放补贴资金(1)确定发放方式①一次性发放②分期发放(2)资金到账①确认资金已到账②通知企业确认五、项目后评估1.成果汇报(1)编写总结报告①项目实施情况②资金使用情况(2)提交报告①报告在线提交②邮寄纸质报告2.后续监管(1)定期检查①确保项目持续合规②收集项目运行数据(2)处理违规行为①发现问题及时处理②追责相关责任人。
XXXXX与XXXXX 合同能源管理项目合同二○一年月鉴于本合同双方同意按“合同能源管理”模式就利用项目(以下简称“项目”或“本项目”)进行能源费用托管型专项节能服务,并支付相应的节能服务和能源托管费用。
双方经过平等协商,在真实、充分地表达各自意愿的基础上,根据《中华人民共和国合同法》及其他相关法律法规的规定,达成如下协议,并由双方共同恪守。
第一节术语和定义1.1 合同能源管理:节能服务公司与用能单位以契约形式约定节能项目的节能(供能)目标,节能服务公司为实现节能(供能)目标向用能单位提供必要的服务,用能单位以节能效益或用能费用支付节能服务公司的投入及其合理利润的节能服务机制。
1.2 能源费用托管型:用能单位委托能源服务公司对能源系统进行投资、设计、建设和运行管理,并按照合同约定支付能源托管费用。
能源服务公司通过提高能源效率降低能源费用,并按照合同约定拥有全部或部分能源费用。
项目合同结束后,节能设备所有权及使用权无偿移交给用能单位。
1.3 本合同及相关附件中所涉及的其他有关名词和技术术语,其定义和解释依据中华人民共和国国家标准GB/T24915—2010《合同能源管理技术通则》。
第二节项目期限2.1 本合同期限为,自始,至年。
2.2 本项目的建设期为年,自始,至。
2.3 本项目的节能效益分享期的起始日为,能源费用托管期为年。
第三节项目方案设计、实施和项目的验收3.1 甲乙双方应当按照本合同附件所列的项目方案文件的要求以及本合同的规定进行本项目的实施。
甲方负责办理项目厂区内及用户小区内的施工许可、环评审批、项目报备等手续,乙方给予协助,并提供相应的设计、施工方案、图纸等。
因未获施工审批而影响工期的,工期自动顺延。
乙方负责办理项目厂区外的相关手续。
3.2 项目方案一经甲方批准,除非双方另行同意,或者依照本合同第7节的规定修改之外,不得修改。
3.3 乙方应当依照第2.2条规定的时间依照项目方案的规定开始项目的建设、实施和运行。
附件:合同能源管理财政奖励资金管理暂行办法第一章总则第一条根据《国务院办公厅转发发展改革委等部门关于加快推行合同能源管理促进节能服务产业发展意见的通知》(国办发[2010]25号),中央财政安排资金,对合同能源管理项目给予适当奖励(以下简称“财政奖励资金”)。
为规范和加强财政奖励资金管理,提高资金使用效益,特制定本办法。
第二条本办法所称合同能源管理,是指节能服务公司与用能单位以契约形式约定节能目标,节能服务公司提供必要的服务,用能单位以节能效益支付节能服务公司投入及其合理利润.本办法支持的主要是节能效益分享型合同能源管理.节能服务公司,是指提供用能状况诊断和节能项目设计、融资、改造、运行管理等服务的专业化公司。
第三条财政奖励资金由中央财政预算安排,实行公开、公正管理办法,接受社会监督.第二章支持对象和范围第四条支持对象.财政奖励资金支持的对象是实施节能效益分享型合同能源管理项目的节能服务公司。
第五条支持范围。
财政奖励资金用于支持采用合同能源管理方式实施的工业、建筑、交通等领域以及公共机构节能改造项目。
已享受国家其他相关补助政策的合同能源管理项目,不纳入本办法支持范围。
第六条符合支持条件的节能服务公司实行审核备案、动态管理制度。
节能服务公司向公司注册所在地省级节能主管部门提出申请,省级节能主管部门会同财政部门进行初审,汇总上报国家发展改革委、财政部。
国家发展改革委会同财政部组织专家评审后,对外公布节能服务公司名单及业务范围。
第三章支持条件第七条申请财政奖励资金的合同能源管理项目须符合下述条件:(一)节能服务公司投资70%以上,并在合同中约定节能效益分享方式;(二)单个项目年节能量(指节能能力)在10000吨标准煤以下、100吨标准煤以上(含),其中工业项目年节能量在500吨标准煤以上(含);(三)用能计量装置齐备,具备完善的能源统计和管理制度,节能量可计量、可监测、可核查.第八条申请财政奖励资金的节能服务公司须符合下述条件:(一)具有独立法人资格,以节能诊断、设计、改造、运营等节能服务为主营业务,并通过国家发展改革委、财政部审核备案;(二)注册资金500万元以上(含),具有较强的融资能力;(三)经营状况和信用记录良好,财务管理制度健全;(四)拥有匹配的专职技术人员和合同能源管理人才,具有保障项目顺利实施和稳定运行的能力.第四章支持方式和奖励标准第九条支持方式.财政对合同能源管理项目按年节能量和规定标准给予一次性奖励。
项目补贴申请报告近年来,随着各地对创新创业的支持力度不断加大,众多初创企业、小微企业和科技企业获得了资金、资源、政策等多方面支持。
在这些支持中,项目补贴申请是其中一种常见的方式。
本文将讲解项目补贴申请的一般步骤,同时分别列举三个案例,帮助读者更好地理解项目补贴申请的实际运作。
一、项目补贴申请的一般步骤1. 核实补贴政策:在决定申请项目补贴前,应首先阅读相关政策和标准,了解该政策的申请条件和要求,确保自己的项目符合要求,以免浪费时间和资源。
2. 准备资料:准备好项目相关资料,包括企业商业计划书、预算报告、市场调研报告等材料,在提交申请前要经过审阅,并做好必要的修改。
3. 填写申请表:在第一步中获取相关表格并检查是否完整,填好后会面交或寄往相关部门审批。
4. 申请受理:当申请表、相关资料验证属实后,经过初审才确立为申请受理。
5. 评审:将申请者的申请资料委托给相应领域的专家进行评估。
6. 报批:通过审核后,部门领导会对该项目进行审定,确定该项目是否符合标准并且获得后续资助。
二、项目补贴申请案例分析案例一:水利市地下河生态旅游区项目该项目是以利用城市地下水源为主的理念建设的涉水旅游区,受到市政府的支持。
首先,项目负责人收集了水利市有关旅游的相关政策以及项目申请表格,并开始准备申请所需的所有材料。
在准备了市场调研报告、项目投资预算表、涉水项目设计方案等必要材料后,进行申请,经过初审、评审后,该项目被批准,并获得了大量的资助和政策支持。
案例二:GooLoo创新电池项目GooLoo创造性地将汽车充电习惯和充电形式进行了改变,并且向业内其他企业宣传了免费的充电方案。
该项目为电动汽车的未来发展策略创造了一个非常稳定的基础。
为了提高企业知名度,该项目商业计划书需要充分优化。
项目负责人收集了GooLoo主要竞争对手的市场营销策略,分析客户需求,打造出推广价值性质的宣传材料,最终成功获得了政策支持。
案例三:省电力交流电机研发项目一家科技型企业发现,销售的交流电机存在制约性问题,为更好地提高产品质量、满足市场需求,制订了省电力电机的研发计划,申请相关政策支持。
关于印发《合同能源管理项目财政奖励资金管理暂行办法》的通知财建〔2010〕249号各省、自治区、直辖市、计划单列市财政厅(局)、发展改革委(经委、经信委、经贸委),新疆生产建设兵团财务局、发展改革委:根据《国务院办公厅转发发展改革委等部门关于加快推行合同能源管理促进节能服务产业发展意见的通知》(国办发〔2010〕25号,中央财政安排奖励资金,支持推行合同能源管理,促进节能服务产业发展。
为规范财政资金管理,提高资金使用效益,我们制定了《合同能源管理项目财政奖励资金管理暂行办法》,现印发给你们,请遵照执行。
附件:《合同能源管理项目财政奖励资金管理暂行办法》财政部国家发展改革委二〇一〇年六月三日附件:合同能源管理财政奖励资金管理暂行办法第一章总则第一条根据《国务院办公厅转发发展改革委等部门关于加快推行合同能源管理促进节能服务产业发展意见的通知》(国办发[2010]25号),中央财政安排资金,对合同能源管理项目给予适当奖励(以下简称“财政奖励资金”)。
为规范和加强财政奖励资金管理,提高资金使用效益,特制定本办法。
第二条本办法所称合同能源管理,是指节能服务公司与用能单位以契约形式约定节能目标,节能服务公司提供必要的服务,用能单位以节能效益支付节能服务公司投入及其合理利润。
本办法支持的主要是节能效益分享型合同能源管理。
节能服务公司,是指提供用能状况诊断和节能项目设计、融资、改造、运行管理等服务的专业化公司。
第三条财政奖励资金由中央财政预算安排,实行公开、公正管理办法,接受社会监督。
第二章支持对象和范围第四条支持对象。
财政奖励资金支持的对象是实施节能效益分享型合同能源管理项目的节能服务公司。
第五条支持范围。
财政奖励资金用于支持采用合同能源管理方式实施的工业、建筑、交通等领域以及公共机构节能改造项目。
已享受国家其他相关补助政策的合同能源管理项目,不纳入本办法支持范围。
第六条符合支持条件的节能服务公司实行审核备案、动态管理制度。
国家及地方合同能源管理政策汇总来源:南度度节能服务网我国自1997年引进合同能源管理机制以来,通过示范、引导和推广,节能服务产业迅速发展,专业化的节能服务公司不断增多,服务范围已扩展到工业、建筑、交通、公共机构等多个领域。
为加快推行合同能源管理,促进节能服务产业发展,国家和各地方政府不断出台合同能源管理激励政策进行扶持。
为了让大家方便查找或者整体了解我国合同能源管理政策,南度度对国家和地区发布的合同能源管理政策进行了汇总。
国家政策国务院关于加快推行合同能源管理促进节能服务产业发展意见的通知到2015年,建立比较完善的节能服务体系,专业化节能服务公司进一步壮大,服务能力进一步增强,服务领域进一步拓宽,合同能源管理成为用能单位实施节能改造的主要方式之一。
将合同能源管理项目纳入中央预算内投资和中央财政节能减排专项资金支持范围,对节能服务公司采用合同能源管理方式实施的节能改造项目,符合相关规定的,给予资金补助或奖励。
中华人民共和国国家标准合同能源管理技术通则本标准规定了合同能源管理的术语和定义、技术要求和参考合同文本,适用合同能源管理项目的实施。
用能状况诊断可按照GB/T 2587、GB/T 3484、GB/T 15316、GB/T 17166及相关标准执行。
能耗基准确定可按照GB/T 2589、GB/T 13234及相关标准执行,并应得到双方的确认。
项目节能量的确定可按照GB/T 13234及相关标准规范执行。
合同能源管理项目财政奖励资金管理暂行办法支持对象:财政奖励资金支持的对象是实施节能效益分享型合同能源管理项目的节能服务公司。
支持范围:财政奖励资金用于支持采用合同能源管理方式实施的工业、建筑、交通等领域以及公共机构节能改造项目。
已享受国家其他相关补助政策的合同能源管理项目,不纳入本办法支持范围。
关于合同能源管理财政奖励资金需求及节能服务公司审核备案有关事项的通知节能服务公司名单实行审核备案、动态管理制度,国家发展改革委会同财政部将根据各地节能服务产业发展水平和节能服务公司综合考评等具体情况,适时调整节能服务公司名单。
产业绿色低碳循环发展类项目申报具体要求一、申报范围及条件的补充说明(一)合同能源管理项目申报条件:合同能源管理项目应在省内实施,工业项目节能量应不少于300吨标准煤,非工业项目应不少于100吨标准煤。
(二)各地要按照申报指南要求,突出支持重点,优先推荐技术先进、节能减排效果显著的项目。
节能改造项目优先推荐重点耗能企业和绿色示范创建计划的单位项目。
绿色制造项目优先推荐列入国家“两型"企业创建试点、绿色示范创建计划、省级清洁生产先进企业及列入《江苏省重点工业行业大气污染防治清洁生产行动计划》、国家《高风险污染物削减行动计划》的重点企业、列入国家再制造试点及工信部《内燃机再制造推进计划》及有关试点示范计划内的企业项目.(三)节能、节水改造项目依托的改造主体必须投产2年以上。
以扩大产能为目的的项目不能作为节能改造项目申报,新建项目或主体项目建设时按政策规定须同时配套建设的节能、节水措施不能作为节能、节水改造项目申报。
(四)所有类别的项目均需报送资金申请报告.(五)节能改造、合同能源管理项目应由省内从事节能工作的第三方专业机构出具项目节能量审核报告(见附件3)。
(六)节能服务公司通过合同能源管理方式为工业企业实施的电机、配电变压器更新项目,节能服务公司可以合同能源管理项目申报,也可以电机、配电变压器更新项目申报。
以电机、配电变压器更新项目申报的,若用能单位涉及跨地区的,应委托省内专业从事节能工作的第三方机构进行现场核实,并出具核实情况表(附件4);不涉及跨地区的,可由所在地经信委出具现场核实情况表.(七)电机、配电变压器更新项目补贴标准如下。
1.高效电机补贴标准:2. 高效配电变压器补贴标准:3. 根据我省配电变压器能效提升计划,2017年购买的按此标准的80%补贴。
4。
电机、配电变压器更新项目最低补贴金额2万元,按补贴标准测算金额不足2万元的不予补贴,2万元以上的按四舍五入取整数补贴。
二、申报材料要求(一)项目资金申请报告要求详见附件1(资金申请报告编制要点)。
合同能源管理企业备案流程下载温馨提示:该文档是我店铺精心编制而成,希望大家下载以后,能够帮助大家解决实际的问题。
文档下载后可定制随意修改,请根据实际需要进行相应的调整和使用,谢谢!并且,本店铺为大家提供各种各样类型的实用资料,如教育随笔、日记赏析、句子摘抄、古诗大全、经典美文、话题作文、工作总结、词语解析、文案摘录、其他资料等等,如想了解不同资料格式和写法,敬请关注!Download tips: This document is carefully compiled by theeditor. I hope that after you download them,they can help yousolve practical problems. The document can be customized andmodified after downloading,please adjust and use it according toactual needs, thank you!In addition, our shop provides you with various types ofpractical materials,such as educational essays, diaryappreciation,sentence excerpts,ancient poems,classic articles,topic composition,work summary,word parsing,copy excerpts,other materials and so on,want to know different data formats andwriting methods,please pay attention!一、企业备案前的准备工作1. 企业应具备相应的专业技术能力和业务水平,熟悉合同能源管理的法律法规和相关政策。
-精品文档-
合同能源管理项目财政补贴申请流程
一、申请时间:项目合同签订之后
二、流程:
(一)到项目所在地区县发改委备案,需准备以下资料:
1、项目合同复印件
2、公司的营业执照和组织机构代码证(都盖公司鲜章)
3、投资项目备案申请报告(鲜章)
4、节能登记表(鲜章)
5、银行出具的该项目总投资20-35%的存款证明
完成后,获得项目地发改委的备案通知书。
(二)到项目所在地环保部门办理环境影响报告书,需准备以下资料:
1、发改委的备案通知书
2、公司的营业执照和组织机构代码证(都盖公司鲜章)
3、投资项目备案申请报告(鲜章)
4、节能登记表(鲜章)
5、环保部门受理后,填写一个《建设项目环境影响登记表》
完成后,获得一个环境影响的批复书
(三)到市发改委备案,需准备资料:
一、节能服务公司申请备案的报告
二、节能服务公司对申请备案材料真实性的承诺声明
三、节能服务公司基本情况表(附表一)
四、合同能源管理项目基本情况表(附表二)
五、节能服务公司依据《合同能源管理技术通则》与有关企业签订的
合同能源管理项目合同
六、有关节能技术方案
七、具有甲级资质的咨询、设计机构的评估论证意见(提交时可空白)
八、项目的备案、核准或审批文件
九、环保部门对项目环境影响报告书(表)的批复文件
十、节能评估报告书和节能评估报告表批复文件或通过审查的节能登记表
十一、资金筹措证明
-精品文档-
附表一
节能服务公司基本情况表
填报时间:
联系电话
邮政编码
省 市 公司成立时间 年 月 职工总数 (人) 联系人电话
其中:技术人员(人)
隶属关系
填报单位: (盖章) 年 月 日
法人代表
公司详细地址
公司工商登记 注册类型
公司注册地
国家核准业务范围
有无国家认定的
技术中心
万元
万元
其中:中长期贷款余额 万元 公司总资产 万元 公司净资产 万元
短期贷款余额 公司资产负债率 %
万元
公司注册资本
公司贷款余额
公司主要节能技术 和产品
其中:自主研发 的技术和产品
最近三年 公司经营情况
年 年 年 备 注
销售收入
利 润
税 金
说明:上述材料编制目录装订成册一式四份报市发展改革委。
-精品文档-
附表二
合同能源管理项目基本情况表
填报时间: 合同约定情况
项目年节能量 其 中
节能收益
其他情况
资金实际到位情况
其 中 年 其 中
填报单位:
(盖章)
月 日
项目预算投资
用户单位名称
合 同 编 号 项 目 名 称
项 目 所 属 业 务 范 围
项目前期 工作情况
项目建成后节 水、资源循环 利用、污染物 减排等情况
-精品文档-
(四)专家评审
通过后
(五)到省发改委提交财政补贴申请,资料包括:
一、节能服务公司申请财政奖励资金的报告
二、节能服务公司对申请财政奖励资金材料真实性的承诺声明
三、合同能源管理项目财政奖励资金申请表(附表)
四、其他
说明:上述材料编制目录装订成册一式四份报省发展改革委。
-精品文档-
-精品文档-
附表
合同能源管理项目财政奖励资金申请表
填报时间: 年
项目实际年节能量 (节能能力) 项目实际节能 收益(万元) 月 日
项目实际投资 (万元)
其 中
申请财政奖励资金数额 (万元)
其 中
填报单位:
(盖章)
用户单位名称
银 行 贷 款
项目 完工 项目实际 时间 总 改造内容 (年、 投 月)
资 其 他 渠 道 资 金 其中: 节能服务 公司分享 收益 节 节 电 折合 节油 气 节煤 总 量 标准 量 量 量 收 (千 煤 (吨) (立 (吨) 益 瓦 (吨) 方) 时)
节 能 服 务 公 司 投 入 资 金
小计 中央财政 奖励金额 地方财政 配套奖励 金 额
项目实施 情况说明
用户单位对项 目实施情况的 评 价
(盖章) 年 月 日
-精品文档- -精品-。