有限空间作业审批表(1)
- 格式:doc
- 大小:26.00 KB
- 文档页数:2
精品文档
. 有限空间作业审批表
一式二份第一联审批部门保留第二联作业单位保留
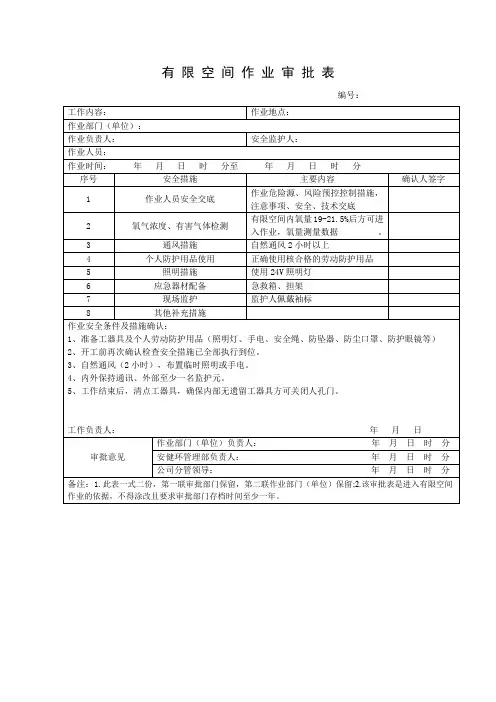
说明:1、氧含量要求19.5%-23.5%合格。
2、有毒气体应符合GBZ2的要求。
3、可燃气体浓度:爆炸下限大于等于4%时,被测浓度不大于0.5%;爆炸下限小于4%时,被测浓度不大于0.2%。
4、一处有限空间、同一作业内容办理一张作业票。
第一联
审批部门保留
精品文档
. 有限空间作业审批表
一式二份第一联审批部门保留第二联作业单位保留
说明:1、氧含量要求19.5%-23.5%合格。
2、有毒气体应符合GBZ2的要求。
3、可燃气体浓度:爆炸下限大于等于4%时,被测浓度不大于0.5%;爆炸下限小于4%时,被测浓度不大于0.2%。
4、一处有限空间、同一作业内容办理一张作业票。
第二联作
业单位保留。
有限空间审批表范文一、作业单位。
名称:[作业单位全称]作业负责人:[负责人姓名]联系电话:[电话号码]二、有限空间基本信息。
名称:[有限空间具体名称,比如某地下室、某污水井等]位置:[详细地址]类型:[例如封闭半封闭设备、地下有限空间、地上有限空间等]三、作业内容概述。
咱这次就是进去简单地检修一下[具体设备名称]。
你看这设备在这有限空间里有点小毛病,老是嘎吱嘎吱响,就像一个人喉咙里卡了根鱼刺似的。
我们得进去看看是不是哪个零件松了,或者是被啥东西堵住了。
可不能让它这么难受地工作下去啦,所以我们就申请这个作业审批,好进去把问题解决掉。
四、作业时间。
开始时间:[具体日期和时间,如20XX年X月X日XX:XX]结束时间:[具体日期和时间,如20XX年X月X日XX:XX]五、作业人员。
作业人员名单:1. [姓名1] 这可是我们队里的技术小能手,什么疑难杂症到他手里都能捣鼓出个一二三来。
2. [姓名2] 干活特别细心,就像那种能在鸡蛋上雕出花来的巧匠,有他在,那些小细节就不会被忽略。
3. [姓名3] 力气大得很,要是里面有什么重家伙需要搬一搬,他肯定能轻松搞定。
作业人员总数:[X]人。
六、安全交底情况。
我们已经和作业人员仔仔细细地说了在这个有限空间里作业可能会遇到的危险。
就像告诉他们这是一个有点神秘又有点危险的小城堡,里面可能有看不见的“小怪兽”。
比如说氧气不足这个大坏蛋,可能会让大家喘不过气来;还有那些有毒有害的气体,就像隐藏在角落里的毒蘑菇一样,千万不能碰。
大家都听得可认真了,一个个都跟准备上战场的小战士一样,对危险都有了清楚的认识。
七、安全措施。
1. 通风措施。
我们带了个超级给力的通风设备,就像一个超级大风扇一样,呼呼地往有限空间里吹气,把新鲜空气送进去,把那些不好的空气赶出来。
这风扇就像一个忠诚的卫士,一直守在入口那里,保证里面的空气时刻都是新鲜的。
2. 检测措施。
在进去之前,我们会用专门的检测仪器,像个小侦探一样,仔细地检测里面的氧气含量、有没有有毒有害气体之类的。