生产计划通知单
- 格式:doc
- 大小:248.00 KB
- 文档页数:15
工厂生产计划表格计划拟定表一、工厂生产计划综合报表使用单位:第副本月日至月日该报表是工厂生产计划的综合报告,包括预定生产日程、产品库存、经济单价、每日售价、日产量、产品名称等内容。
其中,销量、数量和产量等数据需要填写。
二、工厂生产计划安排表月份:生产预计日程安排需要考虑原料、物料、人工等因素,同时需要对毛利、成本、费用等进行统计。
该表格需要经过总经理、厂长的审核和拟定。
三、工厂各部门生产计划安排表月份:该表格是针对工厂各部门的生产计划安排,需要填写项目数量、起止日期、人力等信息。
同时,需要注明备注和起止日期。
四、工厂生产规划明细表编号:日期:该表格需要填写数量、劳动力、分类、类型、原材料、零部件、设备与机械、特别要求等信息。
同时,需要填写填表人和核准人等信息。
五、工厂周生产计划表月份:日期:该表格需要填写序号、订单号、工令号、客户名、型号/规格、生产量、计划时程等信息。
需要注意的是,计划时程栏内需要注明计划产量。
六、工厂月生产计划表本月预定工作数日生产批号产品名称制造估计成本数制造日程预出需要金额附加值量单位日期工时起止原料物料工资备注该表格需要填写本月预定工作数日、生产批号、产品名称、制造估计成本、数制造日程、预出需要金额附加值、量单位日期工时、起止原料物料工资、备注等信息。
七、工厂长远生产计划表XXX产品名称线别单价合计产值XXX数量金额数量金额数量金额数量金额数量金额数量金额该表格是工厂长远生产计划表,需要填写产品名称、线别、单价、合计产值、月份等信息。
八、工厂产品产销状况预测分析表日期:月预计月预计月预计月预计生交生交生交生交客户产品期初期初期初期初产货产货产货产货名称种类末期末期末期末期量量量量量量量量标准该表格需要填写日期、月预计、生交、客户、产品、期初、产货、名称、种类、末期等信息。
同时需要制定标准。
九、工厂产销计划拟定表月份:本月本月生产销售计划拟定表需要填写月份、生产、销售等信息。
每日生产计划和所需材料做表以下为以"每日生产计划和所需材料表"为标题的内容:
每日生产计划和所需材料表
生产日期:2022年3月15日
产品名称计划产量(件) 主要原材料需求数量
产品 100件车厢钢板 3张
车轮 50对
电线 10卷
产品 50件发动机 20台
冷却液 50升
滑动块 100个
产品 80件显示屏 80块
电池 80个
电路板 80块
总需求:
车厢钢板3张
车轮50对
电线10卷
发动机20台
冷却液50升
滑动块100个
显示屏80块
电池80个
电路板80块
备注:以上为2022年3月15日的每日生产计划,请及时安排原材料采购以满足生产需求。
公司年度生产计划发布通知尊敬的全体员工:根据公司的发展战略和市场需求,经过多方调研和分析,公司管理层制定了新的年度生产计划。
为了更好地组织生产,提高生产效率,确保产品质量,特向全体员工发布如下通知:一、总体目标本年度公司的生产目标是在保证产品质量的前提下,实现产量和销售额双增长。
具体目标为:产量增长10%,销售额增长15%。
二、生产安排生产任务分解:各部门根据公司整体目标,制定相应的生产任务,并明确责任人和完成时间。
生产计划制定:每月初由生产部门制定当月生产计划,并报送给相关部门审核确认。
生产调度:根据市场需求和订单情况,灵活调整生产计划,确保生产进度和交货期。
三、质量控制严格把关:各生产环节严格按照质量管理要求执行,确保产品质量稳定可靠。
质量检测:建立完善的质量检测机制,对产品进行全程跟踪检测,及时发现和解决质量问题。
四、安全生产安全意识:全员参与安全教育培训,增强安全意识,做到安全第一。
隐患排查:定期开展安全隐患排查,消除各类安全隐患,确保生产过程安全稳定。
五、奖惩措施奖励机制:对完成生产任务突出的个人或团队给予奖励,并进行表彰。
惩罚措施:对违反生产纪律、影响产品质量或安全的行为进行严肃处理。
六、其他事项各部门要加强沟通协作,形成合力,共同完成年度生产目标。
遇到问题及时汇报,寻求解决方案,不得隐瞒拖延。
公司将定期对生产情况进行检查评估,对工作表现突出的个人或团队给予表彰和奖励。
希望全体员工能够认真执行公司年度生产计划,做到高效生产、优质产品,共同为公司发展贡献力量!特此通知。
公司管理层启日期:XXXX年XX月XX日。
生产通知单范本1.怎样下达生产通知单(一)落实生产通知单内各项内容跟单员接到订单后,应将其转化为企业下达生产任务的生产通知单,在转化时应明确客户所订产品的名称、规格型号、数量、包装、出货时间等要求。
跟单员需与生产企业或本企业有关负责人对订单内容逐一进行分解,转化为生产企业的生产通知单内容。
(二)协调生产通知单遇到的问题有时会发生生产通知单受到生产车间具体生产操作上的技术、原材料供应等问题。
跟单员必须及时了解掌握生产通知单具体下达到车间后,在生产执行时遇到的困难情况。
对于生产车间不能解决的技术问题或生产出来的产品无法达到客户要求的情况,跟单员应及时与有关部门衔接,在技术问题无法解决前,不能生产。
(三)做好生产通知后的意外事件处理如遇意外事件导致订单无法按时按质完成,跟单员需要反复核实,并做好多种应急事件处理拍备工作,或及时调整生产通知单个别内容,或及时调整生产厂家另行下达生产通知。
2.向工厂下达生产任务通知单,这通知单要怎么写生产跟单总的流程1.下达生产通知书。
nbsp;跟单员接到客户订单后,应将其转化为生产通知单。
通知单要明确客户所订产品的名称,规格型号,数量,包装要求,交货期等。
nbsp;2.分析生产能力nbsp;生产通知单下达后,要分析企业的生产能力。
能否按期,按质地交货。
如不能应采取什么措施?要不要外包?nbsp;3.制定生产计划:nbsp;生产计划的制定及实施关系着生产管理及交货的成败。
跟单员要协助生管人员将订单及时转化为生产通知单。
nbsp;4.跟踪生产进度nbsp;(1)nbsp;生产进度控制流程;nbsp;(2)nbsp;生产进度控制作业程序;nbsp;(3)nbsp;生产进度控制重点;A.实际进度与计划进度发生差异,要找原因。
通常有下列原因:nbsp;1.原计划错误;nbsp;2.机器设备有故障;nbsp;3.材料没跟上;nbsp;4.不良率和报废率过高;nbsp;5.临时工作或特急订单的影响;nbsp;6.前制程延误的累积;nbsp;7.员工工作情绪低落,缺勤或流动率高。
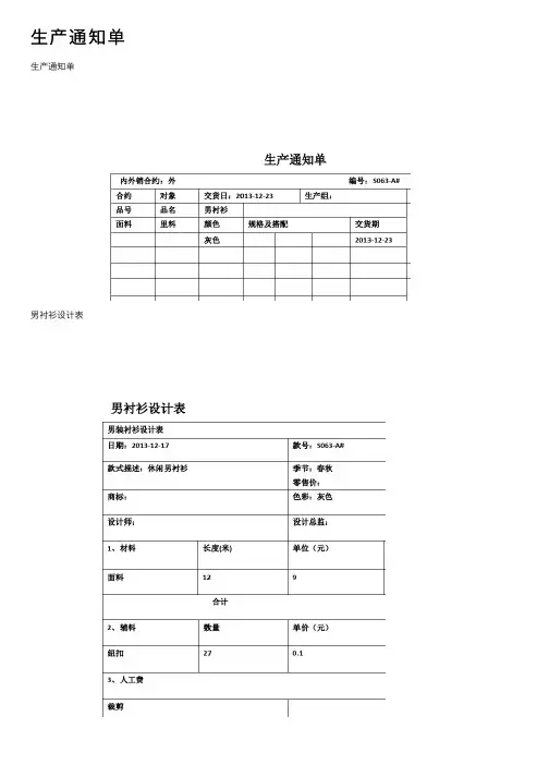
⽣产通知单⽣产通知单男衬衫设计表服装企业组织架构图各部门的职能范围董事长:负责主持召开公司⾼层管理⼈员会议,对公司重⼤⾏政事务、公章签发进⾏审核、审批、监督、控制,并向股东⼤会报告⼯作。
执⾏总经理:处理⽇常事务,组织晨会,衔接各部门业务。
总经理助理:协助总经理管理公司⽇常事务、完成总经理交办的任务。
⾏政部:负责协调公司内部关系,提供后勤服务,保证公司各项⼯作正常运⾏。
⼈⼒资源部:负责公司⼈⼒资源规划,设计、优化⼈⼒资源管理体系,为公司发展提供持续的⼈⼒资源保障。
财务总监:负责公司的资⾦管理、资产管理、预算管理、税务筹划与涉税事项的处理财务税务部:负责对企业成本核算、资⾦周转、审批⼿续等⽅⾯。
计划统计部:出库的各种物资整理录⼊,各种产品的分类汇总,⽅便会计核算。
营销总监:协调总经理建⽴全⾯的营销战略、组织营销部门⼈员参与制定公司近期、中期、长期营销战略计划。
直营部:负责公司直营销售系统的⽬标达成以及直营店项⽬的经营管理⼯作。
南⽅客服部:主要南⽅客户档案的管理,客户的沟通、谈判,销售合同、订单产品规格、型号、议价、陈列和商务性⽂函,销售计划的制定和实施,仓储的安排、协调,营销⼈员的培训、考核、管理等等。
北⽅客服部:主要北⽅客户档案的管理,客户的沟通、谈判,销售合同、订单产品规格、型号、议价、陈列和商务性⽂函,销售计划的制定和实施,仓储的安排、协调,营销⼈员的培训、考核、管理等等。
物流中⼼:负责订单计划的制定和追踪⼯作,客户订单评审的组织、成品库的管理、出货配送计划的实施⼯作,保障公司物流配送系统的顺畅。
品牌部:负责制定公司的品牌策略、公司形象体系的规划与建设以及品牌宣传⼯作。
设计研发部:负管理公司服装研发设计,研究市场趋势,收集市场信息,设计开发公司新产品。
采购部:负责公司原辅料等物资的采购⼯作,执⾏采购计划上报审批⼿续,实现质优价低(货⽐三家),防⽌⾼买低卖的现象发⽣。
⼯⼚⼚长:根据⽣产部下达的⽣产计划安排车间⽣产。
生产计划主管岗位职责目录一、生产计划主管岗位职责 (2)二、生产计划专员岗位职责 (2)三、年度生产计划编制流程 (3)四、企业生产计划安排流程 (4)五、企业生产计划接单流程 (5)六、生产计划变更通知单 (5)七、生产计划通知单 (6)八、生产月报表 (6)九、生产月报表 (7)十、XX公司配料单 (8)十一、XX公司退料单 (8)十二、XX公司领料单 (9)十三、XX公司投入产出统计明细表 (10)十四、XX公司反应产品生产记录 (11)十五、XX公司生产记录 (12)十六、XX公司生产班组长日志 (13)十七、XX公司生产计划执行情况明细表 (14)十八、XX公司产品生产记录 (15)一、生产计划主管岗位职责二、生产计划专员岗位职责六、生产计划变更通知单年月日制单人:批准人:注:一式六联。
一联生产部存根,一联报生产总监,一联报质量管理部,一联报采购部,一联报库管部,一联报销售部。
七、生产计划通知单年月日制单人:批准人:注:一式六联。
一联生产部存根,一联报生产总监,一联报质量管理部,一联报采购部,一联报库管部,一联报销售部。
八、生产月报表制表人:年月日编号:注:一式三联。
一联生产部留存,一联报生产总监,一联报财务核算部。
九、生产月报表编号:制表人:年月日注:一式三联。
一联生产部留存,一联报生产总监,一联报财务核算部。
十、XX公司配料单编号:配料日期:制单人:复核人:十一、退料单编号:年月日退料人:退料部门负责人:库管员:注:一式两联。
一联仓库存根,一联交退料部门。
十二、领料单编号:年月日付料:领料:配料:复核:注:一式三联。
一联生产部存根,一联交原料库,一联交生产班组。
十三、XX公司投入产出统计明细表单位:Kg 产品型号:产品名称:制表人:十四、XX公司反应产品生产记录批号:十五、XX公司生产记录十六、XX公司生产班组长日志组别:组长:年月日注:本表一式两份,一份生产班组长自留,一份上报生产部经理。
生产计划单格式一、引言。
生产计划单是企业生产管理中的重要文件,它是生产计划的具体实施,是生产计划与生产实际操作之间的桥梁。
生产计划单的准确性和规范性对企业的生产效率和生产成本有着重要的影响。
因此,制定一个合理的生产计划单格式对企业的生产管理至关重要。
二、生产计划单格式的基本要素。
1. 计划单编号,每份生产计划单都应有唯一的编号,便于管理和追溯。
2. 生产日期,生产计划单所涉及的生产日期,包括开始日期和结束日期。
3. 产品信息,产品名称、规格型号、生产数量等。
4. 生产工艺,生产所需的工艺流程、生产设备、生产人员等。
5. 生产材料,生产所需的原材料、辅助材料等。
6. 生产任务分配,对生产任务进行具体的分配,包括生产数量、生产时间等。
7. 生产质量要求,对产品质量的要求和检验标准。
8. 生产安全要求,生产过程中的安全注意事项和措施。
9. 生产进度跟踪,对生产进度进行跟踪和记录。
10. 签字确认,相关责任人对生产计划单进行确认和签字。
三、生产计划单格式的编制流程。
1. 收集生产需求,了解市场需求和销售订单,确定生产计划单所涉及的产品种类和数量。
2. 制定生产计划,根据生产需求和企业生产能力,制定合理的生产计划,确定生产日期、生产数量等。
3. 编制生产计划单,根据生产计划,编制生产计划单,填写相关信息和要素。
4. 审核确认,生产计划单应由生产主管或相关部门负责人进行审核确认,确保计划的合理性和可行性。
5. 下发执行,生产计划单经过确认后,下发给生产部门执行,确保生产任务按计划进行。
四、生产计划单格式的注意事项。
1. 灵活性,生产计划单应具有一定的灵活性,能够根据实际生产情况进行调整和修改。
2. 可追溯性,生产计划单应能够清晰地反映生产过程和生产结果,便于追溯和分析。
3. 规范性,生产计划单的格式应规范统一,便于管理和执行。
4. 及时性,生产计划单应及时下发,确保生产任务按时完成。
5. 完整性,生产计划单应包含完整的生产信息和要素,确保生产任务的全面执行。
P M C常用表格(总21页)--本页仅作为文档封面,使用时请直接删除即可----内页可以根据需求调整合适字体及大小--SC-SC/BD---02XX公司生产计划变更通知单编号:年月日制单人:批准人:注:一式六联。
一联生产部存根,一联报生产总监,一联报质量管理部,一联报采购部,一联报库管部,一联报销售部。
SC-SC/BD---01XX公司生产计划通知单编号:年月日制单人:批准人:注:一式六联。
一联生产部存根,一联报生产总监,一联报质量管理部,一联报采购部,一联报库管部,一联报销售部。
SC-SC/BD---07XX公司生产月报表编号:制表人:年月日注:一式三联。
一联生产部留存,一联报生产总监,一联报财务核算部。
SC-SC/BD---07XX公司生产月报表编号:制表人:年月日注:一式三联。
一联生产部留存,一联报生产总监,一联报财务核算部。
SC-SC/BD---06XX公司生产日报表编号:制表人:年月日注:一式两联。
一联生产部留存,一联报生产总监。
SC-SC/BD---03XX公司配料单编号:配料日期:制单人:复核人:退料单编号:年月日退料人:退料部门负责人:库管员:注:一式两联。
一联仓库存根,一联交退料部门。
SC-SC/BD---04XX公司领料单编号:年月日付料:领料:配料:复核:注:一式三联。
一联生产部存根,一联交原料库,一联交生产班组。
SC-SC/BD---13XX公司投入产出统计明细表单位:Kg 产品型号:产品名称:制表人:SC-SC/BD---10XX公司反应产品生产记录SC-SC/BD---11XX公司SC-SC/BD---05XX公司生产班组长日志组别:组长:年月日14注:本表一式两份,一份生产班组长自留,一份上报生产部经理。
如有加班加点将人员、工时记入备注栏。
15SC-SC/BD---12制表人/日期:15SC-SC/BD---08 XX公司产品生产记录1617SC-SC/BD---09171818。
生产计划通知单尊敬的各位员工:根据公司生产情况和市场需求,我们制定了新的生产计划,并将其通知如下:一、生产目标。
根据市场需求和公司实际情况,本月生产目标为提高产量,确保产品质量,满足市场需求。
二、生产安排。
1. 生产时间,根据市场需求和订单情况,制定了详细的生产时间表,确保按时完成生产任务。
2. 生产流程,严格按照生产流程操作,确保生产过程中的质量和效率。
三、生产任务分配。
1. 生产人员,根据生产计划,合理安排生产人员的工作任务,确保生产线的正常运转。
2. 质检人员,加强对产品质量的检验,确保产品达到标准要求。
四、原材料采购。
1. 原材料储备,根据生产计划,提前储备足够的原材料,确保生产过程中不会出现原材料短缺的情况。
2. 原材料质量,严格把关原材料的质量,确保生产出的产品符合标准。
五、生产设备维护。
1. 设备检修,对生产设备进行定期检修和维护,确保设备的正常运转。
2. 设备更新,根据生产需要,适时更新生产设备,提高生产效率。
六、安全生产。
1. 安全意识,加强员工安全生产意识培训,确保生产过程中的安全。
2. 安全措施,严格执行安全操作规程,确保生产过程中的安全。
七、生产效益。
1. 生产成本,加强对生产成本的控制,提高生产效益。
2. 生产效率,优化生产流程,提高生产效率,降低生产成本。
以上是本次生产计划通知的内容,请各位员工严格按照生产计划执行,确保生产任务的顺利完成。
希望大家共同努力,为公司的发展贡献力量。
谢谢大家的合作!此致。
敬礼。
生产计划编号:SL/-7.5-01生产批号:序号产品名称型号规格数量要求完成时间实际完成时间备注(急插)编制/日期:接收/日期:生产计划编号:SL/7.5-01生产批号:序号产品名称型号规格数量要求完成时间实际完成时间备注(急插)编制/日期:接收/日期: SL/7.5.1-11 生产计划更改单年月日原生产计划更改后生产计划计划编号零件图号顾客名称数量交付时间更改原因:更改人:批准意见:批准:SL/7.5.1-11 生产计划更改单年月日原生产计划更改后生产计划计划编号零件图号顾客名称数量交付时间更改原因:更改人:批准意见:批准:SL/7.5.1-02 生产作业准备验证记录№:产品名称验证人日期验证时机初次运行□材料改变□作业更改□运行间隔时间过长□质量体系运行初期□验证内容验证结果问题描述生产与检验用设备齐备□不足□良好□不良□生产与检验用文件完整□不足□原材料备齐□不足□操作人员的能力确认□不足□生产现场管理良好□较差□上次批量生产控制计划的实施按计划□有变化□上次批量订单的数据记录完整□不齐□发现问题处理结果再验证结论验证人日期SL/7.5.1-02 生产作业准备验证记录№:产品名称验证人日期验证时机初次运行□材料改变□作业更改□运行间隔时间过长□质量体系运行初期□验证内容验证结果问题描述生产与检验用设备齐备□不足□良好□不良□生产与检验用文件完整□不足□原材料备齐□不足□操作人员的能力确认□不足□生产现场管理良好□较差□上次批量生产控制计划的实施按计划□有变化□上次批量订单的数据记录完整□不齐□发现问题处理结果再验证结论验证人日期□初次鉴定 □周期鉴定□工艺变更鉴定 过程确认记录 编号: SL/7.5.1-03序号:过程名称备注:确认项目 上岗人员资格(能力) 工艺文件(技术要求)生产设备能力计量器具过程结果 (产品)验证记录要求确认时间确认内容1年龄□( )以上;2学历□( )以上; 3技能□(操作熟练); 4经验□( )年以上; 5其他(培训或证书) 名称: 编号:工艺顺序合理,工艺参数科学,按此工艺加工的产品从未发生过质量问题,顾客从未提出任何异议。
XX公司生产计划变更通知单编号:年月日制单人:批准人:注:一式六联。
一联生产部存根,一联报生产总监,一联报质量管理部,一联报采购部,一联报库管部,一联报销售部。
XX公司生产计划通知单编号:年月日制单人:批准人:注:一式六联。
一联生产部存根,一联报生产总监,一联报质量管理部,一联报采购部,一联报库管部,一联报销售部。
XX公司生产月报表编号:制表人:年月日注:一式三联。
一联生产部留存,一联报生产总监,一联报财务核算部。
XX公司生产月报表编号:制表人:年月日注:一式三联。
一联生产部留存,一联报生产总监,一联报财务核算部。
XX公司生产日报表编号:制表人:年月日注:一式两联。
一联生产部留存,一联报生产总监。
XX公司配料单编号:配料日期:制单人:复核人:退料单编号:年月日退料人:退料部门负责人:库管员:注:一式两联。
一联仓库存根,一联交退料部门。
SC-SC/BD---04XX公司领料单编号:年月日付料:领料:配料:复核:注:一式三联。
一联生产部存根,一联交原料库,一联交生产班组。
SC-SC/BD---13XX公司投入产出统计明细表单位:Kg 产品型号:产品名称:制表人:SC-SC/BD---10XX公司反应产品生产记录批号:SC-SC/BD---11XX公司生产记录SC-SC/BD---05XX公司生产班组长日志组别:组长:年月日注:本表一式两份,一份生产班组长自留,一份上报生产部经理。
如有加班加点将人员、工时记入备注栏。
SC-SC/BD---12XX公司生产计划执行情况明细表制表人/日期:SC-SC/BD---08 XX公司产品生产记录编号:生产日期:SC-SC/BD---09 XX公司反应产品生产记录。
生产计划
编号:SL/-7.5-01
生产批号:
序号产品名称型号规格数量
要求完
成时间
实际完
成时间
备注
(急插)
编制/日期:接收/日期:
生产计划
编号:SL/7.5-01
生产批号:
序号产品名称型号规格数量
要求完
成时间
实际完
成时间
备注
(急插)
编制/日期:接收/日期:
SL/7.5.1-11 生产计划更改单
年月日
原生产计划更改后生产计划
计划编号
零件图号
顾客名称
数量
交付时间
更改原因:
更改人:
批准意见:
批准:
SL/7.5.1-11 生产计划更改单
年月日
原生产计划更改后生产计划计划编号
零件图号
顾客名称
数量
交付时间
更改原因:
更改人:
批准意见:
批准:
SL/7.5.1-02 生产作业准备验证记录№:产品名称验证人日期
验证时机初次运行□材料改变□作业更改□运行间隔时间过长□质量体系运行初期□
验证内容验证结果问题描述
生产与检验用设备齐备□不足□良好□不良□
生产与检验用文件完整□不足□
原材料备齐□不足□
操作人员的能力确认□不足□
生产现场管理良好□较差□
上次批量生产控制计划的实施按计划□有变化□
上次批量订单的数据记录完整□不齐□
发现问题
处理结果
再验证结论验证人日期
SL/7.5.1-02 生产作业准备验证记录№:产品名称验证人日期
验证时机初次运行□材料改变□作业更改□运行间隔时间过长□质量体系运行初期□
验证内容验证结果问题描述
生产与检验用设备齐备□不足□良好□不良□
生产与检验用文件完整□不足□原材料备齐□不足□操作人员的能力确认□不足□生产现场管理良好□较差□上次批量生产控制计划的实施按计划□有变化□上次批量订单的数据记录完整□不齐□
发现问题
处理结果
再验证结论验证人日期
.
□初次鉴定 □周期鉴定
□工艺变更鉴定 过程确认记录 编号: SL/7.5.1-03
序号:
过程名称
备注:
确认项目 上岗人员资格(能力)
工艺文件(技术要求)
生产设备能力
计量器具
过程结果 (产品)验证
记录要求
确认时间
确认内容 1年龄□( )以上;
2学历□( )以上;
3技能□(操作熟练);
4经验□( )年以上; 5其他(培训或证书)
名称:
编号:
工艺顺序合理,工艺参数科学,按此工艺加工的产品从未发生过质量问题,顾客从未提出任何异议。
名称: 编号:
设备能力/参数:
(不够可见附页) 性能能满足工艺要求。
检测器具名称:
规格型号:
编号:
测量范围/精度等级:
确认人
确认结论: 经评定以上人员、设备、工艺文件、生产设备、监测设备、过程结果、记录等控制条件能确保产品质量,可以按上述条件对该过程实施控制。
批准/日期:
注:确认合格用“√”表示;确认不合格用“×”表示;具体情况要详细记录右栏内。
.
SL/7.5.1-04 应急计划实施情况记录№:日期
序号发生问题处理情况效果
记录:审核:
SL/7.5.1-04 应急计划实施情况记录№:日期
序号发生问题处理情况效果
记录:审核:
SL/7.5.1-05 发货单(参考)
NO: 顾客名称
产品名称规格零件图号数量备注
发
货
内
容
制表/日期接收/日期
SL/7.5.1-05 发货单(参考)
NO: 顾客名称
产品名称规格零件图号数量备注
发
货
内
容
制表/日期接收/日期
SL/7.5.1-06 工艺参数监控记录()
产品名称:规格型号()月份:监控日期产品记录人备注
1
2
3
4
5
6
7
8
9
10
11
12
13
14
15
16
17
18
19
20
21
22
23
24
25
26
27
28
29
30
31
.
SL/7.5.1-07 工序流转卡
产品名称: 图号: 投产批量: 投产日期: 日期工序名称操作实领完成返工返修报废合格检验员检验日期备注
合计
发料/日期: 批准/日期:
SL/7.5.1-07 工序流转卡
产品名称: 图号: 投产批量: 投产日期: 日期工序名称操作实领完成返工返修报废合格检验员检验日期备注
合计
发料/日期: 批准/日期:
\SL/7.5.1-08 车间生产统计表(日)
班组:年月日主任:
姓名产品名称工序计划(件) 成品(件) 废品(件) 总工时质检签字生产签字\SL/7.5.1-08 车间生产统计表(日)
班组:年月日主任:
姓名产品名称工序计划(件) 成品(件) 废品(件) 总工时质检签字生产签字\SL/7.5.1-08 车间生产统计表(日)
班组:年月日主任:
姓名产品名称工序计划(件) 成品(件) 废品(件) 总工时质检签字生产签字
SL/7.5.1-09 产成品统计表( 月)
200 年月日序号品名规格产品图号生产数量合格数量废品数量备注
SL/7.5.1-09 产成品统计表 ( 月)
200 年月日
序号品名规格产品图号生产数量合格数量废品数量备注。