公路工程质量检验评定标准9涵洞工程
- 格式:doc
- 大小:91.00 KB
- 文档页数:6
公路工程质量检验评定标准JTGF80-1-本标准是在交通部1998年颁布的《公路工程质量检验评定标准》JTJ 071-98的基础上,按照《公路工程标准体系研究》项目的研究成果,为适应公路工程建设发展及管理需要,结合近年来公路工程质量检验评定软件的开发应用,对原标准中有关内容进行补充、修改和完善而形成的。
本标准适用于高速公路、一级公路沥青混凝土路面、水泥混凝土路面、路基、路面基层(底基层)、桥梁、涵洞、隧道、交通安全设施和绿化等分项工程的质量检验评定。
其他等级公路的相应分项工程可参照本标准执行。
标准的章节主要包括:总则、术语、基本规定、路基工程、路面工程、桥梁工程、隧道工程、交通安全设施、绿化工程以及路面基层(底基层)工程等。
在路基工程的质量检验评定中,需要检查的项目包括土方路基、石方路基、土石方路基等。
其中,土方路基的压实度、中线高程、横坡、弯沉值等都是需要检测的内容;石方路基则主要检查平整度、宽度、边坡坡度坡面平整度、钻孔深度等;土石方路基则更注重地质情况的处理方式以及填挖方交界处的处理。
在路面工程中,沥青混凝土路面和水泥混凝土路面的检查项目和评定方法有所不同。
例如,沥青混凝土路面需要检测平整度、宽度、横坡、强度、弯沉值、渗水系数等,而水泥混凝土路面则主要检查强度、板厚度、平整度、相邻板高差、抗滑构造深度等。
桥梁工程中,桥涵构造物尺寸精度、外观质量以及基础、墩台尺寸精度、外观质量也是评定的重要指标。
而交通安全设施中的护栏、隔离栅、标志、标线等的检测评定方法也相对明确。
绿化工程则主要对种植土质进行检验,测定其理化性质,并对种植后生长情况进行评价。
最后,标准对分项工程的质量检验评定程序也进行了基本规定,包括施工自检、监理旁站抽检、监理内部检定以及质量评定表的填报等。
这些程序是保证工程质量的关键步骤,必须严格执行。
总的来说,公路工程质量检验评定标准JTGF80-1-是一个全面而详细的标准,涵盖了公路工程建设中的各个方面,包括路基、路面、桥梁、隧道、交通安全设施和绿化等。
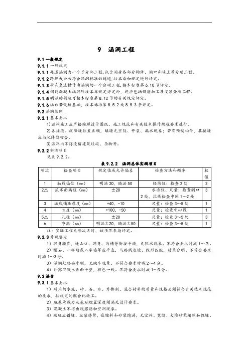
9 涵洞工程9.1一般规定9.1.1一般规定9.1.1每道涵洞为一个子分部工程,包含洞身各部分构件、洞口和填土等分项工程。
9.1.2跨径或全长符合涵洞标准的通道,按本章和规定进行评定。
9.1.3带有急流槽作为涵洞的一个分项工程,按本标准第6.10节评定。
9.1.4钢筋混凝土涵洞除按本章规定评定外,还应包括钢筋加工及安装分项工程。
9.1.5明涵的铺装可按本标准第8.12节的有关规定评定。
9.1.6涵台若设桩基础,按本标准第8.5.2或8.5.3条评定。
9.2涵洞总体9.2.1基本要求1)涵洞施工应严格按照设计图纸、施工规范和有关技术操作规程要求进行。
2)各接缝、沉降缝位置正确,填缝无空鼓、开裂、漏水现象;若有预制构件,其接缝应与沉降缝吻合。
3)涵洞内不得遗留建筑垃圾、杂物等。
9.2.2实测项目见表9.2.2。
表9.2.2 涵洞总体实测项目9.2.3外观鉴定1)洞身顺直,进山口、洞身、沟槽等衔接平顺,无阻水现象。
不符合要求时减1~3。
2)帽石、一字墙或八字墙等应平直,与路线边坡、线形匹配,棱角分明。
不符合要求时减1~3分。
3)涵洞处路面平顺,无跳车现象。
不符合要求时减2~4分。
4)外露混凝土表面平整,颜色一致。
不符合要求时减1~3分。
9.3涵台9.3.1基本要求1)所用的水泥、砂、石、水、外掺剂、混合材料的质量和规格必须符合有关技术规范的要求,按规定的配合比施工。
2)地基承载力及基础埋置深度须满足设计要求。
3)混凝土不得出现露筋和空洞现象。
4)砌块应错缝、坐浆挤紧,嵌缝料和砂浆饱满,无空洞、宽缝、大堆砂浆填隙和假缝。
9.3.2实测项目表9.3.2 涵台实测项目9.3.3 外观鉴定1)涵台线条顺直,表面平整。
不符合要求时减1~3分。
2)蜂面、麻面面积不得超过该面面积的0.5﹪。
不符合要求时,每超过0.5﹪减3分;深度超过10㎜者必须处理。
3)砌缝匀称,勾缝平顺,无开裂和脱落现象。
不符合要求时减1~3分。
公路工程质量评定标准公路工程是国家基础设施建设的重要组成部分,其质量直接关系到交通安全和运输效率。
因此,制定科学合理的公路工程质量评定标准,对于保障公路工程质量具有重要意义。
首先,公路工程质量评定标准应当包括工程材料的要求。
公路工程所使用的材料直接关系到工程的耐久性和安全性,因此应当对材料的质量进行严格要求。
例如,沥青路面应当符合国家标准,具有一定的抗压、抗老化能力;路基填料应当具有一定的承载能力和稳定性。
只有保证了材料的质量,才能保证公路工程的质量。
其次,公路工程质量评定标准应当包括工程施工的要求。
施工是保证工程质量的关键环节,因此应当对施工过程进行严格管理和监督。
例如,对于路基的夯实应当符合规范要求,路面的铺设应当保证平整度和厚度的一致性,路面的抹灰应当保证光滑度和防滑性。
只有保证了施工的质量,才能保证公路工程的质量。
再次,公路工程质量评定标准应当包括工程验收的要求。
工程竣工后,应当进行验收工作,对工程质量进行评定。
验收应当包括对工程材料和施工工艺的检验,对工程质量进行全面评估。
只有通过了验收,工程才能投入使用。
最后,公路工程质量评定标准应当包括工程运行的要求。
工程竣工后,应当进行定期的检测和维护工作,保证工程的长期稳定运行。
对于不符合要求的部分,应当及时进行修复和整改,保证工程的安全和可靠性。
总之,公路工程质量评定标准是保障公路工程质量的重要手段,只有制定了科学合理的评定标准,才能保证公路工程的质量。
希望相关部门能够加强对公路工程质量评定标准的制定和执行,为国家基础设施建设提供坚实保障。
《公路工程质量检验评定标准》公路工程质量检验评定标准公路工程质量检验评定标准是确保公路工程符合设计规范和技术标准的重要工具。
本文将详细介绍该标准的应用范围、主要内容,以及如何使用该标准来确保公路工程的质量。
一、公路工程质量检验评定标准的类型公路工程质量检验评定标准主要包括国家标准、行业标准和地方标准。
国家标准是由国家相关部门颁布的全国通用的标准,行业标准和地方标准则分别由相关行业和地方制定,具有更高的针对性。
二、公路工程质量检验评定标准的结构公路工程质量检验评定标准通常包括以下几部分:1、引言:简要介绍标准的制定目的、适用范围等基本信息。
2、国家标准:列出国家标准的名称、编号、发布机构等。
3、行业标准:列出行业标准的名称、编号、发布机构等。
4、地方标准:列出地方标准的名称、编号、发布机构等。
5、检验项目:详细列出各个检验项目的名称、检验方法、检验工具、检验标准等。
6、评分方法:说明如何根据检验结果对公路工程质量进行评分。
7、示例:通过具体示例,说明如何使用该标准进行公路工程质量检验评定。
三、公路工程质量检验评定标准的使用方法使用公路工程质量检验评定标准进行检验评定时,应遵循以下步骤:1、了解设计规范和技术标准,明确检验评定的目的和要求。
2、选取适合的检验评定标准,一般应优先选用国家标准。
3、根据检验评定标准的要求,对公路工程进行检验,并记录检验结果。
4、根据检验结果,对公路工程质量进行评分。
评分应客观、公正,严格按照标准进行。
5、对于检验中发现的问题,应及时采取措施进行整改,确保公路工程质量符合要求。
四、公路工程质量检验评定标准的意义公路工程质量检验评定标准对于确保公路工程质量具有重要意义。
首先,该标准为公路工程质量检验提供了明确的依据和标准,使得检验过程有章可循,更加规范。
其次,该标准有助于提高公路工程的质量水平,通过检验评定的结果,促使相关单位加强质量管理,减少质量问题的发生。
最后,该标准为公路工程的验收提供了重要依据,确保公路工程能够满足设计要求,保证交通安全和顺畅。
附录A 单位、分部及分项工程的划分附表A-1 一般建设项目的工程划分154注:①表内标注*号者为主要工程,评分时给以2的权值;不带*号者为一般工程,权值为1。
②按路段长度划分的分部工程,高速公路、一级公路宜取低值,二级及二级以下公路可取高值。
③斜拉桥和悬索桥可参照附表A-2进行划分。
④护岸参照挡土墙。
- 155 -注:①表内标注*号者为主要工程,评分时给以2的权值;不带*号者为一般工程,权值为1。
156- 157 -附录B 路基、路面压实度评定B.0.1 路基和路面基层、底基层的压实度以重型击实标准为准。
沥青层压实度以《沥青路面施工技术规范》的规定为准。
对于特殊干旱、潮湿地区或过湿土,以路基设计施工规范规定的压实度标准进行评定。
B.0.2 标准密度应作平行试验,求其平均值作为现场检验的标准值。
对于均匀性差的路基土质和路面结构层材料,应根据实际情况增补标准密度试验,求得相应的标准值,以控制和检验施工质量。
B.0.3 路基、路面压实度以1~3km 长的路段为检验评定单元,按本标准各有关章节要求的检测频率进行现场压实度抽样检查,求算每一测点的压实度K i 。
细粒土现场压实度检查可以采用灌砂法或环刀法;粗粒土及路面结构层压实度检查可以采用灌砂法、水袋法或钻孔取样蜡封法。
应用核子密度仪时,须经对比试验检验,确认其可靠性。
检验评定段的压实度代表值K(算术平均值的下置信界限)为:式中:k ——检验评定段内各测点压实度的平均值;t α——t 分布表中随测点数和保证率(或置信度α)而变的系数;t α见附表B 。
采用的保证率:高速公路、一级公路:基层、底基层为99%,路基、 路面面层为95%;其他公路:基层、底基层为95%,路基、路面面层为90%; S ——检测值的标准差; n ——检测点数; K 0——压实度标准值。
路基、基层和底基层:K≥K 0,且单点压实度K i 全部大于等于规定值减2个百分点时,评定路段的压实度合格率为100%;当K≥K 0,且单点压实度全部大于等于规定极值时,按测定值不低于规定值减2个百分点的测点数计算合格率。
公路工程质量检验评定标准公路工程是国家基础设施建设的重要组成部分,其质量直接关系到人民群众的出行安全和经济发展。
因此,对公路工程的质量检验评定标准至关重要。
公路工程质量检验评定标准是指在公路工程建设过程中,对工程质量进行检验评定所遵循的标准规范,其目的是为了保障公路工程质量,确保工程建设符合国家标准和规定,达到安全、耐久、经济合理的要求。
首先,公路工程质量检验评定标准应包括工程材料的质量标准。
公路工程中使用的各种材料,如水泥、沥青、石料等,其质量直接关系到公路工程的使用寿命和安全性能。
因此,对这些材料的质量标准应当严格把关,确保其符合国家标准,达到公路工程建设的要求。
其次,公路工程质量检验评定标准还应包括工程施工质量标准。
公路工程施工过程中,施工单位应严格按照国家标准和规定进行施工,确保工程质量。
对于路基、路面、桥梁、隧道等不同部位的施工,都应有相应的质量检验评定标准,以保证工程质量达标。
此外,公路工程质量检验评定标准还应包括工程验收标准。
在公路工程建设完成后,应进行全面的工程验收,对工程质量进行评定。
工程验收标准应明确各项工程质量指标,如平整度、厚度、强度等,以确保工程质量符合要求。
最后,公路工程质量检验评定标准还应包括工程运营质量标准。
公路工程建设完成后,其运营质量直接关系到公路的安全性能和使用寿命。
因此,应建立健全的公路运营质量标准,对公路的日常维护、管理和安全进行评定,以保障公路的长期安全运营。
综上所述,公路工程质量检验评定标准是保障公路工程质量的重要手段,其内容应包括工程材料、施工质量、工程验收和工程运营等方面的标准规范。
只有严格遵循这些标准,才能确保公路工程的质量达标,为人民群众的出行安全和国家经济发展提供坚实的保障。
公路工程质量检验评定标准(JTGF80/1-2012)1 总则 (4)2 术语 (5)3 工程质量评定 (6)3.1 一般规定 (6)3.2 工程质量评分 (6)3.3 工程质量等级评定 (7)4 路基土石方工程 (9)4.1 一般规定 (9)4.2 土方路基 (9)4.3 石方路基 (10)4.4 软土地基处治 (11)4.5 土工合成材料处治层 (12)5 排水工程 (14)5.1 一般规定 (14)5.2 管节预制 (14)5.3 管道基础及管节安装 (14)5.4 检查(雨水)并砌筑 (15)5.5 土沟 (16)5.6 浆砌排水沟 (16)5.7 盲沟 (17)5.8 排水泵站 (17)6 挡土墙、防护及其它砌筑工程 (18)6.1 一般规定 (18)6.2 砌体挡土墙 (18)6.3 悬臂式和扶臂式挡土墙 (19)6.4 锚杆、锚碇板和加筋土挡土墙 (19)6.5 桩板式挡土墙 (22)6.6 墙背填土 (22)6.7 抗滑桩 (22)6.8 挖方边坡锚喷防护 (23)6.9 锥、护坡 (23)6.10 砌石工程 (24)6.11 导流工程 (25)6.12 石笼防护 (25)7 路面工程 (27)7.1 一般规定 (27)7.2 水泥混凝土面层 (27)7.3 沥青混凝土面层和沥青碎(砾)石面层 (29)7.4 沥青贯入式面层(或上拌下贯式面层) (30)7.5 沥青表面处治面层 (31)7.6 水泥土基层和底基层 (32)7.7 水泥稳定粒料(碎石、砂砾或矿渣等)基层和底基层 (33)7.8 石灰土基层和底基层 (34)7.9 石灰稳定粒料(碎石,砂砾或矿渣等)基层和底基层 (34)7.10 石灰、粉煤灰土基层和底基层 (35)7.11 石灰、粉煤灰稳定粒料(碎石、砂砾或矿渣等)基层和底基层 (36)7.12 级配碎(砾)石基层和底基层 (37)7.13 填隙碎石(矿渣)基层和底基层 (38)7.14 路缘石铺设 (38)7.15 路肩 (39)8 桥梁工程 (40)8.1 一般规定 (40)8.2 桥梁总体 (40)8.3 钢筋和预应力筋加工、安装及张拉 (41)8.4 砌体 (44)8.5 基础 (46)8.6 墩、台身和盖梁 (53)8.7 梁桥 (56)8.8 拱桥 (61)8.9 钢桥 (69)8.10 斜拉桥 (73)8.11 悬索桥 (83)8.12 桥面系和附属工程 (95)9 涵洞工程 (104)9.1 一般规定 (104)9.2 涵洞总体 (104)9.3 涵台 (104)9.4 涵管制作 (105)9.5 管座及涵管安装 (105)9.6 盖板制作 (105)9.7 盖板安装 (106)9.8 箱涵浇筑 (106)9.9 拱涵浇(砌)筑 (107)9.10 倒虹吸竖井、集水井砌筑 (107)9.11 一字墙和八字墙 (108)9.12 锥坡 (108)9.13 顶入法施工的桥、涵 (108)10 隧道工程 (110)10.1 一般规定 (110)10.2 隧道总体 (110)10.3 明洞浇筑 (111)10.4 明洞防水层 (112)10.5 明洞回填 (112)10.6 洞身开挖 (113)10.7 (钢纤维)喷射混凝土支护 (113)10.8 锚杆支护 (114)10.9 钢筋网支护 (115)10.10 仰拱 (115)10.11 混凝土衬砌 (115)10.12 钢支撑支护 (116)10.13 衬砌钢筋 (116)10.14 防水层 (117)10.15 止水带 (118)10.16 排水 (118)10.17 超前锚杆 (118)10.18 超前钢管 (119)11 交通安全设施 (120)11.1 一般规定 (120)11.2 交通标志 (120)11.3 路面标线 (121)11.4 波形梁钢护栏 (122)11.5 混凝土护栏 (123)11.6 缆索护栏 (124)11.7 突起路标 (125)11.8 轮廓标 (125)11.9 防眩设施 (126)11.10 隔离栅和防落网 (126)12 环保工程 (128)12.1 一般规定 (128)12.2 砌块体声屏障 (128)12.3 金属结构声屏障 (129)12.4 中央分隔带绿化 (130)12.5 路侧绿化 (130)12.6 互通立交区绿化 (131)12.7 养护管理区、服务区绿化 (131)12.8 取、弃土场绿化 (132)附录A 单位、分部及分项工程的划分 (133)附录B 路基、路面压实度评定 (137)附录C 水泥混凝土弯拉强度评定 (138)附录D 水泥混凝土抗压强度评定 (139)附录E 喷射混凝土抗压强度评定 (140)附录F 水泥砂浆强度评定 (141)附录G 半刚性基层和底基层材料强度评定 (142)附录H 路面结构层厚度评定 (143)附录I 路基、柔性基层、沥青路面弯沉值评定 (144)附录J 工程质量检验评定用表 (145)附录K 路面横向力系数评定 (149)附录L 本规范用词说明 (150)1.0.1 目的为了加强公路工程质量管理,统一公路工程质量检验标准和评定标准,保证工程质量,制定本标准。
公路工程质量检验评定标准4·2土方路基4·2·1基本要求1)在路基用地和取土范围内,应清除地表植被、杂物、积水、淤泥和表土,处理坑塘,并按规范和设计要求对底基进行压实。
2)路基填料应符合规范和设计的规定,经认真调查、试验后合理选用。
3)填方路基须分层填筑压实,每层表面平整,路拱合适,排水良好。
4)施工临时排水系统应与设计排水系统结合,避免冲刷边坡,勿使路基附近积水。
5)在设定取土区内取土,不得滥开滥挖。
完工后应按照要求对取土坑和弃土场进行修整,保持合理的几何外形。
4·2·3外观检查1)路基表面平整,边线平顺,曲线圆滑。
2)路基边坡坡面平顺、稳定,不得亏坡,曲线圆滑。
3)取土坑弃土堆、护坡道、碎石台的位置适当,外形整齐、美观,防止水土流失。
4·3 石方路基4·3·1 基本要求1)石方路堑的开挖宜采用光面爆破法。
爆破后应及时清理险石、松石,确保边坡安全、稳定。
2)修筑填石路堤时,应进行地表清理,逐层水平填筑石块,摆放平稳,码砌边部。
填筑层厚度及石块尺寸应符合设计和施工规范规定。
填石空隙用石渣、石屑嵌压稳定。
上、下路床填料和石料最大尺寸应符合规范规定。
采用振动压路机分层碾压,压至填筑层顶面石块稳定,20t以上压路机振压两遍无明显标高差异。
3)路基表面应整修平整。
4.3.3外观鉴定1)上边坡不得有松石。
2)路基边线直顺,曲线圆滑。
4.4软土地基处置4·4·1基本要求1)换填地基的填筑压实要求同4·2土方路基。
2)砂垫层:砂的质量和规格必须符合设计要求和规范规定;适当洒水,分层压实;砂垫层宽度应宽出路基边角0.5-1.0米,两侧端以片石护砌;砂垫层厚度及其上铺设的反滤层应符合设计要求。
3)反压护道:填筑材料、护坡高度、宽度应符合设计要求,压实度不低于90%。
4)袋装砂井、塑料排水板:砂的质量、规格、砂袋织物质量和塑料排水板质量必须符合设计要求;砂袋和塑料排水板下沉时不得出现扭结、断裂等现象;井(板)底标高必须符合设计要求,其顶端必须按规范要求深入砂垫层。
公路工程检验评定标准
首先,公路工程检验评定标准应包括对材料的检验评定标准。
公路工程建设中所使用的各种材料,如水泥、沥青、砂石等,其质量直接关系到公路工程的使用寿命和安全性。
因此,对这些材料的质量进行严格的检验和评定是非常重要的。
材料的检验评定标准应包括对材料的外观、物理性能、化学性能等方面的要求,确保材料符合公路工程建设的要求。
其次,公路工程检验评定标准应包括对施工工艺的检验评定标准。
公路工程建设中的施工工艺直接关系到公路工程的质量和安全。
因此,对施工工艺的质量进行严格的检验和评定是非常重要的。
施工工艺的检验评定标准应包括对施工过程中的各个环节的要求,确保施工工艺符合公路工程建设的要求。
另外,公路工程检验评定标准还应包括对工程质量的检验评定标准。
公路工程建设完成后,需要对工程质量进行全面的检验和评定,确保工程质量符合设计要求和使用要求。
工程质量的检验评定标准应包括对工程结构、平整度、坡度、排水等方面的要求,确保公路工程的质量达到标准。
总的来说,公路工程检验评定标准是保证公路工程质量和安全的重要手段,它涵盖了材料、施工工艺、工程质量等多个方面的要求,其目的是为了确保公路工程能够达到设计要求和使用要求,提高公路工程建设的管理水平。
只有严格执行公路工程检验评定标准,才能保证公路工程的质量和安全,为人民群众提供更加安全、便捷的出行条件。
公路工程质量检验评定标准(JTJ 071-98)条文说明目录修订说明1 总则2 路基土石方工程3 排水工程4 挡土墙、防护及其他砌石工程5 路面工程6 桥梁工程7 涵洞工程8 隧道工程9 交通安全设施附录A 单位、分部及分项工程的划分附录B 路基、路面压实度评定附录C 水泥混凝土弯拉强度评定附录D 水泥混凝土抗压强度评定附录E 喷射混凝土抗压强度评定附录F 水泥砂浆强度评定附录G 半刚性基层和底基层材料强度评定附录H 路面结构层厚度评定附录I 路基、沥青路面弯沉值评定附录J 工程质量检验评定用表修订说明《公路工程质量检验评定标准)(JTJ 071—94)自1994年10月1日交通部颁布施行以来,对公路工程建设特别是高速公路和一级公路的建设质量起到了重要的保证和促进作用。
在施行过程中,各地提出了一些存在的问题和意见。
同时由于公路建设的迅速发展,机械化施工水平日益提高,工程质量意识逐步增强,有必要及时地对这一标准作适当修订。
原交通部公路管理司于1997年下达了对《公路工程质量检验评定标准》(JTJ 071—94)的局部修订计划,交通部公路科学研究所承担了这一修订任务,并立即组织力量开展修订工作。
1997年8月和9月,在原交通部公路管理司主持下,分北方和南方两大地区分别在西宁和长沙召开了两次征求意见会,听取公路设计、施工和质量监理各方面专业技术人员对《公路工程质量检验评定标准》的意见和建议,为标准的修订提供了很好的调研基础。
近年来,高速公路和一级公路建设规模逐年扩大,在施工中遇到并逐渐克服了不少技术难题,促进了公路技术的发展;特大桥如悬索桥和某些基础工程的建设和质量监控,积累了宝贵经验,为标准的充实增补提供了很好的实践依据;新近颁布的和正在修订的多个部颁标准、规范,为协调解决本标准和规范间存在的不一致情况提供了较好的修订时机。
为此,本次修订慎重地考虑了上述各个方面,使修订后的标准更加适应公路工程建设的需要。
公路工程质量检验评定标准土建工程公路工程质量检验评定标准——土建工程随着经济全球化的不断深入和国内经济的持续发展,我国公路建设进入了一个快速发展的阶段。
随着公路的修建越来越多,公路工程的质量成为了关注的焦点。
因此,公路工程质量检验评定标准成为了公路建设的重要内容。
本文旨在介绍公路工程中土建工程的质量检验评定标准。
一、基本概念公路工程的土建工程是公路工程的重要组成部分,包括了路基、桥梁、隧道、涵洞等工程。
土建工程的质量直接关系到公路的使用寿命和安全性,因此其质量的检验评定非常重要。
二、检验评定标准1、路基工程路基是公路的基础,是公路的骨架。
其质量的好坏将直接影响公路的使用寿命和安全性。
在路基工程的质量检验评定中,需要注意以下三个方面:(1)路基的高程和平整度应符合设计要求,公路的坡度、横向坡度、纵向坡度、平移、变形等具体参数也应符合设计要求。
(2)路基的压实度和密实程度也应符合要求。
路基的密实度要求较高,以保证其稳定性。
(3)路基的抗渗性能也是评定标准之一。
在施工过程中,应注意保证路基的排水,以降低其易透水的风险。
2、桥梁工程桥梁工程是公路工程中重要的部分,其设计要求极为严格。
在桥梁工程的质量检验评定中,需要注意以下四个方面:(1)结构的稳定性和承载力。
桥梁的稳定性和承载能力是桥梁质量的核心,需要对桥梁的各个部分进行彻底的检查,以保证桥梁工程的质量。
(2)材料质量。
桥梁工程的材料质量直接影响桥梁工程的使用寿命和安全性。
在检验评定过程中,应特别注意桥梁工程所使用材料的材质、强度、抗腐蚀性等重要参数。
(3)外观和标志。
桥梁工程外观、标志的清晰度和牢固性也需要进行评定,以避免人为因素对桥梁工程带来的影响。
(4)装饰和保护。
桥梁工程的装饰和保护应与城市景观相协调,同时避免影响其结构的承载能力。
3、涵洞工程涵洞工程是公路工程中较为特殊的部分,其特殊性也直接影响到质量检验评定的标准。
在涵洞工程的质量检验评定中,需要注意以下三个方面:(1)涵洞的内部结构和承载能力。
Dreaming in the memory is not as good as waiting for the paradise in the hell.简单易用轻享办公(页眉可删)公路工程质量检验评定规范是什么?排水工程的断面尺寸每公里抽查2-3处,铺砌厚度按合同段抽查不少于3处。
小桥抽查不少于总数的20%且每种类型抽查不少于1座。
涵洞抽查不少于总数的10%且每种类型抽查不少于1道。
公路工程是日常生活中最常见的基础设施建设,其质量的好坏关系到公路的使用寿命,和人民群众的人身安全。
工程完工后,建设方要组织专业人员对其进行质量检验,评出质量等级。
对于公路工程的质量检验,是有一套标准的,那么公路工程质量检验评定规范是什么?下面我们一起通过的这篇文章了解下。
一、公路工程质量检验评定规范是什么?1、路基工程压实度、边坡每公里抽查不少于一处,每个合同段路基压实度检查点数不少于10个。
路基弯沉检测,高速、一级公路以每半幅每公里为评定单元,其他等级公路以每公里为评定单元。
2、排水工程的断面尺寸每公里抽查2-3处,铺砌厚度按合同段抽查不少于3处。
3、小桥抽查不少于总数的20%且每种类型抽查不少于1座。
4、涵洞抽查不少于总数的10%且每种类型抽查不少于1道。
5、支挡工程抽查不少于总数的10%且每种类型抽查不少于1处。
6、路面工程的弯沉、平整度检测,高速、一级公路以每半幅每公里为评定单元,其他等级公路以每公里为评定单元。
其他抽查项目每公里不少于1处。
7、特大桥、大桥逐座检查;中桥抽查不少于总数的30%且每种桥型抽查不少于1座。
8、隧道逐座检查。
9、交通安全设施中防护栏、标线每公里抽查不少于1处;标志抽查不少于总数的10%。
10、机电工程各类设施抽查不少于10%,每类设施少于3个时全部检测。
二、公路工程质量等级划分是怎样的?工程质量等级应按分部工程、单位工程、合同段、建设项目逐级进行评定,分部工程质量等级分为合格、不合格两个等级;单位工程、合同段、建设项目工程质量等级分为优良、合格、不合格三个等级。
公路工程质量检验评定标准
1、路基工程:
我们都知道路面的结实程度会决定公路的使用期限有多长,路面如果压得不够结实,短时间内路面就会出现坑坑洼洼的现象,所以对于地面的压实度、宽度、边坡的高度、土地的质量等都需要进行检查,尤其是地面的平稳度是否一致,地面之间不够平稳会让车辆倾斜,易发生事故。
检查的标准是每一公里至少检查一处路段。
2、排水工程:
排水系统建设得越好,在大雨天的时候路面就不会有厚厚的雨水停留,所以对于排水设施检测需要每公里就要抽查2到3处,对于路面铺盖的厚度是根据合同段来抽查的,应不少于3处,只有这样才能保证雨天排水量得到快速的分流;
3、大桥和隧道工程:
这两种工程不同于路基工程,建设的时候,对于内部的尺寸、高度、施工的质量等要求比较高,尤其是数据要非常准确,这样才可以达到很好的防护作用,所以对于尺寸、高度这些要重点测量,看看有没有达到合格的数据要求,并且每一个大桥和隧道都要仔细检查,不可以是抽查的方式;
4、涵洞和挡土墙以及防护工程:检查的数量要超过总数的30%,对于高度达到4米以上的挡土墙抽查的标准是总数的10%以上,涵洞的孔径若是达到2米以上的,也要抽查总数的10%;
5、对于防止交通事故出现的道路设施和提示物,比如防护栏、标线等,每公里就要进行检查,并且不能少于一处;
6、有关公路工程中使用的机电设备抽查不可以低于总数的30%,如果发现其中一类的机电设施少于3个的时候,就要开始高度重视了,是要进行全部检测的。
9涵洞工程
9.1一般规定
9.1.1一般规定
9。
1.1每道涵洞为一个子分部工程,包含洞身各部分构件、洞口和填土等分项工程。
9。
1.2跨径或全长符合涵洞标准的通道,按本章和规定进行评定。
9.1。
3带有急流槽作为涵洞的一个分项工程,按本标准第6.10节评定。
9.1.4钢筋混凝土涵洞除按本章规定评定外,还应包括钢筋加工及安装分项工程。
9.1。
5明涵的铺装可按本标准第8。
12节的有关规定评定.
9.1。
6涵台若设桩基础,按本标准第8。
5。
2或8.5。
3条评定。
9.2涵洞总体
9。
2.1基本要求
1)涵洞施工应严格按照设计图纸、施工规范和有关技术操作规程要求进行.
2)各接缝、沉降缝位置正确,填缝无空鼓、开裂、漏水现象;若有预制构件,其接缝应与沉降缝吻合.
3)涵洞内不得遗留建筑垃圾、杂物等。
9.2。
2实测项目
见表9。
2.2。
表9。
2.2 涵洞总体实测项目
注:实际工程无项次3时,该项不参与评定。
9.2.3外观鉴定
1)洞身顺直,进山口、洞身、沟槽等衔接平顺,无阻水现象。
不符合要求时减1~3.
2)帽石、一字墙或八字墙等应平直,与路线边坡、线形匹配,棱角分明。
不符合要求时减1~3分。
3)涵洞处路面平顺,无跳车现象.不符合要求时减2~4分。
4)外露混凝土表面平整,颜色一致。
不符合要求时减1~3分。
9。
3涵台
9.3。
1基本要求
1)所用的水泥、砂、石、水、外掺剂、混合材料的质量和规格必须符合有关技术规范的要求,按规定的配合比施工。
2)地基承载力及基础埋置深度须满足设计要求。
3)混凝土不得出现露筋和空洞现象。
4)砌块应错缝、坐浆挤紧,嵌缝料和砂浆饱满,无空洞、宽缝、大堆砂浆填隙和假缝。
9.3.2实测项目
1)涵台线条顺直,表面平整。
不符合要求时减1~3分。
2)蜂面、麻面面积不得超过该面面积的0。
5﹪.不符合要求时,每超过0.5﹪减3分;深度超过10㎜者必须处理。
3)砌缝匀称,勾缝平顺,无开裂和脱落现象.不符合要求时减1~3分。
9.4涵管制作
预制涵管按本标准第5章5。
2节评定。
9.5 管座及涵管安装
9。
5。
1 基本要求
1)涵管必须检验合格方可安装.
2)地基承载力须满足设计要求,涵管与管座、垫层或地基紧密贴合,垫稳座实。
3)接缝填料嵌填密实,接缝表面平整,无间断、裂缝、空鼓现象。
4)每节管底坡度均不得出现反坡.
5)管座沉降缝应与涵管接头平齐,无错位现象。
6)要求防渗漏的倒虹吸涵管须做渗漏试验,渗漏量应满主要求。
9.5.2 实测项目
9.5。
3 外观鉴定
管壁顺直,接缝平整,填缝饱满。
不符合要求时减1~3分。
9。
6盖板制作
9.6。
1基本要求
1)混凝土所用的水泥、砂、石、水、外掺剂及拌和料的质量和规格必须符合有关技术规范要求,按规定的配合比施工。
2)分块施工时接缝应与沉降缝吻合。
3)板体不得出现露筋和空洞现象.
9.6。
2实测项目
见表9.6。
2
表9.6.2 盖板制作实测项目
9.6。
3外观观鉴定
1)混凝土表面平整,棱线顺直,无严重啃边、掉角.不符合要求时1~2分。
2)蜂窝、麻面面积不得超过该面面积的0.5%。
不符合要求时,每超过0。
5%减3分;深度超过10㎜者必须处理。
3)混凝土表面出现非受力裂缝,减1~3分;裂缝宽度超过设计规定或设计未规定时超过0.15㎜必须处理。
9.7盖板安装
9。
7.1基本要求
1)安装前,盖板、涵台、墩及支承面检验必须合格。
2)盖板就位后,板与支承面须密合,否则应重新安装。
3)板与板之间接缝填充材料的规格和强度应符合设计要求,并与沉降缝吻合。
9。
7。
2实测项目
见表9。
7.2
表9.7.2 盖板安装实测项目
板的填缝应平整密实。
不符合要求时减1~2分。
9.8箱涵浇筑
9.8。
1基本要求
1)混凝土所用的水泥、砂、石、水、外掺剂及混合材料的质量和规格必须符合有关技术规范的要求,按规定的配合比施工。
2)地基承载力及基础埋置深度须满足设计要求。
3)箱体不得出现露筋和空洞现象。
9.8.2实测项目
9。
8.3外观鉴定
同本标准第9。
6。
3条规定。
9。
9拱涵浇(砌)筑
9.9.1基本要求
同本标准第9.3.1条.
9.9.2实测项目
1)线形圆顺,表面平整.不符合要求时减1~3分。
2)混凝土蜂窝、麻面面积不得超过该面面积的0。
5%。
不符合要求时,每超过0。
5%减3分;深度超过10㎜者必须处理。
3)砌缝匀称,勾缝平顺,无开裂和脱落现象。
不符合要求时减1~3分.
9.10倒虹吸竖井、集水井砌筑
9.10。
1基本要求
1)砌块的质量和规格应符合设计要求,砌筑砂浆所用材料应符合规范要求。
2)井基应符合设计要求。
3)应分层错缝砌筑,砌缝砂浆应饱满.抹面时应压光,不得有空鼓现象。
4)接头填缝应平整密实、不漏水。
5)井内不得遗留建筑垃圾、杂物等。
6)按设计规定做灌水试验,试验结果应满足要求。
9。
10。
2实测项目
见表9。
10。
2
表9.10.2 倒虹吸竖井砌筑实测项目
井壁平整、圆滑,抹面无麻面、裂缝.不符合要求时,减1~3分.
9.11一字墙和八字墙
9.11.1基本要求
1)砌块、砂、水的质量和规格应符合有关规范的要求,混泥土或砂浆应按规定的配合比施工。
2)地基承载力及基础埋置深度必须满足设计要求。
3)砌块应分层错缝砌筑,坐浆挤紧,嵌填饱满密实,不得有空洞。
4)抹面应压光、无空鼓现象。
9.11.2实测项目
见表9.112。
表9.112 一字墙和八字墙实测项目
9。
11.3外观鉴定
1)墙体直顺、表面平整。
不符和要求时,减1~3分。
2)砌缝无裂隙;勾缝平顺,无脱落、开裂现象。
不符合要求时减1~4分。
3)混泥土墙蜂窝、麻面面积不得超过该面面积的0.5%。
不符合要求时,每超过0。
5%减3分;深度超过10㎜者必须处理。
9.12锥坡
涵洞锥坡按本标准第6。
9节评定。
9.13顶入法施工的桥、涵
9。
13。
1基本要求
1)涵主体结构的强度符合设计规定后方可进行顶进施工.
2)基底应密实,并具有足够承载力。
3)工作坑的后背墙承载力符合要求,顶力轴线必须与桥涵中心线一致。
4)节间接缝应按调剂要求进行防水处理.
5)严禁带水作业。
9.13。
2实测项目
见表9.13.2。
桥、涵各部分的制作、安装按本标准相关章节评定。
2)进出口与上下游沟槽或引道连接顺直平整,水流或车六畅通。
不符合要求减1~3分。