2019年大众宝来Bora原厂维修手册电路图 电动滑动天窗
- 格式:pdf
- 大小:176.61 KB
- 文档页数:3
安装位置编号 801 / 1
版本 06.2018
接地点
发动机舱内的接地点
1 - 1
2 发动机舱内左侧接地点
❑拧紧力矩:20 Nm
2 - 67
3 接地点 3,在左前纵梁左侧
❑拧紧力矩:9 Nm
3 - 67
4 接地点 4,在左前纵梁左侧
❑拧紧力矩:9 Nm
4 - 672 接地点 2,在左前纵梁右侧
❑拧紧力矩:20 Nm
5 - 652 变速箱和发动机地线的接地点
❑拧紧力矩:20 Nm
6 - 685 接地点 1,在右前边梁右侧
❑拧紧力矩:9 Nm
7 - 643 接地点 3,在发动机舱内右侧
❑拧紧力矩:9 Nm
车身中部的接地点
1 - 638 右侧 A 柱上的接地点
❑拧紧力矩:9 Nm
2 - 4
3 接地点,右侧 A 柱下部
❑拧紧力矩:9 Nm
3 - 639 接地点,左侧 A 柱下部
❑拧紧力矩:9 Nm
4 - 687 接地点 1,在仪表板横梁上
❑拧紧力矩:9 Nm
车身后部的接地点
1 - 711 左后纵梁上的接地点 3❑拧紧力矩:9 Nm
2 - 708 右后纵梁上的接地点 2
❑拧紧力矩:9 Nm。
全新一代帕萨特电路图编号 49 / 108.2018全景滑动天窗 , (3FU)自 2018 年 8 月起C42-049020818A**2J 245B398J 533B407AB32568925.0rt*16.0rt*210.0swkT2br /21.5rt/geT6d 2.5rt/4T5ar/530a 0.35or/gnT5ar /3CAN-H T6d 0.35gn/20.35gn T20b /15CAN-H 0.35or/brT5ar /4CAN-LT6d 0.35or/br/10.35or/brT20b /5CAN-L25.0rt*T1k 2.5rt/ge2.5brT5ar /131T6d 1.5br/30.35bl/wsT5ar /2T6d /5ws =白色sw =黑色ro =红色rt =红色br =褐色gn =绿色bl =蓝色gr =灰色li =淡紫色vi =淡紫色ge =黄色or =橘黄色rs =粉红色滑动天窗控制单元, 数据总线诊断接口A -蓄电池J245-滑动天窗控制单元J533-数据总线诊断接口SF1-保险丝架 F 上的保险丝 1SA4-保险丝架 A 上的保险丝4SC23-保险丝架 C 上的保险丝 23T1k -1 芯插头连接, 左侧 A 柱下部,黑色T2br -2 芯插头连接, 黑色T5ar -5 芯插头连接T6d -6 芯插头连接, 前部车内照明灯附近, 黑色T20b-20 芯插头连接, 黑色 689-车顶前部中间的接地点B325-正极连接 11(30a ),在主导线束中B398-连接 2(舒适 CAN 总线,High ),在主导线束中 B407-连接 2(舒适 CAN 总线,Low ),在主导线束中*-用于带混合动力驱动的汽车*2-用于不带混合动力驱动的汽车C42-049030818J 245438E8B718E 5840.35brT16m /6GND0.35viT16m /12T5aq /20.35wsT16m/4T5aq /30.35orT5aq /50.35br T5aq /4GND0.35orT16m /160.35orT4bg /20.35geT16m /5T4bg /10.35brT4bg /4GND0.35brT16m/15ws =白色sw =黑色ro =红色rt =红色br =褐色gn =绿色bl =蓝色gr =灰色li =淡紫色vi =淡紫色ge =黄色or =橘黄色rs =粉红色滑动天窗开关, 天窗卷帘按钮 1, 滑动天窗控制单元E8-滑动天窗开关E584-天窗卷帘按钮 1J245-滑动天窗控制单元T4bg -4 芯插头连接T5aq -5 芯插头连接, 黑色T16m -16 芯插头连接, 棕色438-接地连接 3,在车顶导线束中 B718-连接 3,在车顶导线束中C42-049040818J 245431V1B719V 2600.35swT16m /3GND0.35gn/geT16m /1T6av /50.35gn/brT16m /2T6av/22.5wsT4bc /4T6av /32.5swT4bc/3T6av /60.35sw T6av /40.35rtT16m /110.35rtT6av /10.35swT6ai /40.35gn/geT16m /9T6ai /50.35rtT6ai /10.35gn/brT16m /10T6ai /21.5gn/swT4bc /2T6ai /31.5gn/wsT4bc /1T6ai /60.35geT16m /14T6d /6ws =白色sw =黑色ro =红色rt =红色br =褐色gn =绿色bl =蓝色gr =灰色li =淡紫色vi =淡紫色ge =黄色or =橘黄色rs =粉红色滑动天窗控制单元, 滑动天窗电机, 滑动天窗卷帘电机J245-滑动天窗控制单元T4bc -4 芯插头连接, 黑色T6ai -6 芯插头连接T6av -6 芯插头连接, 白色T6d-6 芯插头连接, 前部车内照明灯附近, 黑色T16m -16 芯插头连接, 棕色V1-滑动天窗电机V260-滑动天窗卷帘电机431 -接地连接 2,在车顶导线束中 B719-连接 4,在车顶导线束中。
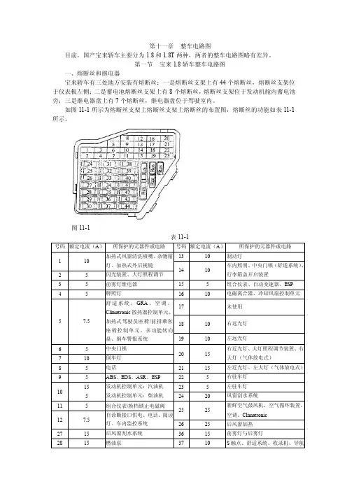
第十一章整车电路图目前,国产宝来轿车主要分为1.8和1.8T两种,两者的整车电路图略有差异。
第一节宝来1.8轿车整车电路图一、熔断丝和继电器宝来轿车有三处地方安装有熔断丝:一是熔断丝支架上有44个熔断丝,熔断丝支架位于仪表板左侧;二是蓄电池熔断丝支架上有8个熔断丝,熔断丝支架位于发动机舱内蓄电池旁;三是继电器盘上有7个熔断丝,继电器盘位于驾驶室内。
如图11-1所示为熔断丝支架上熔断丝支架上熔断丝的布置图,熔断丝的功能如表11-1所示。
图11-1表11-15A-米色;3A-紫色如图11-2所示为蓄电池熔断丝支架上熔断丝的布置图。
如图11-3所示为继电器盘上熔断丝的布置图。
图11-2S162-预热塞(50A ) S163-发动机控制系统(50A ) S164-冷却风扇(40A ) S176-车内(110A ) S177-90A 交流发电机(110A )、120A 交流发电机(150A ) S178-ABS 液压泵(30A ) S179-ABS (30A ) S180-冷却风扇(30A )图11-3A-座椅调节 B 、D 、E-未使用 C-玻璃升降器、中央门锁及加热式外后视镜(仅指带舒适系统及电动门窗升降器的车) F-防盗警报闪光 G 防盗警报喇叭图中1~13号继电器为:1-喇叭继电器 2-X 触点卸荷继电器 3、7~13-未使用 4-燃油泵继电器 5、6-雨刮器间歇档继电器。
图中下面4个继电器为:1-行李箱继电器(02) 2-起动锁和倒车灯继电器(011) 3-主继电器(801) 4-二次空气泵继电器(802)。
二、发电机、起动机(如图11-4所示)图11-4A-蓄电池B-起动机C-发电机C1-电压调节器D-点火开关J59-X触点卸荷继电器J226-起动锁止及倒车灯继电器,在附加继电器支架的13号位置S162-熔断丝-1(30)在蓄电池熔断丝盒内S163-熔断丝-2(30)在蓄电池熔断丝盒内;S176-熔断丝-4(30)在蓄电池熔断丝盒内;S177-熔断丝-5(30)在蓄电池熔断丝盒内T2e-两脚插头,在起动机附近(不带空调的车)T4-4脚插头,在起动机附近(带空调的车)T6-6脚插头,棕色,在插头保护壳体左,流水槽左侧-螺纹接头-1(30)在继电器盘上;-螺纹接头(30a),在继电器盘上;-正极接线(50),在仪表板线束内;*-手动变速器的车;…-自动变速器的车三、发动机控制单元、点火系统(如图11-5所示)图11-5D-点火开关;J220-发动机控制单元,流水槽中部;N152-点火开关;P-火花塞插头;Q-火花塞;S10-熔断丝支架上10号熔断丝;S229-熔断丝支架上29号熔断丝;T4a-4脚插头T6-6脚插头,棕色,在插头保护壳体内,流水槽左侧;T14a-14脚插头,在发动机舱内电缆槽内T80-80脚插头-螺纹连接-2(30),在继电器盘上;-正极连接(15),在仪表板线束内;-正极连接(30),在仪表板线束内;-正极连接-4(30),在仪表板线束内;-正极连接-2(15),在仪表板线束内;-正极连接-1(30a),在发动机舱线束内;四、发动机控制单元、冷却液温度传感器、霍尔传感器(如图11-6所示)图11-6G2-冷却液温度传感器;G40-霍尔传感器;G62-冷却液温度传感器;J220-发动机控制单元,在流水槽中部;T10-10脚插头,橙色,在插头保护壳体内,在流水槽左侧;T14a-14脚插头,在发动机舱左侧电缆槽内;T80-80脚插头-搭铁连接(传感器搭铁),在发动机线束内;-连接-1,在发动机线束内五、发动机控制单元、节气门控制单元、爆震传感器Ⅰ、爆震传感器Ⅱ(如图11-7所示)。
宝来BORA A4维修手册--车射、行走、车桥、转向、前轮及四轮驱动部分00588司机人是气囊点 火器(N95)-更换司机气囊(N95)-读取测量数据块7 07— 70页对地短路01--24-更换有故障的导线或插头电阻过大导丝或接头故障电阻过小司机气囊(N95)损坏 -更换带滑环的回位环;对于带 ESP 的车辆,同方向发射器( G85)装在 一个舱内对正极短路带滑环的回位环(F138)损坏打印输出可能的故障原因故障排除00589乘员侧气囊点火器(N131)电阻值过大电阻值过小对正极短路对地短路打印输出00589司机安全带开关开关位置不确定对正极短路对正极开路/短路打印输出00592前机乘客安全带开关(E25)开关位置不确定对地短路对正极开路/短路导线或插头故障前排乘员气囊点火器(N131)损坏。
--更换有故障的导线和插头--更换前排乘员气囊单元(N131)--读取测量数据块7 01 —70页01 —25可能的故障原因故障排除导线或插头故障司机安全带开关(E24)损坏--更换有故障的导线和插头--更换司机安全带开关(E24)--读取测量数据块7 01 —70页01 —26可能的故障原因故障排除导线或插头故障前排乘员气囊点火器(N131)损坏。
--更换有故障的导线和插头--更换前排乘客安全开关(E25)--读取测量数据块7 01 —70页01—27—00654司机侧安全带张紧触 发器(N153)电阻过高电阻过低 01— 2900655前排乘客侧安全带张 紧触发器(N154) 电阻过大电阻过小 01 — 30打印输出可能的故障原因 故障排除对正极短路 对地短路导线或插头故障司机侧安全带张张紧触发器 (N153) 故障。
--读取测量数据块7 01 —70页--更换司机侧安全带张紧器打印输出可能的故障原因故障排除对正极短路对地短路导线或插头故障乘客侧安全带张紧触发器(N154) 损坏。
--读取测量数据块7 01 —70页--更换司机侧安全带张紧器01— 3101211左后座安全带张紧触 发 电阻过大--更换损坏的导线或插头电阻过小 01— 32打印输出可能的故障原因 故障排除对正极短路对地短路导线或插头故障左后安全带触发器(N196)损坏--读取测量数据块7 01 —70页--更换左后安全带触发器打印输出可能的故障原因 故障排除01— 34--读取测量数据块701 —70页--更换左后安全带触发器(N197)导线或插头故障左后安全带触发器(N197)损坏01212 右后座安全带张紧触 发器(N197) 电阻过大 --更换损坏的导线或插头 电阻过小打印输出 可能的故障原因01214 安全带张紧器的碰撞 数据被存储 --如果安全带张紧器被触发,可以通过清除故障存储器来 清除信息“安全带张紧器碰撞 数据被存储”两次。
宝来的“保险丝”完整线路图此主题相关图片1.加热式风窗清洗喷嘴/杂物箱灯10A加热式外后视镜(指无电动玻璃升降的车)2.闪光装置/大灯照程调节10A3.前雾灯继电器5A4.牌照灯5A5.舒适系统/GRA/空调/Climatronic 7. 5A散热器风扇控制单元/副司机座椅控制单元/多功能方向盘/倒车警报系统6.中央门锁5A7.倒车灯10A8.电话5A9.ABS/EDS/ASR/ESP 5A10.发动机控制单元(汽油机)15A11.组合仪表/变速杆/锁止电磁铁5A12.自诊断接口供电/电话/阅读灯/车内监控系统7. 5A13.制动灯10A14.车内照明/中央门锁(舒适系统)10A行李箱盖开启装置(无中央门锁及舒适系统)15.组合仪表/自动变速器/ESP 5A16.电磁离合器/冷却风扇控制单元10A17.未使用18.右远光灯10A19.左远光灯10A20.右近光灯/大灯照程调节装置15A右大灯(气体放电式)21.左近光灯/大灯照程调节装置15A左大灯(气体放电式)22.右驻车灯5A23.左驻车灯5A24.风窗刮水系统20A25.新鲜空气鼓风机/空气循环装置/空调/Climatronic 25A26.后风窗加热25A27.后风窗刮水器15A28.燃油泵15A29.发动机控制装置(汽油机)15A30.滑动车顶20A31.自动变速器/制动助力器控制单元20A32.喷油阀(汽油机)10A33.大灯清洗装置20A34.发动机控制装置10A35.挂车插座/12V插座30A36.前雾灯与后雾灯15A37.S触点/舒适系统/收录机10A38.行李箱灯/舒适系统/中央门锁/油箱盖开启装置/行李箱盖开启装置15A 39.警报装置15A40.双音喇叭20A41.点烟器15A42.收音机/数字音响25A43.发动机控制系统15A44.座椅加热15A。
Bora MQB电路图编号 17 / 106.2018全自动空调自 2018 年 6 月起C52-017020618EX 21G 150244G 151G 107A164SC 7J255J 322796390.5rt/ge7A0.35gn/viT2dp /10.35gn/gr T2dp /2T20d /140.35gn/vi T20d /170.5rt/ge T20d/200.35gn/viT2do /10.35gn/ge T2do /2T20d /130.35gn/viT6ch /20.35gn/bl T6ch /3T20d /30.35gn/rt T6ch /1T20d /90.35gn/ws T6ch /4T20d /10.5rt/ge730.5sw/gn 750.5gn/bl0.5gn/bl471T20d /100.5br721.5brws =白色sw =黑色ro =红色rt =红色br =褐色gn =绿色bl =蓝色gr =灰色li =淡紫色vi =淡紫色ge =黄色or =橘黄色rs =粉红色暖风/空调操作, 阳光照射光电传感器, 左侧出风口温度传感器, 右侧出风口温度传感器, 空调器继电器, 全自动空调控制单元, 保险丝架 C 上的保险丝 7EX21-暖风/空调操作G107-阳光照射光电传感器G150-左侧出风口温度传感器G151-右侧出风口温度传感器J32-空调器继电器J255-全自动空调控制单元SC7-保险丝架 C 上的保险丝 7T2do -2 芯插头连接T2dp -2 芯插头连接T6ch -6 芯插头连接T20d -20 芯插头连接244-接地连接(传感器接地),在全自动空调导线束中279-接地连接 5,在车内导线束中 639-左 A 柱上的接地点A164-正极连接 2(30a ),在仪表板导线束中C52-017030618EX21B506B507299687J 533TMLTIULN 280J 255201N 4211.5br0.35gn/swT20d /18T17l /130.5brT20d /190.35gnT20d/50.35or/brT20d /60.35gn/swT4dd /4T17k /130.5gn/swT2ds /2T4de /40.5br/swT4de /3T2ds /10.5br T4dd /30.5sw/gn3T17l /30.35gn T20/150.35or/gn T20/50.5sw/gnT17k /3T4dd /20.5rt/swT4de /2ws =白色sw =黑色ro =红色rt =红色br =褐色gn =绿色bl =蓝色gr =灰色li =淡紫色vi =淡紫色ge =黄色or =橘黄色rs =粉红色暖风/空调操作, 全自动空调控制单元, 数据总线诊断接口, 空调压缩机调节阀EX21-暖风/空调操作J255-全自动空调控制单元J533-数据总线诊断接口N280-空调压缩机调节阀N421-压缩机电磁离合器T2ds -2 芯插头连接T4dd -4 芯插头连接T4de -4 芯插头连接T17k -17 芯插头连接T17l -17 芯插头连接T20-20 芯插头连接T20d -20 芯插头连接TIUL -车内的下部左侧连接位置TML -发动机舱内左侧连接位置201-接地连接 5,在发动机舱导线束中299-接地连接 14,在车内导线束中687-中央通道上的接地点 1 B506-连接(舒适 CAN ,High ),在车内导线束中B507-连接(舒适 CAN ,Low ),在车内导线束中C52-017040618EX 21A209TIUL85673B710U26TIULA38SC 34J 255G 8052012011291766430.35sw/ge34A0.35sw/geT17h /120.35vi/blT20d/160.35vi/bl T17l /140.35vi/bl0.5sw/geT17g /124.0br 0.35vi/bl T17k /140.5sw/geT3ck /30.35vi/bl T3ck /21.0br0.5br0.5br T3ck /12.5br4.0brws =白色sw =黑色ro =红色rt =红色br =褐色gn =绿色bl =蓝色gr =灰色li =淡紫色vi =淡紫色ge =黄色or =橘黄色rs=粉红色暖风/空调操作, 制冷剂循环回路压力传感器, 全自动空调控制单元, 保险丝架 C 上的保险丝 34EX21-暖风/空调操作G805-制冷剂循环回路压力传感器J255-全自动空调控制单元SC34-保险丝架 C 上的保险丝 34T3ck -3 芯插头连接T17g -17 芯插头连接T17h -17 芯插头连接T17k -17 芯插头连接T17l -17 芯插头连接T20d -20 芯插头连接TIUL -车内的下部左侧连接位置85-接地连接 1,在发动机舱导线束中129-接地连接,在双喇叭导线束中 176-接地连接,在右侧大灯导线束中201-接地连接 5,在发动机舱导线束中643 -发动机舱内右侧接地点 3 673 -左前纵梁上的接地点 3A38-正极连接 2(15a ),在仪表板导线束中A209-连接 1(LIN 总线),在仪表板导线束中B710-连接 5(LIN 总线),在主导线束中U26-连接(15),在变速箱开关导线束中C52-017050618L8L8L7L7G642G 644EX 21V 426V 425J 2550.35br T16e/140.35br T6n /10.35ws/bl T6n /2T16e /50.35br T6r /10.35rt/wsT16e /7T6r /20.35viT6r /30.35vi T16e /10.35vi T6n /30.35gr/ws T16d /9T6r /50.35sw/ws T16d /10T6r /60.35ge/sw T6n /6T16d /50.35rt/ge T6n /5T16d /6ws =白色sw =黑色ro =红色rt =红色br =褐色gn =绿色bl =蓝色gr =灰色li =淡紫色vi =淡紫色ge =黄色or =橘黄色rs=粉红色电机电位计, 新鲜空气 - 车内空气循环 - 速滞压力风门伺服电机电位计, 全自动空调控制单元, 新鲜空气/车内空气循环/速滞压力风门伺服电机, 前侧气流分配风门伺服电机EX21-暖风/空调操作G642-前部气流分配风门伺服电机电位计G644-新鲜空气 - 车内空气循环 - 速滞压力风门伺服电机电位计J255-全自动空调控制单元T6n -6 芯插头连接T6r -6 芯插头连接T16d -16 芯插头连接T16e -16 芯插头连接V425-新鲜空气/车内空气循环/速滞压力风门伺服电机V426-前侧气流分配风门伺服电机L7-连接 3,在空调器导线束中 L8-连接 4,在空调器导线束中C52-017060618L8L8L7L7G135G220EX21V158V 107J2550.35br T6q /30.35ge T6q /2T16e /40.35vi T6q /10.35viT6p /30.35br T6p /10.35bl/wsT6p /2T16e /20.35gn/bl T6q /6T16d /40.35ws/rt T6q /5T16d/30.35ws/sw T6p /6T16d /10.35bl/ge T6p /5T16d /2ws =白色sw =黑色ro =红色rt =红色br =褐色gn =绿色bl =蓝色gr =灰色li =淡紫色vi =淡紫色ge =黄色or =橘黄色rs =粉红色计, 左侧温度风门伺服电机电位计, 全自动空调控制单元, 风门伺服电机, 左侧温度风门伺服电机EX21-暖风/空调操作G135-风门伺服电机电位计G220-左侧温度风门伺服电机电位计J255-全自动空调控制单元T6p -6 芯插头连接T6q -6 芯插头连接T16d -16 芯插头连接T16e -16 芯插头连接V107-风门伺服电机V158-左侧温度风门伺服电机L7-连接 3,在空调器导线束中 L8-连接 4,在空调器导线束中C52-017070618L8L7G221G192G 308EX 21638J 126V 159V 2SC 140.35br T2du /10.35bl/sw T2du /2T16e /80.35br T2dt /10.35gnT2dt /2T16e /110.35br T6u /30.35gr/rt T6u /2T16e /30.35vi T6u /10.35rt/bl T6u /6T16d /120.35ge/bl T6u /5T16d/110.35vi/blT4dc /44.0rt/ge14AT4dc /34.0br T4dc /14.0br T2dq /1T2dr /14.0/2.5brT2dq /2T2dr /2ws =白色sw =黑色ro =红色rt =红色br =褐色gn =绿色bl =蓝色gr =灰色li =淡紫色vi =淡紫色ge =黄色or =橘黄色rs =粉红色暖风/空调操作, 部空 出风口温度传感器, 右侧温度风门伺服电机电位计, 器温度传感器, 新鲜空气 风机控制单元, 保险丝架 C 上的保险丝 14, 新鲜空气 风机, 右侧温度风门伺服电机EX21-暖风/空调操作G192-部空 出风口温度传感器G221-右侧温度风门伺服电机电位计G308-发器温度传感器J126-新鲜空气 风机控制单元SC14-保险丝架 C 上的保险丝 14T2dq -2 芯插头连接T2dr -2 芯插头连接T2dt -2 芯插头连接T2du -2 芯插头连接T4dc -4 芯插头连接T6u -6 芯插头连接T16d -16 芯插头连接T16e -16 芯插头连接V2-新鲜空气 风机V159-右侧温度风门伺服电机638-右 A 柱上的接地点 L7 -连接 3,在空调器导线束中 L8-连接 4,在空调器导线束中。
显示组001内容01—31显示组002分析结果1)对于VCD组合仪表,如果燃油表传感器断路或短路,显示区2显示“OL”,显示区3无显示。
01—32 显示组003的显示内容1) 空表示显示区无显示1) 显示的是冷却液实际温度,在18℃—107℃之间时,组合仪表上总显示90℃。
01—33 显示组050的显示内容自适应自适应可修改并存储下述内容SIA )复位Highine 型组合仪表) 可用相应通道号选择相应功能(见自适应表)。
说明:在改变了自适应值或结束了自适应通道后,如想选择另必须重新选择功能“10-自适应”。
显示组一览表显示组001的显示内容显示区002的显示内容01—981)仅指带多功能显示或自动空调的组合仪表显示组002的分析结果1)如果燃油传感器断路,区2显示“OL ”,显示区3显示510Ω;如果燃油表传感器短路,显示区2显示“OL ”,显示区3显示0Ω。
01—99 显示组003的显示内容 1) 空表示显示区无显示2) 打开点火开关后, 如系统有故障,机油油面警报灯闪亮5秒钟 01—100 显示组003分析结果1)如果冷却液温度的实际值在约75℃-107℃之间(对于有待性曲线冷却功能的车为75℃-115℃),组合仪表总显示90℃。
2)打开点火开关后,如系统有故障,机油油面警报灯闪亮5秒钟。
显示组050的显示内容对于不存在的控制单元,相应显示区中无显示以下的测量数据表示所有连在数据总线上的控制单元状态。
根据组合仪表的生产厂不同(VDO或MMO)显示区的内容也不同。
显示组125的显示内容1)仅指VDO,对于Motometer则在显示组126,显示区2 01—10201—103显示组126的分析结果自适应 01—105 自适应可执行并存储下述改为:SIA)自适应SIA )复位Midline 及Highine 型组合仪表)可用相应通道号选择相应功能(见自适应表) 说明:在改变了自适应值或结束了自适应通道后,好想选择另一个自适应通道,必须重新选择功能“10-自适应”。
⼤众宝来全车电路图
全车电路图
⽬录
AUS车型发电机,起动机
L V/4MV控制单元(喷射系统),节⽓门单元,发动机转速传感器、⽔温传感器EGR阀、霍尔传感器多点喷射控制单元,点⽕系统AGN车型
4L V/4MV控制单元(喷射系统)加热元件
制动踏板开关,制动灯开关
冷却液不⾜指⽰器(AQN车型)
电磁阀1
⾃诊断接⼝(AQN车型)
冷却液温度,冷却液不⾜指⽰器AQN车型
车速传感器,⽔泵(AQN
组合仪表
4L V/4MV控制单元(喷射系统)、点⽕系统
发电机、起动机AUS车型
4L V/4MV控制单元(喷射系统)、点⽕系统
4L V/4MV控制单元(喷射系统),节⽓门单元,发动机转速传感器、⽔温传感器
EGR阀、霍尔传感器
4L V/4MV控制单元(喷射系统)加热元件(曲轴箱通风⼝)
开关,离合器踏板开关,CCS
电磁阀1
组合仪表,冷却液温度/冷却⽔不⾜指⽰器,燃油表,转速表,车速表,发动机警报灯
放警报灯,⾃诊断接⼝
多点喷射控制单元,点⽕系统
多点喷射控制单元,冷却液温度传感器,霍尔传感器(AGN车型)
多点喷射控制单元,加热元件(曲轴箱通风⼝)(AGN车型)
多点喷射控制单元,喷油咀,空⽓流量计(AGN车型)
燃油泵继电器
燃油泵,燃油表传感器,冷却液不⾜传感器
发电机,起动机
多点喷射控制单元(AQN车型)
多点喷射控制单元,点⽕系统(AQN车型)
(AQN车型)。