CK-238 防盗报警器编程手册
- 格式:doc
- 大小:63.00 KB
- 文档页数:8
238型报警器使用说明1、密码囗囗囗囗囗#(密码最多五位,最少两位)注:每一个或几个已装好的探测器都会被单独或合并指定一个具体的防区,共8个防区,由键盘上1~8个红色数字灯显示其状态。
出入口可设置延时时间。
开机前,关好所有装有探测器的门窗或探头的探测区内无人移动或站立不动,所有的防区指示灯(1~8)全灭或没灭灯的防区被旁路后,就可以输入:密码囗囗囗囗囗#开机。
否则开不了。
开机后键盘上红色“ARM”灯亮,关机则不亮。
2、消除报警记忆:*1#注:防区被触发报警后,警号响起,同时键盘上的防区指示灯快闪亮即为报警记忆,表示该防区报过警。
3、旁路:*2防区号(1~8)#(在系统关机状态下进行)注:旁路即暂时不用某个防区,而其它防区照常使用,解除旁路同上。
如果旁路某防区后开机再关机,系统将自动解除旁路。
被旁路的防区指示灯会慢闪亮。
4、修改密码:(在系统关机状态下进行)A、先按:原密码1囗囗囗囗*0#,键盘上“ARM”、“READY”和“SERVICE”三灯同时闪亮,(或“PROGRAM”灯亮),表示系统已进入改码程序,即可开始改码。
B、再按:新密码1囗囗囗囗#两次,听见键盘“嘀嘀”响两下即有效,否则,如果键盘“嘀嘀嘀嘀嘀”响五下即表示无效,要重新输入。
重新输入只需重复B步骤。
直到有效为止。
C、最后按:*#退出改码程序。
改码完毕。
D、试开关机,以确定新密码是否有效。
5、主机复位:密码1囗囗囗囗*68#(在系统关机状态下进行)注:如果键盘上“SERVICE”灯亮(或“TROUBLE”灯亮),并不时发出“嘀————”的蜂鸣声,可用密码1囗囗囗囗*68#给主机复位,即可消除亮灯和鸣叫。
如果没多久又出现此种情况且经多次消除不了,则可能是通讯出现故障,请您迅速联系我们前来维修。
6、挟持码:在用户被挟持的情况下使用,现场无任何异常,但报警中心可收到用户被挟持的信号。
使用方法:即在密码的最后一位数上加1或减1 ,如:密码是1 2 3 4 #,挟持码就是1 2 3 3 #或1 2 3 5 #。
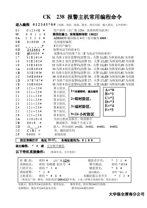
CK 238 报警主机常用编程命令进入编程 0 1 2 3 4 5 * 0 #(电源,布防,准备,服务,四灯闪烁。
输入错误,五声短响) 0 1 C 1 2 3 4 E # 用户密码(出厂值1234,改密码即为此项)09 0 0 1 1 # 第四位编2,实现强制布防(0012)0 A 2 3 2 3 # ADEMCO 通讯格式4+2(也可编为6868)0 B 0 1 0 0 03 # 关闭遥控编程0 C # 6位用户编号0 D 2 1 2 6 6 1 # 接警电话号码前6位0 E 4E 0 0 0 0 # 接警电话号码第7位(E 为电话号码结束符)1 7 3 1 E 1 6 1 # 31为第1防区盗警码(劫警51、火警11),E1为恢复码,61为旁路 1 8 32 E 2 6 2 # 32为第2 防区盗警码(劫警52、火警12),E2为恢复码,62为旁路 1 93 3 E 3 6 3 # 33为第3防区盗警码(劫警53、火警13),E3为恢复码,63为旁路 1 A 34 E 4 6 4 # 34为第4防区盗警码(劫警54、火警14),E4为恢复码,64为旁路 1 B 35 E 56 5# 35为第5防区盗警码(劫警55、火警15),E5为恢复码,65为旁路 1 C 3 6 E 6 6 6 # 36为第6防区盗警码(劫警56、火警16),E6为恢复码,66为旁路 1 D 37 E 7 6 7 # 37为第7防区盗警码(劫警57、火警17),E7为恢复码,67为旁路 1 E 38 E 8 6 8 # 38为第8为恢复码,68为旁路 1 F 1 2 1 – 2 3 # 第1防区, 2 01 2 1 – 2 3 # 第2防区, 2 1 1 2 1 – 2 3 # 第3防区, 2 2 1 2 1 – 2 3 # 第4防区, 2 3 1 2 1 – 2 3 # 第5防区, 2 4 1 2 1 – 2 3 # 第6防区, 2 5 1 2 1 – 2 3 # 第7防区, 2 6 1 2 1 – 2 3 # 第8防区, 2 A 1 1 0 1 0 1 # 2 B 9 9 1 6 # 测试报告,每隔7天送1次2 D 51 1 # 进入,外出延时1=10S ,3=30S, 6=60S. 9=90S2 C C 1 B 1 # 布、撤防报告码 2 F 0 0 0 0 # 系统控制退出编程: * # 或 五分种不操作以下待机直接操作: (准备灯亮,方可布防)电源慢闪,服务常亮=电池电压低。
3693117102008-11-4 20:21:59一、布防(即开启报警主机)1. 确保绿色指示灯READY 亮。
如果绿色指示灯READY 熄灭,某红色区域(ZONE)指示灯亮,表明该保护区域内有人在探头监视的区域内活动或探测器、线路有问题等。
2. 键入用户密码及#如用户密码为1234(出厂设置),则输入1234 #,#表示输入。
每个键之间间隔时间不得超过5 秒,否则键盘会“嘀嘀嘀嘀嘀”连续5 声表示输入无效。
需重新输入。
红色指示灯ARM 亮。
同时键盘“嘀——嘀——嘀”提示用户退出。
退出延时时间快结束时,“嘀-嘀-嘀”越发紧促。
二、撤防(即关闭报警主机)键入用户密码 # 如密码为1234(出厂设置),则输入1234 #。
用户从延时区进入时,键盘会“嘀-嘀-嘀”提示用户输入密码。
如果在特定的时间内不能输入正确的密码,报警主机则认为是非法入侵,警号大作,并具有向接警中心发送警情功能。
三、消除报警声音每次报警后,键入用户密码 # 消除报警声音。
报警后,该防区的指示灯一直处于闪烁状态。
键入* 1 # 可清除报警记忆。
四、添加、修改或删除密码236 主机若您想更改密码(第一用户密码可修改密码编号1-6),方法如下:1. 输入原第一用户密码 * 0 #,进入密码编程。
2. 输入用户密码编号1-6,按 #。
3. 输入新密码,按 #。
(注意密码长度必须4 位)4. 再次输入新密码,按 #。
5. 按 * #退出密码编程。
6. 确认此密码有效。
236 主机若您想删除密码,方法如下:1. 输入第一用户密码 * 0 #,进入密码编程。
2. 输入用户密码编号1-6,按 #。
3. 输入0000,按 #。
(注意密码长度必须4 位)4. 再次输入0000,按 #。
5. 按 * #退出密码编程。
238 主机若您想更改密码(第一用户密码可修改密码编号1-8),方法如下:1. 输入原第一用户密码 * 0 #,进入密码编程。
2. 输入新密码,按 #。
CK-236报警主机编程简表1.进入编程:输入012345*0#2.用户撤防/布防使能:输入0111111#3.更改电话控制选项:输入09111110#4.更改通讯格式:输入0*06262#5.设置1#接收机电话号码:(假设中心号码为83991612)输入步骤如下:●输入0*2839916#●输入0*312*4000#注:每单元限输入6位电话号码,共有0C(0*2),0D(0*3),0E(0*4)3个单元供输入1号接收机号码.在最后一位必须输入*4(结束数据),其他的一律填"0"6.输入2#接收机号码:0F(0*5),010,0113个单元用来设置2#接收机电话号码,输入步骤同37.输入遥控编程电话号码:12,13,143个单元用来设置遥控编程电话号码,输入步骤同3附:基本操作方法:●布防,撤防:用户码+#●旁路防区:*2+防区号+#●消除报警记忆:*1#●对探头复位:*62#对端子5复位●自检电池:*64#自检5分钟●防区步测试验:*60#防区触发,键盘响●键盘启动遥控:*02#挂通遥控电话●主机复位:安装员码(012345)*68#11.进入编程:输入012345*0#2.操作员的布防类型及操作员码:输入:●01*21234*4#●02*21234*4#●03*21234*4#●04*21234*4#●05*21234*4#●06*21234*4#●07*21234*4#●08*21234*4#3.更改通讯格式:输入0*06767#4.更改通讯控制:输入0*1011108#5.输入1#接收机电话号码:共有0D,0E,0F3个单元供输入1#接收机号码,具体设置办法请参阅236主机编程表(5)6.输入2#接收机电话号码:共有11,12,133个单元供输入2#接收机号码,具体设置办法请参阅236主机编程表(5)7.输入遥控编程电话号码:共有14,15,163个单元供输入遥控编程电话号码,具体设置办法请参阅236主机编程表58.更改单元控制:输入2*50001#21.进入编程:输入012345*0#2.主码,用户码及其设防形式:输入:01*211234# , 02*221234# , 03*231234# , 04*241234#05*251234# , 06*261234# , 07*271234# , 08*281234#........共有01—08和51—68 32个单元用于设置以上内容3.更改通讯格式: 输入0*0 6666#4.更改通讯格式:输入0*1 011108#5.输入1#接收机电话号码:共有0D,0E,0F 3个单元供输入1#接收机电话号码,具体设置办法请参阅236主机编程表(5)6.输入2#接收机电话号码:共有11,12,13 3个单元供输入2#接收机电话号码,具体设置办法请参阅236主机编程表(5)7.输入遥控编程电话号码:共有14,15,16 3个单供输入遥控编程电话号码,具体设置办法请参阅236主机编程表(5)8.设置本地操作/电池检查/上点延迟/警区使用:输入:2*5 00001附:本表仅介绍主机入网时需要更改的基本编程单元,其他的防区设置等单元请按具体需要参阅系统安装手册。
CK-236238编程方法CK-236/238编程方法CK 报警主机的出厂密码为:1234# 安装员为:012345*0#布防:开启报警主机,使报警主机处于警戒状态。
操作如下:键入密码1234#撤防:关闭报警主机,使报警主机解除警戒。
操作如下:键入密码1234#每次报警后,该防区的指示灯一直处以闪烁状态。
消除报警记忆:操作如下:键入*1#可予消除。
若您想更改密码,并使原密码作废,改法如下::236/2316 主机原密码 *0# 1# 新密码# 新密码# *#,新密码为任意4 位数。
238 主机原密码 *0# 新密码# 新密码# *#,新密码必须是开头为1 的2~5位数。
236/238 主机如何去除与编程延时及不推动警号防区操作步骤如下:1.进入安装员编程密码:012345*0#(必须在撤防状态下才能进入)2.进入编程后,防区设置方法如下:(1)第一防区为: 1*3111020#(2)第二防区为: 1*4111020#(3)第三防区为: 1*5111020#(4)第四防区为: 20111020#(5)第五防区为: 21111020#(6)第六防区为: 2211102ck-2382.进入编程后,防区设置方法如下:(1)第一防区为: 1*5121223#(2)第二防区为: 20121223#(3)第三防区为: 21121223#(4)第四防区为: 22121223#(5)第五防区为: 23121223#(6)第六防区为: 24121223#(7)第七防区为: 25121223#(8)第八防区为: 26121223#3.完成延时防区编程后,退出设置编程为:*#键退出指示灯的含义及故障判别POWER:电源灯,表示交流电供电正常ARM:布防灯,表示系统处于布防状态READY:表示防区都处于正常状态,可以布防SERVICE:故障灯,具体含义见下表。
故障灯亮时不影响主机正常使用。
现象原因解决方法1SERVICE 灯常亮自检故障、交流电曾经断电键入密码*68#保险管断更换保险管,后键入密码*68#2 SERVICE灯快闪通讯失败236、238如1操作,2316必须与中心通讯正常一次后SERVICE灯才熄灭3 SERVICE 灯常亮,POWER灯闪烁,电池电压低键入密码*64#,5 分钟后键入密码*68#。
238编程说明一.238编程须知:1.进入编程:按(安装员码)*0#,出厂新机需输入012345*0#2.退出编程:按*#3.编程时,如果输入的指令位数不对,键盘会发声5次表示输入错误;如果怀疑输入了错误数字,重新输入即可4.每条指令由两位“地址位”和几个“数据位”组成,每输入一行指令按“#”确认5.238编程中数字为十六进制数,大于9的数字使用方法如下:数字十六进制数输入方法10 A *011 B *112 C *213 D *314 E *415 F *56.为便于查找,在常用指令的地址位前加“※”,在组报警网常用编程指令的地址位前加“☆”二、238编程内容:※00:安装员码指令格式:000XXXXX#预定值: 0 1 2 3 4 5数据位: 1 2 3 4 5 6数据位(1)--固定值为“0”,表示安装员码均以0开始数据位(2)-(6)--安装员密码,可用数字0-9※01-08:主码、用户码及其设防形式。
指令格式:01X1XXXX#预定值91234E(各用户不同)数据位 1 2 3 4 5 602-08中的数码,分别为第2至第8用户码。
数据位(1)中的数字表示不同的设防形式:1.只能设防2.只能撤防3.既能设防也能撤防三种形式均不能对防区旁路,也无系统设防和撤防报告。
4.只能设防5.只能撤防6.既能设防也能撤防三种形式均不能对防区旁路,有系统设防和撤防报告。
7.只能设防8.只能撤防9.既能设防也能撤防三种形式均能对防区旁路,无系统设防和撤防报告。
A.只能设防B.只能撤防C.既能设防也能撤防三种形式能够对防区旁路,同时系统有设防和撤防报告。
数据位(2)-用户标识符。
1号用户码此位为“1”,2号用户码此位为“2”......直到8号用户码此位为“8”。
均为固定数,不能更改。
数据位(3)-(6)为用户码中组合数部分,可以从0-9的数中任选4个数组合,但不能少于2位数,如少于4位数,则要在最后位数后键入结束符E(即*4,算1位数),如再有剩余的数据位键入08#用户码可以作为访客码--即为临时来访客人使用。
1.使用密码:对系统的操作必须使用密码,238的密码可设8个,单元地址从01到08、分为两级密码权限管理,01为一级权限密码,除了完成一般操作外还可完成特殊操作,02-08为二级权限密码,可完成一般操作。
一般操作包括:布防、撤防、消除报警等。
特殊操作包括:修改02-08密码、系统复位。
2.布防:在撤防状态下(READY绿灯亮,各防区红灯灭)从键盘输入密码(一级权限密码出厂设置为1、2、3、4),ARM红灯亮,键盘蜂鸣音响,系统进入布防状态,人员在规定时间内(出厂设置60秒)必须立即退出防区。
3.入侵出/入口防区:在布防状态下,任何人触发出/入口防区均会使键盘蜂鸣音响,报警进入倒计时状态(出厂设置30秒),此时如果是自己人必须立即用密码(1、2、3、4、#)将系统撤防,系统将不会报警,如果是盗贼因没有密码则无法撤防,将会发生报警。
4.消除报警:当任何防区发生报警并经有关人员确认后,从键盘输入1、2、3、4、#,报警声音将被解除,同时系统转为撤防状态。
5.撤防:在布防状态下,从键盘输入1、2、3、4、#,系统就进入撤防状态。
6.报警记忆:报警发生后,警号会在规定时间内(出厂设置2分钟)鸣响,同时报警防区红灯会发出闪烁,表示报警曾经发生过,这叫做报警记忆。
1.消除报警记忆:当报警被有关部门确认处理后,可以从键盘输入※1#,则报警防区记忆消除,该防区红灯不再闪烁。
2.系统重置:在系统出现故障或键盘黄灯闪烁等情况下,可以从键盘输入一级权限密码(1、2、3、4)※68#,系统将做一次RESET。
3.电源重置:在玻璃破碎、烟感探测器等报警后,其报警状态会被锁定,直至电源断开才能恢复正常,为使这一过程简化,在报警确认后从键盘输入※62#,则电源会自动更改密码:为使系统运行安全可靠,应对操作密码定期更改,更改密码按以下方法:①从键盘输入一级权限密码(如:1234)、*、0、#②输入单元地址(02-08),例如:0292345*4,代表的意义:第2个用户密码、既可布防也可撤防、密码是:2345、*4表示空白。
236主机编程缩印本一、操作:布防、撤防: 密码#, 旁路:bypass 旁区号 # (bypass 为右下角的键取消报警记忆:*1# , 复位:密码*68# 二、编程:1.进入编程:012345*0 # 2.退出编程:* #3.密码部分: 01__ __ __ __ # 必须四位, 02__ __ __ __ # 数值随意……06__ __ __ __ #4.通讯部分: 0 71 0A5353#0B__ 六 位 编 号 __ # 0C__ 前 6 位 __ __ # 0D第7位 E 0 0 0 0# 12 __ 前 6 位 __ __# 13第7位 E 0 0 0 0 #5.防区部分:一防区:1D 1二防区 1E1 1 1 __ __ 0 # 三防区 1F1 1 1 __ __ 0 # 四防区 201 1 1 __ __ 0 # 五防区 211 1 1 __ __ 0 # 六防区221 1 1 __ __ 0 #一、操作:布防、撤防:密码# 旁路:bypass 旁区号 # (bypass 为右下角的键) 取消报警记忆:*1#复位:密码*68#二、编程: 1. 进入编程:012345*0 # 2. 退出编程:* #3. 密码部分: 01 C 1 __ __ __ __ # 密码开头必须为1,写够5位,若为4位,以*4作为1位结束;02 C 2 __ __ __ __ # 密码开头必须为2,写够5位,若为4位, 以*4作为1位结束;……08 C 8 __ __ __ __ # 密码开头必须为8,写够5位,若为4位,以*4作为1位结束;4.通讯部分:0A 5 5 5 5 #0 B 0 1 1 1 0 8 # 2 F 0 0 0 1 #0C__ 六 位 编 号 __ # 0D__ 前 6 位 ____ # 0E 第7位 E 0 0 0 0# 14 __ 前 6 位 __ __# 15第7位 E 0 0 0 0 #5.防区部分:2 D 0 0一防区:1F二防区 三防区 四防区 21 2 1 3 五防区 23 1 2 1 __ __ 3 # 六防区 24 1 2 1 __ __ 3 # 七防区 25 1 2 1 __ __ 3 # 八防区26 1 2 1 __ __ 3 #一、操作:布防、撤防: 密码# 旁路:bypass 旁区号 # (bypass 为右下角的键) 取消报警记忆:*1# ,二、编程: 1.2. 退出编程:* #3. 密码部分: 01 C 02 C __ __ __ __ # 写够5位,若为4位,以*4作为1位结束;……08 C __ __ __ __ # 写够5位,若为4位,以*4作为1位结束; 4.通讯部分:0A 5 5 5 5 #0 B 0 1 1 1 0 8 # 2 F 0 0 0 1 0 #0C__ 六 位 编 号 __ # 0D__ 前 6 位 __ __ #0E 第7位 E 0 0 0 0# 14 __ 前 6 位 __ __# 15第7位 E 0 0 0 0 #5.防区部分:2 D 0 0一防区:1F二防区 2 0 1 2 1 3 三防区 2 1 1 2 1 __ __ 3 # 四防区 22 1 2 1 __ __ 3 #五防区 23 1 1 1 __ __ 3 # 十二防区 4 C 1 1 1 __ __ 3 # 六防区 24 1 1 1 __ __ 3 # 十三防区 4 D 1 1 1 __ __ 3 # 七防区 25 1 1 1 __ __ 3 # 十四防区 4 E 1 1 1 __ __ 3 # 八防区 26 1 1 1 __ __ 3 # 十五防区 4 F 1 1 1 __ __ 3 # 九防区 4 9 1 1 1 __ __ 3 # 十六防区 5 0 1 1 1 __ __ 3 # 十防区 4 A 1 1 1 __ __ 3 # 十一防区 4 B 1 1 1 __ __ 3 #。
238报警主机编程说明进入编程按原安装员码: 0囗囗囗囗囗*0#更改安装员码:00 00囗囗囗囗#设网点一号操作员码:01*2 1囗囗囗*4# [一号为主密码;可设其它操作员码或更改] 二号操作员码:02*22*4000# [*2当网点增加二号操作员码时有布撤防报告] 三号操作员码:03*23*4000# [*2当网点增加三号操作员码时有布撤防报告] 四号操作员码:04*24*4000# [*2当网点增加四号操作员码时有布撤防报告] 五号操作员码:05*25*4000# [*2当网点增加五号操作员码时有布撤防报告] 六号操作员码:06*26*4000# [*2当网点增加六号操作员码时有布撤防报告] 七号操作员码:07*27*4000# [*2当网点增加七号操作员码时有布撤防报告] 八号操作员码:08*28*4000# [*2当网点增加八号操作员码时有布撤防报告] 布防/密码选项:09 0101#通讯格式:0*0 6767#通讯控制:0*1 011104#一号报警中心用户帐号:0*2 00囗囗囗囗#一号报警中心电话网点入网电话直拔:0*3 111111#[电话号码前六位数] (1为电话号)0*4 11*4000#[电话号码七至十二位数] (1为电话号)0*5 000000#[电话号码十三至十八位数]若网点入网电话分机需拔9时: (注:*5为停顿三秒,一般不用)0*3 9*51111#[电话号码前六位数] (1为电话号)0*4 1111*40#[电话号码七至十二位数] (1为电话号)0*5 000000#[电话号码十三至十八位数]二号报警中心用户帐号:10 00囗囗囗囗#二号报警中心电话网点入网电话直拔:11 222222#[电话号码前六位数](2为电话号)12 22*4000#[电话号码七至十二位数](2为电话号)13 000000#[电话号码十三至十八位数]若网点入网电话分机需拔9时:11 9*52222#[电话号码前六位数] (2为电话号)12 2222*40#[电话号码七至十二位数](2为电话号)13 000000#[电话号码十三至十八位数]摇控编程网点入网电话号码:14 111111##[电话号码前六位数](1为电话号)15 11*4000#[电话号码七至十二位数] (1为电话号)16囗囗囗囗囗囗#[电话号码十三至十八位数]防区报告码防区报告码选择紧急:2 红外、防拆及其它:317 囗15161#[一防区报告码] 18 囗25262#[二防区报告码]19 囗35363#[三防区报告码] 1*0 囗45464#[四防区报告码]1*1 囗55565#[五防区报告码] 1*2 囗65666#[六防区报告码] 1*3 囗75767#[七防区报告码] 1*4 囗85868#[八防区报告码]防区控制紧急防区选择:021923# 红外及其它即时防区选择:021223#红外及其它延时防区选择:021323# 防拆防区选择021923#1*5 囗囗囗囗囗囗#[一防区防区控制] 20 囗囗囗囗囗囗#[二防区防区控制]21 囗囗囗囗囗囗#[三防区防区控制] 22 囗囗囗囗囗囗#[四防区防区控制]23 囗囗囗囗囗囗#[五防区防区控制] 24 囗囗囗囗囗囗#[六防区防区控制]25 囗囗囗囗囗囗#[七防区防区控制] 26 囗囗囗囗囗囗#[八防区防区控制]键盘三个紧急按钮报告码:27 4102# 28 4102# 29 4102#事件报告码:2*0 000080#测试报告码:2*1 9904#布撤防报告码:2*2 *20*10#劫持及进/出延时时间设定:2*3 00囗囗1# [1=10秒 2=20秒 6=60秒]进/出时间提示音及警号设定:2*4 11囗00#[1=防剪警号 0=12V供电警号]本地及联网控制:2*5 囗011#[0=联网 1=本地系统即不联网的]防区旁路开关设定:紧急防区选择:0000# 红外及其它防区选择:0100#30 囗囗囗囗#[一防区旁路开关设定] 31 囗囗囗囗#[二防区旁路开关设定]32 囗囗囗囗#[三防区旁路开关设定] 33 囗囗囗囗#[四防区旁路开关设定]34 囗囗囗囗#[五防区旁路开关设定] 35 囗囗囗囗#[六防区旁路开关设定]36 囗囗囗囗#[七防区旁路开关设定] 37 囗囗囗囗#[八防区旁路开关设定]定时测试倒计时:*00 囗# 8=10小时 9=12小时 *0=14小时 *1=16小时*3=20小时 *5=24小时退出编程按:*#由1号操作员修改或增加密码:进入编程按:1号操作员码1囗囗囗+*0#[新密码] 囗囗囗囗#+[新密码] 囗囗囗囗#退出编程按:*#。
系统238C 安装手册手册使用说明范围本手册主要介绍SYSTEM 238C 安装与编程的基本方法。
若要进一步了解系统的使用及编程,请参阅LED 键盘手册,ALPHA 键盘手册,或者Commander Ⅱ/Monitor Ⅱ操作手册。
准确性本手册已经过审阅以保证其准确性。
然而对于用户在使用过程中由于对手册内容的误解、误操作而导致的任何后果,C&K 公司恕不承担责任。
另外,C&K 有权对238C 的硬件、软件和手册作进一步修改。
安 装固定机箱238C 应该装在便于接入交流电源,电话线和地线的位置上。
从机箱中取出电路板,这样可以避免在机箱上凿开预留孔时损坏电路板。
凿开预留孔:在墙上标志螺丝安装孔;把控制主机安装在需要的高度上,并把电缆穿过预留孔;装回电路板,并固定好,切记在电路板的左下角接上地线焊片。
接地将地线插头插入机箱门下部的合页处,使箱门接地。
为了使防雷击电路正常工作,控制主机必须接地。
理想的情况是,电力线,电话线,安全系统有公共的接地端。
这种地叫“公共地”,其保护性能最佳。
将与主机箱体相连的那根绿色导线连接到接地棒、自来水管或其他接地装置上,即可实现主机箱体接地。
控制主机接线电池238C 使用12V ,6.5安时密封铅酸电池(C&K 型号1265)。
不能使用非充电电池或非密封闭铅酸电池。
建议每隔3到5年更换一次电池。
将红线接头连在电池的正极,黑线接头连到负极。
电池的反极性保护由3安培速熔保险丝(F4)提供。
交流电源为16.5V ,25-40伏安,50或60赫兹变压器。
将变压器的次级连到有AC 的端子上。
为降低电压损耗,至少应使用18A WG (1.02MM )的导线。
不要把变压器的初级接到受开关控制的电源插座上,也不要将其接到带有短路保护装置(GFI )的电路中。
交流电断电如果交流电断电超过15分钟,键盘会显示系统故障。
如果已做编程,主机会发送交流电断电报告。
交流电恢复5分钟以后,主机会发送恢复报告。
238 使用说明书
一、防盗系统的基本要求:
1、不准随意迁拆本系统任何的器材及线路,因而引起的误报及其后果由用户
负责。
2、用户更改房子的结构,会影响到探头的灵敏度及所探测的范围。
3、用户布防(开机)后,应在延时的时间内离开所布防的区域,在延时的时
间内不能离开的请马上关机,否则本系统自动报警。
4、用户撤防(关机)前,用户进入布防区域,应在限定的延时时间内关机,
若超出延时时间系统自动报警。
二、键盘说明:键盘使用基本方法:
1、开机操作:当所有防区灯都灭时,(但旁路所需的防区除外)。
健入:“用户的密码” + “#”(ARM灯亮)
2、关机操作:键入:“用户的密码” +“#”(ARM灯灭)
3、旁路:部份防区不使用情况下(先旁路后开机)
键入:“旁路键”+“防区号”+“#”
用户所选定防区的防区灯会慢闪。
4.密码修改:密码 + * + 0 + #进入编程(指示灯全亮)
新密码 + # 新密码+#(密码最多可以系5位数) * + #退出编程
三、一般故障排除:
1、若键入错误的密码,请隔5秒后重新键入。
2、键入密码时每个数字间不能超过4秒。
3、防区灯长亮,请查看窗是否关上,探头区域是否有人在走动。
4、防区灯不停地闪亮,请按“﹡”+“1”+“#”
5、若有防区报警后,请按“密码”+“﹡”+“68”+“#”复位
广州市正升电子科技有限公司
咨询、维修电话:39997288
33141544
33115545。
236主机编程速成一、操作:布防、撤防:密码# 旁路:密码bypass 旁区号 # (bypass 为右下角的键)取消记忆:*1# 复位:密码*68#例如:布防、撤防:1234# 旁路:1234 bypass 3 # 取消记忆:1234*1# 复位:1234*68#二、编程:1.进入编程:012345*0 #2.退出编程:* #3.密码部分: 01__ __ __ __ # 密码必须四位 …… 4.0A5353# 0 B 六 位 用 户 帐 号 # 0 C 0 D E 0 0 0 0 # 0 F 10 E 0 0 0 0 # 12 # 13 E 0 0 0 0 # 5.一防区 1D二防区 1E 1 1 1 2 2 0 #三防区 1F 1 1 1 2 2 0 #四防区 20 1 1 1 2 2 0 #五防区 21 1 1 1 2 2 0 #六防区 22 1 1 1 4 2 0 #一、操作:布防、撤防:密码#, 旁路:密码bypass 旁区号 # (bypass 为右下角的键)取消记忆:*1# , 复位:密码*68#例如:布防、撤防:1234# 旁路:1234 bypass 3 # 取消记忆:1234*1# 复位:1234*68#二、编程:1.进入编程:2.退出编程:* #3.密码部分:01 C 1__ __ __ __ # 密码开头必须为1,写够5位,若为4位,以*4作为1位结束; …… 4.通讯部分: 12第7位_E 0 0 0 0# 14 __ 前 6 位 __ 15第7位 E 0 0 0 0 # 5.防区部分:1F1 2 1 __ __ 3 # 二防区 2 0 1 2 1 __ __ 3 #三防区 2 1 1 2 1 __ __ 3 #四防区 22 1 2 1 __ __ 3 #五防区 23 1 2 1 __ __ 3 #六防区 24 1 2 1 __ __ 3 #七防区 25 1 2 1 __ __ 3 # 八防区 26 1 2 1 __ __ 3 #一、操作:布防、撤防:密码#, 旁路:密码bypass 旁区号 # (bypass 为右下角的键)取消记忆:*1# , 复位:密码*68#二、编程:1. 进入编程:012345*0#2.退出编程:* #3.01 C __ __ __ __ # 4.0A 六 位 帐 号 5.一防区二防区 2 0 1 2 1 __ __ 3 #三防区 2 1 1 2 1 __ __ 3 # 十防区 4 A 1 2 1 __ __ 3 #四防区 22 1 2 1 __ __ 3 # 十一防区 4 B 1 2 1 __ __ 3 #五防区 23 1 2 1 __ __ 3 # 十二防区 4 C 1 2 1 __ __ 3 #六防区 24 1 2 1 __ __ 3 # 十三防区 4 D 1 2 1 __ __ 3 #七防区 25 1 2 1 __ __ 3 # 十四防区 4 E 1 2 1 __ __ 3 #八防区 26 1 2 1 __ __ 3 # 十五防区 4 F 1 2 1 __ __ 3 #九防区 4 9 1 2 1 __ __ 3 # 十六防区 5 0 1 2 1 __ __ 3 #。
238型报警器使用说明一、安装1.确保238型报警器的包装完好,并检查是否有配备说明书、电池等配件。
2.在选择安装位置时,应考虑到以下几点:-最佳位置是安装在家庭入口处的墙壁上,这样可以最大程度地提高探测到入侵者的机会。
-报警器应尽量远离宠物的区域,以避免误报。
-避免阳光直射和潮湿环境,以减少误报的可能性。
3.使用铅笔或钻孔机在安装位置上标记孔位。
4.使用螺丝钻孔机按照孔位标记,并确保螺丝固定位置稳固。
5.按照说明书的指示将238型报警器的底座固定在墙壁上。
二、设置1.打开238型报警器的底座,并确保其正常工作。
2.选择安装模式:常开模式或常闭模式。
常开模式表示238型报警器在门的关闭期间保持打开状态,而常闭模式表示在门关闭期间保持关闭状态。
3.设置报警延迟时间:根据用户需求,可以设置一个在打开门后的一段时间内不触发警报。
4.设置声音模式:238型报警器支持多种声音模式,如嘀嘀声、警报声等。
5.设置报警器的工作方式:可选择声音报警、闪光报警、声光同时报警等方式。
6.测试报警器是否正常工作:可打开门触发报警器,验证其是否发出声音和/或闪光。
7.设置远程控制:一些238型报警器支持手机APP遥控功能,用户可以通过手机远程控制报警器的开关、声音模式等。
三、解除警报1.当238型报警器触发警报时,首先应保持冷静,并确认有没有真正的紧急情况。
2.查看报警器是否有警报开关或按钮,一般情况下,报警器的底座上会有一个解除警报的按钮。
3.如果无法直接解除警报,可以尝试以下方法:-找到报警器的电源开关,将其关闭。
-使用遥控器关闭报警器。
-使用手机APP远程关闭报警器(如果支持)。
四、保养与维护1.定期检查电池电量,并及时更换电池。
2.定期清洁报警器,避免尘埃或污垢影响其正常工作。
3.注意防水,避免淋雨或擦洗报警器。
4.定期测试报警器的工作状态,确保其正常运行。
五、注意事项1.避免将报警器暴露在高温、潮湿或阳光直射的环境中。
美国CK-238 防盗报警器编程手册_网利维为你服务2008-04-26 02:05:17| 分类:默认分类| 标签:|字号大中小订阅QQ群:55611467 QQ 53990027一.238编程须知:1.进入编程:按(安装员码)*0#,出厂新机需输入012345*0#2.退出编程:按*#3.编程时,如果输入的指令位数不对,键盘会发声5次表示输入错误;如果怀疑输入了错误数字,重新输入即可4.每条指令由两位“地址位”和几个“数据位”组成,每输入一行指令按“#”确认5.238编程中数字为十六进制数,大于9的数字使用方法如下:数字十六进制数输入方法10 A *011 B *112 C *213 D *314 E *415 F *56.为便于查找,在常用指令的地址位前加“※”,在组报警网常用编程指令的地址位前加“☆”二、238编程内容:※00:安装员码指令格式:000XXXXX#预定值:0 1 2 3 4 5数据位: 1 2 3 4 5 6数据位(1)--固定值为“0”,表示安装员码均以0开始数据位(2)-(6)--安装员密码,可用数字0-9※01-08:主码、用户码及其设防形式。
指令格式:01X1XXXX#预定值91234E(各用户不同)数据位 1 2 3 4 5 602-08中的数码,分别为第2至第8用户码。
数据位(1)中的数字表示不同的设防形式:1.只能设防2.只能撤防3.既能设防也能撤防三种形式均不能对防区旁路,也无系统设防和撤防报告。
4.只能设防5.只能撤防6.既能设防也能撤防三种形式均不能对防区旁路,有系统设防和撤防报告。
7.只能设防8.只能撤防9.既能设防也能撤防三种形式均能对防区旁路,无系统设防和撤防报告。
A.只能设防B.只能撤防C.既能设防也能撤防三种形式能够对防区旁路,同时系统有设防和撤防报告。
数据位(2)-用户标识符。
1号用户码此位为“1”,2号用户码此位为“2”......直到8号用户码此位为“8”。
均为固定数,不能更改。
数据位(3)-(6)为用户码中组合数部分,可以从0-9的数中任选4个数组合,但不能少于2位数,如少于4位数,则要在最后位数后键入结束符E(即*4,算1位数),如再有剩余的数据位键入8#用户码可以作为访客码--即为临时来访客人使用。
使用的时间由09单元的指令决定。
09-访客码的有效期,用户码选用。
指令格式09XXXX#预定值0011数据位(1)-访客码的使用0:8#用户码不能作为访客码,只能作为用户码,预定值是01:1天2:2天3:3天4:4天5:5天6:6天7:7天8:8天9:9天*0:10天*1:11天*2:12天*3:13天*4:14天*5:15天注:8#用户码:作为访客码使用到期后,自动失效。
如要作为用户码使用,必须重新设定09句指令。
数据位(2)-决定对系统进行以下功能操作:防区旁路;群旁路;瞬时报警;键盘启动遥控编程;中心站的测试和警铃测试等以上各种操作是否要求使用用户码。
0:不需要1:要求用户码数据位(3)-决定主机电源重新启动后安装员码是否改变。
0:不改变,仍为设定值;1:改变,由设定值还原为预定值(出厂时设定值)。
注:如果选1,非主管人即可通过中断电源的方法对系统进行编程操作。
降低了本系统的安全性。
如果选0,要注意严格保存已设定的安装员码,一旦丢失或遗忘,就需要本公司专业人员来调整。
数据位(4)-决定系统设防时可否允许有故障的防区存在,即系统可否强制设防。
1:不可强制设防,如存在故障防区,则必须在系统设防前将故障防区旁路。
2:可以强制设防,故障防区可在退出延时结束时自动旁路。
编程时如设有旁路报告(见01-08),则会将被旁路防区的区号报到中心站。
如有设防报告,进行强制设防的用户码号也会上报,但必须注意,如果故障防区是不可旁路的防区(由30-37决定),则不能对系统强制设防。
3:有故障提示设防。
既要求故障能够在防区退出延时结束前消除,如果故障一直延续到防区进入延时期间,则主机会发出声音警告,此时应立即对系统撤防,否则进入延时期满会触发报警。
☆0A--通讯规则指令格式:0AXXXX#预定值:1212联网时,一般填入5555#☆0B--通讯控制指令格式:0BXXXXXX#预定值:031108数据位(1):选择拨号前的延时时间。
用户可以利用此段时间对系统撤防,自行处理警情。
否则延时结束后,238系统将拨号呼叫中心站,并将警情报告发送到中心站.可以通过30-37选择8个防区是否均要延时拨号。
1:10s;2:20s;3:30s;4:40s;5:50s;6:60s;7:70s;8:80s;9:90s;*0:100s;*1:110s;*2:120s;*3:130s;*4:140s;*5:150s。
注:如30-37选择无延时拨号,此延时自动失效。
数据位(2):拨号形式1:双音多频10个拨号音/秒2:双音多频 5 个拨号音/秒3:脉冲10个脉冲/秒数据位(3):表示可否通过本系统键盘启动遥控编程。
0:不可以1:可以在键盘上键入(用户码)*02#。
238系统将拨叫中心站遥控编程电话号码。
数据位(4):直接使用遥控编程。
0:不可以。
只能通过键盘启动(见上(3))1:可以。
表示可以通过中心计算机和遥控编程软件,输入本地系统入网编号后直接对本地系统进行编程和控制。
数据位(5):电话振铃声选择。
0:单长音1:双短音注:此处不能搞错,否则238主机不能回答中心站用户也就不能使用遥控编程.数据位(6):238系统向中心站拨叫电话次数选择。
拨叫电话时会遇到“占线”情况,此时238系统会反复拨叫,当最后一次仍未拨通后,238主机会显示“通讯失败”并停止拨叫1:1次;2:2次;3:3次;4:4次;5:5次;6:6次;7:7次;8:8次;9:9次;*0:10次;*1:11次;*2:12次;*3:13次;*4:14次;*5:15次。
☆0C--238系统入网编号(对1#接收机)指令格式:0CXXXXXX#预定值:0 0 0 0 0 0☆0D-0F--中心站1#接收机电话号码指令格式:0DXXXXXX#写入号码1-6位预定值:*4 0 0 0 0 0指令格式:0EXXXXXX#写入号码7-12位预定值:0 0 0 0 0 0指令格式:0FXXXXXX#写入号码13-18位预定值:0 0 0 0 0 0可用数字0-9,最后一位数之后写入E(即*4)表示号码全部写完,剩余位数填入0。
*4:电话号码结束符指令10--238系统入网编号2#(对2#接收机)指令格式:10XXXXXX#预定值:0 0 0 0 0 0指令11-13--中心站2#接收机电话号码指令格式:11XXXXXX#写入号码1-6位预定值:*4 0 0 0 0 0指令格式:12XXXXXX#写入号码7-12位预定值:0 0 0 0 0 0指令格式:13XXXXXX#写入号码13-18位预定值:0 0 0 0 0 0使用2个系统编号和2部接受机,目的是增强用户的安全性。
双报告:238系统将全部报告先送到1#接收机,再送到2#接收机,如通讯正常,中心站会收到双份报告。
如果其中一个通讯失败,238会送通讯失败信号给该接收机。
而另一部接收机可收到报告。
如果2路通讯均失败,238系统会重复拨叫2部接收机直至拨叫次数达到设定值(0B(6))后备报告:选用后备报告,238系统先向1#接收机报告。
如果拨叫2次不通,则转向2#接收机报告。
再拨叫2次,不通再转向1#接收机。
轮番拨叫次数达到设定值。
如果叫通则送出报告,停止拨叫,如果不通则送出通讯失败信号后停叫。
分类报告:用户可根据需要将报告分为两类,一部份送到1#接收机,另一部份送到2#接收机。
注重用于两部接收机不在同一个地方,分别由不同职能的部门管理。
☆14-16--遥控编程电话号码指令格式:14XXXXXX#写入号码1-6位预定值: *4 0 0 0 0 0指令格式:15XXXXXX#写入号码7-12位预定值:0 0 0 0 0 0指令格式:16XXXXXX#写入号码13-18位预定值:0 0 0 0 0 0☆17-1E--防区报告代码指令格式:17XXXXXX#预定值: 1 0 E 1 0 017:1防区;18:2防区;19:3防区;1A:4防区;1B:5防区;1C:6防区;1D:7防区;1E:8防区数据位(1)(2)报警报告代码数据位(3)(4)防区还原报告代码数据位(5)(6)防区旁路报告代码※1F--26各防区回路设置1F:1防区;20:2防区;21:3防区;22:4防区;23:5防区;24:6防区;25:7防区;26:8防区数据位(1):报警接收机选择0:报警报告送1#接收机,2#接收机后备(后备报告)1:报告仅送1#接收机(分类报告)2:报告仅送2#接收机(分类报告)3:报告同时送1#和2#接收机(双报告)数据位(2):防区回路反应时间0:5毫秒,适用于振动传感器,玻璃破碎传感器1:250毫秒,适用于红外、微波、双鉴式、烟感等探头2:500毫秒,适用于红外、微波、双鉴式、烟感等探头3:750毫秒,适用于按钮、脚挑等传感器注:回路反应时间要求确保探头被触发后能启动报警,如响应时间选得太长,当探头触发后很快恢复,主机未触发报警,造成漏报。
但响应时间过短,即反应过于灵敏,则容易形成误报数据位(3):防区回路恢复形式决定防区恢复报告什么时候送出。
0:表示该防区恢复报告不送出。
1:当防区回路正常时送出恢复报告。
2:当防区回路正常而且警铃声消失时送出恢复报告。
3:当防区回路正常而且系统撤防时送出恢复报告。
数据位(4):防区设防形式。
1:该防区为内部防区。
在退出延迟时间内,内防区为延时防区。
如进入时延时防区被先触发,则内防区也成为延时区,延迟时间等于进入延迟时间,如内防区先触发,内防区成为瞬时区2:该防区为瞬时区。
3:该防区为延时区。
当系统设防后,延时防区首先按退出延时工作,延时期内,探头回路会被触发,但只要在延时期结束前恢复就不产生报警。
超时即报警。
如探头回路第2次被触发,延时防区将按进入延时工作。
如延时期内该防区未被撤防,则期满后产生报警,各防区的进入、退出延时时间统一由指令2D设定。
4:该防区为长延时区。
即进入延时时间为设定时间的两倍。
如果长延时区和延时区几乎同时触发,238主机会按照首先触发的防区计时。
9:该防区为24小时防区。
表示该区始终处于设防状态。
一般用于火警探头、按钮、玻璃破碎、振动探头等。
数据位(5):警声选择。
各防区的警声可单独选定。
1:间歇声报警2:稳定单声报警。
3:蜂鸣声(啁啾)报警。
4:键盘无声无光。
5:键盘有发光管发光,无声。
数据位(6):防区回路终端电路形式1:常开接点电路正常情况接点开路,接点闭合触发报警。
2:常闭接点电路正常情况接点闭合,接点开路将触发报警。