基槽孔验线记录
- 格式:pdf
- 大小:83.87 KB
- 文档页数:3
基槽验线记录DB15/427-2005基槽验线记录C01-5-02-001工程名称秋实中学学生餐厅日期2010年月日验线依据及内容:依据:(1)定位控制桩。
(2)规划测绘部门给定的高层控制水准点。
(3)基础平面图、剖面图。
内容:校核基底外轮廓线、控制轴线、检查基底标高。
DB15/427-2005基槽验线记录C01-5-02-001工程名称富兴花园1#综合楼C区日期2010年7月12日验线依据及内容:依据:(1)定位控制桩。
(2)规划测绘部门给定的高层控制水准点。
(3)基础平面图、剖面图。
内容:校核基底外轮廓线、控制轴线、检查基底标高。
基槽平面、剖面简图:检查意见:基底外轮廓线及基础控制轴线最大偏差+5mm,符合规范要求。
基底标高最大偏差+7mm,符合规范要求。
签字栏监理(建设)单位施工测量单位监理工程师(建设单位代表)专业技术负责人专业质检员施测人内质检软件登记号:47180402DB15/427-2005基槽验线记录C01-5-02-001工程名称呼市联兴易诚食品有限公司新建3800吨冷库工程日期2010年月日验线依据及内容:依据:(1)定位控制桩。
(2)规划测绘部门给定的高层控制水准点。
(3)基础平面图、剖面图。
内容:校核基底外轮廓线、控制轴线、检查基底标高。
基槽平面、剖面简图:检查意见:基底外轮廓线及基础控制轴线最大偏差+5mm,符合规范要求。
基底标高最大偏差+7mm,符合规范要求。
签字栏监理(建设)单位施工测量单位监理工程师(建设单位代表)专业技术负责人专业质检员施测人内质检软件登记号:47180402DB15/427-200基槽验线记录C01-5-02-001工程名称水岸华庭一期税悦小区A1#楼日期2010年月日验线依据及内容:依据:(1)定位控制桩。
(2)规划测绘部门给定的高层控制水准点。
(3)基础平面图、剖面图。
内容:校核基底外轮廓线、控制轴线、检查基底标高。
基槽平面、剖面简图:检查意见:基底外轮廓线及基础控制轴线最大偏差+5mm,符合规范要求。
测量放线报验申请表工程名称:欧蓓莎家居建材生活广场展示中心编号:致:永城市建设监理有限公司(监理单位)我单位已完成了一层测量放线工作,现上报该工程报验申请表,请予以审查和验收。
附件:1、一层验线记录2、一层标高抄测记录承包单位(章)徐州市晓城建筑工程有限公司项目经理日期审查意见:项目监理机构总∕专业监理工程师日期一层 验 线 记 录本表由建设单位、施工单位、城建档案馆各保存一份。
工程名称欧蓓莎家居建材生活广场展示中心日期年 月 日验线依据及内容:依据:一层平面图、结构图内容:1、一层外轮廓线及外廓断面 2、一层标高。
一层平面、剖面简图:检查意见:一层外轮廓位置准确无误。
标高+0.000m ,误差均在±5mm 以内。
签 字 栏建设(监理)单位施工测量单位徐州市晓城建筑工程有限公司专业技术负责人专业质检员实测人一层标高抄测记录工程名称欧蓓莎家居建材生活广场展示中心抄测部位一层日期年月日放线依据:1.一层平面图2.《工程测量规范》GB50026-933.依据《工程测量规范》高程中误差允许误差为5mm∨抄测说明简图1.测定本层+0.500m控制线2.测量工具:DS6水准仪钢卷尺检查意见:经查:标高+0.000m ,所抄测+0.500m,标高误差在±2mm以内,就近两点标高误差在±12mm以内.签字栏建设(监理)单位施工测量单位徐州市晓城建筑工程有限公司专业技术负责人专业质检员实测人本表由建设单位、施工单位、城建档案馆各保存一份。
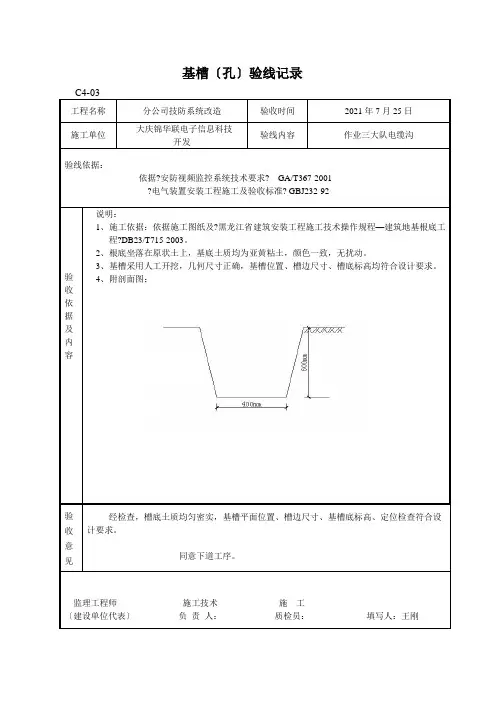
C4-03工程名称分公司技防系统改造验收时间2021年7月25日施工单位大庆锦华联电子信息科技开发验线内容作业三大队电缆沟验线依据:依据?安防视频监控系统技术要求? GA/T367-2001?电气装置安装工程施工及验收标准? GBJ232-92验收依据及内容说明:1、施工依据:依据施工图纸及?黑龙江省建筑安装工程施工技术操作规程—建筑地基根底工程?DB23/T715-2003。
2、根底坐落在原状土上,基底土质均为亚黄粘土,颜色一致,无扰动。
3、基槽采用人工开挖,几何尺寸正确,基槽位置、槽边尺寸、槽底标高均符合设计要求。
4、附剖面图:验收意见经检查,槽底土质均匀密实,基槽平面位置、槽边尺寸、基槽底标高、定位检查符合设计要求。
同意下道工序。
监理工程师施工技术施工〔建设单位代表〕负责人:质检员:填写人:王刚C4-03工程名称分公司技防系统改造验收时间2021年8月5日施工单位大庆锦华联电子信息科技开发验线内容鱼塘周界电缆沟验线依据:依据?安防视频监控系统技术要求? GA/T367-2001?电气装置安装工程施工及验收标准? GBJ232-92验收依据及内容说明:1、施工依据:依据施工图纸及?黑龙江省建筑安装工程施工技术操作规程—建筑地基根底工程?DB23/T715-2003。
2、根底坐落在原状土上,基底土质均为亚黄粘土,颜色一致,无扰动。
3、基槽采用人工开挖,几何尺寸正确,基槽位置、槽边尺寸、槽底标高均符合设计要求。
4、附剖面图:验收意见经检查,槽底土质均匀密实,基槽平面位置、槽边尺寸、基槽底标高、定位检查符合设计要求。
同意下道工序。
监理工程师施工技术施工〔建设单位代表〕负责人:质检员:填写人:王刚C4-03工程名称分公司技防系统改造验收时间2021年8月25日施工单位大庆锦华联电子信息科技开发验线内容特种工艺一大队油管场电缆沟验线依据:依据?安防视频监控系统技术要求? GA/T367-2001?电气装置安装工程施工及验收标准? GBJ232-92验收依据及内容说明:1、施工依据:依据施工图纸及?黑龙江省建筑安装工程施工技术操作规程—建筑地基根底工程?DB23/T715-2003。
基槽(坑)验线记实之五兆芳芳创作工程名称碧桂园·嘉山第宅(明光)一期二标段扶植单位明光碧胜房地产开发有限公司施工单位中天扶植团体有限公司验线依据《地基根本工程施工质量验收标准》GB50202-2002验收部位15#楼根本项目允许偏差(mm)检查记录标高-50 -1mm,-10mm,-10mm,-13mm,-3mm 长度、宽度+200 16mm,20mm,20mm,17mm,14mm 边坡设计要求合适设计要求概略平整度±20 2mm,-8mm,0mm,0mm,-2mm 基底土质卵石合适设计要求基槽平、剖面简图检查验收意见施工技巧担任人:放线人:专业质检员:年月日监理工程师:年月日工程名称碧桂园·嘉山第宅(明光)一期二标段扶植单位明光碧胜房地产开发有限公司施工单位中天扶植团体有限公司验线依据《地基根本工程施工质量验收标准》GB50202-2002验收部位20#楼根本项目允许偏差(mm)检查记录标高-50 -1mm,-10mm,-10mm,-13mm,-3mm 长度、宽度+200 16mm,20mm,20mm,17mm,14mm 边坡设计要求合适设计要求概略平整度±20 2mm,-8mm,0mm,0mm,-2mm 基底土质卵石合适设计要求基槽平、剖面简图检查验收意见施工技巧担任人:放线人:专业质检员:年月日监理工程师:年月日工程名称碧桂园·嘉山第宅(明光)一期二标段扶植单位明光碧胜房地产开发有限公司施工单位中天扶植团体有限公司验线依据《地基根本工程施工质量验收标准》GB50202-2002验收部位14#楼根本项目允许偏差(mm)检查记录标高-50 -1mm,-10mm,-10mm,-13mm,-3mm 长度、宽度+200 16mm,20mm,20mm,17mm,14mm 边坡设计要求合适设计要求概略平整度±20 2mm,-8mm,0mm,0mm,-2mm 基底土质卵石合适设计要求基槽平、剖面简图检查验收意见施工技巧担任人:放线人:专业质检员:年月日监理工程师:年月日工程名称碧桂园·嘉山第宅(明光)一期二标段扶植单位明光碧胜房地产开发有限公司施工单位中天扶植团体有限公司验线依据《地基根本工程施工质量验收标准》GB50202-2002验收部位16#楼根本项目允许偏差(mm)检查记录标高-50 -1mm,-10mm,-10mm,-13mm,-3mm 长度、宽度+200 16mm,20mm,20mm,17mm,14mm 边坡设计要求合适设计要求概略平整度±20 2mm,-8mm,0mm,0mm,-2mm 基底土质卵石合适设计要求基槽平、剖面简图检查验收意见施工技巧担任人:放线人:专业质检员:年月日监理工程师:年月日。
基槽验线记录编号×××
工程名称××小区工程日期××××年××月××日
验线依据及内容如下。
依据:①施工图(图号××),设计变更、洽商(编号×××);②该工程施工测量方案;③定位轴线控制网。
内容:根据主控轴线和基底平面图,检验建筑物基底外轮廓线、集水坑(电梯井坑)、垫层标高、基槽断面尺寸及边坡坡度(1∶0.5)等。
基槽平面、剖面简图:
检查意见:
经检查,①~○11/○A~○B轴为基底控制轴线、垫层标高(误差:-1mm),基槽开挖的断面尺寸(误差:+2mm),坡底边线、坡度等各项指标符合设计要求及该工程施工测量方案规定,可进行下道工序施工。
签字栏
建设(监理)单位
施工测量单位××建筑工程公司
专业技术负责人专业质检员施测人
××××××××××××。
基槽(坑)验证记录 (1)
引言
本文档记录了对基槽(坑)进行的验证过程和结果。
基槽(坑)是指在施工中挖掘的用于加固建筑基础的凹陷区域。
验证过程
1. 确定验证目标:验证基槽(坑)的稳定性和承载能力。
2. 准备工作:对基槽(坑)进行测量,包括深度、宽度和长度的测量。
3. 设计实验和测试方案:根据基槽(坑)的规格和要求设计实验和测试方案。
4. 进行实验和测试:
- 测量基槽(坑)的体积:使用测量工具测量基槽(坑)的体积。
- 检测基槽(坑)的稳定性:使用专业设备进行基槽(坑)的稳定性检测,记录观察结果和测量数据。
- 测试基槽(坑)的承载能力:在基槽(坑)中放置不同重量的测试物体,记录观察结果和测量数据。
5. 数据分析:对实验和测试结果进行数据分析,包括计算基槽(坑)的承载能力和稳定性指标。
6. 结果验证:将数据分析结果与设计要求进行对比,验证基槽(坑)是否符合设计要求。
验证结果
通过对基槽(坑)的实验和测试,得出以下验证结果:
- 基槽(坑)的体积为XX立方米。
- 基槽(坑)通过稳定性检测,稳定性指标满足设计要求。
- 基槽(坑)在承载能力测试中,承载能力达到XX吨,满足设计要求。
结论
基于以上验证结果,可以得出结论:
基槽(坑)稳定性和承载能力达到了设计要求,可以继续进行建筑基础加固的后续施工工作。
参考文献
- [引用1]
- [引用2]。
(最新整理)基槽验线记录1. 背景介绍基槽验线是在建筑施工中非常重要的一项工作,它涉及到基础结构的安全稳定性。
准确记录和整理基槽验线的数据有助于施工方进行后续工作的规划与调整。
本文档将对最近进行的基槽验线工作进行整理和记录。
2. 基槽验线工作简介基槽验线是指在基础施工过程中,通过测量、调整基槽的位置和尺寸,保证基础结构的垂直度和水平度达到设计要求。
验线工作主要包括以下几个方面:2.1 测量基槽位置和尺寸首先需要测量基槽的位置和尺寸,以确定其是否符合设计要求。
测量可以使用多种工具,如钢尺、水平仪等,根据实际情况选择合适的测量工具。
2.2 调整基槽位置和尺寸如果测量结果显示基槽的位置和尺寸不符合要求,需要及时调整。
调整基槽位置可通过挖掉或填充土方的方式来完成,调整基槽尺寸可使用铁板、木板等材料进行加固。
2.3 验证基槽垂直度和水平度在调整完基槽位置和尺寸后,需要再次进行测量,以验证基槽的垂直度和水平度是否达到要求。
若不符合要求,需要进行进一步的调整。
3. 基槽验线记录根据最近进行的基槽验线工作,以下是相关的验线记录:序号基槽编号位置坐标尺寸(长 x 宽 x 深)备注1 BS001 (10,20) 10m x 5m x 2m2 BS002 (15,25) 12m x 6m x 2.5m 需要进行基槽调整3 BS003 (20,30) 8m x 4m x 2m 需要进一步调整4 BS004 (18,28) 9m x 4.5m x 2.2m5 BS005 (12,22) 11m x 5.5m x 2.2m4. 基槽调整记录针对需要进行基槽调整的情况,以下是调整的记录:序号基槽编号调整内容调整人员调整日期2 BS002 添加铁板增加基槽深度张三2021-01-053 BS003 增加填充土方调整基槽位置李四2021-01-085. 总结与展望基槽验线工作在基础工程中具有重要的意义,通过准确记录和整理基槽验线的数据,有助于及时调整和优化施工过程。