TG-04-989 化学不确定度评定示例
- 格式:doc
- 大小:780.50 KB
- 文档页数:8
4 不确定度评定举例 (一) 端度规校准1. 概述在比较仪上,对标准端度规和受校准的端度规进行比较,求出两端度规的长度差值,考虑到长度的温度修正,由标准端度规的已知长度,求出受校准端度规的长度。
2. 原理一个名义值50mm 的被校准端度规,将它与同名义长度的已知标准端度规比较,就可求出被校准端度规的长度。
两端度规直接比较的输出是长度差式中:l :受校端度规在20~C 时的长度;ls :标准度规在20~C 时的长度(由标准端度规的校准证书给出): α、αs :受校与标准规的温度热膨胀系数; θ、θs :受校与标准规的温度与20℃的温度偏差。
于是:记受校与标准端度规温差sθθδθ-=。
记受校与标准端度热膨胀系数差s ααδα-=则3.不确定度评定:注意到ls ,d ,α,θ,δα,δθ无关,且δα,δθ期望为0。
而于是:(1)标准的校准不确定度校准证书中给出,标准的展伸不确定度U=0.075um ,并说它按包含因子k=3而得,故标准不确定度校准证书指出,它的自由度18)( s l v于是:(2)测量长度差的不确定度测量两规长度差的实验标准差,通过独立重覆观测25次的变化性而得为13nm ,其自由度为25-1=24。
本例比较中,作5次重复观测并采用平均值,平均值的标准不确定度及自由度于是:(3)比较仪偶然效应比较仪检定证书说明,由偶然误差引起的不确定度为0.01um,它由6次重复测量,置水准95%而得,由t分布临界值,t0.95(5)=2.57,故于是:(4)比较仪系统效应比较仪检定证书给出,由系统误差引起的不确定度为0.02um(3水准),故它可以认为具25%可靠,于是其自由度8%)25(2/1)(2==v d v于是:(5)膨胀系统差的不确定度按均匀分布变化,故它具10%可靠,于是:因(6)规间温差的不确定度标准及被校规应有相同温度,但温差却以等概率落于估计区间-0.05℃至+0.05内任何处,由均匀分布知标准不确定度它具50%可靠,故又不确定度表如下:以上分量无关,合成标准不确定度其自由度在置信水准P=0.99时t0.99(16)=2.92。
TEMUNGB化学分析中不确定度评定与表示方法规程一、应用范围和领域1.1 本规程给出了定量化学分析中评估和表述不确定度的详细指导。
也适应于仪器校准中不确定度的评定,它是基于“ISO测量不确定度表述指南”〔H.2〕中所采用的方法,适用于各种准确度和所有领域—从日常分析到基础研究、经验方法和合理方法。
需要化学测量和仪器校准并可以使用本规程原理的一些常见领域有:(1)制造业中的质量控制和质量保证;(2)判定是否符合法定要求的测试;(3)使用公认方法的测试;(4)标准和设备的校准;(5)与标准物质研制和认证有关的测量活动;(6)研究和开发活动。
1.2 本规程未包括化学分析样品的取样和制样操作中不确定度评估。
1.3 本规程说明了应该如何使用从下列过程获得的数据进行测量不确定度评估:(1)实验室作为规定测量程序〔B.8〕使用某种方法,对该方法所得分析结果的已识别来源的不确定度影响的评价;(2)实验室中规定的内部质量控制程序的结果;(3)为了确认分析方法而在一些有能力的实验室间进行的协同试验的结果;(4)用于评价实验室分析能力的水平测试项目的结果;(5)本系统内部比对样品的定值;(6)标准和设备的校准结果。
二、引用标准2.1JJF 1059-1999《测量不确定度评定与表示》2.2《化学分析中不确定度的评估指南》――中国实验室国家认可委员会三、术语和定义3.1不确定度(uncertainty)3.1.1 [测量]不确定度定义表征合理地赋予被测量之值的分散性,与测量结果相联系的参数。
注:1此参数可以是诸如标准差或其倍数,或说明了置信水准的区间的半宽度。
2测量不确定度由多个分量组成。
其中一些分量可用测量列结果的统计分布估算,也可用标准差表征。
称为A类评定。
另一些分量,则可用基于经验或其他信息的假定概率分布计算。
也可用标准差表征,称为B类评定。
3测量结果应理解为被测量之值的最佳估计,全部不确定度分量均贡献给了分散性,包括那些由系统效应引起的(如,与修正值和参考测量标准有关的)分量。
化学分析中测量不确定度评估指南下载温馨提示:该文档是我店铺精心编制而成,希望大家下载以后,能够帮助大家解决实际的问题。
文档下载后可定制随意修改,请根据实际需要进行相应的调整和使用,谢谢!并且,本店铺为大家提供各种各样类型的实用资料,如教育随笔、日记赏析、句子摘抄、古诗大全、经典美文、话题作文、工作总结、词语解析、文案摘录、其他资料等等,如想了解不同资料格式和写法,敬请关注!Download tips: This document is carefully compiled by theeditor.I hope that after you download them,they can help yousolve practical problems. The document can be customized andmodified after downloading,please adjust and use it according toactual needs, thank you!In addition, our shop provides you with various types ofpractical materials,such as educational essays, diaryappreciation,sentence excerpts,ancient poems,classic articles,topic composition,work summary,word parsing,copy excerpts,other materials and so on,want to know different data formats andwriting methods,please pay attention!化学分析中测量不确定度评估指南在化学分析过程中,测量不确定度的评估是确保结果准确性和可靠性的重要环节。
标准物质在化学测量结果评定中的应用举例卢晓华大多数化学测量采用相对法,测量前需对仪器进行校准,通常还需要对样品进行前处理,使待测特性量与基体分离,并转入另一种适合测量的状态,因此,保证化学测量量值的有效溯源并据此对测量结果进行评定尤为复杂,标准物质在其中发挥了重要和关键的作用。
一、标准物质在化学测量结果评定中的作用在对化学测量结果进行评定前,首先应明确其量值溯源过程。
图1为典型的化学测量量值溯源过程,通过应用适当的校准用标准物质并对所使用的天平和容量器具等进行校准,可以使待测特性量值向规定的参考标准溯源。
然而,溯源链的每一步都会受到不当操作的影响,导致溯源失效。
样品前处理和测量过程中的不完全转化、沾污、损失及基体效应都会导致溯源链的中断(见图1中的虚线部分)。
通过基体标准物质可对溯源链的连续性进行评估,并通过回收率和测量重复性指标量化其影响,最后代入样品测量结果的计算中去。
图1 典型化学测量量值溯源过程二、应用举例1.测量过程以对小麦粉中的Zn含量(用质量分数w表示)进行火焰原子吸收法单次测量为例,测量过程简单概括如下:(1)样品的烘干和称量;(2)湿法消解及样品溶液的转移和定容;(3)系列校准用标准溶液的配制;(4)火焰原子吸收法测量;(5)结果计算。
2.所使用的标准物质测量过程中选用两种标准物质:(1)GBW(E)080130 Zn单元素溶液标准物质,用于配制校准用标准溶液,以保证测量结果通过该标准物质建立溯源性;(2)NIST SRM 1567a小麦粉标准物质,对其按相同测量程序进行测量,通过回收率和测量重复性两项指标,衡量样品中待测元素在前处理中可能产生的沾污、损失及测量过程中的基体效应对溯源有效性的影响。
3.测量结果不确定度的评定(1)测量结果重复性引入的不确定度分量称取6份NIST SRM 1567a小麦粉标准物质进行重复性测量。
测量结果及标准偏差见表1。
表1 NIST SRM 1567a小麦粉标准物质中Zn测量结果实际小麦粉样品的测量为单次测量,在测量条件较稳定的情况下,测量结果重复性引入的不确定度用单次测量标准偏差s r(w i)表示,即0.176mg/kg,而不应是6次测量平均值的标准偏差。
气相色谱法测定绝缘油溶解气体含量测量不确定度的评定(供参考)一、概述1.1 目的评定绝缘油溶解气体含量测量结果的不确定度。
1.2 依据的技术标准GB/T 17623-1998《绝缘油中溶解气体组分含量的气相色谱测定法》。
1.3 使用的仪器设备(1) 气相色谱分析仪HP5890,经检定合格。
(2) 多功能全自动振荡仪ZHQ701,经检定合格,允差±1℃,分辨力0.1℃。
(3) 经检验合格注射器,在20℃时,体积100mL±0.5mL;体积5mL±0.05mL;体积1mL±0.02mL。
1.4 测量原理气相色谱分析原理是利用样品中各组分,在色谱柱中的气相和固定相之间的分配及吸附系数不同,由载气把绝缘油中溶解气体一氧化碳、二氧化碳、甲烷、乙烷、乙烯、乙炔、氢气带入色谱柱中进行分离,并经过电导和氢火焰检测器进行检测,采用外标法进行定性、定量分析。
1.5 测量程序(1) 校准。
采用国家计量部门授权单位配制的甲烷标准气体。
进样器为1mL玻璃注射器,采用外标气体的绝对校正因子定性分析。
(2) 油样处理。
用100mL玻璃注射器A,取40mL油样并用胶帽密封,并用5mL玻璃注射器向A中注入5mL氮气。
将注入氮气的注射器A放入振荡器中振荡脱气,在50℃下,连续振荡20分钟,静止10分钟。
(3) 油样测试。
然后用5mL玻璃注射器将振荡脱出的气体样品取出,在相同的色谱条件下,进样量与标准甲烷气体相同,对样品进行测定,仪器显示谱图及测量结果。
气体含量测定过程如下。
1.6 不确定度评定结果的应用符合上述条件或十分接近上述条件的同类测量结果,一般可以直接使用本不确定度评定测量结果。
二、 数学模型和不确定度传播律2.1 根据GB/T 17623-1998《绝缘油中溶解气体组分含量的气相色谱测定法》试验方法,绝缘油中溶解气体含量C 的表示式为S s=⨯hC C h μL/L (1) 式中,C ——被测绝缘油中溶解气体甲烷含量,μL/L ;C S ——标准气体中甲烷含量,μL/L ; h ——被测气体中甲烷的峰高A ; h s ——标准气体中甲烷的峰高A 。
化学分析中测量不确定度的一般评定方法发布时间:2021-04-14T01:21:34.692Z 来源:《防护工程》2020年34期作者:黄冬琳[导读] 因此我们一定要建立统一的度量标准制度,这样有利于测量不确定度的全面评定,为科技的创新和贸易的发展提供有力的支持。
苏州市百信环境检测工程技术有限公司江苏省苏州市 215000摘要:当下我国社会在不断的进步与发展,自身的科学技术能力在不断地提升,从而扩大了国际贸易发展,对于化学分析测量范围也作出了进一步的扩大,因为在各个行业当中都需要进行全面的测量应用,在测量的过程当中往往会存在不确定度,这种不确定度的产生,就是测量水平高低的存在,因此我们一定要建立统一的度量标准制度,这样有利于测量不确定度的全面评定,为科技的创新和贸易的发展提供有力的支持。
关键词:化学分析;测量不确定度;一般评定方法引言:通常情况下测量不确定度就是测量结果的相关参数,应当将分散性参数数值进行表征罗列,从综合的角度分析来看,测量不确定度往往会产生重要的意义。
在进一步的化学检测实验过程当中,只需要将检测结果与限定比对参数值进行比较分析,就可以得出真实性的客观声明,在声明当中对测定结果进行充分的确定。
一、化学测量分析中不确定度的评定计算过程对于那些十分重要的不确定分量进行有效的合成,通过合成完成之后提出有效的数值,这样就可以快速的确定不确定因素的来源,然后完成不确定度的评价分析,经过大量的控制实验数据得出,不确定估值的提出对于后方的检测结果将会产生直接性的影响。
而具体的检测应用步骤主要分为以下几点。
第一,被测量的范围进行规定。
对于需要测量的具体项目进行清楚的写明,同时还要阐明被测量和测量之间存在的输入量关系。
第二,对不确定度的来源进行充分的识别。
我们在检测分析过程当中,对于不确定度的来源进行充分的罗列,同时对于规定的关系是内容也要提前确定,关系式当中也包括其他来源因素,同时也要含有化学假设所产生的不确定来源因素。
P245标准不确定度B类评定的举例:(案例1)校准证书上给出标称值为1000g的不锈钢标准砝码质量m s的校准值为1000,000325g,且校准不确定度为24μg(按三倍标准偏差计),求砝码的标准不确定度。
评定:a =U =24μg k=3则砝码的标准不确定度为u B(m s)= 24μg/3 =8μg(案例2)校准证书上说明标称值为10Ω的标准电阻,在23℃时的校准值为10.000074Ω,扩展不确定度为90μΩ,置信水平为99%,求电阻的相对标准不确定度。
评定:由校准证书的信息知道:a =U99=90μΩ,P =0.99;假设为正态分布,查表得到k=2.58;则电阻校准值的标准不确定度为:(JJF1059 b. 被测量Y用扩展不确定度U P给出,而其分布又没有特殊指明时,估计值Y 的分布按正态分布;)u B(R S)=90μΩ/2.58=35μΩ相对标准不确定度为:u B(R S)/ R S=3.5×10-6。
(案例3)手册给出了纯铜在20℃时线热膨胀系数α20(Cu)为16.52×10-6℃-1,并说明此值的误差不超过±0.40×10-6℃-1,求α20(Cu)的标准不确定度。
评定:根据手册,a =0.40×10-6℃-1,依据经验假设为等概率地落在区间内,即均匀分布,查表得,铜的线热膨胀系数的标准不确定度为:u (α20)=0.40×10-6℃-1/ =0.23×10-6℃-1(案例4) 由数字电压表的仪器说明书得知,该电压表的最大允许误差为±(14×10-6×读数+2×10-6×量程),在10 V 量程上测1 V 时,测量10次,其平均值作为测量结果,V = 0.928571 V ,求电压表仪器的标准不确定度。
评定:电压表最大允许误差的模为区间的半宽度:a =(14×10-6×0.928571V +2×10-6×10 V )=33×10-6 V=33 μV 。
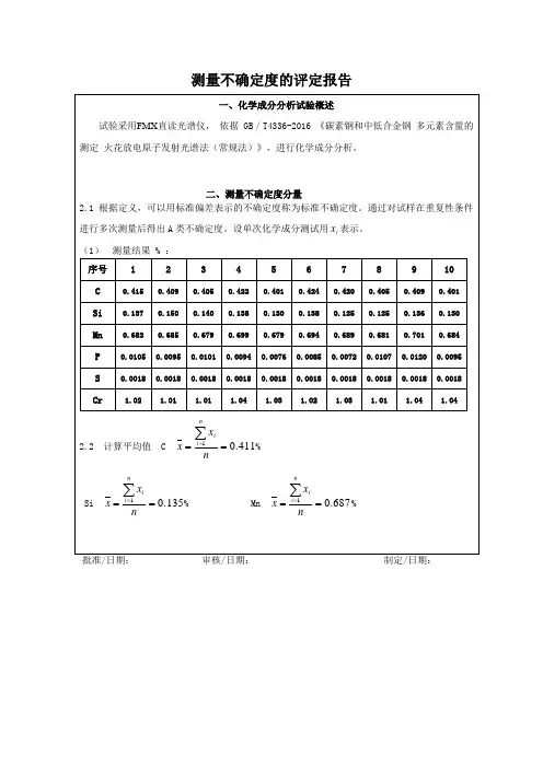
中检集团南方电子产品 测试(深圳)有限公司发布日期:2013年04月23日 实施日期:2013年05月10日作业指导书化学不确定度评定示例CCIC-SET/TG-04-989编制: 杨 勇审核: 邓春涛 批准: 王克勤2013年05月10日生效不确定度评定练习试题2013-01Cd 214.439 加标1ppm 回收率的不确定度评定计算(中检集团南方电子产品测试(深圳)有限公司 化学部 杨勇)一、测量及不确定度评定对象依据IEC62321:2008 标准,对塑料样品采用粉碎后用微波消解法进行处理,使其中的待测元素 Cd 成为可溶性盐类溶解在酸消解液中。
将酸消解液定容至25ml ,导入ICP-OES 中进行测定,从而定量样品中的 Cd 。
对测定结果的不确定度进行分析,找出影响测定结果不确定度的因素,对不确定度进行评估,如实反映测量的置信度和准确性。
本次评定采用加标试验的方法,评定待测溶液浓度(ml g /μ)、加标回收率(%)、假定为实际样品的 Cd 含量(kg mg /)的测量不确定度。
二、测定方法描述1、测量过程(1) 称取约0.2g 塑料样品(经过粉碎)于消解罐中。
加入10ml g /μ的 Cd 标准溶液1ml ,加入8ml 硝酸与2ml 双氧水,按照规定程序使之消解完全;;冷却,转移至于25ml 的容量瓶中,用10%硝酸定容至刻度以备分析。
(2) 用 Cd (编号为:GSB XXXX,,1000ml g /μ,不确定度为:2ml g /μ,%95,2==p k ),首先配制10.0ml g /μ,用1ml 移液管取1ml ,用10%硝酸定容于100ml 容量瓶中。
(3)从10ml g /μ分别使用25ml 、10ml 、5ml 取满刻度溶液到100ml 容量瓶中,分别得到2.5ml g /μ、1.0ml g /μ、0.5ml g /μ的标液。
(4)从10ml g /μ使用25ml 、10ml 、5ml 分别取(25+10+5)ml 、(10+5)ml ,定容到100ml 容量瓶中,分别得到4.0ml g /μ、1.5ml g /μ的标液。
(5) 以上均使用10%硝酸定容,同时做空白;采用0.5、1.0、1.5、2.5、4.0ml g /μ共5点绘制工作曲线(6)取样0.2g,加标取10ml g /μ标液1ml,前处理完成后,定容于25ml 容量瓶,平行样9个;均使用10%硝酸定容,同时做空白。
(7) 在ICP 上于Cd 214.439nm 处测定,以空白标准溶液,进行标准曲线法测量,采用线性回归法算出工作校准曲线,从校准曲线上求得样品的 Cd 浓度,根据公式(1)计算样品中的Cd 含量。
2、测量结果计算公式(1)实际样品的测量不确定度评定被测元素含量以质量分数M W 计,数值以kg mg g g ppm /,/,或或μ表示,按下式计算:mdV C W M ⨯⨯=0……………………………………………………………(1) 式中:0C —在校准曲线上查得试液中被测元素浓度的数值,单位为微克每毫升(ml g /μ); V ——样品溶液的体积,单位为毫升(ml ); d -样品溶液的稀释倍数; m —试样量,单位为克(g )。
取9次次测试结果的算术平均值,报告结果。
(2)待测样品溶液浓度的测量不确定度评定被测元素浓度含量以0C W 计,数值以ml g /μ表示,按下式计算:nC W is C ∑-= (2)式中:i s C -—在校准曲线上查得各次试液中被测元素浓度的数值,单位为微克每毫升(ml g /μ);n ——重复性样品个数,n = 9。
(3)加标回收率的测量不确定度评定被测元素加标回收率分数R W 计,数值以%表示,按下式计算:加标加标V C VC W R ⨯⨯=0 (3)式中:0C —在校准曲线上查得试液中被测元素浓度的数值,单位为微克每毫升(ml g /μ);V ——样品溶液的体积,单位为毫升(ml );加标C ——加标的标准溶液浓度,单位为微克每毫升(ml g /μ);加标V ——加标的标准溶液体积,单位为毫升(ml )。
3、实验条件及其它测量数据(1)实验室室温25℃,室内温差3℃,水的体积膨胀系数/101.24-ml ⨯℃。
(2)1000ml g /μ有证标准物质溶液,给出U = 2ml g /μ,%95,2==p k 。
(3)1ml 移液管校准证书给出U = 0.007ml ,%95,2==p k ,经过20次重复性试验,标准偏差为0.002078ml 。
(4)100ml 容量瓶校准证书给出U = 0.05ml,%95,2==p k ,经过20次重现性试验,标准偏差为0.034665ml 。
(5)25ml 移液管校准证书给出U = 0.03ml ,%95,2==p k ,经过20次重复性试验,标准偏差为0.007941ml 。
(6)10ml 移液管校准证书给出U = 0.02ml,%95,2==p k ,经过20次重复性试验,标准偏差为0.007766ml 。
(7)5ml 移液管校准证书给出U = 0.015ml ,%95,2==p k ,经过20次重复性试验,标准偏差为0.005632ml 。
(8)25ml 容量瓶校准证书给出U = 0.04ml ,%95,2==p k ,经过20次重复性试验,标准偏差为0.016447ml 。
(9)称量为0~200g 的天平校准证书给出U = 0.002g ,%95,2==p k ,天平称量1g 标准砝码20次重复性试验,标准偏差为0.0003g 。
三、不确定度来源地识别根据测量结果计算公式(1)、(2)、(3)中的各个参数即影响量,绘制因果分析图,下图公式(3)的不确定度来源图:图1 ICP 测定回收率的不确定度来源四、数学模型:a bx y +=斜率:采用扣除空白后的平均响应值与标准溶液浓度序列,对应强制过原点,求得的斜率。
Excel 中使用“linest(,,false)”函数。
截距:取平均空白响应值。
相关系数:采用不扣空白的平均响应值与标准溶液浓度序列(含空白)求得。
Excel 中使用correl 函数。
∴ 数学模型为:4.1068.9453ˆ+=x y可得到ml x /g 0231.1'μ=,其标准偏差ml g SD /0234.0'xμ=;g g x /9.127"μ=,%31.102=r x ,9.9682'=y 。
平行样重复性A 类不确定度为:')1()''(''2''x n n x x x S n x SD u i x x req rel --===∑- (4)可得req rel u -=0.0080,Excel 中可使用ceiling 函数向上取整。
五、相对不确定度计算22222req 20A rel m rel V rel C rel rel C rel W rel u u u u u u u M -------+++++=标.........(5) 2222req 20A rel C rel C rel rel C rel W rel u u u u u u R ------++++=加标..................(6) 222req 200A rel C rel rel C rel W rel u u u u u C -----+++=标 (7)其中:M W rel u -:实际样品中待测物质含量的相对不确定度R W rel u -:回收率的相对不确定度C W rel u -:样品溶液浓度的相对不确定度0C rel u -:标准曲线拟合,求得0C 时产生的相对不确定度标C rel u -:标准曲线溶液的浓度配制引起的相对不确定度req rel u -:A 类不确定度,即平行测定样品产生的相对不确定度V rel u -:样品溶液定容引起的相对不确定度 m rel u -:称量样品质量引起的相对不确定度A rel u -:分析仪器响应值(稳定性)量化误差引起的相对不确定度加C rel u -:样品溶液加标引起的相对不确定度六、工作曲线拟合的相对不确定度0C rel u -计算可得到ml x /g 9.1μ=,50.4732103)]([12=+-∑=j j ja bx yxx'AC rel S x x n p b x S u 2')(110-++⨯∙=- (8)其中: n ——测试标准溶液的次数,1535=⨯=n ;x ——各个标准溶液浓度的平均值,ml x /g 9.1μ=; p ——测试样品溶液的次数,9=p ;'x ——样品溶液浓度的平均值,ml x /g 0231.1'μ=;b ——测试样品溶液的次数,68.9453=b ;j ——下标,测试标准溶液的次数; 33.6032)]([12=-+-=∑=n a bx y S n j j j A1.23)(12∑==-=nj j xx x x S 。
于是,0C rel u -=0.0288,Excel 中可使用ceiling 函数向上取整。
七、仪器响应值(稳定性)量化误差的相对不确定度A rel u -计算采用工作曲线中标准溶液的空白与待测样品溶液平均响应值的比值,按照均匀分布,取3=k ,则:0007.0'==-ky y u A rel 标准空白Excel 中可使用ceiling 函数向上取整。
八、 其他不确定度分量的计算按照第<二、3>给出的实验条件和测量数据,可计算得到V rel u -、C rel u -、m rel u -、C rel u -。
于是,可得V rel -=0.0009,标C rel -=0.0094,m rel -=0.0073,加C rel -=0.0050。
其中标C rel -为0.5、1.0、1.5、2.5、4.0ml /g μ的标准溶液不确定的合成;单次计算不确定度分量时,均使用ceiling 函数向上取整;温度引起的不确定的分量,按照均匀分布,取3=k 。
九、结果的表示(1)按照(5)式计算,实际样品的测量相对不确定度,及其各分量的统计直方图如下:0322.022222req 20=+++++=-------A rel m rel V rel C rel rel C rel W rel u u u u u u u M 标测得结果g g x W M/9.107"μ==,在95%置信概率下取包含因子2=k ,扩展不确定度:M W rel M M u W k U -∙∙==8.4g g /μ结果表示为:M W :%952/)4.89.107(==±p k g g ,,μ。