轴承新老代号表示方法.
- 格式:doc
- 大小:72.50 KB
- 文档页数:25
轴承国内代号表示方法及内容◆一、轴承代号:用七位数字和前后字母组成。
◆二、轴承内径:1、轴承内径在10~495mm的,用右起第一、二位数字表示。
00•内径为10mm(例:100);01内径为12mm(例:1000801);02内径为15mm(例:1202);03内径为17mm(例:7203E);04以上的乘以5(例:204 内径为4×5=20mm;D3182132 内径为32×5=160mm)。
2、轴承内径在10mm以下的,右起第三位数字是0,用右起第一位数字直接表示(例:18 内径为8mm;1000095 内径为5mm)。
3、以上两种方法表示不了的,如内径大于495mm的,用分数的分母直接表示(例:9249/43 内径为43mm;81/500 内径为500mm)。
4、非标准轴承右起第三位数字是9,右起第七位数字是0,用右起第一、二位数字乘以5的近似值表示(例:7909 内径为9×5=45的近似值即为47mm)。
◆三、轴承直径系列:用右起第三位数字表示,右起第三位数字是0的,用右起第二位数字表示。
1、8、9:超轻系列;2、1、7:特轻系列;3、2、5:轻系列;4、3、6:中系列;5、4:重系列;6、9:内径非标准;◆四、轴承类别:用右起第四位数字表示。
1、0:深沟球轴承;2、1:调心球轴承;3、2: 圆柱滚子轴承;4、3: 调心滚子轴承;5、4: 滚针轴承;6、5: 螺旋滚子轴承;7、6: 角接触球轴承;8、7: 圆锥滚子轴承;9、8: 推力球轴承;10、9: 推力滚子轴承;◆五、轴承结构:用右起第五、六两位数字表示,常用的如下:1、“0”类轴承;02:一面带毡封圈(例:20703)05:外圈带止动槽(例:50305 )06:单面带防尘盖(例:60305 )08:双面带防尘盖(例:80305 )09:带顶丝外球面(例:90508)15:单面带防尘盖及外围有止动槽(例:150212)16:单面带密封圈(例:160205)18:双面带密封圈(例:180205)25:外圈带止动槽,双面带防尘盖(例:250206 )35:外圈带止动槽,单面带密封圈(例:350505)36:外圈一面为宽面,一面带密封圈(例:360111)37:有装球缺口(例:370213)39:带偏心套外球面(例:390510)40:外圈无挡边(例:400026)52:一面带密封圈的宽内圈(例:520208)53:双面带密封圈(例:180205)2、“1”类轴承;01:带紧定套(例:11208)11:内径1:12锥度(例:111209)3、“2”类轴承;01:外圈有单挡边(例:12316)03:内圈无挡边(例:32206)04:内圈单挡边(例:42206)05:内圈无挡边并带斜挡圈(例:52140)09:内圈单挡边带平挡圈(例:92210)10:外圈无挡边但带双锁圈(例:102206)13:无挡边(例:3132752)18:圆锥孔双列(例:D3182128)19:外圈有止动槽、内圈有单挡边并带平挡圈(例:192307)28:双列(例:3282140)29:无内圈(例:292305)40:宽外圈并有单挡边(例:402310)50:无外圈(例:502309)67:双外圈四列(例:672734)4、“3”类轴承;01:带紧定套(例:13508 )05:滚子对称形(例:3053130)11:内径1:12锥度(例:113509)15:滚子对称形、内径1:12锥度(例:153520)20:外圈有止动槽(例:203516)5、“4”类轴承;05:外圈带平挡圈,无挡边,无保持架(例:54708)06:无套圈(例:64903)07:外圈有油孔并带双挡边,内圈无挡边,无保持架(例:4074918)08:无内圈,无保持架(例:4084108)09:冲压外圈,无内圈,无保持架(穿孔)(例:941/30)40:宽内圈(例:404712)52:外圈带双锁圈,内圈无挡边(例:4524910)53:外圈带双锁圈,双列(例:6534909)62:外圈带双锁圈,无内圈(例:4624908)63:外圈带双锁圈,无内圈,双列(例:6634905)64:外圈带双挡边,无内圈(例:4644104K)69:冲压外圈,无内圈,无保持架(封口)(例:6941/12)70:万向节轴承,无内圈(例:704702)79:冲压外圈,无内圈(穿孔)(例:7942/20)80:万向节轴承,无内圈,外圈形状特殊(例:804704)92:无外圈(例:9248/30)93:无套圈双列(例:9348/55K)99:外圈带平挡圈,无内圈(例:994713)6、“5”类轴承;03:无内圈(例:35914)04:外圈有切口无内圈(例:45904)05:宽内圈并有双挡边(例:55720)06:无套圈(例:65910)7、“6”类轴承;02:套圈端面凸出(例:262913)03:接触角15度(例:36204)04:接触角25度(例:46204)05:接触角26度、双列有装球缺口(例:3056305)06:接触角40度(例:66320)08:双内圈双列(例:4086138)11:双半外圈(例:116132)14:锁口在内圈上(例:146230)17:双半内圈(例:176222)23、24:外圈宽端面相对的成对双联(例:C236108、C246108)33、34:外圈窄端面相对的成对双联(例:C336208、C346208)42:无保持架单列(例:7426819)43、44:外圈宽窄端面相对的成对双联(例:C436208、C446208)46:外圈宽窄端面相对的成对双联(例:C466310)77:滚轮式外圈、双内圈、无保持架(例:776801)98:带外罩的单列向心推力(例:986711)8、“7”类轴承;02:大锥角(例:27311)05:双列圆锥(内圈小端面不接触)(例:57707)06:外圈有止动挡边(例:67728)09:双列圆锥(例:97510)69:外圈有止动挡边并带隔圈的双列(例:C697516)87:无外圈(例:877302)89:外圈有止动挡边,一列有内圈并带心轴双列(例:897703T)97:无内圈(例:977909)9、“8”类轴承;01:带球面座圈(例:18209)03:双列双向推力(例:38210)09:活圈带外罩无保持架(例:98906)16:单向推力向心(例:9168404)19:紧圈带外罩无保持架(例:198905)26:双向推力(例:D2268116)58:带外罩(例:588911)68:带内外罩(例:688911)10、“9”类轴承;03:滚动体非对称(例:9039330)06:滚动体对称(例:9069330)12:活圈带外罩,无保持架(例:129908)22:紧圈带外罩,无保持架(例:229908)32:紧圈带外罩,活圈无挡边,无保持架(例:329210)88:无套圈滚针(例:889108)。
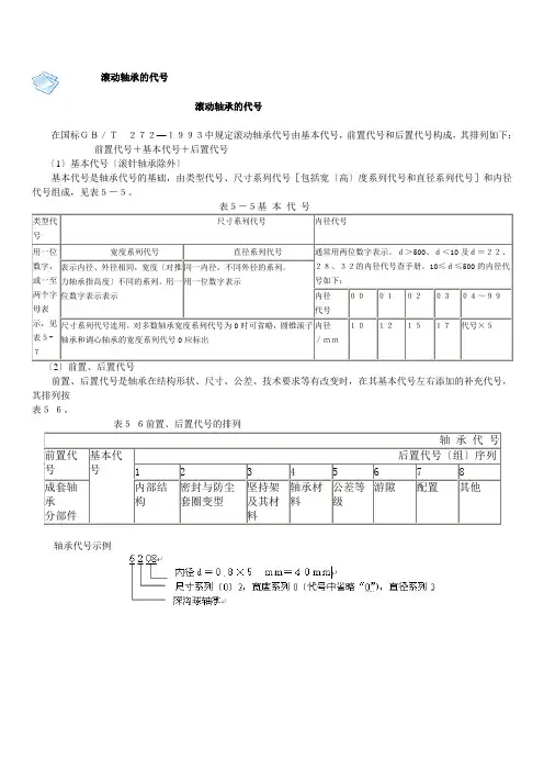
滚动轴承的代号滚动轴承的代号在国标GB/T272—1993中规定滚动轴承代号由基本代号,前置代号和后置代号构成,其排列如下:前置代号+基本代号+后置代号〔1〕基本代号〔滚针轴承除外〕基本代号是轴承代号的基础,由类型代号、尺寸系列代号[包括宽〔高〕度系列代号和直径系列代号]和内径代号组成,见表5-5。
表5-5基本代号类型代号尺寸系列代号内径代号用一位数字,或一至两个字母表示,见表5-7宽度系列代号直径系列代号通常用两位数字表示。
d>500、d<10及d=22、28、32的内径代号查手册。
10≤d≤500的内径代号如下:表示内径、外径相同,宽度〔对推力轴承指高度〕不同的系列。
用一位数字表示表示同一内径,不同外径的系列。
用一位数字表示内径代号0001020304~99尺寸系列代号连用,对多数轴承宽度系列代号为0时可省略,圆锥滚子轴承和调心轴承的宽度系列代号0应标出内径/mm10121517代号×5〔2〕前置、后置代号前置、后置代号是轴承在结构形状、尺寸、公差、技术要求等有改变时,在其基本代号左右添加的补充代号,其排列按表5-6。
表5-6前置、后置代号的排列轴承代号前置代号基本代号后置代号〔组〕序列1 2 3 4 5 6 7 8成套轴承分部件内部结构密封与防尘套圈变型坚持架及其材料轴承材料公差等级游隙配置其他轴承代号示例〔3〕滚针轴承基本代号滚针轴承基本代号由轴承类型代号和表征轴承配合安装特征的尺寸构成。
滚针轴承代号示例:表5-7(参见书78页)列出了常用的滚动轴承类型、尺寸系列代号、基本代号和轴承特点。
轴承代号含义说明轴承代号含义说明轴承代号由基本代号,前置代号和后置代号构成。
基本代号表示轴承系列及尺寸,前置代号表示轴承类型及轴承零件,位于基本代号之前,后置代号表示轴承的结构,保持架,密封与防尘,公差,油隙,热处理等技术要求,位于基本代号之后。
1.前置代号C- 圆柱滚子轴承附件(或轴承本身),例:C00210 45C- 成对安装圆锥滚子轴承,面对面安装,例:45C3021046C- 成对安装圆锥滚子轴承,背对背安装,例:46C302104CRI- 四列圆柱滚子轴承内圈,例:4CRI4560F 4CRO- 四列圆柱滚子轴承外圈,例:4CRO660AF E- 磁电机球轴承,外径为正公差,例:E10EN- 磁电机球轴承,外径为负公差,例:EN10 IR- 滚针轴承内圈(英制),例:IR1212IRA- 滚针轴承内圈,比IR系列宽(英制),例:IRA20IRM- 滚针轴承内圈,例:IRM710M- 最大载荷容量型球轴承,例:M6311OR- 滚针轴承,只有外圈,例:OR10876F- 深沟球轴承带凸缘,例:F603TR- 尺寸非标准的单列圆锥滚子轴承,例:TR060702W- 宽型,深沟球轴承,例:W602ZZX2.后置代号(1)内部结构A- 角接触轴承,接触角30度(不标出),例:7210B- 角接触轴承,接触角40度,例:7210BC- 角接触轴承,接触角15度,例:7210CC- 圆锥滚子轴承,接触角20度,例:30303C D- 圆锥滚子轴承,接触角28度30分,例:30305D G- 压缩轴向油隙的调心和圆锥滚子轴承J- 圆锥滚子轴承,符合ISO分组,例:30206J N- 圆锥滚子轴承,特殊噪声要求,例:30208N R- 加大负荷容量的调心,圆锥和圆柱滚子轴承,例:22228R(2)密封和防尘OR- 球轴承带O型密封圈,例:6201+ORRK- 单面,双唇接触式合成橡胶密封,例:6210RK 2RK- 双面,双唇接触式合成橡胶密封,例:6210.2RKRS- 单面,接触式合成橡胶密封,例:6210RS 2RS- 双面,接触式合成橡胶密封,例:6210-2RS RSA- 单面,带金属罩接触式合成橡胶密封,例:88107RSA2RSA- 双面,带金属罩接触式合成橡胶密封,例:88107-2RSARSB- 单面,带加卡金属罩的接触式合成橡胶密封,例:88107RSB2RSB- 双面,带加卡金属罩的接触式合成橡胶密封,例:88107-2RSBRSC- 硅橡胶制RS型密封,例:6210RSCRSD- 聚丙烯橡胶制RS型密封,例:6210RSD RSE- 单面,挡边引导接触式合成橡胶密封,例:6206RSE2RSE- 双面,挡边引导接触式合成橡胶密封,例:6206-2RSERSF- RS型氟化橡胶密封,例:6210RSFRU- 单面,非接触式合成橡胶密封,例:6205RU 2RU- 双面,非接触式合成橡胶密封,例:6205-2RUTR- 单面,三唇金属罩合成橡胶密封,例:4508B-TR2TR- 双面,三唇金属罩合成橡胶密封,例:4508B-2TRU- 一面带接触式合成橡胶密封的滚针轴承,例:NA4916UUU- 二面带接触式合成橡胶密封的滚针轴承,例:NA4916UUZ- 单面钢制防尘盖,例:6205.ZZZ- 双面钢制防尘盖,例:6205ZZZL- 单面,L型内径的钢制防尘盖,例:6207ZL ZX- 单面,由止动环压紧的钢制防尘盖,例:6205ZXZXL- 由止动环压紧L型内径单面钢制防尘盖,例:6203ZXLZZL- 钢制防尘盖,双面,L型内径,例:6203ZZL ZZX- 钢制防尘盖,双面,由止动环压紧,例:605ZZXZZXL- 钢制防尘盖,双面,由止动环压紧,L型内径,例:6303ZZXL(3)套圈形状a- 大于标准倒角的非标准倒角,例:6205aB- 圆锥滚子轴承,外圈带凸缘,例:30210BBI- 双半内圈球轴承,例:6215BIBO- 双半外圈球轴承,例:6215BOD- 圆锥滚子轴承,双外圈或双内圈(英制),例:594/592DK- 带锥孔轴承,锥度为1:12,例:1210KK30- 带锥孔轴承,锥度为1:30,例:23026K30 N- 外圈带止动槽轴承,例:6206NC- 带锁孔的圆锥滚子轴承NR- 外圈带止动环轴承,例:6210NRY- 小于标准倒角尺寸的非标准倒角,例:30206Y S- 圆锥滚子轴承,非标准倒角(斜倒角)SG- 内径带螺旋槽的圆锥滚子轴承T- 锥孔或锥形外径(英制)圆锥滚子轴承TD- 双列、锥孔或锥形外径(英制)圆锥滚子轴承W- 双内圈、端面带槽的圆锥滚子轴承,例:47T694625WHW- 外圈有润滑油沟槽和孔的圆柱滚子轴承,例:NU316WWi- 圆柱滚子轴承(1-外圈有润滑油孔;2-内圈有润滑油孔和槽;3-内圈有润滑油孔;4-内、外圈有润滑油孔;5-内、外圈有润滑油孔和槽;6-外圈有润滑油孔和槽,内圈有润滑油孔;10-外圈带锁孔;11-外圈带润滑油孔和锁孔;13-外圈带锁孔,内圈带润滑油孔;14-内圈带润滑油孔,外圈带润滑油孔和锁孔;I=1,2,…)。
轴承代号含义说明轴承代号由基本代号,前置代号和后置代号构成。
基本代号表示轴承系列及尺寸,前置代号表示轴承类型及轴承零件,位于基本代号之前,后置代号表示轴承的结构,保持架,密封与防尘,公差,油隙,热处理等技术要求,位于基本代号之后。
1.前置代号C-圆柱滚子轴承附件(或轴承本身),例:C0021045C-成对安装圆锥滚子轴承,面对面安装,例:45C3021046C-成对安装圆锥滚子轴承,背对背安装,例:46C302104CRI-四列圆柱滚子轴承内圈,例:4CRI4560F4CRO-四列圆柱滚子轴承外圈,例:4CRO660AFE-磁电机球轴承,外径为正公差,例:E10EN-磁电机球轴承,外径为负公差,例:EN10IR-滚针轴承内圈(英制),例:IR1212IRA-滚针轴承内圈,比IR系列宽(英制),例:IRA20IRM-滚针轴承内圈,例:IRM710M-最大载荷容量型球轴承,例:M6311OR-滚针轴承,只有外圈,例:OR10876F-深沟球轴承带凸缘,例:F603TR-尺寸非标准的单列圆锥滚子轴承,例:TR060702W-宽型,深沟球轴承,例:W602ZZX2.后置代号(1)内部结构A-角接触轴承,接触角30度(不标出),例:7210B-角接触轴承,接触角40度,例:7210BC-角接触轴承,接触角15度,例:7210CC-圆锥滚子轴承,接触角20度,例:30303CD-圆锥滚子轴承,接触角28度30分,例:30305DG-压缩轴向油隙的调心和圆锥滚子轴承J-圆锥滚子轴承,符合ISO分组,例:30206JN-圆锥滚子轴承,特殊噪声要求,例:30208NR-加大负荷容量的调心,圆锥和圆柱滚子轴承,例:22228R(2)密封和防尘OR-球轴承带O型密封圈,例:6201+ORRK-单面,双唇接触式合成橡胶密封,例:6210RK2RK-双面,双唇接触式合成橡胶密封,例:6210.2RKRS-单面,接触式合成橡胶密封,例:6210RS2RS-双面,接触式合成橡胶密封,例:6210-2RSRSA-单面,带金属罩接触式合成橡胶密封,例:88107RSA2RSA-双面,带金属罩接触式合成橡胶密封,例:88107-2RSARSB-单面,带加卡金属罩的接触式合成橡胶密封,例:88107RSB2RSB-双面,带加卡金属罩的接触式合成橡胶密封,例:88107-2RSB RSC-硅橡胶制RS型密封,例:6210RSCRSD-聚丙烯橡胶制RS型密封,例:6210RSDRSE-单面,挡边引导接触式合成橡胶密封,例:6206RSE2RSE-双面,挡边引导接触式合成橡胶密封,例:6206-2RSERSF-RS型氟化橡胶密封,例:6210RSFRU-单面,非接触式合成橡胶密封,例:6205RU2RU-双面,非接触式合成橡胶密封,例:6205-2RUTR-单面,三唇金属罩合成橡胶密封,例:4508B-TR2TR-双面,三唇金属罩合成橡胶密封,例:4508B-2TRU-一面带接触式合成橡胶密封的滚针轴承,例:NA4916UUU-二面带接触式合成橡胶密封的滚针轴承,例:NA4916UUZ-单面钢制防尘盖,例:6205.ZZZ-双面钢制防尘盖,例:6205ZZZL-单面,L型内径的钢制防尘盖,例:6207ZLZX-单面,由止动环压紧的钢制防尘盖,例:6205ZXZXL-由止动环压紧L型内径单面钢制防尘盖,例:6203ZXLZZL-钢制防尘盖,双面,L型内径,例:6203ZZLZZX-钢制防尘盖,双面,由止动环压紧,例:605ZZXZZXL-钢制防尘盖,双面,由止动环压紧,L型内径,例:6303ZZXL (3)套圈形状a-大于标准倒角的非标准倒角,例:6205aB-圆锥滚子轴承,外圈带凸缘,例:30210BBI-双半内圈球轴承,例:6215BIBO-双半外圈球轴承,例:6215BOD-圆锥滚子轴承,双外圈或双内圈(英制),例:594/592DK-带锥孔轴承,锥度为1:12,例:1210KK30-带锥孔轴承,锥度为1:30,例:23026K30N-外圈带止动槽轴承,例:6206NC-带锁孔的圆锥滚子轴承NR-外圈带止动环轴承,例:6210NRY-小于标准倒角尺寸的非标准倒角,例:30206YS-圆锥滚子轴承,非标准倒角(斜倒角)SG-内径带螺旋槽的圆锥滚子轴承T-锥孔或锥形外径(英制)圆锥滚子轴承TD-双列、锥孔或锥形外径(英制)圆锥滚子轴承W-双内圈、端面带槽的圆锥滚子轴承,例:47T694625WHW-外圈有润滑油沟槽和孔的圆柱滚子轴承,例:NU316WWi-圆柱滚子轴承(1-外圈有润滑油孔;2-内圈有润滑油孔和槽;3-内圈有润滑油孔;4-内、外圈有润滑油孔;5-内、外圈有润滑油孔和槽;6-外圈有润滑油孔和槽,内圈有润滑油孔;10-外圈带锁孔;11-外圈带润滑油孔和锁孔;13-外圈带锁孔,内圈带润滑油孔;14-内圈带润滑油孔,外圈带润滑油孔和锁孔;I=1,2,…)。
轴承代号意义
滚动轴承带以七位数字组成,各数字表示意义如下:
7,6,5,4,3,2,1
一、第一、二位数字表示直径
内径为20~495毫米的轴承以轴径被5除得得商标示。
内径为10~20毫米的轴承带好如下:
代号00 01 02 03
内径10 12 15 17
二、第三位数字表示直径系列
1、特轻系列
2、轻系列
3、中系列
4、重字系列
5、轻宽系列
6、
中宽系列
7、8、不定系列9、内径非标准
三、第四位数字表示轴承类型
0、向心球轴承。
1、向心球面球轴承。
2、向心短圆柱滚子轴承。
3、向心球面滚子轴承。
4、圆锥滚子轴承或滚针轴承。
5、螺旋子轴承。
6、向心推力球轴承。
7、圆锥滚子轴承。
8、推力球或推力向心球轴承。
9、推力滚子或推力向心
球轴承。
四、第5、6位数字表示结构
5、表示外圈有制动槽
15、表示带防尘盖
五、第七位数字表示宽度
1、正常系列
2、宽系列
3、4、5、6特宽系列7、窄系列
8、9特别系列
另轴承精度等级C、D、E、G(G最低不表示)
附表:小型电机引出线规格参数值
额定功0.2~0.30.6~ 1.7 2.8~4.7 10 14 20~28 50 55
率 5 1 5
0.3 0.72 1.16 2 2.78 5 8.2 15 25 40 引出线
截面
(MM2
)。
轴承代号含义说明轴承代号由基本代号,前置代号和后置代号构成。
基本代号表示轴承系列及尺寸,前置代号表示轴承类型及轴承零件,位于基本代号之前,后置代号表示轴承的结构,保持架,密封与防尘,公差,油隙,热处理等技术要求,位于基本代号之后。
1.前置代号C- 圆柱滚子轴承附件(或轴承本身),例:C0021045C- 成对安装圆锥滚子轴承,面对面安装,例:45C3021046C- 成对安装圆锥滚子轴承,背对背安装,例:46C302104CRI- 四列圆柱滚子轴承内圈,例:4CRI4560F4CRO- 四列圆柱滚子轴承外圈,例:4CRO660AFE- 磁电机球轴承,外径为正公差,例:E10EN- 磁电机球轴承,外径为负公差,例:EN10IR- 滚针轴承内圈(英制),例:IR1212IRA- 滚针轴承内圈,比IR系列宽(英制),例:IRA20IRM- 滚针轴承内圈,例:IRM710M- 最大载荷容量型球轴承,例:M6311OR- 滚针轴承,只有外圈,例:OR10876F- 深沟球轴承带凸缘,例:F603TR- 尺寸非标准的单列圆锥滚子轴承,例:TR060702W- 宽型,深沟球轴承,例:W602ZZX2.后置代号(1)内部结构A- 角接触轴承,接触角30度(不标出),例:7210B- 角接触轴承,接触角40度,例:7210BC- 角接触轴承,接触角15度,例:7210CC- 圆锥滚子轴承,接触角20度,例:30303CD- 圆锥滚子轴承,接触角28度30分,例:30305DG- 压缩轴向油隙的调心和圆锥滚子轴承J- 圆锥滚子轴承,符合ISO分组,例:30206JN- 圆锥滚子轴承,特殊噪声要求,例:30208NR- 加大负荷容量的调心,圆锥和圆柱滚子轴承,例:22228R(2)密封和防尘OR- 球轴承带O型密封圈,例:6201+ORRK- 单面,双唇接触式合成橡胶密封,例:6210RK2RK- 双面,双唇接触式合成橡胶密封,例:6210.2RKRS- 单面,接触式合成橡胶密封,例:6210RS2RS- 双面,接触式合成橡胶密封,例:6210-2RSRSA- 单面,带金属罩接触式合成橡胶密封,例:88107RSA2RSA- 双面,带金属罩接触式合成橡胶密封,例:88107-2RSARSB- 单面,带加卡金属罩的接触式合成橡胶密封,例:88107RSB2RSB- 双面,带加卡金属罩的接触式合成橡胶密封,例:88107-2RSB RSC- 硅橡胶制RS型密封,例:6210RSCRSD- 聚丙烯橡胶制RS型密封,例:6210RSDRSE- 单面,挡边引导接触式合成橡胶密封,例:6206RSE2RSE- 双面,挡边引导接触式合成橡胶密封,例:6206-2RSERSF- RS型氟化橡胶密封,例:6210RSFRU- 单面,非接触式合成橡胶密封,例:6205RU2RU- 双面,非接触式合成橡胶密封,例:6205-2RUTR- 单面,三唇金属罩合成橡胶密封,例:4508B-TR2TR- 双面,三唇金属罩合成橡胶密封,例:4508B-2TRU- 一面带接触式合成橡胶密封的滚针轴承,例:NA4916UUU- 二面带接触式合成橡胶密封的滚针轴承,例:NA4916UUZ- 单面钢制防尘盖,例:6205.ZZZ- 双面钢制防尘盖,例:6205ZZZL- 单面,L型内径的钢制防尘盖,例:6207ZLZX- 单面,由止动环压紧的钢制防尘盖,例:6205ZXZXL- 由止动环压紧L型内径单面钢制防尘盖,例:6203ZXLZZL- 钢制防尘盖,双面,L型内径,例:6203ZZLZZX- 钢制防尘盖,双面,由止动环压紧,例:605ZZXZZXL- 钢制防尘盖,双面,由止动环压紧,L型内径,例:6303ZZXL (3)套圈形状a- 大于标准倒角的非标准倒角,例:6205aB- 圆锥滚子轴承,外圈带凸缘,例:30210BBI- 双半内圈球轴承,例:6215BIBO- 双半外圈球轴承,例:6215BOD- 圆锥滚子轴承,双外圈或双内圈(英制),例:594/592DK- 带锥孔轴承,锥度为1:12,例:1210KK30- 带锥孔轴承,锥度为1:30,例:23026K30N- 外圈带止动槽轴承,例:6206NC- 带锁孔的圆锥滚子轴承NR- 外圈带止动环轴承,例:6210NRY- 小于标准倒角尺寸的非标准倒角,例:30206YS- 圆锥滚子轴承,非标准倒角(斜倒角)SG- 内径带螺旋槽的圆锥滚子轴承T- 锥孔或锥形外径(英制)圆锥滚子轴承TD- 双列、锥孔或锥形外径(英制)圆锥滚子轴承W- 双内圈、端面带槽的圆锥滚子轴承,例:47T694625WHW- 外圈有润滑油沟槽和孔的圆柱滚子轴承,例:NU316WWi- 圆柱滚子轴承(1-外圈有润滑油孔;2-内圈有润滑油孔和槽;3-内圈有润滑油孔;4-内、外圈有润滑油孔;5-内、外圈有润滑油孔和槽;6-外圈有润滑油孔和槽,内圈有润滑油孔;10-外圈带锁孔;11-外圈带润滑油孔和锁孔;13-外圈带锁孔,内圈带润滑油孔;14-内圈带润滑油孔,外圈带润滑油孔和锁孔;I=1,2,…)。
轴承新老代号表示方法最初的轴承型号大部分是又数字组成的,分辨轴承是什么种类主要看倒数的第四位,例如说1000828这个轴承,这个轴承就是新代号的61828,1000828的倒数第四位是0,表示零类,就是现在说的深沟球轴承。
再例如3003256,新代号是23256,300表示为轴承的结构,倒数第四位是3,表示三类,也就是调心滚子轴承。
关于SKF轴承的型号表示方法关于SKF轴承型号表示方法说明文件型号——轴承类型的确定0 双列角接触球轴承1 自动调心球轴承2 球面滚子轴承,球面滚子推力轴承3 圆锥滚子轴承4 双列深沟球轴承5 推力球轴承6 深沟球轴承7 角接触球轴承8 圆柱滚子推力轴承BK 封口冲压外圈滚针轴承C CARB圆环滚子轴承HK 开口冲压外圈滚针轴承K 滚针与保持架推力组件N 圆柱滚子轴承第二个字母,有时候第三个字母,用来确定法兰结构,例如:NJ, NU, NUP; 双列或多列圆柱滚子轴承的型号总是以NN开头。
NA 外形尺寸符合ISO 15的滚针轴承NK 滚针轴承QJ 四点接触球轴承T 圆锥滚子轴承,公制尺寸符合ISO 355-1977尺寸符合ABMA系列的英制圆锥滚子轴承按照符合ANSI-ABMA标准19的不同系统来表示型号(参阅前缀K-之下)型号—补充型号—前缀前缀是用来确定轴承的组成部分,通常其后跟有完整轴承的型号,或用来避免与其它轴承型号混淆。
例如,它们按照ANSI/ABMA标准19所说明的(主要)用于英制轴承的系统,用在圆锥滚子轴承型号之前。
AR- 球或滚子与保持架组件GS 圆柱滚子推力轴承的轴承座圈IR- 径向轴承的内圈K 圆柱滚子推力轴承的滚子与保持架组件K- 符合ABMA标准系列英制圆锥滚子轴承带滚子与保持架组件的内圈(圆锥内圈)或外圈(圆锥外圈)(正被逐步淘汰)L 分离型轴承的单一内圈或外圈OR- 径向轴承的外圈R 除去内圈或外圈的分离轴承W 不锈钢深沟球轴承WF 外圈带法兰的不锈钢深沟球轴承WS 圆柱滚子推力轴承的轴圈ZE 带有SensorMount® 特性的轴承型号—补充型号—后缀后缀是用来识别在某些方面不同于原设计、或不同于目前的标准设计的设计或变型。
22310EAKE422310:是轴承的基本代号。
用来表示轴承的内径尺寸、外径尺寸、宽度尺寸、和类型结构EAKE4:是轴承的后置代号。
用来表示轴承的一些其他附件、内部结构、游隙、精度等级的代号。
基本代号:从右往左数10:表示轴承的内径尺寸是10*5=50mm3:表示轴承的直径尺寸是“3”系列2:表示轴承的宽度尺寸是“2”系列2:表示轴承的结构形式是调心滚子轴承轴承的内径尺寸表示方法:(1)轴承的基本代号末位两数乘以5其中最先两个数是:03的内径尺寸等于17mm02的内径尺寸等于15mm01的内径尺寸等于12mm00的内径尺寸等于10mm基本代号4个数字,视为5个数字的变形。
例:6204实际是6(0)204,其中(0)是宽度代号,标准宽度,代号省略不写例:2304实际是(0)2304,其中(0)是类型代号,调心球轴承。
省略不写(2)三个数的:轴承的内径尺寸等于从右往左最先一个数例:608ZZ1MC3ER基本代号:608次轴承的内径尺寸就是8mm(3)轴承型号内有斜杠(/)的。
斜杠右侧的数字就是内径尺寸。
轴承外径系列表示方法:“0”表示轻型外径系列轴承“2”表示中型外径系列轴承“3”表示重型外径系列轴承“4”表示超重型外径系列轴承“8”表示特轻型外径系列轴承“9”表示超轻型外径系列轴承轴承宽度系列轴承表示方法:宽度系列依次有“0”“1”“2”“3”“4”“5”“6”“7”“8”“9”系列。
一般“0”宽度标号是省略的。
例:631414:表示轴承的内径尺寸是14*5=70mm3:表示轴承的外径尺寸是“3”外径系列(重型)6:表示轴承的结构形式是深沟球轴承次轴承是“0”宽度系列,应该在6和3之间,但是省略了。
如果是其他宽度系列就不能省略了。
例:62314宽度是“2”就不能省略了。
轴承的结构形式表示方法:一般是:从左往右第一个数字。
“6”表示深沟球轴承(国内称其为零累轴承)“0”(一般省略)表示调心球轴承(国内称其为“1”类轴承)“N”表示短圆柱滚子轴承(国内称其为“2”类轴承)“2”表示调心滚子轴承(国内称其为“3”类轴承)“NA、HK、RNA、CF、NART、NURT、AXK、NTB、NATA、NATB”表示滚针轴承(国内称其为“4”类轴承)“7”表示角接触球轴承(国内称其为“6”类轴承)“3”表示圆锥滚子轴承(国内称其为“7”类轴承)“51”表示向心推力球轴承(国内称其为“8”类轴承)“29”表示推力(调心)滚子轴承(国内称其为“9”类轴承轴承的后置代号(基于NSK):Z:表示轴承一侧带有铁制密封件ZZ:表示轴承两侧带有铁制密封件DU:表示轴承的一侧带有接触式橡胶制密封件DDU: 表示轴承的两侧带有接触式橡胶制密封件V:表示轴承的一侧带有非接触式橡胶制密封件VV: 表示轴承的两侧带有非接触式橡胶制密封件NR:表示轴承的外径外侧带有定位槽并附有定位环CM:表示轴承的内部游隙是电机专用内部游隙MC3E:表示微型轴承的内部游隙是标准游隙C2:表示轴承的内部游戏小于标准游隙A:表示角接触球轴承接触角为30度、保持架是铜合金保持架B:表示角接触球轴承接触角为40度、保持架是铜合金保持架AW:表示角接触球轴承接触角为30度、保持架是钢制保持架BW:表示角接触球轴承接触角为40度、保持架是钢制保持架A5:表示角接触球轴承接触角为25度C:表示角接触球轴承接触角为15度TYN:表示轴承保持架是合成树脂保持架SU:表示两套轴承可以任意组合使用DB:表示两套轴承背靠背组合DT:表示两套轴承串联组合DF:表示两套轴承面对面组合L:表示轴承出厂经过轻预紧处理P2/P4/P5/P6/P0(省略):表示ISO精度等级。
滚动轴承代号表示方法(GB/T272—93)1、滚动轴承代号构成代号构成轴承代号前置代号基本代号后置代号表示方法字母数字或字母数字数字字母或字母和数字表示意义成套轴承分部件轴承类型尺寸系列——直径和宽度系列轴承内径轴承在结构形状、尺寸、公差、技术要求等方面有所改变注:旧国标为GB272—88适用轴承内径(mm)代号构成轴承(旧)代号前置代号基本代号*补充代号表示方法数字字母数字(从右边数起)字母或字母和数字七六五四三二一≥10表示意义轴承游隙轴承公差等级宽度系列轴承结构特点轴承类型直径系列轴承内径轴承零件材料、结构及技术条件等有所改变<10标以数字“0”直径系列轴承内径注:*基本代号中:第一、二位数字,对于装在紧定套上的轴承,则表示紧定衬套内径;第七位数字,对于推力轴承,则表示高度系列;数字(不包括0)左边的“0”不写出。
例:代号为0000205,应写成205.2、轴承基本代号表示方法(a)轴承类型代号表示方法及新旧代号对照代号轴承类型代号轴承类型新旧新旧06双列角接触球轴承60深沟球轴承11调心球轴承76角接触球轴承23调心滚子轴承89推力圆柱滚子轴承29推力调心滚子轴承N2圆柱滚子轴承双列或多列用字母NN表示37圆锥滚子轴承40双列深沟球轴承U0外球面球轴承58推力球轴承QJ6四点接触球轴承(b)向心轴承尺寸系列代号表示方法及新旧代号对照直径系列宽度系列直径系列宽度系列新代号旧代号新代号旧代号新代号旧代号新代号旧代号名称代号名称代号名称代号名称代号7超特轻713正常特宽131特轻723,45,6宽特宽特宽23,45,68超轻8123,4,5,6窄正常宽特宽7123,4,5,62轻22252--8123,45,6特窄窄正常宽特宽--8123,4--9超轻9123,4,5,6窄正常宽特宽7123,4,5,63中333638123特窄窄正常宽特宽8130特轻1123,4,5,6窄正常宽特宽723,4,5,61特轻701窄正常714重42窄宽2注:尺寸系列代号由宽度(在推力轴承中为高度)系列代号和直径系列代号组合而成,例:19和02,其中1和0分别为宽度系列代号,9和2分别为直径系列代号。
滚动轴承代号表示方法(GB/T272—93)1、滚动轴承代号构成注:旧国标为GB272—88注:*基本代号中:第一、二位数字,对于装在紧定套上的轴承,则表示紧定衬套内径;第七位数字,对于推力轴承,则表示高度系列;数字(不包括0)左边的“0”不写出。
例:代号为0000205,应写成205.2、轴承基本代号表示方法(a)轴承类型代号表示方法及新旧代号对照(b)向心轴承尺寸系列代号表示方法及新旧代号对照注:尺寸系列代号由宽度(在推力轴承中为高度)系列代号和直径系列代号组合而成,例:19和02,其中1和0分别为宽度系列代号,9和2分别为直径系列代号。
3、推力轴承尺寸系列代号表示方法及新旧代号对照注:带*符号的为双向推力轴承高度系列4、轴承内径代号表示方法5、轴承前置代号表示方法6、轴承后置代号表示方法(a)后置代号分组后置代号编制规则:㈠后置代号置于基本代号的右边并与基本代号空半个汉字距离(代号中有“-”“/”除外)当改变项目多,具有多组后置代号,应从左至右的顺序排列;㈡改变为4组(含4组)以后的内容,则在其代号前用“/”与前面代号隔开;例:6205-2E/P6, 22308/P63㈢改变内容为4组后的两组,在前组与后组代号中的数字或文字表示含义可能混淆时,两组代号间空半个汉字距;例:6208/P63V1③保持架的代号a、保持架材料F-钢、球墨铸铁或粉末冶金实体保持架,用附加数字表示不同的材料F1-钢;F2-石墨钢;F3-球墨铸铁;F4-粉末冶金Q-青铜实体保持架,用附加数字表示不同的材料Q1-铝铁锰青铜;Q2-硅铁锌青铜;Q3-硅镍青铜;Q4-铝青铜M-黄铜实体保持架L-轻合金实体保持架。
用附加数字表示不同的材料L-LY11CZ L-LY12CZT-酚醛层压布管实体保持架TH-玻纤增强酚醛树脂保持架(匡型)TN1-尼龙;TN2-聚枫;TN3-聚酰亚胺;TN4-聚碳酸酯;TN5-聚甲醛J-钢板冲压保持架,材料有变化时附加数字区别;Y-铜板冲压保持架,材料有变化时附加数字区别;SZ-由弹簧丝或弹簧制造b、保持架结构型式及表面处理H-自锁兜孔保持架;W-焊接保持架;R-铆接(用于大型)E-磷化处理保持架;D-碳氮共渗保持架;D1-渗碳保持架;D2-渗氮保持架C-有镀层的保持架(C1-镀银);A-外圈引导;B-内圈引导P-由内、外圈引导的拉孔或冲孔的窗型保持架S-引导面有润滑槽注:本条代号只能与“a”结合使用。
滚动轴承新旧标准代号对照由于原滚动轴承代号标准与国际上其他国家的代号差异较大,随着我国同国际上的贸易往来、技术合作的增多,原滚动轴承代号标准已难以适应要求。
为此,1993年国家修订了轴承代号标准,新标准代号为GB/T272——93,代替GB272——88(64)标准。
目前轴承厂已完全贯标,为使相关人员了解新老标准代号的差别,现将滚动轴承代号标准新、旧对照情况介绍如下:1.滚动轴承代号表示方法对照新标准GB/T272——93旧标准GB272——88(64)轴承代号的构成由前置代号、基本代号、后置代号构成前置代号——成套轴承分部件后置代号——包括内部结构、密封与防尘、轴承材料、公差等级、游隙等。
基本代号——表示轴承的基本类型、结构和尺寸由轴承内径、尺寸系列、轴承类型、结构形式、精度等级构成。
无前置代号和后置代号,用结构形式表示。
基本代号由轴承类型代号、尺寸系列代号和内径代号构成。
举例1:62046—类型代号(用数字或大写字母表示)2—尺寸系列(02)代号(用数字表示)04—内径代号(用数字表示)举例2:双列圆锥滚子轴承NN 30 20 KNN—类型代号30—尺寸系列20—内径代号K—后置代号由宽度系列、结构代号、类型代号、直径系列代号、内径代号构成举例:双列圆锥滚子轴承3 1 8 2 1 2 03—宽度系列1 8—结构代号2—类型代号1—直径系列代号20—内径代号2、轴承类型新旧对照轴承类型新标准旧标准轴承类型新标准旧标准双列角接触球轴承0 6 推力球轴承 5 8 调心球轴承 1 1 深沟球轴承 6 0 调心滚子轴承 2 3 角接触球轴承7 6 推力调心滚子轴承 2 9 推力圆柱滚子轴承8 9 圆锥滚子轴承 3 7 圆柱滚子轴承N 2 双列深沟球轴承 4 03轴承的内径代号轴承内径代号新旧标准相同,具体表示方法见下表。
轴承公称内径内径代号示例10到17 10 00深沟球轴承6200d=1012 0115 0217 0320到480 (22,28,32除外)公称内径除以5的商数。
滚动轴承代号表示方法(GB/T272—93)1、滚动轴承代号构成代号构成轴承代号前置代号基本代号后置代号表示方法字母数字或字母数字数字字母或字母和数字表示意义成套轴承分部件轴承类型尺寸系列——直径和宽度系列轴承内径轴承在结构形状、尺寸、公差、技术要求等方面有所改变注:旧国标为GB272—88适用轴承内径(mm)代号构成轴承(旧)代号前置代号基本代号*补充代号表示方法数字字母数字(从右边数起)字母或字母和数字七六五四三二一≥10 表示意义轴承游隙轴承公差等级宽度系列轴承结构特点轴承类型直径系列轴承内径轴承零件材料、结构及技术条件等有所改变<10标以数字“0”直径系列轴承内径注:*基本代号中:第一、二位数字,对于装在紧定套上的轴承,则表示紧定衬套内径;第七位数字,对于推力轴承,则表示高度系列;数字(不包括0)左边的“0”不写出。
例:代号为0000205,应写成205.2、轴承基本代号表示方法(a)轴承类型代号表示方法及新旧代号对照代号轴承类型代号轴承类型新旧新旧0 6 双列角接触球轴承 6 0 深沟球轴承1 1 调心球轴承7 6 角接触球轴承2 3 调心滚子轴承8 9 推力圆柱滚子轴承2 9 推力调心滚子轴承N 2圆柱滚子轴承双列或多列用字母NN表示3 7 圆锥滚子轴承4 0 双列深沟球轴承U 0 外球面球轴承5 8 推力球轴承QJ6 四点接触球轴承(b)向心轴承尺寸系列代号表示方法及新旧代号对照直径系列宽度系列直径系列宽度系列新代号旧代号新代号旧代号新代号旧代号新代号旧代号名称代号名称代号名称代号名称代号7 超特轻713正常特宽131 特轻723,45,6宽特宽特宽23,45,68 超轻8123,4,5,6窄正常宽特宽7123,4,5,6 2 轻22252--8123,45,6特窄窄正常宽特宽--8123,4--9 超轻9123,4,5,6窄正常宽特宽7123,4,5,63 中333638123特窄窄正常宽特宽8130 特轻 1123,4,5,6窄正常宽特宽723,4,5,61 特轻7 0 窄7 4 重 4 0 窄01 正常 12 宽 2 注:尺寸系列代号由宽度(在推力轴承中为高度)系列代号和直径系列代号组合而成,例:19和02,其中1和0分别为宽度系列代号,9和2分别为直径系列代号。
轴承代号组成及常用轴承代号新旧对照一、轴承代号组成1. 通用轴承的代号由:前置代号、基本代号和后置代号三部分组成。
1.1 前置代号:新轴承代号中的前置代号表示成套轴承分部件(一般不常用)。
旧轴承代号中的前置代号表示轴承的公差等级、游隙组别。
1.2 基本代号:A. 新通用轴承(滚针轴承除外)的基本代号依次由:由类型代号、尺寸系列代号、内径代号组成。
其中尺寸系列代号依次由宽度系列代号和直径系列代号组成。
宽度系列是对应同一直径系列的宽度尺寸系列。
直径系列是对应同一内径的外径尺寸系列。
B. 新滚针轴承的基本代号依次由:由类型代号、配合安装特征代号组成。
C. 旧通用轴承的基本代号依次由:由宽度系列代号、结构型式代号、类型代号、直径系列代号、内径代号组成。
1.3 后置代号:新轴承代号中后置代号依次由:轴承的内部结构变化、密封防尘与外部形状变化、保持架及其材料改变、轴承材料改变、公差等级、游隙级别、配置形式等。
旧轴承代号中后置代号表示:轴承零件材料、结构、设计、技术条件的改变。
后置代号并不是所有轴承都有,有变化或改变时才标注。
标注以所选用标准中轴承代号为准。
二、产品用部分轴承后置代号的含义1. 内部结构变化代号:新轴承代号中C:表示角接触球轴承公称接触角α=15°(原无代号,用轴承结构型式代号030000表示。
)新轴承代号中E:加强型(即内部结构设计改进,增大轴承承载能力。
如:NU 207E、UJ2207E)2. 密封防尘与外部形状变化代号:-Z:表示轴承一面带防尘盖(原用轴承结构型式代号060000表示)。
-2Z:表示轴承两面带防尘盖(原用轴承结构型式代号080000表示)。
-RS:表示轴承一面带接触式骨架橡胶密封圈(原轴承结构型式代号160000表示)。
-2RS:表示轴承两面带接触式骨架橡胶密封圈(原用轴承结构型式代号180000表示)。
-RZ:表示轴承一面带非接触式骨架橡胶密封圈(原用轴承结构型式代号160000K表示)。
轴承表示方法(大全)旧的是:0类深沟球轴承6205ZZ新代号80205旧代号1类调心球轴承1205 12052类圆柱磙子轴承NU205E 322053类调心磙子轴承22208CA 535086类角接触轴承7205AC 462057类圆锥磙子轴承30305 7305E8类推力球轴承51105 81059类推力磙子轴承29412 9039412新标准应该是0 双列角接触球轴承1 调心球轴承2 调心滚子轴承和推力调心滚子轴承3 圆锥滚子轴承4 双列深沟球轴承5 推力球轴承6 深沟球轴承7 角接触轴承8 推力圆柱滚子轴承N 圆柱滚子轴承和双列圆柱滚子轴承NNU 外球面轴承QJ 四点接触球轴承另外,轴承代号前后还有前置和后置代号,分别如下:——前置代号前置代号R 直接放在轴承基本代号之前,其余代号用小圆点与基本代号隔开。
GS.——推力圆柱滚子轴承座圈。
例:GS.81112 。
K.——滚动体与保持架的组合件。
例:推力圆柱滚子与保持架的组合件K.81108R——不带可分离内圈或外圈的轴承。
例:RNU207——不带内圈的NU207 轴承。
WS——推力圆柱滚子轴承轴圈。
例:WS.81112.——内部设计——外形尺寸及变形设计——密封——保持架——公差——游隙——热处理——特殊设计——机床主轴轴承——低噪省轴承——后置代号后置代号置于基本代号的后面。
当具有多组后置代号时,应按轴承代号表中所列后置代号的顺序从左至右排列。
某些后置代号前用小圆点与基本代号隔开。
后置代号—内部结构A 、B 、C 、D 、E——内部结构变化例: 角接触球轴承7205C 、7205E 、7205B ,C—15 °接触角,E-25 °触角,B—40 °接触角。
例:圆柱滚子、调心滚子及推力调心滚子轴承N309E 、21309 E 、29412E——加强型设计,轴承负载能力提高。
CA 可任意(同向串对,面对面或者背靠背)CB 配对安装的单列角接触球轴承CC 背靠背或者面对面排列时,轴向安装前内部间隙与正常值之比较:小(CA),正常(CB),较大(CC)G 可任意(同向串连,背靠背,面对面)配对安装的单列角接触轴承。
轴承新老代号表示方法最初的轴承型号大部分是又数字组成的,分辨轴承是什么种类主要看倒数的第四位,例如说1000828这个轴承,这个轴承就是新代号的61828,1000828的倒数第四位是0,表示零类,就是现在说的深沟球轴承。
再例如3003256,新代号是23256,300表示为轴承的结构,倒数第四位是3,表示三类,也就是调心滚子轴承。
关于SKF轴承的型号表示方法关于SKF轴承型号表示方法说明文件型号——轴承类型的确定0 双列角接触球轴承1 自动调心球轴承2 球面滚子轴承,球面滚子推力轴承3 圆锥滚子轴承4 双列深沟球轴承5 推力球轴承6 深沟球轴承7 角接触球轴承8 圆柱滚子推力轴承BK 封口冲压外圈滚针轴承C CARB圆环滚子轴承HK 开口冲压外圈滚针轴承K 滚针与保持架推力组件N 圆柱滚子轴承第二个字母,有时候第三个字母,用来确定法兰结构,例如:NJ, NU, NUP; 双列或多列圆柱滚子轴承的型号总是以NN开头。
NA 外形尺寸符合ISO 15的滚针轴承NK 滚针轴承QJ 四点接触球轴承T 圆锥滚子轴承,公制尺寸符合ISO 355-1977尺寸符合ABMA系列的英制圆锥滚子轴承按照符合ANSI-ABMA标准19的不同系统来表示型号(参阅前缀K-之下)型号—补充型号—前缀前缀是用来确定轴承的组成部分,通常其后跟有完整轴承的型号,或用来避免与其它轴承型号混淆。
例如,它们按照ANSI/ABMA标准19所说明的(主要)用于英制轴承的系统,用在圆锥滚子轴承型号之前。
AR- 球或滚子与保持架组件GS 圆柱滚子推力轴承的轴承座圈IR- 径向轴承的内圈K 圆柱滚子推力轴承的滚子与保持架组件K- 符合ABMA标准系列英制圆锥滚子轴承带滚子与保持架组件的内圈(圆锥内圈)或外圈(圆锥外圈)(正被逐步淘汰)L 分离型轴承的单一内圈或外圈OR- 径向轴承的外圈R 除去内圈或外圈的分离轴承W 不锈钢深沟球轴承WF 外圈带法兰的不锈钢深沟球轴承WS 圆柱滚子推力轴承的轴圈ZE 带有SensorMount® 特性的轴承型号—补充型号—后缀后缀是用来识别在某些方面不同于原设计、或不同于目前的标准设计的设计或变型。
后缀分成各个组别,当需要识别不止一种特点时; 后缀的次序如图11 的系统所示。
下面列出最常用的后缀。
注意,并非所有变型都有供应。
名称–补充名称–后缀A –BA 外形尺寸相同,内部设计有所偏差或修改。
作为一个规则,字母的含义与特定的轴承或轴承系列相关联。
例如: 4210 A 无填槽的双列深沟球轴承3320 A 30度接触角的双列角接触球轴承,无填充槽AC 25度接触角的单列角接触球轴承ACD 25度接触角的单列角接触球轴承,其内部设计经过优化ADA 外圈有宽开口环沟;采用定位环固定在一起的双片内圈AS 外圈有润滑孔的滚针轴承。
AS后的数字表示润滑孔的数量ASR 外圈带环形槽和润滑孔的滚针轴承。
ASR后的数字表示润滑孔的数量Axx(x) A与两位或三位数字结合,表示无法以通用后缀表示的标准设计的变异。
B 1. 外形尺寸相同,内部设计有所偏离或修改。
作为一个规则,字母的含义与特定的轴承系列相关联。
例如: 7210 B 40度接触角的单列角接触球轴承32210 B 大接触角的圆锥滚子轴承(角度大于32210)2. 符合ABMA标准、外圈有外部挡边的圆锥滚子轴承BE 内部设计经过优化、40度接触角的单列角接触球轴承BEJ 内部设计经过优化、40度接触角的单列角接触球轴承,带有以球为中心的冲压钢保持架BEM 内部设计经过优化、40度接触角的单列角接触球轴承,带有经机械加工的铜保持架BEP 内部设计经过优化、40度接触角的单列角接触球轴承,带有以玻璃纤维增强聚酰胺6,6制造的成型保持架BEY 内部设计经过优化、40度接触角的单列角接触球轴承,带有以球为中心的冲压铜保持架Bxx(x) B与两位或三位数字结合,表示无法以通用后缀表示的标准设计的变异例如: B20 减小的宽度公差名称–补充名称–后缀CC 1. 外形尺寸相同,内部设计有所偏离或修改。
作为规则,字母的含义与特定的轴承系列相关联。
例如: 7210 C 15度接触角的单列角接触球轴承21306 C 带无挡边内圈、对称滚子、松配式导圈和窗式钢保持架的球面滚子轴承2. Y-轴承,圆柱型外径,例如YET 205 CCA 1. C型设计的球面滚子轴承,但内圈带定位挡边和机加工保持架2. 通用组配的单列角接触球轴承背靠背和面对面配置时,安装前轴向游隙小于普通组(CB)CAC CA型设计的球面滚子轴承,但具有增强的滚子导向性能CB 1. 通用组配的单列角接触球轴承。
背靠背和面对面配置时,轴向游隙为普通组2. 双列角接触球轴承的受控轴向游隙CC 1. C型设计的球面滚子轴承,但具有增强的滚子导向性能2. 通用组配的单列角接触球轴承。
背靠背和面对面配置时,轴向游隙大于普通组CD 内部设计经过优化、15度接触角的单列角接触球轴承CLN 公差符合ISO公差级6X的圆锥滚子轴承CL0 根据ANSI-ABMA标准19.2:1994,公差为0级的英制圆锥滚子轴承CL00 根据ANSI-ABMA标准19.2:1994,公差为00级的英制圆锥滚子轴承CL3 根据ANSI-ABMA标准19.2:1994,公差为3级的英制圆锥滚子轴承CL7C 具有特殊的摩擦性和增强的运转精度的圆锥滚子轴承CN 正常内部游隙,一般仅与另一个表示缩小或位移的游隙范围的字母一起使用。
例如: CNH 正常游隙范围的上半部分CNL 正常游隙范围的下半部分CNM 正常游隙范围中央的两个四分之一部分CNP 正常游隙范围的上半部分和C3组游隙范围的下半部分CNR 符合DIN 620-4:1982正常游隙范围的圆柱滚子轴承上述字母H, L, M 和P还与下列游隙组别合用:C2、C3、C4和C5, 例如C2H。
CV 内部设计经过修改的密排圆柱滚子轴承CS 轴承一侧是用钢骨架的丁腈橡胶(NBR)接触密封件CS2 轴承一侧是用钢骨架的氟橡胶(FKM)接触密封件CS5 轴承一侧是用钢骨架的氢化丁腈橡胶(HNBR)接触密封件2CS 轴承两侧是用钢骨架的丁腈橡胶(NBR)接触密封件2CS2 轴承两侧是用钢骨架的氟橡胶(FKM)接触密封件2CS5 轴承两侧是用钢骨架的氢化丁腈橡胶(HNBR)接触密封件C1 轴承内部游隙小于C2C2 轴承内部游隙小于普通组C3 轴承内部游隙大于普通组C4 轴承内部游隙大于C3C5 轴承内部游隙大于C4C02 装配中因轴承内圈的运转精度而减小的公差C04 装配中因轴承外圈的运转精度而减小的公差C08 C02 + C04C083 C02 + C04 + C3C10 内径和外径的公差减小型号–补充型号–后缀D –FD 1. 偏差或修改的内部设计,外形尺寸相同;原则上,字母的含义同特定轴承系列联系在一起。
例如:3310 D 带双组件内圈的双列角接触球轴承K 40×45×17 D 分离式滚针和保持架组件(径向)2. 符合ABMA标准(通常为英制)的双列圆锥滚子轴承带两个滚子和保持架组件的内圈(双圆锥)或带两个滚道的外圈(双冲压外圈)DB 两个单列深沟球轴承(1),单列角接触球轴承(2)或单列圆锥滚子轴承,为背对背配对的安装配合;DB后面的字母,表示安装前轴承对的轴向内游隙或预负荷程度;对于配对的圆锥滚子轴承,内圈和/或外圈之间的隔圈的设计和配置,以放在D B之间的两位数和后面的字母表示。
A 轻预负荷(2)B 大于A(2)的预负荷C 大于B(2)的预负荷CA 轴向游隙小于普通组(1,2)CB 标准轴向游隙(1,2)CC 轴向游隙大于普通组(1,2)C 特殊轴向游隙, μmGA 轻预负荷(1)GB 中预负荷(1)G 特殊预负荷, daNDF 两个单列深沟球轴承,单列角接触球轴承或单列圆锥滚子轴承为面对面配对的安装配合;DF后面的字母在DB 一节说明。
DG 用于通用配合的两个单列角接触球轴承,即配对用于背对背,面对面或前后配对的安装;轴向内游隙和预负荷的补充型号在DB 一节说明。
DH 带两个轴承箱垫圈的单向推力轴承DR 两个单列深沟球轴承或圆柱滚子轴承配对,均匀分布径向负荷DS 1. 带两个轴垫圈的单向推力轴承2. 分离式径向滚针和保持架组件DT 两个单列深沟球轴承,单列角接触球轴承或单列圆锥滚子轴承为前后配对的安装配合;对于配对的圆锥滚子轴承,内圈和/或外圈之间的隔圈的设计和配置,以紧接在DT后面的两位数表示。
D8 开放式设计的深沟球轴承也可作为标准供应,带防尘盖或密封件,但外圈不带密封凹槽E 偏差或修改的内部设计,外形尺寸相同;原则上,字母的含义同特定轴承系列联系在一起;通常表示增强的滚动体排列例如:单列角接触球轴承,带40°接触角和最佳化内部设计EC 单列圆柱滚子轴承,带最佳化内部设计和修改的滚子端/法兰触点ECA CA设计的球面滚子轴承,但带增强的滚动体排列ECAC CAC设计的球面滚子轴承,但带增强的滚动体排列Exx(x) E同两位数或三位数结合,表示不能用一般适用的后缀表示的标准设计的改型。
F 机加工钢或特殊铸铁保持架;不同设计或材料以F后面的一个数字表示,例如:F1FA 机加工钢或特殊铸铁保持架;与外圈同心FB 机加工钢或特殊铸铁保持架;与内圈同心2F 两侧带平面抛油环的Y-轴承型号–补充型号–后缀G –KG 任意配对的单列角接触球轴承两个背对背或面对面配对的轴承具有“普通级”轴向游隙G.. 油脂注入。
第二个字母表示油脂的工作温度范围,第三个字母表示实际使用的油脂。
第二个字母的意思如下:E 耐极压油脂F 可用于食品行业的油脂H, J 高温油脂,例如摄氏-20至+130度L 低温油脂,例如摄氏-50至+80度M 中等温度油脂,例如摄氏-30至+110度W, X 低/高温油脂,例如摄氏-40至+140度三个字母的油脂代码后面的数字表示注入量同标准量的不同:1、2和3表示小于标准量,4-9表示大于标准量。
例如:GEA 耐极压油脂,标准注入量GLB2 低温油脂,注入量15-25%GA 任意配对的单列角接触球轴承两个背对背或面对面配对的轴承带有较轻预载荷GB 任意配对的单列角接触球轴承两个背对背或面对面配对的轴承带有中度预载荷GC 任意配对的单列角接触球轴承两个背对背或面对面配对的轴承带有重预载荷GJN 聚脲皂润滑脂,NLGI稠度2,工作稳定范围-30至+150 度(普通油脂)GXN 聚脲皂润滑脂,NLGI稠度2,工作稳定范围-40至+150 度(普通油脂)H 1. 已淬硬的剖分式冲压钢保持架2. 内径(滚子以下)公差较低的无内圈滚针轴承;后接单位为微米的公差范围,如. /H+20+27HA 表面淬硬钢轴承或轴承部件。