10KV高压电力电缆冷缩中间头制作技术交底
- 格式:docx
- 大小:6.95 MB
- 文档页数:19
10kv高压电缆头冷缩的制作方法10kV高压电缆头冷缩的制作方法引言:高压电缆头冷缩是一种常见的电缆终端接头处理方法,它可以确保电缆终端的安全可靠性。
本文将介绍10kV高压电缆头冷缩的制作方法,包括所需材料、步骤和注意事项。
一、所需材料1. 10kV高压电缆:确保电缆型号符合要求,如截面积、绝缘材料等;2. 冷缩套管:选择适合电缆型号和绝缘直径的冷缩套管;3. 冷缩套管连接剂:可选用热熔胶或胶水;4. 粗砂纸:用于研磨电缆绝缘表面;5. 清洁剂:用于清洁电缆绝缘表面;6. 热风枪或火焰枪:用于加热冷缩套管;7. 剪刀、刀具等基本工具。
二、制作步骤1. 清洁电缆绝缘表面:使用清洁剂和湿布或纸巾清洁电缆绝缘表面,确保表面干净无尘;2. 研磨电缆绝缘表面:使用粗砂纸轻轻研磨电缆绝缘表面,去除氧化物和污垢,确保电缆绝缘表面光洁;3. 选择合适的冷缩套管:根据电缆型号和绝缘直径选择合适的冷缩套管,确保套管能完全覆盖绝缘部分;4. 切割冷缩套管:根据电缆绝缘部分的长度,使用剪刀或刀具将冷缩套管剪成合适的长度;5. 套上冷缩套管:将切割好的冷缩套管套在电缆绝缘部分上,确保套管与绝缘紧密贴合;6. 加热冷缩套管:使用热风枪或火焰枪对冷缩套管进行加热,使其收缩并与电缆绝缘紧密结合;7. 断开电缆头与电缆主体之间的连接:根据具体情况,断开电缆头与电缆主体之间的连接;8. 连接电缆头和电缆主体:根据电缆头和电缆主体的连接方式,进行连接并确保连接牢固可靠;9. 固定电缆头:根据具体情况,使用绝缘胶带或其他固定装置固定电缆头;10. 检查和测试:对制作好的电缆头进行检查和测试,确保其安全可靠。
三、注意事项1. 操作前确保电缆处于断电状态,并采取必要的安全措施;2. 选择合适的冷缩套管和连接剂,确保与电缆绝缘材料相容;3. 清洁电缆绝缘表面时要注意使用温和的清洁剂,避免损坏绝缘材料;4. 研磨电缆绝缘表面时要轻轻研磨,避免损伤绝缘层;5. 加热冷缩套管时要控制加热温度和时间,避免过热导致损坏;6. 连接电缆头和电缆主体时要确保连接牢固可靠,避免出现接触不良或松动的情况;7. 制作完成后要进行检查和测试,确保电缆头的安全可靠性。
10kV电缆冷缩中间接头制作作业1、确认电缆。
2、摇测电缆绝缘及放电。
3、锯开需要作接头处电缆并搭接(新电缆接续时,绝缘电阻测试合格后可直接搭接)。
4、开剥电缆。
为防止钢铠松散,割除外护层时在端部留出200mm 的外护层。
断口平整,入刀力度合适。
使用专门工具进行打磨。
5、包绕半导电胶带。
用砂纸打磨掉残留在主绝缘上的半导体时只能用不导电的氧化铝砂纸进行主绝缘打磨。
6、安装冷缩接头主体。
冷缩接头必须安置于剥削长度较长的一端电缆。
压接管时不要压接接管中心。
按要求只能用混合剂,不能用硅脂。
7、安装铜编织网。
注意检查恒力弹簧固定是否牢固。
检查半导电胶带包覆是否完全、紧密。
8、包绕防水带。
防水带包覆应完全、紧密。
9、安装铠装接地线及编织线,注意检查恒力弹簧固定是否牢固。
防水密封包装要符合厂家说明书要求。
10、安装甲带,为得到最佳效果,____分钟内不得移动电缆。
11、试验。
12、填埋中间接头,恢复现场,高压核相。
恢复现场。
1、同一段电缆的厂家、型号是相同的,并且米标沿电缆连续,根据这三个要素,将要做接头的电缆和已停电电缆能确认的一端核对,必须确保三个要素全能吻合方可进行作业。
2、电缆绝缘电阻测试合格后,对摇测的电缆充分放电。
3、电缆拉直平放并重叠200-300mm,在重叠中心处将电缆锯开;两端对正,在两端电缆上镀锌钢管。
4、对照所选用的中间接头附件安装图纸的工艺要求制作接头。
以下简述基本步骤,具体尺寸应以图纸要求为准。
①分别擦洗干净电缆两端____米范围内电缆护套。
②剥除电缆外护套,按照安装图纸要求尺寸剥切电缆。
③均匀刮除绝缘屏蔽,露出绝缘体层。
④剥除绝缘,露出线芯,打磨绝缘表面直至光滑。
锯痕深度为2/3钢铠厚度,用螺丝刀将缺口挑起,用钳子钳住缺口卷动撕开钢带。
用钳子打平钢带断口。
5、按厂家安装图清洗主绝缘。
半叠式来回包绕半导电胶带,从铜屏蔽带上40mm处开始包至10mm的外半导体层上包绕端口应十分平整。
用清洗剂清洗电缆主绝缘,勿使溶剂触及半导体屏蔽层。
10kV电缆冷缩中间接头制作技术及施工电缆接头是电力设施中的重要组成部分,可起到固定、锁紧进出线的作用,同时能提升电力线路整体的防震动、防尘及防水能力。
电缆接头包括终端头与中间接头两种,电缆冷缩中间接头因电缆剥切长度较短,对施工环境、工艺质量要求更加严苛,常常因施工者的一些不规范施工习惯,导致留下隐患。
中间接头的制作及施工质量会对整条线路电力供应的连续性与安全性产生影响,因此要合理优化制作工艺与施工技术。
1 10kV冷缩电缆中间接头制作工艺应用的重要性这些年来随着冷缩电缆中间接头制作工艺的不断发展和应用领域的不断扩大,研究冷缩电缆中间接头制作工艺应用对国计民生都有重要的影响,对于高压电缆行业的发展起到非常非常重要的作用。
10kV冷缩电缆中间接头制作工艺应用高压电缆行业中有很多优点,对于整个高压电缆行业都有深刻的影响。
由于高压电缆行业是具有高技术含量的行业,其市场的需求量巨大,产品的综合性能也非常的强,所以需要认真的推广和发展电缆中间接头制作工艺技术,争取给整个冷缩电缆行业带来颠覆性的影响。
10kV冷缩电缆中间接头制作工艺应用于冷缩电缆行业中对于冷缩电缆行业制造,比如电缆的制造有很大的影响,能够极大的推动这些冷缩电缆行业的发展。
对于整个国家的冷缩电缆行业都有着重要的影响。
当然,国家对于这一方面也是非常的重视的,由于冷缩电缆中间接头制作工艺的特殊性,所以对于未来10kV冷缩电缆中间接头制作工艺的发展来说前景非常的光明。
2 10kV冷缩电缆中间接头制作工艺10kV冷缩电缆中间接头的制作过程非常的复杂,工艺非常多,下面我将10kV冷缩电缆中间接头制作过程中用到的工艺详细的进行说明描述。
在制作10kV冷缩电缆中间接头的过程中对电缆导线进行切割是必须的第一步骤,也是至关重要的一步。
切割的时候不能把铜芯切断,切割的目的是便于进行后面的操作。
切割后的电缆导线需要进行铜芯线的处理,这个工艺过程中可以将10kV冷缩电缆套件中的外件套、内件套、绝缘层、应力管等热缩管分别套入切割后的两端电缆导线中,然后进行线芯处理工作。
10kV电力电缆安装及电缆冷缩中间接头制作摘要:现如今人们对电力系统各种方面的关注逐渐提升,而配电线路是整个电力系统的重要部分,因此,一定要优化配电线路安装与维护,确保电力系统的安全与稳定。
关键词:10kV;电力电缆安装;电缆冷缩;中间接头;制作1.10kV电缆制作的工艺电缆头制作工艺可分为冷缩与热缩两种。
冷缩工艺是相关工作人员有效利用冷缩管所拥有的收缩性能制作电缆头,当冷缩管与电缆全面紧贴后,使用半导体自粘带的特点封住端口,使电缆头具有更加良好的绝缘效果与防潮防水效果。
与冷缩工艺相比,热缩工艺的操作过程更加简单,脱离了传统动火的工艺流程更加安全可靠,电缆拥有着更加持久的界面压力,拥有着良好的密封防水性能,可以长期使用且非常安全,是我国目前电缆头制作工艺当中最为常用的一种工艺。
2.安装电缆时需注意的问题及对应措施安装电缆时,自然环境的影响主要有以下几点:第一,雷电攻击可以轻易将绝缘子与避雷器瞬间击破,引起故障的发生。
由于配电线路处于污染、灰尘比较大的环境,配电线路当中的绝缘子一直处于露天的状况,在绝缘子中积攒了许多污垢、泥垢等,若是电缆质量也存在不达标等问题,那么在配电线路遇到雷电攻击时就会发生短路现象,从而引起配电线路的故障。
若使用已经淘汰、或是泄电流能力不达标的避雷器也会对配电线路产生影响。
第二,若施工过程中埋杆塔的深度不够或是拉线位置不当,在雨水泛滥的季节,雨水会对配电线路表面的绝缘屋造成破坏,这就会导致导线与塔器金属之间发生短路,最终使配电线路发生故障。
第三,在暴风天气,10kV配电线路与架空线路之间容易烧毁,并且暴风非常容易将塑料袋或塑料布等刮起,一旦它们落在10kV配电线路及其他线路之上就引起跳闸故障。
如果风吹的太大就会对杆基造成伤害,从而使10kV配电线路发生停电故障。
第四,如果冰雪天气配电线路上的积雪过多,就会把线路比较细或是已经出现老化现象的电缆压断,使线路直接发生短路现象。
另外在冰雪天晴后线路上积攒的冰雪融化程度不一样,就出造成重量不均现象,这样就会使配电线路发生闪络故障。
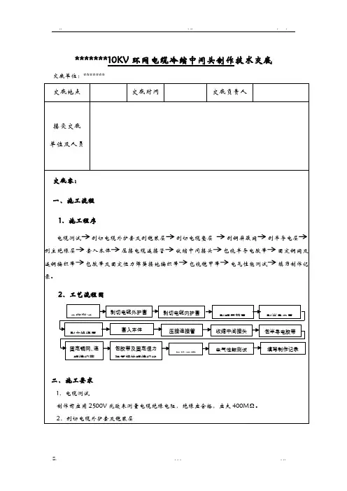
*******10KV环网电缆冷缩中间头制作技术交底交底单位:*******用电缆夹将电缆垂直固定并将两根电缆端部的两米分别调直、擦干净,重叠200mm,在中部作中心标线,作为接头中心。
从中心标线开始在两根电缆上分别量取900mm、600mm。
将电缆A的钢铠切除870mm;将电缆B的钢铠切除570mm。
3、剥切电缆护层将电缆A的护套切除770mm;将电缆B的护套切除470mm;切除填充物等。
用PVC胶带将三相电缆的切断口临时包缠,避免铜屏蔽层松散。
并做好相序标记。
4、剥铜屏蔽层分别对电缆A和电缆B从末端量195mm剥除铜屏蔽层; 切断口用半导电胶带包缠两层,防止松散。
5、剥半导电层分别对电缆A和电缆B从末端量取155mm剥除半导电层,要求剥除时不要划伤主绝缘层。
6、剥主绝缘层分别对电缆A和电缆B从末端量取(以连接管长度L/2为准)剥除主绝缘层,在绝缘层端面倒角45°。
7、套入本体用清洁巾把电缆的半导电层及冷缩中间接头本体衬条层清洁干净;并在电缆绝缘层上稍抹硅脂。
将冷缩中间接头本体预先推入电缆A上,注意衬条露出的一端朝;将铜网撑大后套入电缆B上。
8、压接连接管打磨线芯导体表面去除其氧化层;清洁连接管及线芯导体表面,将连接管套入电缆线芯,并压接连接管;注意电缆线芯穿入到连接管中间的定位孔位置;在连接管上确定实际中点为定位点,向电缆B端量取180mm长,用PVC胶带做一个定位标记。
9、收缩中间接头清洁电缆的绝缘层和连接管表面,清洁剂干燥后,在电缆绝缘层上均匀涂抹硅脂。
将中间接头移至中间,将首端对准PVC定位标记抽掉衬条。
(中间接头位置与定位标记如有偏差应及时进行调整,使其两端对称);然后将定位标记的PVC胶带去掉。
10、包半导电胶带用半导电自粘带把中间接头两边末端与电缆A和电缆B的铜屏蔽层包缠,两边各搭接40mm。
11、固定铜网、连铜编织带将铜网拉伸后套在中间接头上,两端各搭接铜屏蔽100mm,用小的恒力弹簧将铜网固定在铜屏蔽层上;用恒力弹簧把接地铜编织线绕过中间接头表面后固定在电缆A和电缆B的铜屏蔽上。
电工技术交底工程名称编号交底项目10KV电缆头制作技术交底交底日期交底内容10KV电缆头制作技术交底1电缆终端头制作前注意事项2、1 制作时对环境的要求:10KV电缆冷缩终端头的制作施工场地应清洁,干燥、无飞扬的灰尘或纸纸屑,平均气温低于0°C时,要采取相关加热措施。
2、2 制作过程中的要求:施工中要保证手和工具、材料的清洁。
操作时不应做其他无关的事。
2、3 应预先检查电缆终端规格是否同电缆一致,各部件是否齐全,检查出厂日期,检查包装(密封性),认真阅读图纸,防止剥切尺寸发生错误。
2、4 所制作的10KV电缆外观应整洁无破损,并做绝缘电阻、直流耐压试验,经试验合格后方可进行。
对暂缓制作的电缆头应用密封胶密封。
3制作电缆头基本操作工艺3、1 剥外护套:将电缆校直、擦净,可将恒力弹簧暂时绕在外护套切断处,以方便剥去外护套。
3、2 剥内护套:关键点:防止划伤铜屏蔽。
3、4 安装接地线:恒力弹簧将其绕一圈后,把露的头反向折回来,在用恒力弹簧缠绕。
固定铜屏蔽地线也如此。
一般情况下屏蔽层接地,是为了便于检测电缆内护层的好坏,在检测电缆护层时,铜屏蔽与线芯通上电压,如果能承受一定的电压就证明护层时完好无损。
3、5 安装冷缩3芯分支:先将指端的三个小支撑管略微抽出一点,再将指套套入并尽量下压到底,逆时针先将大口端塑料条抽出,再抽三指端塑料条。
3、6 套装冷缩护套管:将冷缩管套至指套根部,逆时针抽出塑料条,抽时用手扶着冷缩管末端,定位后分开,根据冷缩管端头到接线端子的距离切除或加长冷缩管或切除多余的线芯。
3、7 铜屏蔽层处理:在电缆芯线分叉处做好色相标记,按电缆附件说明书,正确测量好铜屏蔽层切断处位置,用小恒力弹簧作固定并定位,顺铜屏蔽扎紧方向沿小恒力弹簧(或PVC带)带用刀划一浅痕,慢慢将铜屏蔽带撕下,最后顺铜带扎紧方向解掉小恒力弹簧或PVC带,铜屏蔽断口要平滑整齐,为均匀的圆周,不得有尖角或缺口,不允许让铜屏蔽尖角刺入半导电层。
10kV电缆中间接头制作工艺标准预览:10kV交联聚乙烯绝缘电缆热缩接头制作工艺标准1 1 范围本工艺标准适用于一般工业与民用建筑电气安装工程10(6)kV交联聚乙烯绝缘电力电缆热缩中间接头制作。
2 2 施工准备2.1 设备及材料要求:2.1.1 主要材料:电缆头附件及主要材料由生产厂家配套供应。
并有合格证及说明书。
其型号、规格、电压等级符合设计要求。
2.1.2 辅助材料:焊锡、焊油、白布、砂布、芯线连接管、清洗剂、汽油、硅脂膏等。
2.2 2.2 主要机具:喷灯、压接钳、钢卷尺、钢锯、电烙铁、电工刀、克丝钳、改锥、大瓷盘。
2.3 作业条件:2.3.1 电缆敷设完毕,绝缘电阻测试合格。
2.3.2 作业场所环境温度0℃以上,相对湿度70%以下,严禁在雨、雾、风天气中施工。
2.3.3 施工现场要干净、宽敞、光线充足。
施工现场应备有220V交流电源。
2.3.4 室外施工时,应搭设临时帐蓬。
3 操作工艺3.1 工艺流程:设备点件检查→剥除电缆护层→剥除铜屏蔽及半导导电层→固定应力管→压接连接管→包绕半导带及填充胶→固定绝缘管→安装屏蔽网及地线→固定护套→送电运行验收3.2 设备点件检查。
开箱检查实物是否符合装箱单上的数量,外观有无异常现象。
3.3 剥除电缆护层(图2-28):图2-283.3.1 调直电缆:将电缆留适当余度后放平,在待连接的两根电缆端部的两米处内分别调直、擦干净、重叠200mm,在中间作中心标线,作为接头中心。
3.3.2 剥外护层及铠装:从中心标线开始在两根电缆上分别量取800mm、500mm,剥除外护层;距断口50mm 的铠装上用铜丝绑扎三圈或用铠装带卡好,用钢锯沿铜丝绑扎处或卡子边缘锯一环形痕,深度为钢带厚度1/2,再用改锥将钢带尖撬起,然后用克丝钳夹紧将钢带剥除。
3.3.3 剥内护层:从铠装断口量取20mm内护层,其余内护层剥除,并摘除填充物。
3.3.4 锯芯线、对正芯线,在中心点处锯断。
10kV电缆冷缩中间接头制作技术及施工作者:林嘉文刘伟生柯宙志郑晴蝶来源:《科学家》2016年第01期摘要电缆接头包括终端头与中间接头两种,而因为电缆剥切长度较短,电缆冷缩中间接头对施工环境、工艺质量要求更加的严格苛刻。
此外,施工安全隐患也常常会因为施工人员在进行施工时的一些不规范施工习惯而产生。
基于此背景下,笔者结合多年工作经验,于本文中分析了冷缩接头的制作技术,同时探讨了中间接头施工中应注意的问题。
并对10kV电缆冷缩中间接头施工管理提出了相应的建议。
关键词中间接头;冷缩;电缆;10kV中图分类号 TM7 文献标识码 A 文章编号 2095-6363(2016)01-0080-02电缆接头是电力设施中的重要组成部分,可起到固定、锁紧进出线的作用,同时能提升电力线路整体的防震动、防尘及防水能力。
电缆接头包括终端头与中间接头两种,电缆冷缩中间接头因电缆剥切长度较短,对施工环境、工艺质量要求更加严苛,常常因施工者的一些不规范施工习惯,导致留下隐患。
中间接头的制作及施工质量会对整条线路电力供应的连续性与安全性产生影响,因此要合理优化制作工艺与施工技术。
1 10kV冷缩电缆中间接头制作工艺应用的重要性这些年来随着冷缩电缆中间接头制作工艺的不断发展和应用领域的不断扩大,研究冷缩电缆中间接头制作工艺应用对国计民生都有重要的影响,对于高压电缆行业的发展起到非常非常重要的作用。
10kV冷缩电缆中间接头制作工艺应用高压电缆行业中有很多优点,对于整个高压电缆行业都有深刻的影响。
由于高压电缆行业是具有高技术含量的行业,其市场的需求量巨大,产品的综合性能也非常的强,所以需要认真的推广和发展电缆中间接头制作工艺技术,争取给整个冷缩电缆行业带来颠覆性的影响。
10kV冷缩电缆中间接头制作工艺应用于冷缩电缆行业中对于冷缩电缆行业制造,比如电缆的制造有很大的影响,能够极大的推动这些冷缩电缆行业的发展。
对于整个国家的冷缩电缆行业都有着重要的影响。
××××电管站10KV高压电缆冷缩终端制作作业指导书编制:审核:批准:编制日期:2010年月日实施日期:2010年月日×××××1.适用范围:适用于×××2.引用文件:IEC60502《额定电压1kV(Um=1.2kV)以上至30kV(Um=36kV)挤出绝缘电力电缆及其附件》IEC61442《额定电压6kV(Um=7.2kV)到30kV(Um=36kV)电力电缆附件试验方法GB5589《电缆附件试验方法》GB9327《电缆导体压缩和机械连接接头试验方法》GB14315《电线电缆导体用压接型铜、铝接线端子和连接管》GB11033《额定电压26/35kV及以下电力电缆附件基本技术要求》GB 50168—1992 电气装置安装工程电缆线路施工及验收规范GB 50127-1994 电力工程电缆设计规范GB 50150-91 电气装置安装工程电气设备交接试验标准DL 408-1991 《电业安全工作规程》(发电厂和变电所部分)DL 409-1991 《电业安全工作规程》(电力线路部分)3.作业准备:3.1人员要求:3.2工器具:3.3危险点及其控制措施:4.安全注意事项:4.1.办理安全检修作业票、变电站第二种工作票,履行工作许可手续。
4.2.工作负责人会同工作许可人检查工作现场所做安全措施是否完备。
4.3. 接到工作任务后,工作负责人应明确工作任务,合理安排人员,现场是否符合工作条件和要求。
4.4.工作中加强监护,严防误碰事故发生,且监护人不得转做其它事情。
4.5.电缆头制作注意事项:a.保持安装过程的清洁;b.检查电缆的受潮情况,特别应检查线芯是否进水;c.严格控制剥切尺寸,每剥除一层不可伤及内层结构;d.半导电层断面应光滑平整,与绝缘层的过渡应光滑;e.线芯绝缘剥离后应清除干净内半导电层,并打磨线芯上的氧化层;f.金具压接后应清除尖角毛刺。
10kV三芯交联冷缩电缆终端头制作过程普通三芯交联电缆的构造由外至内包括:外护套、钢铠、内护套、铜屏蔽和三相电缆线芯;线芯由外至内包括铜屏蔽、外半导电层、绝缘层、内半导电层和线芯。
冷缩电缆附件如下图所示:1.电缆预处理:把电缆放置在预定的位置,开剥外护套。
用美工刀环形切割外护套,并从前往后划开。
方可切开外护套。
2.用恒力弹簧包裹住钢铠,包裹位置为外护套环切处。
用一字螺丝刀慢慢将钢铠撬起,如果包裹太紧导致螺丝刀塞不进去,可以从电缆前端将钢铠松开少许,或用小锤将螺丝刀捶打。
撬起后改用老虎钳夹紧撕开钢铠(钢铠有两层)。
3.沿撕开处向前1厘米左右,环形切割内护套,并从前往后划开,方可切开内护套。
注意切割时切勿用力过猛,以免伤及里面的铜屏蔽层,甚至是绝缘层。
4.割掉填充物。
注意切割时要从前往后割,以免伤及铜屏蔽和绝缘层。
分开三根线芯后,注意将线芯头部用包布包裹,以免铜屏蔽散开。
5.用砂纸打磨钢铠和铜屏蔽层。
6.将接地编织线线缠绕在交联线芯分叉处,向后收紧编织线,并套上恒力弹簧。
在钢铠处同样用恒力弹簧固定住编织线,向后用力收紧。
两条编织线要有一定距离,以便之后做实验方便。
接地时两条编织线可以在同一处接地。
在两个恒力弹簧上分别缠绕几层包布,以进一步保证弹簧不会松脱。
7.在恒力弹簧及其之间缠绕若干条填充胶,使其外观平整,略呈苹果形。
并在三芯电缆分叉处,把密封胶撕成小块,揉成团团之后填充进分叉的根部。
8.在钢铠恒力弹簧向后一段距离处包裹一层密封胶。
以加强防水密封。
9.安装冷缩三指套。
将三指套从线芯分叉处,套到电缆根部。
将三指的线芯抽出少许,使其略微颈缩。
压紧三指套,抽出塑料支撑条,先收缩根部,再收缩三根指套。
10.安装冷缩管。
抽条时手不要拉着未收缩的冷缩管,使其自然收缩。
11.将电缆定好位置,确定好长度,剪去多余的电缆。
12.按照标尺,在剥除铜屏蔽处缠绕包布后,在标记处环切,剥除铜屏蔽。
注意,理想的切割深度应只有铜屏蔽厚度的三分之二,以免伤及绝缘层。
*******10KV环网电缆冷缩中间头制作技术交底交底单位:*******从中心标线开始在两根电缆上分别量取900mm、600mm。
将电缆A的钢铠切除870mm;将电缆B的钢铠切除570mm。
3、剥切电缆内护层将电缆A的内护套切除770mm;将电缆B的内护套切除470mm;切除填充物等。
用PVC胶带将三相电缆的切断口临时包缠,避免铜屏蔽层松散。
并做好相序标记。
4、剥铜屏蔽层分别对电缆A和电缆B从末端量195mm剥除铜屏蔽层; 切断口用半导电胶带包缠两层,防止松散。
5、剥半导电层分别对电缆A和电缆B从末端量取155mm剥除半导电层,要求剥除时不要划伤主绝缘层。
6、剥主绝缘层分别对电缆A和电缆B从末端量取(以连接管长度L/2为准)剥除主绝缘层,在绝缘层端面倒角45°。
7、套入本体用清洁巾把电缆的半导电层及冷缩中间接头本体衬条层清洁干净;并在电缆绝缘层上稍抹硅脂。
将冷缩中间接头本体预先推入电缆A上,注意衬条露出的一端朝内;将铜网撑大后套入电缆B 上。
8、压接连接管打磨线芯导体表面去除其氧化层;清洁连接管及线芯导体表面,将连接管套入电缆线芯,并压接连接管;注意电缆线芯穿入到连接管中间的定位孔位置;在连接管上确定实际中点为定位点,向电缆B端量取180mm长,用PVC胶带做一个定位标记。
9、收缩中间接头清洁电缆的绝缘层和连接管表面,清洁剂干燥后,在电缆绝缘层上均匀涂抹硅脂。
将中间接头移至中间,将首端对准PVC定位标记抽掉内衬条。
(中间接头位置与定位标记如有偏差应及时进行调整,使其两端对称);然后将定位标记的PVC胶带去掉。
10、包半导电胶带用半导电自粘带把中间接头两边末端与电缆A和电缆B的铜屏蔽层包缠,两边各搭接40mm。
11、固定铜网、连铜编织带将铜网拉伸后套在中间接头上,两端各搭接铜屏蔽100mm,用小的恒力弹簧将铜网固定在铜屏蔽层上;用恒力弹簧把接地铜编织线绕过中间接头表面后固定在电缆A和电缆B的铜屏蔽上。
10kv电缆冷缩中间接头制作作业指导书QB 广东电网公司企业标准广东电网公司10kV电缆冷缩中间接头制作作业指导书2010-01-30实施 2010-01-30发布广东电网公司发布前言10kV电缆冷缩中间接头制作作业是配电日常检修其中一项工作。
为了规范冷缩电缆中间接头制作,公司组织编制10kV线路冷缩电缆中间接头制作作业指导书,指导基层班组开展电缆中间接头制作工作。
作业指导书的编写在参照国家标准、行业标准、南方电网公司标准及相关的技术规范、规定的基础上,充分考虑了广东电网公司的实际情况。
本作业指导书对10kV电缆冷缩中间接头制作的操作步骤、技术要点、安全注意事项、风险分析等方面内容进行详细规范,用于指导10kV电缆冷缩中间接头制作工作。
本作业指导书由广东电网公司生产技术部提出、归口并解释。
本作业指导书起草单位:广东电网公司佛山供电局。
本作业指导书起草人:李其军、周强辅、赵继光、张永文、范可带、王伦、高能、岑建福。
目录1 范围 ..................................................................... ....... 2 2 规范性引用文件 (2)3 危险辨识、风险评估和控制措施 .................................................... 2 4作业准备 ..................................................................... ... 3 5 作业周期 ..................................................................... ... 4 6 工期定额 ..................................................................... ... 4 7 作业流程 ..................................................................... ... 5 8 作业项目和质量标准 .............................................................. 6 9 作业中可能出现的主要异常现象及对策 .............................................. 9 10 作业验收与交接 (10)附录作业记录表 (11)- 1 -1 范围本指导书适用于10kV电缆冷缩中间接头制作。
10kV 单芯电缆冷缩中间头制作 作业指导书第一部分 适用范围 本作业指导书适用于供电段管内高速区段电力10kV 单芯电缆冷缩中间 头的制作。
一、人员准备第二部分 准备工作电缆头的制作人员不少于 4 人。
二、工具准备序号材料名称1个人工具2作业工具包3压接模子4铁剪子5钢锯6液压钳三、材料准备序号123 4 5 6 7材料名称固定支架 带钢钎(木柄)的放电 接地线 抹布 砂布 锯条 电缆中间头及附件 连接管型号单位套 套 套 把 把把数量1 1 1 1 11备注含起子、夹钳、尖嘴钳、斜口钳等 含卷尺、美工刀、平锉刀、测量卷型号普通毛巾 1# 细齿单位台组张 张 根 套 个数量222 2 4 1 3备注选配与电缆线芯材质和型号匹配第三部分 制作标准一、电缆中间头的制作应在作业前根据电缆型号准备同型号的电缆中间头及附件。
1、电缆头在制作时要防潮,环境湿度要求小于70%,不应在雨天、雾天、大风天做电缆头,平均气温低于0℃时,电缆应预先加热。
2、施工中要保证手和工具、材料的清洁。
操作时不应做其他无关的事(特别不能抽烟)。
3、所用电缆头及附件应预先开箱检查,检查规格是否同电缆一致,各部件是否齐全,检查出厂日期,检查包装(密封性),防止剥切尺寸发生错误。
第四部分 制作步骤一、电缆中间头制作前的准备工作: 1、首先详细核对电缆回路名称和标示牌是否与工作票所写的相符,然后从各 方面断开电源。
2、锯高压电缆前,必须与电缆图纸核对无误,并验明电缆无电压后,用接地 的带木柄的铁钎钉入电缆芯后方可工作。
扶木柄的人应戴绝缘手套,穿绝缘鞋。
第五部分 制作方法一、电缆预处理(以下电缆剥切尺寸是以深圳沃尔核材 8.7/15kV(8.7/10kV)WLJ-1/(1-4)冷缩式电缆中间头安装说明书的参考,现场实 际制作过程中,以采用的电缆头附件厂家安装说明书为准)1、确认电缆的类型以及主绝缘和接管的尺寸,符合本产品的选用要求。
10KV高压电力电缆冷缩中间头制作技术交底1技术交底范围10KV三芯截面25 mm2-400mm2的电缆冷缩中间头制作。
2设计情况根据设计图纸、设计标准、设计说明、电缆配长和现场实际情况具体而定。
3施工准备3.1作业准备10KV三芯冷缩电缆中间头制作施工所涉及的各种外部技术数据的收集,施工人员配备、材料准备及设备机具配置,现场复校各种设备,电缆电气测试完成,具备冷缩电缆中间头制作施工条件。
3.2材料要求3.2.1材料要求(1)核对施工现场配好到位的材料名称、规格、型号、尺寸、形状、数量是否与设计图纸的材料一致。
(2)核对冷缩电缆中间头与需对接两电缆的型号、规格是否一致。
(3)说明施工所需材料的规格、型号、种类及质量要求。
(4)说明施工所需材料的制作、安装要求。
(5)敷设的电缆已进行测试,各项测试指标达到要求。
(6)未制作电缆中间头的两电缆端头标准、无破损。
(7)电缆井标准、完好、无损坏。
(8)收集出厂合格证、材料说明书。
3.2.2材料准备表3.2.2 材料准备图3.2.2 电缆中间头材料3.3人员配置表3.3 人员配置3.4机具准备表3.4 机具准备3.5技术标准3.5.1在开工前组织技术和作业人员认真学习10kV三芯冷缩电缆中间头制作技术数据和制作施工步骤,熟悉电缆规范和技术标准。
3.5.2落实施工安全措施,既有线监管、施工措施,制定应急预案。
3.5.3对参加施工人员进行上岗前安全技术培训,并进行了技术交底。
3.5.4电缆中间头对接的两电缆及电缆头应保证可靠的电气性能、良好的密封性能和足够的机械强度机械强度,并满足电气试验的要求。
3.5.5电缆中间头应导电良好,并能长久、稳定传输额定电流。
3.5.6电缆中间头的绝缘能承受电缆工作条件下的额定电压和瞬时过电压。
3.5.7严禁在潮湿有雾气及极度潮湿的天气下进行室外电缆中间头的制作。
若必须在潮湿天气时制作,应该采取必要的防潮措施。
4施工工艺和方法4.1施工工艺流程施工工艺流程:剥外护套、内护层、铜屏蔽层→套入中间头和铜屏蔽网→压接连接管→收缩中间接头→安装铜屏蔽网套及地线→恢复内护套→连接两端地线→缠绕防水胶带→安装钢铠带。
10KV高压电力电缆冷缩中间头制作技术交底1技术交底范围10KV三芯截面25 mm2-400mm2的电缆冷缩中间头制作。
2设计情况根据设计图纸、设计标准、设计说明、电缆配长和现场实际情况具体而定。
3施工准备3.1作业准备10KV三芯冷缩电缆中间头制作施工所涉及的各种外部技术数据的收集,施工人员配备、材料准备及设备机具配置,现场复校各种设备,电缆电气测试完成,具备冷缩电缆中间头制作施工条件。
3.2材料要求3.2.1材料要求(1)核对施工现场配好到位的材料名称、规格、型号、尺寸、形状、数量是否与设计图纸的材料一致。
(2)核对冷缩电缆中间头与需对接两电缆的型号、规格是否一致。
(3)说明施工所需材料的规格、型号、种类及质量要求。
(4)说明施工所需材料的制作、安装要求。
(5)敷设的电缆已进行测试,各项测试指标达到要求。
(6)未制作电缆中间头的两电缆端头标准、无破损。
(7)电缆井标准、完好、无损坏。
(8)收集出厂合格证、材料说明书。
3.2.2材料准备表3.2.2 材料准备图3.2.2 电缆中间头材料3.3人员配置表3.3 人员配置3.4机具准备表3.4 机具准备3.5技术标准3.5.1在开工前组织技术和作业人员认真学习10kV三芯冷缩电缆中间头制作技术数据和制作施工步骤,熟悉电缆规范和技术标准。
3.5.2落实施工安全措施,既有线监管、施工措施,制定应急预案。
3.5.3对参加施工人员进行上岗前安全技术培训,并进行了技术交底。
3.5.4电缆中间头对接的两电缆及电缆头应保证可靠的电气性能、良好的密封性能和足够的机械强度机械强度,并满足电气试验的要求。
3.5.5电缆中间头应导电良好,并能长久、稳定传输额定电流。
3.5.6电缆中间头的绝缘能承受电缆工作条件下的额定电压和瞬时过电压。
3.5.7严禁在潮湿有雾气及极度潮湿的天气下进行室外电缆中间头的制作。
若必须在潮湿天气时制作,应该采取必要的防潮措施。
4施工工艺和方法4.1施工工艺流程施工工艺流程:剥外护套、内护层、铜屏蔽层→套入中间头和铜屏蔽网→压接连接管→收缩中间接头→安装铜屏蔽网套及地线→恢复内护套→连接两端地线→缠绕防水胶带→安装钢铠带。
4.2施工方法4.2.1剥外护套、内护层、铜屏蔽层将电缆校直,剥外护套,长端剥去800mm,短端剥去600mm;留取30mm的钢铠,先用恒力弹簧固定,锯除后端口锐角用PVC带包裹;留取50mm内护层,剥去其余的内护层;剥铜屏蔽层A+50mm,剥外半导电层A长(A的尺寸见表4.2.1);铜屏蔽层断口绕两层半导电带,以防铜屏蔽散开;在半导电层断口用刀片倒角30度,用细砂带打磨倒角,使坡度顺利过渡到绝缘层(见图4.2.1)。
表4.2.1 剥外半导电层A值表型号1# 2# 3# 4# 适用截面25-50 70-120 150-240 300-400A(mm)150+0-5160+0-5165+5-0180+5-0图4.2.14.2.2套入中间头和铜屏蔽网按连接管长度的一半+2mm切除电缆绝缘层,将绝缘层断口切倒角45度,并打磨圆滑;从开剥较长的一端套入冷缩接头主体,较短的一端套入铜屏蔽网;将准备连接的两端电缆各相分别对齐,相位对准(见图4.2.2)。
注意:连接管为通孔型,禁止使用堵油型连接管。
图4.2.24.2.3压接连接管将线芯表面及连接管内壁的氧化层打磨干净,按规定压接;在连接管表面缠绕两层半导电带,尽量与绝缘层缠平;量两绝缘层断口间的距离,找出中心点D,从中心点D向外量B的尺寸(B的尺寸见表4.2.3)作为收缩定位标识,且收缩定位标识与半导电层断口距离为20±5mm;从中心点分别向一边铜屏蔽量300mm作为校验点①,向另一边铜屏蔽量B+100mm 作为校验点②(见图4.2.3)。
注意:1、导体连接后,延伸长度不得超过10mm;2、绝缘层表面不可有导电颗粒;3、半导带缠绕牢固,不可翘起。
表4.2.3型号1# 2# 3# 4#适用截面25-50 70-120 150-240 300-400B(mm)175 185 190 207图4.2.34.2.4收缩中间接头清洁绝缘表面,清洁时一定要注意清洁方向,要从绝缘层断口向外半导电层方向清洗,不可来回擦;在绝缘层表面均匀涂一层硅脂膏,将中间接头移至连接管部位,一端对准收缩定位标识,沿逆时针方向均匀抽掉衬管条使中间接头收缩(中间接头一端与定位标识齐平);当中间接头收缩一半时,量中间接头中心标志到校验点①的距离是否为300mm,如有偏差尽快用手将它校正过来。
中间接头收缩完后,量中间接头收缩末端口到校验点②的距离是否为100mm,如有偏差尽快用手将它校正过来。
同样方法收缩另外两相(见图4.2.4)。
注意:1、中间头收缩时,拉撕开的衬管条应尽快抽出中间头,防止压缩在里面;2、必须保证中间头两端搭接外半导电层20±5mm,否则,用手迅速调整。
图4.2.44.2.5安装铜屏蔽网套及地线先使用少量防水胶带将中间头两端口密封起来做防水处理,然后在装好的中接头主体外部套好铜网,在铜网外敷一条短的铜编织地线(地线两端要展开),用PVC带把铜网地线绑扎在接头主体上;用两只小恒力弹簧固定在铜屏蔽上,铜网两边要露出10mm左右;用PVC带将恒力弹簧包裹住;同样完成另外两相(见图4.2.5)。
图4.2.54.2.6恢复内护套用切下的填充物填充于三相的缝隙之间(不要搭在内护层上),再用PVC带将三相电缆简单缠绕一下,最后用透明PVC带将三相半重叠式的从A处缠绕到B处(PVC带要拉伸状态下使用);然后从电缆一端的内护层上在拉伸状态下50%搭接缠绕一层防水胶带至另一边内护套上(见图4.2.6)。
图4.2.64.2.7连接两端地线将长的那根地线两端展开,将展开的地线贴附在防水胶带上,并和电缆外护套搭接20mm;用大的恒力弹簧将地线绕一圈后将露出的地线反折回来再用恒力弹簧缠绕;另一端也如此;用PVC带缠绕,把钢铠及恒力弹簧包裹住(见图4.2.7)。
图4.2.74.2.8缠绕防水胶带用防水胶带从护套一端(搭接100mm左右)半重叠包绕线芯,涂胶一面朝里,缠到电缆另一端外护套,来回缠绕直至将配套的防水胶带全部用完(见图4.2.8)。
图4.2.84.2.9安装铠装带戴上橡胶手套,打开铠装带外包装口;(注意:包装打开后的铠装带必须迅速适用,否则将硬化。
)从一端搭接外护套120mm半重叠绕包铠装带至另一端,并搭接外护套120mm;然后回缠,直至将配套的铠装带全部用完,铠装带最后用PVC胶带临时固定,完成后最好30分钟内不要移动电缆(见图4.2.9)。
图4.2.94.2.10电气试验安装完毕后,进行电缆电气试验,主要包括直流耐压试验、绝缘试验(相-相绝缘及相-钢铠绝缘)、导通试验。
5质量标准5.1质量标准5.1.1电缆中间头应保证可靠的电气性能、机械强度,并满足电气试验的要求(直流耐压试验、绝缘试验、导通试验),导电良好、能长久稳定传输额定电流。
5.1.2电缆中间头端头的绝缘能承受电缆工作条件下的额定电压和瞬时过电压。
电缆中间头具有良好密封性和足够机械强度。
5.1.3严禁在潮湿有雾气及极度潮湿的天气下进行室外电缆终端头的制作,必须在潮湿天气制作时,应该采取必要的防潮措施。
5.1.4电缆中间头端头的接地方式应该符合设计图纸要求,并满足施工标准的规定。
5.2质量问题预防及注意事项5.2.1冷缩电缆中间头的制作必须在天气晴朗、空气干燥的情况下进行。
施工场地应清洁,无飞扬的灰尘或纸屑。
电缆中间头的制作应在水平状态下进行。
5.2.2剥切电缆护层、钢铠和屏蔽层时不得损伤线芯绝缘,屏蔽层的端部要平整,不得有毛刺,且要清除干净。
5.2.3固定电缆中间头的时候,注意不要使电缆发生扭曲。
5.2.4按照《铁路电力工程施工质量验收标准》(TB10420-2003)中的规定进行检验,并填写质量验收记录。
6安全、环保、文明施工等技术措施6.1安全技术措施6.1.1施工现场显目位置应设置安全、质量宣传标语及安全警示牌。
6.1.2电缆中间头制作时应注意电缆防护工作和作业人员安全。
6.1.3制作好的电缆中间头要放置在平稳、牢固、安全地段。
6.1.4施工、制作地点应设警示标志,隧道内施工、制作应设警示灯。
隧道作业、夜间作业要有照明。
6.1.5施工中使用的机具应安放平稳,牢固。
6.1.6施工点应设专职安全员负责现场安全工作。
6.1.7制作电缆中间头开挖的沟、坑无法恢复需过夜的,应设警示标志,必要时派人看守。
6.1.8高架桥防护栏未安装时,制作电缆中间头的作业人员应走在轨道内侧。
6.1.9施工作业人员进入施工现场必须配戴安全帽,不得赤脚与穿拖鞋进入作业区。
6.1.10操作人员必须经过一定的培训,了解机械的构造、性能、操作方法,并经考试合格后,方可持证上岗。
6.1.11剥切电缆时应适用专用工具,不得直接用手,避免碰伤。
操作人员必须佩带防护手套、护目镜。
6.1.12电缆中间头进行电气试验前,现场应该按照安全规程的要求由施工、试验人员共同布置现场的安全防护措施。
6.1.13临时用电工程的安装、维修和拆除,均应由经过培训并取得上岗证的电工完成,并严格按照相关操作规程进行施工,非电工不准进行电工作业。
6.1.14现场临时用的电力线不得使用裸导线。
6.1.15施工现场的电气设备必须符合建设部《施工现场临时用电安全技术规范》(JG46-2005),输电线路必须采用三相五线制和“三级配电二级保护”,各类配电箱必须执行“一机、一闸、一箱、一漏、一锁”制。
6.1.16配电箱要能防雨,箱内不得存放杂物并设门加锁,专人管理。
6.1.17电焊机等各类电气开关和设备的金属外壳,均要设接地保护装置。
6.1.18电焊工必须持证上岗,严禁无证人员操作。
电焊时作业人员要戴防护面罩、绝缘手套、绝缘鞋。
6.1.19各种机具、车辆和材料要按指定地点有序堆放。
6.1.20做好施工场地内排水,保持场内清洁。
必须保持作业环境卫生,防尘、防潮。
6.1.21施工过程中的废弃物应及时分类妥善处理。
6.1.22施工完毕应做到工完料尽场地清。
6.2环境保护措施6.2.1应提前在施工点铺设尼龙编织布,以防止电缆中间头制作料碴污染道床、路基等。
6.2.2电缆中间头制作完毕,及时对施工区段环境进行清理,应做到工完、料尽、场地净。
6.2.3施工制作电缆中间头的料碴及废弃物应及时分类妥善处理。
不得污染、堵塞道床、路基、河道,不得污染农田。
6.2.4作业完毕,及时对施工区段环境进行清理,做到人走料清场地净。
施工中的泥土、碴石,应妥善处理,不得污染和堵塞道床、路基、河道、污染农田。
6.2.5作业完毕,应及时对沟槽、管道恢复整齐完好。
6.2.6必须保持作业环境卫生,防尘、防潮。