DCS实验报告.
- 格式:doc
- 大小:895.43 KB
- 文档页数:20
评分:DCS与工业组态软件实验报告学号:班别:姓名:实验一:硬件系统熟悉与操作一、实验目的:1、了解集散控制系统的组成和结构;2、熟悉系统规模、控制站规模;3、掌握控制站卡件型号、名称、性能及输入/输出点数;4、掌握控制站卡的地址设置。
二、实验内容:硬件简介:1、JX-300X DCS系统网结构如图1.1所示:图1.1 JX-300X DCS系统网结构示意图通讯网分为三层:信息管理、过程控制(SCnet II)和控制站内部I/O控制总线(SBUS)。
2、控制站卡件控制站卡件位于控制站卡件机笼里,主要由主控卡、数据转发卡和I/O卡组成。
卡件按一定的规则组合在一起,完成信号采集、信号处理、信号输出、控制、计算、通讯等功能。
控制站卡件一览表如表1.1所示:表1.1 控制站卡件一览表硬件选型:1、根据测点性质确定系统I/O卡件的类型及数量(适当留有余量),对于重要的信号点要考虑是否进行冗余配置;2、根据I/O卡件数量和工艺要求确定控制站和操作站的个数;3、根据上述设备的数量配置其它设备,如机柜、机笼、电源、操作台等;4、对于开关量,根据其数量和性质要考虑是否选配相应的端子板、转接端子和继电器。
Scnet II网络组件地址设置:对TCP/IP协议地址采用如表1.2所示的系统约定:表1.2系统约定的参数网络码128.128.1和128.128.2代表两个互为冗余的网络。
在控制站表现为两个互为冗余的通讯口,上为128.128.1,下为128.128.2。
在操作站表现为两块网卡,每块网卡所代表的网络号由IP地址设置决定。
三、实验条件:1、JX-300X集散控制系统一套2、DELL工控机计算机一台3、JX-300X DCS系统组态软件包一套四、实验练习:1、参考实验四的工程项目进行硬件配置。
2、TCP/IP协议地址的系统约定。
五、思考题:1、硬件选型时,I/O卡件选型的主要依据是什么?实验二:JX-300系统的组态设计一、实验目的:1、了解JX-300X系统组态软件包;2、掌握控制站、操作站等硬件设备在软件中的配置;3、掌握I/O设备、信号参数的设置。
DCS实验系统开发——硬件部分摘要本文主要介绍了分布式控制系统的基本理论及JX-300X分布式控制系统(DCS)设计,并在此基础上设计开发的适用于机电一体化专业本科生的开放性实验。
论文首先介绍了AE2000A实验系统和分布式控制系统(DCS)的软、硬件配置,然后介绍了分布式控制系统(DCS)的总体实验方案,最后对本实验系统进行电气线路设计并编写了实验指导书。
关键词:DCS,AE2000A,电气控制设计AbstractThis text mainly introduced that the basic theories of distributed control system and the design development of JX-300X Distributed Control System. What’s more, they are suitable to the open experiment of electricity-mechanics integrated professional undergraduates.Firstly it introduced experimental system of AE2000A and the software , hardware disposition of Distributed Control System(DCS), then introduced the overall experiment scheme of Distributed Control System(DCS), finally made the electric circuits’ design for this experimental system and wrote the experimental guide book. Key Words: DCS, AE2000A, the design of electronic control目录第一章绪论 (6)1.1 本次毕业设计的背景及意义 (6)1.2 JX-300X集散控制系统简介 (6)1.3 AE2000A实验系统简介 (7)1.4 毕业设计主要任务 (8)第二章实验系统的软件介绍 (9)2.1系统软件的概述及特点 (9)2.2组态软件(SCKey)的概述 (9)2.3实时监控软件(Advan Trol)的概述 (10)2.4 SCX语言组态软件 (10)第三章实验系统的硬件配置设计 (11)3.1 DCS控制系统硬件介绍 (11)3.1.1控制站硬件的概述 (11)3.1.2 机柜与机笼 (12)3.1.3电源 (14)3.1.4控制站卡件概述 (16)3.1.5主控制卡(部件号SP243X (17)3.1.6数据转发卡(部件卡SP233) (19)3.1.7电压信号输入卡(部件号SP314) (21)3.1.8模拟信号输出卡(SP322) (22)3.1.9 SP590端子板 (23)3.2 AE2000A实验系统硬件介绍 (24)3.2.1 AE2000A过程控制系统DCS工业标准控制柜的组成 (24)3.2.2 AE2000A过程控制系统的组成结构及特点 (25)3.2.3实验对象装置 (26)3.2.4 AE2000A与DCS的I/O通道 (27)第四章电气线路的设计 (29)4.1 一些主要的电气控制元件的介绍 (29)4.2 各器件的电路设计 (31)4.2.1 压力液位变送器电气控制设计 (31)4.2.2温度传感器电气控制设计 (34)4.2.3流量计(涡轮流量计及电磁流量计)电气控制设计 (35)4.2.4电动调节阀电气控制设计 (36)4.2.5变频器电气控制设计 (36)4.2.6 DCS端子接线表和电气控制线路图 (37)4.3系统接线 (39)第五章实验总体开发思想及项目设定 (41)5.1 实验方案设计前提 (41)5.2 实验总体思想 (41)5.3 实验项目设定 (42)第六章实验指导书的编写 (44)实验一锅炉内胆水温PID整定实验 (44)实验二上水箱下水箱液位串级控制实验 (48)实验三锅炉夹套和内胆温度串级控制实验 (50)第七章总结与展望 (53)7.1总结 (53)7.2展望 (53)致谢 (54)参考文献 (55)附录 (56)附录一英文原文 (56)附录二中文翻译 (70)第一章绪论1.1本次毕业设计的背景及意义随着现代工业的不断发展,计算机技术、信息技术、现代管理技术以及先进工艺技术得到了具体地应用。
dcs实训报告2000字摘要DCS(Distributed Control System),即分布式控制系统,是一种工业领域中常见的控制系统,它可以实现高效的过程控制。
因此,DCS的使用越来越普遍。
本文首先介绍了DCS应用的基本原理,然后介绍了如何在DCS系统中实现控制算法,最后介绍了本人在DCS系统实训中进行的相关实验。
结果表明,DCS系统能够实现精确的控制任务,整体控制效果良好。
关键词:DCS,原理,实验,控制1、DCS系统的基本原理DCs系统是分布式控制系统的简称,是工业领域中主要应用的系统之一。
DCs系统可以实现现场设备数据的采集、处理、控制等功能。
在分布式控制系统中,具有可控设备的控制现场控制现场被分布式分为多个控制系统,其中每个控制系统都由一个控制器和其相关的设备构成,各种控制器之间依靠网络连接,实现了分布式控制系统的功能的实现。
当DCS系统设置好参数后,就可以实现控制功能了,它可以根据过程变量及设定了的控制算法,实现现场设备的自动控制和监控,实现精确的过程控制,提高了控制的准确性和可靠性。
2、DCS系统中控制算法的实现DCS系统是以设备和控制算法为基础的,通过控制算法来实现自动化控制,因而在实际应用中控制算法的选择是十分重要的,有一定的计算复杂度和计算负荷要求。
控制系统中可以使用常见的算法来实现控制,如PID(比例-积分-微分)控制和状态反馈控制,这些控制算法都能够实现更精确的控制,控制精度更高,且可以根据实际的需求进行修改。
3、DCS系统实训实验为了更好的了解DCS系统,本人在大学实习期间进行了DCS系统的实训实验。
实验中使用了瑞普特(Riptise)DCS系统,通过实验,可以有效地说明DCS系统的基本原理以及实现技术。
首先,根据实验要求,按照实验指导书的指示进行系统构建,实现过程控制系统的建立。
其次,在实验中,使用Riptise仿真工具,实现流程控制系统的仿真,并进行实验,以确定该系统的建立是否正确。
专业综合课程设计题目:加热炉集散控制系统设计专业:电气工程及其自动化班级:电气11-5 班姓名:温遂云学号:11034020525指导老师:康珏设计时间2014 年10 月8 日至2015 年11 月 1 日目录摘要................................................................................................2 关键词.............................................................................................2 正文................................................................................................2 JX-300XP 概述 (2)各操作站作用 (3)I/O 卡件机笼包括卡件组成以及它们的功能………………………………… 4 JX-300X DCS 系统的组态软件包各软件的作用.................................... 5 JX-300X DCS 系统通信网络的构成及其各个部分的基本特性.................. 5 项目的设计.......................................................................................6 工艺简介.................................................................................... 6 加热炉控制流程图........................................................................ 6 控制方案.................................................................................... 6 原料油罐液位控制............................................................... 6 原料加热炉烟气压力控制...................................................... 7 原料加热炉出口温度控制...................................................... 7 控制站及操作站配置..................................................................... 7 系统组态..........................................................................................8 新建一个组态.............................................................................. 8 I/O 组态........................................................................... 8 操作小组的组态........................................................................ 11 常规控制方案的组态................................................... 12 创建数据组(区)..................................................................... 14 位号的区域划分............................................................... 15 光字牌设置.............................................................................. 16 设置网络策略..................................................................... 16 操作站标准画面组态.................................................................. 16 流程图的制作..................................................................... 18 报表的制作.............................................................................. 20 下载调试 (22)组态的编译和下载.....................................................................22 手操器检测系统工作是否正常......................................................22 图形化编程 (23)基本步骤.................................................................................... 23 常用的图形编程模块............................................................ 25 应用举例........................................................................... 26 参考文献......................................................................................................27 心得....................................................................................27 附录 1-卡件的选择..............................................................................28 附录 2-测点清单.................................................................................30 实验十(空气压力控制实验)...................................................30 实验目的........................................................................ 30 实验设备........................................................................ 30 实验原理 (30)压力基本回路控制工段………………………………………………. 31 实验内容与步骤……………………………………………………………32 实验数据处理………………………………………………………………34 实验心得体会 (35)摘要集散控制系统是一个由过程控制级和过程监控级组成的以通信网络为纽带的多级计算机系统,综合了计算机,通信、显示和控制等 4C技术,其基本思想是分散控制、集中操作、分级管理、配置灵活以及组态方便。
计算机控制技术实习报告班级:电气1331班小组成员:罗欢、刘双、罗鸣指导教师:胡乃清、熊媛媛实习地点:实B301一、实习目的1熟悉集散控制系统(DCS)的组成2掌握Advan Trol Por组态软件的使用方法。
3培养灵活组态的能力。
4掌握系统组态与装置调试的技能。
二、实训内容以CS2000型实训装置为对象,按照实习任务书利用Advan Trol Por组态软件完成组态包括:1 数据库组态2 设备组态3控制器算法组态4 画面组态5 系统调试实习任务书如下:CS2000型实训装置DCS控制系统设计与调试任务书1.装置简述CS2000型实训装置是我院所购的微型装置,主要包括水槽、水箱、锅炉、换热器等对象。
它还集成了差压式流量计、涡轮流量计、液位计、热电阻等检测仪表,还集成了电动调节阀、变频泵、交流调压模块等执行器。
可配调节仪表或DCS实现常规仪表控制和DCS控制。
可实现的主要控制方案包括:液位单回路控制、流量单回路控制、流量—液位串级控制、液位—液位串级控制、前馈控制、温度单回路控制、流量比值控制.2.项目要求:要求按照DCS工程项目的设计、施工流程完成以下工作:(1)用户管理要求见表1表1 CS2000DCS系统用户管理要求表(2)按照表2所见的测点配置清单完成I/O组态表2 CS2000DCS系统测点配置清单(4)控制站及操作站配置✓项目由1个控制站、1个工程师站构成✓控制站地址根据网络确定(为02或04或06),工程师站地址设为本机地址. ✓要求主控卡、电源、数据转发卡、网络均冗余配置✓利用工程师站或操作员站可查看水箱和换热器的所有过程参数和画面(5)数据分为锅炉数据组和液位数据组, 炉数据组分为锅炉、换热器两个数据区;水箱操作小组设置液位数据组,液位数据组分为流量、液位数据区。
(6)工程师操作小组要求见表4表4 CS2000操作小组设置表A在工程师操作小组下绘制相关回路流程图B在分组画面第二页中显示累积量C添加液位的动画效果。
集散控制系统实验报告姓名刘金琳学号 10S030097 2011年4月实验一 分布式网络伺服控制系统实验目的:1. 熟悉TureTime 仿真软件的安装和基本使用操作;2. 熟悉网络控制系统的仿真;3. 分析网络流量和调度策略对分布式网络控制系统时延和控制性能的影响。
实验内容: 设直流伺服系统的连续时间传递函数为:)1(1000)(+=s s s G ,采用四个计算机节点来实现该系统,一个时间驱动的传感器节点周期性地对过程进行采样,并通过网络把采样结果送到控制器。
控制节点计算控制信号并把结果送到执行器节点,产生连续执行结果。
还有一个节点模拟网络中的额外流量,并在控制器节点运行高优先级的任务模拟网络节点的任务分配。
实验步骤:1. 安装TrueTime 仿真软件包,设置系统环境变量,运行Matlab 初始化命令;2. 根据$DIR/examples/simple_pid/matlab 中的直流伺服过程PID 控制的实例,熟悉Truetime 的仿真操作;3. 按照试验内容建立仿真系统,给出Simulink 仿真框图;4. 首先考察没有额外网络流量,而且控制器节点也没有额外任务的情况,观察系统运行的延迟时间和控制性能,给出相关结果;5. 打开额外网络流量,而且控制器节点也增加额外任务,采用两种不同的网络协议,和两种不同的调度策略,观察系统运行延迟时间和控制性能,给出相关结果并分析原因。
实验结果与分析:1分布式网络伺服控制系统仿真框图如下:2 仿真结果及分析:2.1 设额外网络流量为零(BWshare=0.0),且控制器节点也没有额外任务的情况下,选择网络协议为:CSMA/AMP(CAN),调度策略为‘prioFP’,其输入,输出曲线如下图所示: 延迟时间为0.03s,超调量为20%,上升时间约为0.05s,调整时间约为0.11s,控制性能好.2.2 设额外网络流量为0.1(BWshare=0.1),且控制器节点增加额外任务的情况下,选择网络协议为:CSMA/AMP(CAN),调度策略为‘prioFP’,其输入,输出曲线如下图所示: 延迟时间为0.03s,超调量为15%,上升时间约为0.05s,调整时间约为0.17s,控制性能较好.2.3 设额外网络流量为0.2(BWshare=0.2),且控制器节点增加额外任务的情况下,选择网络协议为:CSMA/AMP(CAN),调度策略为‘prioRM’,其输入,输出曲线如下图所示: 延迟时间为0.03s,超调量为20%,上升时间约为0.05s,调整时间约为0.15s,控制性能较好.2.4 设额外网络流量为0.2(BWshare=0.2),且控制器节点增加额外任务的情况下,选择网络协议为:Round Robin,调度策略为‘prioFP’,其输入,输出曲线如下图所示: 延迟时间为0.035s,超调量为50%,上升时间约为0.05s,调整时间约较长,控制性能差.2.5设额外网络流量为0.2(BWshare=0.2),且控制器节点增加额外任务的情况下,选择网络协议为:Round Robin,调度策略为‘prioRM’,其输入,输出曲线如下图所示: 延迟时间为0.035s,超调量大于50%,上升时间约为0.05s,调整时间较长,控制性能差.由以上四幅曲线图可以看出,图2.3和图2.4曲线的超调量和调整时间明显比图2.1和图2.2的数值大.因此当分布式网络伺服控制系统的网络协议选择CSMA/AMP(CAN)时,其控制性能明显比选择Round Robin网络协议的系统好.同时,比较图2.1和图2.2(或图2.3与图2.4)的曲线, 其曲线的分布相似.综上所述,可以得出以下结论网络协议的选择对系统控制性能起决定性作用,而且对于同一网络协议,选择不同的调度策略对系统的控制性能影响较小.实验二分布式无线网络控制系统实验目的:1.熟悉无线网络控制系统的仿真操作;2.熟悉电源模块的使用方法;3.分析不同网络协议和参数对分布式无线网络控制系统时延和控制性能的影响。
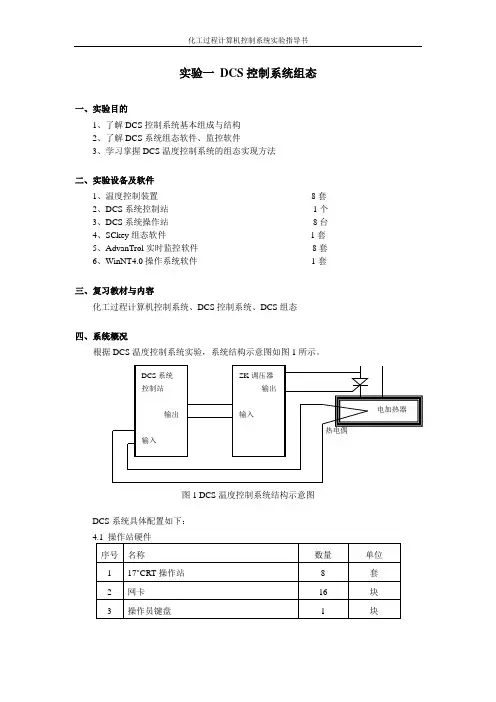
实验一DCS控制系统组态一、实验目的1、了解DCS控制系统基本组成与结构2、了解DCS系统组态软件、监控软件3、学习掌握DCS温度控制系统的组态实现方法二、实验设备及软件1、温度控制装置8套2、DCS系统控制站1个3、DCS系统操作站8台4、SCkey组态软件1套5、AdvanTrol实时监控软件8套6、WinNT4.0操作系统软件1套三、复习教材与内容化工过程计算机控制系统、DCS控制系统、DCS组态四、系统概况根据DCS温度控制系统实验,系统结构示意图如图1所示。
图1 DCS温度控制系统结构示意图DCS系统具体配置如下:五、组态内容及步骤系统组态是在工程师站上利用组态软件Sckey完成整个DCS系统方案设定,进行总体编译后,下载到控制站执行,并传送至其他操作站,成为操作站监控软件所调用的信息文件。
具体组态步骤及内容如下:5.1 总体信息组态总体信息组态主要根据项目实际情况,确定控制站、操作站的数量及其地址,步骤如下:1)启动Sckey组态软件;2)点击“总体信息”菜单下的“主机设置”,进入主控制卡和操作站组态画面;3)选择“主控卡”,增加一个控制站,填上IP地址,选择主控卡型号,并在冗余一栏选中冗余;4)选择“操作站”,增加8个操作站,在地址一栏中填上相应IP地址,在类型选择时指定1个为工程师站,其余7个为操作站。
5.2 控制站组态控制站组态主要包括I/O组态、控制方案组态、自定义变量组态等内容。
1)I/O组态:点击“控制站”下拉菜单中的“I/O组态”,进入系统的I/O组态环境,先确定数据转发卡的地址、型号及数量,其次确定该数据转发卡所在机笼下的I/O卡件地址、型号及冗余与否等内容,再进入该卡件的I/O点组态,其内容包括各信号点的位号、地址、类型、信号点的有关参数设置等。
2)控制方案组态:可分为常规控制方案和自定义控制方案组态;常规控制方案组态时,只需在对话框填入相应的回路号及该回路的输入/输出位号即可,各单回路控制器的PID参数是在监控画面中设置和调整;自定义控制方案组态可选择SCX语言编程或着选择图形化组态方式进行。
计算机控制技术实习报告班级:电气1331班小组成员:罗欢、刘双、罗鸣指导教师:胡乃清、熊媛媛实习地点:实B301一、实习目的1熟悉集散控制系统(DCS)的组成2掌握Advan Trol Por组态软件的使用方法。
3培养灵活组态的能力。
4掌握系统组态与装置调试的技能。
二、实训内容以CS2000型实训装置为对象,按照实习任务书利用Advan Trol Por组态软件完成组态包括:1 数据库组态2 设备组态3控制器算法组态4 画面组态5 系统调试实习任务书如下:CS2000型实训装置DCS控制系统设计与调试任务书1.装置简述CS2000型实训装置是我院所购的微型装置,主要包括水槽、水箱、锅炉、换热器等对象。
它还集成了差压式流量计、涡轮流量计、液位计、热电阻等检测仪表,还集成了电动调节阀、变频泵、交流调压模块等执行器。
可配调节仪表或DCS实现常规仪表控制和DCS控制。
可实现的主要控制方案包括:液位单回路控制、流量单回路控制、流量—液位串级控制、液位—液位串级控制、前馈控制、温度单回路控制、流量比值控制。
2.项目要求:要求按照DCS工程项目的设计、施工流程完成以下工作:(1)用户管理要求见表1表1 CS2000DCS系统用户管理要求表(2)按照表2所见的测点配置清单完成I/O组态表2 CS2000DCS系统测点配置清单(4)控制站及操作站配置✓项目由1个控制站、1个工程师站构成✓控制站地址根据网络确定(为02或04或06),工程师站地址设为本机地址。
✓要求主控卡、电源、数据转发卡、网络均冗余配置✓利用工程师站或操作员站可查看水箱和换热器的所有过程参数和画面(5)数据分为锅炉数据组和液位数据组, 炉数据组分为锅炉、换热器两个数据区;水箱操作小组设置液位数据组,液位数据组分为流量、液位数据区。
(6)工程师操作小组要求见表4表4 CS2000操作小组设置表A在工程师操作小组下绘制相关回路流程图B在分组画面第二页中显示累积量C添加液位的动画效果。
电厂dcs仿真实习报告【篇一:300mw电厂仿真实习心得体会】300mw电厂仿真实习心得体会专业:能源与环境系统工程邹诗洺 20130312一、实习目的和意义电厂仿真实习是热能与动力工程专业为培养高级生产运行管理技术人员,加强生产实践教学环节的一个重要组成部分,也是热能与动力工程专业主要专业技术课程的后续实践性教学环节之一。
为强化专业技能训练,为已修锅炉原理,汽轮机原理以及企业热电站等主要专业技术课程的基础上进行仿真实习。
针对为我国化工、石化、轻工、电力、冶金等行业输送热能动力设备的运行、管理技术人才这一目标,使学生能够在毕业参加工作之前,切身体会生产运行在实际生产过程中分析、判断能力和解决问题的能力。
通过理论与实践的有机结合,从而巩固和加深本专业的理论知识和实践技术管理能力,为今后真实参与动力设备运行操作和技术管理打下牢固的专业基础。
仿真实习的总体要求现代大型火力发电机组大都实行单元机组集中控制,通过crt屏幕对整台机组的运行参数进行集中监控和操作。
学生须掌握机、炉、电3方面的专业理论知识以及电厂自动化控制系统和单元机组集控运行方面的理论。
但是,仅仅掌握这些知识对于生产运行还不够,因此,在实际的操作之前必须进行专业理论知识的补充和完善,并进行操作技能和对事故的判断及处理的培训。
另外,单元机组的运行人员的职责是保证机组及所有辅助设备在各种工况下的稳定和安全运行,特别是在出现异常情况时要做出快速、准确的分析判断,并果断地做出处理,这就对学生的心理素质和群体协作精神提出了较高的要求。
因此,基于单元机组生产的仿真教学对学生所提出的要求可以说是两方面的:一是较高的技术素质;二是良好的心理素质。
这两种素质的培养,特别是后一种素质的培养,难以在单纯的课堂教学中完成,更多地要由基于计算机仿真技术和多媒体的“课堂教学与仿真机的组合模式”来进行。
已有的经验表明,利用仿真机进行各种模拟操作和事故处理是培训学生技术素质和心理素质的最佳途径。
集散控制系统实验报告学院:电子信息与电气工程学院学生姓名:***学号:专业班级:合作者:崔俭俭朱雪扬指导教师:***时间:2015年10月27日蒸发器控制系统一、实训目的(1)熟悉集散控制系统(DCS)的组成;(2)学习、掌握集散控制系统硬件选型和系统配置方法;(3)掌握MACS组态软件的使用方法;(4)培养灵活组态的能力及DCS系统调试技能。
二、实训流程及内容利用实验室内的THSA-1型生产过程自动化技术综合实训装置,以及和利时的MACS系统进行组态实训,内容包括:(1)设备选型及系统配置(2)数据库组态、设备组态(3)算法组态(4)图形组态(5)系统调试三、实训设备和器材(1)THSA-1型生产过程自动化技术综合实训装置(2)和利时DCS现场控制站四、实训接线将过程连接电缆接到和利时DCS控制装置电缆接口。
五、实训步骤1、工程描述及工程分析以所给反应器工艺控制流程为工业背景,构建集散控制系统,实现图中所要求的功能。
要求:1)系统配置要求:一个现场控制站,二个操作员站,一台服务器,不冗余2)系统的硬件构成—型号及数量,给出配置原理图3)完成系统组态,并实现图中所示的控制功能工程分析:从所给工艺流程可知,共有13个温度测点、5个压力测点、3个流量测点,5个阀门。
压力和流量的测量在现场控制中由器件直接转化为标准电信号,可直接输入FM148A模块,该模块为8路高电平输入模块,由压力和流量输入点个数决定需要1个FM148A;温度不能直接传送信号,需使用热电阻输入模块FM143进行传送,该模块为8路,所以由温度指示点个数决定应使用2个;输出模块FM151则用于5个输出点。
因此该系统需要四个模块,其中二个FM143A和一个FM148A用于采集温度、压力、流量,一个FM151用于控制电动阀的开度。
系统构成框图如下所示:2、建立工程新建一工程,命名为reactor system,并编辑域组号为1。
3、设备组态为系统内的所有设备包括服务器、操作站、控制站、输入输出模块指定地址,从而建立他们之间的联系。
霜脲氰DCS实训报告霜脲氰dcs实训报告 1通过这次实践训练,我收获了很多。
一方面学到了很多以前没学过的专业知识和知识应用,另一方面也提高了自己做项目的能力。
这次培训是对我能力的进一步锻炼,也是一次考验。
从中获得的很多收获也是非常有价值和意义的。
实训是一个让我把书本上的理论知识运用于实践中的好机会,原来,学的时候感叹学的内容太难懂,现在想来,有些其实并不难,关键在于理解。
在这次实训中还锻炼了我其他方面的能力,提高了我的综合素质。
首先,它锻炼了我做项目的能力,提高了独立思考问题、自己动手操作的能力,在工作的过程中,复习了以前学习过的知识,并掌握了一些应用知识的技巧等。
其次,实训中的项目作业也使我更加有团队精神。
从那里,我学会了下面几点找工作的心态:第一,继续学习,不断提高理论涵养。
在信息时代,学习是不断吸收新信息,获得职业进步的动力。
作为一个年轻的学生,应该把学习作为保持工作热情的重要途径。
上岗后,我会积极响应单位的号召,结合工作实践不断学习理论、业务知识和社会知识,用先进的理论武装头脑,用过硬的业务知识提高能力,用广博的社会知识开阔视野。
第二,努力练习,有意识地转换角色。
只有将理论付诸实践,才能实现理论本身的价值,只有将理论付诸实践,才能检验理论。
同样,一个人的价值是通过实践活动来实现的,也只有通过实践才能锻炼自己的品质,彰显自己的意志。
我们必须投入到实际的工作和生活中,有意识地改变这种角色。
霜脲氰dcs实训报告 2在实习中,我严格按照实训规程进行操作。
做为一名初出茅庐的普通大学生,我不会放松对自己的要求,我希望用自己一开始的学习热情来对待日后的每一项任务工作。
在这次实训期间,虽然经常感到很苦,很累,但苦中有乐,累中有趣,也都表现的非常地积极努力认真。
这次实训内容主要就是机器维修工作,但我获益不浅,感慨良多。
我感受最深的,有如下几点:其一,实训是个人综合能力的检验。
要想优秀完成工作,除了办公室基础知识功底深厚外,还需有一定的实践动手能力,操作能力,应付突发故障的能力,还要对办公室中常用软件都能熟练操作。
DCS实训总结引言本文对DCS实训进行总结,讨论了实训的目标、流程以及取得的成果。
同时,还对实训过程中遇到的困难和问题进行了分析,并提出了改进措施。
目标实训的目标是培养学生在分布式控制系统(DCS)领域的能力。
通过参与实际项目,学生可以掌握DCS的基本原理和应用技术,了解DCS的组成结构和工作原理,并具备独立开发和调试DCS系统的能力。
流程实训的流程如下: 1. 确定项目:根据实训目标和学生的实际情况,确定适合的DCS项目。
2. 系统学习:学生通过自学或集中培训的方式,学习DCS的基本知识和技术。
3. 系统设计:学生根据项目需求和系统要求,进行DCS系统的设计和规划。
4. 编码开发:学生使用相关编程语言和开发工具,进行DCS系统的编码开发。
5. 系统调试:学生根据实际情况,对DCS系统进行调试和优化。
6. 系统测试:学生进行系统测试,检验系统是否满足需求。
7. 总结总结:学生对整个实训过程进行总结,提出改进意见。
成果在实训过程中,学生取得了以下成果: - 掌握了DCS系统的基本原理和应用技术。
- 学习了相关编程语言和开发工具的使用。
- 熟悉了DCS系统的设计和开发流程。
- 能够独立完成DCS系统的开发和调试工作。
困难和问题在实训过程中,学生面临了一些困难和问题,主要包括: 1. 知识储备不足:部分学生对DCS系统的基本原理和应用技术了解不深,需要进行额外的学习。
2. 编码能力不足:部分学生对编程语言和开发工具的使用还不熟练,需要加强练习和实践。
3. 调试困难:DCS系统的调试过程较为复杂,需要学生具备良好的逻辑思维和问题分析能力。
改进措施针对上述困难和问题,可以采取以下改进措施: 1. 加强知识讲解:在实训开始前,组织专门的讲座或培训,对DCS系统的基本原理和应用技术进行详细讲解,帮助学生建立知识框架。
2. 增加编码练习:提供更多的编码练习题和开发项目,让学生通过实践提升编码能力。
关于DCS操作学习总结(通用3篇)DCS操作学习总结1 首先感谢蔡总和郁主任给我提供了这么好的一个学习机会去上海参加横河CS3000 DCS系统组态的培训。
使我能在更好的环境中更加系统的学习我公司所使用到的DCS系统。
这是我毕业大约5年时间第一次脱产学习,我非常珍惜这次学习机会,在十多天的学习生活中,我始终保持较高的学习热情,争取能更好的为公司服务。
2017年3月4日,我受公司安排前往上海横河电机中国培训中心学习CS3000 DCS系统组态。
在这十多天的学习过程中,通过课程学习,了解了DCS系统的硬件构成、软件安装,以及项目创建、常规反馈、顺序控制和人机界面定义等内容。
DCS是分布式控制系统的英文缩写(Distributed Control System),在国内自控行业又称之为集散控制系统。
是相对于集中式控制系统而言的一种新型计算机控制系统,它是在集中式控制系统的基础上发展、演变而来的。
它是一个由过程控制级和过程监控级组成的以通信网络为纽带的多级计算机系统,综合了计算机,通信、显示和控制等4种技术,其基本思想是分散控制、集中操作、分级管理、配置灵活以及组态方便。
首先,DCS的骨架—系统网络,它是DCS的基础和核心。
由于网络对于DCS整个系统的实时性、可靠性和扩充性,起着决定性的作用,因此各厂家都在这方面进行了精心的设计。
对于DCS的系统网络来说,它必须满足实时性的要求,即在确定的时间限度内完成信息的传送。
这里所说的“确定”的时间限度,是指在无论何种情况下,信息传送都能在这个时间限度内完成,而这个时间限度则是根据被控制过程的实时性要求确定的。
因此,衡量系统网络性能的指标并不是网络的速率,即通常所说的每秒比特数(bps),而是系统网络的实时性,即能在多长的时间内确保所需信息的传输完成。
系统网络还必须非常可靠,无论在任何情况下,网络通信都不能中断,因此多数厂家的DCS均采用双总线、环形或双重星形的网络拓扑结构。
华北电力大学实验报告实验名称基于DCS实验平台实现的水箱液位控制系统综合设计课程名称计算机控制技术与系统专业班级:自动实 1101学生姓名:潘浩学号:201102030117成绩:指导教师:刘延泉实验日期:2014/6/29基于DCS实验平台实现的水箱液位控制系统综合设计一.实验目的通过使用LN2000分散控制系统对水箱水位进行控制,熟悉掌握DCS控制系统基本设计过程。
二.实验设备PCS过程控制实验装置;LN2000 DCS系统;上位机(操作员站)三.系统控制原理采用DCS控制,将上水箱液位控制在设定高度。
将液位信号输出给DCS,根据PID参数进行运算,输出信号给电动调节阀,由DDF电动阀来控制水泵的进水流量,从而达到控制设定液位基本恒定的目的。
系统控制框图如下:四.控制方案改进可考虑在现有控制方案基础上,将给水增压泵流量信号引入作为导前微分或控制器输出前馈补偿信号。
五.操作员站监控画面组态本设计要求设计关于上水箱水位的简单流程图画面(包含参数显示)、操作画面,并把有关的动态点同控制算法连接起来。
1.工艺流程画面组态在LN2000上设计简单形象的流程图,并在图中能够显示需要监视的数据。
要求:界面上显示所有的测点数值(共4个),例如水位、开度、流量等;执行机构运行时为红色,停止时为绿色;阀门手动时为绿色,自动时为红色。
2.操作器画面组态与SAMA图对应,需要设计的操作器包括增压泵及水箱水位控制DDF阀手操器:A.设备驱动器的组态过程:添加启动、停止、确认按钮(启动时为红色,停止和确认时为绿色)添加启停状态开关量显示(已启时为红色,已停时为绿色)B.M/A手操器的组态过程:PV(测量值)、SP(设定值)、OUT(输出值)的动态数据显示,标明单位,以上三个量的棒状图动态显示,设好最大填充值和最大值;手、自动按钮(手动时为1,显示绿色;自动时为0,显示红色),以及SP、OUT的增减按钮;SP(设定值)、OUT(输出值)的直接给值(用数字键盘)3.趋势画面组态趋势显示--新建实时趋势—添加三个观察数据点:上水箱水位、上水箱水位设定值和DDF电动阀开度电动阀投自动后设给定值SP,上水箱水位PV应逐渐逼近设定值SP对于趋势画面组态来说,我们可以看见图中有很多如“加长”“缩短”“放大”“缩小”等按钮,可以在我们需要的时候对我们所观察的图像曲线进行一定的加工,以期能够得到更好的观察结果。
四.控制方案改进可考虑在现有控制方案基础上,将给水增压泵流量信号引入作为导前微分或控制器输出前馈补偿信号。
五.操作员站监控画面组态本设计要求设计关于上水箱水位的简单流程图画面(包含参数显示)、操作画面,并把有关的动态点同控制算法连接起来。
1.工艺流程画面组态在LN2000上设计简单形象的流程图,并在图中能够显示需要监视的数据。
要求:界面上显示所有的测点数值(共4个),例如水位、开度、流量等;执行机构运行时为红色,停止时为绿色;阀门手动时为绿色,自动时为红色。
2.操作器画面组态与SAMA图对应,需要设计的操作器包括增压泵及水箱水位控制DDF阀手操器:A.设备驱动器的组态过程:添加启动、停止、确认按钮(启动时为红色,停止和确认时为绿色)添加启停状态开关量显示(已启时为红色,已停时为绿色)B.M/A手操器的组态过程:PV(测量值)、SP(设定值)、OUT(输出值)的动态数据显示,标明单位,以上三个量的棒状图动态显示,设好最大填充值和最大值;手、自动按钮(手动时为1,显示绿色;自动时为0,显示红色),以及SP、OUT的增减按钮;SP(设定值)、OUT(输出值)的直接给值(用数字键盘)3.趋势画面组态趋势显示--新建实时趋势—添加三个观察数据点:上水箱水位、上水箱水位设定值和DDF电动阀开度电动阀投自动后设给定值SP,上水箱水位PV应逐渐逼近设定值SP对于趋势画面组态来说,我们可以看见图中有很多如“加长”“缩短”“放大”“缩小”等按钮,可以在我们需要的时候对我们所观察的图像曲线进行一定的加工,以期能够得到更好的观察结果。
4.SAMA图组态本图为本次实验的上水箱水位控制SAMA图组态模块介绍:主要是AI、DI、AO、DO、AM、DM、PID 控制器、M/A手操器、设备驱动器,RS触发器、比较器模块,包括模块实现的功能及其输入输出中间参数。
(详见算法手册说明)本实验需要组态的有:(1)设备驱动器:电动门、增压泵(2)M/A手操器:水箱水位控制DDF阀手操器SAMA图功能说明:实现手自动无扰切换(利用跟踪),偏差大的时候切手动,增压泵流量只有在DDF电动阀有一定开度的时候才允许启动。
dcs实验报告
DCS实验报告
实验目的:通过DCS(分布式控制系统)的实验,探索其在工业控制领域的应
用及性能表现。
实验设备:我们使用了一套由DCS控制器、传感器、执行器等组成的工业控制
系统,并搭建了一个简单的模拟工业生产线。
实验过程:在实验过程中,我们首先对DCS控制器进行了配置和编程,设置了
一些基本的控制逻辑和参数。
然后,我们将传感器和执行器连接到DCS控制器,并进行了调试和测试。
最后,我们模拟了一些常见的工业生产场景,如温度控制、液位控制等,通过DCS控制器对生产线进行了控制和监控。
实验结果:通过实验,我们发现DCS在工业控制领域具有以下优点:首先,DCS可以实现分布式控制,多个控制器可以相互通信和协作,提高了系统的灵
活性和可靠性;其次,DCS具有强大的数据采集和处理能力,可以实时监控和
分析生产过程中的数据,为生产过程的优化提供了有力支持;此外,DCS还具
有良好的扩展性和可维护性,可以方便地进行系统升级和维护。
结论:通过本次实验,我们认为DCS在工业控制领域具有广阔的应用前景,可
以为工业生产带来更高的效率和更好的控制性能。
我们将继续深入研究DCS在
实际生产中的应用,并不断优化和完善其性能,以更好地满足工业生产的需求。
(封面)XXXXXXX学院DCS系统综合实践过控报告题目:院(系):专业班级:学生姓名:指导老师:时间:年月日综合实践过控报告实验目的1、熟悉A3000实验装置及过程控制实训装置的工艺流程。
2、熟悉使用浙大中控DCS系统,了解DCS系统的工作原理。
3、掌握使用DCS系统组态软件进行组态和设计控制系统基本过程。
4、在A3000实验装置或过程控制实训装置上完成对象特性测试及建模。
5、在A3000实验装置或过程控制实训装置上完成简单控制系统的设计与分析。
6、在A3000实验装置或过程控制实训装置上完成复杂控制系统的设计与分析。
7、深入理解控制器参数的调整原理。
实验内容1.熟悉工艺流程,绘制装置流程图。
(第1天)1.1工作内容(1)熟悉系统的工艺流程,了解装置上的检测点和执行机构并进行记录。
(2)了解装置上各个手动阀和泵的作用。
(3)了解电磁阀的作用和工作原理。
(4)了解变频泵的作用和工作原理(5)掌握如何开启、关闭系统。
(6)在前几步的基础上进行如下操作:a).使用工频支路给上水箱上水。
b).使用变频支路给上水箱上水。
c).使用工频支路给下水箱上水。
d).使用变频支路给下水箱上水。
(7)绘制整个工艺过程的工艺流程图1.2 思考题:如何控制上水箱的水位(给出设计方案)。
2.熟悉浙大中控DCS的设计环境及控制站组态、整合(第2-3天)2.1思考题:(1)什么是DCS?(2)控制站和操作站在整个系统中有何作用。
(3)“组态”的含义是什么?(4)主控卡的各种参数依据什么设定?(5)控制站组态的顺序?(6)I/O点的组态与DCS的硬件系统有何关系。
(7)流程图组态需要注意哪些事项。
(8)运行时流程图的动态效果是如何实现的。
(9)各种组态的作用。
(10)各种组态需要遵循的原则有哪些?(11)为何要进行系统整合?注意:在进行以上各项组态时,要理解各项组态的含义及作用,组态时要具有目的性。
答:(1)什么是DCSDCS是分布式控制系统的英文缩写(Distributed Control System),在国内自控行业又称之为集散控制系统。
华北电力大学实验报告实验名称基于DCS实验平台实现的水箱液位控制系统综合设计课程名称计算机控制技术与系统专业班级:自动实 1101学生姓名:潘浩学号:201102030117成绩:指导教师:刘延泉实验日期:2014/6/29基于DCS实验平台实现的水箱液位控制系统综合设计一.实验目的通过使用LN2000分散控制系统对水箱水位进行控制,熟悉掌握DCS控制系统基本设计过程。
二.实验设备PCS过程控制实验装置;LN2000 DCS系统;上位机(操作员站)三.系统控制原理采用DCS控制,将上水箱液位控制在设定高度。
将液位信号输出给DCS,根据PID参数进行运算,输出信号给电动调节阀,由DDF电动阀来控制水泵的进水流量,从而达到控制设定液位基本恒定的目的。
系统控制框图如下:四.控制方案改进可考虑在现有控制方案基础上,将给水增压泵流量信号引入作为导前微分或控制器输出前馈补偿信号。
五.操作员站监控画面组态本设计要求设计关于上水箱水位的简单流程图画面(包含参数显示)、操作画面,并把有关的动态点同控制算法连接起来。
1.工艺流程画面组态在LN2000上设计简单形象的流程图,并在图中能够显示需要监视的数据。
要求:界面上显示所有的测点数值(共4个),例如水位、开度、流量等;执行机构运行时为红色,停止时为绿色;阀门手动时为绿色,自动时为红色。
2.操作器画面组态与SAMA图对应,需要设计的操作器包括增压泵及水箱水位控制DDF阀手操器:A.设备驱动器的组态过程:添加启动、停止、确认按钮(启动时为红色,停止和确认时为绿色)添加启停状态开关量显示(已启时为红色,已停时为绿色)B.M/A手操器的组态过程:PV(测量值)、SP(设定值)、OUT(输出值)的动态数据显示,标明单位,以上三个量的棒状图动态显示,设好最大填充值和最大值;手、自动按钮(手动时为1,显示绿色;自动时为0,显示红色),以及SP、OUT的增减按钮;SP(设定值)、OUT(输出值)的直接给值(用数字键盘)3.趋势画面组态趋势显示--新建实时趋势—添加三个观察数据点:上水箱水位、上水箱水位设定值和DDF电动阀开度电动阀投自动后设给定值SP,上水箱水位PV应逐渐逼近设定值SP对于趋势画面组态来说,我们可以看见图中有很多如“加长”“缩短”“放大”“缩小”等按钮,可以在我们需要的时候对我们所观察的图像曲线进行一定的加工,以期能够得到更好的观察结果。
4.SAMA图组态本图为本次实验的上水箱水位控制SAMA图组态模块介绍:主要是AI、DI、AO、DO、AM、DM、PID 控制器、M/A手操器、设备驱动器,RS触发器、比较器模块,包括模块实现的功能及其输入输出中间参数。
(详见算法手册说明)本实验需要组态的有:(1)设备驱动器:电动门、增压泵(2)M/A手操器:水箱水位控制DDF阀手操器SAMA图功能说明:实现手自动无扰切换(利用跟踪),偏差大的时候切手动,增压泵流量只有在DDF电动阀有一定开度的时候才允许启动。
在给水流量为零的时候跳闸。
SAMA图设计思路说明:首先对上水箱水位进行测量,然后通过滤波环节处理后输入到PID的PV(过程变量)口。
同时对上水箱水位进行报警监测,当上水箱水位高于20cm的时候进行高水位报警。
PID控制器的输出输入到M/A站。
M/A输出上水箱水位设定值,一是提供给PID控制器作为SP的输入,二是将此设定值与上水箱水位实际值进行比较,如果两者偏差的绝对值大于5,则进行强制切手动动作。
PID控制器的TR口对M/A站的输出进行跟踪,同时M/A 站的SPT口也对实际的上水箱水位值进行跟踪(为了满足无扰动切换的要求)。
在操作员站发出手自动切换指令的时候,M/A站的S输出口发出指令,发到PID控制器的STR口进行手自动切换的动作(在发出M/A站进行手动控制的指令时,S输出开关量1,PID控制器STR口收到指令后停止动作,满足手动操作的要求;在操作员发出自动操作的指令的时候,S=0,PID控制器此时进行自动调节动作,M/A停止手动动作)。
同时,通过M/A站的输出,电动调节阀只有在电动调节阀开度大于一定程度(5%)的时候,会启动电源;也会在电动调节阀开度为零的时候,关闭电动调节阀的电源。
对增压泵控制的系统来说,只有当电动调节阀开度大于一定程度(5%)的时候,对泵发出启动指令的时候,可以启动增压泵。
如果当增压泵流量为零的时候增压泵的DEVICE模块的TOTP口得到1的开关量输入,会发发出停止增压泵的指令(即增压泵流量为零时跳闸)。
5.系统数据库数据库的组态一般分为两部分:数据采集测点的配置组态和中间计算点的组态。
中间计算点是为了图形数据显示所形成的统计计算点。
I/O测点清单如下:六.组态逻辑下装步骤(2号站):过程站操作——选择需要下装的站——下装备站——执行操作——切换主备站——执行操作——从主站复制到备站——执行操作——关闭。
1号站直接下装主站-执行操作。
七.系统运行调试实验系统调试实验主要包括以下内容:(1)观察过程参数显示是否正常、执行机构操作是否正常,是否按要求变化;(2)检查控制系统逻辑是否正确,并在适当时候投入自动运行;(3)系统扰动实验(水位给定值扰动、给水(上水/下水)阀门扰动);(4)增压泵流量信号:导前微分、前馈补偿扰动实验;(4)控制回路参数在线整定,PID参数可在线整定;(5)当系统存在较大问题时,如需进行控制结构修改、增加测点等,不能在线修改,应重新离线组态、编译、下装。
八.实际实验进程内容与所遇问题的解决办法及解释1.在对实际的水箱水位控制系统进行准确而仔细的分析后,先进行SAMA组态图的设计。
在设计SAMA图的过程中,需要对AI、DI、AO、DO、AM、DM、PID控制器、M/A手操器、设备驱动器,RS触发器、比较器模块,包括模块实现的功能及其输入输出中间参数有充分的理解和认识,并且在实验室中也通过对LN2000算法手册的阅读进行了相关的学习。
同时,本阶段需要完成的任务是对电动门,增压泵等设备驱动器环节和水箱水位控制DDF阀手操器的M/A环节进行组态。
在连线的过程中,一定要注意的是逻辑的合理性和连线的准确性。
逻辑的错误会导致控制效果的失败或错误。
而连线的时候需要对实线和虚线的连线给予充分的注意。
要对表示模拟量的实线和表示开关量的虚线拥有清晰的认知。
如AI模块的输出,AO模块的输入一定是实线(模拟量);DI模块的输出,DO模块的输入一定是虚线(开关量);比较器模块的输入一定是一个或者两个实线(模拟量),而其输出必然是能够表征其比较结果的开关量-虚线;同样的,针对PID控制器模块,M/A手操器模块和DEVICE 设备模块等输入输出口较多整体结构较为复杂的模块,更需要注意每个输入输出口是否正确的连接着对应的量,以及是否符合正确的逻辑。
只有这样,才能为接下来的实验打下坚实的基础。
2.对系统全局数据库组态进行研究认识(不要求手动配置)数据库的组态一般分为两部分:数据采集测点的配置组态和中间计算点的组态。
中间计算点是为了图形数据显示所形成的统计计算点。
诸如上水箱水位,下水箱水位和增压泵流量等模拟量输入数据便是数据采集测点能够得到并输入到数据库中的数据。
而上水箱水位设定值和上水箱水位控制手/自动信号即为中间计算点的中间变量,在之后的图形界面组态设计和趋势画面组态设计中相应曲线的实际数值来源。
正确认知哪些是模拟量,那些是开关量,那些是输入量,哪些是输出量,哪些是数值量,哪些是时间量,也有助于我们之后的设计中正确的关联相应的量,进行正确的操作。
3.对图形界面组态进行设计(工艺流程画面组态和操作器画面组态)本次的实验要求的是对单容水箱水位进行控制,即只对上水箱水位进行控制。
在本环节的设计过程中,遇到很多的问题,但经过细心的思考和老师的指导后,问题都得到了解决。
在工艺流程图设计中,一定正确的使用不同的模块来表示相应的实际器件,同时设置相应的颜色,关联相应的变量,然后正确使颜色随着量的不同值进行变化。
比如,在对多边形进行设计的时候,发现画完多边形之后无论使用什么办法都无法对多边形内的颜色进行填充。
后来,发现是由于软件缺陷,只能现在调色板内选好颜色,在进行多边形的设计,这样就可以得到期望颜色的多边形了。
还有,在使用棒图表征的上水箱中,关联了上水箱水位这个变量以后一定要对所关联量的上下限进行和理的设置,否则会在后面的运行中发现很低的上水箱水位便会导致工艺流程图中棒图表示的上水箱水位直接达到满值。
对于动态数据的关联也要注意准确性。
由于能够显示单位,我们在下装运行的时候也还是能够很清楚的看到动态数据的正确与否。
但是我们能够发现,在多次的下装运行之中,总会出现上水箱实际水位信号关联的动态数据会出现反应缓慢不灵敏,或者根本没有变化的情况。
后来经过老师的讲解,我认识到了这个是硬件和软件方面的缺陷,和主要逻辑与设计思路无关。
还有很多的很小但是也很重要的问题,都在经过思考后得到了有效的解决。
4.下装运行阶段(一号站)我所在组的一号站由于备用站无法使用,便能够直接进行下装运行操作。
由于我在当天上午便完成了主要的设计(先于同组其他的同学),便独自进行了多次的下装运行实验。
但是对于实验本身来说,一号站对应五个同学(五个操作员站/过程站),在同一段时期内,只能由一位操作员进行下装运行操作,其他的操作员不能进行相关操作,但是可以对系统数据以及相关的运行情况进行监控。
而对于二号站来说,正确的组态逻辑下装步骤是非常重要的:过程站操作——选择需要下装的站——下装备站——执行操作——切换主备站——执行操作——从主站复制到备站——执行操作——关闭。
在实验当天下午的时候,二号站的几位同学发现了二号站的五台操作员站只能有其中一个站可以之行下装运行操作。
后来经过同学们的讨论和老师的指导发现,二号站的操作员都必须正确的之行组态逻辑下装步骤,这样才能正常的之行下装运行才做。
而在同组别的操作员没有执行完操作之前,其余操作员是不允许进行下装运行操作的。
一旦进行,前一位操作员下装在站内的数据便会被当前操作员下装的数据覆盖。
同样的,也是由于软件方面的缺陷,对泵的启动与停止无法达到设计逻辑的要求。
而由于流量计的硬件缺陷,一号站的增压泵流量都会一直显示负值,这也是与控制逻辑不相符合的。
不过其余的逻辑都是满足要求的,偏差过大强制手动,以及泵的启动条件都是能够很好的实现。
在下装运行阶段,对SAMA图组态进行调试运行,对增压泵流量后的比较器模块进行强制输出为1(实际意义为此时的增压泵流量为零),增压泵即会停止下来,说明排除了软硬件方面的缺陷,本系统本身的设计逻辑是没有问题的。
5.对DCS系统的认识集散型控制系统(DCS)的实质是利用计算机技术对生产过程进行集中监视、操作、管理和现场前端分散控制相统一的新型控制技术。