金属学与热处理第十一章 铸铁习题与思考题
- 格式:doc
- 大小:46.00 KB
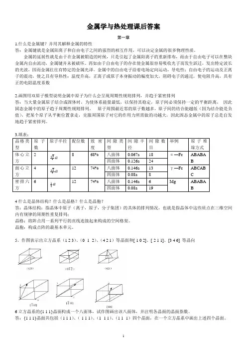
- 文档页数:3
第一章金属及合金的晶体结构一、名词解释:1.晶体:原子(分子、离子或原子集团)在三维空间做有规则的周期性重复排列的物质。
2.非晶体:指原子呈不规则排列的固态物质。
3.晶格:一个能反映原子排列规律的空间格架。
4.晶胞:构成晶格的最基本单元。
5.单晶体:只有一个晶粒组成的晶体。
6.多晶体:由许多取向不同,形状和大小甚至成分不同的单晶体(晶粒)通过晶界结合在一起的聚合体。
7.晶界:晶粒和晶粒之间的界面。
8.合金:是以一种金属为基础,加入其他金属或非金属,经过熔合而获得的具有金属特性的材料。
9.组元:组成合金最基本的、独立的物质称为组元。
10.相:金属中具有同一化学成分、同一晶格形式并以界面分开的各个均匀组成部分称为相。
11.组织:用肉眼观察到或借助于放大镜、显微镜观察到的相的形态及分布的图象统称为组织。
12.固溶体:合金组元通过溶解形成成分和性能均匀的、结构上与组元之一相同的固相。
二、填空题:1.晶体与非晶体的根本区别在于原子(分子、离子或原子集团)是否在三维空间做有规则的周期性重复排列。
2.常见金属的晶体结构有体心立方晶格、面心立方晶格、密排六方晶格三种。
3.实际金属的晶体缺陷有点缺陷、线缺陷、面缺陷、体缺陷。
4.根据溶质原子在溶剂晶格中占据的位置不同,固溶体可分为置换固溶体和间隙固溶体两种。
5.置换固溶体按照溶解度不同,又分为无限固溶体和有限固溶体。
6.合金相的种类繁多,根据相的晶体结构特点可将其分为固溶体和金属化合物两种。
7.同非金属相比,金属的主要特征是良好的导电性、导热性,良好的塑性,不透明,有光泽,正的电阻温度系数。
8.金属晶体中最主要的面缺陷是晶界和亚晶界。
9.位错两种基本类型是刃型位错和螺型位错,多余半原子面是刃型位错所特有的。
10.在立方晶系中,{120}晶面族包括(120)、(120)、(102)、(102)、(210)、 (210)、(201)、 (201)、(012)、(012)、(021)、(021)、等晶面。
金属材料与热处理练习题库与参考答案一、单选题(共30题,每题1分,共30分)1、根据石墨形态不同,铸铁的分类错误的是( )。
A、麻口铸铁B、球墨铸铁C、蠕墨铸铁D、灰铸铁正确答案:A2、GCrl5SiMn钢属于:( )。
A、滚动轴承钢B、刃具钢C、量具钢D、模具钢正确答案:A3、马氏体组织有两种形态( )。
A、树状、针状B、板条、针状C、板条、树状D、索状、树状正确答案:B4、淬火后铝合金的强度和硬度随时间而发生显著提高的现象称为( )。
A、淬火处理B、正火处理C、时效或沉淀强化D、退火处理正确答案:C5、加工硬化现象的最主要原因是( )。
A、晶粒破碎细化B、位错密度增加C、形成纤维组织正确答案:B6、a-Fe转变为y-Fe时的温度为( )摄氏度。
A、912B、770C、1538正确答案:A7、作为碳素工具钢,含碳量一般应为( )。
A、<0.25%B、>0.7%C、<0.55&D、>2.1%正确答案:B8、铜的熔点为( )。
A、1023℃B、2032℃C、1083℃D、3245℃正确答案:C9、钢的()是指钢淬火时获得一定淬透层深度的能力。
A、淬透性B、淬硬性C、时效D、冷处理正确答案:A10、ZG25表示含碳量为( )的铸造碳钢。
A、0.0025B、0.0037C、0.0028D、0.0035正确答案:A11、根据拉伸实验过程中拉伸实验力和伸长量关系,画出的--伸长曲线(拉伸图)可以确定出金属的()。
A、强度和韧性B、强度和塑性C、塑性和韧性D、强度和硬度正确答案:B12、拉伸实验时,试样拉断前所能承受的最大应力称为材料的 ( )。
A、弹性极限B、屈服强度C、抗拉强度正确答案:C13、()是硬而脆的相。
A、奥氏体B、贝氏体C、马氏体正确答案:C14、金属材料的组织不同,其性能()。
A、与组织无关B、不确定C、不同D、相同正确答案:C15、共晶白口铸铁的室温组织是( )。
金属材料学习题与思考题第七章铸铁1、铸铁与碳钢相比,在成分、组织和性能上有什么区别?(1)白口铸铁:含碳量约2.5%,硅在1%以下白口铸铁中的碳全部以渗透碳体(Fe3c)形式存在,因断口呈亮白色。
故称白口铸铁,由于有大量硬而脆的Fe3c,白口铸铁硬度高、脆性大、很难加工。
因此,在工业应用方面很少直接使用,只用于少数要求耐磨而不受冲击的制件,如拔丝模、球磨机铁球等。
大多用作炼钢和可锻铸铁的坯料(2)灰口铸铁;含碳量大于4.3%,铸铁中的碳大部或全部以自由状态片状石墨存在。
断口呈灰色。
它具有良好铸造性能、切削加工性好,减磨性,耐磨性好、加上它熔化配料简单,成本低、广泛用于制造结构复杂铸件和耐磨件。
(3)钢的成分要复杂的多,而且性能也是各不相同钢是含碳量在0.04%-2.3%之间的铁碳合金。
我们通常将其与铁合称为钢铁,为了保证其韧性和塑性,含碳量一般不超过1.7%。
钢的主要元素除铁、碳外,还有硅、锰、硫、磷等,而且钢还根据品质分类为①普通钢(P≤0.045%,S≤0.050%)②优质钢(P、S均≤0.035%)③高级优质钢(P≤0.035%,S≤0.030%)按照化学成分又分①碳素钢:.低碳钢(C≤0.25%).中碳钢(C≤0.25~0.60%).高碳钢(C≤0.60%)。
②合金钢:低合金钢(合金元素总含量≤5%).中合金钢(合金元素总含量>5~10%).高合金钢(合金元素总含量>10%)。
2、C、Si、Mn、P、S元素对铸铁石墨化有什么影响?为什么三低(C、Si、Mn低)一高(S高)的铸铁易出现白口?(1)合金元素可以分为促进石墨化元素和阻碍石墨化元素,顺序为:Al、C、Si、Ti、Ni、P、Co、Zr、Nb、W、Mn、S、Cr、V、Fe、Mg、Ce、B等。
其中,Nb为中性元素,向左促进程度加强,向右阻碍程度加强。
C和Si是铸铁中主要的强烈促进石墨化元素,为综合考虑它们的影响,引入碳当量CE = C% + 1/3Si%,一般CE≈4%,接近共晶点。
金属学与热处理习题与思考题(一)解释名词合金元素、固溶处理、红硬性、石墨化、孕育(变质)处理、球化处理、石墨化退火、时效硬化、回归、黄铜、锡青铜、巴氏合金。
(二)填空题1.按钢中合金元素含量,可将合金钢分为________________________,和__________________和_______________________几类(分别写出合金元素含量范围)。
2.合金钢按用途可分为______________、____________和____________。
3.20CrMnTi是____________钢,Cr,Mn的主要作用是________,Ti的主要作用是_____________,热处理工艺是_____________。
4.W18Cr4V是__________钢,含碳量是_______,W的主要作用是_________、Cr的主要作用是_________,V的主要作用是________。
热处理工艺是___________,最后组织是___________。
5.0Crl8Ni9Ti是__________钢,Cr,Ni和Ti的作用分别是_________ 、_________________和_______________。
6.拖拉机和坦克履带板受到严重的磨损及强烈的冲击,应选用_________钢,采用____________处理。
7.白口铸铁中碳主要以_____________的形式存在,灰口铸铁中碳主要以____________的形式存在。
8.普通灰铸铁、可锻铸铁、球墨铸铁及蠕墨铸铁中石墨的形态分别为______状、_____状和_______状。
9.铸铁的基体有__________、___________、_____________三种.10.QT500-05牌号中,QT表示_________,数字500表示__________,数字05表示____________。
第一章习题与思考题1、常见的金属晶格类型有哪些?试绘图说明其特征。
2、实际金属中有哪些晶体缺陷?晶体缺陷对金属的性能有何影响?3、为什么单晶体具有各向异性,而多晶体在一般情况下不显示各向异性?4、试计算面心立方晶格的致密度。
5、什么是位错?位错密度的大小对金属强度有何影响?6、晶体在结晶时,晶核形成种类有几种?什么是变质处理?7、置换固溶体中,被置换的溶剂原子哪里去了?8、间隙固溶体和间隙化合物在晶体结构与性能上区别何在?举例说明之。
9、解释下列名词:晶格、晶胞、晶体、晶面、晶向、晶粒、点缺陷、面缺陷、线缺陷、相、固溶强化、金属化合物、固溶体第二章习题与思考题1、什么叫结晶、过冷现象、过冷度?过冷度与冷却速度有何关系?2、金属的晶粒大小对力学性能有何影响?控制金属晶粒大小的方法有哪些?3、如果其它条件相同,试比较下列铸造条件下,铸件晶粒的大小:(1)金属型浇注与砂型浇注;(2)浇注温度高与浇注温度低;(3)铸成薄壁件与铸成厚壁件;(4)厚大铸件的表面部分与中心部分;(5)浇注时采用振动与不采用振动。
4、金属铸锭通常由哪几个晶区组成?它们的组织和性能有何特点?第三章习题与思考题1、现有A、B两元素组成如图3.1所示的二元匀晶相图,试分析以下几种说法是否正确?为什么?(1)形成二元匀晶相图的A与B两个相元的晶格类型可以不同,但是原子大小一定相等。
(2)K合金结晶过程中,由于固相成分随固相线变化,故已结晶出来的固溶体中含B量总是高于原液相中含B量。
(3)固溶体合金按匀晶相图进行结晶时,由于不同温度下结晶出来的固溶体成分和剩余液相成分都不相同,故在平衡状态下固溶体的成分是不均匀的。
图3.1 题1 图2、共晶部分的Mg-Cu相图如图3.2所示:(1)填入各区域的组织组成物和相组成物。
在各区域中是否会有纯Mg相存在?为什么?(2)求出20%Cu合金冷却到500℃、400℃时各相的成分和重量百分比。
(3)画出20%Cu合金自液相冷到室温的却曲线,并注明各阶段的相与相变过程。
第一章 复习题晶向指数相同,符号相反的为同一条直线原子排列相同但空间位向不同的所有晶向晶面指数的数字和顺序相同,符号相反则两平面互相平行晶面的空间位向不同但原子排列相同的所有晶面当一个晶向[uvw]与一个晶面(hkl )平行时hu+kv+lw=0当一个晶向[uvw]与一个晶面(hkl )垂直时h=u ,K=v ,l=w晶体的各向异性原因: 在不同晶面上的原子紧密程度不同纯铁冷却时在912 发生同素异晶转变是从 结构转变为 结构,配位数 ,致密度降低 ,晶体体积 ,原子半径发生 。
面心立方晶胞中画出)(211晶面和]211[晶向刃型位错的四个特征(作业)螺型位错的四个特征(作业)面心立方(FCC ) 体心立方(BCC ) 密排六方(HCP )晶胞原子数原子半径配位数致密度同素异构转变定义--18页晶体缺陷的分类:常见的点缺陷:常见的面缺陷:第二章 复习题一、填空1、金属结晶两个密切联系的基本过程是 和2 、金属结晶的动力学条件为3 、金属结晶的结构条件为4 、铸锭的宏观组织包括5、如果其他条件相同,则金属模浇注的铸件晶粒比砂模浇注的晶粒更细 ,高温浇注的铸件晶粒比低温浇注的晶粒 粗大 ,采用振动浇注的铸件晶粒比不采用振动的晶粒更细,薄铸件的晶粒比厚铸件晶粒更细 。
二、问答1、金属的结晶形核45页2、金属的长大的要点52页2、铸锭三晶区名称及形成过程(柱状晶为重点)3、影响柱状晶生长的因素56-57页三、名词解释:1、细晶强化2、变质处理3、铸造织构第三章二元合金的相结构与结晶作业题(复习题)1、概念合金、相、固溶体、固溶强化、、离异共晶、伪共晶2、填空1)固溶体按照溶质原子在晶格中所占位置分为和。
2)固溶体按照固溶度不同分为和。
3)置换固溶体溶解度的影响因素有、、、、和温度。
4)置换固溶体中原子半径相对差别Δr 8%且两者的晶体结构相同时才有可能形成无限固溶体。
5)间隙固溶体形成无限固溶体(填“有可能”“不可能”)6)正温度梯度下:随成分过冷程度增大分别形成、和。
《金属学与热处理》(第二版)课后习题参考答案金属学与热处理第一章习题1.作图表示出立方晶系(1 2 3)、(0 -1 -2)、(4 2 1)等晶面和[-1 0 2]、[-2 1 1]、[3 4 6] 等晶向3.某晶体的原子位于正方晶格的节点上,其晶格常数a=b≠c,c=2/3a。
今有一晶面在X、Y、Z坐标轴上的截距分别是5个原子间距,2个原子间距和3个原子间距,求该晶面的晶面参数。
解:设X方向的截距为5a,Y方向的截距为2a,则Z方向截距为3c=3X2a/3=2a,取截距的倒数,分别为1/5a,1/2a,1/2a化为最小简单整数分别为2,5,5故该晶面的晶面指数为(2 5 5)4.体心立方晶格的晶格常数为a,试求出(1 0 0)、(1 1 0)、(1 1 1)晶面的晶面间距,并指出面间距最大的晶面解:(1 0 0)面间距为a/2,(1 1 0)面间距为√2a/2,(1 1 1)面间距为√3a/3三个晶面晶面中面间距最大的晶面为(1 1 0)7.证明理想密排六方晶胞中的轴比c/a=1.633证明:理想密排六方晶格配位数为12,即晶胞上底面中心原子与其下面的3个位于晶胞内的原子相切,成正四面体,如图所示则OD=c/2,AB=BC=CA=CD=a因△ABC是等边三角形,所以有OC=2/3CE由于(BC)2=(CE)2+(BE)2则有(CD)2=(OC)2+(1/2c)2,即因此c/a=√8/3=1.6338.试证明面心立方晶格的八面体间隙半径为r=0.414R解:面心立方八面体间隙半径r=a/2-√2a/4=0.146a面心立方原子半径R=√2a/4,则a=4R/√2,代入上式有R=0.146X4R/√2=0.414R9.a)设有一刚球模型,球的直径不变,当由面心立方晶格转变为体心立方晶格时,试计算其体积膨胀。
b)经X射线测定,在912℃时γ-Fe的晶格常数为0.3633nm,α-Fe的晶格常数为0.2892nm,当由γ-Fe转化为α-Fe时,求其体积膨胀,并与a)比较,说明其差别的原因。
复习自测题绪论及第一章金属的晶体结构自测题(一)区别概念1.屈服强度和抗拉强度;2.晶体和非晶体;3 刚度与强度(二)填空1.与非金属相比,金属的主要特性是2.体心立方晶胞原子数是,原子半径是,常见的体心立方结构的金属有。
3.设计刚度好的零件,应根据指标来选择材料。
是材料从状态转变为状态时的温度。
4 TK5 屈强比是与之比。
6.材料主要的工艺性能有、、和。
7 材料学是研究材料的、、和四大要素以及这四大要素相互关系与规律的一门科学;材料性能取决于其内部的,后者又取决于材料的和。
8 本课程主要包括三方面内容:、和。
(三)判断题1.晶体中原子偏离平衡位置,就会使晶体的能量升高,因此能增加晶体的强度。
( )2.因为面心立方和密排六方晶体的配位数和致密度都相同,因此分别具有这两种晶体结构的金属其性能基本上是一样的。
( )3.因为单晶体具有各向异性,多晶体中的各个晶粒类似于单晶体,由此推断多晶体在各个方向上的性能也是不相同的。
( )4.金属的理想晶体的强度比实际晶体的强度高得多。
5.材料的强度高,其硬度就高,所以其刚度也大。
(四)改错题1.通常材料的电阻随温度升高而增加。
3.面心立方晶格的致密度为0.68。
4.常温下,金属材料的晶粒越细小时,其强度硬度越高,塑性韧性越低。
5.体心立方晶格的最密排面是{100}晶面。
(五) 问答题1.从原子结合的观点来看,金属、陶瓷和高分子材料有何主要区别?在性能上有何表现?2.试用金属键结合的方式,解释金属具有良好导电性、导热性、塑性和金属光泽等基本特性。
(六) 计算作图题1.在一个晶胞中,分别画出室温纯铁(011)、(111)晶面及[111)、[011)晶向。
2.已知一直径为11.28mm,标距为50mm的拉伸试样,加载为50000N时,试样的伸长为0.04mm。
撤去载荷,变形恢复,求该试样的弹性模量。
3.已知a-Fe的晶格常数a=0.28664nm,γ-Fe的晶格常数a=0.364nm。
第十一章参考答案11-1试述影响材料强度的因素及提高强度的方法答:(1)影响材料强度的因素:化学成分、组织织构、加工工艺、形变温度、应变速率等。
以钢为例,合金元素的加入可能产生固溶强化、沉淀强化、细晶强化,对提高钢材的强度有利。
对于同一化学成分的合金而言,组织结构不同,其力学性能也不相同。
为了提高其强度,可通过改变热处理工艺或加工工艺来实现。
一般情况下,降低形变温度或提高应变速率,合金的强度会增大。
(2)提高材料强度的途径:加工硬化/形变强化、固溶强化、第二相强化(沉淀强化和弥散强化)、细晶强化/晶界强度(较低温度)。
11-2试述影响材料塑性的因素及提高塑性的方法答:(1)影响材料塑性的因素:化学成分、组织织构、加工工艺、形变温度、应变速率等。
杂质元素通常对塑性不利,合金元素的加入一般对提高材料的强度有贡献,在等强温度下,只有晶界强化可以提高强度的同时,提高其韧性,使材料获得细晶组织结构可提高其塑性。
一般而言,形变温度的降低或应变速率的提高对强度有利,而对提高塑性不利。
(2)提高材料塑性的途径:降低材料中杂质的含量、细化晶粒、加入韧化元素、加入细化晶粒元素、提高变形温度、降低应变速率。
11-4试就合金元素与碳的相互作用进行分类,指出1)哪些元素不形成碳化物2)哪些元素为弱碳化物形成元素,性能特点如何3)哪些元素为强碳化物形成元素,性能特点如何4)何谓合金渗碳体,与渗碳体相比,其性能如何答:1)非碳化物形成元素:Ni、Si、Co、Al、Cu等。
2)Mn为弱碳化物形成元素,除少量可溶于渗碳体中形成合金渗碳体外,几乎都溶于铁素体和奥氏体中。
3)Zr、Nb、V、Ti为强碳化物形成元素,与碳具有极强的亲和力,只要有足够的碳,就形成碳化物,仅在缺少碳的情况下,才以原子状态融入固溶体中。
4)合金元素溶入渗碳体中即为合金渗碳体,它是合金元素溶入渗碳体中并置换部分铁原子而形成的碳化物,合金渗碳体比一般渗碳体稳定,硬度高,可以提高耐磨性。
金属学与热处理课后答案第一章1.什么是金属键?并用其解释金属的特性答:金属键就是金属阳离子和自由电子之间的强烈的相互作用,可以决定金属的很多物理性质。
金属的延展性就是由于在金属被锻造的时候,只是引起了金属阳离子的重新排布,而由于自由电子可以在整块金属内自由流动,金属键并未被破坏。
再如由于自由电子的存在使金属很容易吸收光子而发生跃迁,发出特定波长的光波,因而金属往往有特定的金属光泽。
金属中的自由电子沿着电场定向运动,导电性;自由电子的运动及正离子的震动,使之具有导热性;温度升高,正离子或原子本身振动的幅度加大,阻碍电子的通过,使电阻升高,具有正的电阻温度系数2.画图用双原子模型说明金属中原子为什么会呈现周期性规则排列,并趋于紧密排列答:当大量金属原子结合成固体时,为使体系能量最低,以保持其稳定,原子间必须保持一定的平衡距离,因此固态金属中的原子趋于周期性规则排列。
原子周围最近邻的原子数越多,原子间的结合能越低(因为结合能是负值),把某个原子从平衡位置拿走,克服周围原子对它的作用力所需做的功越大,因此固态金属中的原子总是自发地趋于紧密排列。
4什么是晶体结构?什么是晶格?什么是晶胞?答:晶体结构:指晶体中原子(离子,原子,分子集团)的具体的排列情况,也就是指晶体中这些质点在三维空间内有规律的周期性重复排列;晶格:将阵点用一系列平行的直线连接起来构成的空间格架。
晶胞:构成点阵的最基本单元。
5、作图表示出立方晶系(1 2 3)、(0 -1 -2)、(4 2 1)等晶面和[-1 0 2]、[-2 1 1]、[3 4 6] 等晶向6立方晶系的{1 1 1}晶面构成一个八面体,试作图画出该八面体,并注明各晶面的晶面指数。
答:{1 1 1}晶面共包括(1 1 1)、(-1 1 1)、(1 -1 1)、(1 1 -1)四个晶面,在一个立方晶系中画出上述四个晶面。
7. 已知铁和铜在室温下的晶格常数分别为0.286nm和0.3607nm,求1cm3中铁和铜的原子数。
(完整版)《⾦属学与热处理》复习题参考答案《⾦属学与热处理》复习题绪论基本概念:1.⼯艺性能:⾦属材料适应实际加⼯⼯艺的能⼒。
(分类)2.使⽤性能:⾦属材料在使⽤时抵抗外界作⽤的能⼒。
(分类)3.组织:⽤⾁眼,或不同放⼤倍数的放⼤镜和显微镜所观察到的⾦属材料内部的情景。
宏观组织:⽤⾁眼或⽤放⼤⼏⼗倍的放⼤镜所观察到的组织。
(⾦属内部的各种宏观缺陷)显微组织:⽤100-2000倍的显微镜所观察到的组织。
(各个组成相的种类、形状、尺⼨、相对数量和分布,是决定性能的主要因素)4:结构:晶体中原⼦的排列⽅式。
第⼀章基本概念:1.⾦属:具有正的电阻温度系数的物质,其电阻随温度升⾼⽽增加。
2.⾦属键;⾦属正离⼦和⾃由电⼦之间相互作⽤⽽形成的键。
3.晶体:原⼦(离⼦)按⼀定规律周期性地重复排列的物质。
4.晶体特性:(原⼦)规则排列;确定的熔点;各向异性;规则⼏何外形。
5.晶胞:组成晶格的最基本的⼏何单元。
6.配位数:晶格中任⼀原⼦周围与其最近邻且等距的原⼦数⽬。
7.晶⾯族:原⼦排列相同但空间位向不同的所有晶⾯称为晶⾯族。
8.晶向族:原⼦排列相同但空间位向不同的所有晶向称为晶向族。
9.多晶型性:当外部条件(如温度和压强)改变时,有些⾦属会由⼀种晶体结构向另⼀种晶体结构转变。
⼜称为同素异构转变。
10.晶体缺陷:实际晶体中原⼦排列偏离理想结构的现象。
11.空位:晶格结点上的原⼦由于热振动脱离了结点位置,在原来的位置上形成的空结点。
12.位错:晶体中有⼀列或若⼲列原⼦发⽣了有规则的错排现象,使长度达⼏百⾄⼏万个原⼦间距、宽约⼏个原⼦间距范围内的原⼦离开其平衡位置,发⽣了有规律的错动。
13.柏⽒⽮量:在实际晶体中沿逆时针⽅向环绕位错线作⼀个闭合回路。
在完整晶体中以同样的⽅向和步数作相同的回路,由回路的终点向起点引⼀⽮量,该⽮量即为这条位错线的柏⽒⽮量。
14.晶粒:晶体中存在的内部晶格位向完全⼀致,⽽相互之间位向不相同的⼩晶体。
思考题与习题3-1铸造生产具有哪些优点和缺点?答:由于铸造成形是由液态凝结成固态的过程,故铸造生产具有以下特点。
1)成形方便铸造成形方法对工件的尺寸形状几乎没有任何限制,铸件的尺寸可大可小,可获得形状复杂的机械零件。
因此,形状复杂或大型机械零件一般采用铸造方法初步成形。
在各种批量的生产中,铸造都是重要的成形方法。
2)适应性强铸件的材料可以是各种金属材料,也可以是高分子材料和陶瓷材料。
3)成本较低由于铸造成形方便,铸件毛坯与零件形状相近,能节省金属材料和切削加工工时;铸造原材料来源广泛,可以利用废料、废件等,节约国家资源;铸造设备通常比较简单,价格低廉。
因此,铸件的成本较低。
4)铸件的组织性能较差一般条件下,铸件晶粒粗大(铸态组织),化学成分不均,因此,受力不大或承受静载荷的机械零件,如箱体、床身、支架等常用铸件毛坯。
3-2金属的铸造性能包括哪些方面?答:金属在铸造过程中所表现出来的性能统称为金属的铸造性能,主要是指流动性、收缩性、偏析和吸气性等。
3-3试述砂型铸造的工艺过程。
答:根据零件图的形状和尺寸,设计制造模样和芯盒;制备型砂和芯砂;用模样制造砂型;用芯盒制造型芯;把烘干的型芯装入砂型并合型;熔炼合金并将金属液浇入铸型;凝固后落砂、清理;检验合格便获得铸件。
3-4为了保证铸件质量,在设计和制造模样及芯盒时应注意哪些问题?答:1)选择分型面:分型面是铸型组之间的接合面,一般情况下,也就是模样的分模面。
选择分型面时,应考虑铸件上的主要工作面、大平面、整个铸件的加工基准面等的合理安置。
例如铸件的主要工作面应放在下型或朝下、朝侧面。
因为铸造时,铸件上表面容易产生气孔、夹渣等缺陷,而铸件下面的质量较好。
2)起模斜度:为了使模样容易从铸型中取出或型芯自芯盒脱出,在平行于起模方向的模样上或芯盒壁上应有一定的斜度,一般模样斜度为1°~3°,金属模样斜度为0.5°~1°。
10-1 何谓钢的退火?退火种类及用途如何?答:钢的退火:退火是将钢加热至临界点AC1以上或以下温度,保温一定时间以后随炉缓慢冷却以获得近于平衡状态组织的热处理工艺。
退火种类:根据加热温度可以分为在临界温度AC1以上或以下的退火,前者包括完全退火、不完全退火、球化退火、均匀化退火,后者包括再结晶退火、去应力退火,根据冷却方式可以分为等温退火和连续冷却退火。
退火用途:1、完全退火:完全退火是将钢加热至AC3以上20-30℃,保温足够长时间,使组织完全奥氏体化后随炉缓慢冷却以获得近于平衡状态组织的热处理工艺。
其主要应用于亚共析钢,其目的是细化晶粒、消除内应力和加工硬化、提高塑韧性、均匀钢的化学成分和组织、改善钢的切削加工性能,消除中碳结构钢中的魏氏组织、带状组织等缺陷。
2、不完全退火:不完全退火是将钢加热至AC1- AC3(亚共析钢)或AC1-ACcm(过共析钢)之间,保温一定时间以后随炉缓慢冷却以获得近于平衡状态组织的热处理工艺。
对于亚共析钢,如果钢的原始组织分布合适,则可采用不完全退火代替完全退火达到消除内应力、降低硬度的目的。
对于过共析钢,不完全退火主要是为了获得球状珠光体组织,以消除内应力、降低硬度,改善切削加工性能。
3、球化退火:球化退火是使钢中碳化物球化,获得粒状珠光体的热处理工艺。
主要用于共析钢、过共析钢和合金工具钢。
其目的是降低硬度、改善切削加工性能,均匀组织、为淬火做组织准备。
4、均匀化退火:又称扩散退火,它是将钢锭、铸件或锻轧坯加热至略低于固相线的温度下长时间保温,然后缓慢冷却至室温的热处理工艺。
其目的是消除铸锭或铸件在凝固过程中产生的枝晶偏析及区域偏析,使成分和组织均匀化。
5、再结晶退火:将冷变形后的金属加热到再结晶温度以上保持适当时间,然后缓慢冷却至室温的热处理工艺。
其目的是使变形晶粒重新转变为均匀等轴晶粒,同时消除加工硬化和残留内应力,使钢的组织和性能恢复到冷变形前的状态。
第一章习题与思考题1、常见的金属晶格类型有哪些?试绘图说明其特征。
2、实际金属中有哪些晶体缺陷?晶体缺陷对金属的性能有何影响?3、为什么单晶体具有各向异性,而多晶体在一般情况下不显示各向异性?4、试计算面心立方晶格的致密度。
5、什么是位错?位错密度的大小对金属强度有何影响?6、晶体在结晶时,晶核形成种类有几种?什么是变质处理?7、置换固溶体中,被置换的溶剂原子哪里去了?8、间隙固溶体和间隙化合物在晶体结构与性能上区别何在?举例说明之。
9、解释下列名词:晶格、晶胞、晶体、晶面、晶向、晶粒、点缺陷、面缺陷、线缺陷、相、固溶强化、金属化合物、固溶体第二章习题与思考题1、什么叫结晶、过冷现象、过冷度?过冷度与冷却速度有何关系?2、金属的晶粒大小对力学性能有何影响?控制金属晶粒大小的方法有哪些?3、如果其它条件相同,试比较下列铸造条件下,铸件晶粒的大小:(1)金属型浇注与砂型浇注;(2)浇注温度高与浇注温度低;(3)铸成薄壁件与铸成厚壁件;(4)厚大铸件的表面部分与中心部分;(5)浇注时采用振动与不采用振动。
4、金属铸锭通常由哪几个晶区组成?它们的组织和性能有何特点?第三章习题与思考题1、现有A、B两元素组成如图3.1所示的二元匀晶相图,试分析以下几种说法是否正确?为什么?(1)形成二元匀晶相图的A与B两个相元的晶格类型可以不同,但是原子大小一定相等。
(2)K合金结晶过程中,由于固相成分随固相线变化,故已结晶出来的固溶体中含B量总是高于原液相中含B量。
(3)固溶体合金按匀晶相图进行结晶时,由于不同温度下结晶出来的固溶体成分和剩余液相成分都不相同,故在平衡状态下固溶体的成分是不均匀的。
图3.1 题1 图2、共晶部分的Mg-Cu相图如图3.2所示:(1)填入各区域的组织组成物和相组成物。
在各区域中是否会有纯Mg相存在?为什么?(2)求出20%Cu合金冷却到500℃、400℃时各相的成分和重量百分比。
(3)画出20%Cu合金自液相冷到室温的却曲线,并注明各阶段的相与相变过程。
金属材料学第7-11章课后习题答案金属材料学习题与思考题第七章铸铁1、铸铁与碳钢相比,在成分、组织和性能上有什么区别?(1)白口铸铁:含碳量约2.5%,硅在1%以下白口铸铁中的碳全部以渗透碳体(Fe3c)形式存在,因断口呈亮白色。
故称白口铸铁,由于有大量硬而脆的Fe3c,白口铸铁硬度高、脆性大、很难加工。
因此,在工业应用方面很少直接使用,只用于少数要求耐磨而不受冲击的制件,如拔丝模、球磨机铁球等。
大多用作炼钢和可锻铸铁的坯料(2)灰口铸铁;含碳量大于4.3%,铸铁中的碳大部或全部以自由状态片状石墨存在。
断口呈灰色。
它具有良好铸造性能、切削加工性好,减磨性,耐磨性好、加上它熔化配料简单,成本低、广泛用于制造结构复杂铸件和耐磨件。
(3)钢的成分要复杂的多,而且性能也是各不相同钢是含碳量在0.04%-2.3%之间的铁碳合金。
我们通常将其与铁合称为钢铁,为了保证其韧性和塑性,含碳量一般不超过1.7%。
钢的主要元素除铁、碳外,还有硅、锰、硫、磷等,而且钢还根据品质分类为①普通钢(P≤0.045%,S≤0.050%)②优质钢(P、S均≤0.035%)③高级优质钢(P≤0.035%,S≤0.030%)按照化学成分又分①碳素钢:.低碳钢(C≤0.25%).中碳钢(C≤0.25~0.60%).高碳钢(C≤0.60%)。
②合金钢:低合金钢(合金元素总含量≤5%).中合金钢(合金元素总含量>5~10%).高合金钢(合金元素总含量>10%)。
2、C、Si、Mn、P、S元素对铸铁石墨化有什么影响?为什么三低(C、Si、Mn低)一高(S高)的铸铁易出现白口?(1)合金元素可以分为促进石墨化元素和阻碍石墨化元素,顺序为:Al、C、Si、Ti、Ni、P、Co、Zr、Nb、W、Mn、S、Cr、V、Fe、Mg、Ce、B等。
其中,Nb为中性元素,向左促进程度加强,向右阻碍程度加强。
C和Si是铸铁中主要的强烈促进石墨化元素,为综合考虑它们的影响,引入碳当量CE = C% + 1/3Si%,一般CE≈4%,接近共晶点。
金属学与热处理第十一章铸铁习题与思考题第十一章铸铁习题与思考题(一)填空题1.碳在铸铁中的存在形式有和。
2.影响铸铁石墨化最主要的因素是和。
3.根据石墨形态,铸铁可分为、、和。
4 根据生产方法的不同,可锻铸铁可分为和。
5 球墨铸铁是用一定成分的铁水经和后获得的石墨呈的铸铁。
6 HT350是的一个牌号,其中350是指为。
7 KTH300-06是的一个牌号,其中300是指为;06是指为。
8.QT1200―01是的一个牌号,其中1200是指为;01是指为。
9 普通灰口铸铁按基体的不同可分为、、。
其中以的强度和耐磨性最好。
10.可锻铸铁按基体的不同可分为和。
11 球墨铸铁按铸态下基体的不同可分为、和。
12.球墨铸铁经等温淬火其组织为。
13 铸铁(除白口铸铁外)与钢相比较,其成分上的特点是和高,其组织上的特点是。
14 球墨铸铁的强度、塑性和韧性较普通灰口铸铁为高,这是因为。
15 生产变质铸铁常选用和作为变质剂。
16.生产球墨铸铁常选用和作为球化剂。
17 生产可锻铸铁的方法是。
18 灰口铸铁铸件薄壁处(由于冷却速度快)出现组织,造成困难,采用克服之。
19 铸铁具有优良的性、性、性和性。
20 普通灰口铸铁软化退火时,铸铁基体中的全部或部分石墨化,因而软化退火也叫做退火。
21.球墨铸铁等温淬火的目的,是提高它以及和。
22 铸铁件正火的目的是提高和,并为表面淬火做好组织准备。
23 灰口铸铁经正火处理,所获得的组织为。
24 球墨铸铁的淬透性比较好,一般件采用淬,形状简单硬度要求较高时采用淬。
25.普通灰口铸铁软化退火的主要目的是和。
(二)判断题1.可锻铸铁在高温状态下可以进行锻造加工。
2.铸铁可以经过热处理来改变基体组织和石墨形态。
3.可以通过热处理的方法获得球墨铸铁。
4.共析反应时形成共析石墨(石墨化)不易进行5.利用热处理方法来提高普通灰口铸铁的机械性能其效果较显著。
6.可以通过热处理方法提高球墨铸铁的机械性能其效果较显著。
第十一章铸铁习题与思考题
(一)填空题
1.碳在铸铁中的存在形式有和。
2.影响铸铁石墨化最主要的因素是和。
3.根据石墨形态,铸铁可分为、、和。
4 根据生产方法的不同,可锻铸铁可分为和。
5 球墨铸铁是用一定成分的铁水经和后获得的石墨呈的铸铁。
6 HT350是的一个牌号,其中350是指为。
7 KTH300-06是的一个牌号,其中300是指为;06是指为。
8.QT1200—01是的一个牌号,其中1200是指为;01是指为。
9 普通灰口铸铁按基体的不同可分为、、。
其中以的强度和耐磨性最好。
10.可锻铸铁按基体的不同可分为和。
11 球墨铸铁按铸态下基体的不同可分为、和。
12.球墨铸铁经等温淬火其组织为。
13 铸铁(除白口铸铁外)与钢相比较,其成分上的特点是和高,其组织上的
特点是。
14 球墨铸铁的强度、塑性和韧性较普通灰口铸铁为高,这是因为。
15 生产变质铸铁常选用和作为变质剂。
16.生产球墨铸铁常选用和作为球化剂。
17 生产可锻铸铁的方法是。
18 灰口铸铁铸件薄壁处(由于冷却速度快)出现组织,造成困难,采用克
服之。
19 铸铁具有优良的性、性、性和性。
20 普通灰口铸铁软化退火时,铸铁基体中的全部或部分石墨化,因而软化退火也叫
做退火。
21.球墨铸铁等温淬火的目的,是提高它以及和。
22 铸铁件正火的目的是提高和,并为表面淬火做好组织准备。
23 灰口铸铁经正火处理,所获得的组织为。
24 球墨铸铁的淬透性比较好,一般件采用淬,形状简单硬度要求较高时采用淬。
25.普通灰口铸铁软化退火的主要目的是和。
(二)判断题
1.可锻铸铁在高温状态下可以进行锻造加工。
2.铸铁可以经过热处理来改变基体组织和石墨形态。
3.可以通过热处理的方法获得球墨铸铁。
4.共析反应时形成共析石墨(石墨化)不易进行
5.利用热处理方法来提高普通灰口铸铁的机械性能其效果较显著。
6.可以通过热处理方法提高球墨铸铁的机械性能其效果较显著。
7.灰口铸铁的抗拉强度、韧性和塑性均较钢低得多,这是由于石墨存在,不仅割裂了基体的连续性,而且在尖角处造成应力集中的结果。
8.碳全部以渗碳体形式存在的铸铁是白口铸铁。
9.由于石墨的存在,可以把铸铁看成是分布有空洞和裂纹的钢
10.含石墨的铸铁具有低的缺口敏感性。
11.含石墨的铸铁切削加工性比钢差,所以切削薄壁、快冷的铸铁零件毛坯时容易崩刃。
12 灰口铸铁与孕育铸铁组织的主要区别是孕育铸铁的石墨片细而密。
13 可锻铸铁是由灰口铸铁经可锻化退火得到。
14 硫和锰是促进铸铁石墨化的元素。
15 灰口铸铁在工业上应用最广泛。
16 可以通过热处理的方法获得球墨铸铁。
17 铸铁件只有在热处理时,才发生石墨化。
18 石墨是由碳构成的晶体,它的强度、硬度和塑性都较好,所以石墨是铸铁中很重要的成
分。
19.为了减小或消除铸件的内应力,而且铸造后不再进行其它热处理时,可进行去应力退火。
20.铸铁件经正火处理的主要目的是为降低硬度和改善切削加工性能。
(三)选择题
1.根据冷却速度对铸铁石墨化的影响。
A.金属模铸件易得到白口、砂模铸件易得到灰口
B 金属模铸件易得到灰口、砂模铸件易得白口
C 薄壁铸件易得到灰口、厚壁铸件易得到白口
D.上述说法都不对
2.为消除灰口铸铁中较多的自由渗碳体,以便切削加工,可采用。
A.低温石墨化退火B高温石墨化退火C再结晶退火D.去应力退火
3.为促进铸铁石墨化,可采用下述方法。
A.提高w (C)、w(Si),提高冷却速度B.增加W(C)、w(Si),降低冷却速度
C 降低w (C)、w(Si),提高冷却速度D.降低W(C)、w(Si),降低冷却速度4.碳、硅、硫三元素对铸铁石墨化的影响是。
A.碳促进石墨化,硅、硫抑制石墨化B.碳、硅、硫均促进石墨化
C 碳、硅、硫均抑制石墨化D.上述说法都不对
5 灰口铸铁中的片状石墨由下述方式获得。
A由白口铸铁经高温回火获得 B 由白口铸铁经低温回火获得
C 直接由液体中结晶而得
D 上述说法都不对
6.灰口铸铁热处理可达到如下目的。
A改变基体组织和石墨形态 B 只改变基体组织,不改变石墨形态
C 只改变石墨形态,不改变基体组织
D 述说法都不对
7 灰口铸铁正火后获得的基体组织为
A铁素体 B 珠光体C珠光体+渗碳体D.贝氏体
8 可锻铸铁中的团絮状石墨由下述方法获得。
A由白口铸铁经高温退火从渗碳体分解而来 B 直接从液体中结晶而来
C 由灰铁经锻造而得D上述说法都不对
9.球墨铸铁中的石墨由下述方式获得。
A由白口铸铁经高温退火获得 B 由白口铸铁经低温回火获得
C 直接由液体中结晶获得
D 上述说法都不对
10.可锻铸铁应理解为。
A锻造成型的铸铁 B 可以锻造的铸铁
C 具有一定的塑性与韧性的铸铁
D 上述说法都不对
11 生产球墨铸铁前,在浇注前往铁水中加入:①一定量镁、稀土镁合金或稀土元素;
②W(Si)=0.6%~0.8%的硅铁。
它们的作用是
A①作球化剂、②作孕育剂 B ①作孕育剂、②作球化剂
C ①、②均作球化剂
D ①、②均作孕育剂
12 球墨铸铁热处理的作用是。
A.只能改变基体组织、不能改变石墨形状和分布
B.不能改变基体组织、只能改变石墨形状和分布
C 两者均可改变
D.两者均无法改变
13.球墨铸铁等温淬火的目的是为了获得如下基体组织
A马氏体 B 马氏体+少量残余奥氏体
C 上贝氏体+残余奥氏体+少量马氏体
D 下贝氏体+少量残余奥氏体十少量马氏体
14 铸铁熔点比钢,流动性比钢,收缩率比钢,故铸造性能好。
A高、好、小 B 低、好、小 C 高、坏、大 D 低、坏、大15.制造机床床身应选用
A.可锻铸铁 B 灰口铸铁 C 球墨铸铁 D 白口铸铁
16.制造柴油机曲轴应选用
A.可锻铸铁 B 灰口铸铁 C 球墨铸铁 D 白口铸铁
17 通常浇铸出砂后的铸铁件都要进行退火,用得最普遍的是进行
A扩散退火 B 完全退火 C 不完全退火 D 去应力退火
18 制造机床主轴应选用
A可锻铸铁 B 灰口铸铁C球墨铸铁 D 白口铸铁
19.制造农用机械的犁铧应选用
A可锻铸铁 B 灰口铸铁 C 球墨铸铁 D 白口铸铁
20.制造自来水管的弯头、接头、三通应选用。
A可锻铸铁且灰口铸铁C球墨铸铁 D 白口铸铁
(四)改错题
1 铸铁化学成分相同的情况下,当冷凝速度越缓慢,石墨越不易析出。
()2.铸铁中的碳元素是组成石墨的组元,所以它不是促进石墨化的元素。
()
3.钢的各种热处理方法原则上不适用于铸铁。
()
4.白口铸铁硬度高而脆性大,除作为炼钢用外,还可作为生产可锻铸铁的原料,不能用来制造机械零件。
()
5.铸铁的石墨化过程只与其成分有关,而与冷却速度没有关系。
()
6.热处理能改变铸铁的基体组织,也能改变石墨的形状和分布。
()
(五)问答题
1.影响铸铁组织的主要因素是什么?为什么三低(w(C)、w(Si)、w(Mn)含量低)一高(含w(S)量高)的铸铁容易形成白口?
2.普通灰口铸铁中,为什么w(C)和w(Si)越高,则铸铁抗拉强度和硬度越低?
3.灰口铸铁件薄壁处,常出现高硬度层,机加工困难,说明产生原因及消除方法。
4.为什么可锻铸铁在可锻化退火前要求原始组织应全为白口(实际是白口铸铁)。
5.为什么可锻铸铁适宜制造薄壁零件,而球铁则不适宜制造这类零件。
6.为什么灰口铸铁一般不进行淬火和回火处理,而球墨铸铁可以进行这类热处理?
7.比较各类铸铁性能的优劣顺序。
与钢相比较,铸铁在性能上(包括工艺性能)有什么优缺点?
8.灰口铸铁磨床床身,铸造以后就进行切削加工,切削后会产生不允许的变形,可用什么方法防止或改善?
9.要使球墨铸铁分别得到珠光体、铁素体和贝氏体的基体组织,热处理工艺上如何控制? 依据是什么?
10.提高灰口铸铁机械性能的最主要的方法是什么?
(六)思考题
1.发动机的汽缸盖系用灰口铸铁制造,在工作中常被加热到(500~600)℃,试指出汽缸盖在反复地加热至这样的温度,可能发生的现象,对性能的影响以及消除的方法
2.假定白口铸铁的组织十分致密,也就是说没有任何气孔存在,当进行可锻化退火时,渗碳体全部转变为石墨和铁素体,此时铸铁的体积是否发生变化?
3.机器上某些重型齿轮,要求齿轮的σb≥350MPa,δ≥12%为了进一步提高性能(主要是耐磨性能)必需将齿轮进行热处理。
问选用何种铸铁?热处理工艺如何?
4.为了提高灰口铸铁的尺寸稳定性,经常在铸铁中加入少量的铬。
试分析Cr对灰口铸铁组织与性能的影响。