铝材阳极氧化工艺流程
- 格式:docx
- 大小:10.48 KB
- 文档页数:4
铸铝阳极氧化一、引言铸铝作为一种轻质、耐腐蚀、易加工的金属材料,在工业生产中得到了广泛应用。
为了提高铸铝的耐腐蚀性、硬度、耐磨性等性能,人们常常对其进行表面处理。
其中,阳极氧化是一种常用的表面处理方法,通过在铸铝表面形成一层氧化膜,可以有效提升铸铝的综合性能。
本文将详细阐述铸铝阳极氧化的原理、工艺、性能优势以及应用领域。
二、铸铝阳极氧化的原理阳极氧化是一种电化学过程,将铸铝制品作为阳极,置于电解液中,在特定的工艺条件下进行通电处理。
在电场作用下,铸铝表面的铝原子失去电子成为铝离子,与电解液中的氧离子结合生成氧化铝。
这层氧化铝膜具有多孔性,可以通过后续处理进一步增加其厚度和硬度,从而提高铸铝的耐腐蚀性、耐磨性和绝缘性能。
三、铸铝阳极氧化的工艺流程1. 预处理:对铸铝表面进行清洗,去除油污、杂质和氧化皮等,确保表面干净、平整。
2. 阳极氧化:将预处理后的铸铝制品放入电解液中,作为阳极进行通电处理。
电解液通常选用硫酸、草酸、铬酸等酸性溶液。
在电场作用下,铸铝表面生成一层氧化铝膜。
3. 封孔处理:阳极氧化后形成的氧化铝膜具有多孔性,需要进行封孔处理以提高其耐腐蚀性和耐磨性。
常用的封孔方法有热水封孔、蒸汽封孔、金属盐封孔等。
4. 后处理:根据需要对阳极氧化后的铸铝制品进行染色、电泳涂装等后处理操作,以增加产品的美观性和附加值。
四、铸铝阳极氧化的性能优势1. 耐腐蚀性:阳极氧化膜能有效隔绝铸铝与外界环境的接触,防止铝材受到腐蚀和氧化,延长产品使用寿命。
2. 硬度与耐磨性:阳极氧化膜具有较高的硬度和耐磨性,能有效抵抗外界划痕、摩擦和冲击,保护铸铝表面免受损伤。
3. 绝缘性能:氧化铝膜具有良好的绝缘性能,可广泛应用于电子、电气等领域。
4. 美观性:阳极氧化后的铸铝表面可呈现出多种颜色和光泽度,增加产品的美观性和附加值。
同时,阳极氧化膜的多孔性为后续的染色和涂装提供了良好的条件。
5. 生物相容性:经过阳极氧化的铸铝表面具有良好的生物相容性,可用于医疗器械和人体植入物等领域。
铝型材阳极氧化、电泳涂漆、粉末喷涂、氟碳漆喷涂及木纹处理工艺过程及发展铝型材阳极氧化、电泳涂漆、粉末喷涂、氟碳漆喷涂及木纹处理工艺过程及发展综述了国内外铝合金建筑型材表面处理技术的现状,重点介绍了铝型材阳极氧化、电泳涂漆、粉末喷涂、氟碳漆喷涂及木纹处理的生产流程和工艺规范,并对各种保护层的特点及其应用作了评述。
同时对建筑铝型材表面处理技术今后的发展趋势进行了展望,提出了未来应大力开发和推广的清洁环保、高效节能技术。
0 引言铝合金建筑型材是当今门窗和幕墙主要的结构材料,在世界范围内广泛应用[1]。
铝合金挤压型材(未经表面处理)外观单一,并且在潮湿大气中容易腐蚀[2],因而很难满足建筑材料高装饰性和强耐侯的要求。
为了提高装饰效果、增强抗腐蚀性及延长使用寿命,铝型材一般都要进行表面处理。
因此,表面处理是铝合金建筑型材生产的一道必不可少且极为重要的工序。
铝型材表面处理技术因原理不同,其工艺也有较大区别。
根据保护层的性质和工艺特点,铝型材表面处理技术可分为阳极氧化处理、阳极氧化-电泳处理、有机涂层处理三大类[3],其中,有机涂层处理包括粉末喷涂、氟碳漆喷涂和木纹处理(见图1)。
1 阳极氧化处理阳极氧化于20世纪50年代应用于铝型材生产,是应用最早也是目前应用最广泛的建筑铝型材表面处理法。
阳极氧化型材的突出特点是外观金属质感强。
1.1 阳极氧化工艺流程阳极氧化工流程见图21.2 机械预处理机械预处理主要有机械喷砂和机械抛光[4]。
机械喷砂是获得砂面型材的一个重要途径,由铝型材喷砂机完成。
机械喷砂可能完全消除表面缺陷和挤压条纹,得到比化学砂面(碱蚀砂面)更加均匀的哑光表面。
另外,机械喷砂在生产成本和环保上也具有较大优势。
机械抛光是铝型材抛光机上进行的。
将铝型材有规则地平放在工作台上,通过高速旋转的抛光轮与表面触压和磨擦,使表面光滑平整,直至达到镜面效果。
生产中常常用抛光来消除挤压条纹,因此,这时又称为“机械扫纹”[5]。
铝材阳极氧化工艺主要通过,盐雾、耐摩擦、电导率、电击穿等测试来判定膜层的好坏。
工艺:除油--水洗--水洗--阳极反应--水洗--封闭--烘烤铝制品阳极氧化工艺流程铝制品阳极氧化通用的工艺流程如下:铝工件→上挂具→脱脂→水洗→碱蚀→水洗→出光→水洗→阳极氧化→水洗→去离子水洗→染色或电解着色→水洗→去离子水洗→封闭→水洗→下挂具对于要求高光亮度的铝制品,可采用如下的工艺流程:铝工件→机械抛光→脱脂→水洗→中和→水洗→化学或电化学抛光→水洗→阳极氧化→水洗→去离子水洗→染色或电解着色→水洗→去离子水洗→封闭→水洗→机械光亮铝及铝合金阳极氧化着色工艺流程(图)铝及铝合金阳极氧化着色工艺规程 1、主题内容与适用范围:本规程规定了铝及铝合金阳极氧化、着色、电泳生产的工艺和操作的技术要求及规范。
2、工艺流程(线路图)基材→装挂→脱脂→碱蚀→中和→阳极氧化→电解着色→封孔→电泳涂漆→固化→卸料包装→入库3、装挂:3.1装挂前的准备。
3.1.1检查导电梁、导电杆等导电部位能否充分导电、并定期打磨、清洗或修理。
3.1.2准备好导电用的铝片和铝丝。
3.1.3检查气动工具及相关设备是否正常。
3.1.4核对流转单或生产任务单的型号、长度、支数、颜色、膜厚等要求是否与订单及实物相符。
3.1.5根据型材规格(外接圆尺寸、外表面积等)确定装挂的支数和间距、色料间距控制在型材水平宽度的1.2倍左右,白料间距控制在型材宽度的1倍左右。
3.1.6选择合适的挂具,确保正、副挂具的挂钩数与型材的装挂支数一致。
3.2 装挂:3.2.1装挂时应先挂最上面一支,再固定最下面一支,然后将其余型材均匀排布在中间、并旋紧所有铝螺丝。
3.2.2装挂前在型材与铝螺丝间夹放铝片,以防型材与挂具间的导电不良而影响氧化、着色或电泳。
3.2.3装挂时,严禁将型材全部装挂在挂具的下部或上部。
3.2.4装挂的型材必须保持一定的倾斜度(>5°)以利于电泳或着色时排气,减少斑点(气泡)。
铝阳极氧化工艺原理铝阳极氧化是一种常用的表面处理工艺,用于提高铝材的防腐蚀性能、硬度和耐磨性。
其原理是在铝材表面形成一层致密的氧化膜,该膜具有良好的耐腐蚀性能,并能增加材料的硬度。
铝阳极氧化工艺主要包括预处理、阳极氧化和封孔三个步骤。
第一步,预处理。
在进行阳极氧化之前,需要对铝材进行预处理,以去除表面的污垢和氧化层。
常用的预处理方法有碱洗和酸洗两种。
碱洗可以去除表面的油污和有机物,酸洗则可去除表面的氧化层和金属杂质。
第二步,阳极氧化。
阳极氧化是指将铝材作为阳极,通过直流电流的作用,在电解液中形成一层氧化膜的过程。
电解液通常是硫酸、草酸或硫酸铬等,其中硫酸电解液是最常用的。
在阳极氧化过程中,阳极和阴极通过电解液相互连接,形成电流回路。
当电流通过阳极时,阳极表面的铝材会与电解液中的氧发生反应,形成氧化膜。
氧化膜的厚度和性能可以通过调节电流密度、电解液浓度和温度等参数来控制。
第三步,封孔。
阳极氧化后的氧化膜表面存在微小的气孔,这些气孔会影响氧化膜的耐腐蚀性能。
因此,在阳极氧化后需要进行封孔处理,以提高氧化膜的致密性。
封孔的方法通常是将氧化膜浸泡在热水或镁盐溶液中,使氧化膜中的孔隙被填充。
铝阳极氧化工艺的原理是利用电化学反应,在铝材表面形成一层致密的氧化膜。
这层氧化膜具有良好的耐腐蚀性能,能够保护铝材不受外界环境的侵蚀。
同时,阳极氧化还能增加氧化膜的硬度,提高铝材的耐磨性。
这使得铝材在工业生产中被广泛应用于制造各种耐腐蚀、耐磨损的部件和产品。
在实际应用中,铝阳极氧化工艺可以根据不同需求进行调整和改进。
例如,可以通过改变电解液的配方和工艺参数来控制氧化膜的颜色和厚度,以满足不同外观和性能要求。
此外,还可以采用阳极氧化与其他表面处理工艺相结合,如着色、电泳涂装等,以进一步改善铝材的表面性能和装饰效果。
铝阳极氧化工艺利用电化学反应在铝材表面形成致密的氧化膜,提高了铝材的防腐蚀性能、硬度和耐磨性。
该工艺简单易行,成本低廉,广泛应用于各个领域,为铝材的加工和应用提供了有效的解决方案。
铝阳极氧化工艺流程铝阳极氧化是一种常用的表面处理方法,可以提高铝材料的耐腐蚀性、硬度和美观度。
下面是一种常见的铝阳极氧化工艺流程。
第一步:清洗铝材料在进行阳极氧化前,首先要对铝材料进行清洗,以去除表面的油污、灰尘等杂质。
常用的清洗方法包括溶剂清洗、碱洗和酸洗。
溶剂清洗可以使用有机溶剂如去离子水或乙酸乙酯;碱洗通常采用氢氧化钠溶液,可以去除铝材料表面的氧化层和铁、铜等杂质;酸洗则可以使用稀硝酸或稀磷酸溶液,可以去除铝材料表面的氧化层和碱洗后残留的碱性物质。
第二步:脱脂处理清洗后的铝材料可能还残留有一定的油污,需要进行脱脂处理。
常见的脱脂剂有丁酮、去离子水或洗涤剂。
将铝材料浸泡在脱脂剂中,用刷子或布擦拭表面,去除油污。
第三步:阳极处理阳极处理是铝材料进行氧化的关键步骤。
将准备好的铝材料放入电解槽中,铝材件作为阳极,铝材表面不锈钢作为阴极,二者通过电解液连接电源形成电解电池。
电解液中通常含有硫酸、草酸等化学物质。
在电解过程中,通过调整电流密度、电解时间和电解液温度等参数,使铝材的表面生成一层致密、均匀的氧化层。
通常阳极处理时间较长,可达数小时。
第四步:封孔处理经过阳极处理后,铝表面会形成一层带有微孔的氧化层。
为了提高铝材的耐腐蚀性和表面硬度,需要进行封孔处理,即将微孔堵塞。
有不同的封孔方法可选择,如热水封孔、热蒸汽封孔、镍封孔等。
热水封孔是将铝材浸泡在90-100℃的热水中,通过渗入热水中的镁盐等化学物质来堵塞微孔。
热蒸汽封孔是将铝材置于高温环境中,通过蒸汽中的铬酸钠、硅酸三钠等化学物质堵塞微孔。
镍封孔是将铝材浸泡在含镍盐的溶液中,通过沉积镍金属在铝材表面来堵塞微孔。
第五步:着色处理(选做)如果需要给铝材表面增加一定的颜色,可以进行着色处理。
常用的着色方法有阳极氧化着色和化学着色。
阳极氧化着色是在阳极处理后,将铝材浸泡在颜料溶液中,通过电解或热浸等方式使颜料渗入氧化层内部,使铝材表面呈现不同的颜色。
化学着色是将铝材浸泡在含有金属离子的化学溶液中,通过反应沉积金属颜料在氧化层内部,实现着色。
氧化、电泳车间工艺规程本规程规定了铝型材阳极氧化、电解着色型材生产工艺及电泳涂漆工艺。
在生产过程中如遇特殊情况,需变动工艺按文件资料控制程序进行。
一、工艺流程为关键工序控制点即为特殊工序又是关键工序控制点。
1.酸蚀料、碱蚀料、白料系列:来料检查-绑料-除油-水洗-酸蚀(碱蚀)-水洗-水洗-中和-水洗-紧料-水洗-阳极氧化-水洗-纯水洗-封孔-热水洗-水洗-检验(染点法)-卸料-控水干燥-转入下道工序-成品包装-入库2.香槟料系列:来料检查-绑料-除油-水洗-碱蚀(酸蚀)-温水洗-水洗-中和-水洗-紧料-水洗-阳极氧化-水洗-纯水洗-电解着色-水洗-色板对比-水洗-封孔-热水洗-水洗-检验(染点法)-卸料-控水干燥-转入下道工序-成品包装-入库3.电泳白料,电泳香槟料系列:来料检查-绑料-除油-水洗-碱蚀(酸蚀)-温水洗-水洗-中和-水洗-紧料-水洗-阳极氧化-水洗-纯水洗-(电解着色-水洗一色板对比一水洗)一热纯水洗一纯水洗一电泳一RO]水洗一RO2水洗-控水-烘烤-检验-卸料-(做隔热型材)转入下道工序-成品包装-入库二、生产注意事项1.在岗职工应穿戴好劳动保护用品。
2.生产前按工艺要求检查各槽液情况,应使槽液成份与工艺要求相符。
3.首先检查动力、排风、搅拌、降温、供水、加热、给排水系统以及各类机电设备,氧化脉冲电源、正弦交流着色电源、电泳电源天车、泵、各种管道是否运转正常。
4.维修工定期将导电铜头、铜架用砂纸打磨露出金属光泽。
5.铝挂具的载流量为150A/cm2导电杆反复使用后变细,应以此为依据,计算导电面积不足时,应更换导电杆。
6.检查氧化着色制品、电泳着色制品,批号、规格、型号、重量、根数应与生产工序转序单相符。
7.配制及调整酸碱槽液时必需将酸、碱慢慢倒入水中,严禁将水往浓酸、浓碱中加入,发防过热飞溅伤人。
8.氧化工要熟练掌握专用天车的操作技能。
9.天车工要按工艺流程顺序吊料,以防型材带酸液、碱液滴落在成品上,产生废品和污染槽液。
工艺流程简述(图示):该生产线在生产过程中,所采用的原材料主要是铝锭、废铝。
其工艺流程简述如下:1、熔铸工序:将采购回的原材料铝锭、废铝装入熔铸炉内进行熔化,再铸造成铝棒。
然后,根据生产要求切锯成一定长度的铝棒,将切锯后的铝棒送入铝棒加热炉,在480℃的恒温下进行均质加热,以保证生产工艺要求。
2、挤压工序:将均质炉处理后的铝棒,通过挤压机挤压成建材截面形状,然后校直,锯成一定长度送入200℃的时效炉内进行热处理,使型材通过热处理后增加其硬度。
时效炉主要燃料为轻质柴油。
3、除油工序将时效炉处理后的型材上架,在室温硫酸液中2~4分钟,放入清水槽漂洗1~2分钟。
4、低温抛光工序将时效炉处理后的型材上架,放入抛光槽中,控制总酸25~30g/L,温度20~30℃,120~200s,然后放入两道清水槽漂洗两次。
5、磨砂(酸蚀)工序NH4HF4 35~40g/L,T 35~45℃,pH 2.8~3.1,时间3~5min,然后进两道水洗。
6、碱蚀工序NaOH 30~45g/L,总碱50~60 g/L,碱蚀剂5~10 g/L,Al3+ 0~15 g/L, T 35~45℃,然后放入清水槽漂洗。
7、出光工序HSO4 160~220 g/L,HNO3 50~100 g/L,时间1~2min,然后进两道水洗。
8、氧化工序:将时效炉处理后的型材上架,经氧化车间的酸洗、硷蚀后,通电进行氧化处理使型材表面形成一层致密的保护膜,然后经封孔剂液体池进行封孔后下架、风干。
HSO4 160g/L,Al3+≤15g/L,温度20﹢2℃①银白料及银白电泳料氧化②磨砂料及磨砂电泳料氧化9、着色工序SnSO4 5~6g/L;NiSO4 16~18;着色剂9~12 g/L;pH 0.7~1.0;槽温20℃,着色水洗两道槽控制一道pH≥2,二道pH≥4.5.10、封孔工序型材入封孔池,封空剂5~8 g/L,Ni2+ 0.8~1.3 g/L,pH 5.5~6.5.11、产品包装:将氧化风干后的铝型材产品进行包装捆扎,检验合格后入库。
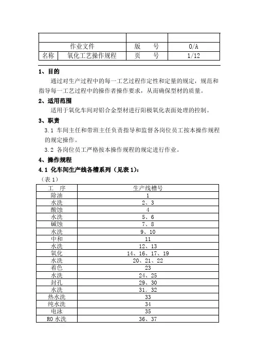
1、目的通过对生产过程中的每一工艺过程作定性和定量的规定,规范和指导每一工艺过程中的操作者操作要求,从而确保型材的质量。
2、适用范围适用于氧化车间对铝合金型材进行阳极氧化表面处理的控制。
3、职责3.1 车间主任和带班主任负责指导和监督各岗位员工按本操作规程的规定操作。
3.2 各岗位员工严格按本操作规程的规定进行作业。
4、操作规程4.1 化车间生产线各槽系列(见表1):(表1)4.2 各工序主要技术性能和参数主要技术性能和参数(见表2):(表2)4.3 氧化车间生产工艺流程4.3.1 氧化工艺流程图4.4 生产前准备4.4.1人员控制:新工人上岗前必须进行有关《氧化车间生产工艺操作规程》、《氧化车间设备操作规程》、《氧化车间岗位操作规程》以及安全生产、劳动纪律等方面的学习教育,经试用合格方能持上岗证到指定岗位上岗。
4.4.2 在岗工人必须按人资行政部制定的培训计划定期接受培训。
4.4.3 按设备操作规程,分别对电流系统、冷却及加热系统、循环系统、通风系统、工艺行车等进行检查,调节无异后时进行空载运行,确定正常后方可生产。
凡出现设备故障必须及时报告车间领导请维修人员修理,带班主任在交接班记录中作好纪录。
日常做好对设备的定期维护保养。
4.4.4 领料:上架班长按生产部下达的《氧化车间生产计划单》从挤压车间领取有合格标识的型材。
领取的顺序应符合生产部下达的《氧化车间生产计划单》要求。
4.4.5 化验室生产前(正常生产期间每天两次),取样化验槽液成分浓度,报告交一份氧化车间,并对采购的化学药品进行批次的抽样化验,合格入库的化学药品才能使用。
氧化车间主任指导工艺员加药。
工艺员负责对各工序的工艺条件进行调整。
只有槽液浓度和工艺条件符合第4.2条“各工序主要技术性能和参数”中的要求才能进行生产。
4.5 上架4.5.1 根据“产品检验随行卡”分清型材的型号及表面处理要求(颜色、膜厚、表面状态要求等)。
表面处理要求不同的型格绝对不能同排上架。
陽極氧化工藝流程名词解释Ⅰ 机械与化学表面处理金属需经过抛光或刷光,随后除油及脱脂,检查外观质量,以为后续处理工序作表面准备。
Ⅱ 阳极氧化通过认为的手段,形成一层厚氧化铝膜,即阳极氧化膜。
即吸附氧化膜。
这是吸附着色的先决条件。
Ⅲ 染色在阳极氧化膜之微孔结构内沉积染料分子。
Ⅳ 封孔封住微细孔,使染料固定于氧化膜内。
吸附着色的理论依据吸附现象是采用染料水溶液浸渍染色的特点。
与其他着色技术不同的是,其产生颜色之化合物并非产生自工艺本身而是存在于开初的介质中。
“吸附”这一术语的意思是染料分子沉积并积聚氧化膜微孔的内表面,此阳极氧化膜的孔隙率为氧化膜的20m2/g。
导致吸附的是铝氧化膜与染料分子之间的键合力起作用。
这键合是不稳定的,相反,吸附在阳极氧化膜上的染料(染色强度)与溶液中的染料之间达到平衡。
倘若溶液的染料浓度增大,则吸附量会增大,直至达到饱和点(颜色强度最大)时为止。
又倘若溶液的燃料浓度下降,比如下降到零,而水中又全无亲质,便会出现解吸附,导致褪色合色料扩散。
因此,在完成染色之后的多孔膜封闭工序是必不可少的。
尽管染料迅速吸附,但整个着色过程的速度并非取决这一原始的现象,而是取决于染料分子随后怎样进入狭窄的微孔内。
这一过程以略低的速率进行。
分子的直径平均为0.0025µm,而用硫酸直流氧化法制备的阳极氧化膜的微孔平均直径为0.02µm。
***********************************************************铝的级别和铝的阳极氧化铝材的物理成分以及级别是吸附着色是否成功的重要因素。
铝材分为高纯铝、纯铝和合金铝。
高纯铝只含不超过痕量(不超过0.05%,依次排级)的亲质金属;纯铝的亲质金属含量不超过1%。
由于铝本身的强度不足以应付各种用途,因而相当多是与其他金属形成合金,主要的是镁、锌、锰、铜等。
合金中的这些成分越高。
阳极氧化已经慢慢淘汰了,现在已经升级到了微弧氧化,可以做镁和铝合金产品,原理都是一样,通过有机溶剂做为介质,采用尖端放电,在产品表面生成保护膜,类似於陶瓷层。
外观除了一些起跑引起的颜色问题,是很难看出来的,主要通过,盐雾、耐摩擦、电导率、电击穿等测试来判定膜层的好坏。
工艺:除油--水洗--水洗--阳极反应--水洗--封闭--烘烤铝型材阳极氧化工艺建筑铝材是目前阳极氧化处理的主要产品,其中75%-85%是用常规硫酸法处理。
中国建筑型材标准规定氧化膜的厚度大于10μm。
建筑铝材阳极氧化工艺的最佳工艺参数为电解液硫酸15%±2%,铝离子含量小于5g/L,溶液温度21±10C,电流密度(1.3±0.05)A/dm2,时间(对LD31合金)30min,则10μm;60分钟,则可达18μm(电压18V),溶液用纯水配制。
(三)其他阳极氧化1、草酸阳极氧化对硫酸阳极氧化影响的大部分因素也适用于草酸阳极氧化,草酸阳极氧化可采用直流电、交流电或者交直流电迭加。
用交流电氧化比直流电在相同条件下获得膜层软、弹性较小;用直流电氧化易出现孔蚀,采用交流电氧化则可防止,随着交流成分的增加,膜的抗蚀性提高,但颜色加深,着色性比硫酸膜差。
电解液中游离草酸浓度为3%-10%,一般为3%-5%,在氧化过程中每A·h 约消耗0.13-0.14g,同时每A·h有0.08-0.09g的铝溶于电解液生成草酸铝,需要消耗5倍于铝量的草酸。
溶液中的铝离子浓度控制在20g/L以下,当含30g/L 铝时,溶液则失效。
草酸电解液对氯化物十分敏感,阳极氧化纯铝或铝合金时,氯化物的含量分别不应超过0.04-0.02g/L,溶液最好用纯水配制。
电解液温度升高,膜层减薄。
为得到厚的膜,则应提高溶液的pH值。
直流电阳极氧化用铅、石墨或不锈钢做阴极,其与阳极的面积比为(1:2)-(1:1)之间。
草酸是弱酸,溶解能力低,铝氧化时,必须冷却制品及电解液。
精心整理铝阳极氧化工艺铝阳极氧化工艺第一部分工艺流程一、工艺流程及工艺条件1、铝阳极氧化处理流程如下:脱脂→水洗×2→(酸蚀→水洗×2)→碱蚀→水洗×2→中和→的侵蚀很小,但能有效清除表面的各种油污,及去除自然氧化膜,且不会如碱蚀产生大量气体和黑污。
对水质要求低,水洗容易。
低泡沫、避免脱脂槽泡沫过多而溢流。
使用条件:AC浓度:4~7%(体积比)时间:2~10分钟(视油污及处理流程而定)温度:20~30℃开槽方法:先加入槽体积一半的水,然后加入计算量的AC,搅拌5min左右,再补加水至规定体积。
第二、三步:自来水水洗第四步:酸蚀选用化学品:PotencerC-11PotencerC-11是精心研发使用于铝材酸蚀砂面作业中。
能快速整平、消除铝材表面的模具痕,获得美观的磨砂外观,并可大量降低铝材损耗。
使用方法:浓度:ADD20~30g/l;NaOH(F)40~70g/l。
温度:50~60℃。
时间:3~15min(视要得到的铝材表面状况而定)。
添加:请按“烧碱∶ET=5∶1”添加。
开槽方法:可采用下述两种方法之一。
①取三分之一经沉槽过的旧碱蚀液,加入计算量的ET,加入水使之约为槽体积的80%,加入45g/l的氢氧化钠,再补加水至规定体积。
控制温度在规定范围,即可试生产。
在生产过程中,当Al3+≤70g/l时,游离碱请控制在低范围,温度请控制在低范围。
当游离碱小于50g/l必须补加氢氧化钠和ET,补加比例为:每补加5kg氢氧化钠同时需补加1kg的ET。
②在槽中加入一半的水,加入约120g/l氢氧化钠,(注意:氢氧化钠溶解时会放出大量的热,需在搅拌下慢慢加入氢氧化钠,当氢氧化钠完全溶解再作下一步),加入计算量的ET,Al3+≤必须ET。
浓度:选用化学品:硫酸使用方法:H2SO4:160~180g/lD A:130~150A/m2U:14~18vT:20±1℃t:视膜厚要求Al3+:5~15g/l开槽方法:先加入槽体积三分之二的水,然后在搅拌下加入计算量的硫酸。
铝合金阳极氧化前处理工艺是决定产品外观质量的重要环节,型材机械纹的去除、起砂、亚光、增光等多种质量要求均由前处理工艺决定。
传统的前处理工艺分为三种:(1)、碱蚀工艺:由除油→水洗→碱蚀→水洗→出光→水洗→氧化组成,即型材经除油后,在碱蚀槽中经碱蚀处理去除机械纹和自然氧化膜、起砂,然后经出光槽除去表面黑灰,即可进行阳极氧化。
该工艺的核心工序是碱蚀,型材的表面平整度、起砂的好坏等均由该工序决定。
为了达到整平机械纹的目的,一般需碱蚀12-15分钟,铝耗达40-50Kg/T,碱耗达50Kg/T。
如此高的铝耗,既浪费资源,又带来严重的环保问题,增加废水处理成本。
该工艺已采用了100多年,全球大部分铝材厂沿用至今,直到近两年,才由酸蚀逐渐取代。
(2)、酸蚀工艺:由除油→水洗→酸蚀→水洗→碱蚀→水洗→出光→水洗→氧化组成。
型材经除油后先酸蚀,后碱蚀,出光,完成前处理。
该工艺的核心工序是酸蚀,去机械纹、起砂等均由酸蚀决定。
不同于碱蚀,酸蚀的最大优点是去机械纹能力强、起砂快、铝耗低,一般3-5分钟即可完成,铝耗几乎是碱蚀的1/8-1/6。
从工作效率和节约资源的角度看,酸蚀无疑是碱蚀工艺的一大进步。
然而,酸蚀的环保问题更加突出:酸槽的有毒气体HF的逸出及水洗槽Fˉ的污染。
氟化物一般都有剧毒,处理更加困难。
另外,酸蚀处理后,型材外观发黑发暗,尽管不得已延续了碱蚀和出光,可增亮一些,但仍然很暗,既增加了工序,又损失了光泽,这些问题至今还没有有效的解决方案。
(3)、抛光工艺:由除油→水洗→抛光→水洗组成,型材经除油后即放入抛光槽,经2-5分钟抛光后,可形成镜面,水洗后可直接氧化。
该工艺的核心工序是抛光,去纹、镜面都在抛光槽完成。
抛光具有铝耗低、型材光亮的优点,但抛光槽的NOx的逸出,造成严重的环境污染及操作工的身体伤害,同时,昂贵的化工原料成本等因素也制约了该工艺的推广。
通观上述三种工艺,虽各有特点,但缺点也比较突出,如碱蚀铝耗高、碱渣多、工效低;酸蚀氟化物污染、型材发暗;抛光污染严重,成本过高等等。
阳极氧化工艺流程单色、渐变色:抛光/喷砂/拉丝→除油→阳极氧化→中和→染色→封孔→烘干双色:①抛光/喷砂/拉丝→除油→遮蔽→阳极氧化1→阳极氧化2→封孔→烘干②抛光/喷砂/拉丝→除油→阳极氧化1 →镭雕→阳极氧化2 →封孔→烘干材料铝合金相比于不锈钢和铝镁合金,阳极氧化铝的优势在于,着色稳定、强度高、轻薄、抗腐蚀性强、金属质感更出色、耐污防指纹、导热性好等。
技术特点铝合金的突出特点是密度小,强度高,对其表面进行阳极氧化处理后更能加强其功能性及装饰性。
阳极氧化可以实现除白以外的任何颜色,还可通过遮蔽或去除部分氧化层实现双色阳极氧化。
目前已经实现无镍封孔,满足欧、美等国家对无镍的要求。
分类单色、双色、渐变色实例其它阳极氧化金属钛钛合金是一种非常有发展前景的材料。
钛合金的化学活性很高,在高温下极易受氢、氮的污染。
钛合金硬度低,耐磨性差,本身电位较正,与其他材料接触易造成接触腐蚀,同时对氢脆、镉脆等都很敏感。
为解决钛合金性能上存在的不足。
钛合金表面处理方法主要有化学转化膜处理、阳极氧化、电镀、热扩散、表面沉积、激光表面处理和离子注入等。
其中阳极氧化和功能性镀层较为常用。
阳极氧化钛的颜色是氧化层厚度不同,对光的干涉不同导致的。
而氧化层的厚度受到电压的影响。
不同电压阳极氧化钛的颜色阳极氧化钛制作的工艺品铌铌阳极氧化处理与钛类似,表面氧化膜厚度不同可以呈现一系列的颜色。
铌可用于首饰装饰。
阳极氧化铌首饰镁镁合金阳极氧化处理可以有提高其耐腐蚀性,多孔的阳极养护膜易于着色,满足装饰性的要求。
镁合金耳机2、阳极氧化的作用(1)防护性:提高零件的耐磨、耐蚀、耐气候腐蚀。
(2)装饰性:制成本色光亮膜,看成彩色膜。
(3)绝缘性:作为电容器介质膜,铝线卷绝缘膜,每微米厚度可耐25V电压。
(4)提高与有机涂层的结合力:作涂装底层。
(5)提高与无机覆盖层的结合力:作电镀、搪瓷的底层。
(6)开发中的其他功能:在多孔膜中沉积磁性合金作记忆元件、太阳能吸收板、超高硬质膜、干润滑膜、触媒膜等。
陽極氧化工藝流程名词解释Ⅰ机械与化学外表处理金属需经过抛光或刷光,随后除油及脱脂,检查外观质量,以为后续处理工序作外表准备。
Ⅱ阳极氧化通过认为的手段,形成一层厚氧化铝膜,即阳极氧化膜。
即吸附氧化膜。
这是吸附着色的先决条件。
Ⅲ染色在阳极氧化膜之微孔构造内沉积染料分子。
Ⅳ封孔封住微细孔,使染料固定于氧化膜内。
吸附着色的理论根据吸附现象是采用染料水溶液浸渍染色的特点。
与其他着色技术不同的是,其产生颜色之化合物并非产生自工艺本身而是存在于开初的介质中。
µµm。
***********************************************************铝的级别和铝的阳极氧化铝材的物理成分以及级别是吸附着色是否成功的重要因素。
铝材分为高纯铝、纯铝和合金铝。
高纯铝只含不超过痕量〔不超过0.05%,依次排级〕的亲质金属;纯铝的亲质金属含量不超过1%。
由于铝本身的强度缺乏以应付各种用途,因此相当多是与其他金属形成合金,主要的是镁、锌、锰、铜等。
合金中的这些成分越高。
耐机械磨损性便越强,但对装饰性着色的适应性那么相对的越差。
吸附着色本身是不会改善阳极氧化膜的物理特性的。
Ⅰ质量要求必须选用阳极氧化级的铝材,才能保证在阳极氧化和着色后仍然能保持吸引人的外观。
这一级别的铝材是专门为阳极氧化和着色而特别制备并经过特别检测的。
Ⅱ合金成分对色泽和透明度的影响铝和铝合金原有的颜色分别随其纯度级别与所含成分不同而异。
而吸附着色的色彩又受原来的底色所影响。
1镁量大于5%时,阳极氧化膜会暗哑;2含锰及铬量即使低至仅1%,氧化膜便带黄色,超过此含量时,金属色彩便会变的暗黑;3硅有使氧化膜带灰色的趋向,不过,很大程度上取决于它存在于合金中的形式。
假设以固溶体形式存在而含量低于1%时,它不会使氧化膜明显暗哑。
超过此含量及以非固溶体形式存在时,金属就会呈浑浊的灰色。
有一种特别的含硅3%~6%的铝合金就被称为“灰色彩和金〞。
铝材阳极氧化工艺流程:
机械抛光——除油——水洗——化学抛光——水洗——阳极氧化——水洗——封闭—机械光亮
化学抛光商品:铝材碱性抛光液
阳极氧化商品:铝材阳极氧化液
封闭商品:铝材着色封闭液
铝材阳极氧化和染色工艺
经过染色法处理的铝制品,颜色美观、鲜艳、抗腐蚀性、耐磨性及绝缘性高于一般的铝制品。
将铝的工件悬于适当的电解质溶液内,以此作阳极进行电解。
在电解过程中,水中的氢氧根离子在阳极放出电子成为水和新生态的氧,它使铝氧化成较厚的氧化铝膜,因为这个过程是金属制品作阳极被氧化的,所以叫做阳极氧化。
铝制品经阳极氧化后,再经着色、封闭、处理即成染色品。
一、染色工艺
1.预处理:铝制件在多次机械加工过程中,沾有较多的油脂、少量磨料、灰尘及有缺陷的氧化膜等,这些物质导电性差,不能进行阳极氧化,故需预先处理。
方法是用四氯化碳、三氯乙烯、汽油或甲苯作清洗剂,将铝件浸入,用毛刷刷洗,然后风干,再浸入水中,多次清洗。
油去尽后,立即用热水冲洗。
如果表面生成一层黑色的膜,还要放在32%的硝酸溶液浸泡20秒钟,以便除去黑膜,最后用冷水冲洗干净。
浸入蒸馏水中,备作制氧化膜用。
2.阳极氧化:
⑴硫酸电解液的配制:由硫酸18-20公斤和去离子水80-82公斤混合而成,此时溶液比重约为1.125-1.140。
有时为了获得防护性能好的氧极氧化膜,通常往硫酸电解液中添加少量草酸。
⑵氧化工艺:将线路仪表安装好,将要染色铝件作阳极并全部浸入电解液中,然后接通电源,按下列工艺条件控制。
电解液温度控制在12-25℃,阳极电流密度1-2安/分米2,槽中电压13-23伏之间。
时间30-40分钟左右。
按上述工艺操作完毕,随时将铝件从电解液中取出,把所沾的酸液用清水冲洗干净,低凹部分更应注意,否则会有白斑出现。
酸液清洗干净后,浸入清洁水中备用。
3.染色:铝件经过阳极氧化后,表面形成了能吸附,以共价键或氢键等键型键合而成有色络合物,出现色泽。
⑴染料选择:染料分无机染料和有机染料两种。
无机染料多为无机盐组成,染色时将铝件分别在甲、乙两种化合物溶液中浸泡,生成带色化合物,达到染色目的。
无机染色溶液
染料颜色溶液甲溶液乙染色化合物名称
名称浓度名称浓度
蓝或浅蓝亚铁氰化钾 10-50 氯化铁 10-100 普鲁士蓝
褐色铁氰化钾 10-50 硫酸铜 10-100 铁氰化铜
黑色醋酸钴 50-100 高锰酸钾 15-25 氧化钴
黄色重铬酸钾 50-100 醋酸铅 100-200 重铬酸铅
金黄色大苏打 10-50 高锰酸铅 10-50 三氧化二锰
白色醋酸铅 10-50 硫酸钠 10-50 硫酸铅
橙黄色铅酸铝 5-10 硝酸银 50-100 铬酸银
有机染料品种繁多,现将常用染料,染液浓度,所呈色泽列表介绍如下,以供参考。
染料色泽染料名称染液浓度备注
黄色酸性媒介RH直接黄棕D3G醇溶黄GR直接冻黄G
0.7-11-50.5-11-2
凡是酸性染料都应加入冰醋酸1-2毫升调整pH用酒精作溶剂
黄色茜素黄印地素桔黄酸性橙H 1-211-2
该染料染色须加亚硝酸钠10克,温水一升配成染色液,染色时间30分钟,再在硫酸25毫升温水一升中显色一分钟。
红色直接耐晒桃红G酸性大红GR茜素红S 2-55-105-10
红色碱性玫瑰精酸性橙Ⅱ 0.753 两种染料分别溶解后合并为一升
草绿直接耐晒翠绿直接绿B 3-52-5
蓝色直接耐晒翠蓝GL活性艳蓝酸性湖蓝V酸性湖蓝A 2-5522-5
黑色酸性毛元ATT酸性皮元NBC 10-1510-15
⑵染色操作:
①染单色法:将经阳极氧化,用清水洗净的铝制品,立即浸入40-60℃的着色液中浸泡。
浸泡时间:浅色30秒钟-3分钟;深色、黑色3-10分钟。
染后取出,用清水洗净。
②染多色法:若在同一铝件上染两种或多种不同颜色、或印出山水、花鸟、人物、文字时,则其手续甚繁,有涂料掩蔽法、直接印染法、泡沫塑料扑染法等。
上述各法操作不同,但原理一致。
现将涂料掩蔽法介绍如下:此法主要是将快干易清洗的清漆薄而均匀地涂刷在真正需要的黄色上,把它掩蔽起来。
待漆膜干后,将铝件全部浸入稀铬酸溶液中,以退去未涂刷清漆部分的黄色,取出,用清水洗去酸液,低温烘干后,再染红色,如欲染第三、四色可照上法操作。
4.封闭:经染色的铝件用水洗净后,立即放入90-100℃的蒸馏水中煮30分钟。
经过这样处理后,表面变得均匀无孔,形成致密的氧化膜。
着色所涂的染料就沉淀在氧化膜内,再也擦不掉了,被封闭后的氧化膜不再具有吸附性,并且耐磨、耐温、绝缘性都得到加强。
将经过封闭处理的铝件的表面擦干,再用软布擦亮,就能得到美丽鲜艳的铝制品,如染多色,封闭处理后,应将铝件上所涂的保护剂除去,小面积用棉花沾丙酮揩去,大面积可将染色铝件浸入丙酮内把漆洗去。
三、注意事项
1.铝件洗油处理后,应立即进行氧化,不应放置过久。
铝件制作氧化膜时,要全部浸入电解液中,槽电压从头至尾要平稳一致,同一批产品,必须完全一致,这一点即使在染色时亦应遵循。
2.在阳极氧化过程中,电解质中溶液的铝、铜、铁等不断增加,影响铝的光泽等。
当铝含量大于24克/升,铜大于0.02克/升,铁含量大于2.5克/升时,电解液应考虑更换。
3.购买原料与染料要选择纯度高的产品,因一般杂质稍多或掺有元明粉、糊精时,染色效果不佳。
4.大量染色时,染液初浓后淡,染出颜色即会出现深浅不一,故应注意适时掺兑稍浓染液,尽可能保持染液浓度的一致性。
5.染多色时,应先染浅色后染深色,由黄、红、蓝、棕、黑顺序染色。
染第二色前,喷漆应干燥,使涂料紧贴铝面,否则染料会浸入,出现毛边界限不明等。
6.铝中含杂质影响染色:含硅超过2.5%,底膜显灰色,宜染深色。
含镁超过2%,染色带暗淡。
含锰色调嫩,但不鲜艳。
含铜色调带钝,含铁、镍、铬太多时色彩沉闷。