屋面出入口检验批质量验收记录
- 格式:xls
- 大小:26.50 KB
- 文档页数:1
栋建筑屋面分部工程质量验收记录一、验收时间和地点验收时间:2024年6月1日-2024年6月5日验收地点:XX建筑工地二、参与人员验收单位:工程质量监督站监理单位:XX监理工程有限公司施工单位:XX建筑工程有限公司三、验收内容1.施工材料的质量和使用情况:1.屋面防水材料(例如沥青卷材、水泥砂浆等)的规格、型号、生产批号、品牌等;2.材料是否符合相关标准和验收要求;3.材料的使用情况,如是否存在损坏、变形、剪口等;2.屋面结构的质量和安装情况:1.屋面结构(如屋面槽钢、檩条、龙骨等)的规格、型号、材质等;2.结构是否牢固,有无锈蚀、变形等情况;3.结构的连接处和焊接点是否牢固,有无裂缝、松动等情况;4.结构的安装是否符合设计要求和施工规范,有无误差、漏接等情况;3.屋面防水层的质量和施工情况:1.防水层的厚度、材质、层数等;2.防水层的施工工艺是否正确,有无浮泡、渗漏等情况;3.防水层的固定方式、接缝处理是否符合要求;4.防水层的抗拉强度、耐热性、耐腐蚀性等性能是否达标;4.屋面排水系统的质量和安装情况:1.排水系统(例如雨水龙头、雨水管、排水沟等)的规格、型号、材质等;2.管道是否畅通无阻,并有无渗漏、腐蚀等情况;3.排水口是否合理安装,有无倾斜、堵塞等问题;4.排水沟是否符合设计要求和施工规范,有无渗漏、坍塌等情况;5.屋面保温层和隔热层的质量和施工情况:1.保温层和隔热层的类型、厚度等参数;2.施工质量是否符合要求,有无空鼓、脱落等情况;3.保温层和隔热层的热阻、热传导系数等性能是否达标;6.其他问题和存在的质量隐患:1.验收过程中发现的其他问题和存在的质量隐患(如漏水、渗漏、变形等);2.针对问题和质量隐患提出整改措施和建议;四、验收结论经对建筑屋面分部工程进行细致的质量验收1.施工材料的质量符合相关标准和验收要求;2.屋面结构的质量牢固,安装符合设计要求和施工规范;3.屋面防水层施工工艺正确,质量符合要求;4.屋面排水系统畅通无阻,质量达标;5.屋面保温层和隔热层施工质量良好,性能符合要求;6.存在的问题和质量隐患已提出整改措施和建议,待施工单位整改完成后,重新进行验收。
屋面找平层检验批质量验收记录表GB50207 2002屋面保温层检验批质量验收记录表GB50207—2002040101040201卷材防水层检验批质量验收记录表GB50207 2002细部构造检验批质量验收记录表GB50207 2002屋面保温层检验批质量验收记录表GB50207—2002屋面找平层检验批质量验收记录表GB50207 2002涂膜防水层检验批质量验收记录表GB50207 2002细部构造检验批质量验收记录表GB50207 2002细石混凝土防水层检验批质量验收记录表GB50207 2002040301密封材料嵌缝检验批质量验收记录表GB50207 2002040104 040204040303单位(子单位)工程名称分部(子分部)工程名称验收部位施工单位项目经理分包单位分包项目经理施工执行标准名称及编号施工质量验收规范的规定施工单位检查评定记录监理(建设)单位验收记录主控项目1天沟、檐沟排水坡度设计要求2防水构⑴天沟、檐沟第9.0.4条(2) 檐口第9.0.5条(3) 水落口第9.0.7条3 接缝宽度允许偏差± 10%施工单位检查评定结果专业工长(施工员)施工班组长项目专业质量检查员:年月日监理(建设)单位验收结论专业监理工程师:(建设单位项目专业技术负责人):年月日细部构造检验批质量验收记录表B50207-2002040404平瓦屋面检验批质量验收记录表GB50203 2002040401| || |油毡瓦屋面检验批质量验收记录表GB50207 2002金属板材屋面检验批质量验收记录表GB50207 20020404031 || |细部构造检验批质量验收记录表GB50207 2002架空屋面检验批质量验收记录表GB50207—20020405011 || |蓄水、种植屋面检验批质量验收记录表GB50207 2002蓄水、种植屋面检验批质量验收记录表GB50207 2002。
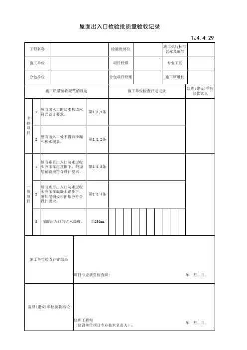
屋面出入口检验批质量验收记录一、项目背景根据《建筑工程质量检验批验收管理办法》,我公司负责对屋面出入口进行质量检验批验收。
此次验收的屋面出入口是位于办公楼的屋面出入口,总面积为XXX平方米。
验收的目的是确认屋面出入口的施工质量是否满足设计要求和规范标准,确保屋面出入口的安全可靠,达到使用要求。
二、相关标准和规范本次屋面出入口的施工质量验收遵循以下标准和规范:1.《建筑工程质量检验批验收管理办法》2.《钢结构工程质量验收规范》3.《建筑构件防水施工及验收规范》三、质量验收内容1.屋面出入口钢结构质量验收a.确认钢结构构件的材质、强度、焊缝等级等是否符合设计和施工图要求。
b.检查钢结构构件的焊接质量,焊缝的规范性和连续性。
c.检查钢结构构件的防锈和防腐蚀处理是否到位。
d.检查钢结构构件的连接方式和连接紧固是否牢固可靠。
2.屋面出入口防水层质量验收a.检查防水层施工前的基层处理是否符合要求。
b.检查防水层施工过程中的涂刷、铺设质量。
c.检查防水层与结构之间的连接是否严密、无渗漏。
d.检查防水层的厚度、均匀性和质量。
3.屋面出入口门窗质量验收a.检查门窗的材质是否符合要求,尺寸是否准确。
b.检查门窗的安装是否稳固,门窗与墙面之间的连接是否紧密无缝。
c.检查门窗的开启、关闭、锁闭等功能是否正常。
四、质量验收结果根据对屋面出入口的质量验收,现将验收结果汇总如下:1.钢结构质量验收结果a.钢结构构件材质、强度、焊缝等级等符合设计和施工图要求。
b.焊缝的规范性和连续性良好。
c.钢结构构件的防锈和防腐蚀处理到位。
d.钢结构构件的连接方式和连接紧固可靠。
2.防水层质量验收结果a.防水层施工前的基层处理符合要求。
b.防水层施工过程中的涂刷、铺设质量良好。
c.防水层与结构之间连接严密,无渗漏。
d.防水层的厚度、均匀性和质量良好。
3.门窗质量验收结果a.门窗材质符合要求,尺寸准确。
b.门窗安装稳固,与墙面连接紧密无缝。
c.门窗的开启、关闭、锁闭功能正常。
屋顶防水施工检验批质量验收记录表
概述
本文档记录了对屋顶防水施工进行的检验批质量验收的过程和结果。
验收情况
验收过程
详细描述了对屋顶防水施工的检验过程和具体步骤,包括材料检查、工艺验收等。
验收结果
记录了屋顶防水施工的质量验收结果,包括合格或不合格,并给出相应的原因和处理措施。
建议和改进建议
针对当前防水施工存在的问题或不足,提出改进建议和措施。
验收人员签字
备注
记录其他需要补充说明的事项。
附件
如有需要,可以附上相关的照片、文件或报告等。
结论
根据对屋顶防水施工的检验批质量验收,结论是合格或不合格,并给出相应的建议和改进措施。
以上是屋顶防水施工检验批质量验收记录表的内容。
请核对并
补充相应信息后进行使用。
屋面工程质量验收记录工 程 名 称 XX 橡树湾家园(二期) #楼验 收 编 号 #-WZSYS11-WMGC -分部工程名称验 收 部 位 施 工 单 位 项 目 经 理 分 包 单 位分包项目经理执行标准及编号 《建筑装饰装修工程质量验收规范》(GB50210-2001);《屋面工程质量验收规范》(GB50207-2002);《屋面工程技术规范》(GB50345-2004)未提及到的标准按相关验收规范及设计要求执行。
检查 项目检查内容及要求分包/班组自检 总包专检 验收结果 结论签字结论签字结论签字A准备工作1 施工方案是否已获批准□□□2 样板是否施工完成并获得批准,样板编号: □ □ □3 是否有进行技术交底并有相关文件□ □ □ 4进场材料验收合格并有验收记录,卷材编号: ;挤塑板编号: ; 屋面面砖编号: □ □ □ B找平、倒角、泛水檐、落水管、避雷焊接 1 平屋面结构找坡的排水坡度是否不小于3%□ □□2 基层与突出屋面结构(女儿墙、山墙、天窗壁、变形缝、烟囱等)的交接处和基层的转角处是否做成半径不小于50mm 的圆弧形 □ □ □3 内部排水的水落口周围、找平层是否做成略低的凹坑 □ □ □4 找平层是否平整、压光,无酥松、起砂、起皮现象 □ □ □5 泛水檐是否施工完成并在同一水平面上 □ □ □6 楼梯与墙面交接处是否处理干净,□ □ □ 7 所有高出屋面构柱物是否有避雷引线连接至旁边并高出构柱物 7屋面蓄水24h 不漏;找平验收并移交,移交记录: □ □ □ C卷材铺贴1 所用的冷底油与卷材是否有相容性检测报告 □□□2 基层卫生是否清理干净□ □ □ 3 冷底油是否涂刷均匀、到位,无遗漏【禁用泼洒】 □ □ □ 4 冷底油在节点细部构造部位是否涂刷到位 □ □ □ 5 冷底油干燥后是否及时铺贴卷材□ □ □ 6 基层与突出屋面结构(女儿墙、山墙、天窗壁、变形缝、烟囱等)的交接处和基层的转角处是否有做附加层卷材□ □ □ 7 卷材铺贴方向是否正确:平行屋脊方向铺贴;上下层卷材是否相互平行铺贴;卷材搭接是否顺流水方向或年最大频率风向 □ □□8 卷材搭接时上下层及相邻两幅卷材搭接缝是否错开□ □ □ 9卷材搭接长度是否不小于100mm 【长边、短边】,卷材搭接部位是否溢出热熔的改性沥青胶;并用材性相容的密封材料封严□ □ □ 10 卷材火焰加热是否均匀不过分加热及烧穿卷材 □ □ □ 11热熔法进行铺贴卷材应热熔后是否立即滚铺卷材,下面的空气是否排尽;辊压粘接牢固,无空鼓□ □ □ 12 铺贴的卷材整体是否平整顺直,搭接尺寸准确,无扭曲、皱折 □ □ □ 13 黄砂卷材的铺贴方向是否顺着排水沟处进行搭接,是否顺直,美观 □ □ □ 15 节点位置是否用黄砂卷材进行收口铺贴 □□□工 程 名 称 XX 橡树湾家园(二期) #楼 验 收 编 号 #-WZSYS11-WMGC -分部工程名称验 收 部 位 施 工 单 位 项 目 经 理 分 包 单 位分包项目经理执行标准及编号 《建筑装饰装修工程质量验收规范》(GB50210-2001);《屋面工程质量验收规范》(GB50207-2002);《屋面工程技术规范》(GB50345-2004)未提及到的标准按相关验收规范及设计要求执行。