蝇蛆养鸡技术方法蝇蛆养鸡可以省多少料
- 格式:docx
- 大小:397.90 KB
- 文档页数:4
蝇蛆怎么养殖,用来喂鸡好不好回答粪料:准备1000kg粪料(70%新鲜猪粪,30%新鲜鸡粪),与20kg保健液,5kg玉米粉混合在一起密封发酵1-3天。
产卵场所:将粪料堆成条状,并在粪堆上摆放集卵物。
孵化:温度控制在25-35℃,期间注意粪堆水分。
一、蝇蛆怎么养殖1、粪料(1)配方:3天以内的猪粪70%+7天以内的鸡粪30%;或屠宰场的新鲜猪粪100%;或猪粪60%+豆渣30%+糠10%;或鸡粪70%+酒糟30%。
(2)发酵:将准备好的1000kg粪料,与20kg保健液,5kg玉米粉混合在一起,和匀,然后盖上一层塑料薄膜密封发酵1-3天。
2、产卵场所(1)冬春季节早上8-9点,或者是夏秋季节下午4-6点,将发酵好的粪料送进房间,堆成条状,每条长0.8m,宽0.2m,高0.15m。
(2)每条粪堆上摆放3小堆集卵物,然后在傍晚的8点,将少量的集卵物覆盖在产下的卵块上。
(3)集卵物:每100kg的粪料上,使用1kg麦麸,100g鱼粉,150g花生麸,1.5kg水混匀后摆放在上面。
3、孵化(1)在室温为25-35℃的环境下,卵一般需要经过8个小时的时间孵化成蛆,此时如果粪堆水分不足,可以适当洒水。
以不见有水流出为宜。
(2)在蛆孵化出来72小时左右,部分成熟的蛆爬出粪堆,掉入桶中。
一般在孵化后72-96小时这个时间段内是蛆爬出的高峰期。
(3)等到蛆基本都爬出来以后,清理掉残粪,重新放入新发酵的粪。
4、管理(1)每天早上8点和下午5点,将掉入桶中的蛆收集好。
(2)每天早上的10点钟,使用50倍保健液喷洒室内,消除臭味、灭杀病菌。
二、蝇蛆用来喂鸡好不好1、蝇蛆属于一种高蛋白的饲料,合理喂食可以增加鸡的生长速度,提高产蛋率,并且鸡也十分爱吃虫子,不用考虑适口性的问题。
2、在喂食蝇蛆前,应当清洗干净,也可以将蝇蛆洗净晒干,磨成粉状,加入饲料中喂食。
3、一般在雏鸡15日龄以后,可以考虑将蝇蛆磨成粉状按照10-20%的比例添加到饲料中喂食,或者是1月龄以后,直接喂食。
蝇蛆养殖喂鸡效益好增收快虫子含有丰富的营养,鸡最爱吃,是鸡最需要的好饲料,肉鸡吃了长得快。
长速可加快30%~100%,母鸡下蛋多,产蛋率可高达95%~98%,效益高。
每年3月到10月,天气暖和,虫子繁殖得快,是人工养殖的大好时机。
养虫方法简便,占地少,投资小,见效快,是开辟动物性蛋白质饲料的捷径,不失为养鸡致富的一个好路数。
养虫方法很多,有条件的地方,均可充分利用。
牛粪沤虫即把牛粪收集起来,加一些发酵粉,再加热水充分搅拌,上面盖些碎草,再用稀泥糊好,堆放在阴凉处,约过20天左右,里面就能长出很多虫子,即可挖开取之喂鸡。
如养鸡多,可用混合沤虫法:先在地上挖一条沟,长宽不限,沟深不要超过一米,以方便取用。
沟底先铺一层稻草,再铺一层牛粪,一层稻糠,然后再铺一层垫草和牛粪,这样间隔一层铺一层,直到铺满沟为止。
铺完后每天浇一次水,一般十几天后,稻草牛粪开始腐烂,即生出大量虫子,喂鸡时,可把鸡轮流放进去吃虫子,吃上15分钟~20分钟后,再放第二批鸡和第三批鸡……每天喂一次,即能满足鸡对蛋白质营养的实际需要。
养殖蚯蚓垃圾、畜禽粪便、杂草树叶等,都可做蚯蚓饲料,蚯蚓是雌雄同体,异体受精的卵生动物,繁殖快,一年产卵3次~4次,一条蚯蚓平均繁殖50条~150条以上。
好的品种,一年可繁殖1000倍。
方法是在地上挖一条1米宽、0。
7米沟,根据需要,沟可长可短。
沟内垫料分6层,底层垫黑土20厘米,二层垫13厘米马粪,三层垫10厘米土,如能加些米糠更好,四层垫20厘米的枯草烂叶,五层再垫10厘米土,最上层垫13厘米马粪,垫好后,根据养鸡多少,可放进大蚯蚓数百条。
每隔一个月加一次杂草烂叶。
平时要保持沟内湿润,太干时要浇水,过两个月即可先从一头挖出蚯蚓喂鸡,边喂边挖,挖到另一头时,先挖的一头,又繁殖出来,这样可轮流挖着喂鸡。
但不可生喂,煮熟再喂,以免鸡得寄生虫病。
繁育蝇蛆蝇蛆,富含59。
9%~63%的粗蛋白质和12。
6的粗脂肪,并含有几种鸡所必需的氨基酸、钙、磷和多种维生素。
育虫养鸡12法1.节约养鸡成本,充分利用农家的各种下脚料和废弃杂物以及一些廉价的农副产品,利于环境保护和充分利用资源。
2.由于蛆、虫、蚯蚓等为高蛋白活体饲料,可提前10~15天出栏。
3.养鸡效益高,育虫所用原料成本仅为一般饲料成本的5%~25%。
具体方法如下:1.稀粥育虫法:选三小块地轮流在地上泼稀粥,然后用草等盖好,两日后尽生小虫子,轮流让鸡去吃虫子即可。
注意防雨淋,防水浸,下同。
2.稻草育虫法:挖一宽0.6米、深0.3米的长方形土坑,将稻草切成6~7厘米长,用水煮1~2小时,捞出倒入坑内,上面盖上6~7厘米厚的污泥(水沟泥或塘泥等,下同),垃圾等,最后再用污泥压实,每天浇一盆洗米水,约8天即生虫子,翻开让鸡啄食即可,食完后再盖好污泥等照样浇洗米水,可继续生虫子。
3.豆饼育虫法:把少量豆饼(花生麸等)敲细碎后与豆腐渣一起发酵,发酵好后再与秕谷、树叶等混合,放入20~30厘米深的士坑内,上面盖一层稀污泥,再用草等盖严实,约过6~7天即生虫子。
4.豆腐渣育虫法:把1~2千克豆腐渣倒入缸内,再倒入一些洗米水,盖好缸口,过5~6天即生虫子,再过3~4天即可让鸡采食蛆虫。
用6缸轮流育虫可满足50只鸡需要。
5.混合育虫法:挖一深0.5米的土坑,底铺一层稻草,草上铺一层污泥,如此层层铺至坑满为止,以后每天往坑里浇水。
经10余天即生虫子。
6.腐草育虫法:在较肥地挖宽约1.5米、长1.8米、深0.5米的土坑,底铺一层稻草,其上铺一层豆腐渣,然后再盖层牛粪,粪上盖一层污泥,如此铺至坑满为止,最后盖层草。
经一周左右即生虫子。
7.牛粪育虫法:在牛粪中加入10%米糠和 5%麦糠(或0. 1%酒饼粉)拌匀,堆在阴凉处,上盖杂草,秸秆等,后用污泥密封,约过20天即生虫子。
8.酒糟育虫法:酒糟10千克加豆腐渣50千克混匀在距离房屋较远处,堆成馒头形或长方形,过2~3天即生虫子,5~7天后可让鸡采食蛆虫。
9.马粪育虫法:在较潮湿地挖一长宽各1~2米、深0.3米的土坑,底铺一层碎杂草,草上铺一层马粪,粪上再撒一层麦糠,如此一层一层铺至坑满为止,最后盖层草,坑中每天浇水一次,经一周左右即生虫子。
蝇蛆养鸡可以省多少料蝇蛆养鸡可以省多少料【篇一:蝇蛆养鸡可以省多少料】用蝇蛆应该怎么做?蝇蛆养鸡可行吗?养鸡户在近年来发明出一种新技术——蝇蛆,下面,请跟随小编一起去看看如何培育蝇蛆以及怎么样采用蝇蛆养鸡技术赚钱,服务于养鸡产业。
1.苍蝇的生活习性在温度20~30的温度下,蛹经过5天发育,由软变硬,由米黄色、浅棕色、深棕色变黑色,最后成蝇从蛹的前端破壳而出。
刚爬出的成蝇,不会飞,1小时以后,展开翅膀开始吃食和饮水。
成蝇白天活泼好动,夜间栖息不动,3天后性成熟,雌雄开始交尾产卵,1~8日龄为产卵高峰期,到25日龄基本失去产卵能力。
蝇卵半天至1天孵化成蛆,一般第5天变蛹。
苍蝇的一个世代,约为28天。
温度及蛆饵料养分对蛆的生长发育有很大影响,一般室温在20~30℃范围内,温度和养料越高,蛆生长发育越快,变成的蛹也越大。
2.种蝇的饲养繁殖种蝇要放在蝇房饲养。
种蝇房的大小,根据需要建造,也可用旧房改装,门和窗安装玻璃和纱窗,以利于调温,壁上安装风扇,以调节空气。
房内宜有加温设备,使冬天温度保持在20~23℃,房内相对湿度保持在60%~70%.通道上安装黑布帘,防止种蝇外逃。
房内设饲养架,分上、中、下3层。
饲养架用铁料或木料做成。
每层架放置用尼龙纱网制成的蝇笼,笼长100厘米,高80厘米,将种蝇关在笼内饲养,每笼养种蝇1.2万只,每一个笼子都加上布袖,以便加料、加水和采卵,1.2万只成蝇每天喂奶粉20克,放在有纱布垫面的料盆中,让成蝇站立在纱布上吸食。
饲料和水每天换1次。
水盆放入纱布,产卵笼内放入湿麦皮供蝇种产卵,每天在种蝇笼内取卵1次,送到蛆房育蛆。
种蝇产卵以每天上午8时至下午3时数量最多,取卵时间要适当。
每批种蝇饲养15~20天即行淘汰,用热水或蒸汽将其杀死,烘干磨粉作畜禽饲料,然后重新换一批。
在生产蝇蛆的同时,蝇蛆化蛹,作为新蝇种的有2种方法。
一是让其自然化蛹,用水洗出蝇蛹;另一种是当蛆养到约5~6天变黄时,将蝇蛆取出促使化蛹。
养蝇蛆喂鸡的方法
养蝇蛆喂鸡的方法鸡可直接选择本地的土鸡品种,一般都具有较强的抗逆性和抗病力,无论进行棚养还是利用果园、田地放养或田养,都可获得较高的存活率。
选择鸡雏时要根据市场需求,选择全身黑色或其它颜色的公雏,这样可以确保较好的销路和价格。
蝇蛆从收蛆蛹中取出后,用清水冲洗一下可直接喂鸡,用量可占到全部饲料的30%,如果将蝇蛆用开水烫死后饲喂,掺用量可占到40%。
因蝇蛆中的蛋白质含量较高,其它饲料要以玉米粉、小麦麸等能量饲料为主,不必再添加豆粕、鱼粉类蛋白饲料。
蝇蛆养鸡的饲养管理技术用无菌苍蝇培育蝇蛆养鸡的好处:蝇蛆富含抗菌肽,喂养的鸡抵抗力强,不易得肠道疾病,且生长速度快,并且每只鸡每天平均饲喂7—8克蝇蛆即可,成本低,只有4分至5分钱。
蝇蛆养出的商品鸡品质特别好,不但比普通家鸡更香、更好吃,而且营养价值更高。
同时,蝇蛆在生长的过程中将吃掉粪便中的有机物,而剩下的粪渣特别适用于蘑菇、绿色蔬菜的种植,避免了对周围环境的污染。
饲喂方法简单:鲜蛆直接撒入食槽或撒到地上,每天分两次投喂。
残料中有少量的蝇蛆,可将残料和蛆一起投喂。
根据有关资料,采用10%的蝇蛆和10%的鱼粉分别饲喂蛋鸡,基础日粮相同。
喂蝇蛆的鸡,产蛋率比喂鱼粉的鸡提高20.3%,饲料报酬上升15.8%,饲料成本下降31.2%。
一、饲喂前的准备工作1.场地选择:鸡场应选择地势高、水源充足、交通便利、排水方便、电源可靠、阳光充足、环境幽静的草地、林地、果园。
场区布局合理。
鸡舍内用竹木架起,笼养距离地面0.3米左右,使鸡体与地面隔开,鸡舍面积大小根据养殖数量确定,一般以每平方米15—20只为宜。
2.圈舍的消毒:进鸡前3—5天,对鸡舍用40%福尔马林溶液熏蒸消毒。
消毒时门窗密闭。
消毒后鸡舍门窗打开,通风,进鸡前1天,做好鸡舍的保温工作,使鸡舍温度达到30℃—32℃。
二、雏鸡品种的选择为了杜绝外来疾病的侵袭,在选雏前要进行实地考察,尽量在本地无传染病史的鸡场,选择种鸡普系登记齐全、管理规范、防疫制度健全的育雏厂调运,鸡的品种可选用抗逆性强的优良当地品种,如三黄鸡、麻鸡、固市鸡等,不适合养殖50天左右出栏的快大鸡,如果要饲养快大鸡,则蝇蛆的饲喂量要减少一半。
温(20℃—22℃),雏鸡一般在出壳24小时后开食。
2.控制好鸡舍内的温度:刚出壳的雏鸡温度要求35℃(指与鸡背部同高处的温度),以后每5天降低1℃,在35—42日龄时温度最后降至20℃—22℃。
在保温的同时,还需要通风换气。
3.光照要适当:1日龄小鸡光照23小时(15—25W的即可),2—15日龄每天减少1小时,16日龄后不再补充光照。
蝇蛆养鸡能降低养鸡成本吗?
蝇蛆养鸡大家已经都听说过,在不少地方也都有这样的案例,只听说蝇蛆养鸡赚钱了,但是那是在行情好的时候,具体的蝇蛆养鸡是不是真的能降低养鸡成本?又该怎么喂养呢?
苍蝇蛆鸡就像大家听说的那样,很多地方都有这样的情况,只是听说苍蝇蛆鸡赚了钱,那么在行情好的时候,具体的苍蝇蛆鸡真的能降低鸡的成本吗?怎么养活?
蝇蛆养鸡成本
蝇蛆仅仅解决的是饲料成本中蛋白饲料成分的成本。
由于这类成分的成本比较高(如鱼粉、豆粕),所以,用蝇蛆替代后能够达到显著降低饲料成本开支的目的,同时,又能够提高肉的品质和提高免疫力的效果。
这是用鱼粉、豆粕所不能够达到的。
明白了上述道理,就可以知道对于蝇蛆,是不能够完全取代投喂饲料的。
一般来说,日能量供给减少。
但是问题变得比较简单,一般就是用玉米来喂养鸡就足够了。
考虑到山鸡可以捕获一定量的野生食物进食,根据一般饲料转化率和当前市场玉米饲料价格加上一些辅助饲料,三斤鸡的饲料成本约为10元。
蝇蛆养鸡效果
采用鲜蝇蛆饲喂雏鸡,生长发育明显加快,可使蛋鸡提早1个月开产;每加喂1千克鲜蛆,产蛋量增加0.75千克,能提高产蛋率10%-20%,比添喂鱼粉的对照组每只鸡每年多产蛋1-1.5千克。
用新鲜蛆喂鸡后,体重增加率比对照组(添加同量鱼粉)上升70%-139%,饲料报酬增加。
产卵日粮中添加8%~10%蝇蛆粉比对照组高16%~18%。
想了解更多关于养殖管理的技术,请关注畜牧堂!“畜牧堂”APP,为我国广大养殖户提供“互联网+”畜牧养殖的整体解决方案,帮助农户勤劳致富,助力我国畜牧养殖事业的快速健康发展。
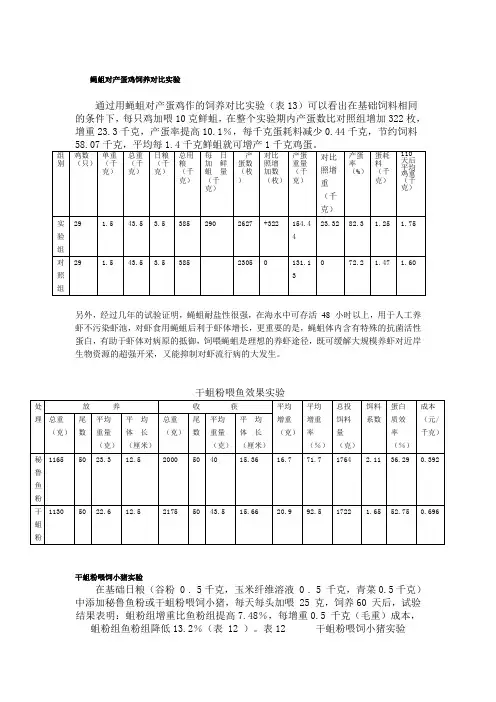
蝇蛆对产蛋鸡饲养对比实验
通过用蝇蛆对产蛋鸡作的饲养对比实验(表13)可以看出在基础饲料相同的条件下,每只鸡加喂10克鲜蛆,在整个实验期内产蛋数比对照组增加322枚,增重23.3千克,产蛋率提高10.1%,每千克蛋耗料减少0.44千克,节约饲料
另外,经过几年的试验证明,蝇蛆耐盐性很强,在海水中可存活48 小时以上,用于人工养虾不污染虾池,对虾食用蝇蛆后利于虾体增长,更重要的是,蝇蛆体内含有特殊的抗菌活性蛋白,有助于虾体对病原的抵御,饲喂蝇蛆是理想的养虾途径,既可缓解大规模养虾对近岸生物资源的超强开采,又能抑制对虾流行病的大发生。
干蛆粉喂饲小猪实验
在基础日粮(谷粉 0 . 5千克,玉米纤维溶液 0 . 5 千克,青菜0.5千克)中添加秘鲁鱼粉或干蛆粉喂饲小猪,每天每头加喂 25 克,饲养60 天后,试验结果表明:蛆粉组增重比鱼粉组提高7.48%,每增重0.5 千克(毛重)成本,蛆粉组鱼粉组降低13.2%(表 12 )。
表12 干蛆粉喂饲小猪实验。
蝇蛆喂鸡高效技法家蝇繁殖的幼虫称蝇蛆,它是优质动物性蛋白质饲料。
蝇蛆的营养成分与优质鱼粉相似,干品粗蛋白质含量59%~65%,粗脂肪11%~13%,钙0.3%~0.7%,磷1.7%~2.6%。
用10%蝇蛆粉喂蛋鸡,其产蛋率比饲喂同等数量鱼粉的蛋鸡提高20%,饲料报酬提高15%以上。
蝇蛆的养殖分种蝇饲养和蝇蛆饲养两个阶段。
养种蝇是为了获得大批蝇卵,供繁殖蝇蛆。
饲养蝇蛆的鸡所产的蛋,富含多种维生素、类胡萝卜素,蛋内脂肪虫子鸡蛋普通装不超过3%,蛋白质含量超过12%,含有人体必须的多种氨基酸、钠、钾、钙等矿物质等。
一、饲养种蝇1.制蝇笼。
种蝇有飞翔力,须笼养。
采用木条或直径6.5毫米钢筋制成65厘米;80厘米;90厘米的长方形框架,在架外蒙上塑料窗纱或细眼铜丝网,并在笼网一侧安上纱布手套,以便喂食和操作。
每个蝇笼中配备1个饲料盆和1个饮水器。
1个笼可养成蝇4万~5万只。
2.备饲料。
种蝇用5%的糖浆和奶粉饲喂;或将鲜蛆磨碎,取95克蛆浆,5克啤酒酵母,加入155毫升冷开水,混匀后饲喂。
初养时可用臭鸡蛋,放入白色的小瓷缸内喂养。
饲料和水每天更换1次。
3.育种蝇。
种蝇的来源,可将蝇蛹洗净放入种蝇笼内,待其羽化到5%时开始投食和供水。
种蝇开始交尾后3天放入产卵盘。
盘内盛入2/3高度的引诱料。
引诱料用麦麸、鸡饲料或猪饲料,加入适量稀氨水或碳酸铵水调制而成。
每天接卵1~2次,将卵与引诱料一起倒入幼虫培养室培养。
4.控温湿。
种蝇室的温度要控制在24℃~30℃,空气相对湿度控制在50%~70%。
二、饲养蝇蛆1.饲养设备。
小量饲养可以用缸、盆等,大规模饲养宜用池养。
用砖在地面砌成1.2;0.8;0.4米的池,池壁用水泥抹面。
池口用木制框架蒙上细眼铜丝或筛绢做盖。
2.蝇蛆培养。
培养料可用畜禽粪,也可用酒糟、糖槽、豆腐渣、屠宰场下脚料等配制。
培养料含水量65%~70%,PH值6.5~7。
每平方米养殖池倒入培养料35~40千克,厚度4~5厘米,每平方米接种蝇卵20万~25万粒,重20~25克。
生产蝇蛆饲喂蛋鸡方法作者:来源:《农村百事通》2015年第24期笔者在吉林省永吉县某养殖专业合作社,用生产的高蛋白蝇蛆喂养蛋鸡,取得了良好的效果。
现将这一技术介绍如下:1.蝇蛆生产(1)种蝇的繁育与饲喂蝇笼的制作:种蝇喜欢飞舞,必须用笼箱限制其活动范围。
利用统一标准的木条或直径7毫米细钢筋制成长方形笼架,长、宽、高分别为100 厘米、85厘米、70厘米。
在笼子的架框上,安装眼孔较小的铜丝网,在笼网旁边设置一个棉布手套。
种蝇饲喂器具及饲料:在笼箱里放置盛料器皿和喂水器具各1个。
饲料为奶粉、低浓度糖浆和水。
育养种蝇的方法:在蝇笼里放进清洗的种蛹,至其初步羽化,给予投食、供水。
种蝇交配后3天装进产盘,将麦麸和水调制好放入盘内,做好接卵工作,每天1~2次,然后放入培养室里进行培养。
控温湿:种蝇培养室温以25~30℃为宜,冬季应增设加温设施,如火笼、暖气设施增加室内温度,室温不宜过高,常温即可,同时湿度控制在55%~75%。
(2)蝇蛆的培养与收集饲养池规格:如果生产蝇蛆较多,宜用平养池。
平养池用砖和水泥在地面砌成边高0.2米、长7.5米、宽2米,可设计这样的培养池10个。
蝇蛆培养:生产用料一般用较优质的麦麸。
培养料含水量60%~ 70%,pH值6~7。
养殖池倒入培养料35~40公斤/米2,厚度4~5厘米,种卵20万~25万粒/米3。
蝇卵铺撒均匀。
将培养室遮光,室内如黑夜。
用料温调控在 25℃左右,培养室里安装相关设施,保证温度要求。
在正常室温情况下,5天左右,蝇蛆每个重量大约25毫克。
除了作为种用蛹化外,其余全部采收。
分离采收:强光照射分离,在强光作用下,蝇蛆向培养料深层躲藏,一层一层剥离培养料,最后收起蝇蛆。
(3)蝇蛆喂鸡的操作用蝇蛆含量25%左右的饲料喂鸡,每天2次,并配以菜叶等青饲料,保证鸡对维生素的需要。
在配合饲料中,加入15%的干品蝇蛆喂鸡,效果同样较理想。
2.保障措施(1)蝇蛆生产的保障措施加强生产环节的管理,根据外界条件的变化把握好温、湿、热、光的调控,每天巡查5~7次,及时掌握蝇蛆生产的环境情况。
蝇蛆养鸡技术方法,蝇蛆养鸡可以省多少料?概述:说起蝇蛆可能大家都比较厌恶,这是一种苍蝇的幼蝇,在平时会给大家的生活环境造成污染,但是只要我们利用得好,那么蝇蛆也可以发挥出良好的价值,比如采用蝇蛆养鸡就是一种新型的养殖模式,通过这种技术养殖出来的土鸡、鸡蛋很受人们的欢迎,为此今天我们一起来学习下蝇蛆养鸡技术。
蝇蛆的养殖可用砖砌边高为20厘米,面积为1~3平方米的育蛆池,或竹木搭架用塑料盘育蛆,一个直径为50厘米的塑料盘可育蛆1.5千克,仅需3千克麦皮,养3~4天**收集利用,养蛆料的来源较广,不同蛆料的成本高低不同,可以合理选择。
麦皮营养成份较高,价格也稍高,一般用来繁殖蝇种,价格低廉的酒槽、豆渣等可用来作商品蛆的料。
如用麦皮作蛆料,一般1千克麦皮可生产0.5千克蝇蛆,使用时需加水抖匀,干湿度以手捏出水、触碰即散为宜(含水量60%~65%)。
如果用酒槽、豆渣等半干湿料,不必加水**培养。
具体养蛆操作方法是将产的卵和麦皮料倒入盘中,加入酒槽、豆渣或麦皮等蛆料,稍拌均**。
注意,蝇卵不要露在蛆料表面,以免失水而丧失活力。
蛆料的厚度以蛆料内发酵温度不高于40℃、不低于20℃为标准,一般为5~10厘米,夏季温度偏高蛆料要适当薄些,反之冬季温度偏低蛆料可适当增厚些。
人畜粪便需要进行杀死细菌及寄生虫后方可使用,其料与蛆的比例,以鸡粪为例一般3.5~4.0千克生产0.5千克鲜蛆。
不论用哪一种原料养蛆,蛆料的千湿度均应控制在60%~65%为宜。
2.蝇蛆的收集利用蝇蛆怕光的特点进行收集,用粪扒在育蛆池饮水表层不断地扒动,蝇蛆便会往里钻,把表层粪料取走,此法反复多次,最后剩下少量粪料和蝇蛆,分离出的蝇蛆洗涤后可以直接用来饲喂畜禽,以在200~250℃条件15~20**烘干加工贮存备用。
3.饲喂方法蝇蛆从收蛆蛹中取出后,用清水冲洗一下可直接喂鸡,用量可占到全部饲料的30%,如果将蝇蛆用开水烫死后饲喂,掺用量可占到40%。
饲养蝇蛆办法和管理技术_蝇蛆的农村饲养方法(2)蝇蛆的农村饲养方法农村饲养蝇蛆作畜禽和特种动物饵料,可就地取材简易生产,现将常用的几种蝇蛆简易生产方法介绍如下:1、塑料盆(桶)繁殖法少量生产可用此法,每个塑料盆生产的蝇蛆约1~1.5千克。
可喂山鸡50—75只。
将新鲜动物内脏、死鼠等放在苍蝇较多的地方,让苍蝇在上面产卵,早放晚收,将收集的蝇卵放入直径6厘米的大盆里(或直径30厘米的塑料桶)。
向塑料大盆里洒水保持湿润,加盖。
经过2~3天蛆虫就会长出来。
这一方法可在野外养殖蝇蛆,不必引种。
饲养蝇蛆,其食物量由少到多投喂,即将新鲜鸡粪、猪粪按1:1投入盆里,一个直径60厘米的塑料盆日投料1千克(桶养投料减半),再喷洒3%糖水100毫升(或糖厂的废液、糖蜜),经4~5天后可长出蛆来饲喂动物。
取喂方法:将水注入盆里,用木棍轻轻搅动,将浮于水面的鲜蛆捞出,洗净消毒后直接饲喂动物。
渣水倒入沼气池或粪坑发酵,灭菌消毒。
若用来喂龟鳖、鳝、鱼,可连粪渣一起倒进池塘饲喂。
2、室外地平面养殖法本方法适合养殖场较大规模养殖(1)养殖地点选择。
在远离住房和靠近畜禽舍的地方,选一块地平整、夯实,以高出地面不积水为宜,作为培养面。
一个培养面面积约4平方米左右。
根据饲养规模来确定培养面的数量。
(2)支架制作。
用铁或木做一个能覆盖培养面的支架,高50厘米,在支架上面及两侧盖一层牛皮纸,遮挡直射阳光。
再在支架四周围一层塑料布(东西两侧能掀开),做成一个罩,以利保温保湿。
支架同培养面一样大,是活动的,能随时搬开,便于投料和取蛆。
(3)在培养面上铺粪,用新鲜鸡猪粪,按1:1拌匀后铺放,铺前先用水拌湿,湿度以不流出粪水为宜,然后把粪疏松均匀摊在培养面上,厚度5~10厘米,天热时薄,天冷时厚,最后把支架移到培养面上盖住粪层,把东西两侧塑料布掀开,在入口处粪面投入几只死鼠或0.5~1千克的动物腐尸、内脏、鱼肠等,引诱苍蝇进来产卵。
(4)铺粪后24小时内,要根据湿度要求喷几次水,保持粪层表面潮湿,以利苍蝇产卵以及蝇卵孵化。
姑娘养蝇蛆喂鸡,一年纯赚100多万,真的吗?我用实践来证明为什么搞养殖业,老是亏钱?几天前发的篇文章,我说了养鸭子的一些苦逼经历,评论区炸了锅,养殖户朋友们纷纷来发表感慨,说得最多的一句话就是:家财万贯,带毛的不算!我这才发现,原来天底下不光我一个人苦逼,我亏的这些钱在许多同行的朋友面前也是小巫见大巫。
能在这个行业混出头的朋友,真的是凤毛麟角。
有个问题我一直想不明白,我们几千年来以农业立国,一代代人传下来,积累了无数的种养经验,农业种养技术博大精深。
反而到了现代社会,搞这个行业的人却更难赚钱了,到底是什么原因呢?可以借鉴一位同行朋友总结的几点:1.农业种养的不确定性太多,从下苗到出栏,每个环节都有可能出现巨大的风险,任何环节稍一不慎就有可能翻船。
2.市场无法预测,即使技术再好,也幸运地躲过了各种天灾、疫病,最后却还会大概率被市场锤爆。
3.同行内卷太严重。
现在农村的劳动力太多,就业选择又不多,个个都不愿意进厂打工。
搞种养的人太多,大都是一窝蜂的心理,看到谁养鸡赚钱了,就有一大批人涌入去养鸡。
养殖品种同质化严重,许多品类长期供大于求,市场消化不了,销售价格就低于成本价。
4.外部资本不断进来搅局。
因为从表象上来看,做农业入行的门槛低,无数其它行业的资本为寻求出路,就都涌入来养殖业,导致农业土地资源、原材料疯狂涨价。
说白了,市场这只无形的手就是要我们这些养殖户一直内卷,卷到相应数量的人认输出局,把成品供应量降到合理水平,销售价格才会抬上去。
这个过程不断淘汰一些体量小的,资金实力弱的,竞争力不强的养殖户,直到一个供求平衡的局面形成。
更糟糕的是,即便这个供求平衡的局面形成了,也不代表我们养殖户的好日子就来了,因为这个局面并不会维持太久。
你看看现在的制造业、房地产业就明白了,这两个行业卷得比农业养殖更严重,无数的资本都在瞄着农业,在寻找机会跨界转型。
我身边就有好几个朋友在找农业项目,一个做了十多年工厂老板的朋友跟我说得最多的话就是:开厂太难了,赚不到钱,你看养鱼好不好?帮我找些鱼塘山地吧,我投资一点进去试试水。
在养鸡场如何养蝇蛆?最简单的养蛆方法,傻瓜式操作,一学就会如何养殖蝇蛆?苍蝇的幼虫称为蝇蛆。
蝇蛆以畜禽粪便为食,生长繁殖极快,人工养殖不需很多设备,室内室外、城市农村均可养殖。
蝇蛆粉粗蛋白质含量高达56%~63%(平均为59.5%)、脂肪13%、灰分7%、糖类3.1%。
作为高蛋白质饲料,蝇蛆的营养水平可与进口最好的秘鲁鱼粉媲美,是豆饼的1.3倍、骨肉粉的1.9倍。
可直接伺喂常规品种的猪、鸡、鸭、鱼。
在养鸡场如何养蝇蛆?最简单的养蛆方法,傻瓜式操作,一学就会!最简单的养蛆人工繁殖方法1、引蝇育蛆法:夏季苍蝇繁殖力强,可选择室外或庭院的一块向阳地,挖成深0.5米,长、宽各1米的小坑,用砖砌好,再用水泥抹平,用木板或水泥预制板作为上盖,并装上透光窗,用玻璃或透明塑料布封住窗户,再开一个长17厘米、宽7厘米的小口,池内放置小动物尸体或人畜粪便,引诱苍蝇进入里面下蛆。
需要注意的是不能让苍蝇飞出。
苍蝇的饲料最好选用新鲜粪便,效果较佳。
大约经过10多天,每口池可产蛆6公斤左右,不仅个体大,而且肥胖,捞出即可饲喂。
在养鸡场如何养蝇蛆?最简单的养蛆方法,傻瓜式操作,一学就会!2、土堆育蛆法:此法是将垃圾、酒精、草皮、鸡毛等混合搅成糊状,堆成小土堆,用泥浆封好,大约10天后,即可产生大量的蝇蛆,该法简便易行。
在养鸡场如何养蝇蛆?最简单的养蛆方法,傻瓜式操作,一学就会!3、豆腐渣育蛆法:用豆腐渣、洗碗水各25公斤,放入缸内拌匀,经过3-5天,缸内便会自然繁殖出大量的蛆,把蛆捞出,拌入饲料内喂鸡。
同时还可将豆腐渣发酵后,放入土坑,加些淘米水,搅拌后将口封好,约5-7天后,也会产生大量蝇蛆。
在养鸡场如何养蝇蛆?最简单的养蛆方法,傻瓜式操作,一学就会!4、牛粪育蛆法:把晒干粉碎的牛粪,混合在米糠内,用污泥堆成小堆,盖上草帘,约10天后,同样可以长出大量小蛆,翻开土堆,将蛆轻轻分开后,再把原料堆好,隔几天后,又可产出许多蝇蛆。
蝇蛆养鸡苍蝇是人们对双翅目,环裂亚目昆虫的俗称,它是一种完全变开的昆虫,它的生活时包括卵,幼虫,蛹,成虫四个时期,各个时期的形态完全不同。
蝇的种类很多,全世界已知一万多种,我国记录的有一千五百多种,广泛分布于世界各地,我们常见的蝇种有,家蝇,市蝇,丝光绿蝇,大头金蝇等,由于它的有别吐别拉别吃的恶习,身上沾满了各种病菌,能传播高达几十种疾病,与老鼠,蟑螂,蚊子并称为四害,但是它的幼虫蝇蛆因是优质的蛋白质资源却被广泛利用。
近年来,许多地方利用苍蝇繁殖快能产许多蝇蛆。
来接节省饲料成本,进行养鸡。
用鲜活的蝇蛆来养鸡。
鸡抵抗力强,不易得肠道疾病,生长速度快,成活率高,饲料成本能降低40%左右。
非常适合农户养殖。
那么怎样用蝇蛆来养鸡呢!要想用蝇蛆养鸡,首先,得先养蝇蛆。
人工养殖蝇蛆的设备非常简单。
现在很多地方采取的都是笼养蝇蛆,为了避免苍蝇危害人类。
场地的选择非常重要。
养殖场要建在一个远离市区,周围无人烟。
离养鸡场较近的地方。
蝇房可根据养鸡场的规模来确定。
但是必须保证密封。
另外蝇房内部需设置蝇笼,蝇笼一般是用纱帐将它挂在固定框架上。
每个蝇笼要预留45×20厘米的操作窗口,以便管理,蝇笼准备好后就要进行选种了,虽然苍蝇的种类很多,但是就养殖经验来看,家蝇最适合蝇蛆的养殖,这是因为它习惯室内生存,好管理,产卵量比较高,更重要的一个原因是,驯化后家蝇对人工饲料的适应性最好,最初投放蝇种之间从市场购买就可以了,像这样一个长200厘米,宽80厘米,高150厘米的蝇笼,按照每平方米0.3-0.5公斤来投放,投放好蝇蛹后,就要羽化了,蝇箱羽化最关键的就是温度和湿度,温度低于12摄氏度时蛹停止发育,高于45摄氏度时,蛹会死亡,当温度在16摄氏度时,蛹期需要17-19天,20摄氏度时,需要10-11天,25摄氏度时,需要6-7天,30摄氏度时,需要4-5天,当温度达到35摄氏度时,仅需2-3天,所以蝇房的温度最好控制在35摄氏度,湿度最好控制在55%-60%,当蛹羽化成成蝇时,就要为苍蝇准备食物和水了,苍蝇的主要食物是奶粉和红糖,按照每笼500克的量,把奶粉和红糖按1:1的比例搅拌均匀撒在食盒上,苍蝇饮水为益生菌保健液,因为益生菌有促进动植物生长,提高日增重,缩短饲养时间,增强畜禽抗病率,提高繁殖率,去除畜禽粪便带来的恶臭,改善生态环境的优势,在这里我们用的益生菌是EM菌,EM菌为一种混合菌,一般包括,芽孢菌,酵母菌,乳酸菌等有益菌类,那么益生菌保健液是怎样配制的呢?首先要配制益生菌,益生菌配制的主要原料是益生菌种也就是EM菌种,常温米汤,红糖,它们的配比是每5公斤的米汤500克红糖,5克益生菌种,把菌种和红糖倒入米汤内搅拌均匀就可以了。
蝇蛆养鸡可以省多少料【篇一:蝇蛆养鸡可以省多少料】用蝇蛆应该怎么做?蝇蛆养鸡可行吗?养鸡户在近年来发明出一种新技术——蝇蛆,下面,请跟随小编一起去看看如何培育蝇蛆以及怎么样采用蝇蛆养鸡技术赚钱,服务于养鸡产业。
1.苍蝇的生活习性在温度20~30的温度下,蛹经过5天发育,由软变硬,由米黄色、浅棕色、深棕色变黑色,最后成蝇从蛹的前端破壳而出。
刚爬出的成蝇,不会飞,1小时以后,展开翅膀开始吃食和饮水。
成蝇白天活泼好动,夜间栖息不动,3天后性成熟,雌雄开始交尾产卵,1~8日龄为产卵高峰期,到25日龄基本失去产卵能力。
蝇卵半天至1天孵化成蛆,一般第5天变蛹。
苍蝇的一个世代,约为28天。
温度及蛆饵料养分对蛆的生长发育有很大影响,一般室温在20~30℃范围内,温度和养料越高,蛆生长发育越快,变成的蛹也越大。
2.种蝇的饲养繁殖种蝇要放在蝇房饲养。
种蝇房的大小,根据需要建造,也可用旧房改装,门和窗安装玻璃和纱窗,以利于调温,壁上安装风扇,以调节空气。
房内宜有加温设备,使冬天温度保持在20~23℃,房内相对湿度保持在60%~70%.通道上安装黑布帘,防止种蝇外逃。
房内设饲养架,分上、中、下3层。
饲养架用铁料或木料做成。
每层架放置用尼龙纱网制成的蝇笼,笼长100厘米,高80厘米,将种蝇关在笼内饲养,每笼养种蝇1.2万只,每一个笼子都加上布袖,以便加料、加水和采卵,1.2万只成蝇每天喂奶粉20克,放在有纱布垫面的料盆中,让成蝇站立在纱布上吸食。
饲料和水每天换1次。
水盆放入纱布,产卵笼内放入湿麦皮供蝇种产卵,每天在种蝇笼内取卵1次,送到蛆房育蛆。
种蝇产卵以每天上午8时至下午3时数量最多,取卵时间要适当。
每批种蝇饲养15~20天即行淘汰,用热水或蒸汽将其杀死,烘干磨粉作畜禽饲料,然后重新换一批。
在生产蝇蛆的同时,蝇蛆化蛹,作为新蝇种的有2种方法。
一是让其自然化蛹,用水洗出蝇蛹;另一种是当蛆养到约5~6天变黄时,将蝇蛆取出促使化蛹。
蝇蛆养鸡技术方法蝇蛆养鸡可以省多少料?
蝇蛆养鸡技术方法
1.蝇蛆的培养
蝇蛆的养殖可用砖砌边高为20厘米,面积为1~3平方米的育蛆池,或竹木搭架用塑料盘育蛆,一个直径为50厘米的塑料盘可育蛆1.5千克,仅需3千克麦皮,养3~4天即可收集利用,养蛆料的来源较广,不同蛆料的成本高低不同,可以合理选择。
麦皮营养成份较高,价格也稍高,一般用来繁殖蝇种,价格低廉的酒槽、豆渣等可用来作商品蛆的料。
如用麦皮作蛆料,一般1千克麦皮可生产0.5千克蝇蛆,使用时需加水抖匀,干湿度以手捏出水、触碰即散为宜(含水量60%~65%)。
如果用酒槽、豆渣等半干湿料,不必加水即可培养。
具体
养蛆操作方法是将产的卵和麦皮料倒入盘中,加入酒槽、豆渣或麦皮等蛆料,稍拌均即可。
注意,蝇卵不要露在蛆料表面,以免失水而丧失活力。
蛆料的厚度以蛆料内发酵温度不高于40℃、不低于20℃为标准,一般为5~10厘米,夏季温度偏高蛆料要适当薄些,反之冬季温度偏低蛆料可适当增厚些。
人畜粪便需要进行杀死细菌及寄生虫后方可使用,其料与蛆的比例,以鸡粪为例一般3.5~4.0千克生产0.5千克鲜蛆。
不论用哪一种原料养蛆,蛆料的千湿度均应控制在60%~65%为宜。
2.蝇蛆的收集
利用蝇蛆怕光的特点进行收集,用粪扒在育蛆池饮水表层不断地扒动,蝇蛆便会往里钻,把表层粪料取走,此法反复多次,最后剩下少量粪料和蝇蛆,分离出的蝇蛆洗涤后可以直接用来饲喂畜禽,以在200~250℃条件15~20分钟烘干加工贮存备用。
3.饲喂方法
蝇蛆从收蛆蛹中取出后,用清水冲洗一下可直接喂鸡,用量可占到全部饲料的30%,如果将蝇蛆用开水烫死后饲喂,掺用量可占到40%。
因蝇蛆中的蛋白质含量较高,其它饲料要以玉米粉、小麦麸等能量饲料为主,不必再添加豆粕、鱼粉类蛋白饲料。
蝇蛆养鸡可以省多少料?
采用10%的蝇蛆和10%的鱼粉分别别饲喂蛋鸡,基础日粮相同。
喂蝇蛆的鸡,产蛋率比喂鱼粉的鸡提高20.3%,饲料报酬上升15.8%,饲料成本下降31.2%。
鲜蛆直接直接撒入食槽或撒到地上,每天分两次投喂。
生产蝇蛆,每批料出蛆结束,残料中有少量的蝇蛆,可将残料和蛆一起投喂
1、在其它条件完全相同的情况下,用10%的蝇蛆粉喂养蛋鸡与用10%的鱼粉喂养蛋鸡相比,喂蝇蛆粉的产蛋率比喂鱼粉组提高20.3%,饲料报酬率提高15.8%,每只鸡增加收益72.3%。
2、在基础饲料相同的条件下,每只鸡加喂10克蝇蛆,产蛋率提高10.1%,每公斤蛋耗料减少0.44公斤,节约饲料58.07公斤,平均每1.4公斤鲜蝇蛆就可增产1公斤鸡蛋,而且鸡少病,成活率比配合饲料喂养的高20%。
3、在基础日粮相同的基础上,每头猪每天加喂100克蝇蛆粉或100克鱼粉,结果喂蝇蛆粉的小猪体重比喂鱼粉的增加7.18%,而且每增重1公斤毛重的成本还下降13%,用绳蛆喂的猪其瘦肉中蛋白含量比喂鱼粉的高5%。
4、在雏鸡阶段,每天加喂部分蝇蛆,每公斤鲜蝇蛆可使雏鸡增重0.75公斤,可增值2元左右,喂蝇姐组的鸡开产日龄比对照组提前28天,产蛋量和平均蛋重都明显高于对照组。
5、用蝇蛆饲喂5-36克的美国青蛙幼体,其生长速度、成活率与黄粉虫喂养组效果相同。
6、用蝇蛆饲喂出壳一个月的稚鳌,其体重平均每只增加4.53克,增重率平均为160.27%,而喂养鸡蛋黄的稚鳌平均每只增重1.2克,增重率平均为42.61%,前者是后者的3.8倍。
7、用蝇蛆粉喂虾同样有较好效益,虾体健壮且少病。
蝇蛆养鸡注意事项
蝇蛆养鸡,要注意以下几点:
1、总量以占饲料的20%为宜,高不超过30%。
如果吃的过多,鸡吃蛆拉蛆,又吃回去。
最可怕的是,有可能导致鸡蛋白过剩,鸡腹涨积水,突然死亡。
2、未成熟的小蝇蛆,不宜喂小鸡。
不是人们常说的“小蛆喂小鸡,大蛆喂大鸡。
因为小蛆腹内带有未消化的细菌,身上也沾有细菌。
成熟的蝇蛆不再吃食,肚子里没有黑丝。
爬出来的成熟的蝇蛆,身上的脏东西也被檫干净了。
3、空腹鸡应该先吃一些其他饲料,然后喂蛆,利用率高。
现在我们知道了如何采用蝇蛆养鸡技术,这种技术存在风险,养鸡户应该全面了解以后
再使用。