NB T 47016-2011 承压设备产品焊接试件的力学性能检验 09_1
- 格式:pdf
- 大小:162.01 KB
- 文档页数:1
NB/T 47014-2011《承压设备焊接工艺评定》标准解析一、我国压力容器焊接工艺评定标准的制定和演变过程。
我国压力容器焊接工艺评定标准的建立要追溯到七十年代末,随着焊接工艺技术的发展以及对工艺评定认识的加深,该标准经过了多次修订。
其演变过程为:(1)1980年颁布的JB741-80〈〈钢制焊接压力容器技术条件》附录二。
(2)1985年颁布的JB3964-85〈〈压力容器焊接工艺评定》代替JB741-80 附录二。
(3)1992年颁布的JB4708-92〈〈钢制压力容器焊接工艺评定》代替JB3964-85(4)2000年颁布的JB4708-2000〈〈钢制压力容器焊接工艺评定》代替JB4708-92(5)2011年颁布的NB/T47014-2011〈〈承压设备焊接工艺评定》代替JB4708-200Q在2000年颁布JB4708-2000版后,为了对按92版标准评定的项目适用性做出答复,国家质监局于2001年下发了质技监办发【2001】003号文(关于执行JB4708-2000〈〈钢制压力容器焊接工艺评定》标准的意见),提出了以往按92版做的工艺评定哪些可继续有效,哪些需要补做项目,并要求对继续有效的评定,要按2000版进行转化。
在GB713-2008〈〈锅炉压力容器用钢板》标准发布后,国家质检总局以质检特函【200R 64号文〈〈关于GB713-2008实行过渡期安排的通知》中,提出了由于钢板钢号的改变,对已进行的工艺评定需进行转换,但如何转换,没有明确规定。
二、NB/T 47014修订原则修订原则是国际上通用标准接轨并结合中国的法规和国内的实际情况,参照采用ASMEIX制定适用于我国锅炉、压力容器、压力管道三类产品的统一的焊接工艺评定标准。
目前国际上焊接方面的标准,虽然不断有ISO国际标准出台,但实际使用的还是两大体系的标准,即欧洲标准和泛太平洋地区使用的美国标准;焊接工艺评定也一样,欧洲采用的标准是EN288〈〈金属材料的焊接工艺规程及评定》。
关于实施NB/T47014等标准的注意事项根据国家特设局质检特函〔2011〕102号文件和NB/T47014等标准宣贯的要求,NB/T47014-2011《承压设备焊接工艺评定》、NB/T47015-2011《压力容器焊接规程》、NB/T47016-2011《承压设备产品焊接试件的力学性能检验》三份新标准,各压力容器制造企业应着手开始执行。
具体要求如下:一、对NB/T47014-2011《承压设备焊接工艺评定》,各制造单位的焊接责任人应根据此标准的条款,逐步整理以前的老焊接工艺评定报告PQR,主要是对其中的“焊接工艺评定指导书”进行更改,更改内容为:①母材的类别号和组别号;②焊接厚度范围;③焊缝金属厚度范围;④焊接位置;⑤焊后热处理的温度范围和保温时间(如不符合NB/T47015的要求,应重新做)。
整理完毕后,在报告的封面上签上或盖上:“本焊接工艺评定报告已符合NB/T47014-2011的要求”等字样。
二、NB/T47015-2011《压力容器焊接规程》和NB/T47016-2011《承压设备产品焊接试件的力学性能检验》二份新标准,各制造单位应立即开始执行。
三、实施上述新标准的注意事项:1、NB/T47014的注意事项①新的焊接工艺评定须按NB/T47014的要求进行。
②过去是焊接工艺指导书,现在是预焊接工艺规程,推荐格式见附录F表F·1(P71)。
③焊接试件的试验位置用:1G、2G、3G、4G、5G、5GX、6G、6GX;1F、2F、3F、4F等来表示。
④焊接方法改变,需要重新进行焊接工艺评定。
⑤母材主评定规则:a、类别的评定规则:除下列以外类别号、组别号改变要重新评定(螺柱焊、摩擦焊除外),对于SMAW、SAW、GMAW、GTAW、PAW的填丝工艺,Fe-1~Fe-5A高类别号母材相焊的评定,适用于该类别号母材与低类别号母材相焊。
b、组别评定规则,除下列外需要重新进行评定:同类别同组别;在同类别号中,高组别号母材评定适用于该高组号母材与低组别号母材相焊;组别号为Fe-1-2的母材评定,适用于组别号为Fe-1-1的母材。
NB/T47014~47016-2011试题姓名:得分:一、选择题(每题1分)1.以下承压设备用母材牌号的材料,哪一项不属于组别号Fe-1-1。
(D)A.20 B. Q235A C. Q245R D. Q345R2. 以下哪个因素不属于专用焊接工艺评定因素。
(B)A.重要因素 B. 客观因素 C. 补加因素 D. 次要因素3. 焊接工艺评定要素中,改变混合焊剂的混合比例属于哪种焊接方法的重要因素(B)A.焊条电弧焊 B. 埋弧焊 C. 气焊 D. 钨极气体保护焊4. 以下组别号为(A)的母材评定合格的焊接工艺,适用于组别号为Fe-1-1的母材。
A.Fe-1-2 B. Fe-1-3 C. Fe-1-4 D. Fe-1-55. 当规定进行冲击试验时,以下哪种焊接方法在焊后热处理的保温温度或保温时间范围改变后要重新进行焊接工艺评定。
(D)A.气焊 B. 螺柱电弧焊 C. 摩擦焊 D. 埋弧焊6. 用焊条电弧焊、埋弧焊、钨极气体保护焊等焊接方法完成的试件,当规定进行冲击试验时,焊接工艺评定合格后,若试件母材厚度T≥6mm时,适用于焊件母材厚度的有效范围最小值为试件厚度T与(C)两者中的较小值。
A.14 B. 15 C. 16 D. 187. 除气焊、螺柱电弧焊、摩擦焊外,试件经超过上转变温度的焊后热处理,适用于焊件的最大母材厚度为(B)。
A.T B. 1.1T C. 1.2T D. 1.3T8. 变更任何一个(A)因素时,都需要重新进行焊接工艺评定。
A.重要 B. 次要 C. 补加 D. 以上全部9. 当无法制备(A)mm×10mm×55mm小尺寸冲击试样时,可免做冲击试验。
A.2.5 B. 5 C. 7.5 D. 1010.对厚度为20mm的对接焊缝试件进行侧弯实验时,弯心直径为(C)mm。
A.20 B. 30 C. 40 D. 5011.当焊件温度为-20℃~0℃时,应在始焊处( B )范围内预热到15℃以上。
力学性能检测样品制样作业指导书⏹使用目的:规范金属原材及焊接件力学性能试样的制样方法及尺寸。
⏹试样依据:《钢及钢产品力学性能试验取样位置及试样制备》GB/T2975-1998《金属材料拉伸试验第1部分:室温拉伸试验方法》GB/T228.1-2010《金属材料弯曲试验方法》GB/T232-2010《金属材料夏比摆锤冲击试验方法》GB/T229-2007《厚度方向性能钢板》GB/T5313-2010《承压设备产品焊接试件的力学性能检验》NB/T47016-2011《钢筋焊接接头试验方法标准》JGJ/T27-2001一、拉伸试样取样方法:GB/T 228.1-20101、厚度<3mm的薄板和薄带试样加工类型1)试样形状:试样的夹持头部一般比其平行长度部分宽(见图1)。
试样头部与平行长度之间应有过渡半径至少为20mm的过渡弧相连接。
头部宽度应≥1.2b0,b0为原始宽度。
通过协议,也可使用不带头试样。
2)试样尺寸:比例试样尺寸见表1。
较广泛使用的三种非比例试样尺寸见表2。
平行长度不应小于L0+b0/2。
有争议时,平行长度应为L0+2b0,除非材料尺寸不足够。
对宽度等于或小于20mm的不带头试样,除非产品标准中另有规定,原始标距L0应等于50mm。
对于这类试样,两夹头间的自由长度应等于L0+3b0。
加工尺寸应满足表3给出的形状公差。
3)试样制备:制备试样应不影响其力学性能,应通过机加工方法去除由于剪切或冲切而产生的加工硬化部分材料。
这些试样优先从板材或带材上制备。
如果可能,应保留原轧制面。
图1 机加工的矩形横截面试样表1 矩形横截面比例试样表2 矩形横截面非比例试样表3 试样宽度公差(单位:mm)2、直径或厚度小于4mm线材、棒材和型材试样加工类型1)试样形状:试样通常为产品的一部分,不经机加工(见图2)。
2)试样尺寸:原始标距L0应取200mm±2mm或100mm±1mm。
试验机两夹头之间的试样长度至少等于L0+3b0,或L0+3d0,最小值为L0+20mm。
承压设备产品焊接试件的力学性能检验NB/T170161 范围规定了承压设备(锅炉、压力容器和压力管道)产品焊接试件准备、试样制备、检验方法和合格指标。
适用于钢制、铝制、钛制、铜制和镍制承压设备产品焊接试件的力学性能检验。
产品焊接试件包含产品焊接试板、产品检查试件、模拟环和鉴证环。
3 总则3.1 产品焊接试件的力学性能检验除应符合本标准规定外,还应遵守相关安全技术规范、标准和设计文件的规定。
3.2 试件用材料应与所代表的承压设备元件材料同标准、同代号(牌号、钢号)、同规格(限厚度、外径)、同热处理状态。
使用06Cr13Al钢焊制承压设备不进行焊后热处理时,试件母材应包括每一炉号的钢板。
3.3 承压设备产品焊接试件分为板状试件和管状试件。
管状指管道和环。
3.4 产品焊接试件的设置a)筒节纵向接头的板状试件应置于其焊缝延长部位,与所代表的筒节同时施焊。
b)环向接头所用管状试件或板状试件,应在所代表的承压设备元件焊接过程中施焊。
3.5 试件焊接工艺:3.5.1 当受检焊接接头经历不同的焊接工艺时,试件经历的焊接工艺过程与条件应与所代表的焊接接头相同,应选择使其力学性能较低的实际焊接工艺(含焊后热处理)制备试件。
3.5.2焊接试件的焊工应是参加该承压设备元件焊接的焊工。
3.5.3 试件按编制的专用焊接工艺文件制备。
焊接工艺文件中应明确试件代号、工作令号或承压设备编号、材料代号。
3.5.4 试件应有施焊记录。
3.6 试件焊缝允许焊接返修,返修工艺应与所代表的承压设备元件焊缝的返修工艺相同。
3.7 试件经外观检验和无损检测后,在无缺欠部位制取试样。
3.8 试样去除焊缝余高前允许对试样进行冷校平。
3.9 当试件采用两种或两种以上焊接方法,或重要因素、补加因素不同的焊接工艺时,所有焊接方法或焊接工艺所施焊的焊缝金属及热影响区都应受到力学性能检验。
3.10 试件应做下列识别标记:a)试件代号;b)材料标记号;c)焊工代号。
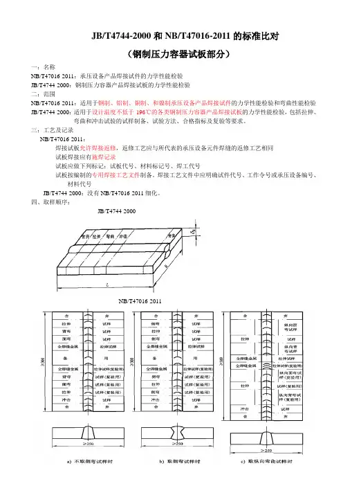
JB/T4744-2000和NB/T47016-2011的标准比对(钢制压力容器试板部分)一:名称NB/T47016-2011:承压设备产品焊接试件的力学性能检验JB/T4744-2000:钢制压力容器产品焊接试板的力学性能检验二:范围NB/T47016-2011:适用于钢制、铝制、铜制、和镍制承压设备产品焊接试件的力学性能检验和弯曲性能检验JB/T4744-2000:适用于设计温度不低于-196℃的各类钢制压力容器产品焊接试板的力学性能检验,包括拉伸、弯曲和冲击试验的试样制备、试验方法、合格指标及复验等要求。
三:工艺及记录NB/T47016-2011:焊接试板允许焊接返修,返修工艺应与所代表的承压设备元件焊缝的返修工艺相同试板焊接应有施焊记录试板应做下列标记:试板代号、材料标记号、焊工代号试板按编制的专用焊接工艺文件制备。
焊接工艺文件中应明确试件代号、工作令号或承压设备编号、材料代号JB/T4744-2000:没有NB/T47016-2011细化。
四、取样顺序:JB/T4744-2000NB/T47016-2011五、拉伸1.试样尺寸与光洁度不同JB/T4744-2000:b≥25mmNB/T47016-2011:W≥20mm2. NB/T47016-2011增加了全焊缝拉伸试验:只用于锅炉中承受内压的圆筒产品焊接试件,检测参数:抗拉强度,断后伸长率。
3. NB/T47016-2011规定了复合板的强度计算及试样取样:(1)覆层参与强度计算,拉伸试样包括覆层和基层(2)覆层不参与强度计算,拉伸试样应去除覆层及其焊缝金属。
4. 合格指标变化1.试样数量JB/T4744-2000中提到冲击试验取样数量:一般只进行焊缝金属的冲击试验,但对设计温度等于或低于-20℃的低温设备,还应增加热影响区的冲击试验。
NB/T47016-2011中提到冲击试验取样数量:1.焊缝两侧母材的钢号不同时,每侧影响区取3个冲击试样2.复合板除设计文件规定外,只在基层取冲击试样3.低碳钢、Q345R和铬镍奥氏体试验允许免做热影响区冲击试样2.试样取样位置JB4744-2000焊缝:1.钢材标准抗拉强度≤540MPa,在最后焊道德焊缝侧,距钢板表面1~2mm为冲击试样上表面,取一组焊缝金属冲击(如下图I)。
全国讲座研讨资料:NB/T47016-2011(代替JB/T 4744—2000)《承压设备产品焊接试件的力学性能检验》解析题要NB/T47018.1~NB/T47018.7-2011《承压设备用焊接材料技术条件》解析题要2011.08.25此讲稿版权专有严禁贩卖NB/T47016-2011(代替JB/T 4744—2000)《承压设备产品焊接试件的力学性能检验》简介一.编制过程及必要性:二.前言:代替JB/T 4744—2000和JB/T 1614—94《锅炉受压元件焊接接头力学性能试验方1. 将产品焊接试板改名为产品焊接试件。
“试板”只是指板状,包含不了管状、环状;“试板”容易理解成做试验用的一块板,而不是用两块板焊成后的试验件。
《蒸汽锅炉安全技术监察规程》中,称之为“试件”,则是标准术语,也应作为本标准的术语。
(张运川编订)2. 适用范围从压力容器扩大到锅炉和压力管道。
3. 增加铝制、钛制、铜制和镍制产品焊接试件,增加环状试件。
4. 撤消JB 4744—2000中第3章“符号”,增加“术语与定义”、“总则”。
5. 第5章修改试件准备。
6. 第6章修改试件力学性能检验类别、取样数量和位置。
7. 第7章修改拉伸试验方法和合格指标;修改弯曲试样尺寸和试验方法;修改冲击试验取样位置、数量和检验项目。
8. 第8章修改复验要求。
本标准由全国锅炉压力容器标准化技术委员会(SAC/TC 262)负责解释。
三.规范解析1 适用范围1)承压设备(锅炉、压力容器和压力管道)产品焊接试件准备、试样制备、检验方法和合格指标。
2)适用于钢制、铝制、钛制、铜制和镍制承压设备产品焊接试件的力学性能检验。
3)产品焊接试件:包含产品焊接试板、产品检查试件、模拟环和鉴证环。
注1:压力容器需要制备产品焊接试件的条件:制造单位应对焊接接头的性能保证,提出可靠的数据,并应切实有效。
尚需对于下列五类情况的压力容器需要制备产品焊接试件:(1)碳钢、低合金钢制低温压力容器;(2)材料标准抗拉强度下限值大于或者等于540MPa的低合金钢制压力容器;(3)需经过热处理改善或者恢复材料力学性能的钢制压力容器;(4)图样注明盛装毒性为极度或者高度危害介质的压力容器;注2:在承压设备现行的法规与标准中,对产品焊接试件有多种说法,所以在“范围”内写明产品焊接试件所包含的各个方面,本标准也适用于承压设备要进行焊接接头力学性能检验的所有试件。
(检验检测类)一、单项选择题1、《特种设备安全监察条例》属于(B )A.法律B.行政法规C.部门规章D.安全技术规范2、《特种设备安全监察条例》是由发布的。
(B )A.国家质检总局B.国务院C.全国人大D.国家安监局3、修订后的《特种设备安全监察条例》是通过中华人民共和国国务院颁布的。
(B )A.第373号令B.第549号令C.第389号令D.第422号令4、修订后的《特种设备安全监察条例》的颁发令是由签发的。
(B )A. 胡锦涛B. 温家宝C. 朱镕基D.吴邦国5、修订后的《特种设备安全监察条例》的颁发令是于签发的。
(B )A.2009年1月14日B.2009年1月24日C.2009年5月1日D.2009年2月14日6、修订后的《特种设备安全监察条例》是于实施的。
(B )A.2009年1月24日B.2009年5月1日C.2009年1月14日D.2009年4月1日7、修订后的《特种设备安全监察条例》中的特种设备增加了(A )A.厂(场)内专用机动车辆B.客运索道C.大型游乐设施D.电梯8、按《特种设备安全监察条例》规定,特种设备生产、使用单位应当建立健全特种设备安全、制度。
(C )A.节能生产B.节能意识C.节能管理D.节能安全9、按《特种设备安全监察条例》规定,特种设备生产、使用单位应当建立健全岗位安全、制度。
(B )A.质量责任B.节能责任C.能源责任D.节能管理10、按《特种设备安全监察条例》规定,特种设备生产、使用单位的主要负责人应当对本单位特种设备的安全和全面负责。
(B )A.质量B.节能C.生产D.效益压力容器一、单项选择题1、《锅炉和压力容器用钢板》(GB713-2008)对钢的牌号和化学成分做出了规定。
(A)A. 熔炼分析B.成品成分C.投料分析D.复验分析2、《锅炉和压力容器用钢板》(GB713-2008)适用于锅炉及其附件和中常温压力容器受压元件厚度为的钢板。
(B)A. 3mm~120mmB. 3mm~200mmC. 4mm~120mmD. 4mm~120mm3、《锅炉和压力容器用钢板》(GB713-2008)规定的钢板厚度固定负偏差为(C)A. 0.25mmB. 0.35mmC. 0.30mmD. 0.40mm4、《锅炉和压力容器用钢板》(GB713-2008)中规定:钢板应成批验收,每批钢板由同一牌号,同一炉号,同一厚度,同一轧制或热处理制度的钢板组成,每批重量不大于t。
力学性能检测样品制样作业指导书⏹使用目的:规范金属原材及焊接件力学性能试样的制样方法及尺寸。
⏹试样依据:《钢及钢产品力学性能试验取样位置及试样制备》GB/T2975-1998《金属材料拉伸试验第1部分:室温拉伸试验方法》GB/T228.1-2010《金属材料弯曲试验方法》GB/T232-2010《金属材料夏比摆锤冲击试验方法》GB/T229-2007《厚度方向性能钢板》GB/T5313-2010《承压设备产品焊接试件的力学性能检验》NB/T47016-2011《钢筋焊接接头试验方法标准》JGJ/T27-2001一、拉伸试样取样方法:GB/T 228.1-20101、厚度<3mm的薄板和薄带试样加工类型1)试样形状:试样的夹持头部一般比其平行长度部分宽(见图1)。
试样头部与平行长度之间应有过渡半径至少为20mm的过渡弧相连接。
头部宽度应≥1.2b0,b0为原始宽度。
通过协议,也可使用不带头试样。
2)试样尺寸:比例试样尺寸见表1。
较广泛使用的三种非比例试样尺寸见表2。
平行长度不应小于L0+b0/2。
有争议时,平行长度应为L0+2b0,除非材料尺寸不足够。
对宽度等于或小于20mm的不带头试样,除非产品标准中另有规定,原始标距L0应等于50mm。
对于这类试样,两夹头间的自由长度应等于L0+3b0。
加工尺寸应满足表3给出的形状公差。
3)试样制备:制备试样应不影响其力学性能,应通过机加工方法去除由于剪切或冲切而产生的加工硬化部分材料。
这些试样优先从板材或带材上制备。
如果可能,应保留原轧制面。
图1 机加工的矩形横截面试样表1 矩形横截面比例试样表2 矩形横截面非比例试样表3 试样宽度公差(单位:mm)2、直径或厚度小于4mm线材、棒材和型材试样加工类型1)试样形状:试样通常为产品的一部分,不经机加工(见图2)。
2)试样尺寸:原始标距L0应取200mm±2mm或100mm±1mm。
试验机两夹头之间的试样长度至少等于L0+3b0,或L0+3d0,最小值为L0+20mm。
【最新整理,下载后即可编辑】承压设备焊接相关标准研讨NB/T47014-2011《承压设备焊接工艺评定》NB/T47018-2011《承压设备用焊接材料订货技术条件》NB/T47015-2011《压力容器焊接规程》NB/T47016-2011《承压设备产品焊接试件的力学性能检验》【最新整理,下载后即可编辑】承压设备焊接相关标准研讨一.概述(一)承压设备焊接系列标准修订概况1.国务院颁发的《特种设备安全监察条例》第十条规定特种设备生产单位,应当依照本条例规定以及国务院特种设备安全监督管理部门制订并公布的安全技术规范(以下简称安全技术规范)的要求,进行生产活动。
目前承压设备生产相关的安全技术规范尚未全部制订完毕,现已颁布实施的安全技术监察规程仅有:《固定式压力容器安全技术监察规程》TSG R0004-2009;《超高压容器安全技术监察规程》TSG R0002-2005《简单压力容器安全技术监察规程》TSG R0003-2007《车用气瓶安全技术监察规程》TSG R0009-2009《气瓶附件安全技术监察规程》TSG RF001-2009《压力管道安全技术监察规程工业管道》TSG D0001-2009《安全阀安全技术监察规程》TSG Z6001-2006其余部分仍使用原有行政技术法规,如:《蒸汽锅炉安全技术监察规程》》等。
我国现行的《固定式压力容器安全技术监察规程》TSG R0004-2009明确规定:压力容器的设计、制造(含现场组焊)、安装、改造、维修、使用、检验检测,均应当严格执行本规程的规定。
国家质检总局和各地质量技术监督部门负责压力容器安全监察工作,监督本规程的执行。
2.我国承压设备行业的设计、制造、安装、检验和使用标准大多参照ASME《锅炉压力容器规范》,对欧盟发布的97/23/EC 《承压设备指令》以及EN 13445《非火焰接触压力容器》则处于刚刚开始认识阶段。
因此承压设备焊接系列标准修订过程中,在考虑标准内容与国际接轨方面,主要是从中国实际情况出发参照ASME标准进行的,这里所讲的“中国实际情况”包括:【最新整理,下载后即可编辑】① 相关法律、法规、安全技术规范、标准;② 承压设备的设计、制造(安装)、维修、检验和监督;③ 国产金属材料(管、板、带、丝)、锻件、铸件和焊材;④ 质量管理与工艺实施;⑤ 与承压设备生产相关人员的理解与接受状况。
压力容器缺陷分析与重大维修1概述某厂脱水装置脱水塔已安全运行8年,定期检验时发现该设备焊缝上多处横向超标缺陷,埋藏缺陷深度最深达到42.1mm,最长30mm。
根据TSG R7001-2013《压力容器定期检验规则》,安全状况等级评定为5级。
《定检规》要求:安全状况等级为5级的,应当对缺陷进行处理,否则不得继续使用。
为消除隐患,保证设备安全平稳运行,对埋藏缺陷进行了定性、成因分析,并制定了可行的维修方案。
2设备概述2.1 脱水塔主要设计参数介质:TEG、天然气;设计压力9.1MPa,工作压力8.1MPa;设计温度:90/160℃;设计制造规范:GB150-1998《钢制压力容器》、TSG R0004-1999《压力容器安全技术监察规程》;规格型号Φ1700×14673mm,上段筒体是58mm的16MnR板材,下段筒体是(54+3)mm的16MnR+316L复合板。
技术要求16MnR板材化学成分:S ≤0.01%。
2.2脱水塔外形结构如图1图13缺陷检测和分析定性3.1缺陷检测在役设备定期检验时,UT检测纵缝发现A3、A4、A5、A6有多处横向超标缺陷,埋藏缺陷最深达到42.1mm,最长30mm。
3.2缺陷分析定性脱水塔返回原制造厂后,对焊缝进行表面检测,未发现表面裂纹。
在设计压力下进行声发射检测,在脱水塔表面布置声发射传感器,未发现活动性缺陷。
依据射线检测确定埋藏缺陷平面投影的位置、大小,依据超声检测确定埋藏缺陷的深度和相对位置,根据检测结果选取焊缝缺陷当量尺寸较大的部位对脱水塔本体纵焊缝A3、A5取样,分别为1#试样和2#试样。
1#试样裂纹1~4以平行于焊道的平面,从外焊缝向内焊缝方向打磨,缺陷见图2,。
2#试样以平行于焊道的平面,从外焊缝向内焊缝方向打磨,缺陷见图3,其中点缺陷经再次打磨后消失。
图2 1#试样图3 2#试样断口及能谱分析显示:裂纹自身高度2-5mm,断面粗糙,存在金属小颗粒;扫描电镜裂纹微观形貌分析见图4,启裂区以浮云状白点为主,扩展区存在明显的扩展条纹和鱼眼型白点,人为撕裂区以韧窝为主。
一、标准和规范◆GB150-2011 压力容器◆GB713-2008 锅炉和压力容器用钢板◆GB/T 8163-2008 流体输送用无缝钢管◆GB/T 25198-2010 压力容器封头◆NB/T47016-2011 承压设备产品焊接试件的力学性能◆NB/T47013-2011 承压设备无损检测◆NB/T47001-2009 钢制液化石油气卧式储罐形式与基本参数◆NB/T47008-2010 承压设备用碳素钢和合金钢锻件◆NB/T47003.1-2009 钢制常压容器◆JB/T4712-2007 鞍式支座◆JB/T4736-2002 补强圈◆HG 20581-1998 钢制化工容器材料选用规定◆HG 20582-1998 钢制化工容器强度计算规定◆HG 20583-1998 钢制化工容器结构设计规定◆HG 20592-1997 钢制管法兰型式、参数(欧洲体系)◆HG 20593-1997 板式平焊钢制管法兰(欧洲体系)◆HG 20594-1997 带颈平焊钢制管法兰(欧洲体系)◆HG 20595-1997 带颈对焊钢制管法兰(欧洲体系)◆HG 20596-1997 整体钢制管法兰(欧洲体系)◆HG 20597-1997 承插焊钢制管法兰(欧洲体系)二、制造规范压力容器必须按照TSG R0004-2009《固定式压力容器安全监察规程》和GB150-2011《压力容器》的规定执行(一)材料材料生产单位应当按相应材料标准和订货合同的规定向用户提供质量证原件,并且在材料上的明显部位作出清晰、牢固的钢印标志或其他标志,其内容应当包括材料标准号、牌号、规格、炉(批)号、材料生产单位名称(或厂标)及检验印鉴标志。
材料质量证明书的内容应当齐全、清晰,并且加盖材料生产单位质量检验章。
压力容器专用钢板的生产单位应当取得相应的特种设备制造许可证。
(二)焊接工艺和焊工1、压力容器产品施焊前,受压元件焊缝、与受压元件相焊的焊缝、熔入永久焊缝内的定位焊缝、受压元件母材表面堆焊与补焊以及上述焊缝的返修焊2、缝都应当进行焊接工艺评定或者有经评定合格的焊接工艺支持;3、质检人员应当全过程监督焊接工艺的评定过程;4、焊接工艺评定完成后,焊接工艺评定报告和焊接工艺指导书应当经过焊接责任工程师审核,技术负责人批准,并且经过监检机构签章确认后存入技术档案;5、焊接工艺评定技术档案应当保存至该工艺评定失效为止,焊接工艺评定试样应当保存5年;6、焊接压力容器的焊工,应当按照相应安全技术规范的规定考核合格。
新颁布标准附件附件::行业标准目录序号标准编号标准编号标准名称标准名称代替标准代替标准采标号采标号批准日期批准日期实施日期实施日期1. NB/T 47014-2011 承压设备焊接工艺评定JB 4708-2000 2011-07-01 2011-10-012. NB/T 47015-2011 压力容器焊接规程JB/T 4709-2000 2011-07-01 2011-10-01 3. NB/T 47016-2011 承压设备产品焊接试件的力学性能检验JB 4744-2000 2011-07-01 2011-10-01 4. NB/T 47017-2011 压力容器视镜2011-07-01 2011-10-01 5. NB/T 47018.1-2011 承压设备用焊接材料订货技术条件第1部分:采购通则JB/T 4747-2002 2011-07-01 2011-10-01 6. NB/T 47018.2-2011 承压设备用焊接材料订货技术条件第2部分:钢焊条JB/T 4747-2002 2011-07-01 2011-10-01 7. NB/T 47018.3-2011 承压设备用焊接材料订货技术条件第3部分:气体保护电弧焊钢焊丝和填充丝JB/T 4747-2002 2011-07-01 2011-10-01 8. NB/T 47018.4-2011 承压设备用焊接材料订货技术条件第4部分:埋弧焊钢焊丝和焊剂JB/T 4747-2002 2011-07-01 2011-10-01 9. NB/T 47018.5-2011 承压设备用焊接材料订货技术条件第5部分:堆焊用不锈钢焊带和焊剂JB/T 4747-2002 2011-07-01 2011-10-01 10. NB/T 47018.6-2011 承压设备用焊接材料订货技术条件第6部分:铝及铝合金焊丝和填充丝JB/T 4747-2002 2011-07-01 2011-10-01 11. NB/T 47018.7-2011 承压设备用焊接材料订货技术条件第7部分:钛及钛合金焊丝和填充丝JB/T 4747-2002 2011-07-01 2011-10-01 12. NB/T 47019.1-2011 锅炉、热交换器用管订货技术条件第1部分:通则2011-07-01 2011-10-01 13. NB/T 47019.2-2011 锅炉、热交换器用管订货技术条件第2部分:规定室温性能的非合金钢和合金钢2011-07-01 2011-10-01 14. NB/T 47019.3-2011锅炉、热交换器用管订货技术条件第3部分:2011-07-01 2011-10-01序号标准编号标准编号标准名称标准名称代替标准代替标准采标号采标号批准日期批准日期实施日期实施日期规定高温性能的非合金钢和合金钢15.NB/T 47019.4-2011 锅炉、热交换器用管订货技术条件第4部分:低温用低合金钢2011-07-01 2011-10-0116.NB/T 47019.5-2011 锅炉、热交换器用管订货技术条件第5部分:不锈钢2011-07-01 2011-10-0117.NB/T 47019.6-2011 锅炉、热交换器用管订货技术条件第6部分:铁素体/奥氏体型双相不锈钢2011-07-01 2011-10-0118.NB/T 47019.7-2011 锅炉、热交换器用管订货技术条件第7部分:有色金属铜和铜合金2011-07-01 2011-10-0119.NB/T 47019.8-2011 锅炉、热交换器用管订货技术条件第8部分:有色金属钛和钛合金2011-07-01 2011-10-0120.NB/T 34001-2011 太阳能杀虫灯通用技术条件2011-07-01 2011-10-0121.NB/T 34002-2011 农村风光互补室外照明装置2011-07-01 2011-10-0122.NB/T 34003-2011 聚光型太阳灶通用技术条件2011-07-01 2011-10-0123.NB/T 34004-2011 生物质气化集中供气净化装置性能测试方法 2011-07-01 2011-10-0124.NB/T 34005-2011 民用生物质固体成型燃料采暖炉具试验方法 2011-07-01 2011-10-0125.NB/T 34006-2011 民用生物质固体成型燃料采暖炉具通用技术条件2011-07-01 2011-10-0126.NB/T 51001-2011 煤炭建设地面建筑工程概算指标 2011-07-01 2011-10-0127.NB/T 41001-2011 电容式电压互感器产品质量分等JB/T 56212-1999 2011-07-01 2011-10-0128.NB/T 41002-2011 标称电压1000V以上交流电力系统用并联电容器产品质量分等JB/T 56210-1999 2011-07-01 2011-10-0129.NB/T 41003-2011 标称电压1000V及以下交流电力系统用自愈式并联电容器质量分等JB/T 56214-1999 2011-07-01 2011-10-01序号标准编号标准编号标准名称标准名称代替标准代替标准采标号采标号批准日期批准日期实施日期实施日期30.NB/T 20004-2011 核电厂核岛机械设备材料理化检验方法EJ/T 1040—1996 2011-07-01 2011-10-0131.NB/T 20006.1-2011 压水堆核电厂用合金钢第1部分: 承受强辐照的反应堆压力容器筒体用锰-镍-钼钢锻件2011-07-01 2011-10-0132.NB/T 20006.2-2011 压水堆核电厂用合金钢第2部分: 不承受强辐照的反应堆压力容器筒体用锰-镍-钼钢锻件2011-07-01 2011-10-0133.NB/T 20006.3-2011 压水堆核电厂用合金钢第3部分: 反应堆压力容器过渡段和法兰用锰-镍-钼钢锻件2011-07-01 2011-10-0134.NB/T 20006.4-2011 压水堆核电厂用合金钢第4部分:反应堆压力容器接管嘴用锰-镍-钼钢锻件2011-07-01 2011-10-0135.NB/T 20006.6-2011 压水堆核电厂用合金钢第6部分: 蒸汽发生器管板用锰-镍-钼钢锻件2011-07-01 2011-10-0136.NB/T 20006.12-2011 压水堆核电厂用合金钢第12部分: 反应堆冷却剂泵主法兰用锰-镍-钼钢锻件2011-07-01 2011-10-0137.NB/T 20007.9-2011 压水堆核电厂用不锈钢第9部分:1、2、3级奥氏体不锈钢对焊无缝管件EJ/T 404—1999 2011-07-01 2011-10-0138.NB/T 20035-2011 压水堆核电厂工况分类EJ/T 312—1988 2011-07-01 2011-10-0139.NB/T 20036.1-2011 核电厂能动机械设备鉴定第1部分:通用要求2011-07-01 2011-10-0140.NB/T 20036.2-2011 核电厂能动机械设备鉴定第2部分:抗震鉴定2011-07-01 2011-10-0141.NB/T 20036.3-2011 核电厂能动机械设备鉴定第3部分:非金属物项鉴定2011-07-01 2011-10-0142.NB/T 20036.4-2011 核电厂能动机械设备鉴定第4部分:动态约束器鉴定2011-07-01 2011-10-0143.NB/T 20036.5-2011 核电厂能动机械设备鉴定第5部分:泵组件鉴定2011-07-01 2011-10-01序号标准编号标准编号标准名称标准名称代替标准代替标准采标号采标号批准日期批准日期实施日期实施日期44.NB/T 20036.6-2011 核电厂能动机械设备鉴定第6部分:阀门组件鉴定2011-07-01 2011-10-0145.NB/T 20037.1-2011 应用于核电厂的概率安全评价第1部分:功率运行内部事件一级PSA2011-07-01 2011-10-0146.NB/T 20038-2011 核空气和气体处理规范设计和制造通用要求EJ/T 1116-2000 2011-07-01 2011-10-0147.NB/T 20039.11-2011 核空气和气体处理规范通风、空调与空气净化第11部分:碘吸附器(Ⅰ型)2011-07-01 2011-10-0148.NB/T 20039.12-2011 核空气和气体处理规范通风、空调与空气净化第12部分:碘吸附器(II型)EJ/T 421—1989 2011-07-01 2011-10-0149.NB/T 20040-2011 核电厂安全级电气设备抗震鉴定试验规则2011-07-01 2011-10-0150.NB/T 20041-2011 核电文档管理系统功能要求2011-07-01 2011-10-0151.NB/T 20042-2011 核电档案分类准则及编码规则2011-07-01 2011-10-0152.NB/T 20043-2011 核电工程施工计划管理规定2011-07-01 2011-10-0153.NB/T 20044-2011 压水堆核电厂堆内构件安装及验收技术规程 2011-07-01 2011-10-0154.NB/T 20045-2011 压水堆核电厂反应堆压力容器安装及验收技术规程2011-07-01 2011-10-0155.NB/T 20046-2011 压水堆核电厂蒸汽发生器安装及验收技术规程2011-07-01 2011-10-0156.NB/T 20047-2011 压水堆核电厂主管道、波动管及其支撑的安装及验收规范2011-07-01 2011-10-0157.NB/T 20048-2011 核电厂建设项目经济评价方法2011-07-01 2011-10-0158.NB/T 20049-2011 电缆贯穿挡火封堵件性能试验 EJ/T 674—1992 2011-07-01 2011-10-0159.NB/T 20050-2011 核电厂电气设备水危害防护实用方法2011-07-01 2011-10-0160.NB/T 20051-2011 核电厂厂用电系统设计准则EJ/T 1134—2001 2011-07-01 2011-10-01序号标准编号标准编号标准名称标准名称代替标准代替标准采标号采标号批准日期批准日期实施日期实施日期61.NB/T 20052-2011 核电厂安全级电路电缆系统的设计和安装EJ/T 534—1991 2011-07-01 2011-10-0162.NB/T 20053-2011 核电厂安全重要电气、仪表和控制设备安装要求EJ/T 626—1992 2011-07-01 2011-10-0163.NB/T 20054-2011 核电厂安全重要仪表和控制系统执行A类功能的计算机软件EJ/T 1058—1998、EJ/T 1058.2—20052011-07-01 2011-10-0164.NB/T 20055-2011 核电厂安全重要仪表和控制系统执行B类和C类功能的计算机软件2011-07-01 2011-10-0165.NB/T 20056-2011 轻水堆核燃料衰变热功率的计算 EJ/T 745-2001 2011-07-01 2011-10-0166.SY/T 6833-2011 CNG加气站经济运行规范2011-07-01 2011-10-0167.SY/T 6834-2011 变频调速拖动装置节能测试方法与评价指标2011-07-01 2011-10-0168.SY/T 6835-2011 稠油热采蒸汽发生器节能监测规范2011-07-01 2011-10-0169.SY/T 6836-2011 天然气净化装置经济运行规范2011-07-01 2011-10-0170.SY/T 6837-2011 油气输送管道系统节能监测规范2011-07-01 2011-10-0171.SY/T 6838-2011 油气田企业节能量与节水量计算方法 2011-07-01 2011-10-01。