过路镀锌钢管砼包封技术交底
- 格式:doc
- 大小:246.00 KB
- 文档页数:7
砼管道安全技术交底
1、进入施工现场必须遵守有关安全规定和纪律,必须戴安全帽。
并正确使用个人劳动防护用具。
2、现场操作人员不得赤脚、穿硬底鞋、拖鞋和高跟鞋,不得酒后作业。
3.高空、悬空作业处应有牢靠的立足处,并必须视具体情况,配置防护网、栏杆或其他安全设施。
4.高空、悬空、临边、临口作业所用的索具、脚手板、吊篮、吊笼、平台等设备,均需经过技术鉴定或检证方可使用。
5.管道安装时的高空、悬空作业,必须遵守下列规定:
1)管道的吊装,管道应尽可能在地面组装,并应搭设进行临时固定、电焊、高强螺栓连接等工序的高空安全设施,随管道同时上吊就位。
拆卸时的安全措施,亦应一并考虑和落实。
高空吊装管道前,也应搭设高空、悬空作业中所需的安全设施(如平台、脚手架等)。
2)高空、悬空安装管道时,必须站在操作平台上操作上或有可靠的安全防护措施。
未遵循安全操作规程的严禁在施工现场内进行施工作业。
3)安装管道时必须有已完结构或操作平台为立足点,严禁在安装中的管道上站立和行走。
-全文完-。
镀锌钢管技术交底一、工程概述在本次的建设项目中,镀锌钢管将被广泛应用于给排水系统以及部分暖通系统中。
为确保工程质量,提高施工效率,保障施工安全,特进行本次镀锌钢管技术交底。
二、材料要求1、镀锌钢管的规格、型号应符合设计要求,管壁内外镀锌均匀,无锈蚀、无飞刺。
2、管件应无偏扣、乱扣、丝扣不全或角度不准等现象。
3、阀门的规格、型号应符合设计要求,阀体铸造规矩,表面光洁,无裂纹,开关灵活,关闭严密,填料密封完好无渗漏,手轮完整无损坏。
三、施工准备1、技术准备施工人员应熟悉施工图纸,了解设计意图,掌握相关施工规范和技术标准。
编制施工方案,并向施工人员进行技术交底。
2、材料准备按设计要求准备好所需的镀锌钢管、管件、阀门等材料,并确保材料质量合格。
对材料进行检验,核对其规格、型号、数量等。
3、主要机具准备套丝机、砂轮切割机、台钻、电锤、手电钻、电焊机、试压泵等。
工具如管钳、压力钳、手锯、手锤、活扳手、链钳、煨弯器、手压泵等。
4、作业条件准备施工图纸及其他技术文件齐全,并已进行技术交底。
施工场地及施工用水、用电等能满足施工要求。
与管道安装有关的土建工程已检验合格,满足安装要求。
四、施工工艺流程1、安装准备认真熟悉图纸,根据施工方案确定的施工方法和技术交底的具体措施做好准备工作。
参看有关专业设备图和装修建筑图,核对各种管道的坐标、标高是否有交叉,管道排列所用空间是否合理。
有问题及时与设计和有关人员研究解决,办好变更洽商记录。
2、预制加工按设计图纸画出管道分路、管径、变径、预留管口,阀门位置等施工草图,在实际安装的结构位置做上标记,按标记分段量出实际安装的准确尺寸,记录在施工草图上,然后按草图测得的尺寸预制加工(断管、套丝、上零件、调直、校对,按管段分组编号)。
3、支吊架安装按设计要求及施工规范规定,确定管道支吊架的位置和数量。
安装支吊架时,应先将预埋件或膨胀螺栓固定在建筑结构上,然后将支吊架固定在预埋件或膨胀螺栓上。
管道包封技术交底
管道包封是一种用于保护和维护管道的技术,它可以防止管道受到外界环境的侵害,降低管道维护和更换的成本。
以下是管道包封技术的交底内容:
1. 工作范围:明确工作范围,包括管道的长度、管径、材质、数量等。
2. 工作条件:说明工作条件,包括温度、湿度、空气污染程度、工作场所等。
3. 施工细节:详细说明管道包封的施工细节,包括表面处理、涂层工艺、材料配比、喷涂技术等。
4. 安全措施:说明施工过程中需要注意的安全事项,包括防火、防爆、通风、监控等。
5. 质量要求:明确管道包封的质量要求,包括外观质量、粘附力、耐腐蚀性、耐热性、耐化学性等。
6. 施工检验:说明管道包封施工完成后的检验方法和要求,包括外观检查、物理性能测试、耐久性测试等。
7. 环保要求:强调环保要求,包括材料环保性能、废料处置等。
8. 其他事项:根据实际情况,加入其他需要交底的事项,确保施工顺利完成。
一、工程名称:________________________二、工程编号:________________________三、施工部位或层次:________________________四、施工内容及交底内容:一、工程概况1. 管道包封工程概述,包括管道材质、规格、长度、用途等。
2. 管道包封工程现场环境,如地形、地质、气候条件等。
二、安全技术措施1. 人员安全(1)施工人员必须经过安全技术培训,取得相应资质后方可上岗。
(2)施工人员应熟悉本工程的安全技术交底内容,并严格遵守操作规程。
(3)施工人员必须佩戴安全帽、安全带、防护眼镜等个人防护用品。
2. 施工现场安全(1)施工现场应设置明显的安全警示标志,禁止无关人员进入施工区域。
(2)施工现场应设置防护栏、警示线等,确保人员、车辆通行安全。
(3)施工现场应保持整洁,及时清理施工垃圾,防止滑倒、绊倒等事故发生。
3. 管道运输与安装(1)管道运输过程中,应确保管道固定牢固,防止倾倒、碰撞等事故发生。
(2)管道安装时,应严格按照设计要求进行,确保管道安装牢固、平整。
(3)管道安装过程中,应检查管道接口是否严密,防止泄漏、渗水等事故发生。
4. 管道包封施工(1)包封材料应符合国家标准,质量合格。
(2)包封施工过程中,应确保包封层均匀、平整,无气泡、裂缝等缺陷。
(3)包封施工完成后,应进行外观检查,确保包封效果良好。
5. 环境保护与文明施工(1)施工过程中,应采取措施减少对周边环境的影响,如噪声、粉尘等。
(2)施工结束后,应及时清理施工现场,恢复原状。
三、应急预案1. 人员伤害事故(1)立即组织人员进行救援,并拨打急救电话。
(2)根据伤情,采取相应急救措施,如止血、包扎等。
(3)及时将伤员送往医院治疗。
2. 火灾事故(1)立即切断电源,关闭阀门,防止火势蔓延。
(2)使用灭火器、灭火器材等灭火。
(3)及时报警,请求消防部门支援。
3. 管道泄漏事故(1)立即关闭泄漏管道的阀门,防止泄漏扩大。
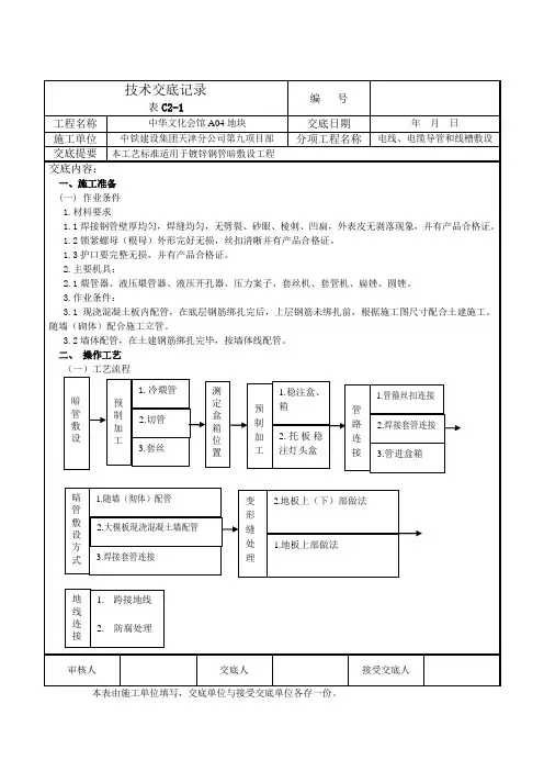
技术交底记录表C2-1编 号工程名称中华文化会馆A04地块 交底日期年 月 日 施工单位中铁建设集团天津分公司第九项目部 分项工程名称 电线、电缆导管和线槽敷设交底提要 本工艺标准适用于镀锌钢管暗敷设工程 交底内容: 一、施工准备(一) 作业条件 1.材料要求1.1焊接钢管壁厚均匀,焊缝均匀,无劈裂、砂眼、棱刺、凹扁,外表皮无剥落现象,并有产品合格证。
1.2锁紧螺母(根母)外形完好无损,丝扣清晰并有产品合格证。
1.3护口要完整无损,并有产品合格证。
2.主要机具:2.1煨管器、液压煨管器、液压开孔器、压力案子、套丝机、套管机、扁锉、圆锉。
3.作业条件:3.1现浇混凝土板内配管,在底层钢筋绑扎完后,上层钢筋未绑扎前,根据施工图尺寸配合土建施工。
随墙(砌体)配合施工立管。
3.2墙体配管,在土建钢筋绑扎完毕,按墙体线配管。
二、 操作工艺 (一)工艺流程审核人 交底人 接受交底人本表由施工单位填写,交底单位与接受交底单位各存一份。
暗 管敷设预制加工1.冷煨管2.切管3.套丝测定盒箱位置预制加工1.稳注盒、箱2.托板稳注灯头盒管路连接1.管箍丝扣连接2.焊接套管连接3.管进盒箱暗管敷设方式1.随墙(彻体)配管2.大模板现浇混凝土墙配管3.焊接套管连接变形缝处理1.地板上部做法2.地板上(下)部做法地线连接1. 跨接地线2. 防腐处理编号表C2-1工程名称中华文化会馆A04地块交底日期年月日施工单位中铁建设集团天津分公司第九项目部分项工程名称电线、电缆导管和线槽敷设交底提要本工艺标准适用于镀锌钢管暗敷设工程(二)暗管敷设:2.1 基本要求:暗配管应沿最近的路线敷设并减少弯曲,埋入混凝土内的管子,离表面净距不小于15mm.2.2预制加工:根据施工图,加工好各种盒、箱、管弯。
钢管煨弯采用冷煨法,管径在20mm及以下的,用手动煨管器,先将管子插入煨管器,均匀用力,逐步煨出所需弯度。
管径在25mm以上的,用液压煨管器,煨出所需弯度。
一、作业前准备1. 作业人员应经过安全技术培训,了解管道包封作业的相关安全知识和操作规程,考核合格后方可上岗。
2. 检查作业工具、机械、电气设备及安全防护用品,确保其完好、适用。
3. 确认施工现场环境安全,清除施工区域内的障碍物,确保作业空间宽敞。
4. 作业前,对管道进行检查,确认管道无泄漏、腐蚀等安全隐患。
5. 作业现场应设明显的安全警示标志,非作业人员不得入内。
二、作业过程中注意事项1. 上下沟槽应走安全梯或土坡道、斜道,严禁攀爬支撑结构。
2. 作业过程中,应随时观察沟槽边坡稳定状况,发现坍塌征兆时,立即停止作业,撤离危险区。
3. 进入管道内作业,应通风良好,保持管道内清洁,防止有毒有害气体积聚。
4. 作业人员必须佩戴安全帽、防护眼镜、防尘口罩等个人防护用品。
5. 严禁从槽上向下或从槽下向上抛扔工具、物料,上下沟槽应走马道或安全梯。
6. 作业中不得碰撞沟槽支撑,严禁在槽内、管内休息;不得直接向槽内倾倒材料。
7. 沟槽边1m内不得堆土、堆料、停放机具,确保作业安全。
8. 电动工具操作人员必须经过培训,考核合格后方可上岗。
9. 钢管内有人时,不得敲打管道。
三、管道包封作业安全措施1. 除锈作业应符合下列要求:a. 除锈作业人员必须经安全技术培训,考核合格后方可上岗。
b. 喷砂除锈作业时,必须采取降尘措施。
2. 防腐作业应符合下列要求:a. 防腐作业人员必须经安全技术培训,考核合格后方可上岗。
b. 作业过程中,应采取防毒、防尘措施。
3. 试压、吹扫、消毒、冲洗作业应符合下列要求:a. 作业过程中,应设专人指挥,统一信号,并配备通讯和交通联络工具。
b. 作业场地应平整、无障碍物,满足机具设备和操作工安全作业的需要。
4. 管道试验、清洗与试运行应符合下列要求:a. 作业中,应设专人指挥,统一信号,并配备通讯和交通联络工具。
b. 试验、清洗机具及其仪表应完好,使用前应检查、试运行,确认正常。
四、作业结束1. 作业结束后,清理现场,确保无安全隐患。
一、工程名称:二、工程编号:三、施工部位或层次:四、施工内容及交底内容:1. 施工人员安全要求:(1)所有施工人员必须经过专业培训,取得相应操作资格后方可上岗作业。
(2)进入施工现场必须佩戴安全帽,系好安全带,穿防滑鞋,正确佩戴个人防护用品。
(3)施工现场必须设置安全警示标志,施工人员应严格遵守。
2. 砼管道施工安全要求:(1)施工前,应了解工程地质、地形、地下管线等情况,制定详细的施工方案,确保施工安全。
(2)施工过程中,严格按照设计图纸和规范要求进行施工,确保砼管道质量。
(3)施工人员必须遵守以下操作规程:a. 砼管道运输和吊装:砼管道运输过程中,应使用专用车辆,确保车辆平稳;吊装时,吊车司机应确保吊车稳定,严禁超载;吊装过程中,严禁人员站在吊装区域。
b. 砼管道铺设:铺设前,应检查管道是否存在裂纹、变形等质量问题,发现问题及时处理;铺设时,应确保管道平直,接头严密,不得有漏浆现象。
c. 砼管道连接:连接前,应检查管道连接部位,确保连接牢固;连接过程中,应使用专用工具,不得强行连接。
d. 砼管道养护:养护期间,应保持管道湿润,防止砼失水、开裂。
e. 砼管道回填:回填前,应清除管道周围的杂物,回填材料应选用合格的材料,回填过程中,应确保管道不受外力挤压。
3. 施工现场安全措施:(1)施工现场应设置安全警示标志,明确警示内容,提醒施工人员注意安全。
(2)施工现场应设置安全通道,确保人员、车辆通行畅通。
(3)施工现场应配备消防器材,定期检查,确保消防设施完好。
(4)施工现场应设置围挡,防止无关人员进入施工现场。
4. 应急措施:(1)发生安全事故时,立即停止作业,迅速上报,启动应急预案。
(2)事故发生后,立即对受伤人员进行救治,同时保护事故现场,配合有关部门进行调查。
(3)加强安全教育培训,提高施工人员的安全意识。
五、交底日期:年月日六、交底人:七、验收人:八、备注:1. 本安全技术交底适用于砼管道施工全过程。
一、交底目的为确保砼管道铺设工程的安全顺利进行,保障施工人员的人身安全和工程质量,特制定本安全技术交底。
二、交底对象所有参与砼管道铺设工程的施工人员、技术人员、管理人员。
三、交底内容1. 入场安全教育施工人员进入施工现场前,必须接受入场安全教育,了解工程概况、安全注意事项、操作规程等,并经考核合格后方可进入施工现场。
2. 个人防护作业人员必须佩戴合格的安全帽,系好下颚带,锁好带扣;穿着符合安全要求的劳动防护用品,如绝缘手套、绝缘鞋等。
3. 施工准备施工前,应检查施工现场的安全设施,如防护栏、警示标志等是否齐全有效。
确保施工材料、工具、设备等符合安全要求。
4. 管道铺设操作规程- 管道铺设前,应检查管道的材质、规格、尺寸是否符合设计要求,确保管道质量。
- 管道铺设时,应严格按照设计图纸和施工规范进行,确保管道位置、标高、坡度等符合要求。
- 管道连接时,应使用符合要求的连接件,确保连接牢固可靠。
- 管道铺设过程中,应避免管道受损、变形、扭曲等。
5. 高处作业安全- 高处作业时,应搭设安全防护设施,如脚手架、安全网等,确保作业人员安全。
- 作业人员必须佩戴安全带,并正确使用。
- 高处作业区域应设置警示标志,防止他人误入。
6. 电气安全- 管道铺设过程中,如需进行电气作业,应严格遵守电气安全规程,确保电气设备安全可靠。
- 电气设备应定期检查、维护,防止漏电、短路等事故发生。
7. 机械安全- 使用机械设备时,应确保设备处于良好状态,并严格遵守操作规程。
- 机械作业区域应设置警示标志,防止他人误入。
8. 环境保护- 施工过程中,应采取措施减少对环境的影响,如噪音、粉尘、废水等。
9. 应急处理- 施工现场应配备必要的应急救援器材和设施,如急救箱、消防器材等。
- 施工人员应熟悉应急处理流程,一旦发生事故,能迅速采取有效措施进行处置。
四、交底要求1. 施工人员应认真学习本安全技术交底,了解工程安全风险,提高安全意识。
一、交底目的为确保砼管道施工过程中的安全,提高施工人员的安全意识,预防安全事故的发生,特制定本安全技术交底。
二、适用范围本交底适用于所有参与砼管道施工的人员,包括施工人员、技术人员、管理人员等。
三、施工前的安全准备1. 人员培训:所有参与施工的人员必须经过安全技术培训,了解并掌握砼管道施工的安全操作规程。
2. 施工方案:根据工程实际情况,编制详细的施工方案,包括施工工艺、施工顺序、安全措施等。
3. 施工材料:确保所有施工材料符合国家标准,无安全隐患。
4. 施工工具:检查施工工具是否完好,安全可靠。
四、施工过程中的安全措施1. 人员安全:- 施工人员必须穿戴符合国家标准的安全帽、安全带、防护眼镜等个人防护用品。
- 施工人员应熟悉施工现场环境,了解施工区域的安全隐患,遵守施工现场的安全规定。
- 严禁酒后作业,确保施工人员精神饱满。
2. 机械安全:- 定期检查施工机械,确保其正常运行,无安全隐患。
- 操作机械时,严格按照操作规程进行,不得违规操作。
- 机械操作人员必须持有相关资格证书。
3. 施工现场安全:- 施工现场应设置明显的安全警示标志,提醒施工人员注意安全。
- 严禁施工现场堆放易燃、易爆物品。
- 施工现场应保持整洁,不得乱堆乱放材料、工具等。
4. 砼管道施工安全:- 砼管道运输、吊装、安装过程中,应确保管道固定牢固,防止倾倒、滑落。
- 砼管道安装前,应检查管道接口是否严密,确保管道质量。
- 砼管道施工过程中,应避免直接接触高温、高压设备,防止烫伤、高压伤害。
- 施工现场应配备必要的消防设施,确保消防通道畅通。
五、施工后的安全检查1. 施工完成后,应进行安全检查,确保施工质量符合要求,无安全隐患。
2. 施工单位应定期对施工现场进行安全检查,发现问题及时整改。
六、事故处理1. 发生安全事故时,应立即停止施工,组织人员进行救援。
2. 报告相关部门,按照事故处理程序进行处理。
七、交底日期(填写交底日期)八、交底人(填写交底人姓名及职务)九、验收人(填写验收人姓名及职务)十、备注本交底作为施工过程中的重要依据,所有参与施工的人员必须严格遵守,确保施工安全。
镀锌钢管施工技术交底前言镀锌钢管是目前在工业和民用建筑中应用广泛的一种材料,其具有防腐性能好、长寿命、强度高等优点。
但是,在施工过程中需要注意一些技术和安全要点,在施工过程中严格遵守施工规章和标准,确保施工质量,提高工作效率。
本文对于镀锌钢管施工技术进行详细介绍,以供施工人员参考。
一、施工准备在施工前要准备好镀锌钢管的材料,同时需要检查相应的材料和设备的质量和数量是否满足施工需要。
在施工前还需要对施工现场进行清理、整顿,并保证施工现场的安全。
1.1 材料准备在施工前,需要准备好以下材料:•镀锌钢管:要根据工程要求选择规格和长度。
•筋扣、弯头、三通、四通等管件:要选择质量好、规格匹配、表面光滑的合格产品。
•浓度为20%的硝酸、废酸桶、清洗篮等清洗设备:用于清除长期储存的铁锈、油脂、水垢和其它污物等。
•电动磨光机、角磨机、切割机等:用于钢管切割、去毛刺、打磨、对焊等工作。
•焊接设备:需要选择合适的电焊机、数控切割机等焊接设备。
•镀锌涂料:根据工程要求选用合适的防腐涂料。
1.2 施工现场准备在施工现场准备时,需要注意以下几点:•管道支架:要选择质量好、规格合适的支架,固定位置要合理。
•立管支撑:要选择合适的立管,固定线要准确。
•安全通道:对施工人员和设备来往通行进行合理划分、安排。
•防火措施:对于易燃物品要进行合理的妥善安排和存放。
二、镀锌钢管施工2.1 结构布局在进行施工前,必须要进行结构布局的规划,包括支架的位置和高度,并进行高程调整,保证管道的倾斜度和牵制状态满足设计要求。
同时,管道接口处还需要注意防止产生应力集中、变形和过端的情况。
2.2 切割和对焊切割钢管时需要使用角磨机或电切割机器,进行处理、去毛刺和打磨处理。
同时,必须进行合理的对接、倾斜和支撑,保证管道的牢固和精密度。
2.3 滑动接缝和固态接缝滑动接缝和固态接缝都是用于连接两个镀锌钢管的接口。
滑动接缝是指通过滑动来连接钢管的接口,具有仅仅承受挤力和拉力的能力,是比较常用的连接方式。
热镀锌钢管敷设技术交底热镀锌钢管是指将未镀锌的钢管通过一定的工艺,浸入到熔融的锌液中,将钢管表面涂上一层锌层,以达到防腐、耐候和美观的目的。
热镀锌钢管广泛应用于建筑结构、工业装置、电力设备等领域。
下面将介绍热镀锌钢管的敷设技术交底。
一、施工准备1.根据设计图纸和施工方案,确定热镀锌钢管的敷设线路和穿越位置。
2.确定施工起点和终点,并标记出来。
3.查看施工现场的条件,确认是否有足够的安全空间和作业条件。
4.准备好必要的施工工具和设备,包括吊装设备、切割工具、焊接设备等。
二、敷设过程1.检查热镀锌钢管的质量,包括尺寸、壁厚、长度等,确保符合设计要求。
2.根据设计要求和施工方案,确定热镀锌钢管的敷设位置。
大部分是通过吊装设备进行敷设,并采用焊接或卡压连接方式。
3.使用吊车将热镀锌钢管吊装到敷设位置,根据需要进行切割和修整。
4.对于焊接连接的部分,要确保焊接质量,如焊缝的均匀性、焊接强度等。
5.对于卡压连接的部分,要确保卡压件与钢管之间有足够的挤压力,以确保连接牢固。
6.在穿越墙体或地下管道时,需要进行预埋保护,如使用防水套管或进行适当的防护措施。
三、验收和整理1.在敷设完成后,进行验收工作。
主要包括检查热镀锌钢管的敷设质量和连接质量,确保无渗漏、无变形、无松动等现象。
2.进行施工记录,包括敷设位置、焊接接头的编号、工艺参数等。
3.整理施工现场,清理垃圾、废弃材料等。
4.将施工报告和验收记录整理好,归档保存。
以上是热镀锌钢管敷设技术交底的一般步骤。
在实际施工中,还需要根据具体情况进行合理调整和安排。
同时,施工人员需要具备一定的专业知识和操作技能,保证施工质量和安全。
镀锌钢管施工技术交底一、施工准备1.1确认工程设计图纸以及相关施工图纸。
1.2建立施工组织机构,明确各工作岗位职责。
1.3采购所需的镀锌钢管、电焊机、切割加工设备等工具和材料。
1.4安排专业技术人员和作业人员,确保施工人员具备相关的技术能力和安全意识。
二、材料准备2.1镀锌钢管的选用应符合相应的国家标准,并具备验收合格证明。
2.2检查钢管表面是否有明显的损伤和腐蚀,确保所使用的钢管质量良好。
2.3确定镀锌工艺和镀层厚度,根据需要进行采购。
2.4检查采购的钢管数量和规格是否与实际需要一致,做好相应的备料工作。
三、施工工艺3.1清理施工现场,确保工作环境整洁安全。
3.2根据设计图纸和标高要求实施钢管支撑和定位。
3.3检查钢管连接部位的焊缝和接口是否符合要求,确保连接牢固可靠。
3.4部分由多节钢管组成的管道,在连接部位需要切割加工和焊接,做好相应的防护措施和消防安全措施。
3.5焊接钢管时,要注意控制焊接温度,避免焊缝局部过热或过冷,影响管道的使用寿命。
3.6清理焊接烟尘和焊渣,确保焊接质量和环境卫生。
3.7钢管的表面镀锌需要采用热浸镀法,确保镀层紧密、均匀、无麻点和气泡。
3.8镀锌后的钢管要经过质量检验,确保镀层厚度和镀层质量达到相关标准要求。
3.9完成钢管的安装和调试后,进行保护和防腐处理,确保钢管的使用寿命。
四、安全措施4.1严格遵守国家相关的施工安全法规和操作规程。
4.2确保作业人员配戴个人防护用品,如安全帽、防护眼镜、手套等。
4.3在施工现场张贴安全警示标志,设立安全警示线和安全防护栏。
4.4进行施工工具和设备的定期维护和检修,确保施工安全可靠。
4.5严格管控火源和明火,禁止在施工现场吸烟和使用易燃物品。
4.6钢管施工过程中,要加强现场管理,防止发生人员意外伤害和设备设施损坏。
五、质量验收5.1进行钢管的外观检查,确保钢管表面无明显的损伤和腐蚀。
5.2钢管的连接部位要经过质量检验,确保焊缝牢固,无裂纹和气孔。
表C2-1资料编号工 程 名 称施工单位 中铁审核人分包单位 施组总设计交底 单位工程施组交底 □施工方案交底专项施工方案交底 ☑施工作业交底交底部位接受交底范围电线电缆导管暗敷设交底人接受交底人交底日期接受交 底人员交底摘要:照明与动力配线的钢管暗敷设在顶板内和墙板内钢管及接线盒敷设工程。
交底内容: 一、施工准备 1. 材料要求1.1镀锌钢管(或电线管)壁厚均匀、无劈裂、砂眼、棱刺和凹扁现象。
镀锌管钢管外表层完整,无剥落现象,应具有产品材质单和合格证。
1.2 管箍使用通丝管箍。
丝扣清晰不乱扣,镀锌层完整无剥落,无劈裂,两端光滑无毛刺,并有产品合格证。
1.3 锁紧螺母(根母)外形完好无损,丝扣清晰,并有产品合格证。
1.4护口要完整无损,并有产品合格证。
1.5 铁制灯头盒、开关盒、接线盒等,金属板厚度应不小于1.2mm ,镀锌层无剥落,无变形开焊,敲落孔完整无缺,面板安装孔与地线焊接脚齐全,并有产品合格证。
1.6 线管、圆钢等材质应符合规范要求,并有产品合格证。
二、操作工艺1. 暗配金属镀锌管线采用丝扣管箍连接,套丝长度以用管箍连接好后螺纹外露2~3扣为宜,套丝完成后要检查是否光滑、平整。
管箍两端必须跨接地线,跨接地线采用RBV-4mm2铜芯软导线涮锡,用专用接地卡子与镀锌管连接,做法如下图:表C2-1资料编号工 程 名 称施工单位 中铁审核人分包单位施组总设计交底 单位工程施组交底 □施工方案交底 专项施工方案交底☑施工作业交底交底部位接受交底范围 电线电缆导管暗敷设交底人 接受交底人交底日期接受交 底人员2. 灯具布置按图纸数量房间内均匀布置,大于3kg 的灯具预留吊钩。
3. 管进出箱盒处,应采用丝扣锁母固定,进入箱盒排列整齐应一管一孔,禁开错孔及大孔。
4. 割钢管时严禁切斜口,切完钢管用圆锉清口,禁止切马蹄口,管路切割后必须用圆锉把管口清净无毛刺现象。
管弯曲倍数不应小于管外径的6倍,管路走向正确,按图施工。
管道包封技术交底概述管道包封技术的基本原理是通过在管道连接部位进行密封,防止液体或气体通过接头处泄漏。
常见的管道连接方式包括螺纹连接、焊接连接、法兰连接等。
而在这些连接处,由于生产和安装的原因,往往存在一定的空隙和缺陷,容易导致泄漏问题的发生。
因此,通过管道包封技术对这些连接处进行密封,就可以有效地防止泄漏的发生。
1.密封材料的选择:管道包封技术中一种关键的步骤是选择适合的密封材料。
密封材料通常需要具备良好的耐腐蚀性、耐高温性、耐压性和密封性等特性。
不同的管道系统和工作环境需要使用不同的密封材料,如橡胶密封圈、聚四氟乙烯等。
2.封闭方式的选择:根据管道系统的实际情况和工作要求,选择合适的封闭方式。
常见的封闭方式包括机械封闭、化学封闭和物理封闭等。
机械封闭一般通过螺纹、法兰等连接方式实现密封;化学封闭则通过密封胶等化学物质来实现密封;物理封闭则是通过包裹管道接头的方式形成物理屏障,如橡胶套管。
3.封闭工艺和操作要求:管道包封技术要求操作人员具备一定的技术和经验。
在进行管道包封的过程中,首先需要清洁和处理管道连接部位,确保表面光洁和无杂质。
然后进行密封材料的运用,通常是将密封材料放置在连接处,并通过压力和力矩等手段进行固定。
最后经过一定的时间,待密封材料完全固化后,再进行检查并进行后续工艺流程。
4.监测和维护:管道包封技术施工完成后需要进行定期监测和维护。
定期检查管道连接部位的密封状况,及时发现并处理可能存在的问题,以确保管道系统的安全运行。
总之,管道包封技术是一种有效防止管道泄漏的方法。
通过选择合适的密封材料、封闭方式以及进行正确的施工和维护,可以保证管道系统的安全运行,避免可能的事故发生。
管道包封技术交底管道包封技术是一种常用于管道安装及维护的技术,其主要作用是防止管道在运行过程中出现泄漏或渗漏问题。
管道包封技术是通过使用密封剂、密封胶带或其他防水材料来包覆管道接口部分,以保证其密封性能。
以下是对管道包封技术的详细交底。
首先,管道包封技术的适用范围。
管道包封技术适用于各种类型的管道,如金属管道、塑料管道、橡胶管道等。
其主要应用于水暖、空调、电力、石油、化工等行业的管道安装和维护领域。
其次,管道包封技术的所需材料。
常用的管道包封材料包括密封胶带、聚氨酯密封剂、硅胶密封剂等。
这些材料具有耐酸碱、耐腐蚀、耐高温、耐磨损等性能,能够有效地防止管道的泄漏和渗漏。
然后,管道包封技术的操作步骤。
首先,进行管道接口的清洁处理,确保其表面干净、平整和干燥。
清洁处理可使用溶剂或刷洗等方式进行。
然后,根据管道的材质和尺寸选择合适的密封材料。
将密封材料剪裁到合适的尺寸,并将其包覆在管道接口处。
对于管道的异材接口,可以使用特殊的接口密封剂进行处理。
最后,加压检测管道的密封性能,确保包封效果达到要求。
在管道包封技术的应用中,还需要注意一些技术要点。
首先,要确保管道接口的密封剂或胶带完全包覆在接口部位,不能有任何漏出。
其次,对于管道的异材接口,要选择合适的密封剂,确保其可以与不同材质的管道接口发生化学反应,从而实现良好的密封效果。
此外,管道包封材料的选择要符合施工环境的要求,如耐高温、耐腐蚀等特性。
在管道包封技术的施工中,还需要考虑其质量控制。
首先,要对施工人员进行专业培训,使其掌握正确的施工方法和操作技巧。
其次,要对施工现场进行合理的组织和管理,确保施工顺利进行。
最后,要对施工质量进行检查和验收,确保管道包封工程符合设计和规范要求。
总之,管道包封技术是一项重要的管道安装和维护技术,能够有效地防止管道的泄漏和渗漏问题。
在实际施工中,需要注意管道包封材料的选择、施工步骤和质量控制,以确保施工质量和效果。
通过合理的施工技术和管理,可以有效保护管道的正常运行,延长其使用寿命。
6、安全、环保、文明施工等技术措施;
1.进入施工现场必须戴安全帽,不得穿拖鞋,不允许穿硬底鞋
2.使用手动电动工具电源线绝缘良好。
3.现场施工配备三级箱,满足用电要求。
4.电焊作业前到项目部开动火证,方可进行电焊作业施工。
7、成品保护措施;
1.文明施工,工完场清。
8、其他应注意的问题;
1. 电焊作业必须是持有焊工证的专业人员。
2. 电焊作业时配备灭火器。
交底人审核人接受交底人
班组人员:
附图1:过路管砼包封设计图
附图2:钢筋排架示意图
附图3:模板排架示意图
附图4:强弱电平面布置图
附图1:
附图2:
注释:可在砼包封钢管两侧固定加固固定,方可支模浇筑混凝土。
附图3:
注释:模板排架可由设计要求制作。