皖西学院机械设计课程设计(带式输送机传动装置设计)
- 格式:doc
- 大小:444.00 KB
- 文档页数:19
机械设计基础课程设计带式输送机传动装置1. 设计选型:根据输送机的工作条件和要求,选择适当的传动装置。
常见的传动装置有齿轮传动、皮带传动和链传动等。
根据不同的需求,选择最合适的传动方式。
2. 齿轮传动:确定所需的传动比,根据输送机的工作要求和输送物料的性质,选择合适的齿轮传动比。
根据传动比,选择合适的主动轮和从动轮,确定齿轮的齿数和模数。
3. 皮带传动:确定所需的传动比和输送机的工作负载。
根据传动比和工作负载,选择合适的皮带类型和尺寸。
确定传动皮带的张紧装置和调节装置,以确保传动的稳定性和可靠性。
4. 链传动:根据输送机的工作负载和工作条件,选择合适的链传动类型和尺寸。
确定链条的张紧装置和轴的安装方式,以确保传动的稳定性和可靠性。
5. 设计传动结构:根据选定的传动方式,设计传动结构。
考虑到力学特性和布局要求,确定传动装置的位置和连接方式。
6. 传动系统的计算:根据输送机的工作条件和要求,进行传动系统的计算。
计算传动比、转速、功率等参数,确保传动装置满足输送机的工作要求。
7. 传动装置的选材和制造:根据传动装置的工作负荷和工作环境,选择合适的材料。
设计传动装置的零件尺寸并进行制造。
8. 装配和测试:按照设计图纸,完成传动装置的装配。
进行传动装置的测试,确保传动系统的正常运转和稳定性。
9. 优化和改进:根据测试结果和用户反馈,对传动装置进行优化和改进。
确保传动装置的性能和可靠性达到预期要求。
以上是一种可能的设计方案,具体的设计步骤和方法会因具体的工作条件和要求而有所不同。
在实际设计过程中,还需注意安全性、可维护性和成本等因素的考虑。
同时,还需具备合理的设计思路和实际操作能力,以提高设计的准确性和有效性。
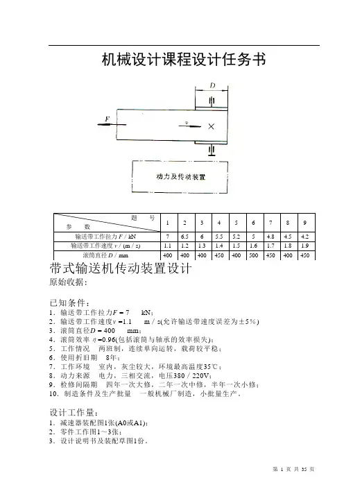
机械设计课程设计任务书带式输送机传动装置设计原始收据:已知条件:1.输送带工作拉力F = 7 kN ;2.输送带工作速度v =1.1 m /s(允许输送带速度误差为±5%) 3.滚筒直径D = 400 mm ;4.滚筒效率η=0.96(包括滚筒与轴承的效率损失); 5.工作情况 两班制,连续单向运转,载荷较平稳; 6.使用折旧期 8年;7.工作环境 室内,灰尘较大,环境最高温度35℃; 8.动力来源 电力,三相交流,电压380/220V ;9.检修间隔期 四年一次大修,二年一次中修,半年一次小修; 10.制造条件及生产批量 一般机械厂制造,小批量生产。
设计工作量:1.减速器装配图1张(A0或A1); 2.零件工作图1~3张;3.设计说明书及装配草图1份。
题 号参 数1 2 3 4 5 6 7 8 9 输送带工作拉力F /kN 7 6.5 6 5.5 5.2 5 4.8 4.5 4.2 输送带工作速度v /(m /s)1.1 1.2 1.3 1.4 1.5 1.6 1.7 1.8 1.9 滚筒直径D /mm400400400450400500450400450附:参考传动方案方案一方案二方案三方案四目录绪论 (5)Ⅰ课题题目及主要技术参数说明 (6)1.1.设计题目 (6)1.2.设计任务 (6)1.3.主要技术参数说明 (6)1.4.传动系统工作条件 (7)1.5.设计进度 (7)Ⅱ传动装置的总体设计 (7)2.1.方案设计 (7)2.2.引用数据参数 (8)Ⅲ电动机的选择 (8)3.1.计算工作机所需功率 (8)3.2.计算传动系统的总效率 (8)3.3.计算电动机所需功率 (9)Ⅳ运动和动力参数计算 (9)4.1.传动比分配 (9)4.2.各轴转速计算 (9)4.3.各轴输入功率计算 (9)4.4.各轴输入扭矩计算 (10)Ⅴ带传动的设计计算 (10)5.1.确定计算功率 (10)5.2.选择V带带型 (11)5.3.确定带轮的基准直径验算带速V (11)5.4.确定V带中心距a和基准长度 (11)5.5.验算小带轮上的包角 (12)5.6.计算带的根数Z (12)5.7.计算单根V带的初拉力的最小值 (12)5.8.计算压轴力 (12)5.9.带轮设计如下图 (13)Ⅵ齿轮传动的设计计算 (13)6.1.高速级斜齿轮设计计算 (13)6.1.1.选定齿轮类型、精度等级、材料及齿数 (13)6.1.2.按齿面接触强度计算 (13)6.1.3.按齿根弯曲强度计算 (15)6.1.4.几何尺寸计算 (16)6.1.5.结构设计见下图 (16)6.2.低速级直齿轮设计计算 (17)6.2.1.选定齿轮类型,精度等级,材料及齿数 (17)6.2.2.按齿面接触强度设计 (17)6.2.3.按齿数弯曲强度设计 (18)6.2.4.几何尺寸计算 (19)Ⅶ轴系零件的结构设计计算 (20)7.2.轴2的结构设计 (23)7.3.轴3的结构设计 (25)Ⅷ滚动轴承的选择与计算 (27)8.1.轴承的安装方案 (27)8.2轴承的校核 (27)8.2.1.Ⅰ轴轴承选择及校核 (27)8.2.2.II轴轴承校核 (28)8.2.3.III轴的轴承校核 (29)Ⅸ键连接选择及校核 (29)9.1.键类型的选择 (29)9.2.键联接的强度校核 (30)Ⅹ润滑与密封 (30)10.1.润滑 (30)10.2密封 (30)Ⅺ箱体设计 (31)11.1确定减速器铸造箱体的结构尺寸 (31)11.2螺栓螺钉直径的确定 (32)11.3通气器的确定 (33)11.4起吊装置的确定 (33)11.5油面指示器的确定 (33)11.6油孔和螺塞的确定 (34)11.7起盖螺钉的确定 (34)11.8定位销的确定 (34)Ⅻ总结 (34)参考文献 (35)绪论本论文主要内容是进行一级圆柱直齿轮的设计计算,在设计计算中运用到了《机械设计基础》,《机械制图》,《工程力学》,《公差与互换性》等多门课程知识,并运用《AUTOCAD》软件进行绘图,因此是一个非常重要的综合实践环节,也是一次全面的. 规范的实践训练。
机械设计课程设计带式输送机的传动装置设计(1)概述:带式输送机是一种常见的输送设备,广泛应用于各种工业领域,具有传输距离长、传输量大和连续自动化等优点。
本文是机械设计课程设计所涉及到的传动装置设计,重点介绍带式输送机传动装置的设计理念、构造特点、传动比计算等内容。
一、设计理念带式输送机传动装置的设计主要涉及两方面的问题,即传动装置的选择和传动比的计算。
其中,传动装置的选择要考虑传动功率、输出转速、轴心高度和轴向距离等因素,传动比的计算则要综合考虑驱动轮和从动轮的直径比、角速度比和线速度比等因素。
二、构造特点1. 驱动装置:带式输送机传动装置通常采用电机-减速器-联轴器的结构。
电机的功率和转速根据输送机的设计要求和工作条件确定,减速器的轴心高度和减速比应根据输送机的安装及使用情况确定,联轴器用于连接电机输出轴和减速器输入端的轴。
2. 驱动鼓:驱动鼓是带式输送机传动装置中的核心部件,通常由驱动轮、轮辋、轮胎、轴承和支承架等组成。
驱动轮应满足耐磨损、耐腐蚀、轻质高强等特点,轮胎应具有优良的弹性和良好的抗拉强度,轮辋应具有优良的抗弯和抗拉强度,轴承和支承架则应具有良好的承载能力和维修便利性。
3. 从动鼓:从动鼓是带式输送机传动装置中的另一核心部件,用于支撑输送带和改变输送带的运动方向。
通常由从动轮、轮辋、轮胎、轴承和支承架等组成。
从动轮应满足耐磨损、耐腐蚀、轻质高强等特点,轮胎应具有优良的弹性和良好的抗拉强度,轮辋应具有优良的抗弯和抗拉强度,轴承和支承架则应具有良好的承载能力和维修便利性。
三、传动比计算传动比计算是带式输送机传动装置设计的关键环节,是保证带式输送机传动效率和工作稳定的重要保障。
传动比的计算应根据驱动轮和从动轮的直径比、角速度比和线速度比等因素进行。
其中,直径比为驱动鼓和从动鼓的直径比,角速度比为驱动鼓和从动鼓的角速度比,线速度比为驱动鼓和从动鼓的线速度比。
结语:带式输送机传动装置设计是一项复杂的工程,需要综合考虑多方面的因素。
机械设计课程设计计算说明书设计题目带式输送机传动装置机械设计制造及其自动化专业三班学号:2012072318设计者:房体辰指导老师:王首军2014年12月3日济宁学院目录一、设计任务书 (2)二、传动方案拟定及说明 (2)三、电动机选择 (3)四、传动装置运动及动力参数计算 (4)五、传动零件的设计计算 (5)六、联轴器的选择 (13)七、轴的计算 (13)八、滚动轴承的选择和计算 (18)九、键连接的选择和计算 (19)十、润滑方式、润滑油牌号及密封装置的选择 (20)十一、减速器的设计计算 (20)十二、参考资料目录 (22)一、 设计任务书1、设计题目:带式输送机传动装置。
2、传动简图:3、设计参数:题号1—A 1—B 1—C 1—D 1—E 输送带的牵引力F/kN 2 1.25 1.5 1.6 1.8 输送带的速度v/(m/s) 1.3 1.8 1.7 1.6 1.5 输送带滚筒的直径D/mm1802502602402204、工作条件:连续单向运转,载荷平稳,空载启动,使用期10年(每年300个工作日),小批量生产,两班制工作,输送机工作轴转速允许误差为±5%。
5、传动效率:0.96。
二、 传动方案拟定及说明设计单级圆柱齿轮减速器及V 带传动 题号:1—C1、工作条件:连续单向运转,载荷平稳,空载启动,使用期10年(每年300个工作日),小批量生产,两班制工作,输送机工作轴转速允许误差为±5%。
2、原始数据:输送带的牵引力 F=1.5kN 输送带的速度 v=1.7m/s 输送带滚筒的直径 D=260mm径向力F IIIr=F IIIt tanα=2683tan20°N=976N直齿轮轴向力为零。
3.初步确定轴的最小直径选取轴的材料为45钢,调质处理。
根据[1]表15-3,取A0= 110,于是得d min=A0√P IIIn III =110×√2.675124.93mm=30.5mm输出轴的最小直径显然是安装联轴器处轴的直径d I−II。
机械设计基础课程设计带式输送机传动装置课程设计说明书设计名称:机械设计基础题⽬:带式输送机传动装置⼀、设计题⽬带式输送机传动装置⼆、主要内容运输带⼯作拉⼒F=_2400________N运输带⼯作速度V=_1.5________m/s卷筒直径D=____400_______mm⼯作条件:1.⼯作情况:两班制,连续单向运转,载荷较平稳,运输带速度允许误差为+5%;2.使⽤折旧期:五年;3.动⼒来源:电⼒,三相交流,电压380/220V;4.滚筒效率:0.96(包括滚筒与轴承的效率损失)。
表1-2 原始数据参数题号1 2 3 4 5运输带⼯作拉⼒F/(KN) 3.2 3.4 3.5 2.8 2.6 运输带⼯作速度V/(m/s) 1.5 1.6 1.8 1.5 1.4 卷筒直径D/(mm) 400 400 400 450 450参数题号6 7 8 9 10运输带⼯作拉⼒F/(N) 2.4 2.2 2.1 3 2.8运输带⼯作速度V/(m/s) 1.5 1.4 1.5 1.6 1.6 卷筒直径D/(mm) 400 400 500 450 500三、具体要求本课程设计要求在规定的时间内完成以下的任务:(1)绘制减速器装配图1张(A2图纸,⼿⼯绘图);(2)零件⼯作图2张(齿轮、轴、箱体等任选2个,A3图纸,⼿⼯或Auto CAD绘图);(3)设计计算说明书1份,约3000字左右。
四、进度安排次序设计内容时间分配(天)1 指导⽼师介绍课程设计注意事项11周2 拟定设计⽅案11---12周3 传动件和轴的设计计算12---14周4 画装配图14--15周5 画零件图15---16周6 编写设计说明书17--18周五、成绩评定指导教师签名⽇期年⽉⽇系主任审核⽇期年⽉⽇⽬录⼀、设计任务分析………………………………………………………………1.1本课程设计的⽬的…………………………………………………………1.2本课程设计的内容、任务及要求…………………………………………1.2.1课程设计的内容………………………………………………………1.2.2课程设计的任务………………………………………………………1.2.3课程设计的要求………………………………………………………1.3课程设计的步骤……………………………………………………………1.3.1设计准备⼯作…………………………………………………………1.3.2总体设计………………………………………………………………1.3.3传动件的设计计算……………………………………………………1.3.4装配草图的绘制………………………………………………………1.3.5装配图的绘制…………………………………………………………1.3.6零件⼯作图的绘制……………………………………………………1.3.7编写设计说明书………………………………………………………⼆、带式输送机传动装置总体⽅案的设计……………………………2.1选择电动机…………………………………………………………………2.1.1选择电动机类型…………………………………………………………2.1.2选择电动机功率…………………………………………………………2.1.3确定电动机转速…………………………………………………………2.2计算总传动⽐和分配传动⽐………………………………………………2.2.1计算总传动⽐……………………………………………………………2.2.2分配传动装置的各级传动⽐…………………………………………… 2.3 计算传动装置的运动和动⼒参数……………………………………………2.3.1各轴转速…………………………………………………………………2.3.2各轴的输⼊功率…………………………………………………………2.3.3各轴的输⼊转矩…………………………………………………………2.4齿轮的设计……………………………………………………………………三、轴的设计………………………………………………………………………3. 1⾼速轴的设计………………………………………………………………3.1.1确定轴的最⼩直径………………………………………………………3.1.2选择轴承…………………………………………………………………3.1.3 轴的结构设计……………………………………………………………3.1.4轴的结构简图……………………………………………………………3. 2低速轴的设计………………………………………………………………3.1.1确定轴的最⼩直径………………………………………………………3.1.2选择轴承…………………………………………………………………3.1.3 轴的结构设计……………………………………………………………3.1.4轴的结构简图……………………………………………………………四、轴上其他零件的设计………………………………………………………五、输出轴的强度校核…………………………………………………………六、箱体的设计……………………………………………………………………七、总结………………………………………………………………………………⼋、参考⽂献………………………………………………………………………⼀设计任务的分析1.1本课程设计的⽬的(1)通过课程设计使学⽣运⽤机械设计基础课程及有关先修课程的知识,起到巩固、深化、融会贯通及扩展有关机械设计⽅⾯知识的作⽤,树⽴正确的设计思想。
课程设计-带式输送机传动装置设计.pdf本文档旨在介绍带式输送机传动装置设计的背景和目的。
带式输送机是一种广泛应用于工业领域的物料输送设备,其传动装置的设计对其运行效果和运输能力具有重要影响。
本文将详细阐述带式输送机传动装置设计的原则和方法,包括传动装置的选择、布置和参数设计等方面。
通过合理的传动装置设计,可以提高带式输送机的工作效率、安全性和可靠性,将有助于提高生产效益和减少资源浪费。
引言带式输送机传动装置的重要性传动装置的选择原则传动装置的布置设计传动装置的参数设计结论参考文献请参阅附件中的《课程设计-带式输送机传动装置设计.pdf》了解更多详细内容。
本文旨在阐述带式输送机传动装置的基本原理和工作机制。
带式输送机传动装置是用于将物料从一个地方输送到另一个地方的重要设备。
其基本原理是利用驱动装置通过传动装置,将输送带带动物料沿输送线路运动。
主要的传动装置包括电动机、减速器和输送带。
电动机作为动力源,将电能转化为机械能,驱动减速器工作。
减速器则通过齿轮的传动,调节转速和扭矩,将电动机输出的转速和扭矩适应到输送带所需的范围。
最后,输送带将物料放置在上面,通过滚筒的转动将物料由一个地方输送到另一个地方。
带式输送机传动装置的工作机制是一个连续的过程。
当电动机启动后,动力通过减速器传递到输送带,使其开始运动。
输送带在滚筒的帮助下,将物料从一个地方平稳地移动到另一个地方。
这种运输方式具有高效、连续、安全的特点,广泛应用于矿山、港口、物流等领域。
总之,带式输送机传动装置的基本原理是通过电动机和减速器驱动输送带,实现物料的输送。
了解和掌握这些基本原理和工作机制对于合理设计和使用带式输送机传动装置具有重要意义。
本文档列举设计带式输送机传动装置时需要考虑的各种要求和限制条件。
功率要求:传动装置应能满足带式输送机所需的功率输出要求。
速度要求:传动装置应能适应带式输送机工作时所需的速度变化。
载荷要求:传动装置应能承受带式输送机运输物料的重量。
机械设计带式输送机传动装置课程设计
在设计带式输送机的传动装置时,需要遵循一系列的原则和规范,以确保设备能够高效、安全和可靠地运行。
下面是一些在设计带式输送机传动装置时需要注意的关键因素:
选择合适的传动装置是至关重要的。
带式输送机通常使用电机作为其动力源,电机通过减速器与滚筒相连,驱动输送带运转。
此外,也可以选择使用液力耦合器、调速型液力耦合器或软启动器等其他传动方式,以适应不同的工况和需求。
在设计时需要考虑到传动装置的功率和速度。
带式输送机的传动装置需要能够提供足够的功率,以克服各种阻力,如物料阻力、输送带与滚筒之间的摩擦阻力等。
同时,也需要考虑到输送带的速度对传动装置的影响,以确保设备在各种速度下都能稳定运行。
安全性和可靠性也是需要考虑的重要因素。
传动装置必须具有足够的安全系数和可靠性,以防止设备在运行过程中出现故障或损坏。
此外,为了确保设备的安全性,还需要采取一系列的安全措施,如设置防护罩、急停装置等。
在设计时还需要考虑到设备的维护和保养。
良好的维护和保养可以延长设备的使用寿命,提高设备的可靠性。
因此,在设计中需要考虑到设备的维修方便性,如采用模块化设计、标准化接口等,使得设备的维修和保养变得更为简便快捷。
设计带式输送机传动装置需要综合考虑多个因素,包括传动方式、功率和速度、安全性和可靠性、维护和保养等。
只有在充分考虑这些因素的基础上,才能设计出高效、安全、可靠的带式输送机传动装置。
机械设计课程设计带式输送机传动装置一、设计题目:带式输送机传动装置已知条件题目参数输送带工作拉5.0力F/KN输送带工作速度1.43v/(m/s)滚筒直径D/mm 350按斜齿圆柱齿轮设计减速器已知条件:(1)工作情况:两班制,连续单向运转,载荷比较平稳,允许输送带工作速度误差为±0.5%(2)使用年限:5年(3)动力源:380/220V交流电二、主要内容:P65页 7.1.2三、设计工作量:1、减速器装配图1张(2号图纸)2、零件工作图2张(3号图纸)3、设计说明书1份(10-15页要求附说明简图)四、进度安排基础设计计算——2天装配图底图——3天装配图——1.5天零件图——1.5天说明书(打印)——2天目录一、电动机的选择...怠 (4)二、传动设计 (5)三、带传动的设计 (7)四、齿轮的设计 (10)1.齿轮材料及精度的选择 (10)2. 按齿面接触强度设计 (10)3.确定主要参数及计算主要尺寸 (11)4.齿根弯曲疲劳强度校核 (12)5.齿轮主要参数 (13)五、轴的设计 (14)1.高速(齿轮)轴的设计.................................4 (14)2.低速轴的设计 (15)3.轴上其它零件的设计 (16)4.键的选择校核 (17)5.键的4度校核 (18)6.输出轴的强度校核 (19)六、轴承的校核 (20)七、心得体会...............4 (21)一、电动机的选择1、选择电动机类型按工作要求和工作条件,选用一般用途的Y(IP44)系列三相异步电动机,它为卧式封闭结构。
2、选择电动机的容量卷筒轴的输出功率PW :PW =F·V/1000=4000×1.43/1000=5.72kW电动机输出功率为PdPd=Pw/ηpd传动装装置总效率式中:V带效率1=0.96,滚动轴承效率(二对) 2=0.99,闭式齿轮传动效率(单级,斜齿轮)3=0.97, 弹性联轴器效率4=0.99,滚筒效率5=0.96,则:故 Pd= PW/h=5.72/0.86=6.651kw因载荷平稳,电动机额定功率略大于即可,由《机械设计基础实训指导》附录查的Y系列电动机数据,选电动机的额定功率为7.5kw。
机械设计课程设计---带式运输机传动装置带式运输机传动装置是工业生产不可缺少的设备,是在大型生产线中广泛使用的设备之一。
它包括电动机、皮带、齿轮箱、皮带轮和调钟轴。
它以不同的齿轮比例将恒定转速的电动机转换成需要的较小转速,以驱动物料循环的车辙使用。
本实验的目的是研究带式运输机传动系统的设计、组合、拆卸、维护及其相关参数。
一、带式运输机传动系统的设计1、电动机的选型,电动机保持不变的恒定转速,是带式运输机传动系统的核心组件。
设计时要根据实际工作需求,考虑电机拥有的功率,然后选择合适的功率、速度范围和电压等参数,以确保运行可靠稳定。
2、带式运输机应选择优质皮带,并与电动机及驱动轮匹配,以保证系统的正常运行,而且在购买皮带时也要注意其加工性能。
3、带式运输机传动系统中的齿轮箱要根据实际使用条件来选择,要达到承受电动机的力,同时还要注意齿轮箱的密封性、耐油性及其噪音等参数。
4、传动轮及调钟轴的选择,主要根据需求中的带速和控制要求作选择,其形式应选择中心调整联轴器。
1、电动机在安装时,要注意电机和支架之间有足够的螺丝,以便在实际使用时,电机能够稳定有序地安装在支架上,以避免因电机因激动、抖动、晃动而产生不良影响。
2、齿轮箱的安装需要严格按照配套图的规定,然后与电动机安装在同一垂直位置。
此外,还要注意齿轮箱的排油口在最低位置,以保证系统工作时,系统排油畅通无阻。
3、皮带传动系统安装时,要调节各驱动轮的抬起,确保皮带受力均衡,并垂直锁套在传动轮上。
在拆卸带传动系统时,传动轮不可以乱拆,乱拆会影响皮带性能,从而影响传动系统的使用寿命。
1、保持皮带的清洁,定期将表面的灰尘、污垢和油污擦拭清洁或冲洗干净,以避免因皮带结灰而影响传动精度。
2、定期检查传动轮支架及其螺栓,确保其完好无损并且拧紧其螺栓,以避免因螺栓松动而使传动精度下降。
3、定期检查齿轮箱内的油液,并将其替换一次。
当带式运输机在使用一段时间后,要及时卸下齿轮箱进行拆清洁,以保持表面的洁净无污垢。
带式运输机传动装置设计课程设计带式运输机传动装置设计课程设计带式运输机传动装置设计课程设计是机械工程专业的一门重要课程,旨在培养学生对传动装置设计的理解和实践能力。
传动装置是带式运输机的核心部件之一,它能够将电动机输出的动力传递至带式运输机的不同零部件中,从而实现物品的输送。
本课程设计旨在通过实际操作和设计,让学生深入了解带式运输机传动装置的结构、原理和设计方法,培养他们的创新思维和实践能力。
一、课程设计背景和目的带式运输机是重要的物流输送装置,广泛应用于各行业领域。
带式运输机传动装置作为其核心部件之一,发挥着至关重要的作用。
传动装置的设计质量直接影响带式运输机的使用效果和寿命,因此需要技术人员具备扎实的技术理论和实践经验。
本课程设计旨在通过实际操作和设计,让学生深入了解带式运输机传动装置的结构、原理和设计方法,培养他们的创新思维和实践能力。
通过本课程设计,学生将会了解到传动装置的设计流程、选择材料的方法、制作过程和性能测试等方面的知识,提升其工程实践能力和解决问题的能力。
二、课程设计内容和方法1、设计内容(1)课程设计题目:带式运输机传动装置设计(2)设计要求:通过合理的设计,制作出质量可靠的带式运输机传动装置,并且能够完成对装置的性能测试和分析。
(3)设计内容:①传动装置的结构设计:包括传动轮、减速机、轴承、传动带轮等关键零部件的选择和组成设计,满足运输环境的要求和电动机输出的转矩、转速等参数要求。
②传动装置的材料选择:选取适合的材料,保证传动装置整体的强度、耐磨性、韧性和耐腐蚀性能等方面的要求。
③传动装置的加工制作:采用适应的加工工艺,制作出各个零部件,并且保证各个部件的精度和质量。
④传动装置的性能测试:对制作好的传动装置进行性能测试,如转速、负载、温度等参数测试。
2、设计方法(1)教学方法:本课程设计教学采用课堂讲解、实践操作和案例分析相结合的教学方法,让学生掌握传动装置设计的理论知识和实践操作技能。
机械设计课程设计计算说明书设计题目:带式输送机传送装置目录一•题目及总体分析 (2)二.各主要部件选择 (4)三.电动机的选择 (4)四.分配传动比 (5)五.传动系统的运动和动力参数计算 (6)六.设计高速级齿轮 (8)1. 选精度等级、材料及齿数,齿型 (8)2. 按齿面接触强度设计 (8)3. 按齿根弯曲强度设计 (10)4. 几何尺寸计算 (12)5. 验算 (13)七.设计低速级齿轮 (13)1. 选精度等级、材料及齿数,齿型 (13)2. 按齿面接触疲劳强度设计 (14)3. 按齿根弯曲强度设计 (16)4. 几何尺寸计算 (17)5. 验算 (18)八.链传动的设计 (18)九.减速器轴及轴承装置、键的设计 (21)1. I轴(输入轴)及其轴承装置、键的设计 (21)2. H轴(中间轴)及其轴承装置、键的设计 (27)3. 川轴(输出轴)及其轴承装置、键的设计 (33)十.润滑与密封 (38)十-一.箱体结构尺寸 (39)十二.设计总结 (40)十三.参考文献 (41)一.题目及总体分析题目:设计一个带式输送机的传动装置给定条件:传动简图如图1-1所示,设计参数列于表1-1 0工作条件:连续单向运转,,工作时有轻微振动,使用期为10年(每年300个工作日),小批量生产,两班制工作,输送机工作轴转速允许误差为-5%。
带式输送机的传动效率为0.96 o减速器类型选择:选用展开式两级圆柱齿轮减速器。
特点及应用:结构简单,但齿轮相对于轴承的位置不对称,因此要求轴有较大的刚度。
高速级齿轮布置在远离转矩输入端,这样,轴在转矩作用下产生的扭转变形和轴在弯矩作用下产生的弯曲变形可部分地互相抵消,以减缓沿齿宽载荷分布不均匀的现象。
高速级一般做成斜齿,低速级可做成直齿。
整体布置如下:Vtni\3图1-1带式输送机传动简图图示:1为电动机,2为联轴器,3为减速器,4为高速级齿轮传动,5为低速级齿轮传动,6为链传动,7为输送机滚筒。
机械设计课程设计带式输送机传动系统的设计一、选题背景随着现代社会的进步和工业化水平的提高,机械传动系统在生产和制造领域中发挥着重要的作用。
带式输送机作为一种常用的机械传动设备,广泛应用于物流、制造、采矿等行业中。
带式输送机具有结构简单、运行可靠、维修方便等优点,能够实现物料的连续输送,提高生产效率,节约人力、物力和财力资源。
因此,在机械设计课程中,带式输送机传动系统的设计是一个重要的研究课题。
二、课程目标带式输送机传动系统的设计是机械设计课程中的一个重点课题。
此次课程设计的目标是掌握带式输送机的结构和工作原理,设计带式输送机传动系统的各个部分,包括电机、减速机、转动轴、传动带等,实现带式输送机的合理传动和稳定运行。
三、设计内容1.带式输送机的结构和工作原理带式输送机的结构主要由输送带、输送机架、输送辊、张紧装置、减速机、电机、传动轴等部分组成。
通过逐一分解和分析这些部分的功能,理解带式输送机的结构和工作原理,为传动系统的设计奠定基础。
2.电机和减速机的选择与设计电机和减速机是带式输送机传动系统中最关键的两部分。
电机的选型需要考虑输出功率、额定电压、额定电流等参数,以确保其符合带式输送机的工作要求。
减速机的选型则需要根据电机的输出轴转速、输出功率、传动比等参数来确定。
3.传动带、转动轴等部件的选择与设计传动带、转动轴等部件的选择和设计直接影响带式输送机传动系统的传动效率和稳定性。
因此,需要根据带式输送机的工作条件和要求,选择适当的传动带、转动轴等部件,并通过设计优化来提高传动效率和稳定性。
4.张紧装置的设计张紧装置是带式输送机中的一个重要部分,其主要功能是使输送带保持一定的张力,确保带式输送机的正常运行。
因此,需要对张紧装置进行设计,考虑张紧力大小、张紧机构的型式、张紧绳的材料和数量等因素。
5.整体装配与调试在设计完成后,需要将各个部分进行整体装配,通过调试和测试确保带式输送机传动系统具有合理的传动效率和稳定的运行状态。
设计带式输送机传动装置课程设计一、引言带式输送机是一种重要的输送设备,广泛应用于矿山、港口、化工等领域。
传动装置是带式输送机的关键组成部分,对其传动效率和运行稳定性起着重要作用。
因此,设计一个高效、稳定的带式输送机传动装置具有重要的意义。
本课程设计将结合带式输送机传动装置的工作原理和设计要求,通过理论计算、仿真模拟和实际制作,研究和设计一种适用于特定工况的带式输送机传动装置。
二、带式输送机传动装置的工作原理带式输送机传动装置通常由电动机、减速器、联轴器、驱动辊和托辊等组成。
其工作原理如下:1.电动机:通过电能转换为机械能,提供动力驱动传动装置工作。
2.减速器:将电动机的高速旋转转换为带式输送机所需的低速高扭矩输出。
3.联轴器:将电动机和减速器连接,实现二者之间的传递动力和转矩。
4.驱动辊和托辊:由传动装置驱动,带动输送带运动,实现物料的输送。
三、带式输送机传动装置的设计要求为了确保带式输送机传动装置在工作过程中能够稳定、高效地运行,以下是其设计要求:1.高效性:传动装置应具有高传动效率,减少能量损失。
2.稳定性:传动装置要能够承受输送机的工作负载,保持运行稳定。
3.可靠性:传动装置的设计应考虑到可靠性,降低故障率和维修成本。
4.维护性:传动装置的设计应便于维护和检修,提高设备的可用性。
5.安全性:传动装置应具备安全保护装置,防止意外事故的发生。
四、带式输送机传动装置的设计步骤为了满足上述设计要求,带式输送机传动装置的设计步骤如下:1. 确定工况参数根据实际工况要求,确定带式输送机的输送能力、输送长度、传动功率和输送速度等参数。
2. 计算传动比和电机功率根据带式输送机的输送能力和输送速度等参数,计算所需的传动比和电机功率。
3. 选型减速器和电机根据传动比和电机功率,选型合适的减速器和电机,确保其能够适应带式输送机的工作要求。
4. 设计联轴器和传动轴根据减速器和电机的轴径及轴向间隔等参数,设计联轴器和传动轴,保证其传递动力和转矩的稳定性。
机械设计课程设计目录一、总体方案设计................. (2)二、设计要求 (2)三、设计步骤 ..............................1. 传动装置总体设计方案 ............. .. (2)2. 电动机的选择....................... . (3)3. 计算传动装置的传动比及各轴参数的确定... (4)4.齿轮的设计 ............................. .. (6)5. 滚动轴承和传动轴的设计................ . (8)附:两根轴的装配草图.................. .. (16)6.键联接设计............................ .. (18)7. 箱体结构的设计....................... .. (19)8.润滑密封设计 ............................. . (20)四、设计小结 ................................. . (20)五、参考资料 ................................ .. (21)一、总体方案设计课程设计题目:带式运输机传动装置设计(简图如下1——V带传动2——电动机3—-圆柱齿轮减速器4——联轴器5——输送带6——滚筒1.设计课题:设计一用于带式运输上的单级圆柱齿轮减速器。
运输机连续工作,使用寿命 5年,每年365天,每天24小时,传动不逆转,载荷平稳,起动载荷为名义载荷的1.25倍,输送带速度允许误差为+_5%。
2.原始数据:题号3第一组二、设计要求1.减速器装配图1张(三视图,A1图纸);2.零件图两张(A3图纸,齿轮,轴,箱体);3.设计计算说明书1份(8000字左右)。
三、设计步骤1. 传动装置总体设计方案1)外传动机构为V带传动。
2)减速器为一级展开式圆柱齿轮减速器。
3) 方案简图如下图:1——V带传动;2——电动机;3——圆柱齿轮减速器;4——联轴器;5——输送带;6——滚筒 一传动方案拟定:采用V 带传动与齿轮传动的组合,即可满足传动比需求,同时由于带传动具有良好的缓冲,吸振性能。
适应大起动转矩工况要求,结构简单,成本低,使用维护方便。
2、电动机的选择 1)选择电动机的类型按工作要求和工作条件选用Y 系列三相笼型异步电动机,全封闭自扇冷式结构,电压380V 。
2)选择电动机的容量 工作机的有效功率为kW v F P w 04.36.11900=⨯=⋅=从电动机到工作机传送带间的总效率为 82.06543221≈⋅⋅⋅⋅⋅=ηηηηηηη由《机械设计基础课程设计指导书》表2-3可知: η1:带传动 0.96(球轴承)η2:齿轮传动的轴承 0.99 (8级精度一般齿轮传动) η3:齿轮传动 0.97(弹性联轴器) η4:联轴器 0.97 η5:卷筒轴的轴承 0.98 η6:卷筒的效率 0.96所以电动机所需工作功率为 Kw 7.382.010006.119001000=⨯⨯==ηFv P d3)确定电动机转速V 带传动的传动比i 1=(2-4),单级齿轮传动比 i 2 =(3-5),一级圆柱齿轮减速器传动比范围为i=(6-20),而工作机卷筒轴的转速为min /4.76100060r Dvn w =⨯=π所以电动机转速的可选范围为:m in /)1528458(4.76)206(n d r n i w -=⨯-=⋅=根据电动机类型、容量和转速,由《机械设计基础课程设计指导书》附录8,附表8-1选定电动机型号为Y132M1-6。
其主要性能如下表:综合考虑电动机和传动装置的尺寸、质量及价格等因素,为使传动装置结构紧凑,决定选用同步转速为1000minr的电动机,所以电动机的类型为Y132M1-6。
3.计算传动装置的传动比i 及各轴参数的确定 (1)传动比i 为( m n 为电动机满载转速,单位:r/min )分配各级传动比时由《机械设计基础课程设计指导书》表2—2{圆柱直齿轮传动比范围i 1=(3—5) V 带传动范围(2—4)取值i 0=3 所以i=13 1).各轴的转速 I 轴 n 1 =min /32039600r i n m == II 轴 min /4.76188.4320112r i n n ===卷筒轴 m in/4.762r n n w ==n m 为电动机的满载转速r/min ;n 1﹑n 2为I 轴﹑II 轴 (I 轴高速轴﹑II 轴为低速轴)的转速,i 0电动机至I 轴的传动比,i 1为I 轴至II 轴的传动比。
2).各轴的输入功率电动机轴 K =⨯=⋅P =P 552.396.07.3011ηd w轴I Kw 2.396.099.0552.3122122=⨯⨯=⋅P =P η134.76960≈=w m n n i滚筒轴 Kw 01.396.098.02.3P 2=⨯⨯=⋅=ηPw3).各轴的输入转矩电动机轴的输出转矩Td 为:m N n P m d d ⋅=⨯=⨯=8.369607.395509550T I 轴 m N n P T ⋅=⨯==01.106320/552.395501/195501 II 轴 m N n P T ⋅=⨯=⨯=4004.76/2.395502/295502 滚筒轴 m N T ⋅=⨯=⨯=25.3764.76/01.39550Pw/nw 9550卷4.齿轮的设计1)选择齿轮材料及精度等级小齿轮选用45钢调质,硬度为220-250HBS ;大齿轮选用45钢正火,硬度为170-210HBS 。
因为是普通减速器,由表10.21选9级精度,要求齿面粗糙度 R a ≤3.2~6.3m μ. (2)按齿面接触疲劳强度设计因两齿轮均为钢质齿轮,可应用式(10.22)求出d 1值。
确定有关参数与系数: 1)、转矩T 1mm N T ⋅⨯=⨯⨯=5611006.1320552.31055.9 2)、载荷系数K查表10.11取K=1.13)、齿数z 1齿宽系数d ψ小齿轮的齿数z 1取为25,则大齿轮齿数z 2=100.因单级齿轮传动为对称布置,而齿轮齿面又为软齿面,由表10.20选取1=d ψ。
4)、许用接触应力[]H σ 由图10.24查得MPa MPa H H 530,5602lim 1lim ==σσ由表10.10查得S H=1。
81104.8)24*5*365(13206060⨯=⨯⨯⨯=⨯=h njL N8812102188.4/104.8/⨯=⨯==i N N 查图10.27得1.1,02.121==NT NT Z Z 由式(10.13)可得[]MPa MPa S Z HH NT H 571156002.11lim 11=⨯==σσ []MPa MPa S Z H H NT H 58315301.12lim 22=⨯==σσ故()[]mm mm u u KT d H d 67.621.1571415101.11.1*43.76143.763253211=⨯⨯⨯⨯⨯⨯=+≥σψ mm mm z d m 5.22567.6211===由表10.3取标准模数m=2.5㎜。
(3)计算主要尺寸mm mm mz d 5.62255.211=⨯== mm mm mz d 2501005.222=⨯== mm mm d b d 5.625.6211=⨯=⋅=ψ 经圆整后取b 2=65㎜。
mm mm b b 70521=+=()()mm mm z z m a 25.156100255.2212121=+⨯=+=(4)按齿根弯曲疲劳强度校核由式(10.24)得出F σ,如[]F F σσ≤则校核合格。
确定有关系数与参数:1) 齿形系数Y F查表10.13得 Y F1=2.65,Y F2=2.18。
2) 应力修正系数Y S查表10.14得Y S1=1.59, Y S2=1.80。
3) 许用弯曲应力 []F σ由图10.25查得 MPa MPa F F 190,2102lim 1lim ==σσ。
由表10.10查得 3.1=F S 。
由图10.26查得 121==NT NT Y Y 。
由式(10.14)可得 []MPa MPa S Y F F NT F 1623.12101lim 11===σσ[]MPa MPa S Y FF NT F 1463.190.12lim 11===σσ 故[]MPa MPa MPa Y Y z bm KT F S F F 08.2179159.165.2255.26534.1101.1221251211=〈=⨯⨯⨯⨯⨯⨯⨯==σσ[]MPa MPa Y Y Y Y F S F S F F F 14659.165.28.118.2912212212=〈⨯⨯⨯==σσσ齿轮弯曲强度校核合格。
(5)验算齿轮的圆周速度v s m s m n d v /938.0/10006057.2865.6210006011=⨯⨯⨯=⨯=ππ由表10.22可知,选9级精度是合适的。
(6)计算几何尺寸及绘制齿轮零件工作图。
略。
将上述计算结果整理如下表所示:5 V 带的设计(1)确定计算功率P c由表8.21查得K A =1.3,由式(8.12)得 kW kW P K P A c 15.75.53.1=⨯==(2)选取普通V 带型号根据P c =7.15kW 、n 1=960r/min , 由图8.12选用B 型普通V 带。
(3)确定带轮基准直径d d1、d d2根据表8.6和图8.12选取d d1=140mm ,且d d2=140mm >d dmin =125mm 。
大带轮基准直径为mm d n n d d d 0.46999.46814057.2869601212≈=⨯==按表8.3选取标准值d d2=500mm ,则实际传动比i 、从动轮的实际转速分别为35.31400.46912===d d d d i min /57.28635.3960/12r i n n === 从动轮的转速误差率为%0%10057.28657.28657.285=⨯-在 %5±以内为允许值。
(4)验算带速v s m n d v d /03.710006096014010006011=⨯⨯⨯=⨯=ππ带速在5~25m/s 范围内。
(5)确定带的基准长度L d 和实际中心距a 按结构设计要求初定中心距a 0=1500mm 。
由式(8.15)得由表8.4选取基准长度L d =4000mm 。
由式(8.16)的实际中心距a 为 mm l l a a d 825.967235.341431501100200=-+≈-+≈ 中心距a 的变化范围为mm l a a d 575.9203150015.0825.967015.0min =⨯-=-=mm L a a d 325.1062315003.0825.96703.0max =⨯+=+=(6)校验小带轮包角1α 由式(8.17)得0000120112052.1603.57825.9671405001803.57180>=⨯--=⨯--=a d d d d α (7)确定V 带根数z由式(8.18)得根据d d1=140mm ,n 1=960r/min ,查表8.10,根据内插法可得取P 0=2.82kW 。