综合布线系统施工工艺流程.(DOC)
- 格式:doc
- 大小:258.86 KB
- 文档页数:17
综合布线系统施工方案1.1施工准备1材料、设备传输部分:对绞电缆、光缆、光纤连接头、光纤耦合器等。
机房部分:交接箱、机柜、各类配线架、配线模块、跳线等。
终端部分:信息插座、光纤插座、8位模块式通用插座、多用户信息插座。
上述设备材料的规格、型号、数量应符合设计及合同要求,并附有出厂质量检验合格证、性能检验报告及“CCC”认证标识等。
电缆所附标志、标签内容应齐全、清晰。
镀锌材料:镀锌钢管、镀锌线槽、金属膨胀螺栓、金属软管、接地螺栓。
其他材料:接线盒、地面插座、塑料线槽及其附件。
塑料线槽其敷设场所的环境温度不得低于-15℃,其阻燃性能氧指数不应低于27%。
2机具设备安装器具:煨管器、液压开孔器、套丝机、钢锯、电工组合工具、射钉枪、拉铆枪、手电钻、台钻、高凳等。
测试器具:网络测试仪、光时域反射仪、万用表、兆欧表、铅笔、皮尺、水平尺、小线、线坠等。
专用工具:剥线器、压线工具、光纤熔接机、显微镜、切割工具、玻璃磨光盘、烘干箱。
3作业条件线缆沟、槽、管、箱、盒施工完毕。
土建装修工程完工,线路全部贯通。
配线间、设备间的环境温度、湿度、照度等均应符合设计要求,通风良好,且室内无危险物品,消防器材齐全。
4技术准备施工图纸齐全。
施工方案编制完毕,并经审批。
施工前应组织施工人员熟悉图纸、方案及专业设备安装使用说明书,并进行有针对性的培训及安全、技术交底。
1.2操作工艺1工艺流程系统验收系统调试线缆端接设备安装线缆敷设管路敷设2操作方法(一)、管路敷设:参见闭路电视监控系统管路敷设。
(二)、线缆敷设重要管路采用地下通信管网时,应符合国家现行标准《通信管道工程施工及验收技术规范》YDJ 39中相关规定。
线缆敷设一般应符合下列要求: (1)线缆的布放应自然平直,线缆间不得缠绕、交叉等。
(2)线缆不应受到外力的挤压,且与线缆接触的表面应平整、光滑,以免造成线缆的变形与损伤。
(3)线缆在布放前两端应贴有标签,以表明起始和终端位置,标签书写应清晰。
综合布线系统施工方案含测试检测及验收综合布线系统施工方案及工艺1、安装的基础安装环境已就绪,包括:机房装修、机房供电、机房空调、接地;1)电源:机房电源应满足:Ael98~242V(220V±10%)z50Hz(±2Hz);机房采用TN-S方式供电;应尽可能设UPS供电。
2)环境要求温度满足:10~30°C相对湿度满足:20-80%4)网络规划已经建设单位批准。
包括:网络拓扑结构;设备安装位置已确定;综合布线系统的点表及设备等均已确定;1)施工流程2)主要施工方法Q)针对本次综合布线系统工程主要包括如下施工方法:(2)在综合布线系统施工前的准备工作,从用户的调研需求及优化、深化设计后,到确定最后的整体施工内容。
(3)系统的设备与材料的供应及运输、包装、仓储等准备工作,跟随深化设计的完善后,依各系统施工进度表次展开工作,保障施工的正常有序的进行。
(4)系统的线管敷设时应平直,不能产生扭曲和打圈现象,不得受到外力的损伤,线缆敷设的弯曲半径不小于此线缆直径的10倍。
当光缆和双绞线敷设在同一线槽地,光缆应放在最下面。
在垂直线槽中敷设时,每隔60cm应绑扎一下。
(5)系统线缆的两端应有统一的端子打印号码,字迹清楚、牢固。
(6)线缆在终端口要留有足够的接线余量(通常不小于50cm),盘好放在预埋盒内,以防损坏。
在配线柜处的接线余量应按供应商的意见留足(一般留5cm)o(7)线缆敷设时从配线架至终端出口,线缆中间不得剪断和接续。
当供应商确认需接续时应有专门的技术措施给予保证,光缆接续时应采用光协率计或其他仪器监视,使接续损耗达到最小,接续后应装入光缆接头护套或接头匣内。
(8)光缆敷设前应使用光时域反射针和光缆衰耗测试仪检查光纤是否有折的点,衰耗值是否符合设计要求。
(9)线缆敷设时牵引力应适当,以防拉断线缆,当遇到较大阻力时应先查清原因,消除故障后再敷设。
尤其是光缆敷设时,光纤的牵引端应做好技术处理,牵引力应施加在强芯上,最大牵引力、牵引速度以及一次牵引的直线长度等技术措施必须符合制造厂规定。
编号:综合布线(PDS)系统施工工艺要求✧对绞电缆和光缆型号规格、程式、形式应符合设计的规定和购销合同的规定。
电缆所附标志、标签内容应齐全、清晰。
电缆外护套须完整无损,电缆应附有出厂质量检验合格证,并应附有本批量电缆的性能检验报告.✧钢管(或电线管)型号规格,应符合设计要求,壁厚均匀,焊缝均匀,无劈裂,砂眼,棱刺和凹扁现象.除镀锌管外其它管材需预先除锈刷防腐漆(现浇混凝土内敷钢管,可不刷防腐漆,但应除锈)。
镀锌管或刷过防腐漆的钢管外表完整无剥落现象,并有产品合格证。
✧金属线槽及其附件:应采用经过镀锌处理的定型产品。
其型号规格应符合设计要求.各种镀锌铁件表面处理和镀层应均匀完整,表面光洁,无脱落、气泡等缺陷,线槽内外应光滑平整,无孔不入棱刺,不应有扭曲、翘边等变形现象,并应有产品合格证。
✧塑料线槽及其附件型号规格应符合设计要求,并选用相应的定型产品。
其敷设场所的环境温度不得低于-15℃,其阻燃性能氧指数不应低于27%。
线槽内外应光滑无棱刺,不应有扭曲、翘边等变形现象,并有产品合格证。
✧配线设备,电缆交接设备的型号规格应符合设计要求,光电缆交接设备的编排及标志名称应与设计相符。
各类标志名称统一,标志位置正确、清晰.并应有产品合格证及相关技术文件资料。
✧各种模块设备、交接箱、暗线箱型号规格、数量应符合设计要求,并应有产品合格证.施工机具煨管器、液压开孔器、套丝机、钢锯、电工组合工具、射钉枪、拉铆枪、手电钻、台钻、高凳、网络测试仪、光时域反射仪、万用表、光欧表、铅笔、皮尺、水平尺、小线、线坠、剥线器、压线工具、光纤熔接机、显微镜、切割工具、玻璃磨光盘、烘干箱等。
作业条件✧结构工程中预留地槽、过管、孔洞的位置尺寸、数量均应符合设计规定。
✧交接间、设备间、工作区土建工程已全部竣工。
房屋内装饰工程完工,地面、墙面平整、光洁,门的高度和宽度应不妨碍设备和器材的搬运,门锁和钥匙齐全。
✧设备间铺设活动地板时,板块铺设严密坚固,每平方米水平允许偏差不应大于2mm,地板支柱牢固,活动地板防静电措施的接地应符合设计和产品说明要求。
一、施工流程方案1.1、施工内容与范围1.1.1、实施标准与规范本工程主要依据下列标准及文件进行设计。
《民用建筑电气设计规范》 JGJ/T16-96《工业企业通讯接地规范》 GB579-85《智能建筑设计规范》 DBJ08-47--95《扩声系统的声学特性指标与测量方法》 WH01-93《民用建筑隔声设计规范》 GBJ118-88《厅堂扩声系统声学特性指标》 GB4959-85《厅堂扩声系统设备互联的优选电气配接值》 SJ2112《语言清晰度指数的计算方法》 GB/T15485《信息技术互连国际标准》 ISO/IEC11801-95《无屏蔽双绞线系统现场测试传输性能规范》 EIA/TIAT SB67 《视听视频和电视设备及系统音频盒式系统》 GB/T14220-931.1.2、施工内容1)负责提出与系统技术方案及各子系统具体接口方案,以及与其他工程施工的接口要求和工作要求。
2)负责系统的供货、施工安装、系统调试、人员培训、测试验收、系统试运行和售后服务工作。
3)负责系统间和相关设备之间信息的集成与控制的实施工作,确保实施系统的正常运行。
4)确保工程系统符合相关技术规范的要求,工程竣工后,通过有关部门的测试和验收。
5)协助业主单位进行现场的组织、实施和管理工作,参与工程的质量验收和评定。
6)负责提交完整的系统竣工档案和技术资料。
7)系统调试后的行业验收由本专业系统配合业主共同组织进行。
1.2、工程质量、安全、工期目标根据业主的要求,我们对本工程的实施,确定相应的质量、安全和工期目标,并设定了相应的实施方针,把各目标的贯彻落实到各相关环节,确保计划目标的实现。
1)本工程质量目标:各系统达到优质工程标准。
系统设计方案先进,设备选型优质,施工质量优良,系统功能高标准。
质量方针:精心认真设计,科学严谨施工,树立"质量为本"的观念。
2)本工程安全目标:无安全事故,达到"文明安全施工工地"要求。
5.3.2线缆类型网络线缆;紧急按钮控制电缆;电力电缆;接地电缆。
布线工艺要求线缆敷设前要核对型号、规格、路由及位置与设计规定是否相符;线缆的敷设要平直、不得产生扭绞、打圈等现象;线缆两端将帖有标签,标明编号,标签书写清晰、端正和正确。
标签选用不易损坏的材料;线缆终接后,留有余量:双绞线、电缆源、控制线预留2至5米,光纤预留长度为3至5米,有特殊要求的按设计要求预留长度。
线缆的弯曲半径符合下列要求:4对双绞线的弯曲半径至少为电缆外径的4倍;光纤的弯曲半径至少为光缆外径的15倍;电源电缆的弯曲半径至少为电缆外径的6倍;控制电缆的弯曲半径至少为电缆外径的10倍。
确定通信电缆走线方式(T568B),并认真用标准的标签纸标注清楚,线缆接头处预留1.5~2m,最后线路检测一定要仔细,确保所敷设线路良好;电源线规格符合设计要求,所有电源线接头处必须不留隐患;严格采取防火措施,绝缘到位;线槽内的配线先出线的在里侧;所有电缆、电线,其段内不得有接头、破损;交流电源线与通信控制线同槽(架)敷设时分别采取屏蔽措施;电气性能指标;5.3.6完工保护1)缆线敷设完毕后的盖板要盖好、线盒要封堵好,以避免缆线裸露外面,防止被盗或损坏;2)缆线敷设完毕,设备安装前需安排人员巡检,查看线缆有无损坏或被盗现象,如有及时进行处理;5.4设备运输及安装5.4.1设备运输1)设备运输计划因重庆轨道交通白天运营、夜间停运,站间设备迁入迁出的进度较难保持一致。
针对这个特点,项目部将集中在夜间作业,并结合工期灵活制定新TVM及旧闸机的运输和进场时间,避免影响车站的正常运营。
2)设备运输方案由业主确定旧闸机迁出车站,项目部负责对指定的闸机进行拆除并与业主办理领取手续,再将设备运到新山村站,最后采用人力搬运的方式,将设备由站厅层12-13/D轴站口搬到指定存放地点。
新TVM由项目部安排从设备供应商库房运输至新山村站,到达新山村站后,采用人力搬运的方式,将设备由站厅层12-13/D轴站口搬到指定存放地点。
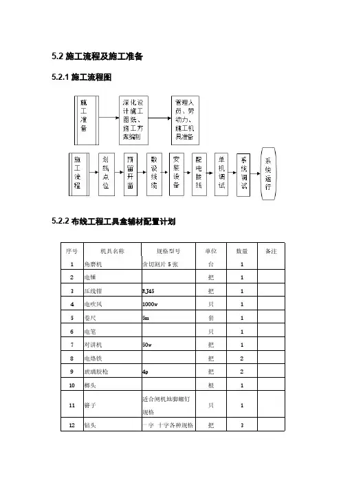
综合布线工艺流程
《综合布线工艺流程》
综合布线是指将不同类型的数据传输设备(如电脑、电话、摄像头等)通过网络连接到一起,实现信息传输和共享的工程。
而综合布线工艺流程则是指在进行综合布线时所需的具体步骤和技术要点。
下面将介绍一下综合布线的工艺流程。
首先,进行综合布线前需要对现场进行勘测和规划。
勘测包括对建筑物内部结构和环境的了解,规划则需要根据建筑物的用途和需求确定布线方案,包括布线走向、节点设置、电缆类型等。
其次,进行预埋管道和布线架设。
在建筑物还未完工时,需要提前进行预埋管道的设置和电缆布线架设,以便后续的综合布线工作。
然后,进行电缆敷设。
根据规划好的布线方案,需要进行电缆的敷设和连接工作,确保各个设备之间的信息传输畅通无阻。
接着,进行设备的连接和调试。
完成电缆的敷设后,需要对各个设备进行连接并进行调试,确保其正常工作。
最后,进行验收和维护。
一切工作完成后,需要对整个综合布线系统进行验收和维护,确保其符合规范和要求,并且能够稳定可靠地运行。
总之,综合布线工艺流程包括了勘测规划、预埋管道、电缆敷设、设备连接和调试、验收和维护等多个环节,需要经过专业人员精心设计和施工,才能确保整个综合布线系统的高效运行。
1.1综合布线系统施工方案对综合布线系统而言,体现的不仅仅是材料和设备,工程在整个系统中占重要的地位。
因为用户所购买的不仅仅是普通的或者一般的线缆接插件,而应当是整个工程。
所以选择什么产品固然很重要,但最重要的是工程本身。
系统的设计很大程度上依赖于对综合布线的理解;而布线工程的实施在一定程度上讲是一门经验科学。
本公司质量保证的承诺,不是一句空洞的保证,而是由具体保证措施为基础的。
1.1.1水平子系统的布线施工水平子系统完成由接线间到工作区信息出口线路连接的功能.采用走吊顶的轻型装配式电缆桥架的方案,这种方式适用于大型建筑物,为水平线系统提供机械保护和支持装配式槽形电缆桥架是一种闭合式的桥架,安装在吊顶内,从弱电井引向各个设有信息点的房间,再由预埋在墙内的不同规格的线管,将线路引到墙上的暗装铁盒内。
综合布线系统的布线时星形的,线缆量较大,所以线槽容量的计算很重要,按照标准的线槽设计方法,应根据水平线的外径来确定线槽的容量。
即:线槽的横截面积=水平线截面积之和*3线槽可以根据情况选用不同的规格,为保证线缆的转弯半径,线槽须配以相应规格的分支辅件,以提供线路路由的弯转自如。
如果不能确定信息出口的准确位置,拉线时可先将缆盘在吊顶项内的出线口,待具体位置确定后,再引到各信息出口。
由于铺设水平线缆之前先得铺设线管,在铺设时因当注意不能有连续的两个90度的拐角,若实际情况限制则加过线盒。
1.1.2垂直干线子系统的布线施工垂直干线子系统,是由一连串通过竖井垂直对准的接线间组成的,它的走线设计分为两部分。
1.1.2.1干线的垂直部分垂直部分的作用是提供弱电井内垂直干缆的通道。
这部分采用预留电缆井方式,在每层楼的弱电井中留出专为综合布线大对数电缆通过的长方形地面孔,电缆井的位置设在靠近支电缆的墙壁附近,但又不妨碍端接配线架的地方。
在预留电缆井一侧的墙面上,还应安装电缆爬架或线槽,爬架或线槽的横档上开一排小孔,大对数电缆用紧固绳绑在上面,用于固定和承重,如果附近有电梯等大型干扰源,则应使用封闭的金属线槽为垂直干缆提供屏蔽保护。
综合布线系统施工方法及措施1.在综合布线系统工程安装施工过程中应注意以下基本要求(1) 施工必须按照《建筑与建筑群综合布线系统工程施工及验收规范》的有关规定进行安装施工和工程验收,在实际施工过程中,如遇上述规范中没有包括的内容时,可按照《建筑与建筑群综合布线系统工程设计规范》的规定要求执行,也可以根据工程设计要求办理.(2)在施工过程中,必须重视质量,按照施工和验收规范的有关规定,加强自检、互检和随工检查等技术措施.建设方或监理人员必须按照上述规范的要求,加强工地的技术监督及工程质量检查工作,力求消灭一切因施工质量而造成的隐患.所有随工验收和竣工验收的项目内容和检验方法等均应按照《建筑与建筑群综合布线系统工程施工和验收规范》的规定办理.(3) 在综合布线系统工程安装施工时,力求做到不影响建筑结构强度,不损内部装修美观要求,不发生降低其它系统使用功能和有碍于用户通信畅通的事故.(4)综合布线系统施工前的准备。
(5)熟悉掌握和全面了解设计文件和图纸。
专业专注、诚心服务(6)现场调查工程环境的施工条件。
对于设备间和干线交接间等专用房间,必须对其环境条件和建筑工艺进行调查和检验,才能安装施工.首先这些房间的土建工程必须全部完工,墙壁和地面均平整、室内通风、干燥、光洁,门窗齐全,各方面均符合工艺要求。
房间内按设计要求预先设置的地槽、暗敷管路和孔洞的位置、数量和尺寸均正确无误,满足安装施工需要.房间内均应设置可靠的施工电源。
(7)设备、器材、仪表和工具的检验。
(8)综合布线系统工程中所需的设备、器材、仪表和工具较多,在安装施工前必须认真检验、核对和测试,做好一切准备工作。
具体内容如下:1)配线接续设备的检验:工程中使用的配线架或交接设备等其型号、规格、数量以及接续方式,均应符合设计的规定要求。
光、电缆交接设备的编号及标志名称应与设计相符,标志名称应统一,其位置应准确、清晰.配线设备有箱体时,要求箱体外壳应是密封防尘和防潮,箱体表面完好,箱门开启关闭灵活。
第1篇一、施工准备阶段1. 现场勘查:对施工场地进行详细的勘查,了解建筑结构、空间布局、设备分布等情况,为后续施工提供依据。
2. 设计审查:审查综合布线设计方案,确保其符合国家相关标准和规范,满足实际需求。
3. 材料设备准备:根据设计要求,准备所需的布线材料、设备、工具等,如双绞线、光纤、配线架、连接器、插座、适配器、测试仪等。
4. 人员组织:组建施工队伍,明确各工种人员职责,确保施工顺利进行。
二、施工阶段1. 工作区布线:按照设计要求,进行工作区布线,包括信息点安装、线缆敷设、线槽、桥架安装等。
2. 配线子系统布线:敷设水平线缆,连接楼层配线架和楼层设备,确保线缆长度、质量符合要求。
3. 干线子系统布线:敷设垂直线缆,连接楼层配线架和设备间,确保线缆长度、质量符合要求。
4. 建筑群子系统布线:根据实际需求,敷设建筑群内部及与外部网络的连接线缆,确保线缆质量、长度符合要求。
5. 设备间布线:安装设备间内的配线架、机柜、电源等设备,敷设相关线缆,确保设备间布线合理、安全。
6. 线缆测试:对敷设完成的线缆进行测试,确保其性能符合设计要求。
7. 系统调试:对综合布线系统进行调试,确保各设备、线缆正常运行。
三、施工验收阶段1. 施工验收:按照国家相关标准和规范,对施工质量进行验收,包括材料、设备、施工工艺等方面。
2. 系统测试:对综合布线系统进行测试,确保其性能、稳定性符合设计要求。
3. 文档编制:整理施工过程中产生的各类文档,包括设计文件、施工记录、测试报告等。
4. 系统交付:将综合布线系统交付给用户,并提供必要的培训和售后服务。
四、后期维护阶段1. 定期检查:对综合布线系统进行定期检查,确保其正常运行。
2. 故障处理:发现故障时,及时进行修复,确保系统稳定运行。
3. 更新升级:根据用户需求,对系统进行升级和扩展,提高系统性能。
总之,综合布线工程施工是一项复杂的系统工程,需要严格按照规范、标准进行操作。
综合布线及综合管桥系统主要施工方案、施工方法随着城市化进程的加快,综合布线及综合管桥系统在城市建设中的地位越来越重要。
综合布线系统是指在一定的区域内,采用统一的传输介质,将各种信息传输线路进行科学的规划、设计和施工,实现信息传输的快速、准确、安全。
综合管桥系统则是将各种管线集中敷设于桥梁下方或桥侧,以减少对城市道路的占用,提高城市空间的利用率。
本文将针对综合布线及综合管桥系统的施工方案和施工方法进行详细介绍。
一、综合布线系统施工方案1. 施工准备在综合布线系统施工前,需要做好充分的准备工作。
主要包括:了解工程概况,熟悉设计图纸,确定施工方案;准备施工所需材料、工具和设备;对施工人员进行技术培训和安全教育。
2. 施工方案综合布线系统的施工方案主要包括:(1)电缆桥架安装:根据设计图纸,确定电缆桥架的型号、规格和走向,进行桥架安装。
桥架安装应牢固可靠,接头处应进行密封处理,防止电缆受到腐蚀。
(2)电缆敷设:按照设计要求,将电缆敷设在电缆桥架内。
电缆敷设应遵循一定的顺序,避免交叉和乱线现象。
同时,要确保电缆具有一定的预留长度,以便后期维护和升级。
(3)终端设备安装:根据设计要求,安装终端设备,如计算机、交换机等。
终端设备安装应符合相关规范,确保设备正常运行。
(4)接地系统施工:按照设计要求,进行接地系统的施工。
接地系统应符合相关规范,确保人身安全和设备稳定运行。
二、综合管桥系统施工方案1. 施工准备综合管桥系统施工前,需做好以下准备工作:(1)了解工程概况,熟悉设计图纸,确定施工方案;(2)准备施工所需材料、工具和设备;(3)对施工人员进行技术培训和安全教育。
2. 施工方案综合管桥系统的施工方案主要包括:(1)桥梁主体施工:根据设计图纸,进行桥梁主体的施工。
桥梁主体施工应严格按照相关规范进行,确保桥梁的稳定性和安全性。
(2)管线预埋:在桥梁主体施工过程中,进行管线的预埋。
管线预埋应按照设计要求进行,确保管线位置准确、固定牢固。
综合布线系统施工组织方案一、施工组织原则1.合理布局:根据建筑结构和综合布线系统设计要求,合理安排综合布线系统的布局,确保布线系统的通信信号传输质量和稳定性。
2.安全施工:施工过程中要注重安全施工,对施工现场进行合理的管控和保护,确保施工人员和设备的安全,预防事故的发生。
3.规范操作:施工人员要按照相关的施工规范和操作规程进行施工,确保施工质量符合要求。
4.分工协作:根据施工任务和施工量的大小,合理划分施工人员的工作任务,确保施工的高效进行。
二、施工组织流程1.确定施工计划:根据项目的要求,确定施工计划,包括施工的时间节点、任务分工和工期安排等。
2.现场踏勘:在施工前,要对施工现场进行踏勘,了解现场的实际情况,包括建筑结构、供电情况、空调通风等因素。
3.布线系统设计:根据踏勘结果和综合布线系统设计要求,对综合布线系统进行设计,包括路径规划、设备选型和电缆敷设等。
4.材料准备:根据设计要求,准备所需的施工材料,包括电缆、接头、槽道等。
5.布线系统敷设:按照设计要求和施工计划,对综合布线系统进行敷设,包括电缆的敷设、接头的连接和槽道的安装等。
6.系统调试:在综合布线系统敷设完成后,进行系统调试,包括通信信号的测试和设备的安装验证等。
7.施工验收:在系统调试完成后,进行综合布线系统的验收,包括设备的运行状态、信号质量和安全性等。
三、施工组织要点1.布线系统设计计划的编制:根据综合布线系统的设计要求,编制详细的施工计划,包括工期、任务分配和施工顺序等。
2.施工现场管理:对施工现场进行合理的管控和保护,确保施工人员和设备的安全。
设置施工现场警示标志,定期进行安全检查和整改。
3.施工质量控制:监督施工人员按照相关的施工规范和操作规程进行施工,严格把控施工质量,确保综合布线系统的工程质量符合要求。
4.施工人员培训:对参与综合布线系统施工的人员进行培训,提高其对综合布线系统施工工艺和操作技术的理解和掌握能力。
5.监理和验收:在施工过程中,安排专业监理人员对施工进行监督和指导,确保施工质量和进度符合要求。
综合布线系统安装施工工艺1、综合布线系统安装操作工艺1)综合布线系统安装工艺流程2)器材检验:(1)施工前应对所用器材进行外观检验,检查其型号现格、数量、标志、标签、产品合格证、产品技术文件资料,有关器材的电气性能、机械性能、使用功能及有关特殊要求,应符合设计规定。
(2)电缆电气性能抽样测试,应符合产品出厂检验要求及相关规范规定。
(3)光纤特性测试应符合产品出厂检验要求及相关规范规定。
注:有关器材检验具体要求,请参见《建筑与建筑群综合布线系统工程施工及验收规范》相关部分。
2、设备安装1) 机架安装要求:(1)机架安装完毕后,水平、垂直度应符合厂家规定。
如无厂家规定时,垂直度偏差不应大于3mm。
(2)机架上的各种零件不得脱落或碰坏。
漆面如有脱落应予以补漆,各种标志完整清晰。
(3)机架的安装应牢固、应按设计图的防震要求进行加固。
(4)安装机架面板、架前应留有15m空间、机架背面离墙距离应大于08m,以便于散热和气流交换。
(5)壁挂式机框底距地面为800mm。
2)配线设备机架安装要求:(1)采用下走线方式、架底位置应与电缆上线孔相对应。
(2)各直列垂直倾斜误差不应大于3mm,底座水平误差每平方米不应大于2mm。
(3)接线端子各种标志应齐全。
3)各类接线模块安装要求:(1)模块设备应完整无损,安装就位、标志齐全。
(2)安装螺丝应拧牢固,面板应保持在一个水平面上。
4)接地要求:安装机架,配线设备及金属钢管、槽道、接地体,保护接地导线截面、颜色应符合设计要求,并保持良好的电气连接,压接处牢固可靠。
3、缆线敷设1)缆线敷设一般应符合下列要求:(1)缆线布放前应核对型号规格、程式、路由及位置与设计规定相符。
(2)缆线的布放应平直、不得产生扭绞,打圈等现象,不应受到外力的挤压和损伤。
(3)缆线在布放前两端应贴有标签,以表明起始和终端位置,标签书写应清晰,端正和正确。
(4)电源线、信号电缆、对绞电缆、光缆及建筑物内其他弱电系统的缆线应分离布放。
综合布线施工方案doc.完整版范本一:综合布线施工方案1、引言本综合布线施工方案旨在为企业或机构提供全面、可靠的网络通信解决方案。
通过对整体布线系统的规划、设计、施工和测试,确保网络的高效运行和稳定性。
2、项目背景(详细介绍项目背景,包括所需布线范围、线缆分类、设备需求,以及安全、稳定性等方面的要求)3、布线系统设计3.1 建筑物布线结构设计(包括建筑物结构分析、布线走线、线缆通路设计等)3.2 设备需求与选择(列出所需设备清单,并详细说明选择原则和标准)4、布线施工方案4.1 布线材料采购与验收(包括采购流程、材料质量要求和验收标准)4.2 布线图纸制作与审核(详细说明布线图纸制作流程,以及审核的重要性)4.3 布线施工组织与管理(具体规划施工人员数量、施工流程、施工条件等)4.4 布线设备安装与连接(列出设备安装步骤,以及连接标准)4.5 布线测试与调试(详细说明布线测试的步骤和仪器的使用)5、安全与风险控制(列出可能出现的风险,并提出相应的风险控制措施)6、质量保证与验收标准(列出质量保证的措施和验收标准)7、附件(列出本文档所涉及的附件,并进行详细说明)8、法律名词及注释(对本文档所涉及的法律名词进行解释说明)范本二:综合布线施工方案1、背景本综合布线施工方案旨在为企事业单位提供高效稳定的网络通信解决方案,通过专业的规划、设计、施工和测试,确保布线系统的质量和可靠性。
2、项目概述(详细介绍项目概述,包括布线范围、线缆类型、布线需求和网络设备要求)3、布线设计3.1 建筑物布线结构设计(包括建筑物结构分析、线缆走向规划和线缆通道设计)3.2 设备选型与配置(所需设备清单,并说明选型与配置原则)4、施工方案4.1 物料采购与验收(介绍物料采购的流程和验收标准)4.2 布线图纸制作与审核(详细说明布线图纸的制作和审核要求)4.3 施工组织与管理(规划施工人员数量、施工步骤、施工条件等)4.4 设备安装与连接(列出设备安装的步骤和连接标准)4.5 施工测试与调试(详细说明施工测试的步骤和设备的使用)5、安全与风险控制(可能存在的安全问题和风险,并提供相应的控制措施)6、质量保证与验收标准(质量保证措施和验收标准)7、附件(本文档涉及的附件,并进行详细说明)8、法律名词及注释(对本文档涉及的法律名词进行解释)。
第1篇一、项目概述1. 项目背景随着信息技术的飞速发展,综合布线系统在现代建筑中扮演着至关重要的角色。
本项目旨在为某建筑提供高效、稳定、可靠的综合布线系统,以满足其通信、数据传输、监控等多功能需求。
2. 项目目标(1)实现建筑物内通信线路的统一规划和设计;(2)满足各类通信设备的接入需求;(3)确保系统稳定运行,降低维护成本。
3. 项目范围本项目涵盖建筑物内所有通信线路的敷设、连接、测试及验收工作。
二、施工准备1. 施工人员组织一支具备丰富经验的专业施工队伍,包括项目经理、技术员、施工员等。
2. 施工材料(1)缆线:包括UTP对绞电缆、光缆等;(2)连接器、插座、适配器等;(3)桥架、线槽、线管等;(4)测试仪器等。
3. 施工设备(1)敷设工具:电缆卷筒、牵引机、剪刀等;(2)连接工具:剥线钳、压线钳、打线钳等;(3)测试设备:网络测试仪、光纤测试仪等。
三、施工流程1. 工程测量(1)对建筑物进行测量,确定布线位置;(2)绘制施工图,标注线路走向、设备位置等。
2. 线路敷设(1)根据施工图,敷设缆线,确保缆线平直、无扭曲;(2)在敷设过程中,注意缆线与其他线路的隔离,保持最小净距离;(3)在缆线两端贴上标签,注明起始和终端位置。
3. 线路连接(1)按照设计要求,连接缆线与设备;(2)确保连接牢固、可靠;(3)测试连接质量,确保无误。
4. 系统测试(1)使用测试仪器对系统进行测试,包括线路通断、传输速率、信号质量等;(2)根据测试结果,对系统进行调整和优化。
5. 工程验收(1)组织验收小组,对施工质量进行验收;(2)验收合格后,进行系统交付使用。
四、施工要求1. 施工人员应严格按照施工图纸和规范要求进行施工;2. 施工过程中,注意安全防护,防止发生安全事故;3. 施工材料应选用合格产品,确保工程质量;4. 施工过程中,及时进行质量检查和验收,发现问题及时整改。
五、总结本综合布线工程施工方案旨在为用户提供一个高效、稳定、可靠的综合布线系统。
综合布线工程施工方案一、项目概况综合布线工程是指在建筑物内部、外部、机房内、机房外等不同场所通过化纤导线、光纤、合成肆电缆、配线线槽等布线设备,将信息传输设备互相连接,从而达到信息共享的目的。
本次施工项目为某大型商业办公楼多功能综合布线工程施工。
二、施工准备工作1. 初步方案设计:根据建筑结构和业主需求,进行初步布线方案设计。
2. 施工图制作:由专业设计人员制作综合布线工程详细施工图。
3. 采购材料:根据施工图确定所需材料清单,进行采购。
4. 施工人员培训:组织施工人员进行相关培训,熟悉施工流程和安全注意事项。
5. 确定施工时间:制定施工计划,确保施工进度和质量。
6. 安全防护:在施工现场设置安全防护标识,保障施工人员和设备的安全。
三、布线设备安装1. 网线布设:根据施工图指引,进行网线的布设,连接网络设备。
2. 光纤布设:根据设计要求,进行光纤的布设和连接。
3. 配线线槽安装:安装配线线槽,将布设好的网线、光纤等线缆进行整理和连接。
4. 机房设备安装:根据设计要求,安装机房内的布线设备和网络设备。
5. 连接测试:对布设好的线缆和设备进行连接测试,确保连接正常。
四、质量验收1. 线缆接头检查:检查线缆的接头是否牢固,没有松动现象。
2. 设备连接检查:检查设备之间的连接是否正确,无误差。
3. 信号测试:对布设好的线缆和设备进行信号测试,确保信号传输正常。
4. 安全检查:对施工现场进行安全检查,确保施工符合安全规范。
五、施工总结本次综合布线工程施工过程中,按照设计要求和施工计划,组织施工人员进行施工,经过严格质量验收,最终完成了项目的施工任务。
在未来使用过程中,业主可根据需求进行调整和升级,以满足不同的信息传输需求。
六、安全防护措施1. 施工现场必须设置警示标志,明确标识工作区域和危险区域。
2. 施工人员必须佩戴安全帽、安全鞋、手套等个人防护用品。
3. 施工设备必须符合安全标准,定期检查和维护设备。
综合布线施工规范标准一、管道材料选择和施工要求1、水平子系统水平子系统的走线管道由两部分构成:一部分是每层楼内放置水平传输介质的总线槽,另一部分是将传输介质引向各房间信息接口的分线管或线槽。
从总线槽到分线槽或线管需要有过渡连接。
总线槽要求宽度与高度的比例为3:1,在线槽中放置的双绞线应不超过三层。
在线槽中放置的双绞线密度过大会影响底层双绞线的传输性能。
水平线槽一般有多处转弯,在转弯处应留有足够大的空间以保证双绞线有充分的弯曲半径。
根据EIA/TIA569标准,超五类4对非屏蔽双绞线的弯曲半径应不小于线径的8倍。
最新的标准认为,弯曲半径大于线径的4倍已可以满足传输要求了。
但有一点是重要的,即保持足够大的弯曲半径可以保证系统的传输性能。
在水平线槽的转弯处,应有垫衬以减小拉线时的摩擦力。
水平子系统线槽或线管应采用镀锌铁槽或铁管。
双绞线和光纤对安装有不同的要求,双绞线垂直放置于竖井之内,由于自身的重量牵拉,日久之后会使双绞线的绞合发生一定程度的改变,这种改变对传输语音的三类线来说影响不是太大,但对需要传输高速数据的超五类线,这个问题是不能被忽略的,因此设计垂直竖井内的线槽时应仔细考虑双绞线的固定。
双绞线的固定时的力的大小是应该受到重视的一种技巧,如果扎线太紧可能会降低NEXT值,从而影响线缆的传输性能。
2、缆线的敷设和保护方式检验1)缆线般应按下列要求敷设:缆线的型式、规格应与设计规定相符。
缆线的布放应自然平直,不得产生扭绞、打圈接头等现象,不应受外力的挤压和损伤。
缆线两端应贴有标签,应标明编号,标签书写应清晰,端正和正确。
标签应选用不易损坏的材料。
缆线终接后,应有余量。
交接间、设备间对绞电缆预留长度宜为0.5~1.0m,工作区为10~30mm;光缆布放宜盘留,预留长度宜为3~5m,有特殊要求的应按设计要求预留长度。
2)缆线的弯曲半径应符合下列规定:(1)非屏蔽4对对绞线电缆的弯曲半径应至少为电缆外径的4倍;(2)屏蔽4对对绞线电缆的弯曲半径应至少为电缆外径的6~10倍;(3)主干对绞电缆的弯曲半径应至少为电缆外径的10倍;(4)光缆的弯曲半径应至少为光缆外径的15倍。
综合布线施工规范与工艺综合布线是建筑物或办公场所内的通信网络建设的重要环节。
一个合理规范的综合布线施工可以确保通信设备的正常运行和网络的高效传输,进而提升企业的工作效率和竞争力。
本文将就综合布线的施工规范和工艺进行详细讨论。
一、规划与设计综合布线施工前的规划与设计非常关键。
在规划与设计阶段,需要考虑以下几个因素:1. 网络需求分析:根据建筑物或办公场所的使用需求,确定网络带宽和接入点数,以及各个工作区的布线需求。
2. 网络拓扑结构:根据网络需求分析结果,设计合适的拓扑结构,包括主干线、水平布线和水平配线的位置和走向。
3. 材料选择:根据规划与设计结果,确定合适的综合布线材料,包括网络电缆、衔接模块、插座等。
4. 安全考虑:考虑网络的安全性和防火防雷要求,选择符合标准的材料和设备。
二、预埋管道和接地系统在综合布线施工中,预埋管道和接地系统的设置十分重要。
1. 预埋管道:预埋管道的设置可以避免后期对墙体和地板的破坏,也便于后续维护和改造。
预埋管道的材质应坚固耐用,并符合相关的标准和法规。
2. 接地系统:接地系统的设置可以确保通信设备正常运行,同时保护人员安全。
接地系统应符合电气安装和综合布线标准,接地电阻应满足要求。
三、布线安装综合布线施工的核心是布线安装,包括主干线和水平布线的铺设和接口间的连接。
1. 主干线布线:主干线是综合布线系统的核心部分,连接机房的设备和水平布线的接入点。
主干线应尽可能短,采用屏蔽电缆,并按照标准和规范进行铺设和连接。
2. 水平布线布设:水平布线是将主干线连接到各个工作区的过程。
水平布线应避免过长,使用无损线路,并按照规范规定的匹配长度安装衔接模块。
3. 接口连接:在综合布线系统中,各个设备之间和设备与水平布线之间的接口连接十分重要。
接口连接应使用合适的插座和插头,并进行正确的接线和测试。
四、标识和标准化管理为了方便维护和管理,综合布线施工应进行标识和标准化管理。
1. 线缆标识:每根线缆都应标明唯一的标识码,包括线缆型号、长度和用途等信息。
综合布线系统(PDS)1.施工工艺流程2.综合布线系统施工工艺及措施1)电缆作弯A.电缆作弯的方法:◆用两手握住电缆侧面,从电缆的起弯点开始,缓缓地顺次将电缆弯作好。
一般先弯小一些,然后将电缆的两端直线部分向外反弯一下,以防电缆在绑好后变形。
◆成堆电缆作弯,应采用电缆枕头(木模),这样既保证质量,也便于施工。
◆电缆弯好后,可用废芯线将电缆临时绑好;但不可用裸铜线捆绑,以免勒伤电缆外皮。
◆作弯时,应尽可能一次弯作好。
要避免一再修改而致使电缆芯线绝缘受损,而且一再修改民更不易达到作弯的要求。
◆作弯时,应多次从上下左右前后各个侧面观察作弯质量,及时纠正不当之处。
尤其在绑最初几根电缆时,因电缆较少,容易变形,更应注意。
B.机架电缆作弯的作法:◆机架电缆下线,最好在一处下线。
电缆较多时,可考虑两处下线。
◆已绑好的电缆,需将线把与作成端的端子板对齐,用废芯线将电缆捆在电缆支铁上。
◆先弯好最里面的一条电缆(即离机架最近的一条电缆),并把它绑在列走道横铁上,再依次作弯其他电缆。
机架电缆下弯的弧度应一致,作弯时可利用作弯模板比量。
C.大走道上下电缆弯的作法:◆电缆在直走道上绑至距作弯的1~2根横铁时,须先将电缆弯作好后再继续绑下去,不应将电缆绑到起弯点时才开始作弯。
◆先按规定位置作好第一条电缆弯,并以此为准作其他各条电缆弯。
◆靠近电缆弯的1~2根横铁,应绑得稍紧一些。
在每层转变处不宜压得过紧,以免电缆弯将被压拓下来,致使电缆弯不成型。
D.捆绑电缆注意事项:◆捆绑电缆前应检查核对每根电缆的起始部位、路由和站电缆截面图的位置是否符合设计,而且设计预留的空位不得遗漏。
◆捆绑电缆可根据不同情况采用单根捆绑法或成组捆绑法。
◆电缆一般应在一组放完后一次捆绑;电缆条数较多时,可分几次捆绑,每次不超过20~25条,布放好一部份即可捆绑一部份。
如电缆堆需凑齐一组方能捆绑时,应将电缆用临时扎线捆扎成形。
E.捆绑电缆:◆捆绑电缆前,一般先从配线架一端开始整理,将电缆位置对准,危重在支铁上作临时捆绑,经检查两端留长都能满足成端需要后,即可正式捆绑。
正式捆绑可从一端开始向另一端顺序进行;如果电缆两头不编线时,也可从中间向两端捆绑,但不得从两端向中间捆绑。
F.电缆整理:◆捆绑电缆时,应随绑随整理。
◆电缆堆部分不平直时,可垫以木块,并用橡皮锤子轻轻敲打矫正。
◆每组电缆放绑完毕后,即可将辅助支铁和临时捆扎线去掉。
◆作大走道电缆弯用的辅助支铁,应在绑好一道悬空捆绑后方可取下。
用钩针和穿针调整不规则的线扣,使其合乎要求。
◆捆绑电缆后,其长出的麻线应先打死结,然后压在电缆堆里面。
2)插接架间电缆及布线A.一般规定:◆插接架间电缆必须依据设计文件进行,电缆的走向及路由应符合厂家的有关规定。
◆架间电缆及布线两端必须有明显的标志,不得错接、漏接。
◆插接部位应当紧密牢靠,接触良好。
插接端子不得折断或弯曲。
◆架间电缆及布线插接完毕后应进行整理,使外观平直整齐。
B.分线、穿线:◆电缆剖头处应平齐,不得损伤芯线的绝缘。
◆分线应按色谱顺序,不得将每组芯线的互绞打开,防止出现鸳鸯线对。
剪线尺寸应根据设备的实际情况决定,长度应一致。
◆当端子板(或接续模块)呈竖向安装时,面向端子板,左面为电缆面,右面为跳线面。
横向安装时,下面为电缆面,上面为跳线面。
◆按照电缆色谱和每孔芯线数进行穿线,穿线过程中要注意保留标签。
预备线对穿过穿线板的最后一孔,折入穿线板内。
C.绕接电缆芯线:◆绕接电缆芯线必须使用绕线枪,不得以手钳代替。
刮4线时留长要准确,用力要得当,不要刮伤芯线。
每根芯线在端子上绕接的圈数应为:线径为0.4~0.5mm时是6~8圈0.6~14.0mm时4~6圈。
绕接应紧密,但不应叠绕。
绕接芯线应从根部开始,不接触端子的芯线部分不宜露铜,芯线不得有明显的损伤。
D.卡接芯线:卡接芯线时必须使用厂商提供的专用工具。
芯线宜成组嵌入卡接模块的线槽中,在确认色谱正确、留长适当后,一次性地将一组芯线逐根卡接入槽。
所用的电缆两端连接完成后,应当进行一次对线。
发现错线、鸳鸯线、断线等时,要及时查找原因,予以排除。
3)安装配线架A.质量要求:◆配线架的位置符合设计规定,误差应小于10mm。
◆用吊锤检查直列的垂直,上下相差应小于3mm。
◆用24in水平尺测量底座水平,误差不超过水平尺准线。
◆走道边铁、滑梯槽钢、直列面保安器和横面试线模快接线排等在安装完成后应成一条直线,看不出歪斜或起伏不平。
◆铁架应接地良好。
◆加固吊架和滑梯应牢固可靠。
滑梯滑行自如,制动装置可靠。
◆报警装置完整、可靠。
B.准备工作:◆核对各项配件的规格、数量,并检查各项配件是否完整。
◆预装配总配线架的列片,可照图纸将每个列片的立柱、横挡用螺丝加以固定,暂不拧紧螺丝。
横挡和立柱应当相互垂直,校准时应用角尺将首尾两根横挡的垂直校好,拧紧螺丝,然后再拧紧其余各列的螺丝。
不必将每根横挡都用角尺校准。
C.立架:◆用水平尺检查地面平。
用10m钢卷尺测量成端电缆孔距墙的尺寸及孔之间的距离,并与施工图纸上所标注的尺寸进行核对,按实际情况修正图纸。
◆将总配线架底座铁件搬至成端电缆孔处进行定位装配,先定位装配(预固定)好总配线架的首尾两组底座,使底座铁件、成端电缆孔和墙面三者之间的关系符合设计图纸的要求。
◆在已装好的首尾底座之间拉一条麻线,以麻线为准,定位装配中间的各组底座,每组底座接头处应有1mm的空隙。
再校核成端电缆孔的位置,如孔洞位置不正确时,应以大多数成端电缆孔洞为准,必要时修正少数孔洞的位置。
◆如地面系木质地板,划线定位后可用手摇钻打孔,用木螺丝固定底座。
如系水泥地面,则应用膨胀螺丝加固。
◆用水平尺检查底座的水平,不平时可用铁垫片加以校正,校正完毕后将螺丝拧紧。
D.竖立已装配好的列片:◆两人先将列片抬至底座附近竖立起来,地上垫以布或厚纸,以免损坏地板。
◆将列片抬至底座上,由一人扶住列片,另一人穿入列片与底座的加固螺丝,暂不拧紧螺母。
◆由一人将已立好的第一列片扶住,另两人按以上方法立第五或第六列片,并将顶上的连固角钢装配上。
E.补装其余列片:◆立好一座配线架以后,先装上两根连固扁钢和固定这两根扁钢的跳线环,然后用吊锤校正立柱的垂直,校正完毕后将全部螺丝拧紧。
◆用上述方法装好其余各座配线架,然后再装连固铁和跳线环,并全面校正其垂直和水平,跳线环要求成一直线,最后做好加固装置。
F.装槽钢加固:◆列架的垂直和水平矫正好以后,即可装上槽钢,作为加固装置。
◆槽钢与墙面的连接方法应当是:先将加固角钢(其长度应与槽钢短边的宽度相等)用膨胀螺丝与墙面固定,然后槽钢与加固角钢用螺栓连固;注意槽钢的顶端与墙面要留2mm间隙。
◆为了不影响电缆走道与滑梯的支持,各槽钢应在同一水平面上,并成一直线。
G.安装架上走道和附属设备:◆架上走道分直列走道和横列走道,它们之间的分界是:从上横角钢起到直列面的成端电缆孔方向的200mm为止的空间。
这一段空间用于电缆下线。
◆架上走道的高度宜比加固槽钢高出200mm,以便电缆下线。
从机房电缆孔下来的用户电缆走道要上走道交叉时,用户电缆走道宜比架上走道高200~250mm,以避免电缆交叉时的阻塞。
◆总配线架上电缆走道如延伸至现装的总配线架以外,可暂用吊挂固定,待今后扩装总配线架时,再换用电缆走道支铁支持。
◆电缆走道边铁在拟扩充的一端应超出横铁80mm,并预留接头孔洞,以便电缆走道延伸。
◆安装试线模块时,宜配合安装穿线板,以便施工和维护。
◆总配线架的接地必须可靠,安装接地接头时,其接触面应平整,安装接地铜条时,应对铁件表面处理;以保证整个列架接地良好。
◆安装滑动扶梯时,注意滑梯轨道槽钢连接处要平正,以使导轮能平滑通过;各阶梯踏步的平面应保持水平,手刹动作要可靠。
等总配线架的安装工作接近完成时,即可安装指示板、信号灯、测试塞孔等部件。
测试塞孔应安装牢固,其安装位置应符合设计要求。
4)线路测试4.1双绞线在安装的最后阶段应实施以下步骤:确认电缆安装正确确认所有元部件(电缆和终端连接部件)在运输或安装中没有受损检验电缆安装是否正确见ISO11801、EN50173或TSB67标准。
4.2外观检查根据ISO标准2859,对插头和配线连接点进行抽样检验:检查电缆包线的外层套管在工作站和配线架一侧,电缆必须保持绞合状态直至与插座连接检查插座与配线颜色编码的一致性确认电缆在插座、固定夹具和电缆走道中没有被挤压确认已遵守数据电缆的距离规定和电力电缆的规定4.3电缆检测为检测安装,需使用WireScope 155多功能测试仪。
它带两根两头适合RJ45插座的电缆。
如果是在使用110型连接模块的配线架上连接,最好一头连接带RJ45插头的4对线,另一头连接110P型跳接连线。
为使155型多功能测试仪能连续工作,每次测试工作完毕后应给电池充电。
一份标准的测试报告汇集所有根据ISO11801标准中连接性能所作测试的数据。
4.4检验步骤完成这样的检验需要两名配备通讯系统(电话或对讲机)操作人员。
需测试的插座应事先列表。
◆第一步先用供检测的电缆将发射器与测试仪连接来校准仪器。
在每次测试之前实施这一步骤是必须的。
◆一名操作人员持测试仪在配线架处,测试仪通过电缆连接配线盘,另一名操作人员持发射器沿安装接点用另一根电缆连接。
◆插座一个一个测试。
整个安装都必须测试以确保安装正确。
◆主干缆和设备电缆的检测也在各点间进行。
◆多功能测试仪是一种电缆测试仪,可检测双绞线电缆的带宽和精度。
这种多功能测试仪自动核对双绞线的所有组合,不仅决定你的安装性能,还决定你在使用什么样的地域网络。
它可以储存、打印数据,或将数据传输至个人电脑上。
多功能测试仪使用方便,配有标准电缆、地域网络和水平特性的预设程序。
其中的数据使多功能测试仪可以判断安装水平和可以支持的网络。
◆电缆数据库电缆数据库包括目前所有的双绞线电缆和同轴电缆规格。
你只需在数据库中加上你自己的电缆规格。
◆网络数据库多功能测试仪包含目前所有网络的规格。
使用EDIT(编辑)功能你就可以在屏幕上显示这些规格,你也可以定义你自己的网络类型并将其放入数据库。
多功能测试仪被设计成可以进行两种测试:多功能测试仪和两种遥控装置一起工作:一个遥控定位器或一个回路盒。
作故障测试。
遥控定位器除实施回路盒的所有功能外,还作为信号源测量一个方向的衰减,即可作性能测试。
回路盒使用简便,因为它不需电池和采样。
不管怎样,遥控定位器提供更精确的衰减结果和额外串音。
多功能测试仪自动辨别和运行遥控定位器和回路盒。
你所需做的只是将这类设备与电缆的一头连接。
回路盒可以接上一根三位数识别码使其可以识别同一处的多根电缆长度。
识别码可以通过回路盒顶上的三个旋钮设定。
多功能测试仪在每次测试开始时读出并显示出识别数值,唯一的条件就是要测试的电缆必须至少有两对连接正确。