A2O工艺设计计算(含所有处理构筑物)
- 格式:xls
- 大小:348.50 KB
- 文档页数:10
TN TN 。
-TN eTN。
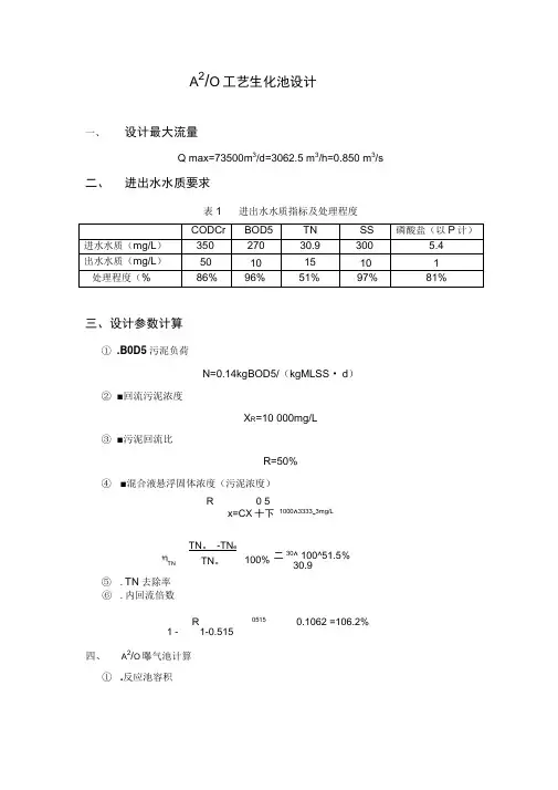
100%二30^ 100^51.5%30.9A2/O工艺生化池设计一、设计最大流量Q max=73500m3/d=3062.5 m3/h=0.850 m3/s二、进出水水质要求表1 进出水水质指标及处理程度CODCr BOD5 TN SS 磷酸盐(以P计)进水水质(mg/L)350 270 30.9 300 5.4出水水质(mg/L)50 10 15 10 1处理程度(% 86% 96% 51% 97% 81%三、设计参数计算①.B0D5污泥负荷N=0.14kgBOD5/(kgMLSS • d)②■回流污泥浓度X R=10 000mg/L③■污泥回流比R=50%④■混合液悬浮固体浓度(污泥浓度)R 0 5x=CX十下1000^3333-3mg/L⑤.TN去除率⑥.内回流倍数R 05150.1062 =106.2%1 - 1-0.515四、A2/O曝气池计算①.反应池容积Q *S0 NX 735002700.14=42525.4m3: 42526m3②.反应水力总停留时间V 42526t 0.58d =13.92h 14hQ 73500③.各段水力停留时间和容积厌氧:缺氧:好氧=1: 1: 4厌氧池停留时间t = 1 14 二2.33h,池容V = 1 42526 二7087.7m3;6 61 1缺氧池停留时间t 14二2.33h,池容V 42526二7087.7m3;6 6好氧池停留时间t 14 = 9.34h,池容V 42526二28350.6m36 6④.校核氮磷负荷好氧段TN负荷为:册=爵器=0.024kgTN/kgMLSS d厌氧段TP负荷为:牛乎=錚為=0'017kgTN/k9MLSS d①剩余污泥量:.X ,(kg/d)X =FX P s式中:P X-Y Q S o - S e - K d V X vF S =(TSS-TSS e) Q 50%取污泥增值系数丫=0.5,污泥自身氧化率K d =0.05,代入公式得:P X=0.5 73500 0.3 -0.01 - 0.05 0.42526 3.3 0.75=5395kg/dP s N0.3 -0.1 73500 50% =10657.5kg/d则:X 二P x R =5395 10657.5 = 16052.5kg/d4A =4 0.425=0.74mQ sW (1-P) 100%10=2湿污泥量:设污泥含水率P=99.2%则剩余污泥量为:2006.6kg/d = 83.6m 3/h (1 -0.992) 1000 ⑤ .反应池主要尺寸反应池总容积:V=42526 m 3设反应池2组,单组池容积:V 单=^21263m 32有效水深5m ,则:S 单=V 单/5=4252.6m 2取超高为1.0m,则反应池总高H =5.0 • 1.0 = 6.0m 生化池廊道设置:设厌氧池1廊道,缺氧池1廊道,好氧池4廊道,共6条廊道。
一、工艺流程二、主要设计参数三、设计计算A2/O工艺计算项目设计流量(m3/d)COD (mg/l)BOD5 S0(mg/l)TSS(mg/l)VSS(mg/l)进水40000320160150105出水602020(活性污泥法)(1)判断是否可采用A2O法(用污泥负荷法)COD/TN=9.142857143>8TP/BOD5=0.025<0.06符合要求(2) 有关设计参数0.132、回流污泥浓度X R=66003、污泥回流比R=1004、混合液悬浮固体浓度X=RX R/(1+R)33005、混合液回流比R内TN去除率ηtx=(TN0-TN e)/TN0×100%=57混合液回流比R内=ηTN/(1-ηTN)×100%=133取R内=200(3)反应池容积V,m3V=QS0/NX=14918.41m3反应池总水力停留时间:t=V/Q=0.37(d)=8.88(h)各段水力停留时间和容积:厌氧:缺氧:好氧=1:1:3厌氧池水力停留时间t厌= 1.78(h)池容V厌=2983.7(m3)缺氧池水力停留时间t缺= 1.78(h)池容V缺=2983.7(m3)好氧池水力停留时间t好= 5.33(h)池容V好=8951(m3)(4)校核氮磷负荷,kgTN/(kgMLSS·d)好氧段总氮负荷=Q·TN0/(XV好)=0.0473961[kgTN/(kgMLSS·d)]厌氧段总磷负荷=Q·T P0/(XV厌)=0.0162499[kgTP/(kgMLSS·d)] (5)剩余污泥量△X,kg/d△X=P x+P sP x=YQ(S0-S e)-k d VX R1、BOD5污泥负荷N=Ps=(TSS-TSS c)*50%取污泥增殖系数Y=0.6污泥自氧化率k d=0.05将各值代入:P x=1637kg/dPs=2600kg/d△X=4237kg/d(6)碱度校核每氧化1mgNH3-N需消耗碱度7.14mg;每还原1mgNO3--N产生碱度3.57mg;去除1mgBOD5产生碱度剩余碱度SΔLK1=进水碱度-硝化消耗碱度+反硝化产生碱度+去除BOD5产生碱度假设生物污泥中含氮量以12.40%计,则:每日用于合成的总氮202.98kg/d即,进水总氮中有 5.07mg/l用于合成。
一、工艺流程二、主要设计参数三、设计计算A2/O工艺计算项目设计流量(m3/d)COD (mg/l)BOD5 S0(mg/l)TSS(mg/l)VSS(mg/l)进水40000320160150105出水602020(活性污泥法)(1)判断是否可采用A2O法(用污泥负荷法)COD/TN=9.142857143>8TP/BOD5=0.025<0.06符合要求(2) 有关设计参数0.132、回流污泥浓度X R=66003、污泥回流比R=1004、混合液悬浮固体浓度X=RX R/(1+R)33005、混合液回流比R内TN去除率ηtx=(TN0-TN e)/TN0×100%=57混合液回流比R内=ηTN/(1-ηTN)×100%=133取R内=200(3)反应池容积V,m3V=QS0/NX=14918.41m3反应池总水力停留时间:t=V/Q=0.37(d)=8.88(h)各段水力停留时间和容积:厌氧:缺氧:好氧=1:1:3厌氧池水力停留时间t厌= 1.78(h)池容V厌=2983.7(m3)缺氧池水力停留时间t缺= 1.78(h)池容V缺=2983.7(m3)好氧池水力停留时间t好= 5.33(h)池容V好=8951(m3)(4)校核氮磷负荷,kgTN/(kgMLSS·d)好氧段总氮负荷=Q·TN0/(XV好)=0.0473961[kgTN/(kgMLSS·d)]厌氧段总磷负荷=Q·T P0/(XV厌)=0.0162499[kgTP/(kgMLSS·d)] (5)剩余污泥量△X,kg/d△X=P x+P sP x=YQ(S0-S e)-k d VX R1、BOD5污泥负荷N=Ps=(TSS-TSS c)*50%取污泥增殖系数Y=0.6污泥自氧化率k d=0.05将各值代入:P x=1637kg/dPs=2600kg/d△X=4237kg/d(6)碱度校核每氧化1mgNH3-N需消耗碱度7.14mg;每还原1mgNO3--N产生碱度3.57mg;去除1mgBOD5产生碱度剩余碱度SΔLK1=进水碱度-硝化消耗碱度+反硝化产生碱度+去除BOD5产生碱度假设生物污泥中含氮量以12.40%计,则:每日用于合成的总氮202.98kg/d即,进水总氮中有 5.07mg/l用于合成。
页脚内容12.5.1 设计流量生物处理构筑物的设计流量以最高日平均流量计。
取日变化系数为1.2。
Q=1.2×18000=21600m 3/d=900m 3/h=0.25m 3/s 。
2.5.2 反应池进水水质本设计中进水中BOD 5较小,则可不设初沉池。
所以进水中 S 0=150mg/L ,X 0=200mg/L ,N=40mg/L 2.5.2 确定设计污泥龄需要反硝化的硝态氮浓度为:()e e O N S S N N ---=005.0 ()151015005.040---==18mg/L 式中,O N ---需要反硝化的硝态氮浓度,mg/L ; N ---进水中TN 浓度,mg/L ; 0S ---进水BOD 浓度,mg/L ; e S ---出水BOD 浓度,mg/L ; e N ---出水TN 浓度,mg/L 。
反硝化速率12.015018===e O de S N K 。
查相关表格,有3.0==c cdDVV θθ;取硝化泥龄d c 110=θ式中,cd θ---缺氧污泥龄,d ; c θ---总污泥龄,d 。
页脚内容2则:系统总污泥龄为:d ccdc c 7.153.011110=-=-=θθθθ 缺氧污泥龄为:d cd c cd 7.4117.15=-=-=θθθ 2.5.3 计算污泥产率系数()()()⎥⎦⎤⎢⎣⎡⋅+⋅⨯⨯--+=--151500072.117.01072.175.017.02.016.075.0T c T c S X K Y θθ ()()()⎥⎦⎤⎢⎣⎡⨯⨯+⨯⨯⨯⨯--⨯+⨯=--151********.17.1517.01072.17.1575.017.02.011502006.075.09.0 kgBOD kgSS /16.1=式中,K ---结合我国情况的修正系数,9.0=K ; 0X ---进水悬浮固体浓度,mg/L ;T ---设计水温,与泥龄计算取相同数值。
A2O工艺计算书一、概述A2O 工艺(AnaerobicAnoxicOxic,厌氧缺氧好氧)是一种常用的污水处理工艺,具有同步脱氮除磷的功能。
该工艺通过在不同的反应区域创造不同的环境条件,使微生物能够有效地去除污水中的有机物、氮和磷等污染物。
本计算书将对 A2O 工艺的主要设计参数进行计算,以确定工艺设备的尺寸和运行参数。
二、设计基础数据1、设计处理水量:_____m³/d2、进水水质:COD(化学需氧量):_____mg/LBOD₅(五日生化需氧量):_____mg/LTN(总氮):_____mg/LTP(总磷):_____mg/LNH₃N(氨氮):_____mg/L3、出水水质要求:COD:_____mg/LBOD₅:_____mg/LTN:_____mg/LTP:_____mg/LNH₃N:_____mg/L三、反应池容积计算1、厌氧池容积(V₁)厌氧池水力停留时间(HRT₁)一般取 1 2 h,本次设计取 15 h。
V₁= Q × HRT₁其中,Q 为设计处理水量。
计算可得:V₁=_____m³2、缺氧池容积(V₂)缺氧池水力停留时间(HRT₂)一般取 2 4 h,本次设计取 3 h。
V₂= Q × HRT₂计算可得:V₂=_____m³3、好氧池容积(V₃)好氧池水力停留时间(HRT₃)一般取 4 8 h,本次设计取 6 h。
V₃= Q × HRT₃计算可得:V₃=_____m³四、污泥负荷计算1、好氧池污泥负荷(Ns)Ns =(L₀ Le)× Q /(XV₃)其中,L₀为进水 BOD₅浓度,Le 为出水 BOD₅浓度,X 为混合液悬浮固体浓度(MLSS),一般取 2500 4000 mg/L,本次设计取 3000 mg/L。
计算可得:Ns =_____kg BOD₅/(kg MLSS·d)2、校核污泥龄(θc)θc = 1 / Ns计算可得:θc =_____d五、混合液悬浮固体浓度(MLSS)计算1、好氧池 MLSS(X)X =R × ρ × 10³ / SVI其中,R 为污泥回流比,一般取 50% 100%,本次设计取 70%;ρ 为回流污泥浓度,一般取 8000 12000 mg/L,本次设计取 10000 mg/L;SVI(污泥体积指数)一般取 70 150 mL/g,本次设计取 100 mL/g。
目录设计总说明 (1)设计任务书 (2)一.设计任务 (2)二.任务目的 (2)三.任务要求 (2)四. 设计基础资料 (2)(一)水质 (2)(二)水量 (3)(三)设计需要使用的有关法规、标准、设计规范和资料 (3)第一章 A2/O工艺介绍 (4)1。
基本原理 (4)2。
工艺特点 (5)3.注意事项 (5)第二章 A2/O工艺生化池设计 (6)1.设计最大流量 (6)2.进出水水质要求 (6)3.设计参数计算 (6)4. A2/O工艺曝气池计算.......................................................................。
..7 5。
反应池进、出水系统计算. (8)6。
反应池回流系统计算 (10)7.厌氧缺氧池设备选择 (11)第三章 A2/O工艺需氧量设计 (13)1.需氧量计算 (13)2。
供气量 (13)3。
所需空气压力 (14)4。
风机类型 (15)5。
曝气器数量计算 (15)6.空气管路计算 (16)第四章 A2/O工艺生化池单元设备一览 (17)第五章参考文献 (18)第六章致谢 (19)附1 水污染课程设计感想 (20)附2 A2/O工艺生化池图纸 (22)设计总说明随着经济快速发展和城市化程度越来越高,中心城区和小城镇建设步伐不断加快,城市生活污水对城区及附近河流的污染也越来越严重。
为了改善人民的生活环境,各地政府大力投入资金,力图改变现今水体的水质。
本设计为污水处理厂生化池单元,要求运用A2/O工艺进行设计,对生化池的工艺尺寸进行设计计算,最后完成设计计算说明书和设计图。
污水处理水量为10000t/d。
污水水质:CODCr 250mg/L,BOD5100mg/L,NH3-N30mg/L,SS120mg/L,磷酸盐(以P计)5mg/L。
出水水质达到广东省地方标准《水污染物排放限值(DB44/26-2001)》最高允许排放浓度一级标准,污水经二级处理后应符合以下具体要求:CODCr ≤40mg/L,BOD5≤20mg/L,NH3-N≤10mg/L,SS≤20mg/L,磷酸盐(以P计)≤0。
A 2/O 工艺生化池设计一、设计最大流量Q max=73500m 3/d=3062.5 m 3/h=0.850 m 3/s二、 进出水水质要求表1 进出水水质指标及处理程度三、 设计参数计算①. BOD 5污泥负荷N=0.14kgBOD 5/(kgMLSS ·d)②. 回流污泥浓度X R =10 000mg/L③. 污泥回流比R=50%④. 混合液悬浮固体浓度(污泥浓度)L mg X R R X R /3.3333100005.015.01=⨯+=+=⑤. TN 去除率%5.51%1009.30159.30%1000e 0=⨯-=⨯-=TN TN TN TN η⑥. 内回流倍数%2.1061062.0515.01515.01==-=-=ηηR四、A 2/O 曝气池计算①. 反应池容积330425264.425253333.30.1407273500NX S Q m m V ≈=⨯⨯=•=②. 反应水力总停留时间h h d t 1492.1358.07350042526Q V ≈====③. 各段水力停留时间和容积厌氧:缺氧:好氧=1:1:4厌氧池停留时间h t 33.21461=⨯= ,池容37.70874252661m V =⨯=;缺氧池停留时间h t 33.21461=⨯= ,池容37.70874252661m V =⨯=;好氧池停留时间h t 34.91464=⨯= ,池容36.283504252664m V =⨯=。
④. 校核氮磷负荷好氧段TN 负荷为:()d kgMLSS kgTN N ⋅=⨯⨯=••/024.06.8350233339.3073500V X T Q 30厌氧段TP 负荷为:()d kgMLSS kgTN P ⋅=⨯⨯=••/017.07.708733334.573500V X T Q 10① 剩余污泥量:X ∆,(kg/d)s X P P X +=∆式中:()v X V K S S Q Y P d e X ⨯⨯⨯--⨯⨯=0%50)(⨯⨯-=Q TSS TSS P e s取污泥增值系数Y=0.5,污泥自身氧化率05.0=d K ,代入公式得:()75.03.342526.005.001.03.0735005.0⨯⨯⨯--⨯⨯=X P=5395kg/d()d kg P S /5.10657%50735001.03.0=⨯⨯-=则:d kg P P X s X /5.160525.106575395=+=+=∆湿污泥量:设污泥含水率P=99.2% 则剩余污泥量为:h m d kg P W Q s /6.83/6.20061000)992.01(5.16052%100)1(3==⨯-=⨯-=⑤. 反应池主要尺寸反应池总容积:V=425263m设反应池2组,单组池容积:V 单 =3212632m V= 有效水深5m ,则:S 单=V 单/5=4252.62m取超高为1.0m ,则反应池总高m H 0.60.10.5=+= 生化池廊道设置:设厌氧池1廊道,缺氧池1廊道,好氧池4廊道,共6条廊道。
A2/O 工艺生化池设计一、设计最大流量33/h=0.850 m 3 /sQ max=73500m/d=3062.5 m二、进出水水质要求表 1进出水水质指标及处理程度CODCr BOD5TN SS磷酸盐(以 P 计)进水水质( mg/L)35027030.9300 5.4出水水质( mg/L)501015101处理程度( %)86%96%51%97%81%三、设计参数计算①. BOD5污泥负荷N=0.14kgBOD5/(kgMLSS·d)②. 回流污泥浓度X R=10 000mg/L③. 污泥回流比R=50%④. 混合液悬浮固体浓度(污泥浓度)XRX R0.510000 3333.3mg / L 1R 1 0.5⑤. TN去除率TN TN 0TN e100%30.9 15100% 51.5% TN 030.9⑥. 内回流倍数R0.5150.1062 106.2%110.5152四、 A /O 曝气池计算V Q S073500 27042525.4m342526m3NX0.14 3333.3②. 反应水力总停留时间V42526t0.58d 13.92h 14hQ73500③.各段水力停留时间和容积厌氧:缺氧:好氧= 1:1:4厌氧池停留时间 t114 2.33h ,池容 V1425267087.7m3;66缺氧池停留时间 t114 2.33h ,池容 V1425267087.7m3;66好氧池停留时间 t4149.34h ,池容 V44252628350.6m3。
66④. 校核氮磷负荷好氧段 TN负荷为:Q TN 073500 30.90.024kgTN / kgMLSS dX V3333328350.6厌氧段 TP 负荷为:QTP073500 5.40.017kgTN / kgMLSS d X V1 3333 7087.7①剩余污泥量: X ,(kg/d)X P X P s式中:P X Y Q S0S e K d V X vP s(TSS TSS e ) Q50%取污泥增值系数Y=0.5,污泥自身氧化率K d0.05 ,代入公式得:P X0.5 73500 0.3 0.01 0.05 0.42526 3.3 0.75=5395kg/dP S0.3 0.1 73500 50%10657 .5kg / d则:X P X P s5395 10657.516052.5kg / d湿污泥量:设污泥含水率P=99.2%则剩余污泥量为:Q s W16052 .52006.6kg / d 83.6m3 / h (1P)100% (1 0.992)1000⑤. 反应池主要尺寸反应池总容积: V=42526m3设反应池 2 组,单组池容积: V 单 = V21263m3 2有效水深 5m,则:S单 =V 单/5=4252.6 m2取超高为 1.0m,则反应池总高 H 5.0 1.0 6.0m生化池廊道设置:设厌氧池 1 廊道,缺氧池 1 廊道,好氧池 4 廊道,共 6 条廊道。
A 2/O 工艺生化池设计一、设计最大流量Q max=73500m 3/d=3062.5 m 3/h=0.850 m 3/s二、进出水水质要求表1 进出水水质指标及处理程度CODCr BOD5TN SS 磷酸盐(以P 计)进水水质(mg/L )35027030.9300 5.4出水水质(mg/L )501015101处理程度(%)86%96%51%97%81%三、设计参数计算①.BOD 5污泥负荷N=0.14kgBOD 5/(kgMLSS ·d)②.回流污泥浓度X R =10 000mg/L③.污泥回流比R=50%④.混合液悬浮固体浓度(污泥浓度)L mg X R R X R /3.3333100005.015.01=⨯+=+=⑤.TN 去除率%5.51%1009.30159.30%1000e 0=⨯-=⨯-=TN TN TN TN η⑥.内回流倍数%2.1061062.0515.01515.01==-=-=ηηR 四、A 2/O 曝气池计算①.反应池容积330425264.425253333.30.1407273500NX S Q m m V ≈=⨯⨯=∙=②.反应水力总停留时间h h d t 1492.1358.07350042526Q V ≈====③.各段水力停留时间和容积厌氧:缺氧:好氧=1:1:4厌氧池停留时间,池容;h t 33.21461=⨯=37.70874252661m V =⨯=缺氧池停留时间,池容;h t 33.21461=⨯=37.70874252661m V =⨯=好氧池停留时间,池容。
h t 34.91464=⨯=36.283504252664m V =⨯=④.校核氮磷负荷好氧段TN 负荷为:()d kgMLSS kgTN N ⋅=⨯⨯=∙∙/024.06.8350233339.3073500V X T Q 30厌氧段TP 负荷为:()d kgMLSS kgTN P ⋅=⨯⨯=∙∙/017.07.708733334.573500V X T Q 10①剩余污泥量:,(kg/d)X ∆sX P P X +=∆式中:()vX V K S S Q Y P d e X ⨯⨯⨯--⨯⨯=0%50)(⨯⨯-=Q TSS TSS P e s 取污泥增值系数Y=0.5,污泥自身氧化率,代入公式得:05.0=d K ()75.03.342526.005.001.03.0735005.0⨯⨯⨯--⨯⨯=X P=5395kg/d()dkg P S /5.10657%50735001.03.0=⨯⨯-=则:dkg P P X s X /5.160525.106575395=+=+=∆湿污泥量:设污泥含水率P=99.2%则剩余污泥量为:hm d kg P W Q s /6.83/6.20061000)992.01(5.16052%100)1(3==⨯-=⨯-=⑤.反应池主要尺寸反应池总容积:V=425263m设反应池2组,单组池容积:V 单 =3212632m V=有效水深5m ,则:S 单=V 单/5=4252.62m 取超高为1.0m ,则反应池总高m H 0.60.10.5=+=生化池廊道设置:设厌氧池1廊道,缺氧池1廊道,好氧池4廊道,共6条廊道。
A 2/O 工艺生化池设计一、设计最大流量Q max=73500m3/d=3062.5 m3/h=0.850 m3/s二、进出水水质要求表1 进出水水质指标及处理程度CODCr BOD5 TN SS 磷酸盐(以P计)进水水质(mg/L)350 270 30.9 300 5.4出水水质(mg/L)50 10 15 10 1处理程度(%)86% 96% 51% 97% 81%三、设计参数计算①.BOD5污泥负荷N=0.14kgBOD5/(kgMLSS·d)②.回流污泥浓度X R=10 000mg/L③.污泥回流比R=50%④.混合液悬浮固体浓度(污泥浓度)R 0.5X X R 10000 3333 .3mg /1 R 1 0.5L⑤.TN去除率TN TN 0TNT Ne30.9 15100% 100% 51.5%30.9⑥.内回流倍数R1 1 0.5150.5150 .1062 106.2%2/O 曝气池计算四、 A①.反应池容积1V Q S 73500 2700 42525. 4425263 3m m NX 0.14 3333.3②.反应水力总停留时间V 42526t 0.58d 13.92h 14hQ 73500③.各段水力停留时间和容积厌氧:缺氧:好氧=1:1:41厌氧池停留时间t 14 2.33h6 ,池容13V 42526 7087 .7 m;61缺氧池停留时间t 14 2.33h6 ,池容13V 42526 7087 .7 m;64好氧池停留时间t 14 9. 34h6 ,池容43V 42526 28350. 6m 。
6④.校核氮磷负荷Q TN 73500 30 .9好氧段TN负荷为:kgTN kgMLSS d0. 024 / X V 3333 28350.63Q TP 73500 5.4厌氧段TP负荷为:kgTN kgMLSS d30.10017 / X V 33337087.71①剩余污泥量:X ,(kg/d)X P X Ps式中:P X Y Q S0 S e K d V X vP s (TSS TSS e) Q 50%取污泥增值系数Y=0.5,污泥自身氧化率K 0.05,代入公式得:dPX 0.51673500 0.3 0.01 0.05 0.42526 3.3 0.75=5395kg/dP S 0.3 0.1 73500 50% 10657.5kg / d则:X P X P s 5395 10657.5 16052.5kg / d2湿污泥量:设污泥含水率P=99.2%则剩余污泥量为:W 16052 .53 Q s 2006.6kg /d83. 6m /(1 P) 100% (1 0.992) 1000h⑤.反应池主要尺寸反应池总容积:V=42526 3m设反应池 2 组,单组池容积:V 单= V2321263m有效水深5m,则:S 单=V 2单/5=4252.6m取超高为 1.0m,则反应池总高H 5.0 1.0 6. 0m生化池廊道设置:设厌氧池 1 廊道,缺氧池 1 廊道,好氧池 4 廊道,共 6 条廊道。
完整版)A2O工艺设计计算0.14kgBOD5/(kgMLSS·d)是污泥负荷,计算得到N=0.14kgBOD5/(kgMLSS·d)。
2.回流污泥浓度XR=10,000mg/L。
3.污泥回流比R=50%。
4.混合液悬浮固体浓度(污泥浓度)X=3333.3mg/L。
5.TN去除率ηTN=51.5%。
6.内回流倍数R=106.2%。
四、A2/O曝气池计算1.反应池容积V=m3.2.反应水力总停留时间t=14h。
3.各段水力停留时间和容积:厌氧池停留时间t=2.33h,池容V=7087.7m3;缺氧池停留时间t=2.33h,池容V=7087.7m3;好氧池停留时间t=9.34h,池容V=.6m3.4.校核氮磷负荷:好氧段TN负荷为0.024kgTN/(kgMLSS·d),厌氧段TP负荷为0.017kgTP/(kgMLSS·d)。
以上是A2/O工艺生化池设计的相关参数计算。
根据进出水水质要求,设计最大流量为0.850 m3/s,进出水水质指标及处理程度在表1中给出。
根据计算结果,进行反应池容积、反应水力总停留时间、各段水力停留时间和容积、氮磷负荷等方面的校核。
剔除下面文章的格式错误,删除明显有问题的段落,然后再小幅度的改写每段话。
根据给定的数据,可计算出该生物处理系统的各项设计参数。
首先,根据污水的水量和污泥的含水率,可以计算出每天需要处理的污泥量为5395kg/d,剩余污泥量为2006.6kg/d,即83.6m3/h。
接下来,根据反应池总容积和每组反应池的容积,可以确定需要设置两组反应池,每组反应池容积为m3,有效水深为5m,超高为1m,总高为6m。
此外,还需要设置6条廊道,每条廊道宽10m,长度为71m,符合污水生物处理新技术的长比宽在5~10间,宽比高在1~2间的要求。
反应池进、出水系统的设计中,进水管取DN800mm管径,回流污泥管和出水管分别取DN800mm和DN1200mm管径。