A2O工艺计算(全)
- 格式:xls
- 大小:338.00 KB
- 文档页数:34
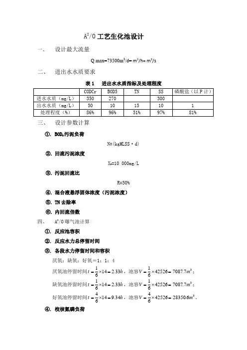
A 2/O 工艺生化池设计一、设计最大流量Q max=73500m 3/d=3062.5 m 3/h=0.850 m 3/s二、 进出水水质要求表1 进出水水质指标及处理程度三、 设计参数计算①. BOD 5污泥负荷N=0.14kgBOD 5/(kgMLSS ·d)②. 回流污泥浓度X R =10 000mg/L③. 污泥回流比R=50%④. 混合液悬浮固体浓度(污泥浓度)L mg X R R X R /3.3333100005.015.01=⨯+=+=⑤. TN 去除率%5.51%1009.30159.30%1000e 0=⨯-=⨯-=TN TN TN TN η⑥. 内回流倍数%2.1061062.0515.01515.01==-=-=ηηR四、 A 2/O 曝气池计算①. 反应池容积330425264.425253333.30.1407273500NX S Q m m V ≈=⨯⨯=•=②. 反应水力总停留时间h h d t 1492.1358.07350042526Q V ≈====③. 各段水力停留时间和容积厌氧:缺氧:好氧=1:1:4厌氧池停留时间h t 33.21461=⨯= ,池容37.70874252661m V =⨯=;缺氧池停留时间h t 33.21461=⨯= ,池容37.70874252661m V =⨯=;好氧池停留时间h t 34.91464=⨯= ,池容36.283504252664m V =⨯=。
④. 校核氮磷负荷好氧段TN 负荷为:()d kgMLSS kgTN N ⋅=⨯⨯=••/024.06.8350233339.3073500V X T Q 30厌氧段TP 负荷为:()d kgMLSS kgTN P ⋅=⨯⨯=••/017.07.708733334.573500V X T Q 10① 剩余污泥量:X ∆,(kg/d)s X P P X +=∆式中:()v X V K S S Q Y P d e X ⨯⨯⨯--⨯⨯=0%50)(⨯⨯-=Q TSS TSS P e s取污泥增值系数Y=0.5,污泥自身氧化率05.0=d K ,代入公式得:()75.03.342526.005.001.03.0735005.0⨯⨯⨯--⨯⨯=X P=5395kg/d()d kg P S /5.10657%50735001.03.0=⨯⨯-=则:d kg P P X s X /5.160525.106575395=+=+=∆湿污泥量:设污泥含水率P=99.2% 则剩余污泥量为:h m d kg P W Q s /6.83/6.20061000)992.01(5.16052%100)1(3==⨯-=⨯-=⑤. 反应池主要尺寸反应池总容积:V=425263m设反应池2组,单组池容积:V 单 =3212632m V= 有效水深5m ,则:S 单=V 单/5=4252.62m取超高为1.0m ,则反应池总高m H 0.60.10.5=+= 生化池廊道设置:设厌氧池1廊道,缺氧池1廊道,好氧池4廊道,共6条廊道。
1、缺氧池、好氧池(曝气池)的设计计算:(1)、设计水量的计算由于硝化和反硝化的污泥龄和水力停留时间都较长,设计水量应按照最高日流量计算。
式中:Q——设计水量,m3/d;Q——日平均水量,m3/d;K——变化系数;反硝化设计参数表(T=10~12℃)(4)、确定MLSS(X) MLSS(X)取值通过查下表可得。
反应池MLSS取值范围式中:V——厌氧反应池容积,m3。
A3、曝气量的计算:(1)、实际需氧量的计算式中:2O ——实际需氧量,kgO 2/d ; C O ——去除含碳有机物单位耗氧量,包括BOD 降解耗氧量和活性污泥衰减耗氧量,kgO 2/kgBOD ;t S ——BOD 去除量,kg/d ;ht N ——硝化的氨氮量,kg/d ;ot N ——反硝化的硝酸盐量,kg/d 。
其中,去除含碳有机物单位耗氧量C O 按下式计算: 【4】式中:K N ——进水凯氏氮【5】浓度,mg/L ;he N ——要求出水氨氮浓度,mg/L 。
当有反硝化时,需硝化的氨氮量ht N 按下式计算:反硝化的硝酸盐量ot N 按下式计算:(2)、标准需氧量的计算由于上述方法计算出的需氧量是在实际水温,气压和混合液溶解氧浓度的污水中的需氧量,而充氧设备的充氧能力是在水温20℃、一个大气压、溶解氧为零的清水中测定的,为了选择充氧设备,必须将实际需氧量换算成标准需氧量。
标准需氧量按下式计算:式中:T ——最热日反应池平均水温,取值与计算C O 时相同,℃;α——修正系数,我国规范建议值为0.85α=;β——修正系数,我国规范建议值为0.9=β;S C ——标准条件下清水中的饱和溶解氧,2.9C =S mg/L ;【3】当每日进水总BOD 值在1200~6000kg/d 时,按内插法取值;当V D /V 值在表中数值之间,也按内插法取值。
当设计温度不是10℃时,需自行计算。
其计算方法如下:式中:CO θ——硝化泥龄,及好氧泥龄,d ;F ——安全系数,当进水总BOD ≤1200kg/d 时,F=1.8;当进水总BOD >6000kg/d 时,F=1.45;当1200kg/d <进水总BOD <6000kg/d 时,采用插值法。
A2/0工艺生化池设计一、设计最大流量Q max=73500m3/d=3062.5 m3/h=0.850 m3/s 二、进出水水质要求表1 进出水水质指标及处理程度三、设计参数计算①.BOD5污泥负荷N=0.14kgBOD5/(kgMLSS • d)②.回流污泥浓度X R=10 000mg/L③.污泥回流比R=50%④•混合液悬浮固体浓度(污泥浓度)R 0 5X X R10000 3333.3mg/L1 R 1 0.5⑤.TN去除率TN0 TN e30.9 150 e 100% 100% 51.5%TNTN。
30.9⑥.内回流倍数0.515R 0.1062 106.2%1 1 0.515四、A2/O曝气池计算①.反应池容积②.反应水力总停留时间V 42526 t0.58d 13.92h 14hQ 73500③.各段水力停留时间和容积厌氧:缺氧:好氧二 1: 1:4厌氧池停留时间 t 1 14 2.33h , 池容V1 42526 7087.7m 3;66缺氧池停留时间 t 1142.33h ,池容V1 42526 7087.7m 3;66好氧池停留时间t 414 9.34h ,池容V 4 42526 283506m 36 6④.校核氮磷负荷好氧段 TN 负荷为:Q?TN 。
735003°.90.024kgTN/kgMLSS dX ?V 33333 28350.6厌氧段 TP 负荷为:Q?TP073500 5.40.017kgTN/kgMLSS dX ?V 13333 7087.7①剩余污泥量:X,(kg/d) X P X P s式中:P X Y Q S 0 S e K d V X vF S (TSS TSS e ) Q 50%取污泥增值系数丫=0.5,污泥自身氧化率K d 0.05,代入公式得:P X 0.5 735000.3 0.01 0.05 0.42526 3.3 0.75=5395kg/dP S 0.3 0.1 73500 50% 10657.5kg/d则:Q ?SNX73500 270 0.14 3333.342525.4m 3 42526m 3X P X F S 5395 10657.5 16052.5kg/d湿污泥量:设污泥含水率P=99.2% 则剩余污泥量为:⑤.反应池主要尺寸反应池总容积:V=42526 m 3设反应池2组,单组池容积:V 单=V21263m 32有效水深5m ,则:S 单=V 单/5=4252.6m 2取超高为1.0m,则反应池总高H 5.0 1.0 6.0m生化池廊道设置:设厌氧池1廊道,缺氧池1廊道,好氧池4廊道,共6条廊道。
A 2/O 工艺生化池设计一、设计最大流量Q max=73500m 3/d= m 3/h= m 3/s二、 进出水水质要求表1 进出水水质指标及处理程度三、 设计参数计算①. BOD 5污泥负荷N=(kgMLSS ·d)②. 回流污泥浓度X R =10 000mg/L③. 污泥回流比R=50%④. 混合液悬浮固体浓度(污泥浓度) ⑤. TN 去除率 ⑥. 内回流倍数 四、A 2/O 曝气池计算①. 反应池容积②. 反应水力总停留时间 ③. 各段水力停留时间和容积 厌氧:缺氧:好氧=1:1:4厌氧池停留时间h t 33.21461=⨯= ,池容37.70874252661m V=⨯=; 缺氧池停留时间h t 33.21461=⨯= ,池容37.70874252661m V=⨯=; 好氧池停留时间h t 34.91464=⨯= ,池容36.283504252664m V=⨯=。
④. 校核氮磷负荷好氧段TN 负荷为:()d kgMLSS kgTN N ⋅=⨯⨯=••/024.06.8350233339.3073500V X T Q 30厌氧段TP 负荷为:()d kgMLSS kgTN P ⋅=⨯⨯=••/017.07.708733334.573500V X T Q 10① 剩余污泥量:X ∆,(kg/d) 式中:取污泥增值系数Y=,污泥自身氧化率05.0=d K ,代入公式得: =5395kg/d 则:湿污泥量:设污泥含水率P=% 则剩余污泥量为: ⑤. 反应池主要尺寸反应池总容积:V=425263m 设反应池2组,单组池容积:V =3212632m V= 有效水深5m ,则: S=V/5=2m取超高为,则反应池总高m H 0.60.10.5=+= 生化池廊道设置:设厌氧池1廊道,缺氧池1廊道,好氧池4廊道,共6条廊道。
廊道宽10m 。
则每条廊道长度为m bn S L 88.706106.4252=⨯==,取71m 尺寸校核1.71071==b L ,2510==h b 查《污水生物处理新技术》,长比宽在5~10间,宽比高在1~2间 可见长、宽、深皆符合要求五、 反应池进、出水系统计算1) 进水管单组反应池进水管设计流量s m Q Q /425.0285.023max 1=== 管道流速s m v /0.1=管道过水断面面积21425.00.1/425.0/m v Q A === 管径m Ad 74.0425.044=⨯==ππ取进水管管径DN800mm 2) 回流污泥管单组反应池回流污泥管设计流量 设管道流速s m v /85.01= 管道过水断面积 管径取出水管管径DN800mm 3) 出水管单组反应池出水管设计流量 设管道流速s m v /8.01= 管道过水断面积 管径取出水管管径DN1200mm六、 曝气系统设计计算1. 需氧量计算碳化需氧量: 硝化需氧量: 反硝化需氧量: 总需氧量:最大需氧量与平均需氧量之比为,则: 去除1kg 5BOD 的需氧量为: 2. 标准需氧量采用鼓风曝气,微孔曝气器。
Q=25000(m3/d)0.28935185(m3/s)289.3519(L/s)总变化系数: 1.47日变化系数: 1.1时变化系数: 1.336364设计水质人均磷量1COD=360(mg/L)人均总氮量8BOD=180(mg/L)SS=180(mg/L)TN=35(mg/L)TP= 3.5(mg/L)七、生化池1、设计水量:27500(m3/d)0.31828704(m3/s)318.287(L/s)2、设计水质:进水:初沉池对BOD去除率为20%初沉池C OD去除率为20%进入到生化池的BOD浓度为:144mg/L进入到生化池的COD浓度=288mg/L进入到生化池的SS浓度为:0.108kg/m3108mg/L进入到生化池的COD/TN=8.228571在8~10之间,满足要求TN35mg/LNH4+-N=26mg/LTP 3.5mg/L出水:COD=60mg/LBOD=20mg/LSS=20mg/LNH4+-N=8mg/LTN=20mg/LTP=1mg/L3、设计参数:(1)BOD5污泥负荷N=0.1kgBOD/(kgMLSS·d)(2)SVI值取120(3)浓缩时间t E 1.8h(2)回流污泥浓度X R=7095.763mg/L (3)污泥回流比R=100%(4)混合液悬浮固体浓度X=R/(1+R)*X R3547.882mg/L (5)混合液回流比R内=ηTN/(1-ηTN)*100ηTN——TN去除率ηTN=(TN0-TNe)/TN0*1000.42857142.85714%R内=0.7575取300%4、反应池容积V:V=11161.59m3反应池总水力停留时间t:t=0.405876d9.741024h各段水力停留时间和容积:厌氧:缺氧:好氧=1:1:3厌氧池水力停留时间: 1.948205h容积:2232.318m3缺氧池水力停留时间: 1.948205h容积:2232.318m3好氧池水力停留时间: 5.844614h容积:6696.954m35、校核氮磷负荷:好氧池TN负荷:TN负荷=0.040509kgTN/mgMLSS·d小于0.05,符合要求。
A2O⼯艺设计计算1、缺氧池、好氧池(曝⽓池)的设计计算:(1)、设计⽔量的计算由于硝化和反硝化的污泥龄和⽔⼒停留时间都较长,设计⽔量应按照最⾼⽇流量计算。
式中:Q ——设计⽔量,m 3/d ; Q ——⽇平均⽔量,m 3/d ;K ——变化系数;(2)、确定设计污泥龄C θ需反硝化的硝态氮浓度为式中:N ——进⽔总氮浓度,mg/L ;0S ——进⽔BOD 值【1】,mg/L ; e S ——出⽔BOD 值,mg/L ; e N ——出⽔总氮浓度,mg/L ;反硝化速率计算计算出de K 值后查下表选取相应的V V D /值,再查下表取得C θ值。
反硝化设计参数表(T=10~12℃)(3)、计算污泥产率系数Y 【2】式中:Y ——污泥产率系数,kgSS/kgBOD ; K ——修正系数,取9.0=K ;0X ——进⽔SS 值mg/L;T ——设计⽔温,与污泥龄计算取相同数值。
然后按下式进⾏污泥负荷核算:式中:S L ——污泥负荷,我国规范推荐取值范围为~(kgMLSS ?d)。
活性污泥⼯艺的最⼩污泥龄和建议污泥龄表(T=10℃)【3】单位:d(4)、确定MLSS(X)MLSS(X)取值通过查下表可得。
反应池MLSS 取值范围取定MLSS(X)值后,应⽤污泥回流⽐R 反复核算式中:R ——污泥回流⽐,不⼤于150%;E t ——浓缩时间,其取值参见下表。
浓缩时间取值范围(5)、计算反应池容积计算出反应池容积V 后,即可根据V V D /的⽐值分别计算出缺氧反应池和好氧反应池的容积。
2、厌氧池的设计计算:厌氧反应池的容积计算式中:A V ——厌氧反应池容积,m 3。
3、曝⽓量的计算:(1)、实际需氧量的计算式中:2O ——实际需氧量,kgO 2/d ;C O ——去除含碳有机物单位耗氧量,包括BOD 降解耗氧量和活性污泥衰减耗氧量,kgO 2/kgBOD ;t S ——BOD 去除量,kg/d ;N——硝化的氨氮量,kg/d;htN——反硝化的硝酸盐量,kg/d。
A2O工艺计算书一、概述A2O 工艺(AnaerobicAnoxicOxic,厌氧缺氧好氧)是一种常用的污水处理工艺,具有同步脱氮除磷的功能。
该工艺通过在不同的反应区域创造不同的环境条件,使微生物能够有效地去除污水中的有机物、氮和磷等污染物。
本计算书将对 A2O 工艺的主要设计参数进行计算,以确定工艺设备的尺寸和运行参数。
二、设计基础数据1、设计处理水量:_____m³/d2、进水水质:COD(化学需氧量):_____mg/LBOD₅(五日生化需氧量):_____mg/LTN(总氮):_____mg/LTP(总磷):_____mg/LNH₃N(氨氮):_____mg/L3、出水水质要求:COD:_____mg/LBOD₅:_____mg/LTN:_____mg/LTP:_____mg/LNH₃N:_____mg/L三、反应池容积计算1、厌氧池容积(V₁)厌氧池水力停留时间(HRT₁)一般取 1 2 h,本次设计取 15 h。
V₁= Q × HRT₁其中,Q 为设计处理水量。
计算可得:V₁=_____m³2、缺氧池容积(V₂)缺氧池水力停留时间(HRT₂)一般取 2 4 h,本次设计取 3 h。
V₂= Q × HRT₂计算可得:V₂=_____m³3、好氧池容积(V₃)好氧池水力停留时间(HRT₃)一般取 4 8 h,本次设计取 6 h。
V₃= Q × HRT₃计算可得:V₃=_____m³四、污泥负荷计算1、好氧池污泥负荷(Ns)Ns =(L₀ Le)× Q /(XV₃)其中,L₀为进水 BOD₅浓度,Le 为出水 BOD₅浓度,X 为混合液悬浮固体浓度(MLSS),一般取 2500 4000 mg/L,本次设计取 3000 mg/L。
计算可得:Ns =_____kg BOD₅/(kg MLSS·d)2、校核污泥龄(θc)θc = 1 / Ns计算可得:θc =_____d五、混合液悬浮固体浓度(MLSS)计算1、好氧池 MLSS(X)X =R × ρ × 10³ / SVI其中,R 为污泥回流比,一般取 50% 100%,本次设计取 70%;ρ 为回流污泥浓度,一般取 8000 12000 mg/L,本次设计取 10000 mg/L;SVI(污泥体积指数)一般取 70 150 mL/g,本次设计取 100 mL/g。
A 2/O 工艺生化池设计一、设计最大流量Q max=73500m 3/d=3062.5 m 3/h=0.850 m 3/s二、 进出水水质要求表1 进出水水质指标及处理程度三、 设计参数计算①. BOD 5污泥负荷N=0.14kgBOD 5/(kgMLSS ·d)②. 回流污泥浓度X R =10 000mg/L③. 污泥回流比R=50%④. 混合液悬浮固体浓度(污泥浓度)L mg X R R X R /3.3333100005.015.01=⨯+=+=⑤. TN 去除率%5.51%1009.30159.30%1000e 0=⨯-=⨯-=TN TN TN TN η⑥. 内回流倍数%2.1061062.0515.01515.01==-=-=ηηR四、A 2/O 曝气池计算①. 反应池容积330425264.425253333.30.1407273500NX S Q m m V ≈=⨯⨯=∙=②. 反应水力总停留时间h h d t 1492.1358.07350042526Q V ≈====③. 各段水力停留时间和容积厌氧:缺氧:好氧=1:1:4厌氧池停留时间h t 33.21461=⨯= ,池容37.70874252661m V =⨯=;缺氧池停留时间h t 33.21461=⨯= ,池容37.70874252661m V =⨯=;好氧池停留时间h t 34.91464=⨯= ,池容36.283504252664m V =⨯=。
④. 校核氮磷负荷好氧段TN 负荷为:()d kgMLSS kgTN N ⋅=⨯⨯=∙∙/024.06.8350233339.3073500V X T Q 30厌氧段TP 负荷为:()d kgMLSS kgTN P ⋅=⨯⨯=∙∙/017.07.708733334.573500V X T Q 10① 剩余污泥量:X ∆,(kg/d)s X P P X +=∆式中:()v X V K S S Q Y P d e X ⨯⨯⨯--⨯⨯=0%50)(⨯⨯-=Q TSS TSS P e s取污泥增值系数Y=0.5,污泥自身氧化率05.0=d K ,代入公式得:()75.03.342526.005.001.03.0735005.0⨯⨯⨯--⨯⨯=X P=5395kg/d()d kg P S /5.10657%50735001.03.0=⨯⨯-=则:d kg P P X s X /5.160525.106575395=+=+=∆湿污泥量:设污泥含水率P=99.2% 则剩余污泥量为:h m d kg P W Q s /6.83/6.20061000)992.01(5.16052%100)1(3==⨯-=⨯-=⑤. 反应池主要尺寸反应池总容积:V=425263m设反应池2组,单组池容积:V 单 =3212632m V= 有效水深5m ,则:S 单=V 单/5=4252.62m取超高为1.0m ,则反应池总高m H 0.60.10.5=+= 生化池廊道设置:设厌氧池1廊道,缺氧池1廊道,好氧池4廊道,共6条廊道。
A 2/O 工艺生化池设计一、设计最大流量Q max=73500m 3/d=3062.5 m 3/h=0.850 m 3/s二、 进出水水质要求表1 进出水水质指标及处理程度三、 设计参数计算①. BOD 5污泥负荷N=0.14kgBOD 5/(kgMLSS ·d)②. 回流污泥浓度X R =10 000mg/L③. 污泥回流比R=50%④. 混合液悬浮固体浓度(污泥浓度)L mg X R R X R /3.3333100005.015.01=⨯+=+=⑤. TN 去除率%5.51%1009.30159.30%1000e 0=⨯-=⨯-=TN TN TN TN η⑥. 内回流倍数%2.1061062.0515.01515.01==-=-=ηηR四、A 2/O 曝气池计算①. 反应池容积330425264.425253333.30.1407273500NX S Q m m V ≈=⨯⨯=•=②. 反应水力总停留时间h h d t 1492.1358.07350042526Q V ≈====③. 各段水力停留时间和容积厌氧:缺氧:好氧=1:1:4厌氧池停留时间h t 33.21461=⨯= ,池容37.70874252661m V =⨯=;缺氧池停留时间h t 33.21461=⨯= ,池容37.70874252661m V =⨯=;好氧池停留时间h t 34.91464=⨯= ,池容36.283504252664m V =⨯=。
④. 校核氮磷负荷好氧段TN 负荷为:()d kgMLSS kgTN N ⋅=⨯⨯=••/024.06.8350233339.3073500V X T Q 30厌氧段TP 负荷为:()d kgMLSS kgTN P ⋅=⨯⨯=••/017.07.708733334.573500V X T Q 10① 剩余污泥量:X ∆,(kg/d)s X P P X +=∆式中:()v X V K S S Q Y P d e X ⨯⨯⨯--⨯⨯=0%50)(⨯⨯-=Q TSS TSS P e s取污泥增值系数Y=0.5,污泥自身氧化率05.0=d K ,代入公式得:()75.03.342526.005.001.03.0735005.0⨯⨯⨯--⨯⨯=X P=5395kg/d()d kg P S /5.10657%50735001.03.0=⨯⨯-=则:d kg P P X s X /5.160525.106575395=+=+=∆湿污泥量:设污泥含水率P=99.2% 则剩余污泥量为:h m d kg P W Q s /6.83/6.20061000)992.01(5.16052%100)1(3==⨯-=⨯-=⑤. 反应池主要尺寸反应池总容积:V=425263m设反应池2组,单组池容积:V 单 =3212632m V= 有效水深5m ,则:S 单=V 单/5=4252.62m取超高为1.0m ,则反应池总高m H 0.60.10.5=+= 生化池廊道设置:设厌氧池1廊道,缺氧池1廊道,好氧池4廊道,共6条廊道。
A 2/O 工艺生化池设计一、设计最大流量Q max=73500m 3/d=3062.5 m 3/h=0.850 m 3/s二、 进出水水质要求表1 进出水水质指标及处理程度三、 设计参数计算①. BOD 5污泥负荷N=0.14kgBOD 5/(kgMLSS ·d)②. 回流污泥浓度X R =10 000mg/L③. 污泥回流比R=50%④. 混合液悬浮固体浓度(污泥浓度)L mg X R R X R /3.3333100005.015.01=⨯+=+=⑤. TN 去除率%5.51%1009.30159.30%1000e 0=⨯-=⨯-=TN TN TN TN η⑥. 内回流倍数%2.1061062.0515.01515.01==-=-=ηηR四、A 2/O 曝气池计算①. 反应池容积330425264.425253333.30.1407273500NX S Q m m V ≈=⨯⨯=•=②. 反应水力总停留时间h h d t 1492.1358.07350042526Q V ≈====③. 各段水力停留时间和容积厌氧:缺氧:好氧=1:1:4厌氧池停留时间h t 33.21461=⨯= ,池容37.70874252661m V =⨯=;缺氧池停留时间h t 33.21461=⨯= ,池容37.70874252661m V =⨯=;好氧池停留时间h t 34.91464=⨯= ,池容36.283504252664m V =⨯=。
④. 校核氮磷负荷好氧段TN 负荷为:()d kgMLSS kgTN N ⋅=⨯⨯=••/024.06.8350233339.3073500V X T Q 30厌氧段TP 负荷为:()d kgMLSS kgTN P ⋅=⨯⨯=••/017.07.708733334.573500V X T Q 10① 剩余污泥量:X ∆,(kg/d)s X P P X +=∆式中:()v X V K S S Q Y P d e X ⨯⨯⨯--⨯⨯=0%50)(⨯⨯-=Q TSS TSS P e s取污泥增值系数Y=0.5,污泥自身氧化率05.0=d K ,代入公式得:()75.03.342526.005.001.03.0735005.0⨯⨯⨯--⨯⨯=X P=5395kg/d()d kg P S /5.10657%50735001.03.0=⨯⨯-=则:d kg P P X s X /5.160525.106575395=+=+=∆湿污泥量:设污泥含水率P=99.2% 则剩余污泥量为:h m d kg P W Q s /6.83/6.20061000)992.01(5.16052%100)1(3==⨯-=⨯-=⑤. 反应池主要尺寸反应池总容积:V=425263m设反应池2组,单组池容积:V 单 =3212632m V= 有效水深5m ,则:S 单=V 单/5=4252.62m取超高为1.0m ,则反应池总高m H 0.60.10.5=+= 生化池廊道设置:设厌氧池1廊道,缺氧池1廊道,好氧池4廊道,共6条廊道。
A 2/O 工艺生化池设计一、设计最大流量Q max=73500m3/d=3062.5 m3/h=0.850 m3/s二、进出水水质要求表1 进出水水质指标及处理程度CODCr BOD5 TN SS 磷酸盐(以P计)进水水质(mg/L)350 270 30.9 300 5.4出水水质(mg/L)50 10 15 10 1处理程度(%)86% 96% 51% 97% 81%三、设计参数计算①.BOD5污泥负荷N=0.14kgBOD5/(kgMLSS·d)②.回流污泥浓度X R=10 000mg/L③.污泥回流比R=50%④.混合液悬浮固体浓度(污泥浓度)R 0.5X X R 10000 3333 .3mg /1 R 1 0.5L⑤.TN去除率TN TN 0TNT Ne30.9 15100% 100% 51.5%30.9⑥.内回流倍数R1 1 0.5150.5150 .1062 106.2%2/O 曝气池计算四、 A①.反应池容积1V Q S 73500 2700 42525. 4425263 3m m NX 0.14 3333.3②.反应水力总停留时间V 42526t 0.58d 13.92h 14hQ 73500③.各段水力停留时间和容积厌氧:缺氧:好氧=1:1:41厌氧池停留时间t 14 2.33h6 ,池容13V 42526 7087 .7 m;61缺氧池停留时间t 14 2.33h6 ,池容13V 42526 7087 .7 m;64好氧池停留时间t 14 9. 34h6 ,池容43V 42526 28350. 6m 。
6④.校核氮磷负荷Q TN 73500 30 .9好氧段TN负荷为:kgTN kgMLSS d0. 024 / X V 3333 28350.63Q TP 73500 5.4厌氧段TP负荷为:kgTN kgMLSS d30.10017 / X V 33337087.71①剩余污泥量:X ,(kg/d)X P X Ps式中:P X Y Q S0 S e K d V X vP s (TSS TSS e) Q 50%取污泥增值系数Y=0.5,污泥自身氧化率K 0.05,代入公式得:dPX 0.51673500 0.3 0.01 0.05 0.42526 3.3 0.75=5395kg/dP S 0.3 0.1 73500 50% 10657.5kg / d则:X P X P s 5395 10657.5 16052.5kg / d2湿污泥量:设污泥含水率P=99.2%则剩余污泥量为:W 16052 .53 Q s 2006.6kg /d83. 6m /(1 P) 100% (1 0.992) 1000h⑤.反应池主要尺寸反应池总容积:V=42526 3m设反应池 2 组,单组池容积:V 单= V2321263m有效水深5m,则:S 单=V 2单/5=4252.6m取超高为 1.0m,则反应池总高H 5.0 1.0 6. 0m生化池廊道设置:设厌氧池 1 廊道,缺氧池 1 廊道,好氧池 4 廊道,共 6 条廊道。
完整版)A2O工艺设计计算0.14kgBOD5/(kgMLSS·d)是污泥负荷,计算得到N=0.14kgBOD5/(kgMLSS·d)。
2.回流污泥浓度XR=10,000mg/L。
3.污泥回流比R=50%。
4.混合液悬浮固体浓度(污泥浓度)X=3333.3mg/L。
5.TN去除率ηTN=51.5%。
6.内回流倍数R=106.2%。
四、A2/O曝气池计算1.反应池容积V=m3.2.反应水力总停留时间t=14h。
3.各段水力停留时间和容积:厌氧池停留时间t=2.33h,池容V=7087.7m3;缺氧池停留时间t=2.33h,池容V=7087.7m3;好氧池停留时间t=9.34h,池容V=.6m3.4.校核氮磷负荷:好氧段TN负荷为0.024kgTN/(kgMLSS·d),厌氧段TP负荷为0.017kgTP/(kgMLSS·d)。
以上是A2/O工艺生化池设计的相关参数计算。
根据进出水水质要求,设计最大流量为0.850 m3/s,进出水水质指标及处理程度在表1中给出。
根据计算结果,进行反应池容积、反应水力总停留时间、各段水力停留时间和容积、氮磷负荷等方面的校核。
剔除下面文章的格式错误,删除明显有问题的段落,然后再小幅度的改写每段话。
根据给定的数据,可计算出该生物处理系统的各项设计参数。
首先,根据污水的水量和污泥的含水率,可以计算出每天需要处理的污泥量为5395kg/d,剩余污泥量为2006.6kg/d,即83.6m3/h。
接下来,根据反应池总容积和每组反应池的容积,可以确定需要设置两组反应池,每组反应池容积为m3,有效水深为5m,超高为1m,总高为6m。
此外,还需要设置6条廊道,每条廊道宽10m,长度为71m,符合污水生物处理新技术的长比宽在5~10间,宽比高在1~2间的要求。
反应池进、出水系统的设计中,进水管取DN800mm管径,回流污泥管和出水管分别取DN800mm和DN1200mm管径。