内墙抹灰验收表
- 格式:doc
- 大小:52.00 KB
- 文档页数:3
内墙阴阳角抹灰质量验收标准1.阴阳角顺直度阴阳角顺直度是指内墙阴阳角的直线度,要求偏差不超过3mm。
顺直度检测使用2m靠尺和塞尺进行。
检查数量为每个房间抽查10%,且不小于3处。
2.阴阳角方正度阴阳角方正度是指内墙阴阳角应垂直,不得弯曲。
方正度检测使用2m靠尺和塞尺进行。
检查数量为每个房间抽查10%,且不小于3处。
3.阴阳角直线度阴阳角直线度是指内墙阴阳角应保持直线,不得弯曲。
直线度检测使用2m靠尺和塞尺进行。
检查数量为每个房间抽查10%,且不小于3处。
4.墙面平整度墙面平整度是指内墙表面的平整程度,要求偏差不超过3mm。
平整度检测使用2m靠尺和塞尺进行。
检查数量为每个房间抽查10%,且不小于3处。
5.垂直度垂直度是指内墙表面与地面垂直的程度,要求偏差不超过3mm。
垂直度检测使用2m靠尺和塞尺进行。
检查数量为每个房间抽查10%,且不小于3处。
6.净高净高是指内墙表面到地面的高度,要求偏差不超过15mm。
净高测量使用钢卷尺进行。
检查数量为每个房间抽查10%,且不小于3处。
7.净开间净开间是指内墙两侧墙面之间的距离,要求偏差不超过15mm。
净开间测量使用钢卷尺进行。
检查数量为每个房间抽查10%,且不小于3处。
8.平整度平整度是指内墙表面的平整程度,要求偏差不超过3mm。
平整度检测使用2m靠尺和塞尺进行。
检查数量为每个房间抽查10%,且不小于3处。
9.阴阳角接缝阴阳角接缝是指内墙阴阳角与其他墙面的接缝处应平直、光滑,不得有毛刺、凹凸不平的现象。
接缝检测观察检查,可用手触摸检验。
检查数量为每个房间抽查10%,且不小于3处。
10.垂直度垂直度是指内墙表面与地面垂直的程度,要求偏差不超过3mm。
垂直度检测使用2m靠尺和塞尺进行。
检查数量为每个房间抽查10%,且不小于3处。
一般抹灰隐蔽工程验收记录统表工程名称科技综合楼项目经理叶龙章分项工程名称抹灰专业工长徐金富隐蔽工程项目内墙施工单位江苏江都建设集团有限公司施工标准名称及代号GB502010-2002 施工图名称及编号隐蔽工程部位车库层内墙一层-五层内墙质量要求施工单位自查记录监理(建设)单位验收记录抹灰前基层表面的尘土、污垢、油渍、板皮等应清除干净,并应洒水润湿。
基层表面清除干净穿方洞等孔洞应填堵密实空洞填堵密实填充墙与框架梁、柱之间的加强措施设置应到位符合要求抹灰前砼表面应进行毛化处理符合要求施工单位自查结论符合设计及规范要求,合格。
施工单位项目技术负责人:年月日监理(建设)单位验收结论监理工程师(建设单位项目负责人):年月日钢筋隐蔽工程验收记录统表第1页共1页工程名称扬州工业职业技术学院食堂项目经理王圣分项工程名称地下室外板墙防水专业工长隐蔽工程项目防水工程施工单位江苏邗建集团有限公司施工标准名称及代号GB50204-2002 施工图名称及编号隐蔽工程部位质量要求施工单位自查记录监理(建设)单位验收记录基层清理合格后浇带细部做法合格管道部位细部做法合格施工单位自查结论钢筋工程自查合格,符合设计要求。
施工单位项目技术负责人:2005年6月5日监理(建设)单位验收结论监理工程师(建设单位项目负责人):年月日注:如果绘制图纸的附本记录后。
钢筋隐蔽工程验收记录统表第1页共1页工程名称扬州工业职业技术学院食堂项目经理王圣分项工程名称二层顶板后浇带专业工长方庆明隐蔽工程项目钢筋工程施工单位江苏邗建集团有限公司施工标准名称及代号GB50204-2002 施工图名称及编号隐蔽工程部位质量要求施工单位自查记录监理(建设)单位验收记录纵向受力钢筋的品种、规格、数量、位置等。
符合设计要求钢筋的连接方式、接头位置、接头数量、接头面积百分率等。
符合规范、设计要求箍筋、横向钢筋的品种、规格、数量、间距等。
符合规范、设计要求钢筋的保护层、钢筋网片的间距、网眼尺寸等安装位置。
装饰抹灰检验批质量验收记录装饰抹灰是建筑装饰中的一项重要工艺,对建筑物的外观、保温、防水等方面起到关键作用。
为了确保装饰抹灰工程质量,需要进行抹灰检验批质量验收。
以下是一份装饰抹灰检验批质量验收记录,总字数超过1200字。
项目名称:XXX工程工程地址:XXX工程名称:XXX施工单位:XXX监理单位:XXX验收单位:XXX一、工程概况本工程为XXX建筑,总建筑面积XXX平方米,采用XXX方式进行装饰抹灰工程。
二、抹灰材料验收1.水泥:施工单位提供水泥合格证明,保持验收标准一致。
2.砂浆:施工单位提供砂浆配合比、检验报告等相关资料,保持验收标准一致。
3.外墙保温材料:施工单位提供保温材料合格证明和相关检测报告,保持验收标准一致。
三、检验批划分情况本次验收共划分X个检验批,具体划分情况如下:检验批编号施工部位检测项目结果备注1外墙厚度符合无2内墙平整度不符合按照规范要求返工四、质量验收要求1.厚度:按照设计要求,外墙抹灰厚度应为Xcm,内墙抹灰厚度应为Xcm,允许偏差范围为±Xcm。
2.平整度:外墙抹灰平整度应符合X级标准,内墙抹灰平整度应符合X级标准。
3.垂直度:外墙立面的垂直度应符合X级标准。
4.保温层细部:外墙保温层应符合X级标准,不存在裂缝、脱落等情况。
五、质量验收结果根据以上质量验收要求和实际工程情况,经检测,抹灰质量验收结果如下:1.厚度:外墙抹灰厚度为Xcm,符合设计要求;内墙抹灰厚度为Xcm,符合设计要求。
2.平整度:外墙抹灰平整度符合X级标准;内墙抹灰平整度不符合X级标准。
3.垂直度:外墙立面的垂直度符合X级标准。
4.保温层细部:外墙保温层不存在裂缝、脱落等情况,符合X级标准。
六、验收意见根据上述质量验收结果,结合相关规范和要求,给出以下验收意见:1.外墙抹灰厚度和平整度符合设计要求。
2.内墙抹灰平整度不符合设计要求,施工单位应按照规范要求进行返工。
七、质量整改措施对于不符合要求的部分,施工单位应采取以下整改措施:1.返工要求:施工单位应按照相关规范和要求,对内墙抹灰进行返工,保证平整度符合设计要求。
内墙抹灰检验批质量验收记录范文下载提示:该文档是本店铺精心编制而成的,希望大家下载后,能够帮助大家解决实际问题。
文档下载后可定制修改,请根据实际需要进行调整和使用,谢谢!本店铺为大家提供各种类型的实用资料,如教育随笔、日记赏析、句子摘抄、古诗大全、经典美文、话题作文、工作总结、词语解析、文案摘录、其他资料等等,想了解不同资料格式和写法,敬请关注!Download tips: This document is carefully compiled by this editor. I hope that after you download it, it can help you solve practical problems. The document can be customized and modified after downloading, please adjust and use it according to actual needs, thank you! In addition, this shop provides you with various types of practical materials, such as educational essays, diary appreciation, sentence excerpts, ancient poems, classic articles, topic composition, work summary, word parsing, copy excerpts, other materials and so on, want to know different data formats and writing methods, please pay attention!内墙抹灰检验批质量验收记录一、前言内墙抹灰是建筑工程中重要的施工环节之一,其质量直接影响到整体建筑的美观和使用寿命。
内墙抹灰检验批质量验收记录范文1.本次验收合格。
This acceptance is qualified.2.内墙抹灰层平整度良好。
The smoothness of the internal wall plastering layer is good.3.抹灰层与基层粘结牢固。
The plastering layer has good adhesion with the base layer.4.抹灰层厚度符合设计要求。
The thickness of the plastering layer meets the design requirements.5.抹灰层表面无粗糙、开裂及空鼓现象。
There is no rough, cracking, or hollow phenomenon on the surface of the plastering layer.6.内墙抹灰层材料质量符合标准。
The quality of the material for the internal wall plastering layer meets the standard.7.抹灰层养护时间到位。
The curing time of the plastering layer is in place.8.现场施工符合施工工艺要求。
The on-site construction meets the construction process requirements.9.抹灰工艺流程合理、操作规范。
The plastering process is reasonable and the operation is standard.10.施工现场整洁,安全意识强。
The construction site is clean, and there is a strong safety awareness.11.检验记录内容详细、真实可靠。
室内工程施工验收表模板项目名称:__________工程地点:__________总包单位:__________分包单位:__________验收时间:__________检查人员:__________一、施工单位资质及责任1. 施工单位资质证书及人员证书是否齐全;2. 施工单位正面能否真实完整有效授权;3. 施工单位是否有开展该工种工程资质。
二、项目负责人资格证及责任1. 项目负责人是否具备相应资格证书;2. 项目负责人是否真实、有效、完整在岗。
三、施工现场管理1. 施工现场是否设置完整的安全设施;2. 施工现场是否存在违章违法行为。
四、施工现场环境1. 施工现场周围是否清洁整洁;2. 施工现场作业是否存在污染环境问题。
五、主体结构验收1. 主体结构是否符合设计图纸要求;2. 主体结构质量是否合格,材料是否达标。
六、电气线路验收1. 电气线路是否合格,布线是否达标;2. 电气线路安装是否规范,接线是否牢固。
七、水暖管道验收1. 水暖管道是否合格,布置是否符合设计要求;2. 水暖管道安装是否符合规范,是否存在漏水隐患。
八、建筑装饰验收1. 建筑装饰是否符合设计要求;2. 建筑装饰材料是否达标,工艺是否规范。
九、家具、设备验收1. 家具、设备是否符合使用要求;2. 家具、设备是否达到相应标准,使用是否方便。
十、通风、空调验收1. 通风、空调系统运行是否稳定;2. 通风、空调系统是否存在噪音、异味等问题。
十一、通信、网络验收1. 通信、网络线路连接是否畅通;2. 通信、网络设备是否正常运行。
十二、消防设施验收1. 消防设施是否齐全,是否符合消防要求;2. 消防设施是否正常运行,是否存在故障隐患。
十三、安防设施验收1. 安防设施是否安装齐全,是否符合安防要求;2. 安防设施是否正常运行,是否存在故障隐患。
十四、卫生清洁验收1. 室内卫生是否干净整洁;2. 卫生设备是否正常使用,是否存在问题。
十五、验收结论1. 根据以上检查情况,施工是否合格;2. 如存在问题,请列明具体问题及整改要求。
土建内墙抹灰验收标准:
1.基层准备:基层表面应平整、牢固,无起皮、空鼓、开裂等缺陷。
基层表面
应干燥、无灰尘、油污和颗粒物等杂物。
2.材料选用和配比:抹灰砂浆应采用符合国家标准的抹灰砂浆。
抹灰砂浆配比
应符合设计要求,水灰比要合理,砂浆应均匀、顺滑。
3.抹灰工艺:抹灰前应进行湿润处理或喷水湿润基层。
抹灰砂浆的层数应符合
设计要求,且每层厚度均匀。
注意保留验收留痕,方便后期评定验收。
4.抹灰厚度:室内墙面抹灰厚度一般应达到5-10mm。
抹灰厚度应符合设计
要求,不得厚薄不均,且相同墙体的抹灰厚度应相近。
5.抹灰质量:抹灰表面应平整、光滑,无凹凸、麻面、裂缝、起泡等缺陷。
抹
灰表面应无明显的颜色差异和划痕。
抹灰表面应无明显的漏抹、刷白等工艺痕迹。
抹灰表面应无脱层、开裂和空鼓等现象。
6.阴阳角、平整垂直度、阳台、空调板、滴水线、外凸部位等细部做法:阴阳
角顺直不超过4mm;立面垂直度不超过5mm;阴阳角方正不超过4mm;
分格条缝平直不超过3mm。
7.其他细节:检查电箱、盒、管的预埋记录是否通过,盒体保护。
检查墙体孔、
洞缺陷修补,管路砂浆保护;钢丝网的材质、铺钉要求(钢丝网规格为镀锌网,丝径0.7-1.0mm)。
分部(子分部)工程质量验收记录表分部(子分部)工程名称:装饰验收日期:年月日主体结构设备安装等分部工程有关安全及功能的检验和抽样检测结果应符合有规定;观感质量验收应符合要求。
分部(子分部)工程质量的验收均应在施工单位检查评定的基础上进行,参加验收的各方人员应具备规定的专业资格。
分项工程名:地面找平层验收日期:年月日注:分项目工程质量验收合格应符合:所含的检验批均应符合合格质量的规定;所含的检验批的质量验收记录应完整。
分项工程质量的验收均应在施工单位自行检查评定的基础上进行,参加验收的各方人员应具备规定的专业技术资格。
分项工程名:内墙抹灰验收日期:年月日注:分项目工程质量验收合格应符合:所含的检验批均应符合合格质量的规定;所含的检验批的质量验收记录应完整。
分项工程质量的验收均应在施工单位自行检查评定的基础上进行,参加验收的各方人员应具备规定的专业技术资格。
分项工程名:外墙抹灰验收日期:年月日注:分项目工程质量验收合格应符合:所含的检验批均应符合合格质量的规定;所含的检验批的质量验收记录应完整。
分项工程质量的验收均应在施工单位自行检查评定的基础上进行,参加验收的各方人员应具备规定的专业技术资格。
分项工程名:装饰抹灰验收日期:年月日注:分项目工程质量验收合格应符合:所含的检验批均应符合合格质量的规定;所含的检验批的质量验收记录应完整。
分项工程质量的验收均应在施工单位自行检查评定的基础上进行,参加验收的各方人员应具备规定的专业技术资格。
分项工程名:门安装验收日期:年月日注:分项目工程质量验收合格应符合:所含的检验批均应符合合格质量的规定;所含的检验批的质量验收记录应完整。
分项工程质量的验收均应在施工单位自行检查评定的基础上进行,参加验收的各方人员应具备规定的专业技术资格。
分项工程名:窗户安装验收日期:年月日注:分项目工程质量验收合格应符合:所含的检验批均应符合合格质量的规定;所含的检验批的质量验收记录应完整。
般抹灰隐蔽工程验收记录范例隐检依据I施」:图图哗结口L、2 ,没计变更/■治商〔编号■/1及有关I玉I家现有痂准等。
主要材料房蒜规格/型号:H旺据E型钢曲蝙蛇巾1。
.山1』51L ①山HL W2L 山是肚叩%型辆觞规格由1D 皑检内容:「鼐筋及套笥妁有产品逾明我身根的检删报告.饲痕原特和直鼎纹橙头目已就脸舍格’览验报告编号K K X t K X X . KHXZ. X K K h MKX. K 3< K , X K K2,52。
、中星,也上S萍用直螺纹套筒连接,更螺纹院接接.弟位置销开3M;中M. OHL中14 SLE搭特箕度为34d*l.L 搭弟部位绑扎三扣,距阪端头机侦…备一扣,丹同—-扣.3.家地席板制情保护展。
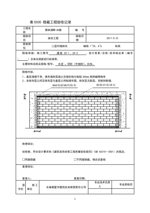
下部钢简仙mm. 25m,地下室外墙外制钢筋5队倾.外堆内间钢筋1弱吐内墙钢筋保护廛1珈队下部倒倍保护是呆用甄胰水花垫块〃种墙外倒冽期.朵用塑并卡圈.,马魅向距1初饷队干林成排布迎『5.底驰底蟆根厚6M硕、钢胡双尾观向、L 卜我3瞒纪〔I血虬上决中共皿1〕丽1皿Y;下兼心MhlM恤E_上^<P22U200miB,取拜H|句间距均白,上钦弯钩平直长度为对仙呵.咕谎节处加崩一L下快妁为①1W我间.6,埼壕标中M弟"锦固长度为抄d印M牝如④网旋叫.皿液花网锚曹长度3牝即有抨血叽中?2 75tarn:水•弟费为串1顺网0. qj 163245(1,搭控长度有?9U x |, 2即中]山为书|]烦.中M为场中血忙旅4)10^)400.堆体钢航下部夸新1W水平段.即9】4为ITOi响.中的为M听矶5暮为显it银筋插至底演上都.上部锚赫知错开Mloi.错开学距邻1)皿、了.拉插偷采用山刀’箍筋为中IIJ底板*.!_早区三1站匪铜舫末幸驾』;1妃、■为於如m 显向•播至虬鼠筋上都,上普接头区牯开Mk ^开净距把① 题为把福叭S.主梁!主筑等中2"箍能采用中1?瓣SL间距航叫1何“9.绑扎治折全部.聚用 E 害扣揶扎■.郛扎绽笑朗内,钢筋.表匝活净.无咐疳枷及情蚀,隐检内容己馅.总童鎏部位已拍黑;活予以检查・影像魇料的部位、数量:洋见附件申报人:专强工装枪者意见;"桐带品种'嵌副,规旃' 配筋数量,位置.同鹿符合设计裹亲■ L钢带绑扎安装成量牢固.无漏扣现京、观感律合要求-招接长度叫土3,埼体定位子筋各部位足寸及间距准确并与主耕绑牢“ L保护房厚度符合要求、呆用塑料垫垃'间距即加咏梅花形沛憧.\乖筋耙场蚀-亮污染.进场建试& 格“上if .项目均相含G朗倬肛-叫叫L2A11版}规定.一、地基基础工程与主体结构工程1■土方工程(1)检查内容:依据施工图纸、地质勘察报告、有关施工验收规范要求底标高,基底轮廓尺寸等情况;检查基底清理情况,基底标高,基底轮廓尺寸等情况;(2)填写要点:土方工程隐检记录中要注明施工图纸编号,地质勘测报告编号,将检查内容描述清楚。
内墙抹灰检验批质量验收记录范文下载提示:该文档是本店铺精心编制而成的,希望大家下载后,能够帮助大家解决实际问题。
文档下载后可定制修改,请根据实际需要进行调整和使用,谢谢!本店铺为大家提供各种类型的实用资料,如教育随笔、日记赏析、句子摘抄、古诗大全、经典美文、话题作文、工作总结、词语解析、文案摘录、其他资料等等,想了解不同资料格式和写法,敬请关注!Download tips: This document is carefully compiled by this editor. I hope that after you download it, it can help you solve practical problems. The document can be customized and modified after downloading, please adjust and use it according to actual needs, thank you! In addition, this shop provides you with various types of practical materials, such as educational essays, diary appreciation, sentence excerpts, ancient poems, classic articles, topic composition, work summary, word parsing, copy excerpts, other materials and so on, want to know different data formats and writing methods, please pay attention!内墙抹灰检验批质量验收记录一、前言内墙抹灰作为建筑施工中的重要环节,其质量直接影响到整体工程的美观程度和使用寿命。
一般抹灰工程检验批质量验收记录注:主控项目应符合设计及技术变更要求。
SG—T080填写说明一、本表适用于石灰砂浆、水泥砂浆、水泥混合砂浆、聚合物水泥砂浆和麻刀石灰、纸筋石灰、石膏灰等一般抹灰工程检验批质量验收记录。
二、本表由监理工程师(建设单位技术负责人)组织项目专业质量(技术)负责人等进行验收。
三、检验批的划分:1.相同材料、工艺和施工条件的室外抹灰工程每500~1000m2应划分为一个检验批,不足500m2处应划分为一个检验批。
2.相同材料、工艺和施工条件的室内抹灰工程每50个自然间(大面积房间和走廊按抹灰面积30m2为一间)应划分为一个检验批,不足50间也应划分为一个检验批。
四、检查数量:1.室内每个检验批应至少抽查10%,并不得少于3间,不足3间时应全数检查。
2.室外每个检验批每100扩应至少抽查1处,每处不得小于10m2。
五、本表主控项目检查方法:1.基层表面应干净、洒水湿润:检查施工记录。
2.材料的品种、性能,砂浆的配合比符合设计要求,水泥凝结蚶间、安定性复验合格:检查产品合格证书、进场验收记录、复验报告和施工记录。
3.抹灰应分层;当抹灰厚度≥35mm应采取措施;不同材料基体交接处应采取防裂措施;当采用加强网时加强网与基体搭接宽度≥100mm:检查隐蔽工程验收记录和施工日记。
4.抹灰层与基层及抹灰层之间粘结乍田,抹灰层无脱层、空鼓,面层应爆灰和裂缝:观察,用小锤轻击检查;检查施工记录。
六、表中一般项目检查方法:1.护角、孔洞、槽、盒周围的抹灰表面应整齐、光滑;管道后面的抹灰表面应平整:观察、手摸检查。
2.抹灰层总厚度符合设计要求;水泥砂浆不得抹在石灰砂浆层上;罩面石膏灰不得抹在水泥砂浆层上:检查施工记录。
3.抹灰分格缝的设置符合设计要求,宽度和深度应均匀,表面光滑,棱角整齐:观察、尺量检查。
4.有排水要求的部位应做滴水线(槽)。
滴水线(槽)整齐顺直,滴水线内高外低,滴水糟宽度、深度≥10mm:观察、尺量检查。
抹灰工程检验批质量验收记录表
030202
一、装饰抹灰工程的检验批应按下列规定划分:
1.相同材料、工艺和施工条件的室外抹灰工程每500~1000m2应划分为一个检验批。
不足500m2也应划分
为一个检验批。
2.相同材料、工艺和施工条件的室内抹灰工程每50个自然间(大面积房间和走廊按抹灰面积30m2
为一间)应划分为一个检验批,不足50间也应划分为一个检验批。
二、检查数量应符合下列规定:
1.室内每个检验批应至少抽查10%,并不得少于3间;不足3间时应全数检查。
2.室外每个检验批每100m2应至少抽查一处,每处不得小于10m2。
三、主控项目的检验方法:
1.检查施工记录。
2.检查产品合格证书、进场验收记录、复验报告和施工记录。
3.检查隐蔽工程验收记录和施工记录。
4.观察;用小锤轻击检查;检查施工记录。
四、一般项目的检验方法:
1.观察;手模检查。
2.观察。
3.观察;尺量检查。
4.允许偏差的检查方法:
(1)立面垂直度,用2m垂直检测尺检查。
(2)表面平整度,用2m靠尺和塞尺检查。
(3)阴角方正,用直角检测尺检查。
(4)分格条(缝)直线度,拉5m线,不足5m拉通线,用钢直尺检查。
(5)墙裙、勒脚上口直线度,拉5m线,不足5m拉通线,用钢直尺检查。