电力隧道施工电缆保护措施(标准版)
- 格式:docx
- 大小:47.27 KB
- 文档页数:5
电力隧道施工方案(1)一、背景介绍电力隧道是指专门为电力线路建设而开凿的隧道,其施工方案涉及到各种工程技术和安全管理措施。
本文将从电力隧道施工的必要性和重要性入手,介绍电力隧道施工方案的关键步骤和注意事项。
二、电力隧道施工的必要性1.电力隧道可避免电力线路遭受外部环境和人为破坏,保障电力设施的安全运行。
2.电力隧道有利于提高电力传输效率,减少能源损耗,提高供电质量。
3.电力隧道可以降低电力线路施工对周围环境的影响,保护生态环境。
三、电力隧道施工方案的关键步骤1.方案设计:根据电力线路的需求和隧道所在地形、条件,确定施工方案的设计方向。
2.勘测分析:对隧道施工区域进行勘测,分析地质、水文等环境因素,为后续施工做好准备。
3.隧道开挖:根据设计方案和勘测结果,采用合适的开挖方法进行隧道开挖工程。
4.支护加固:在开挖过程中及时进行隧道支护和加固,确保施工安全。
5.敷设电缆:完成隧道内的电缆敷设工作,保证电力线路的正常运行。
6.检测验收:对施工完成后的电力隧道进行检测验收,确保施工质量符合标准要求。
7.后期维护:建立隧道施工后期维护体系,定期检查隧道设施,及时处理问题。
四、电力隧道施工的注意事项1.安全第一:在施工过程中严格遵守安全操作规程,做好施工安全管理工作。
2.环保优先:电力隧道施工过程中要注意保护周围环境,减少对生态的影响。
3.科学施工:结合实际情况,选取合适的施工方法和技术手段,提高施工效率。
4.质量控制:严格执行施工方案,确保施工质量符合国家标准和监管要求。
5.协作配合:各施工单位之间要密切配合,做好施工过程中的沟通和协调工作。
五、总结电力隧道施工是一项复杂的工程,关乎电力线路的运行安全和效率。
通过科学的施工方案设计和细致周密的施工过程管理,可以提高隧道施工的质量和效率,保障电力线路的稳定运行。
在未来的电力建设中,电力隧道将扮演越来越重要的角色,为电力供应体系的健康发展做出贡献。
电力电缆施工方案及技术措施1.2、编制依据1.2.1承包合同或协议。
1.2.2施工图及其它设计文件:《电气装置安装工程电缆线路施工及验收规范》GB50169-92 《电气装置安装工程电气设备交接试验标准》GBS()15-gi。
《建筑电气安装工程质量检验评定标准》GBJ30-88。
公司《质量保证手册)、《质量体系程序》及其支撑性文件。
2.1施工方法和质量要求2.2.1电缆出库:电缆出库应根据施工图认真核对需出库电缆的规格、型号、数量是否符合设计要求,且应标示清楚。
电缆盘外观完整无损,合格证等产品文件齐全。
对由多根电缆缠绕在同一个盘上的电缆盘,应记录其内外层电缆的长度和缠绕次序,以利于合理安排敷设。
电缆出库运输过程中,采用机械吊装和运输,严禁将电缆盘直接由车上推下,同时电缆盘不应平放运输和贮存。
短距离的运输可采用滚动电缆盘的方法。
但必须顺着电缆盘上的箭头指示或缠紧方向滚动。
电缆出库后应集中分类存放,尽可能存放在开始敷设电缆处的附近。
盘间留有通道,存放处不得积水。
2.2.2 电缆敷设前建筑工程应具备的条件:电缆沟、隧道、竖井、人孔等处的地坪及抹面工作结束。
电缆夹层、电缆沟、桥架内的施工临时设施模板、建筑废料已清理干净。
施工用道路畅通盖板齐全,电缆沟排水畅通,电缆夹层门窗安装完毕。
2.2.3电缆敷设前电气专业应具备的条件:a、电缆的起点及终点设备已安装完毕,位号标识准确清楚。
b、电缆敷设表编制完毕,表册中应标明每根电缆使用的电缆盘号,敷设的先后次序,c、敷设次序应是先远距离,后近距离。
根据设计和电缆的实际情况,合理安排,避免浪费和接头。
d、技术交底和安全技术交底已做完,并存记录卡。
e、当电缆沿桥架敷设时,若没有人行通道应事先沿全长搭设脚手架,绑扎牢固。
f、辅助材料供货到位,如电缆扎带、电缆标牌、电缆标志桩等。
电缆的电气绝缘已检查,试验项目包括下列内容:①测量绝缘电阻,即测量各电缆线芯对地或对金属屏蔽层和线芯间的绝缘电阻。
电力电缆施工的安全措施
1.施工前的安全措施:
(1)提前编制详细的施工方案,包括施工计划、施工程序、安全注
意事项等,并组织专业技术人员进行技术指导。
(2)对施工区域进行安全检查,确保没有危险物品或障碍物,同时
评估施工地点的稳定性和地质条件。
(3)向现场人员进行安全培训,包括电气安全、施工技术和紧急救
援等方面的知识,并且确认所配备的个人防护用品是否齐全。
2.施工中的安全措施:
(1)在施工现场设置明显的安全标识和安全警示牌,包括禁止通行、高压区域、临时停电等警示信息,提醒人员注意安全。
(2)确保所有电力设备和工具的使用符合安全规范,并定期进行检
查和维护。
(3)保持施工现场的整洁有序,防止杂物乱放和摆放不当导致的安
全隐患。
(4)严格遵守电气安全操作规程,如断电、停电、接地等操作步骤,确保施工人员和周围环境的安全。
(5)对暴露在高压电力设备附近的人员进行有效的隔离措施,防止
人员误入危险区域。
3.施工后的安全措施:
(1)及时清理施工现场,恢复周围环境的安全和整洁。
(2)对施工过程中所使用的设备和工具进行彻底的检查和维修,确保其安全可靠。
(3)制定完善的工作记录和档案,包括施工过程中的隐患、问题及解决办法等,以备后续参考和复查。
(4)进行施工质量和安全的综合评估,总结经验,不断完善施工安全管理体系。
除了以上的一些基本安全措施,还需要根据具体的施工环境和工程要求进行安全措施的进一步规划和落实。
此外,施工单位和施工人员必须具备良好的安全意识和专业技能,提高紧急救援能力,并加强与相关部门的沟通和协调,共同推动电力电缆施工的安全和顺利进行。
( 安全技术 )单位:_________________________姓名:_________________________日期:_________________________精品文档 / Word文档 / 文字可改电力电缆的防火防爆(标准版)Technical safety means that the pursuit of technology should also include ensuring that peoplemake mistakes电力电缆的防火防爆(标准版)发电厂、变电站及工矿企业都大量使用电力电缆,一旦电缆起火爆炸,将会引起严重火灾和停电事故,此外,电缆燃烧时产生大量浓烟和毒气,不仅污染环境,而且危及人的生命安全。
为此,应注意电力电缆的防火。
1.电缆爆炸起火的原因电力电缆的绝缘层是由纸、油、麻、橡胶、塑料、沥青等各种可燃物质组成,因此,电缆具有起火爆炸的可能性。
导致电缆起火爆炸的原因是:(1)绝缘损坏引起短路故障。
电力电缆的保护铅皮在敷设时被损坏或在运行中电缆绝缘受机械损伤,引起电缆相间或铅皮间的绝缘击穿,产生的电弧使绝缘材料及电缆外保护层材料燃烧起火。
(2)电缆长时间过载运行。
长时间的过载运行,电缆绝缘材料的运行温度超过正常发热的最高允许温度,使电缆的绝缘老化干枯,这种绝缘老化干枯的现象,通常发生在整个电缆线路上。
由于电缆绝缘老化干枯,使绝缘材料失去或降低绝缘性能和机械性能,因而容易发生击穿着火燃烧,甚至沿电缆整个长度多处同时发生燃烧起火。
(3)油浸电缆因高差发生淌、漏油。
当油浸电缆敷设高差较大时,可能发生电缆淌油现象。
淌流的结果,使电缆上部由于油的流失而干枯,这部分电缆的热阻增加,使纸绝缘焦化而提前击穿。
另外,由于上部的油向下淌,在上部电缆头处腾出空间并产生负压力,使电缆易于吸收潮气而使端部受潮。
电缆下部由于油的积聚而产生很大的静压力,促使电缆头漏油。
电缆受潮及漏油都增大了发生故障起火的机率。
电力电缆隧道工程施工标准一、总则(一)为了规范电力电缆隧道工程的施工,提高工程质量,保障工程安全,特制订本标准。
(二)本标准适用于电力电缆隧道工程的施工过程,主要包括隧道的开挖、支护、电缆敷设及相关设施的安装等内容。
(三)本标准的制定应符合国家有关法律法规和标准的规定,确保工程质量、安全和环保。
二、施工前的准备工作(一)施工单位应按照设计图纸和施工方案进行组织和施工准备工作。
(二)应对施工现场进行勘测,了解地质情况、地下管线的分布等情况,并采取相应的措施保障施工安全。
(三)施工前应对施工人员进行培训,确保施工人员具备必要的技术和安全意识。
(四)施工前应对所使用的机械设备进行检查和保养,保证设备的正常运转和安全使用。
(五)对施工现场进行清理和围挡,确保施工场地的整洁和安全。
三、隧道的开挖与支护(一)根据设计要求,采用合适的方法和工艺对隧道进行开挖,确保隧道的水平、垂直度和平整度满足要求。
(二)隧道的支护应按照设计要求进行,采用适当的支护材料和结构,确保支护的稳定性和安全性。
(三)在开挖和支护过程中应定期检查和监测,发现问题及时处理,确保施工安全。
(四)隧道开挖完成后,应进行清理和加固工作,确保施工现场整洁和安全。
四、电缆敷设(一)电缆敷设前应对敷设线路进行检查,保证线路的质量和安全性。
(二)电缆敷设应按照设计要求进行,确保敷设的线路符合要求,并采取适当的措施保护电缆。
(三)在电缆敷设过程中应注意电缆的弯曲半径和拉力限制,避免对电缆造成损坏。
(四)敷设完成后应进行测试和验收,确保敷设线路的质量和性能合格。
五、相关设施的安装(一)根据设计要求,对相关设施进行安装,包括照明设施、通风系统、监控设备等。
(二)设施的安装应符合设计要求和标准,确保设施的正常运行和安全使用。
(三)在设施安装过程中应注意质量和安全,确保设施的稳定性和可靠性。
(四)设施安装完成后应进行调试和验收,确保设施的功能正常。
六、施工后的清理和整理(一)施工完成后应进行隧道的清理和整理工作,包括清除施工垃圾、清洁设施设备等。
隧道施工临时用电应急预案模版一、背景介绍:随着城市交通发展,越来越多的隧道被修建,而在隧道施工过程中,临时用电是不可避免的。
然而,隧道施工中的用电存在一定的安全隐患和应急风险,因此,为了保障施工的顺利进行和工人的安全,制定一套完善的隧道施工临时用电应急预案是非常必要的。
二、应急预案目标:1. 确保隧道施工期间,用电设备和线路的正常运行和安全使用。
2. 预防事故的发生,最大限度减少事故造成的损失。
3. 提高应急响应能力,降低应急事件对施工进度造成的影响。
三、应急预案内容:1. 隧道施工临时用电方案设计- 聘请专业电力公司进行用电方案设计,确保符合规范和安全要求。
- 根据隧道施工的具体情况,确定合适的电路布置和用电设备选择。
- 确保所选设备符合国家标准,具有完善的安全保护措施。
2. 电缆线路敷设和接地- 电缆线路敷设应符合国家规定标准,确保线路的质量和安全性。
- 各个电缆线路之间要保持一定的距离,避免相互干扰。
- 使用专业电缆接头和线路保护盒,确保外界因素对线路的影响最小化。
- 严格执行接地标准,确保线路与大地之间有良好的接地连接。
3. 用电设备选购和安装- 选购合格的用电设备,确保设备的品质和安全性能。
- 采用专业人员进行设备安装和调试,确保设备能够正常运行。
- 对设备进行定期检查和维护,及时发现并排除隐患。
4. 用电设备运行管理- 设立用电设备管理制度,明确责任和权限。
- 对设备进行定期巡检,确保设备的正常运行。
- 定期进行用电设备的维护和保养,及时处理设备故障。
- 建立完善的备品备件和维修材料储备体系,确保应急时能够及时维修设备。
5. 应急事件处理- 建立应急响应机制,明确应急责任和流程。
- 对重要设备和线路进行监控和巡检,及时发现故障。
- 在发生应急事件时,立即启动应急预案,包括疏散人员和及时通知相关部门。
- 注重事故的记录和事故的后续处理,总结经验教训,不断完善应急预案。
四、应急演练为了提高应急响应能力和预案的可操作性,每年至少进行一次应急演练。
电缆隧道施工方案一、工程概况电缆隧道(Cable Tunnel)是用于敷设电缆的地下通道,用于保护电缆免受外界环境的影响,提供电力、通信等基础设施的运行。
本项目是一座地埋电缆隧道的施工方案。
二、工程设计1.方案选择本项目采用盾构法施工,其中隧道采用盾构机掘进,同时配备人工爆破等辅助方式。
选取盾构法的原因是其施工效率高、施工过程中对现有地面影响较小、施工精度高等特点。
2.隧道布置隧道总长4000米,分为多个施工段。
每个施工段长度为150米,采用TBM(隧道掘进机)在地下开挖,开挖宽度6.5米,高度6.5米。
每个施工段布置一台盾构机,通过控制盾构机的推进速度和方向来控制隧道的开挖。
3.施工工艺(1)前期准备:在施工前,需进行现场勘察、踏勘,了解地质情况,制定详细的施工方案。
同时,还需申请相关施工许可证和环保手续。
(2)隧道开挖:先在隧道施工区进行排水,清理隧道施工区的杂物和覆土,然后进行先导孔的钻探和预留。
接下来,使用盾构机进行隧道的主体开挖,控制推进速度和方向,同时进行地质勘探和岩土体力学测试,做好地质灾害的预防和处理。
(3)内衬和预应力杆安装:隧道开挖完成后,进行内衬装修工程,采用混凝土喷射作为内衬,同时安装预应力杆增加隧道的强度和稳定性。
(4)其他附属工程:在隧道内进行电缆架设,电缆安装,通风管道铺设等其他附属工程,为电缆运行提供必要的条件。
三、施工组织1.项目部设置:项目部设总工程师、技术负责人、施工经理、安全负责人等,负责组织施工,并制定详细的施工计划。
2.施工流程:明确施工流程,合理安排施工队伍,确保施工进度。
按照前期准备、隧道开挖、内衬和预应力杆安装、附属工程等步骤进行施工。
3.安全防护:制定详细的安全管理制度,保证施工过程中的安全。
设置必要的安全防护措施,如施工现场警示标识、防护栏杆等,提供合适的劳动保护用品,定期进行安全教育培训。
四、施工设备和材料1.施工设备:(1)盾构机:选择适合本项目的盾构机,具备合适的推进力和控制系统。
隧道施工临时用电方案及安全防范措施文章以中交二航局承建新建西安至成都鐵路西安至江油段(陕西境内)站前工程中的隧道施工为例,分析其使用临时用电的必要性,从其临时用电的线制与接地分析其用电风险,并提出隧道临时用电的相关防范措施,以供参考。
标签:隧道施工;临时用电;风险;预防措施1工程概况中交二航局承建新建西安至成都铁路西安至江油段(陕西境内)站前工程XCZQ-2标段起止里程桩号为DgK56+156~DgK90+457正线长度34.301km。
主要工程内容“隧道5.5座(清凉山隧道125553m/1座、纸坊一号隧道8399.2m/1座、纸坊二号隧道3381.9m/1座、大庄坪隧道2956.2m/1座、桃园沟隧道1541.2m/1座、大秦岭隧道4924m/0.5座),大桥2座,中桥3座及无碴轨道的铺设。
全标段共划分为九个工区,建9处拌合站、3个钢构件加工厂以及9处钢筋加工厂。
下有十四个隧道施工架子队及五个桥梁架子队。
因施工现场无施工电源,经项目部商讨后,在已确定地址的搅拌站及隧道施工段等处初步估算需设置30处共计48台变压器,以满足用电需要。
实际用变压器应待具体地质确定后进行复核选用。
隧道洞口的施工电源由业主提供,根据计算负荷选择合适的变压器供施工。
其余生产、生活用电与户县供电局协商,就近驳接当地高压线路。
2隧道施工临时用电方案2.1隧道施工临时用电的线制与接地本系统采用的线制是TN.S制即三相五线制,此种线制的最大特点就是将工作零线和保护零线进行区分,这样可以确保用电设备和电气工作人员的用电和操作安全。
但是在实际的应用过程中,如果存在设备和材料不完全配套的现象,则可以在主干电线外附一根塑料电线作为保护零线,而且在每个主回路的主配电箱附近加打一根接地极与外壳及保护零线相连接。
而且在本工程中的临时用电系统中,变压器采用的接地方式为:使用两根接地极安装在变压器的附近,而且确保此接地极将变压器的零线以及外壳进行连接,而且从其外壳上引出一个保护零线,并将此保护零线作为设备与主干配电箱的主干保护线。
针对电缆隧道保护的基坑支护阶段的几项措施摘要随着社会经济的快速发展,市中心的建筑项目不断增加,基坑深度也不断加深。
特别是在大城市的中心河道,过江市政管道种类繁多,而其中针对220KV超高压电缆隧道的安全措施,尤为影响到特大城市的基本运营。
因此在项目的基坑支护阶段,对于电缆隧道的保护有十分迫切的重要性。
本文具体介绍了某在建项目的用地红线外发现电缆隧道后,针对电缆隧道保护要求为基础,不但在基坑支护设计及施工过程中,根据不同的现场工况,采用灵活、多样基坑支护方式;并且还邀请专业单位进行隧道内的人工巡视,通过地面布点、隧道内自动检测及人工巡视等三个维度,确保在工程施工过程中必须对电缆隧道进行有效的变形监测,以有效指导施工,确保施工及管线的正常运转。
同时,通过不同角度分析,总结了一些对电缆隧道的保护注意措施,供同类工程类似问题一点参考。
关键词电缆隧道保护措施基坑支护优化电缆隧道自动检测1引言近年来,随着人们对生活质量重要性的认识逐步加深,城市新建的一些建筑项目对于周边市政管线的影响越来越大;另一方面,城市对于这些市政管线能稳定运行的需求越来越高。
因此,如何针对此类管线进行有效的保护,特别是在基坑支护阶段的电缆隧道的保护措施,从而保障与解决相关技术难点,避免一定规模的城市停电风险。
2、工程概况某建筑项目总建筑面积28万㎡,设有地库,其中局部地下2层。
项目分两期进行开发,以二期为例,地下二层面积为0.6万㎡,周长360m,地下一层基坑面积为2万㎡,周长720m。
基坑地下一层开挖深度为-6.0m,底板厚度为400mm;局部地下二层开挖深度为-10m,底板厚度为500mm。
此项目地下一层区域安全等级定位三级,地下二层区域安全等级定为二级。
3、现场工程条件3.1、工程勘察情况场地位于长江三角洲入海口东南边缘,属于长江三角洲地带。
本工程施工时主要涉及的主要土层为:④淤泥质粘土及⑤灰色粘质粉土夹粉质粘土层。
表1. 地基各土层的主要物理力学指标一览表3.2、电缆隧道描述:某A电力隧道属世博电缆隧道支线,全长约 1330m,于2009 年投入使用。
第一章工程概况本标段起点桩号为K4+500.000,终点桩号为K15+350.380,全长10.85km,重要工程涉及软土地基解决、路基土方填筑、桥梁工程、排水工程、路基防护、气孔、机孔、人孔、箱涵及结构物下的管线搬迁等。
其中有桥梁14座,互通式立交2处、大桥2座、中桥5座、小桥6座、汽孔5孔、机孔10孔、人孔6孔、箱涵2道。
根据施工图纸的规定,对本标段的软土地基解决采用以下三种方案:(1)路基扣宽平台地段采用PHC400管桩;(2)既有路基边坡范围内地基采用Ф600钻孔灌注桩;(3)互通区范围内地基采用Ф500高压旋喷桩。
本管线保护方案重要针对北侧拓宽路基的地基解决,即:静压管桩、高压旋喷桩、边坡钻孔灌注桩,拼宽桥梁钻孔灌注桩的施工而编制。
第二章施工方案一、工区划分:根据现场情况,本标段划分为6个施工区:第一施工区:K4+500~K7+770,该段重要施工为管桩和钻孔灌注桩;第二施工区:K7+770~K 8+893该区重要施工为高压旋喷桩和钻孔灌注桩;第三施工区:K9+079~K 10+123,该段重要施工为管桩和钻孔灌注桩;第四施工区:K10+123~K12+135该区重要施工为高压旋喷桩和钻孔灌注桩;第五施工区:K12+135~K13+800,该段重要施工为管桩和钻孔灌注桩;第六施工区:K13+940~K15+350,该段重要施工为管桩和钻孔灌注桩;二、重要的施工设备及施工工艺:1、静压桩施工:选用GPZ-250型压桩机。
施工原则是:先施工靠近管线的一排桩,再施工其余三排桩。
2、边坡钻孔桩施工:选用GPS-10型钻机原土造浆,正循环成孔,钻机钻孔、浇注混凝土设锚筋的施工方法。
3、桥梁钻孔灌注桩施工:选用GPS-10型钻机原土造浆,正循环成孔,钻机钻孔、下钢筋笼浇注混凝土的施工方法。
4、高压旋喷桩施工:用专用特制的钻机钻至预定深度后,用高压泵通过安装在钻杆底端的特殊喷嘴,向周边土体喷射水泥浆液,同时钻杆以一定的提高、旋转速度提高,高压射流破坏了周边的土体结构,并强制使土体与水泥浆液混和,在地基中重新固结成一定强度、直径的圆柱体,与周边的土体形成复合地基,提高原地基的承载能力,减少沉陷。
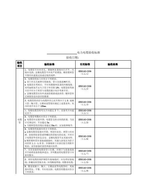
电力电缆验收标准验收日期:验收项目验收标准引用标准验收结果1、电缆管不应有穿孔,裂缝和显著的凹凸不平,内壁应光滑;金属电缆管不应有严重锈蚀。
硬质塑料管不得用在温度过高或过低的场所。
GB50168-2006(4.1.1)2、电缆管的加工应符合下列要求:a 管口应无毛刺和尖锐棱角,管口宜做成喇叭形。
b 电缆管在弯制后,不应有裂缝和显著的凹瘪现象,其弯扁程度不宜大于管子外径的10%;电缆管的弯曲半径不应小于所穿入电缆的最小允许弯曲半径。
c 金属电缆管应在外表涂防腐漆或涂沥青,镀锌管锌层剥落处也应涂以防腐漆。
GB50168-2006(4.1.2)3、电缆管的内径与电缆外径之比不得小于1.5;混凝土管、陶土管、石棉水泥管除应满足上述要求外,其内径尚不宜小于100mm。
GB50168-2006(4.1.3)4、每根电缆管的弯头不应超过3个,直角弯不应超过2个。
GB50168-2006(4.1.4)5、电缆管明敷时应符合下列要求:a 电缆管应安装牢固;电缆管支持点间的距离,当设计无规定时,不宜超过3m。
b 当塑料管的直线长度超过30m时,宜加装伸缩节。
GB50168-2006(4.1.5)6、电缆管的连接应符合下列要求:a金属电缆管连接应牢固,密封应良好,两管口应对准。
套接的短套管或带螺纹的管接头的长度,不应小于电缆管外径的2.2倍。
金属电缆管不宜直接对焊。
b硬质塑料管在套接或插接时,其插入深度宜为管子内径的1.1~1.8倍。
在插接面上应涂以胶合剂粘牢密封;采用套接时套管两端应封焊。
GB50168-2006(4.1.6)7、引至设备的电缆管管口位置,应便于与设备连接并不妨碍设备拆装和进出。
并列敷设的电缆管管口应排列整齐。
GB50168-2006(4.1.7)8、利用电缆的保护钢管作接地线时,应先焊好接地线;有螺纹的管接头处,应用跳线焊接,再敷设电缆。
GB50168-2006(4.1.8)电缆管9、敷设混凝土、陶土、石棉水泥等电缆管时,其地基应坚实、平整,不应有沉陷。
隧道电缆敷设施工方案(1)
1. 介绍
本文档为隧道电缆敷设施工方案(1),旨在确保施工质量,提高工作效率。
2. 工程概述
2.1 工程描述
本工程旨在在隧道内完善电缆系统,包括电缆的敷设和连接。
电缆种类多样、数量众多,需要进行分类敷设。
2.2 施工目标
工程施工目标为保证电缆敷设效果,达到规定标准,按时完成工程。
3. 施工方案
3.1 原材料
3.1.1 电缆
选用5kV交联聚乙烯绝缘电力电缆。
3.1.2 其他材料
敷设所需的其他材料如电缆桥架、电缆挂钩、固定件、电缆套管等。
3.2 施工步骤
3.2.1 准备工作
准备电缆和其他所需材料,检查设备和工具的工作状况,将设备准备好。
3.2.2 电缆敷设
按照规范要求进行电缆敷设,注意电缆种类和数量,分类进行
敷设。
3.2.3 电缆连接
按照要求进行电缆连接,采用冷缩管连接方式。
3.2.4 后续工作
完成敷设和连接后,检查其工作状况,对电缆进行检测和维护。
4. 安全措施
本工程施工需遵循安全规程,戴好安全帽,穿好安全鞋,使用
防护设备,确保工作环境安全。
5. 总结
本文档提出了隧道电缆敷设施工方案(1),详细介绍了工程概述、施工方案、材料、步骤和安全措施等方面,以确保施工质量和工作
效率。
同时,该工程的成功实施还需要有效的组织、管理和人员合
理配备。
电缆隧道施工方案1. 引言电缆隧道施工方案是指针对一条或多条电缆线路的敷设而进行的施工计划和方法的总称。
本文档将对电缆隧道施工方案进行详细说明,包括施工前准备、隧道开挖、电缆敷设、隧道支护等方面的内容。
2. 施工前准备施工前准备是电缆隧道施工的第一步,包括地质勘察、方案设计、施工图纸制作等工作。
2.1 地质勘察地质勘察是为了了解施工区域的地质情况,包括土壤类型、地下水情况、地下岩层等。
通过地质勘察可以确定施工过程中可能遇到的问题,并制定相应的应对措施。
2.2 方案设计根据地质勘察结果和电缆线路的技术要求,制定合理的施工方案。
施工方案应包括隧道的纵横断面设计、开挖方法、支护方式等。
2.3 施工图纸制作根据方案设计,制作隧道施工图纸。
施工图纸应详细标注隧道的尺寸、线路布置、支护方式等,以确保施工过程中的准确度和安全性。
3. 隧道开挖隧道开挖是电缆隧道施工的核心环节。
根据施工图纸上标注的尺寸和线路布置,使用相应的施工设备进行开挖工作。
3.1 开挖方法常见的隧道开挖方法包括挖掘机开挖法、盾构法等。
挖掘机开挖法适用于较小的隧道,操作简单,成本较低。
盾构法适用于较大的隧道,可以保证施工质量和速度。
3.2 施工安全在进行隧道开挖时,必须注意施工安全。
施工现场应设置警示标志,施工人员应佩戴安全帽、安全鞋等个人防护装备,遵守相关施工规范,以防止意外事件的发生。
4. 电缆敷设隧道开挖完成后,可以进行电缆的敷设工作。
电缆敷设应按照施工图纸上的线路布置进行,保证电缆的安全与稳定。
4.1 敷设工艺根据电缆的类型和线路的要求,选择合适的敷设工艺。
常见的电缆敷设工艺包括直埋敷设、管道敷设等。
不同的敷设工艺具有不同的特点,需要根据具体情况进行选择。
4.2 敷设注意事项在进行电缆敷设时,应注意以下事项:•保护电缆外皮不受损坏;•避免电缆过度弯曲;•保持电缆的最小弯曲半径;•使用合适的电缆附件进行固定。
5. 隧道支护为了保证隧道的稳定性和安全性,需要进行相应的隧道支护工作。
公司炼钢作业部电缆隧道、电缆夹层、竖井、电气室专项整治验收技术标准及要求(试行)为吸取京唐钢铁公司火灾事故教训,根据国家有关电缆涉及规范、规定《电力工程电缆设计规范GB50217-94》、《钢铁冶金企业设计防火规范GB50414-2007》、《建筑设计防火规范GB50016-2006》及中国工程建设标准化协会颁发的《建筑防火封堵应用技术规程》。
编制了炼钢作业部电缆隧道、电缆夹层、竖井、电气室专项整治验收的技术标准及要求,发各单位认真组织学习以便整改时参照执行。
1 电缆敷设要求1.1一般场所电缆敷设要求:1.1.1电缆在槽架上敷设时,应符合下列规定:1.1.1.1不同电压等级的电力电缆、控制电缆、信号电缆等应分层设置。
1.1.1.21KV以上电力电缆(除交流系统用单芯电力电缆的同一回路可采用品字形配置外)不宜迭置,且电缆间应留有相应的间距。
1.1.1.31KV及以下电力电缆可多层迭置,但必须考虑多层迭置时的降容修正。
1.1.1.4控制和信号电缆可紧靠或多层迭置。
1.1.2明敷的电缆不宜平行敷设于热力管道上部。
电缆与管道之间无隔板防护时,相互间距应符合电缆与管道相互间允许距离的规定。
见下表:(单位:毫米)1.1.3在隧道、沟、浅槽、竖井、夹层等封闭式电缆通道中,不得含有可能影响环境温升持续超过5℃的供热管路。
有重要回路电缆是,严禁含有易燃气体或易燃液体的管道。
1.2爆炸性气体危险场所敷设电缆的要求。
1.2.1在可能范围应使电缆距爆炸释放源较远,敷设在爆炸危险较小的场所。
并应符合下列规定:1.2.1.1易燃气体比空气重时,电缆应在较高处架空敷设,且对非铠装电缆采取穿管或置于托盘、槽盒中等机械性保护。
1.2.1.2易燃气体比空气轻时,电缆应敷设在较低处的管、沟内,沟内非铠装电缆应埋砂。
1.2.2电缆沿输送易燃气体的管道敷设时,应配置在危险程度较低的管道一侧,且应符合下列规定:1.2.2.1易燃气体比空气重时,电缆宜在管道上方。
隧道供电有关安全规定隧道供电是指为隧道内的照明、通风、监控系统等设备提供电力供应的工作。
隧道供电安全是保障隧道正常运行和安全通行的重要环节,必须严格遵守相关规定和标准,确保供电设备的安全可靠性。
本文将从隧道供电相关规定的背景、安全措施等方面进行详细介绍。
一、隧道供电相关规定的背景随着城市交通的发展和经济的进一步发展,隧道的建设规模和数量不断增加。
随之而来的问题是如何有效地保障隧道的供电安全。
隧道供电涉及到电力系统、电缆、设备等多个方面,必须有一系列的安全措施来确保设备的正常运行和人员的安全。
为了更好地规范隧道供电的工作,相关部门制定了一系列的相关规定和标准。
这些规定和标准都是根据实践经验总结和科学研究制定的,旨在减少供电设备故障和事故,并提高供电设备的可靠性和安全性。
二、隧道供电的安全规定1.供电设备的选型和设计要求:隧道供电设备必须符合国家标准和相关规定的要求,选用符合使用环境要求和可靠性要求的设备。
供电设备必须经过专业机构审核,确保其设计合理、安全可靠。
2.配电系统的设计和布局要求:隧道配电系统必须进行合理的设计和布局,保证供电设备的正常运行和安全运行。
布置配电箱、电缆等设备必须符合防火、防爆等标准要求,防止故障和事故的发生。
3.电力线路的敷设和维护要求:供电线路必须进行合理的敷设,避免与其他设备和物体发生碰撞和损坏。
电缆的敷设要符合相应标准要求,定期进行维护和检查,确保线路的可靠性和安全性。
4.设备的过电压、短路保护要求:供电设备必须配备过电压、短路保护装置,以防止过电压和短路引起的设备故障和事故。
过电压保护装置必须按照国家标准进行选用和设置,确保设备的安全可靠性。
5.供电设备的运行和检修要求:供电设备必须按照规定的要求进行运行和检修,制定相应的操作规程和维护计划。
设备的开关操作必须符合规定,操作人员必须经过专业培训和合格考核,提高其安全意识和操作技能。
6.火灾、爆炸等应急处理要求:一旦发生火灾、爆炸等紧急情况,供电设备必须按照相关规定进行应急处理。
( 安全技术 )
单位:_________________________
姓名:_________________________
日期:_________________________
精品文档 / Word文档 / 文字可改
电力隧道施工电缆保护措施(标
准版)
Technical safety means that the pursuit of technology should also include ensuring that people
make mistakes
电力隧道施工电缆保护措施(标准版)
一、下井施工人员安全要求:
1.开启电缆井井盖、电缆沟盖板及电缆隧道人孔盖时应使用专用工具,同时注意所立位置,以免滑脱后伤人。
2.施工现场设置明显的交通标志、安全标牌、护栏、警戒灯等标志。
保证行人、过往车辆行驶安全。
3.开启后应设置标准路栏围起,并有人看守。
工作人员撤离电缆井或隧道后,应立即将井盖盖好,并报知监控中心人员以确认井盖是否锁好。
以免行人碰盖后摔跌或不慎跌入井内。
设置的围栏上应悬挂“安全告知牌”。
看守人为有限空间地上监护者,负责在电缆隧道(井)外持续监护,防止未经授权的人员进入,在紧急情况时向地下人员发出撤离警告,必要时立即呼叫应急救援服务,并在地上实施紧急救援工作。
4.电缆隧道应有充足的照明,并有防火、防水、通风的措施。
电缆井内工作时,禁止只打开一只井盖(单眼井除外)。
进入电缆井、电缆隧道前,应先用吹风机排除浊气,再用气体检测仪检查井内或隧道内的易燃易爆及有毒气体的含量是否超标,并作好记录。
电缆沟的盖板开启后,应自然通风一段时间,经测试合格后方可下井沟工作。
电缆井、隧道内工作时,通风设备应保持常开,以保证空气流通。
在通风条件不良的电缆隧(沟)道内进行长距离巡视时,工作人员应携带便携式有害气体测试仪及自救呼吸器。
5.严禁在井内、隧道内以及封闭的场所使用燃油(气)发电机等设备,并在进入点附近设置醒目的警示标志标识,以防止工作人员缺氧或有害气体中毒。
6.电缆井、隧道内工作或隧道内长距离巡视时,应进行持续检测。
7.检测记录应包括检测时间、地点、气体种类和检测浓度等内容,并记录在工作票的备注栏内或安全施工作业票安全施工措施栏内。
二.工具使用安全措施要求:
1.使用工具前应进行检查,机具应按其出厂说明书和铭牌的规定使用,不准使用已变形、已破损或有故障的机具。
2.大锤和手锤的锤头应完整,其表面应光滑微凸,不准有歪斜、缺口、凹入及裂纹等情形。
大锤及手锤的柄应用整根的硬木制成,不准用大木料劈开制作,也不能用其他材料替代,应装得十分牢固,并将头部用楔栓固定。
锤把上不可有油污。
不准戴手套或用单手抡大锤,周围不准有人靠近。
狭窄区域,使用大锤应注意周围环境,避免反击力伤人。
3.用凿子凿坚硬或脆性物体时(如生铁、生铜、水泥等),应戴防护眼镜,必要时装设安全遮栏,以防碎片打伤旁人和电缆。
凿子被锤击部分有伤痕不平整、沾有油污等,不准使用。
4.锉刀、手锯、木钻、螺丝刀等的手柄应安装牢固,没有手柄的不准使用。
防止脱离手柄砸伤电缆。
三、施工照明用电和机械用电措施:
1.手持行灯电压不准超过36V。
在特别潮湿或周围均属金属导体
的地方工作时,如在金属容器或水箱等内部,行灯的电压不准超过24V;
2.行灯电源应由携带式或固定式的隔离变压器供给,变压器不准放在金属容器或水箱等内部。
3.携带式行灯变压器的高压侧,应带插头,低压侧带插座,并采用两种不能互相插入的插头。
4.行灯变压器的外壳应有良好的接地线,高压侧宜使用三线插头。
5.照明线路与施工用电电缆应放在距离隧道在运行高压电缆0.5m远布置。
6.自隧道入口出每间隔50m放置灭火器。
北京怀仁前景工程技术有限公司
2010-11-3
云博创意设计
MzYunBo Creative Design Co., Ltd.。