变电站综合自动化系统技术规格书
- 格式:doc
- 大小:287.32 KB
- 文档页数:34
变电站综合自动化通用技术规范1、引言本文档旨在规范变电站综合自动化系统的设计、建设、运行和维护,确保安全、高效、可靠地运行变电站。
本规范适用于各类变电站综合自动化工程。
2、术语和定义2.1 变电站综合自动化系统变电站综合自动化系统是指集监控与控制、自动操作、保护与安全、通信与信息处理等功能于一体的电力系统自动化系统。
2.2 监控与控制监控与控制是指通过对变电设备的状态和参数进行采集、显示、分析和操作,实现对变电站运行状态的实时监测和远程控制。
2.3 自动操作自动操作是指对变电设备进行自动切换、调节、跳闸等操作,以实现变电站的自动化运行。
2.4 保护与安全保护与安全是指对变电设备进行故障检测、故障隔离和设备保护,以保证变电站的安全运行。
2.5 通信与信息处理通信与信息处理是指通过数据传输和处理技术,实现变电站与上级调度中心、其他变电站之间的信息交换与共享。
3、变电站综合自动化系统设计要求3.1 系统层次结构3.1.1 变电站综合自动化系统应具有合理的层次结构,包括上位机、下位机、网络、传感器和执行器等组成部分。
3.1.2 上位机主要负责监控与控制、自动操作等功能,下位机主要负责采集、执行等功能,网络主要负责数据传输和信息交换,传感器主要负责数据采集,执行器主要负责执行操作指令。
3.2 系统硬件选型3.2.1 变电站综合自动化系统应采用可靠、稳定的硬件设备,确保系统运行的可靠性和稳定性。
3.2.2 硬件设备应符合国家相关标准和规范要求,且具备良好的兼容性和可升级性。
3.3 系统软件开发3.3.1 变电站综合自动化系统的软件开发应符合国家相关标准,采用先进的软件开发方法和工具。
3.3.2 系统软件应具备良好的可扩展性和可维护性,方便后续的软件升级、维护和管理。
4、变电站综合自动化系统建设要求4.1 工程建设组织4.1.1 变电站综合自动化系统的建设应按照国家相关标准和规范进行,严格按照工程设计和施工组织进行建设。
万方电厂110千伏变电站扩建二次屏及监控系统设备招标技术规范书河南郑州电力计有事务所 2010年11月郑州目录1. 总则2. 保护配置及组屏方案3. 测控装置功能4. 供货范围5. 资料附图1:CT配置图1. 总则1.1 技术标准应采用下列标准的最新版本。
(1)DL 5002地区电网调度自动化设计技术规程(2)GB/T 13730地区电网数据采集与监控系统通用技术条件(3)GB/T 13729远动终端通用技术条件(4)实现变电站无人值班对调度自动化系统的基本要求(5)地区电网调度自动化系统实用化验收细则(6)DL/T 5147电力系统安全自动装置设计技术规定(7)GB 50062电力装置的继电保护和安全自动装置设计规范(8)GB/T 15145微机线路保护装置通用技术条件(9)GB 4778静态继电保护和安全自动装置通用技术条件(10)DL/T 587微机线路保护装置运行管理规程(11)DL/T 5136火力发电厂、变电所二次接线设计技术规程(12)GB 11287继电器、继电保护装置振荡(正弦)实验(13)GB/T 14537量度继电器和保护装置的冲击和碰撞试验(14)GB 6162静态继电器和保护装置的电气干扰试验(15)GB/T 14598.9辐射电磁场干扰试验(16)IEC-255-22-4快速瞬变干扰试验(17)GB 50171电力装置安装工程盘、柜及二次回路结线施工及验收规范(18)DL/T 584 35~110 kV电网继电保护装置运行整定设计规程(19)GB 50062 电力装置继电保护及自动装置设计规范(20)防止电力生产重大事故的二十五项重点要求(21)DL/T 720电力系统继电保护柜、屏通用技术条件(22)DL/T 5103 35kV-110kV无人值班变电站设计规程(23)GB 50059 35kV-110kV变电所设计规范1.2 性能要求(1)本站就地设二次设备室,所有二次屏放于二次设备间,监控后台机放在电厂集控室,主变保护屏(许继设备,已采购,组屏放置于变电站二次设备间)及10kV保护装置(许继PMF700L型,已采购,开关柜就地安装)均已先期装设完毕。
35kV变电站工程综合自动化系统技术规范书1总则1.1 本技术规范书的使用范围仅限于张家口电网公司35kV变电站工程的综合自动化系统的设计、制造、安装和试验等方面的技术要求。
1.2 本技术规范书提出的是最低限度的技术要求,并未对一切技术细节做出规定,也未充分引述有标准和规范的条文。
未尽事宜均按国标规定执行,卖方必须保证提供符合工业标准和本技术规范书的优质产品。
1.3 如果卖方没有以书面形式对本技术规范书的条文提出异议,那么,视为卖方提供的产品完全满足本技术规范书的要求。
1.4卖方必须具备有效质量保证体系,提供的产品应在**电力系统的变电所运行过二年以上,且在近二年未发生严重质量事故。
1.5本技术规范书为订货合同的附件,与合同正文具有同等效力。
本技术规范书未尽事宜由双方协商确定。
2工程概况依据电力行业标准DL/T5103《35kV~110kV无人值班变电所设计规程》,优先选用以下5种典型设计方案供设计选择。
2.1 典型方案1线2变,主变室内,35kV室内装配间隔,母线段出线。
1)电气主接线:35kV:1回,内桥接线;10kV:2×N回出线,单母分段接线;两侧均为小电流接地系统。
2)主变:2台35KV/10KV/10000KVA双卷无载调压变压器,热备变:1台35KV/10KV/1000KVA双卷无载调压变压器,3)配电装置:35kV:室内装配间隔,母线段出线;10kV室内成套开关柜,电缆段出线。
4)所用变:35kV/10KV/50KVA变压器1台。
5)并联电容器:10kV I段、II段母线各1组电容器。
6)操作电源:直流电源。
7)继电保护:主变保护装置采用组屏方式,设于二次设备间;35kV 、10kV 保护装置就地分散布置。
8)自动装置:电容器投切,10kV系统接地检测。
9)电能考核:主变10kV侧及10kV馈线。
3总体方案要求3.1 按无人值班变电所配置二次设备,按单网络、单远动(总控或通信管理机)、单后台设计,后台监控不依赖于远动设备(总控或通信管理机)直接与间隔层设备进行通信,避免在远动设备或总控单元故障时,导致后台和远方监控同时失效。
μMPS4000系列变电站综合自动化系统μMPS4000-230B微机变压器后备保护装置技术及使用说明书V6.3北京清大华康电子技术有限责任公司二零零六年三月目录目录 (1)1.概述 (3)2.μMPS 4230B主要功能 (4)3.主要技术要求和指标 (4)3.1工作环境条件 (4)3.2周围环境 (4)3.3电源 (4)3.4主要技术参数 (5)4.保护原理及功能说明 (6)4.1复合电压闭锁过流保护 (6)4.2零序过流保护 (7)4.3零序过压保护 (8)4.4间隙零序过流保护 (8)4.5 过负荷保护 (9)4.6 PT断线检测与报警 (9)4.7后备保护跳闸出口应用说明 (10)4.8保护逻辑 (11)4.9故障录波 (12)4.10手动分合闸操作 (12)4.11交流电量测量 (12)4.12脉冲电度测量 (13)4.13测量通道的软件校正处理 (13)4.14 SOE记录 (13)4.15硬件说明 (14)4.16操作回路 (17)5.定值与参数说明 (21)5.1定值清单 (21)5.2定值说明 (22)5.3测量参数表说明 (24)5.4脉冲电度计量的峰谷时段表 (25)5.5系统参数表说明 (25)6.装置结构与接线端子图 (26)6.1结构外形 (26)6.2面板按键与指示灯操作说明 (28)6.3后面板端子接线说明 (28)7.面板显示操作功能说明 (31)7.1屏幕显示操作功能一览表 (31)7.2系统信息显示 (31)7.3主屏幕显示 (31)7.4一级菜单 (32)7.5系统信息显示 (32)7.6常规显示 (32)7.7设置 (34)7.8记录查询 (38)7.9系统参数查询 (39)7.10测量校正 (40)7.11分闸操作 (41)7.12合闸操作 (42)7.13事故复位 (42)7.14就地远动切换 (42)1.概述μMPS 4000系列综合自动化系统是的新一代面向二十一世纪的变电站成套保护装置。
变电站综合自动化通用技术规范一、引言变电站综合自动化是指利用先进的信息技术和自动控制技术,对变电站的设备、系统和过程进行监测、控制和管理,实现变电站的智能化运行。
本技术规范旨在规范变电站综合自动化的设计、安装、调试、运行和维护,提高变电站运行的可靠性、安全性和经济性。
二、术语和定义1. 变电站综合自动化:利用先进的信息技术和自动控制技术,对变电站的设备、系统和过程进行监测、控制和管理,实现变电站的智能化运行。
2. 变电站综合自动化系统:由监测子系统、控制子系统、管理子系统和通信子系统组成的一体化系统。
3. 监测子系统:负责对变电站的设备和过程进行实时监测,采集各种参数和状态信息。
4. 控制子系统:负责对变电站的设备和过程进行实时控制,实现自动化操作和调节。
5. 管理子系统:负责对变电站的设备和过程进行综合管理,包括故障诊断、设备维护和运行优化等功能。
6. 通信子系统:负责变电站综合自动化系统内部各子系统之间以及与外部系统之间的数据传输和通信。
7. 监测装置:用于采集变电站设备和过程的参数和状态信息的设备,包括传感器、仪表和监测仪等。
8. 控制装置:用于实现对变电站设备和过程的自动控制和调节的设备,包括PLC、RTU和控制终端等。
9. 管理装置:用于对变电站设备和过程进行综合管理和优化的设备,包括SCADA系统和能量管理系统等。
三、设计要求1. 可靠性要求:变电站综合自动化系统应具有高可靠性,能够保证系统的稳定运行,确保变电站的安全性和可靠性。
2. 安全性要求:变电站综合自动化系统应具有严格的安全保护措施,能够防止非法入侵和操作失误导致的安全事故。
3. 灵便性要求:变电站综合自动化系统应具有良好的灵便性,能够适应不同变电站的需求,并支持系统的扩展和升级。
4. 互操作性要求:变电站综合自动化系统应具有良好的互操作性,能够与其他系统进行数据交换和共享。
5. 可维护性要求:变电站综合自动化系统应具有良好的可维护性,能够方便地进行系统的维护和升级。
综合自动化规格书10kV变电所综合主动化妆置技巧规格书二0一二年四月五日审查表矿机电科:年月日矿机电矿长:年月日矿总工程师:年月日矿长:年月日公司机电部:年月日公司分担副总:年月日公司总工程师:年月日审查看法:目录1、供货范畴 02、项目概况 (1)3、总的要求 (1)4、项目情形 (3)5、通用要求 (4)6、技巧要求 (5)7、设计联络会议(如须要) (18)8、实验 (19)9、质量治理机包管 (20)1、供货范畴本表仅为10KV变电所综合主动化妆置供货范畴的重要项目,卖方应依照买方的技巧前提提出具体的设备清单。
2、项目概况本变电所的二次设备采取GCSAS型变电站综合主动化妆置,完成变电站的监控及爱护功能,同时向上级调剂单位供给变电站运行状况信息,完成远动体系RTV(远方终端单位)功能。
其爱护型式为:10kV爱护:10kV馈出线设电流速断爱护和过电流爱护,速断爱护为主爱护,过流爱护为后备爱护。
在10kV馈出线上安装型零序电流互感器和单相接地爱护装配,构成单相接地爱护,单相接地爱护动作于旌旗灯号。
电容器柜设无时限过电流,爱护动作于跳闸。
过电压爱护、单相接地爱护。
低压馈线应用开关自身的过流脱扣器实现爱护。
10KV主接线采取单母线分段接线;400V主接线采取采取单母线分段接线。
3、总的要求3.1需知3.1.1供货方(或供货厂,下同)必须有威望机构揭橥的ISO-9000系列的认证证书或等同的质量包管体系认证证书及华北电网进网许可证。
供货方或供货厂(包含分包厂)应设计、制造和供给过同类设备,且应用前提应与本工程相类似,或按较规定的前提更严格,至少有3台套3年以上的贸易运行体会。
3.1.2供货方应细心扫瞄招标文件。
供货方供给的设备技巧规范应与本协定书中提出的要求相一致,供货方也能够举荐知足本协定书要求的类似定型产品,但必须提出具体的技巧误差。
3.1.3本书提出了对设备本体及其从属设备的技巧要求。
重要包含设备的应用前提、重要技巧参数、构造、机能、实验及所需技巧材料等方面的内容。
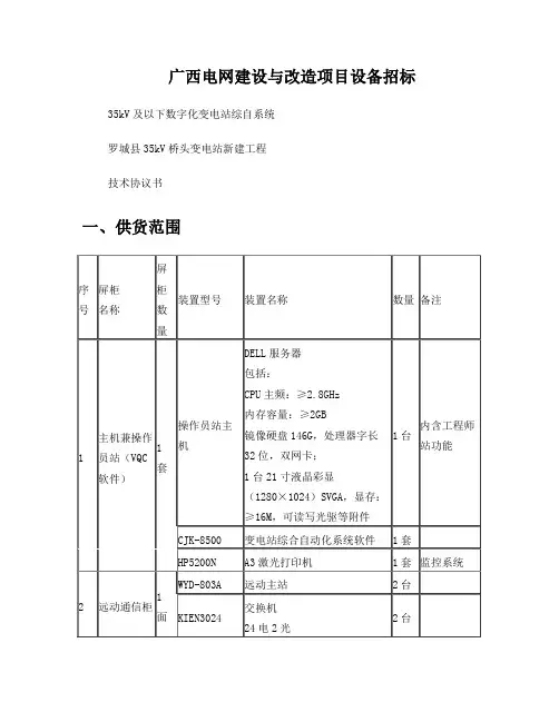
广西电网建设与改造项目设备招标35kV及以下数字化变电站综自系统罗城县35kV桥头变电站新建工程技术协议书一、供货范围二、技术要求1 总则1.1 一般规定1.1.1 本技术协议正文提出了对35kV数字化变电站监控系统的技术参数、系统配置、性能、试验等方面的技术要求。
1.1.2 本技术协议提出的是最低限度的技术要求,并未对一切技术细节作出规定,也未充分引述有关标准和规范的条文,卖方应提供符合相关标准和本技术协议的产品。
本技术协议所使用的标准如与卖方所执行的标准不一致时,按要求较高的标准执行。
1.1.3 本技术协议将作为订货合同的附件。
本技术协议未尽事宜,由合同签约双方在合同技术谈判时协商确定。
1.2 工作范围和进度要求1.2.1 本技术协议仅适用于技术规范专用部分货物需求一览表中所列的设备。
其中,包括35kV变电站监控系统功能设计、系统配置、性能、安装和试验等方面的技术要求,以及供货和现场技术服务。
1.2.2 技术协议签订后,卖方应在 2 周内,向买方提出一份详尽的生产进度计划表。
1.2.3 如生产进度有延误,卖方应及时将延误的原因、产生的影响及准备采取的补救措施等,向买方加以解释,并尽可能保证交货的进度。
否则应及时向买方通报,以便买方能采取必要的措施。
1.3 对设计图纸、说明书和试验报告的要求1.3.1 图纸及图纸的认可和交付1.3.1.1 所有需经买方确认的图纸和说明文件,均应由卖方在技术协议签订后的 2 周内提交给买方进行审定认可。
这些图纸资料包括计算机监控系统配置图、设备清单(包括设备型号、技术参数、性能数据)、设备布置和安装图、内部接线、设备组屏图、端子排接线图等。
买方审定时有权提出修改意见。
买方在收到需认可图纸2周内,将一套确认的或签有买方校定标记的图纸(买方负责人签字)返还给卖方。
买方有权对供货设备的卖方图纸提出修改意见。
凡买方认为需要修改且经卖方认可的,不得对买方增加费用。
在未经买方对图纸作最后认可前,任何采购或加工的材料损失应由卖方单独承担。
变电站综合自动化技术规格书目录1.0范围2.0标准规范、有关规程及规定3.0技术要求4.0保护配置5.0供货范围6.0注意事项7.0设计与制造8.0检验与检测9.0油漆、包装与运输10.0供货商的技术文件11.0供货商担保12.0其它`注:为保证该项目的顺利进行,需方要求投标单位在开标前与用户单位就该项目进行充分技术交流。
联系人:邹永志联系方式:0995-*******/131********1.0 范围本技术规格书规定了用于三塘湖油田牛圈湖区块产能建设工程中110kV变电站的综合自动化系统的设计、制造、检验、检测、包装和运输等的基本要求。
供货商应根据技术规格书的技术参数,按照相应的标准规范进行设计、制造、检验、检测、包装和运输,并提供良好的售后服务。
供货商所提供的设备应是制造厂的成熟标准产品,并且最少有两台(套)以上的产品在本规格书中所提供的类似环境条件下成功运行两年以上的经历,订购方不接受未经使用的新试制产品。
2.0 标准规范、有关规程及规定保护测控装置的设计、制造、检验、检测、包装和运输须遵循下列标准规范最新版本的要求,标准规范之间若有差异,应按最严格的标准规范执行。
·《电力装置的继电保护和自动装置设计规范》 GB50062-92·《继电保护和安全自动装置技术规程》 GB/T14285-2006·《静态继电保护及安全自动装置通用技术条件》 DL478-2001·《继电器和继电保护装置基本实验方法》 GB/T7261-2000 ·《微机线路保护装置通用技术条件》 GB/T15145-2001·《地区电网调度自动化系统系统》 GB/T13730-2002·《静态继电保护及保护装置的电气干扰试验》 GB/T6172.1-20003.0 技术要求3.1 工程概况:本变电站拟建于牛圈湖油田,其行政区隶属新疆哈密地区巴里坤哈萨克自治县管辖,西南距巴里坤县城90公里,南距哈密市140公里,位于北天山东北方向,海拔高度约600米左右。
xxx电力公司110kV变电站综合自动化系统订货技术规范书xxx电力公司200x.xx目录第一部分当地监控及测控装置 (3)1 总则 (3)2 供货范围 (5)3 技术要求 (9)4 设计联络会 (26)5 技术服务和工厂培训、验收 (27)6 质量保证和试验 (31)7 包装、运输和储存 (38)第二部分继电保护及自动装置 (40)1 适用范围 (40)2 采用标准 (40)3 装置工作环境 (40)4 装置额定参数: (41)5 工程概况 (42)6 主变压器保护配置(在[ ]内打∨为本次工程) (42)7 35千伏及以下保护测控装置 (45)8 备自投装置 (48)9 供货范围 (49)10 技术要求 (50)11 柜体要求 (52)12 图纸和资料 (54)13 试验 (55)14 装运 (56)15 技术服务 (56)16 图纸确认 (57)第一部分当地监控及测控装置1总则1.1概述1.1.1本设备技术规范书适用于xxxxxxx110kV变电所改扩建工程当地监控系统及测控装置,它提出了变电所监控系统的功能、设计、结构、性能、安装和试验等方面的技术要求。
1.1.2本设备技术规范书提出的是最低限度的技术要求,卖方应提供符合本规范书和工业标准的优质产品。
1.1.3如果卖方没有以书面形式对本规范书的条文提出异议,则意味着卖方提供的设备(或系统)完全符合本规范书的要求。
如有异议,不管是改动多大,都应在报价书中以“对技术规范书的意见和同技术规范书的差异”为标题的专门章节中加以详细描述。
1.1.4本设备技术规范书所使用的标准如遇与卖方所执行的标准不一致时,按较高标准执行。
1.1.5本设备技术规范书经买卖双方确认后作为订货合同的技术附件,与合同正文具有同等法律效力。
1.1.6在本设备中使用的软件及版本应有使用版权,并应在投标时作出承诺。
1.1.7本设备技术规范书未尽事宜,由买卖双方协商确定。
1.2卖方工作范围卖方应提供满足本规范书要求所必须的硬件、软件和各项服务,其中包括(但不限于)下列内容:1.2.1监控系统和配套设备(包括光纤电缆、计算机网络电缆及辅助设施)的设计及供货,以及这些设备的现场安装、调试、验收、投运及售后服务等。
综合自动化规格书10kV变电所综合自动化装置技术规格书编制:二0一二年四月五日审查表矿机电科:年月日矿机电矿长:年月日矿总工程师:年月日矿长:年月日公司机电部:年月日公司分管副总:年月日公司总工程师:年月日审查意见:目录1、供货范围 02、项目概况 (1)3、总的要求 (1)4、项目环境 (3)5、通用要求 (4)6、技术要求 (5)7、设计联络会议(如需要) (18)8、试验 (19)9、质量管理机保证 (20)1、供货范围本表仅为10KV变电所综合自动化装置供货范围的要紧项目,卖方应根据买方的技术条件提出全面的设备清单。
2、项目概况本变电所的二次设备使用GCSAS型变电站综合自动化装置,完成变电站的监控及保护功能,同时向上级调度单位提供变电站运行状况信息,完成远动系统RTV(远方终端单元)功能。
其保护型式为:10kV保护:10kV馈出线设电流速断保护与过电流保护,速断保护为主保护,过流保护为后备保护。
在10kV馈出线上安装型零序电流互感器与单相接地保护装置,构成单相接地保护,单相接地保护动作于信号。
电容器柜设无时限过电流,保护动作于跳闸。
过电压保护、单相接地保护。
低压馈线利用开关自身的过流脱扣器实现保护。
10KV主接线使用单母线分段接线;400V主接线使用使用单母线分段接线。
3、总的要求3.1需知3.1.1供货方(或者供货厂,下同)务必有权威机构颁发的ISO-9000系列的认证证书或者等同的质量保证体系认证证书及华北电网有限公司进网许可证。
供货方或者供货厂(包含分包厂)应设计、制造与提供过同类设备,且使用条件应与本工程相类似,或者按较规定的条件更严格,至少有3台套3年以上的商业运行经验。
3.1.2供货方应认真阅读招标文件。
供货方提供的设备技术规范应与本协议书中提出的要求相一致,供货方也能够推荐满足本协议书要求的类似定型产品,但务必提出全面的技术偏差。
3.1.3本书提出了对设备本体及其附属设备的技术要求。
220KV变电所综合自动化系统技术规范书建设单位运行单位设计单位审定:审核:校核:编写:XX电力公司年月目录I 总则1.1 总则1.2 规范与标推2 综合自动化系统2.1 总的工作条件2.2 系统结构2.3 系统功能2.3.1 概要2.3.2 数据采集与处理2.3.3 报警处理2.3.4 事件顺序记录和事故追忆功能2.3.5 控制和保护功能2.3.6 管理功能2.3.7 在线统计计算2.3.8 画面显示和打印2.3.9 时钟同步2.3.10 与远方调度的信息交换2.3.11 与其他设备的接口2.3.12 与微机五防系统的接口2.3.13 系统的自诊断和自恢复2.3.14 维护功能2.4 性能及指标2.4.1 系统的可用性2.4.2 系统的可维护性2.4.3 系统的可靠性2.4.4 系统的容错能力2.4.5 系统的安全性2.4.6 系统的抗电磁干扰能力2.4.7 系统主要技术指标2.5 综合自动化系统容量及规模2.5.1 工程概况2.6 硬件的要求2.6.1 概要2.6.2 系统主机2.6.2.1 操作工程师站2.6.2.2 网络服务器及激光打印机2.6.3 维护工程师站2.6.4远动工作站2.6.4.1 录由器2.6.5 I/O测控单元要求2.6.6 对屏(柜)的要求2.7 软件的要求2.7.1 系统软件2.7.2 支持软件2.7.3 应用软件3 供货范围4 试验及验收5 资料及设计联络会6差异表附图:电气主接线图附件:技术条件表1.1 总则1.1.1 本规范书适用于宁夏220kV变电所综合自动化系统的设备招标。
1.1.2 需方在本规范书中提出的是最低限度的技术要求,并未对一切技术细节作出规定,也未充分引用有关标准和规定的条件,供方保证所提供的综合自动化系统及配套设备符合本技术规范书的要求,并满足不低于现行的IEC标准和国家标准的要求。
1.1.3 如果供方没有以书面对本规范书的条文提出异议,那么供方认为供方提供的设备完全符合规范书的要求。
电气化铁道ZW_55真空断路器技术规格书中铁太原设计咨询院有限公司2007.12目录Ⅰ一般事项 (1)1.适用范围 (1)2.供货要求 (1)3.供方责任范围 (1)Ⅱ技术规格 (1)1.引用标准 (1)2.使用条件 (2)3.主要技术规格和结构 (2)4.铭牌 (6)5.试验 (6)6.包装、运输和储藏 (7)7.技术文件和图纸 (7)8.技术服务及培训 (8)9.出厂验收 (8)Ⅰ一般事项1.适用范围本技术规格书在太原铁路局范围内适用。
本技术规格书未涉及到的技术问题,制造商均按照招标书要求和投标书中的承诺进行生产。
2.供货要求(1)所供断路器应为运行可靠、便于维护、品质优良的产品,并通过省部级以上鉴定,其设备技术参数参见本技术规格书“技术规格”一节。
(2)供方应根据现场的实际情况对断路器的安装、运行和维护方式等内容提供具体的建议方案。
(3)断路器的生产制造应严格按照国家标准和设计图纸进行。
(4)断路器的包装及运输应符合国家标准。
(5)供方应提供满足质保期内使用的备品、备件、专用测试仪表、专用维修工具及试验设备的建议书,主要包括设备名称、数量、单价等内容。
3.供方责任范围(1)负责断路器的设计、生产、供应。
(2)负责提出所供断路器的安装、运行、维护要求和注意事项。
(3)提供所供断路器及所配电流互感器的技术文件、图纸、出厂试验报告、合格证、使用说明书等资料。
(4)负责对需方人员的技术培训。
(5)负责所供断路器的包装,并运输至需方指定地点。
(6)负责所供断路器现场安装的技术指导。
(7)负责指导所供断路器的现场试验。
(8)负责长期提供所供断路器的零部件和技术服务。
Ⅱ技术规格1.引用标准电气化铁道ZW_55真空断路器的设计、制造、检查、试验和验收除了应满足本技术规格书的要求外,还应遵照适用的有效版本的IEC标准、中国国家标准(GB)、电力行业(DL)标准、铁道行业标准(TB)等。
下列标准所包含的条文,通过在本技术规格书中引用而构成本技术规格书的条文。
xxx电力公司110kV变电站综合自动化系统订货技术规范书xxx电力公司200x.xx目录第一部分当地监控及测控装置 (3)1总则 (3)2供货范围 (5)3技术要求 (9)4设计联络会 (26)5技术服务和工厂培训、验收 (26)6质量保证和试验 (31)7包装、运输和储存 (37)第二部分继电保护及自动装置 (39)1适用范围 (39)2采用标准 (39)3装置工作环境 (39)4装置额定参数: (40)5工程概况 (41)6主变压器保护配置(在[ ]内打∨为本次工程) (41)735千伏及以下保护测控装置 (44)8备自投装置 (46)9供货范围 (50)10技术要求......................................... 错误!未定义书签。
11柜体要求.. (52)12图纸和资料 (54)13试验 (54)14装运 (56)15技术服务 (56)16图纸确认 (56)第一部分当地监控及测控装置1总则1.1概述1.1.1本设备技术规范书适用于xxxxxxx110kV变电所改扩建工程当地监控系统及测控装置,它提出了变电所监控系统的功能、设计、结构、性能、安装和试验等方面的技术要求。
1.1.2本设备技术规范书提出的是最低限度的技术要求,卖方应提供符合本规范书和工业标准的优质产品。
1.1.3如果卖方没有以书面形式对本规范书的条文提出异议,则意味着卖方提供的设备(或系统)完全符合本规范书的要求。
如有异议,不管是改动多大,都应在报价书中以“对技术规范书的意见和同技术规范书的差异”为标题的专门章节中加以详细描述。
1.1.4本设备技术规范书所使用的标准如遇与卖方所执行的标准不一致时,按较高标准执行。
1.1.5本设备技术规范书经买卖双方确认后作为订货合同的技术附件,与合同正文具有同等法律效力。
1.1.6在本设备中使用的软件及版本应有使用版权,并应在投标时作出承诺。
1.1.7本设备技术规范书未尽事宜,由买卖双方协商确定。
平湖市生活垃圾焚烧发电工程电气综合自动化系统技术规范书编制:平湖市生活垃圾焚烧发电厂浙江城建煤气热电设计院有限公司二OO七年八月1.概述本期建设规模为3×45t/h CFB锅炉,2X9MW抽凝式汽轮发电机组,发电机出口电压为10.5kV,设发电机母线。
厂用高低压工作电源从发电机10kV母线I,II段上取得,厂用电电压等级为10kV及380/220V两级。
35kV联络线2回。
并预留一炉一机的发展空间。
本工程电气值班人员,每班只有少数人员(2~3人)在控制室内控制、监视。
监控系统框架及容量按本工程的最终容量考虑。
2.供货范围及须知2.1 供货范围2.1.1微机保护、信息测量、控制系统、操作员工作站、工程师工作站、打印机、CRT、网络及通讯等设备和系统所需的全部软件。
2.1.2 所有设备间的连接电缆及端子排。
2.1.3指导安装、调试、技术培训和保证期内的维修服务。
2.1.4备品备件和特殊工具。
2.1.5设计、制造、工厂验收、包装和运输。
2.1.6技术资料、图纸以及同工程设计单位的协调工作。
2.2 技术文件2.2.1 概述(1)为确保微机综合自动化系统的验收、安装、运行及维护,卖方应提供微机综合自动化系统设备设计、制造的图纸、技术文件和说明手册,并对其所提供的全部技术资料的准确性负责。
(2)卖方提供的技术文件和资料应能满足买方进行系统维护和进一步开发、扩容的需要。
(3)所需初设图纸是指卖方提供给买方要求确认的图纸。
最终图纸是指经修改后的买方最后确认的图纸。
安装图是指交货时描述设备最终完整状态的图纸。
(4)所提供图纸的规格和质量应符合本标书2.4.3条的规定。
2.2.2 卖方向买方和工程设计单位提供的全部图纸和说明手册(1) 所提供的图纸、说明手册的分发单位、种类、数量如下:(3)说明手册说明手册应包括所有设备的装配、运行、维护、零件清单及设备型号等方面的说明,说明手册由制造厂提供。
说明手册还应包括软件总体说明及使用说明等。
变电所综合自动化系统①铁生沟35KV变电站②观音堂副四号变电所(6KV)一、总体说明:1、变电站综合保护装置选用许继、南自、南瑞等国内知名品牌。
该保护具备煤矿安全规程及电力运行规程要求的所有保护功能,能够实时采集三相电参数,通过网络能够实现“四遥”功能及有足够的冗余,满足微机联网及检测数据传输调用。
主机两台,主备运行方式,必须能够实现双机热备并自动切换。
2、本标段所采购范围开关柜综合保护装置、后台系统、变压器保护屏、线路保护屏等。
3、铁生沟35KV变电站35KV部分集中组屏,6KV部分分散安装,观音堂副四号变电所分散安装。
二、技术要求系统应采用成熟先进的全分布、开放式结构设计,按间隔划分、单元化设计、分布式处理。
综合自动化系统应具有高可靠性和可扩充性,综合自动化系统从结构上分为三个层次:主控层、通讯层和间隔层。
主控层功能要求:㈠主控层主要完成各间隔单元的信号采集、处理、控制、显示及打印,实现参数的鉴定修改、防误操作系统等。
经CAN或以太网总线通讯联接各间隔单元的监控保护设备、多功能智能表、交流电源屏、直流电源及其它智能设备,使之成为一个完整的系统。
完成各类适时性数据的处理及操作。
操作员工作站完成主站的监视、控制等。
要求采用双网络结构。
综合自动化系统要求具有性能安全可靠、运行稳定、功能完备、报表组态、曲线查询方便、SOE查询全面且分类、便于扩建、界面友好、使用与维护简单方便的特点。
具有以下主要功能:、实时数据采集与处理1、控制操作、对断路器实现分闸/合闸控制,并具有检同期防误操作的闭锁功2.能3、与微机保护的通讯接口4、与微机“五防”的通讯接口5 、与微机直流电源的通讯接口6、与卫星时钟同步、事件顺序处理:7 、报警处理8 9、故障录波功能10 、变电站操作系统11、实时画面显示、制表打印12 13、维护功能14、变电所专家系统㈡、通讯层的功能要求:通讯层负责与综合自动化装置、直流屏、其他智能设备等通讯联系,实现数字信息、电能量信息等的采集、传输及控制等。