常用阀门型号意义
- 格式:doc
- 大小:31.50 KB
- 文档页数:4
闸阀规格型号的含义
(原创版)
目录
1.闸阀的定义和作用
2.闸阀规格型号的构成
3.闸阀规格型号的含义详解
4.闸阀规格型号的选择和使用
正文
一、闸阀的定义和作用
闸阀是一种常用的阀门,主要用于管道中截断或接通流体介质。
它具有结构简单、密封性能好、操作简便等特点,广泛应用于各种工业领域。
二、闸阀规格型号的构成
闸阀的规格型号由一系列数字和字母组成,如“Z41H-16C”。
其中,各个字母和数字代表了闸阀的各个参数,如结构形式、材质、密封面形式、连接方式等。
三、闸阀规格型号的含义详解
以“Z41H-16C”为例,各个参数的含义如下:
- Z:表示闸阀的结构形式,Z 代表截止阀;
- 41:表示阀门的公称通径,41 代表 DN40;
- H:表示阀门的结构材料,H 代表碳钢;
- 16:表示阀门的公称压力,16 代表 PN16;
- C:表示阀门的密封面形式,C 代表硬质合金密封。
通过这些参数,可以清晰地了解闸阀的各项性能和适用范围。
四、闸阀规格型号的选择和使用
选择合适的闸阀规格型号,需要根据实际工况和需求来确定。
首先要了解管道的公称通径、公称压力、介质性质等,然后根据这些信息选择合适的闸阀型号。
使用时,要按照产品说明书进行正确安装和操作,确保闸阀能够发挥预期的功能。
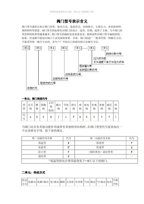
阀门型号表示含义阀门型号通常应表示阀门类型、驱动方式、连接形式、结构特点、公称压力、密封面材料、阀体材料等要素。
阀门型号的标准化对阀门的设计、选用、经销,提供了方便。
当今阀门的类型和材料种类越来越多,阀门型号的编制也愈来愈复杂。
我国虽然有阀门型号编制的统一标准,但逐渐不能适应阀门工业发展的需要。
目前,阀门制造厂一般采用统一的编号方法;不能采用统一编号方法的,各生产厂可按自己的情况制订出编号方法。
当阀门还具有其他功能作用或带有其他特异结构时,在阀门类型代号前再加注一个汉语拼音字母,按下表的规定。
第二功能作用名称代号 第二功能作用名称代号 保温型 B 排渣型 P 低温型 D a快速型Q 防火型 F (阀杆密封)波纹管型W 缓闭型H——a低温型指允许使用温度低于-46℃以下的阀门。
二单元:传动方式类型 安全阀 蝶阀 隔膜阀 止回阀底阀 截止阀 节流阀 排污阀 球阀 疏水阀 柱塞阀 旋塞阀 减压阀 闸阀代号ADGHJLPQSUXYZ传动 方式 电磁动 电磁-液动 电-液动 蜗轮 正齿轮 伞齿轮 气动 液动 气-液动 电动 手柄手轮不表示;对于气动或液动机构操作的阀门:常开式用6K、7K表示;常闭式用6B、7B表示;防爆电动装置的阀门用9B表示。
三单元:连接型式四单元:结构型式阀门结构形式用阿拉伯数字表示,按下表规定。
闸阀结构形式代号截止阀、节流阀和柱塞阀结构形式代号球阀结构形式代号蝶阀结构形式代号隔膜阀结构形式代号旋塞阀结构形式代号止回阀结构形式代号安全阀结构形式代号减压阀结构形式代号蒸汽疏水阀结构形式代号排污阀结构形式代号五单元:密封副材料当密封副的密封面材料不同时,以硬度低的材料代号表示。
六单元:公称压力数值用阿拉伯数字直接表示,它是MPa的10倍七单元:阀体材料灰铸铁底压阀和钢制中压省略此项举例:Z543H-16C 伞齿轮传动法兰连接平板闸阀,公称压力1.6MPa,阀体材料为碳钢阀门的命名阀门的名称按传动方式、连接形式、结构形式、衬里材料和类型命名。
阀门型号表示含义阀门型号通常应表示、驱动方式、连接形式、结构特点、、密封面材料、阀体材料等要素。
阀门型号的标准化对阀门的设计、、经销,提供了方便。
当今阀门的类型和材料种类越来越多,阀门型号的编制也愈来愈复杂。
我国虽然有阀门型号编制的统一标准,但逐渐不能适应阀门工业发展的需要。
目前,阀门制造厂一般采用统一的编号方法;不能采用统一编号方法的,各生产厂可按自己的情况制订出编号方法。
一单元:阀门类型代号拼音字母,按下表的规定。
第二功能作用名称代号第二功能作用名称代号保温型 B 排渣型P低温型D a快速型Q防火型 F (阀杆密封)波纹管型W缓闭型H ——类型安全阀隔膜阀底阀排污阀疏水阀柱塞阀旋塞阀减压阀代号 A D G H J L P Q S U X Y Z二单元:传动方式示;对于气动或液动机构操作的阀门:常开式用6K、7K表示;常闭式用6B、7B表示;防爆电动装置的阀门用9B表示。
三单元:连接型式四单元:结构型式阀门结构形式用阿拉伯数字表示,按下表规定。
闸阀结构形式代号截止阀、节流阀和柱塞阀结构形式代号球阀结构形式代号蝶阀结构形式代号隔膜阀结构形式代号旋塞阀结构形式代号止回阀结构形式代号安全阀结构形式代号减压阀结构形式代号蒸汽疏水阀结构形式代号排污阀结构形式代号五单元:密封副材料六单元:公称压力数值用阿拉伯数字直接表示,它是MPa的10倍举例:Z543H-16C 伞齿轮传动,公称压力1.6MPa,阀体材料为碳钢阀门的命名阀门的名称按传动方式、连接形式、结构形式、衬里材料和类型命名。
但下面内容在命名中均予省略:(1) 连接形式中:“法兰”。
(2) 结构形式中:a:闸阀的“明杆”、“弹性”、“刚性”和“单闸板”;b:截止阀和节流阀的“直通式”;c:球阀的“浮动”和“直通式”;d:蝶阀的“垂直板式”;e:隔膜阀的“屋脊式”;f:旋塞阀的“填料”和“直通式”;g:止回阀的“直通式”和“单瓣式”;h:安全阀的“不封闭”。
【阀门型号】具体含义大汇总,收藏备用!最近发现好多人不知道阀门型号的字母的含义?认为想要知道阀门型号的具体含义非常的困难,其实不然,下面就让小阀教大家快速弄清阀门型号的含义吧!第一步:了解阀门型号的表示方法第二步:阀门型号表示的基本常识有时为了方便某些单元就直接略过了,比如最常见的2单元驱动方式代号,还有6单元压力代号,7单元阀体材料代号。
那该如何判断呢?若没有“-”就表示略过了6单元、7单元。
比如Z43F,这就是略过了6单元,7单元。
若“-”前面是四位的话就表示略过2单元驱动方式代号,若“-”前面是五位的话就表示是正常的。
第三步:根据阀门型号查找代号的含义根据具体的阀门型号来一个一个的查找阀门型号数字、字母所表示的含义。
下面给出阀门代号的含义图。
通过这三步相信大家都能很轻松的知道阀门型号的具体含义吧!回顾一下:阀门的标识和型号的含义,从最基本的知识教你认识阀门阀门的初学者总是误认为水龙头是阀门。
实则非也,水龙头严格意义上属于卫浴系列的。
阀门则分为闸阀,截止阀,蝶阀,高压阀,低压阀,衬氟阀,安全阀,泄压阀,防腐阀,过滤器,止回阀,减压阀,过流阀,陶瓷阀,中压阀,高温阀,低温阀等等。
经过整理,下面将阀门型号具体的意思逐一给阀友们剖析。
一、分类按动力分1自动阀门依靠介质自身的力量进行动作的阀门。
如止回阀、减压阀、疏水阀、安全阀等。
2驱动阀门依靠人力、电力、液力、气力等外力进行操纵的阀门。
如截止阀、节流阀、闸阀、碟阀、球阀、旋塞阀等。
按结构特性分1截门形:关闭件沿着阀座中心线移动。
2闸门形:关闭件沿着垂直于阀座的中心线移动。
3旋塞形:关闭件是柱塞或球,围绕本身的中心线旋转。
4旋启形:关闭件围绕阀座外的一个轴旋转。
5蝶形:关闭件是圆盘,围绕阀座内的轴旋转。
6滑阀形:关闭件在垂直于通道的方向上滑动。
按用途分1开断用:用来切断或接通管路介质。
如截至阀、闸阀、球阀、旋塞阀等。
2调节用:用来调节介质的压力或流量。
闸阀规格型号的含义
【原创版】
目录
1.闸阀的定义和作用
2.闸阀规格型号的构成
3.闸阀规格型号中各个部分的含义
4.闸阀规格型号的选择与应用
正文
一、闸阀的定义和作用
闸阀是一种常用的阀门,主要用于管道中截断或接通流体介质。
它具有结构简单、密封性能好、操作方便等特点,广泛应用于石油、化工、冶金、建筑等各个领域。
二、闸阀规格型号的构成
闸阀的规格型号由数字和字母组成,通常表示为“DNXX-XX”。
其中,DN 表示公称直径,XX 表示公称压力,另一个 XX 表示阀体材料。
三、闸阀规格型号中各个部分的含义
1.DN:表示闸阀的公称直径,单位为毫米(mm)。
它是阀门流通通道的规格,决定了阀门的流量和尺寸。
2.XX:表示闸阀的公称压力,单位为兆帕(MPa)。
它是阀门能够承受的最大压力,决定了阀门的使用范围和安全性能。
3.阀体材料:表示闸阀阀体的材料,如铸铁、碳钢、不锈钢等。
不同的阀体材料具有不同的性能和适用范围,可根据实际工况选择。
四、闸阀规格型号的选择与应用
选择合适的闸阀规格型号,需要根据管道的公称直径、公称压力和介
质特性等因素进行综合考虑。
在实际应用中,应根据工程设计要求,参照相关标准和规范,确保闸阀的性能和质量满足使用需求。
阀门型号表示含义阀门型号通常应表示阀门类型、驱动方式、连接形式、结构特点、公称压力、密封面材料、阀体材料等要素。
阀门型号的标准化对阀门的设计、选用、经销,提供了方便。
当今阀门的类型和材料种类越来越多,阀门型号的编制也愈来愈复杂。
我国虽然有阀门型号编制的统一标准,但逐渐不能适应阀门工业发展的需要。
目前,阀门制造厂一般采用统一的编号方法;不能采用统一编号方法的,各生产厂可按自己的情况制订出编号方法。
一单元:阀门类型代号当阀门还具有其他功能作用或带有其他特异结构时,在阀门类型代号前再加注一个汉语拼音字母,按下表的规定。
第二功能作用名称 代号 第二功能作用名称 代号类型 安全阀 蝶阀 隔膜阀 止回阀 底阀截止阀节流阀排污阀 球阀 疏水阀柱塞阀旋塞阀减压阀闸阀代号A DGHJLPQSUXYZ二单元:传动方式安全阀、减压阀、疏水阀、手轮直接连接阀杆操作结构形式的阀门,本代号省略,不表示;对于气动或液动机构操作的阀门:常开式用6K、7K表示;常闭式用6B、7B表示;防爆电动装置的阀门用9B表示。
三单元:连接型式四单元:结构型式阀门结构形式用阿拉伯数字表示,按下表规定。
闸阀结构形式代号截止阀、节流阀和柱塞阀结构形式代号球阀结构形式代号蝶阀结构形式代号隔膜阀结构形式代号旋塞阀结构形式代号止回阀结构形式代号安全阀结构形式代号减压阀结构形式代号蒸汽疏水阀结构形式代号排污阀结构形式代号五单元:密封副材料当密封副的密封面材料不同时,以硬度低的材料代号表示。
六单元:公称压力数值用阿拉伯数字直接表示,它是MPa的10倍七单元:阀体材料灰铸铁底压阀和钢制中压省略此项举例:Z543H-16C 伞齿轮传动法兰连接平板闸阀,公称压力1.6MPa,阀体材料为碳钢阀门的命名阀门的名称按传动方式、连接形式、结构形式、衬里材料和类型命名。
但下面内容在命名中均予省略:(1) 连接形式中:“法兰”。
(2) 结构形式中:a:闸阀的“明杆”、“弹性”、“刚性”和“单闸板”;b:截止阀和节流阀的“直通式”;c:球阀的“浮动”和“直通式”;d:蝶阀的“垂直板式”;e:隔膜阀的“屋脊式”;f:旋塞阀的“填料”和“直通式”;g:止回阀的“直通式”和“单瓣式”;h:安全阀的“不封闭”。
阀门型号上每个字母的含义-lk一、阀门的型号阀门的型号是用来表示阀类、驱动及连接形式、密封圈材料和公称压力等要素的。
由于阀门种类繁杂,为了制造和使用方便,国家对阀门产品型号的编制方法做了统一规定。
阀门产品的型号是由七个单元组成,用来表明阀门类别、驱动种类、连接和结构形式、密封面或衬里材料、公称压力及阀体材料。
阀门型号的组成由七个单元顺序组成(见下表)1.阀门的类型代号表1—1阀门类型代号阀门类型代号阀门类型代号闸阀Z 球阀Q 疏水阀S截止阀J 旋塞阀X 安全阀 A 节流阀L 液面指示器M 减压阀Y 隔膜阀G 止回阀H柱塞阀U 碟阀 D2.传动方式代号用阿拉伯数字表示,按表1—2的规定表1—2传动方式代号传动方式代号电磁阀电磁—液动电—液动蜗轮正齿轮01234伞齿轮气动液动气—液动电动56789注:①手轮、手柄和扳手传动以及安全阀、减压阀、疏水阀省略本代号。
②对于气动或液动:常开式用6K、7K表示;常闭式用6B、7B表示;气动带手动用6S表示。
防爆电动用“9B”表示。
3.连接形式代号用阿拉伯数字表示,按表1—3的规定表 1—3连 节 形 式 代 号 连 节 形 式 代 号 内 螺 纹 外 螺 纹 法 兰 焊 接1 2 4 6对 夹 卡 箍 卡 套7 8 9注:焊接包括对焊和承插焊4.结构形式代号用阿拉伯数字表示1—4~13 表 1—4闸 阀 结 构 形 式 代 号 弹 性 闸 板 0 单 闸 板 1楔 式 双 闸 板 2 单 闸 板 3明 杆平 行 式双 闸 板 4 单 闸 板 5 暗 杆 楔 式刚 性双 闸 板6表 1—5截 止 阀 和 节 流 阀 结 构 形 式 代 号 直 通 式 1 角 式 4 直 流 式5 直 通 式6 平 衡角 式7表 1—6球 阀 结 构 形 式 代 号 直 通 式 1 L 形 4浮 动 T 形三 通 式5 固 定直 通 式7表 1—7蝶 阀 结 构 形 式代 号杠 杆 式 垂 直 板 式 斜 板 式0 1 3表 1—8隔 膜 阀 结 构 形 式代 号 屋 脊 式 1截 止 式 闸 板 式3 7表 1—9旋 塞 阀 结 构 形 式 代 号 直 通 式 3 T 形 三 通 式 4填 料 四 通 式 5 直 通 式 7 油 封T 形 三 通 式8表 1—10止 回 阀 和 底 阀 结 构 形 式 代 号 直 通 式 1 升 降 立 式 2 单 瓣 式 4 多 瓣 式 5旋 启双 瓣 式6表 1—11安 全 阀 结 构 形 式 代 号 带 散 热 片 全 启 式0 12封 闭全 启 式 4 双弹簧微启式 3 微 启 式 7 全 启 式 8带 板 手微 启 式5弹 簧不 封 闭带控制机构全 启 式6 脉 冲 式9注:杠杆式安全阀在类型代号前加“G ”汉语拼音字母。
阀门型号及含义说明一、通用阀门:所有阀门型号都有下面七个单元组成:1 2 3 4 5 ——6 7通常应表示阀门类型、驱动方式、连接形式、结构特点、密封面材料、公称压力、阀体材料等。
以下图为例:1、阀门类型代号:即:Z 闸阀J截止阀L节流阀H止回阀和底阀Q球阀X旋塞阀D蝶阀A安全阀S蒸汽疏水阀Y减压阀G隔膜阀注明:当阀门还具有其它功能作用或带有其它特异结构时,在阀门类型代号前再加注一个汉语拼音字母(1)阀门类型代号前加“D”为低温阀门(低于-40℃);代号前加“B”为保温的阀门(带加热套);防火型F;缓闭型H。
(2)截止阀类型代号前加“W”,表示波纹管密封阀门。
(3)闸阀类型代号前加“P”表示用于排渣系统阀门,加“X”或“K”为排渣用泥浆阀。
(4)在地下水用闸阀类型代号前加“S”表示竖式安装,加“W”表示卧式安装。
(5)在地下水用闸阀类型代号前加“D1”、“D2”表示短系列,加“Q”表示球蝶阀,加“S”表示用于地下管网蝶阀。
2、传动方式代号:即:0电磁动1电磁-液动2电-液动3蜗轮(蜗杆)4正齿轮5锥齿轮6气动7液动8气-液动9电动若为手动则省略注明:对于齿轮、手柄、扳手等直接传动或自动阀门(安全阀、减压阀、疏水阀、手轮直接连接阀杆操作结构形式的阀门)本代号省略,不表示;对于气动或液动机构操作的阀门,常开式用6K、7K表示,常闭式用6B、7B表示,气动带手动用6S表示。
防爆电动装置的阀门用9B表示,户外耐热式用9R表示。
3、连接方式代号:即:1内螺纹2外螺纹4法兰式6焊接式7对夹式8卡箍9卡套4、结构形式代号阀门结构形式用1位阿拉伯数字表示,如下:(一)闸阀结构形式代号:即:0楔式弹性闸板1楔式单闸板2楔式双闸板3平行式单闸板4平行式双闸板(二)截止阀、截流阀结构形式代号:即:1直通式4角式5直流式(三)止回阀结构形式代号:代号 1 2 3 4 5 6 7 8 9结构型式升降式阀瓣旋启式阀瓣升降式阀瓣蝶式直通流道立式结构角式结构单瓣结构多瓣结构双瓣结构直流式节流再循环式即:1直通式2升降立式3升降角式6旋启单瓣式(四)安全阀结构形式代号:(五)调节阀结构形式代号:(六)球阀结构形式代号:即:1浮球直通式7固定直通式(七)给水分配阀、减压阀、旋塞阀、蝶阀、输水阀、隔膜阀结构形式代号:注明:结构形式如为杠杆式安全阀,在结构形式代号前加“G”,1代表单杆微启,2代表单杆全启,3代表双杆微启,4代表双杆全启.5、密封面材质代号:(用汉语拼音字母表示)注:当阀座与阀瓣材质不同时,用底硬度材料代号表示(隔膜阀除外)即:H合金钢Y硬质合金F氟塑料T铜合金P渗硼钢X橡胶N尼龙塑料B锡基轴承合金(巴氏合金)Q衬铅J衬胶C、P 陶瓷、渗硼钢W本体材质( 碳化钨硬质合金)6、公称压力代号:公称压力数值用阿拉伯数字直接表示,并用短线与前五个单元分开。
阀门型号通常表示阀门类型、驱动方式、连接形式、结构特点、密封面材料、公称压力、阀体材料等。
1、阀门类型代号
当阀门还具有其它功能作用或带有其他特异结构时,在阀门类型代号前加注一个汉语拼音字母,按下表的规定。
2、传动方式
安全阀、减压阀、疏水阀、手轮直接连接阀杆操作结构形式的阀门,本代号省略,不表示;对于气动或液动机构操作的阀门:常开式用6K、7K表示;常闭式用6B、7B表示;防爆电动装置的阀门用9B表示。
3、连接形式
4、结构形式
阀门的结构形式用阿拉伯数字表示,按下表规定。
闸阀结构形式代号:
截止阀、节流阀和柱塞阀结构形式代号
球阀结构形式代号
蝶阀结构形式代号
隔膜阀结构形式代号
旋塞阀结构形式代号
止回阀结构形式代号
安全阀结构形式代号
减压阀结构形式代号
蒸汽疏水阀结构形式代号
排污阀结构形式代号
五、密封副材料
六、公称压力数值用阿拉伯数字直接表示,它是MPa的10倍。
七、阀体材料
PL50-1.6RF (其中PL是指板式平焊钢制管法兰50是指公称通径DN50 1.6是指公称压力PN1.6 RF是指法兰密封面型式是突面)。
闸阀规格型号的含义闸阀是一种常见的管道控制阀门,广泛应用于各种领域。
在选购闸阀时,不同的规格型号代表着不同的参数和性能,对于用户来说,了解这些规格型号的含义,可以帮助用户选择适合自己需求的闸阀。
本文将介绍闸阀规格型号的含义,以帮助用户更好地了解闸阀的性能和参数。
一、闸阀的分类闸阀按照结构形式可分为平板闸阀、弹性座封闸阀、硬密封闸阀等;按照驱动方式可分为手动闸阀、电动闸阀、气动闸阀等;按照使用场合可分为普通闸阀、高温闸阀、低温闸阀等。
二、闸阀规格型号的含义1. 闸阀公称压力闸阀公称压力是指闸阀在设计时所能承受的最大压力,单位为MPa。
公称压力是闸阀选择时最重要的参数之一,它决定了闸阀是否能够满足使用场合的要求。
一般来说,公称压力越高,闸阀的价格也越高。
2. 闸阀公称通径闸阀公称通径是指闸阀的管道口径大小,单位为mm。
公称通径是闸阀选择时另一个重要参数,它决定了闸阀的流量大小。
一般来说,公称通径越大,流量也越大。
3. 闸阀结构长度闸阀结构长度是指闸阀从进口法兰面到出口法兰面之间的长度,单位为mm。
结构长度是与管道连接有关的参数,它决定了闸阀在管道中占据的空间大小。
在选购时需要根据实际情况进行选择。
4. 闸阀法兰连接尺寸闸阀法兰连接尺寸是指闸阀与管道连接的法兰尺寸,包括进口法兰和出口法兰,单位为mm。
法兰连接尺寸是与管道连接有关的参数,需要根据实际情况进行选择。
5. 闸阀操作方式闸阀操作方式包括手动、电动、气动等方式。
手动操作方式是指通过手轮或手柄来控制闸板的开启和关闭;电动操作方式是指通过电机来控制闸板的开启和关闭;气动操作方式是指通过气动装置来控制闸板的开启和关闭。
操作方式是根据使用场合和需要进行选择的。
6. 闸板材质闸板材质是指制造闸板所使用的材料。
一般来说,常用的材料有铁、铜、不锈钢等。
材质的选择需要根据使用场合和介质进行选择。
7. 密封面材质密封面材质是指制造密封面所使用的材料。
一般来说,常用的材料有橡胶、聚四氟乙烯、金属等。
各类阀门型号含义[1]各类阀门型号含义各类阀门结构形式阀门的其它参数电动阀: “B”为防爆电动装置。
“Y”“S”为未注代号的均为普通型电动装置。
首位前加“K”表示抗硫阀;“G”表示配金属棱型垫片及加接法兰,螺栓、螺母。
“G”表示联合设计的截止、节流阀门型号:阀。
“C”表示CVA标准。
“S”表示地下水门。
“W”高中压表示波纹管阀;“W”低压表示卧式安装。
“HD”表示止回蝶阀;“GD”表示高真空截止阀。
“D”表示低温阀。
材质:1)C4 C6表示耐浓硝酸的新钢种。
2)TI表示耐剧腐蚀的工业钝钛。
3)N表示铝铌铜氮钢。
4)RL表示超低碳的不锈钢。
阀门型号编制组合排列形式类型代号用汉语拼音字母表示如下表各类阀门型号含义各类阀门结构形式电动阀: 阀门型号:其它“B”为防爆电动装置。
“Y”“S”为未注代号的均为普通型电动装置。
首位前加“K”表示抗硫阀;“G”表示配金属棱型垫片及加接法兰,螺栓、螺母。
“G”表示联合设计的截止、节流阀。
“C”表示CVA标准。
“S”表示地下水门。
“W”高中压表示波纹管阀;“W”低压表示卧式安装。
“HD”表示止回蝶阀;“GD”表示高真空截止阀。
“D”表示低温阀。
材质:1 )C4 C6表示耐浓硝酸的新钢种。
2)TI表示耐剧腐蚀的工业钝钛。
3)N表示铝铌铜氮钢。
4)RL表示超低碳的不锈钢。
水力控制阀二、电缆型号编制方法电力电缆型号含义线芯数×线芯截面(毫米2)+中性线芯(用“1”表示)×中性线芯截面(毫米2)油浸纸绝缘电力电缆油浸纸绝缘电力电缆类产品,以绝缘纸的字母“Z”代号列为首位,其余各项型号编制及字母含义如下:注:a.数字涵义详见以下附表。
b.铜芯代表字母T一般省略不写。
例如: 铜芯不滴流油浸纸绝缘铅套聚氯乙烯套电力电缆铝芯粘性油浸纸绝缘铝套裸细钢铠装电力电缆电缆外护层的型号按铠装层和外被层的结构顺序用阿拉伯数字表示。
每一数字表示所采用的主要材料和意义见下表。
阀门型号及含义说明(2021年整理)
阀门是一种用来控制流体(液体、气体、蒸汽等)流动的装置,广泛应用于工业生产、建筑、市政供水、石油、化工、冶金、电力等领域。
不同型号的阀门有不同的结构和功能,下面是一些常见的阀门型号及其含义说明(2021年整理):
1. 球阀(Ball Valve):球阀通过旋转球体来控制流体的开关,可以实现快速关断和启动。
2. 蝶阀(Butterfly Valve):蝶阀的厚度小、结构简单,通过
转动盘状的蝶板来控制流体的开关。
3. 闸阀(Gate Valve):闸阀通过升降阀杆和滑动门板的相对
运动来控制流体的开关。
4. 截止阀(Globe Valve):截止阀通过上下移动的阀芯来控
制流体的开关和调节。
5. 止回阀(Check Valve):止回阀通过阀瓣的反向压力来防
止流体倒流。
6. 调节阀(Control Valve):调节阀可以根据需要调节流体的
流量、压力和温度等参数。
7. 安全阀(Safety Valve):安全阀通常用于保护设备或管道
系统,在压力超过设定值时自动打开以减压。
8. 气动阀(Pneumatic Valve):气动阀通过气动执行器来控制阀门的开关,广泛用于自动化控制系统中。
9. 电动阀(Electric Valve):电动阀通过电动执行器来控制阀门的开关,适用于需要远程控制和反馈的场合。
10. 水力控制阀(Hydraulic Control Valve):水力控制阀根据管路中的水压变化来控制其开关状态。
阀门的型号编制及意义阀门的型号是用来表示阀类、驱动及连接形式、密封圈材料和公称压力等要素的。
由于阀门种类繁杂,为了制造和使用方便,国家对阀门产品型号的编制方法做了统一规定。
阀门产品的型号是由七个单元组成,用来表明阀门类别、驱动种类、连接和结构形式、密封面或衬里材料、公称压力及阀体材料。
1:阀门的型号编制阀门型号由7个单元组成,其含义(即1单元表示类型代号;2单元表示传动方式代号;以此类推)又如以Q941F-16P为例 Q代表1单元(即阀门类型为球阀);9代表2单元(即传动方式其中的电动方式);4代表3单元(即连接方式其中的法兰连接);1代表4单元阀门的结构形式;F代表5单元(即密封材料其中的聚四氟乙烯密封圈);16代表6单元(即公称压力其中的一种,此示范为1.6MPa);P代表7单元(此示范为不锈钢1cr18Ni9Ti的材料);型号编制如表1所示。
一单元:类型代号:类型代号用汉语拼音字母表示。
二单元:传动方式代号:传动方式代号用阿拉伯数字表示。
注:1.手轮、手柄和扳手传动以及安全阀、减压阀、疏水阀省略本代号。
2.对于气动或液动:常开式用6k、7k表示;常闭式用6B、7B表示;气动带手动用6S表示;防爆电动用“9B”表示。
三单元:连接形式代号:四单元:结构形式代号:结构形式代号用阿拉伯数字表示,如表5--14所示:五单元:阀座密封面或衬里材料代号:阀座密封面或衬里材料代号用汉语拼音字母表示,注:由阀体直接加工密封面材料用“W”表示;当阀座和阀瓣(闸板)密封面材料不同时,用低硬度材料代号(隔膜阀除外)。
六单元:公称压力代号:公称压力代号用阿拉伯数字表示,其数值是以兆帕(MPa)为单位的公称压力值的10倍。
用于电站工业的阀门,当介质最高温度超过530'C时,其数值是以兆帕(MPa)为单位的工作压力值的10倍。
七单元:阀体材料代号:阀体材料代号用汉语拼音字母表示,如表16所示:PN小于1.6MP a的铸铁和PN大于2.5MPa的碳素钢阀体省略本代号。
阀门型号上每个字母的含义-lk一、阀门的型号阀门的型号是用来表示阀类、驱动及连接形式、密封圈材料和公称压力等要素的。
由于阀门种类繁杂,为了制造和使用方便,国家对阀门产品型号的编制方法做了统一规定。
阀门产品的型号是由七个单元组成,用来表明阀门类别、驱动种类、连接和结构形式、密封面或衬里材料、公称压力及阀体材料。
阀门型号的组成由七个单元顺序组成(见下表)1.阀门的类型代号表1—1阀门类型代号阀门类型代号阀门类型代号闸阀Z 球阀Q 疏水阀S截止阀J 旋塞阀X 安全阀 A 节流阀L 液面指示器M 减压阀Y 隔膜阀G 止回阀H柱塞阀U 碟阀 D2.传动方式代号用阿拉伯数字表示,按表1—2的规定表1—2传动方式代号传动方式代号电磁阀电磁—液动电—液动蜗轮正齿轮01234伞齿轮气动液动气—液动电动56789注:①手轮、手柄和扳手传动以及安全阀、减压阀、疏水阀省略本代号。
②对于气动或液动:常开式用6K、7K表示;常闭式用6B、7B表示;气动带手动用6S表示。
防爆电动用“9B”表示。
3.连接形式代号用阿拉伯数字表示,按表1—3的规定表 1—3连 节 形 式 代 号 连 节 形 式 代 号 内 螺 纹 外 螺 纹 法 兰 焊 接1 2 4 6对 夹 卡 箍 卡 套7 8 9注:焊接包括对焊和承插焊4.结构形式代号用阿拉伯数字表示1—4~13 表 1—4闸 阀 结 构 形 式 代 号 弹 性 闸 板 0 单 闸 板 1楔 式 双 闸 板 2 单 闸 板 3明 杆平 行 式双 闸 板 4 单 闸 板 5 暗 杆 楔 式刚 性双 闸 板6表 1—5截 止 阀 和 节 流 阀 结 构 形 式 代 号 直 通 式 1 角 式 4 直 流 式5 直 通 式6 平 衡角 式7表 1—6球 阀 结 构 形 式 代 号 直 通 式 1 L 形 4浮 动 T 形三 通 式5 固 定直 通 式7表 1—7蝶 阀 结 构 形 式代 号杠 杆 式 垂 直 板 式 斜 板 式0 1 3表 1—8隔 膜 阀 结 构 形 式代 号 屋 脊 式 1截 止 式 闸 板 式3 7表 1—9旋 塞 阀 结 构 形 式 代 号 直 通 式 3 T 形 三 通 式 4填 料 四 通 式 5 直 通 式 7 油 封T 形 三 通 式8表 1—10止 回 阀 和 底 阀 结 构 形 式 代 号 直 通 式 1 升 降 立 式 2 单 瓣 式 4 多 瓣 式 5旋 启双 瓣 式6表 1—11安 全 阀 结 构 形 式 代 号 带 散 热 片 全 启 式0 12封 闭全 启 式 4 双弹簧微启式 3 微 启 式 7 全 启 式 8带 板 手微 启 式5弹 簧不 封 闭带控制机构全 启 式6 脉 冲 式9注:杠杆式安全阀在类型代号前加“G ”汉语拼音字母。
阀门型号及含义说明一、通用阀门:所有阀门型号都有下面七个单元组成:1 2 3 4 5 ——6 7通常应表示阀门类型、驱动方式、连接形式、结构特点、密封面材料、公称压力、阀体材料等。
以下图为例:1、阀门类型代号:即:Z 闸阀J截止阀L节流阀H止回阀和底阀Q球阀X旋塞阀D蝶阀A安全阀S蒸汽疏水阀Y减压阀G隔膜阀注明:当阀门还具有其它功能作用或带有其它特异结构时,在阀门类型代号前再加注一个汉语拼音字母(1)阀门类型代号前加“D”为低温阀门(低于-40℃);代号前加“B”为保温的阀门(带加热套);防火型F;缓闭型H。
(2)截止阀类型代号前加“W”,表示波纹管密封阀门。
(3)闸阀类型代号前加“P”表示用于排渣系统阀门,加“X”或“K”为排渣用泥浆阀。
(4)在地下水用闸阀类型代号前加“S”表示竖式安装,加“W”表示卧式安装。
(5)在地下水用闸阀类型代号前加“D1”、“D2”表示短系列,加“Q”表示球蝶阀,加“S”表示用于地下管网蝶阀。
2、传动方式代号:即:0电磁动1电磁-液动2电-液动3蜗轮(蜗杆)4正齿轮5锥齿轮6气动7液动8气-液动9电动若为手动则省略注明:对于齿轮、手柄、扳手等直接传动或自动阀门(安全阀、减压阀、疏水阀、手轮直接连接阀杆操作结构形式的阀门)本代号省略,不表示;对于气动或液动机构操作的阀门,常开式用6K、7K表示,常闭式用6B、7B表示,气动带手动用6S表示。
防爆电动装置的阀门用9B表示,户外耐热式用9R表示。
3、连接方式代号:即:1内螺纹2外螺纹4法兰式6焊接式7对夹式8卡箍9卡套4、结构形式代号阀门结构形式用1位阿拉伯数字表示,如下:(一)闸阀结构形式代号:即:0楔式弹性闸板1楔式单闸板2楔式双闸板3平行式单闸板4平行式双闸板(二)截止阀、截流阀结构形式代号:即:1直通式4角式5直流式(三)止回阀结构形式代号:代号 1 2 3 4 5 6 7 8 9结构型式升降式阀瓣旋启式阀瓣升降式阀瓣蝶式直通流道立式结构角式结构单瓣结构多瓣结构双瓣结构直流式节流再循环式即:1直通式2升降立式3升降角式6旋启单瓣式(四)安全阀结构形式代号:(五)调节阀结构形式代号:(六)球阀结构形式代号:即:1浮球直通式7固定直通式(七)给水分配阀、减压阀、旋塞阀、蝶阀、输水阀、隔膜阀结构形式代号:注明:结构形式如为杠杆式安全阀,在结构形式代号前加“G”,1代表单杆微启,2代表单杆全启,3代表双杆微启,4代表双杆全启.5、密封面材质代号:(用汉语拼音字母表示)注:当阀座与阀瓣材质不同时,用底硬度材料代号表示(隔膜阀除外)即:H合金钢Y硬质合金F氟塑料T铜合金P渗硼钢X橡胶N尼龙塑料B锡基轴承合金(巴氏合金)Q衬铅J衬胶C、P 陶瓷、渗硼钢W本体材质( 碳化钨硬质合金)6、公称压力代号:公称压力数值用阿拉伯数字直接表示,并用短线与前五个单元分开。
阀门型号及意义
(一)、通用阀门:所有阀门型号都有下面七个单元组成:
1 2 3 4 5 --- 6 7
1、阀门类型代号:
Z 闸阀J截止阀L节流阀H止回阀和底阀Q球阀X旋塞阀D蝶阀A安全阀S蒸汽疏水阀Y减压阀G隔膜阀
2、传动方式代号:
0电磁动1电磁-液动2电-液动3蜗轮(蜗杆)4正齿轮
5.锥齿轮6气动7液动8气-液动9电动若为手动则省略3、连接方式代号:
1内螺纹2外螺纹4法兰式6焊接式7对夹式8卡箍9卡套
4、结构形式代号
闸阀:0楔式弹性闸板1楔式单闸板2楔式双闸板
3平行式单闸板4平行式双闸板
截止阀:1直通式4角式5直流式
止回阀:1直通式2升降立式3旋启单瓣式6旋启单瓣式
球阀:1浮球直通式7固定直通式
5、密封面材质代号
H合金钢Y硬质合金F氟塑料T铜合金P渗硼钢X橡胶N尼龙塑料B锡基轴承合金(巴氏合金)Q衬铅J衬胶
C、P 陶瓷、渗硼钢W本体材质( 碳化钨硬质合金)
6、公称压力代号:用阿拉伯数字表示,其数值是以兆帕为单位的10倍。
如:16则代表1.6MPa
7、阀体材料代号:阀体材料代号用汉语拼音字母表示。
PN≤1.6MPa 的铸铁和PN≥2.5MPa的碳素钢阀体省略本代号。
8、阀体材质代号
T铜及铜合金C碳素钢P 18-8系不绣钢H Cr13系不锈钢Q球墨铸铁Z灰铸铁K可断铸铁L铝合金
9、示例:(DN表示口颈)
Z41Y-16C DN400 闸阀,手动,法兰连接,平行式双闸板,硬质合金密封面,公称压力16公斤,阀体材质为铸钢口径400
J11T-16K DN40 截止阀,手动,内螺纹连接,直通式,铜合金密封面,公称压力16公斤,阀体材质为可锻铸铁口径40
H41W-10T DN150 止回阀,手动,法兰连接,全(密封面与阀体都为铜),公称压力10公斤,口径150
D941X—16C DN450 软密封蝶阀,电动,法兰连接,直通式,橡胶密封面,公称压力为16公斤,阀体材质为铸钢,口径450
(二)双偏心半球阀
类型表示方法:阀门型号都有下面七个单元组成:
1 2 3 4 5 --- 6 7
1、BQ双偏心半球阀
2、传动方式代号:
3蜗轮5伞齿轮6气动9电动
3、连接方式代号:
4法兰式6焊接式
4、结构形式代号
1直通式5直流式7管线直通式(通径)
5、密封面材质代号
W不锈钢适应介质水、蒸汽、污水、纸浆。
M合金适应介质溶液及浆液。
67表示内容同上。
6、示例
BQ341M2—16C DN200 双偏心半球阀蜗轮传动,法兰连接,直通式,耐磨合金密封面,公称压力16公斤,阀体材质铸钢,口径200 (三)料浆阀:
1、SJS :Y型料浆阀(50kg以下可缩写为JS)
2、口径DN200(包括DN200)及以下一般为手动。
(例如:SJS45Y-16C DN150;SJS45Y-16C DN200);口径200以上的为齿轮传动(例如:SJS545Y-16C DN250)。
角式放料阀、放料阀、管接放料阀及特种长筒放料阀与以上要求相同。
3、碳钢C 不锈钢P 。
4、类型表示方法:有下面七个单元组成:
1 2 3 4 5 --- 6 7
类型代号:
FS角阀FSb平板式放料角阀FB:阀杆向下加长角阀
TY:阀杆向上加长角阀
234567表示内容同上。
5、示例
SJS545Y—16C DN300Y型料浆阀蜗轮传动,法兰连接,直流式,硬质合金密封面,公称压力16公斤,阀体材质碳钢,口径300
FSb44Y—16C DN100 平板式放料角阀,手动,法兰连接,角式,硬质合金密封面,公称压力16公斤,阀体材质铸钢,口径100
FSb544Y—16C DN350 平板式放料角阀,齿轮传动,法兰连接,角式,硬质合金密封面,公称压力16公斤,阀体材质铸钢,口径350。