水泥比表面积测定方法 勃氏法
- 格式:docx
- 大小:168.29 KB
- 文档页数:4
水泥比表面积测定方法(勃氏法)定义:单位质量的水泥粉末所具有的总表面积,以平方厘米每克(cm2/g)或平方米每千克(m2/kg)表示透气法的基本原理透气法测定比表面积,是根据一定量的空气通过具有一定空隙率和规定厚度的试料层时,所受到的阻力不同而引起流速的变化来测定试料比表面积。
粉料越细、比表面积越大、空气透过时的阻力越大,则一定量空气透过同样厚度的试料层所需的时间就越长,反之时间越短。
在一定空隙的水泥层中,空隙的大小和数量是颗粒尺寸的函数,同时也决定了通过试料层的气流速度。
流体在颗粒与颗粒之间的流动可以看做在无数“假象”的毛细管中流动,颗粒越小,颗粒与颗粒间的空隙也越小,在一定空隙中的粉末层体积中的毛细管孔道数就越多。
毛细管孔道直径越细,气体在管道内通过的阻力越大,即气体在物料层中流动就越慢。
因此可假定气体在孔道内的流动为粘性流动。
勃氏透气仪测定比表面积1、仪器构造:勃氏透气仪的外形及结构示意图见下图。
勃氏透气仪有透气圆筒、捣器、U型压力计的抽气泵三部分组成。
透气圆筒内径12.7mm穿孔板上均匀分布35个孔径1mm的小孔,捣器深入圆筒的距离应保证试料层厚度为15mm、透气圆筒与U型压力计是通过磨口直接连接。
2.仪器常数的标定2.1 试料层体积的测定:用水银排代法测定试料层体积。
根据在圆筒内装试料之前和装试料之后的水银排开的质量,再除以试验温度下的水银的密度,即为试料层体积V(cm3),计算式:V=(P1-P2)/ρ水银式中:V —透气圆筒的试料层体积。
(cm3)P1—未装试料是充满圆筒的水银重量,(g)P2—装试料后,充满圆筒的水银重量,(g)ρ水银—在试验温度下水银密度(g/cm3)2.2 漏气检查先用橡皮塞将圆筒上口塞紧,然后用抽气泵抽气,使U形压力计上液面上升一定高度,关闭连接抽气泵的活塞,2~3min内液面不下降,说明该仪器无漏气现象。
2.3 标准时间的测定采用比表面积和密度已知的标准物质来测定透气仪的标准时间,标准物质在使用前应与仪器温度一致,并确保其无结团、块状。
水泥比表面积测定方法(勃氏法)1目的、适用范围本方法规定采用勃氏法进行水泥比表面积测定。
本方法适用于硅酸盐水泥、普通硅酸盐水泥、矿渣硅酸盐水泥、火山灰硅酸盐水泥、粉煤灰硅酸盐水泥、道路硅酸盐水泥以及指定采用本方法的其它粉状物料。
本方法不适用于测定多孔材料及超细粉状物料。
2 仪器设备2.1Blaine 透气仪:由透气圆筒、压力计、抽气装置等三部分组成。
2.2透气圆筒:内径为±,由不锈钢制成。
2.3穿孔板:由不锈钢或其他不受腐蚀的金属制成,厚度为~。
捣器:用不锈钢制成,插入圆筒时,其间隙不大于。
2.4压力计:U形压力计,由外径为 9mm 的,具有标准厚度的玻璃管制成。
2.5抽气装置:用小型电磁泵,也可用抽气球。
2.6滤纸:采用符合国标的中速定量滤纸。
2.7分析天平:分度值为 1mg。
2.8计时秒表:精确读到。
2.9烘干箱。
3材料3.1压力计液体压力计液体采用带有颜色的蒸馏水。
3.2基准材料基本材料采用中国水泥质量监督检验中心制备的标准试样。
4 仪器校准漏气检查。
将透气圆筒上口用橡皮塞塞紧,接到压力计上。
用抽气装置从压力计一臂中抽出部分气体,然后关闭阀门,观察是否漏气。
如发现漏气,用活塞油脂加以密封。
试料层体积的测定4.2.1用水银排代法将二片滤纸沿圆筒壁放入透气圆筒内,用一直径比透气圆筒略小一细长棒往下按,直到滤纸平整放在金属的空孔板上。
然后装满水银,用一小块薄玻璃板轻压水银表面,使水银面与圆筒口平齐,并须保证在玻璃板和水银表面之间没有气泡或空洞存在。
从圆筒中倒出水银,称量,精确至。
重复几次测定,到数值基本不变为止。
然后从圆筒中取出一片滤纸,试用约的水泥,按照条要求压实水泥层。
再在圆筒上部空间注入水银,同上述方法除去气泡、压平、倒出水银称量,重复几次,直到水银称量值相差小于 50mg 为止。
4.2.2圆筒内试料层体积V按式(1)计算。
精确到。
V=(P-P)/ρ水银 (1)式中:V──试料层体积,cm3;P──未装水泥时,充满圆筒的水银质量,g;P──装水泥后,充满圆筒的水银质量,g;ρ水银──试验温度下水银的密度,g/cm3(见附录A表A1)。
水泥比表面积测定方法(勃氏法)1目的、适用范围本方法规定采用勃氏法进行水泥比表面积测定。
本方法适用于硅酸盐水泥、普通硅酸盐水泥、矿渣硅酸盐水泥、火山灰硅酸盐水泥、粉煤灰硅酸盐水泥、道路硅酸盐水泥以及指定采用本方法的其它粉状物料。
本方法不适用于测定多孔材料及超细粉状物料。
2 仪器设备2.1Blaine 透气仪:由透气圆筒、压力计、抽气装置等三部分组成。
2.2透气圆筒:内径为12.70±0.05mm,由不锈钢制成。
2.3穿孔板:由不锈钢或其他不受腐蚀的金属制成,厚度为 1.0~0.1mm。
捣器:用不锈钢制成,插入圆筒时,其间隙不大于 0.1mm。
2.4压力计:U形压力计,由外径为 9mm 的,具有标准厚度的玻璃管制成。
2.5抽气装置:用小型电磁泵,也可用抽气球。
2.6滤纸:采用符合国标的中速定量滤纸。
2.7分析天平:分度值为 1mg。
2.8计时秒表:精确读到 0.5s。
2.9烘干箱。
3材料3.1压力计液体压力计液体采用带有颜色的蒸馏水。
3.2基准材料基本材料采用中国水泥质量监督检验中心制备的标准试样。
4 仪器校准4.1漏气检查。
将透气圆筒上口用橡皮塞塞紧,接到压力计上。
用抽气装置从压力计一臂中抽出部分气体,然后关闭阀门,观察是否漏气。
如发现漏气,用活塞油脂加以密封。
4.2试料层体积的测定4.2.1用水银排代法将二片滤纸沿圆筒壁放入透气圆筒内,用一直径比透气圆筒略小一细长棒往下按,直到滤纸平整放在金属的空孔板上。
然后装满水银,用一小块薄玻璃板轻压水银表面,使水银面与圆筒口平齐,并须保证在玻璃板和水银表面之间没有气泡或空洞存在。
从圆筒中倒出水银,称量,精确至 0.05g。
重复几次测定,到数值基本不变为止。
然后从圆筒中取出一片滤纸,试用约 3.3g 的水泥,按照5.3 条要求压实水泥层。
再在圆筒上部空间注入水银,同上述方法除去气泡、压平、倒出水银称量,重复几次,直到水银称量值相差小于 50mg 为止。
水泥比表面积测定操作规程勃氏法Pleasure Group Office【T985AB-B866SYT-B182C-BS682T-STT18】水泥比表面积测定操作规程(勃氏法)1目的为了保证水泥比表面积检验的准确性和试验操作的规范性。
2 范围本方法适用于测定水泥的比表面积以及适合采用本方法的其他各种粉状物料,不适用于测定多孔材料及超细粉状物料。
3 引用标准本方法采用Blaine透气仪来测定水泥的细度。
本方法与GB207-63《水泥比表面积测定方法》可并行使用,如结果有争议时以本方法测得的结果为准。
GB8074-20084 主要内容仪器:符合GB8074-87标准的要求。
材料压力计液体,压力计液体采用颜色的蒸馏水。
基准材料采用中国水泥质量监督检验中心制备的标准试样。
仪器标准漏气检查将透气圆筒上口用橡皮塞塞紧,接到压力计上,用抽气装置从压力计-臂内,用一直径比透气圆筒略小的细长棒往下按,直到滤纸平整放在金属的穿孔板上,然后装满水银,用一小块薄玻璃板轻轻压水银表面,使水银面与圆筒倒出水银,称量精确到试料层体积的测定:用水银排代法,将二片滤纸沿圆筒壁放入透气圆筒孔板上,然后装满水银,用一小块薄玻璃轻轻压水银表面,使水银面与圆筒口平齐,并须保证在玻璃板和水银表面之间没有气泡或空洞存在,从圆筒中倒出水银,称量精确到,重复几次测定到数值基本不变为止,然后从圆筒取出一片滤纸,试用约的水泥,按照条要求压实水泥层,再在圆筒上部空间注入水银,同上述方法除去气泡压平,倒出水银称量,重复几次直到水银称量值相差小于50mg为止。
注:应制备坚实的水泥层,如太松或水泥不能压到要求体积时应调整水泥的试用量。
a. 圆筒内试料层体积V按下式计算,精确到V=(P1-P2)/P水银 (1)式中:V-------试料层体积cm3P1------未装水泥时充满圆筒的水银质量gP2------装水泥后充满圆筒的水泥质量gP水银——试验温度下水银的密度,g/cm3b. 试料层体积的测定,至少应进行二次,每次应单独压实,取二次数值相差不超过的平均值,并记录测定过程中圆筒附近的温度,每隔一季试至半年应重新校正试料层体积。
水泥比表面积测定操作规程(勃氏法)一、试验准备1、室内温度波动小于2℃,相对湿度小于50%。
2、仪器设备检查漏气检查将透气圆筒上口用橡胶塞塞紧,接到压力计上。
用抽气装置从压力计一臂中抽出部分气体,然后关闭阀门,观察是否漏气。
如出现漏气,可用凡士林加以密封。
3、试料层体积测定用水银排代法标定圆筒的试料层体积。
将穿孔板平放入圆筒内,再放入两片滤纸。
然后用水银注满圆筒,用玻璃片挤压圆筒上多余的水银,使水银面与圆筒上口平齐、无气泡,倒出水银称量(P1),重复几次测定到数值基本不变为止。
然后取出一片滤纸,在圆筒内加入约3.3g的试样(一般适当的酌减)。
再盖上一片滤纸后用捣器压实至试料层规定高度(均匀捣实试料直至捣器的支持环与圆筒顶边接触),取出捣器用水银注满圆筒,同样用玻璃片挤压平后、无气泡,将水银倒出称量(P2),重复几次直到水银称量相差0.005g,圆筒试料层体积按公式(A.1)计算。
试料层体积要重复测定两遍,取平均值,计算精确至0.001cm³。
每次试样应单独压实,并记录测定过程中圆筒附近的温度。
二、手动勃氏仪标准时间的标定方法(JC/T 956)用一瓶GSB14-1511水泥细度和比表面积标准样测定标准时间。
1、标准样的处理将一瓶GSB 14-1511水泥细度和比表面积标准样,倒入不小于50ml的磨口瓶中摇匀,放置试验室恒温1h。
2、标准样质量的确定3、试料层制备将穿孔板放入透气圆筒的突缘上,用捣棒把一片滤纸放到穿孔板上,边缘放平并压紧。
称取已确定的试样量,精确至0.001g,倒入圆筒。
轻敲圆筒的边,使水泥层表面平坦,再放入一片滤纸,用捣器均匀捣实试料直到捣器的支持环与圆筒顶边接触,并旋转1~2圈,慢慢取出捣器。
每次测定需用新的滤纸片。
4、标准样透气时间的确定将装好标准样的圆筒下锥面涂一薄层凡士林,把它连接到U形压力计上。
打开阀门,缓慢地从压力计一臂中抽出空气,直到压力计内液面上升到超过第三条刻度线时关闭阀门。
水泥比表面积测定方法勃氏法勃氏法是一种常用的水泥比表面积测定方法,用以确定水泥颗粒表面积的大小。
该方法由法国工程师勃氏于1925年提出,经过几十年的改进和发展,已成为一种被广泛使用的标准方法。
水泥比表面积是指水泥粉末颗粒在单位质量内的表面积。
表面积的测定对于水泥的质量控制和性能评估至关重要。
常见的水泥比表面积测定方法包括福尔特法、空气比重法和勃氏法等,而勃氏法因其操作简便、结果准确可靠而被广泛应用。
在进行勃氏法测定之前,我们首先需要准备以下材料和设备:水泥样品、胶粘剂、玻璃板、塑料刮板、丁酮溶液、石英砂、振荡筛和电子天平。
1. 样品的制备首先,我们需要将水泥样品进行干燥处理,以去除其中的水分。
然后,将样品研磨至细粉末状,以保证后续测定的准确性和可靠性。
2. 测定操作步骤(1)将事先准备好的玻璃板平放在水平的工作台上。
(2)在玻璃板上涂抹一层均匀的胶粘剂,以确保水泥样品能够牢固地附着在上面。
(3)将干燥处理后的水泥样品均匀地撒在胶粘剂涂抹的玻璃板上。
(4)使用塑料刮板将样品表面刮平,使其与玻璃板上的胶粘剂粘结紧密。
(5)将玻璃板放入振荡筛中,并在筛底放置一定量的石英砂。
(6)开启振荡筛,使水泥样品能够均匀地分散在石英砂中。
(7)持续振荡一定时间后,关闭振荡筛,取出玻璃板。
(8)将玻璃板放入丁酮溶液中,用溶液洗净附着在样品颗粒上的石英砂颗粒。
(9)取出玻璃板,将溶液沥干,并迅速放入烘箱中进行干燥处理。
(10)将干燥后的玻璃板取出,并用电子天平测定其质量。
3. 数据处理根据勃氏法的原理,我们可以通过以下公式计算水泥比表面积:S = (W2/W1) x K其中,S表示水泥比表面积,W1表示石英砂的质量,W2表示水泥表面附着物和石英砂的质量之差,K为常数。
以上就是勃氏法测定水泥比表面积的基本步骤和原理。
通过该方法,我们可以准确地测定水泥颗粒的表面积,为水泥质量的评价提供重要依据。
值得注意的是,为了获得准确可靠的结果,我们在操作过程中需注意保持环境的干燥和洁净,避免其他因素对测定结果的干扰。
水泥比表面积测定方法勃氏法勃氏法是一种测定水泥比表面积的有效方法,是一种基于物理吸
附的方法,将柴油、抗流油和其它标准润湿剂用于检测缺陷并测定比
表面积。
该方法最初是在1955年由英国科学家勃氏开发的。
勃氏法用于测定水泥比表面积的主要特点是它使用标准润湿剂测
定水泥比表面积。
勃氏实验测试的主要程序是,将一定量的样品放入
特殊的容器中,然后加入一定量的润湿剂,将容器摇晃数分钟,并继
续摇晃直到水泥粉末变得完全润湿。
接着将样品放入滤纸,从滤纸的
表面将润湿剂吸入容器,然后计算剩余的润湿剂体积,并用预先定义
的等式计算水泥比表面积(rms)。
通过勃氏实验,可以得到准确的水泥比表面积值。
这种方法可以
真实地反映水泥在扩展收缩过程中的变化,可以帮助实验室解决水泥
品质控制过程中面临的一些问题。
此外,勃氏实验可以用于检测水泥质量中存在的一些缺陷,如反
应活性不良、硬化过程不同、水化不足,都会影响水泥的质量和性能,
加重了水泥的质量控制难度,而勃氏实验可以更好地检测水泥质量中存在的一些缺陷,从而使水泥的质量控制更加科学的和有效的。
总之,勃氏实验对于水泥的比表面积测试具有重要意义,它不仅简单方便,而且准确度和精确度都较高,可以更好地适应水泥品质控制过程中可能出现的一些问题,并为实验室提供准确的水泥比表面积测试结果。
水泥比表面积测定方法勃氏法2篇第一篇:水泥比表面积测定方法勃氏法一、前言水泥是建筑施工中常用的材料之一,其性能在一定程度上决定了混凝土的性能。
水泥的比表面积是水泥颗粒表面积与质量之比,是评价水泥细度和活性的重要指标之一。
比表面积越大,水泥颗粒间的物理和化学反应就越容易发生,从而促进了混凝土的早期强度发展和抗渗性能。
因此,水泥比表面积的测定对混凝土的质量控制及工程性能的提高具有重要意义。
勃氏法是水泥比表面积测定的常用方法之一,该方法利用了氮吸附法,通过对水泥样品进行加热脱水处理,并在低温下与氮气接触,测量样品表面积与质量之比。
本文将介绍勃氏法的步骤及操作要点,帮助读者了解和掌握该方法的操作技巧。
二、实验原理勃氏法基于氮吸附原理,即利用氮气在固体样品表面的吸附现象,在样品表面形成一层单分子层的物理吸附,利用该层分子在单位表面积上的吸附量,间接得到样品绝对表面面积。
具体实验过程如下:1. 先将水泥样品进行加热脱水处理,将其水分除去,并分散到一定的粒径。
2. 将分散好的水泥样品放入勃氏仪中,在低温下(通常为-196℃)开始吸氮(N2)气,让气体在样品表面进行吸附。
3. 在一定时间后,停止氮气吸附,将样品从勃氏仪中取出,进行干燥处理,剩余的氮气即为样品与氮气反应后被吸附的氮气。
4. 将剩余的氮气量测量出来,结合水泥样品的重量,利用吸附等温线计算出水泥样品的表面积。
三、实验步骤1. 水泥样品称量。
2. 加热水泥样品,干燥至恒重。
3. 将干燥后的水泥样品粉碎成细粉,将其分散到一定的粒径(一般为2毫米以下)。
4. 将水泥样品分散到勃氏仪的量瓶中,密封并真空抽取。
5. 分别用高压氮气和真空进行多次吹洗,清除量瓶内的空气和水蒸气。
6. 将量瓶置于加热器中(150℃左右),加热30分钟-evacuate量瓶,将其加热到200℃。
持续真空抽取气体至不再有脱水反应。
7. 降低温度至-196℃,放入液氮中。
8. 开始吸N2气,并按时间段抽出N2气,直到不再吸附为止。
水泥比表面积测定方法(勃氏法)(适用于内蒙古自治区建设工程)1、测定水泥密度按GB/T208测定水泥密度2、漏气检查将透气圆筒上口用胶皮塞塞紧,接到压力计上。
用抽气装置从压力计一壁中抽出部分气体,然后关闭阀门,观察是否漏气。
如发现漏气,可用活塞油脂加以密封。
3空隙率的确定PI、PII型水泥的空隙率采用0.500±0.005,其他水泥或粉料的空隙率选用0.530±0.005当按上述空隙率不能将试样压至规定的位置时,则允许改变空隙率空隙率的调整以2000g砝码将试样压实至规定的位置为准。
4、确定试样量试样量按公式m=ρV(1-ε)式中:m——需要的试样量,单位为克(g)ρ——试样密度,单位为克每立方厘米(g/cm3)V——试料层体积,按JC/T956测定,单位为立方厘米(g/cm3)ε——试料层空隙率5、试料层制备①将穿孔板放在透气圆筒的突缘上,用捣棒把一片滤纸放在穿孔板上,边缘放平并压紧。
称取上述确定的试样量,精确到0.001g,倒入圆筒,轻敲圆筒的边,使水泥层表面平坦。
再放入一片滤纸,用捣器均匀捣实试料直至捣器的支持环与圆筒顶边接触,并旋转1-2圈,慢慢取出捣器。
②穿孔板上的滤纸为φ12.7mm边缘光滑的圆形滤纸片。
每次测定需用新的滤纸片。
6、透气试验①把装有试料层的透气圆筒下锥面涂一薄层活塞油脂,然后把它插入压力计顶端锥型磨口处,旋转1-2圈,要保证紧密连接不致漏气,并不振动所制备的试料层。
②打开微型电磁泵慢慢从压力计一臂中抽出空气,直到压力计内液面上升到扩大部下端时关闭阀门。
当压力计内液体的凹月面下降到第一条刻度线时开始计时,当液体的凹月面下降到第二刻度线时停止计时,记录液面从第一条刻度线到第二条刻度线所需的时间。
以秒记录,并记录下试验时的温度(℃)。
每次透气试验,应重新制备试料层。
7计算当被测试样的密度、试料层中空隙率与标准样品相同,试验时的温度与校准温度之差≤3℃时,按下式计算:S=Ss T/TS如试验时的温度与校准温度之差>3℃时,按下式计算S=Ss ns T/n TS式中:S——被测试样的比表面积,单位为平方厘米每克Ss——标准样品的比表面积,单位为平方厘米每克Ts——标准样品试验时,压力计中液面降落测得的时间,单位为秒η——被测试样试验温度下的空气粘度,单位为微帕.秒ηs——标准样品试样温度下的空气粘度,单位为微帕.秒T——被测试样试验时,压力计中液面降落测得的时间,单位为秒。
水泥比表面积测定方法(勃氏法)1目的、适用范围本方法规定采用勃氏法进行水泥比表面积测定。
本方法适用于硅酸盐水泥、普通硅酸盐水泥、矿渣硅酸盐水泥、火山灰硅酸盐水泥、粉煤灰硅酸盐水泥、道路硅酸盐水泥以及指定采用本方法的其它粉状物料。
本方法不适用于测定多孔材料及超细粉状物料。
2仪器设备2.1Blaine透气仪:由透气圆筒、压力计、抽气装置等三部分组成。
2.2透气圆筒:内径为12.70±0.05mm,由不锈钢制成。
2.3穿孔板:由不锈钢或其他不受腐蚀的金属制成,厚度为 1.0~0.1mm。
捣器:用不锈钢制成,插入圆筒时,其间隙不大于0.1mm。
2.4压力计:U形压力计,由外径为9mm的,具有标准厚度的玻璃管制成。
2.5抽气装置:用小型电磁泵,也可用抽气球。
2.6滤纸:采用符合国标的中速定量滤纸。
2.7分析天平:分度值为1mg。
2.8计时秒表:精确读到0.5s。
2.9烘干箱。
3材料3.1压力计液体压力计液体采用带有颜色的蒸馏水。
3.2基准材料基本材料采用中国水泥质量监督检验中心制备的标准试样。
4仪器校准4.1漏气检查。
将透气圆筒上口用橡皮塞塞紧,接到压力计上。
用抽气装置从压力计一臂中抽出部分气体,然后关闭阀门,观察是否漏气。
如发现漏气,用活塞油脂加以密封。
4.2试料层体积的测定4.2.1用水银排代法将二片滤纸沿圆筒壁放入透气圆筒内,用一直径比透气圆筒略小一细长棒往下按,直到滤纸平整放在金属的空孔板上。
然后装满水银,用一小块薄玻璃板轻压水银表面,使水银面与圆筒口平齐,并须保证在玻璃板和水银表面之间没有气泡或空洞存在。
从圆筒中倒出水银,称量,精确至0.05g。
重复几次测定,到数值基本不变为止。
然后从圆筒中取出一片滤纸,试用约3.3g的水泥,按照5.3条要求压实水泥层。
再在圆筒上部空间注入水银,同上述方法除去气泡、压平、倒出水银称量,重复几次,直到水银称量值相差小于50mg为止。
4.2.2圆筒内试料层体积V按式(1)计算。
水泥比表面积测定方法(勃氏法)1目得、适用范围本方法规定采用勃氏法进行水泥比表面积测定。
本方法适用于硅酸盐水泥、普通硅酸盐水泥、矿渣硅酸盐水泥、火山灰硅酸盐水泥、粉煤灰硅酸盐水泥、道路硅酸盐水泥以及指定采用本方法得其它粉状物料。
本方法不适用于测定多孔材料及超细粉状物料。
2 仪器设备2.1Blaine 透气仪:由透气圆筒、压力计、抽气装置等三部分组成。
2.2透气圆筒:内径为 12、70±0、05mm,由不锈钢制成。
2.3穿孔板:由不锈钢或其她不受腐蚀得金属制成,厚度为 1、0~0、1mm。
捣器:用不锈钢制成,插入圆筒时,其间隙不大于 0、1mm。
2.4压力计: U形压力计,由外径为 9mm 得,具有标准厚度得玻璃管制成。
2.5抽气装置 :用小型电磁泵,也可用抽气球。
2.6滤纸 :采用符合国标得中速定量滤纸。
2.7分析天平: 分度值为 1mg。
2.8计时秒表: 精确读到 0、5s。
2.9烘干箱。
3材料3.1压力计液体压力计液体采用带有颜色得蒸馏水。
3.2基准材料基本材料采用中国水泥质量监督检验中心制备得标准试样。
4 仪器校准4、1漏气检查。
将透气圆筒上口用橡皮塞塞紧,接到压力计上。
用抽气装置从压力计一臂中抽出部分气体,然后关闭阀门,观察就是否漏气。
如发现漏气,用活塞油脂加以密封。
4、2试料层体积得测定4.2.1用水银排代法将二片滤纸沿圆筒壁放入透气圆筒内,用一直径比透气圆筒略小一细长棒往下按,直到滤纸平整放在金属得空孔板上。
然后装满水银,用一小块薄玻璃板轻压水银表面,使水银面与圆筒口平齐,并须保证在玻璃板与水银表面之间没有气泡或空洞存在。
从圆筒中倒出水银,称量,精确至 0、05g。
重复几次测定,到数值基本不变为止。
然后从圆筒中取出一片滤纸,试用约 3、3g 得水泥,按照 5、3 条要求压实水泥层。
再在圆筒上部空间注入水银,同上述方法除去气泡、压平、倒出水银称量,重复几次,直到水银称量值相差小于 50mg 为止。
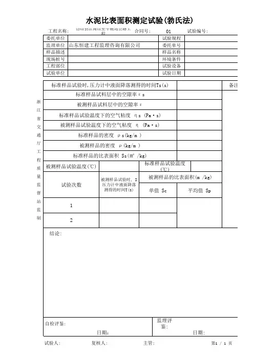
水泥比表面积测定方法简介 (勃氏法)1定义、原理及计算方法1.1 水泥比表面积指单位质量的水泥粉末所具有的总表面积 (M 2 /Kg)1.2 用一定量的空气通过一定空隙率和固定厚度的水泥层时 , 所受阻力不同而引起流速的变化来测定其比表面积。
被测试样的比表面积 S 按下式计算:式中 S--被测试样的比表面积( M 2 /Kg) S s--标准粉的比表面积( M 2 /Kg)T--被测样试验时液面降落时间(秒) T s--标准粉试验时,液面降落时间(秒)η--被测样试验温度下空气粘度η s--标准粉试验温度下空气粘度(Pa·s)ρ--被测样的密度( g/cm 3 ) ρ s--标准粉的密度( g/cm 3 )ε--被测样试料层中的空隙率ε s--标准粉试料层中的空隙率按国标中的规定,本仪器中ε及ε s 的取值为 0.500设 :由此 :当试验温度≤± 3 ℃时 ,则 :其中: K --本仪器的仪器常数,出厂时标定,或自行标定。
S --被测试样的比表面积, M 2 /Kg说明 : 自动比面仪自动测量计算 K,S 值 , 而自动计时比面仪需要人工计算 K,S 值2.仪器的标定:2.1 漏气检查:用橡皮塞塞紧料筒 , 联接到压力计上 , 抽出部分气体 , 关闭阀门 ( 自动比面仪自动用电磁阀关闭 ), 观察是否漏气 , 否则用黄油密封。
2.2 料筒体积标定 ( 水银排代法 )2.2.1 将二片滤纸沿筒壁放入料筒中 ,•用细长棒压平到穿孔板上。
装满水银 , 用玻璃板轻压水银表面 , 使水银面与料筒口平齐 . 并保证没有气泡空洞存在。
2.2.2 装满水银 ,用玻璃板轻压水银表面,使水银面与料筒口平齐.并保证没有气泡空洞存在。
2.2.3 倒出水银 ,称量,重复几次,精确至0.05g2.2.4 从料筒中取出一片滤纸 ,试用约3.3g的水泥装入料筒中,再放入一片滤纸,按规定压实料层2.2.5 将料筒上部空间注入水银 ,按上述同样方法除去气泡,压平,•倒出水银称量,重复几次,精确至50mg。
水泥比表面积测定方法勃氏法水泥比表面积测定方法——勃氏法水泥比表面积是指单位质量水泥中的比表面积,是水泥的重要物理指标之一。
它反映了水泥粉末的细度和活性,是水泥品质的重要指标之一。
而勃氏法是常用的水泥比表面积测定方法之一。
勃氏法是根据比表面积的定义,将一定量的水泥粉末在规定条件下分散到一定体积的空气中,使其达到平衡状态,测定达到平衡状态的水泥粉末体积和质量,从而计算出水泥的比表面积。
该方法可以测定不同品种的水泥,对水泥的细度和活性的测定有一定的参考意义。
勃氏法的测定步骤如下:1. 取1g左右的水泥粉末,加入钢球,放入勃氏比表面积仪中。
2. 开始振动,振动时间为0.5h。
3. 停止振动,待水泥粉末沉降后,将上层空气抽出,使压力降至1/10大气压以下。
4. 继续抽气,直至压力稳定后,记录抽气时间t1和抽气后的压力p1。
5. 用增压泵增加压力至1/3大气压,记录增压后的压力p2和时间t2。
6. 计算水泥比表面积S:S = K / (t2-t1) (p2-p1)其中,K为勃氏比表面积仪的仪器常数。
勃氏法有以下几个特点:1. 该方法适用于不同品种水泥的测定,但对于不同品种的水泥,需要使用不同的仪器常数K。
2. 该方法可以测定水泥的比表面积,但无法确定水泥的粒径分布情况。
3. 在仪器常数K确定的情况下,该方法的测定结果具有较高的精度和可重复性。
4. 该方法需要严格控制实验条件,如振动时间、振幅、空气压力等,以保证测定结果的准确性。
在实际生产和质量控制中,水泥比表面积是水泥品质评价的重要指标之一。
通过勃氏法等测定方法,可以准确测定水泥的比表面积,为水泥品质的控制和改进提供科学依据。
水泥比表面积测定方法(勃氏法)1目的、适用范围本方法规定采用勃氏法进行水泥比表面积测定。
本方法适用于硅酸盐水泥、普通硅酸盐水泥、矿渣硅酸盐水泥、火山灰硅酸盐水泥、粉煤灰硅酸盐水泥、道路硅酸盐水泥以及指定采用本方法的其它粉状物料。
本方法不适用于测定多孔材料及超细粉状物料。
2仪器设备2.1 Blai ne透气仪:由透气圆筒、压力计、抽气装置等三部分组成。
2.2 透气圆筒:内径为12.70 ± 0.05mm由不锈钢制成。
2.3 穿孔板:由不锈钢或其他不受腐蚀的金属制成,厚度为1.0〜0.1mm捣器:用不锈钢制成,插入圆筒时,其间隙不大于 0.1mm。
2.4 压力计:U形压力计,由外径为9mm的,具有标准厚度的玻璃管制成。
2.5 抽气装置:用小型电磁泵,也可用抽气球。
2.6 滤纸:采用符合国标的中速定量滤纸。
2.7 分析天平:分度值为1mg。
2.8 计时秒表:精确读到0.5s。
2.9 烘干箱。
3材料3.1 压力计液体压力计液体采用带有颜色的蒸馏水。
3.2 基准材料基本材料采用中国水泥质量监督检验中心制备的标准试样。
4仪器校准4.1 漏气检查。
将透气圆筒上口用橡皮塞塞紧,接到压力计上。
用抽气装置从压力计一臂中抽出部分气体,然后关闭阀门,观察是否漏气。
如发现漏气,用活塞油脂加以密封。
4.2试料层体积的测定4.2.1 用水银排代法将二片滤纸沿圆筒壁放入透气圆筒内,用一直径比透气圆筒略小一细长棒往下按,直到滤纸平整放在金属的空孔板上。
然后装满水银,用一小块薄玻璃板轻压水银表面,使水银面与圆筒口平齐,并须保证在玻璃板和水银表面之间没有气泡或空洞存在。
从圆筒中倒出水银,称量,精确至0.05g。
重复几次测定,到数值基本不变为止。
然后从圆筒中取出一片滤纸,试用约 3.3g的水泥,按照5.3条要求压实水泥层。
再在圆筒上部空间注入水银,同上述方法除去气泡、压平、倒出水银称量,重复几次,直到水银称量值相差小于 50mg为止。
水泥比表面积测定方法(勃氏法)
1目的、适用范围
本方法规定采用勃氏法进行水泥比表面积测定。
本方法适用于硅酸盐水泥、普通硅酸盐水泥、矿渣硅酸盐水泥、火山灰硅酸盐水泥、粉煤灰硅酸盐水泥、道路硅酸盐水泥以及指定采用本方法的其它粉状物料。
本方法不适用于测定多孔材料及超细粉状物料。
2 仪器设备
2.1Blaine 透气仪:由透气圆筒、压力计、抽气装置等三部分组成。
2.2透气圆筒:内径为±,由不锈钢制成。
2.3穿孔板:由不锈钢或其他不受腐蚀的金属制成,厚度为~。
捣器:用不锈钢制成,插入圆筒时,其间隙不大于。
2.4压力计:U形压力计,由外径为 9mm 的,具有标准厚度的玻璃管制成。
2.5抽气装置:用小型电磁泵,也可用抽气球。
2.6滤纸:采用符合国标的中速定量滤纸。
2.7分析天平:分度值为 1mg。
2.8计时秒表:精确读到。
2.9烘干箱。
3材料
3.1压力计液体压力计液体采用带有颜色的蒸馏水。
3.2基准材料基本材料采用中国水泥质量监督检验中心制备的标准试样。
4 仪器校准
漏气检查。
将透气圆筒上口用橡皮塞塞紧,接到压力计上。
用抽气装置
从压力计一臂中抽出部分气体,然后关闭阀门,观察是否漏气。
如发现漏
气,用活塞油脂加以密封。
试料层体积的测定
4.2.1用水银排代法将二片滤纸沿圆筒壁放入透气圆筒内,用一直径比透气圆筒略小一细长棒往下按,直到滤纸平整放在金属的空孔板上。
然后装满水银,用一小块薄玻璃板轻压水银表面,使水银面与圆筒口平齐,并须保证在玻璃板和水银表面之间没有气泡或空洞存在。
从圆筒中倒出水银,称量,精确至。
重复几次测定,到数值基本不变为止。
然后从圆筒中取出一片滤纸,试用约的水泥,按照条要求压实水泥层。
再在圆筒上部空间注入水银,同上述方法除去气泡、压平、倒出水银称量,重复几次,直到水银称量值相差小于 50mg 为止。
4.2.2圆筒内试料层体积V按式(1)计算。
精确到。
V=(P1-P2)/ρ水银 (1)式中:V
──试料层体积,cm3;
P1──未装水泥时,充满圆筒的水银质量,g;
P2──装水泥后,充满圆筒的水银质量,g;
ρ水银──试验温度下水银的密度,g/cm3(见附录A表A1)。
试料层体积的测定,至少应进行二次。
每次应单独压实,取二次数值相差不超过的平均值,并记录测定过程中圆筒附近的温度。
每隔一季度至半年应重新校正试料层体积。
5试验步骤
5.1试样准备
5.1.1将110±5℃下烘干并在干燥器中冷却到室温的标准试样,倒入 100ml 的密闭瓶内,用力摇动 2min,将结块成团的试样振碎,使试样松散。
静置 2min 后,打开瓶盖,轻轻搅拌,使在松散过程中落到表面的细粉,分布到整个试样中。
5.1.2水泥试样,应先通过方孔筛,再在110±5℃下烘干,并在干燥器中冷却至室温。
5.2确定试样量
校正试验用的标准试样量和被测定水泥的质量,应达到在制备的试料层中空隙率为±,计算式为:
W=ρV-(1-ε) (2) 式中:W──需要的试
样量,g;
ρ──试样密度,g/cm3;V──按第条测
定的试料层体积,cm3;ε──试料层隙率。
试料层制备将穿孔板放入透气圆筒的突缘上,用一根直径比圆筒略小的细棒把一片滤纸,送到穿孔板上,边缘压紧。
称取按第条确定的水泥量,精确到,倒入圆筒。
轻敲圆筒的边,使水泥层表面平元旦。
再放入一片滤纸,用捣器均匀捣实试料直至捣器的支持环紧紧接触圆筒顶边并旋转二周,慢慢取出捣器。
5.4透气试验
5.4.1把装有试料层的透气圆筒连接到压力计上,要保证紧密连接不致漏气,并不振动所制备的试料层。
5.4.2打开微型电磁泵慢慢从压力计一臂中抽出空气,直到压力计内液面上升到扩大部下端时关闭阀门。
当压力计内液体的凹月面下降到第一个刻线时开始计时,当液体的凹月面下降到第二条刻线时停止计时,记录液面从第一条刻度线到第二条刻度线所需的时间。
以秒记录,并记下试验时的温度(℃)。
6 计算
当被测物料的密度、试料层中空隙率与标准试样相同,试验时温差≤3℃时,可按式(3)计算:
如试验时温差大于±3℃时,则按式(4)计算:
式中:S──被测试样的比表面积,cm2/g;S
s──标准试样的比表面积,cm2/g;
T──被测试样试验时,压力计中液面降落测得的时间,s;
η──被测试样试验温度下的空气粘度Pa·s;ηs──标准
试样试验温度下的空气粘度Pa·s
当被测试样的试料层中空隙率与标准试样试料层中空隙率不同,试验时温差≤±3℃时,可按式(5)计算:
如试验时温差大于±3℃时,则按式(6)计算:
式中:ε──被测试样试料层中的空隙率;
εs──标准试样试料层中的空隙率。
当被测试样的密度和空隙率均与标准试样不同,试验时温差≤±3℃时,可按式(7)计算:
如试验时温度相差大于±3℃时,则按式(8)计算:
式中:ρ──被测试样的密度,g/cm3;ρs──标
准试样的密度,g/cm3。
6.4比表面积的单位为㎡/kg,精确至1m2/kg。
水泥比表面积应由二次透气试验结果的平均值确定。
计算应精确至 1m2/kg,如二次试验结果相差 2%以上时,应重新试验。