MM420变频器实验指导书
- 格式:docx
- 大小:4.67 MB
- 文档页数:22
《实验一》BOP面板点动起动可逆运转与调速控制一. 实验目的1.熟悉MM420变频器基本操作面板使用2.利用变频器基本操作面板做运行参数设置3.利用变频器基本操作面板对交流异步电动机作点动起动可逆运转与调速控制二. 实验设备与器件1. MM420变频器,1台;2. 实验电路板及器件,1套;3.YP50—2.2—4异步电动机,1台联接;U N=380/220V;I N=5.5/9.5A;P N=2.2kw;三. 实验电路(接线)图四.实验内容与步骤(一)变频器基本操作面板(BOP)运行状态参数设置1 .复位工厂缺省设置:P0010=30;P0970=1;(约10S)2 .P0003=1; 设用户访问级为标准级3. P0700=1;选择命令源;由BOP(键盘)输入设定值4. P1000=1;由键盘(MOP)设定值5. P1080=2;电动机运行的最低频率(H Z)6. P1082=80;电动机运行的最高频率(H Z)7. 退出参数设置,准备运行(二)BOP运行按键功能Ⅰ键起动(5H Z);0键停止;jog键点动(5H Z);键升降速调节;键改变电动机方向;(三)操作控制1. 点动:按住jog键电动机运转,松开jog键电动机停转(电源频率为5H Z);2. 起动:按Ⅰ键电动机起动(电源频率为5H Z),按键电动机升速,最高转速为P1082所设置的80 H Z对应的转速; 按键电动机降速,最低转速为P1080所设置的2H Z对应的转速;3.改变电动机旋转方向: 电动机起动后,不论转速对应在哪个频率上,只要按键电动机将停转后自动反向起动,运转在原频率对应的转速上;4.停转:按O键电动机停止旋转。
五.实验报告要求1.归纳整理本次实验全部资料,包括原理图,I/O接线图和MM420变频器的参数设置;2.记录实验步骤过程及观查结果;3.小结本次实验的体会和收获。
《实验二》面板设置电动机运转与参数修改一. 实验目的1.熟悉MM420变频器基本操作面板使用2.变频器基本操作面板作运行参数设置3.变频器操作面板对交流异步电动机作点动与起动的可逆运转及调速控制4.修改变频器相关参数设定置,观察电动机运行状态二. 实验设备与器件1. MM420变频器,1台;2. 实验电路板及器件,1套;3.YP50—2.2—4异步电动机,1台联接;U N=380/220V;I N=5.5/9.5A;P N=2.2kw;三. 实验电路(接线)图四.实验内容与步骤(一)变频器基本操作面板(BOP)运行状态参数设置1 .复位工厂缺省设置:P0010=30;P0970=1;(约10S)2 .P0003=1; 设用户访问级为标准级3. P0004=7; 命令,二进制I/O4. P0700=1;选择命令源;由BOP(键盘)输入设定值5 .P0003=1; 设用户访问级为标准级6. P0004=10; 设定值通道和斜坡函数发生器7. P1000=1;由键盘(MOP)设定值8. P1080=0;电动机运行的最低频率(H Z)9. P1082=50;电动机运行的最高频率(H Z)10 .P0003=2; 设用户访问级为扩展级11. P0004=10; 设定值通道和斜坡函数发生器12. P1040=40 设定键盘控制的频率(H Z)13. P1058=10 正向点动频率(H Z)14. P1059=10 反向点动频率(H Z)15. 退出参数设置,准备运行(二)BOP运行按键功能Ⅰ键起动;0键停止;jog 键点动;键升降速调节;键改变电动机方向;Fn键浏览信息,按下Fn键保持2S,将显示以下参数:1.输出频率(H Z),2.d---直流回路电压(V),3.O--.-输出电压(V)4.输出电流(A)(三)操作控制1. 正向点动:按住jog键电动机正向运转(10H Z),松开jog键电动机停转;2. 反向点动:按键后,按住jog键电动机反向运转(10H Z),松开jog键电动机停转;3. 起动:按Ⅰ键电动机起动, 转速为P1040所设置的40H Z对应的转速,按键电动机升速,最高转速为P1082所设置的50 H Z对应的转速; 按键电动机降速,最低转速为P1080所设置的0H Z对应的转速;4.改变电动机旋转方向: 电动机起动后,不论转速对应在哪个频率上,只要按键电动机将停转后自动反向起动,运转在原频率对应的转速上;4.停转:按O键电动机停止旋转5.修改相关参数:修改参数P1080=5、P1082=80、P1058=15、P1059=20任一个或几个,观察电动机运行状态。
西门子MM420变频器简明操作手册西门子MM420变频器简明操作手册第一章前言1.1 简介本章介绍了该操作手册的目的、适用范围和阅读须知。
第二章产品概述2.1 产品特点2.2 技术规格2.3 外观及接线端子第三章安装指南3.1 环境要求3.2 安装步骤3.3 接线方法3.4 机械安装第四章参数设置4.1 参数概述4.2 参数设置步骤4.3 参数描述与范围第五章示教操作5.1 示教指令5.2 示教步骤与示例5.3 示教参数说明第六章控制面板简介6.1 控制面板概述6.2 LED指示灯说明6.3 按键功能说明第七章常见故障与解决方法7.1 故障码列表7.2 常见故障诊断方法7.3 故障排除技巧第八章维护与保养8.1 维护周期8.2 清洁方法8.3 防护措施第九章其他功能9.1 I/O端口设置9.2 通信接口配置9.3 报警功能设置第十章附件本文档涉及的附件见附件部分。
第十一章法律名词及注释本文档涉及的法律名词及其注释见附件部分。
附件部分:1.示教操作示意图2.参数设置参考表3.控制面板示意图4.故障码列表法律名词及注释部分:1.TUV:德国工业监测协会(TUV)是德国著名的独立第三方认证机构。
2.UL:美国安全实验室(UL)是美国著名的、独立、非营利、第三方检验认证机构。
3.CE:欧盟合格认证(Conformité Européene)标志,表示该产品符合欧洲各国安全、卫生、环保等方面的相关要求。
4.RoHS:欧盟有害物质限制指令(Restriction of Hazardous Substances),旨在限制电子电气设备中使用的有害物质的含量。
5.EN:欧洲标准(European Norm),欧洲国家间相互认可的技术规范。
实验一西门子MM420的基本操作面板BOP 一、实验目的学习西门子MM420变频器的基本操作面板BOP的使用。
二、实验设备名称数量备注变频器一台MM420 电机一台DQ20-1 导线若干三、实验内容学习并且掌握西门子MM420变频器基本操作面板BOP的使用。
其面板如图22.1所示图22.1 利用面板上的按钮完成如下几个功能1、启动变频器2、停止变频器可以两种方式1按照设定的停车斜坡2自由停车3、电机反转4、电动机点动5、参数设定。
四、实验步骤1、实验接线把变频器的三相电源的输出端接到电动机的输入端2、参数设定在缺省状态下面板上的操作按钮、、被锁住。
要使用该功能需要把参数P0700设置为1并将P1000的参数设为1。
3、运行1为启动按钮。
按下此按钮可以启动变频器。
2为停止按钮。
按此按钮变频器将按确定好的停车斜坡减速停车。
3为反转按钮。
按此按钮可以改变电动机方向。
4为点动按钮。
在变频器无输出的情况下按此按钮电动机按预定的点动频率运行。
5为增加数值按钮。
按此按钮可以增加变频器输出频率。
6为减少数值按钮。
按此按钮可以减小变频器输出频率。
五、记录数据频率为5HZ、10HZ、15HZ、20HZ、25HZ、30HZ、35HZ、40HZ、45HZ、50HZ的输出电压、电流。
实验二M420变频器的基本调试一、实验目的1掌握MM420变频器基本参数输入的方法。
2掌握MM420变频器参数恢复为出厂默认值的方法。
3掌握快速调试的内容及方法。
二、实验设备名称数量备注MM420变频器一台电机一台导线若干三、实验内容1用基本操作面板BOP更改参数的数值。
下面说明如何改变P0003“访问级”的数值。
操作步骤见表2-1。
表2-1 修改访问级参数P0003的步骤操作步骤显示结果 1.按访问参数2. 按键直到显示出P0003 3.按键进入参数访问级4. 或键达到所要求的数值例如3 5. 键确认并存储参数的数值6 现在已设定访问级为3使用者可以看到第1 至第3级的全部参数2改变参数数值的操作为了快速修改参数的数值可以一个个地单独修改显示出的每个数字操作步骤如下当已处于某一参数数值的访问级参看“用BOP 修改参数”。
实验一 MM420变频器的快速调试一、实验目的1.掌握MM420变频器基本参数输入的方法。
2.掌握MM420变频器参数恢复为出厂默认值的方法。
3.掌握快速调试的内容及方法。
4. 设置电动机参数三、实验内容1.变频器基本操作面板变频器基本操作面板(BOP )如图1所示。
BOP 可以显示参数的序号和数值,报警和故障信息,以及设定值和实际值。
基本操作面板BOP 上的按钮功能如表1所示:表1基本操作面板BOP 上的按钮功能图1变频器基本操作面板(BOP )起动变频器停止变频器改变电动机的转动方向电动机点动2.用基本操作面板(BOP )更改参数的数值MM420变频器参数有两种,p 参数是可以更改的, R 参数是只读的,有的R 参数是在变频器上可以读出。
有的是2进制的形式。
在电脑上用软件可以读出。
下面说明如何改变P0003“访问级”的数值。
操作步骤见表2-1。
表2-1 修改访问级参数P0003的步骤操作步骤 显示结果1.按访问参数2. 按键,直到显示出 P00033.按键,进入参数访问级4.或键,达到所要求的数值(例如:3)5.键,确认并存储参数的数值为了快速修改参数的数值,可以一个个地单独修改显示出的每个数字,操作步骤如下: 当已处于某一参数数值的访问级(参看“用BOP 修改参数”)。
(1)按(功能键),最右边的一个数字闪烁。
(2)按/,修改这位数字的数值。
(3)再按(功能键),相邻的下一位数字闪烁。
(4)执行2 至4 步 直到显示出所要求的数值。
(5)按,退出参数数值的访问级。
4.恢复变频器工厂默认值。
设定P0010=30和P0970=1,按下P键,开始复位,复位过程大约为3min,这样就保证了变频器的参数恢复到工厂默认值。
5.快速调试(P0010=1)利用快速调试功能使变频器与实际使用的电动机参数相匹配,并对重要的技术参数进行设定。
在快速调试的各个步骤都完成以后,应选定P3900,如果它置1,将执行必要的电动机计算,并使其他所有的参数(P0010=1 不包括在内)恢复为出厂默认设置值。
本《入门指南》帮助用户简单有效地使用MICROMASTER 420变频器。
如果要了解更多的技术信息,请参阅随MICROMASTER 420变频器一起提供的CD-ROM 上的《操作说明》和《参考手册》。
目录1机械安装32电气安装43避免电磁干扰54MICROMASTER 420变频器的调试64.1缺省设置4.2按照入门指南进行调试74.3使用状态显示面板进行调试74.4利用基本操作员面板进行调试84.5使用“BOP ”/“AOP ”改变参数和设置95快速调试105.1利用P0010和P0970复位105.2“快速调试”的电动机数据115.3使用“BOP ”(P0700=1)启动/停止电动机115.4利用高级操作员面板(AOP)进行调试115.5附加的控制应用115.6更多的信息……116更换显示/操作员面板126.1改变参数值的一位数字127故障排除137.1利用状态显示面板137.2利用操作员面板(BOP 和AOP)138变频器参数设置总览148.1参数结构15提供以下警告、小心和注意信息是为了您的安全,并防止损坏产品或机器内所连接的部件。
适用于特定范围的特殊警告、小心和注意在相关部分的开头列出。
为了您的人身安全,并有助于延长您的MICROMASTER 420变频器和连接在它上面的设备的使用寿命,请仔细阅读这些信息。
警告本设备带有危险电压,并控制具有潜在危险的旋转机械部件。
与警告不符合或不遵照本手册中包含的说明可能导致生命危险、严重的人身伤害或严重的财产损坏。
只有相应的专业人员、并且只有在熟悉了本手册所包含的所有安全事项、安装、操作和维护规程之后才能操作本设备。
成功而且安全地操作本设备依赖于正确地处理、安装、操作和维护本设备。
在断开所有电源之后,所有MICROMASTER模块的连接电路将维持5分钟的危险电压。
因此在断开变频器的电源之后,在对任何MICROMASTER模块进行操作之前一定要先等待5分钟。
实习报告图1 基本操作板BOP图2 硬件实物图图3变频器方框图下表1说明如何改变参数P1000=1的过程为例,来介绍通过基本操作面板(BOP)修改设置参数的流程。
修改参数时,BOP有时显示P----,表示变频器正忙于处理优先级更高的任务。
表1 基本操作面板(BOP)修改设置参数流程操作步骤BOP显示结果1按键,访问参数2按键,直到显示P10003按键,直到显示in000,即P1000的第0组值4按键,显示当前值25按键,达到所要求的值16按键,存储当前设置7按键,显示r00008按键,显示频率3.实验器材西门子MM420变频器、异步电动机/水泵、电气控制柜、电工工具(1套)、连接导线若干等。
4.实验内容及步骤由于所用的设备的不同,所用的异步电动机与水泵的性能参数不尽相同,电梯系统的异步电机的参数为:额定电压220V、额定电流、额定功率40W、额定频率50Hz、额定转速1350rpm。
恒压供水系统的水泵参数为:额定电压220V、额定电流、额定功率180W、额定频率50Hz、额定转速2800rpm。
请根据所选用的设备对变频器进行相应的参数调节,否则电机不能正常运行。
参数设置由于变频器参数繁多,在实验之前先将变频器的全部参数复位为工厂的缺省设置值,已避免之前实验改动参数值。
设置方法为:①设定P0010=30;②设定P0970=1。
(1)设置电动机参数:为了使电动机与变频器相匹配,需要设置电动机参数。
电动机参数设置见表2。
电动机参数设定完成后,设P0010=0,变频器当前处于准备状态,可正常运行,以异步电机为例。
(3)电动机停车:在变频器的前操作面板上按停止键,则变频器将驱动电动机降速至零。
实验二变频器的外部端子控制实验1.实验目的及原理掌握MM420变频器基本参数的输入方法,MM420变频器输入端子的操作控制方式。
变频器在实际使用中,电动机经常要根据各类机械的某种状态而进行正转、反转、点动等运行,变频器的给定频率信号、电动机的起动信号等都是通过变频器控制端子给出,即变频器的外部运行操作,这样可大大提高了生产过程的自动化程度。
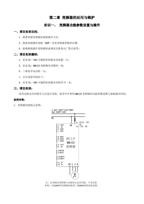
第二章 变频器的应用与维护实训一、 变频器功能参数设置与操作一、项目实训目的:1、熟悉掌握变频器的面板操作方法。
2、熟练掌握操作面板(BOP )改变变频器参数的步骤。
3、能够熟练操作变频器快速调试及恢复出厂默认值等;二、项目实训器材:1、亚龙YL —360可编程控制器实训装置一台;2、亚龙YL —MM420变频器实训模块一块;3、三相异步电动机一台;4、安全连接导线若干;5、亚龙YL —360可编程控制器实训指导书一本;三、项目实训:采用边做边学的教学方式进行训练,指导学生利用MM420变频器的功能参数设置与面板操作控制。
实训内容:1、变频器的接线示意图:西门子MM420变频器PEL、N(L1、L2)或L1、L2、L3PE1/3AC 200V-240V(RSD)3AC 380V-480V PE U V WM3~1234+10V 0V AIN+AIN-56789101112131415DIN1DIN2DIN3+24V 0V RL1B RL1C AOUT+AOUT-P+P-注:必须确认变频器与电源电压是否匹配,不允许把单相/三相230V的变频器连接到三相380V或更高的电源。
2、基本操作面板的认知与操作显示/按钮功能功能说明状态显示LCD显示变频器当前的设定值起动变频器按此键起动变频器。
缺省值运行时此键是被封锁的。
为了使此键的操作有效,应设定P0700=1停止变频器OFF1:按此键,变频器将按选定的斜坡下降速率减速停车.缺省值运行时此键被封锁;为了允许此键操作,应设定P0700=1OFF2:按此键两次(或一次,但时间较长)电动机将在惯性作用下自由停车。
此功能总是“使能”的。
改变电动机的转动方向按此键可以改变电动机的转动方向。
电动机的反向用负号(-)表示或用闪烁的小数点表示。
缺省值运行时此键是被封锁的,为了使此键的操作有效,应设定P0700=1电动机点动在变频器无输出的情况下按此键,将使电机起动,并按预设定的点动频率运行。
变频器实验
实验1、面板控制电机起动/停止P0700设置为1时,命令源由BOP基本操作面板输入。
参数设定:
操作如下:
起动变频器
停止变频器
改变电动机的转动方向
电动机点动
实验2、输入端子控制电机起动/停止
根据输入选择,PLC输出相应的驱动信号到变频器数字输入端,变频器根据预先设置的参数输出相应的电压信号到电动机。
该实训电机采用0.18KW电动机,连接变频器和电机之间的导线,打开变频器电源,快速调试(PLC启停操作方式)面板启动需要设定的参数如下表:
1)参数设置完成后将变频器重新上电,再接通SB1键(5#引脚),激活变频器数字信号输入端DIN1,变频器输出正转驱动信号给电动机,电机由此根据电位计转动的频率值运行。
断开SB1键(5#引脚),变频器无信号输出,电机停止运转。
2)接通SB2键(6#引脚),激活变频器数字信号输入端DIN2,变频器输出反转驱动信号给电动机,电机由此根据电位计转动的频率值运行。
断开SB2键(6#引脚),变频器无信号输出,电机停止运转。
3)正转调速必须归零后方可反转调速,反转调速必须归零后方可正转调速。
接线图:
实验3、PLC控制变频器实验参数设定同实验2,附实验程序和触摸屏程序。
接线图。
本《入门指南》帮助用户简单有效地使用MICROMASTER 420变频器。
如果要了解更多的技术信息,请参阅随MICROMASTER 420变频器一起提供的CD-ROM 上的《操作说明》和《参考手册》。
目录1机械安装32电气安装43避免电磁干扰54MICROMASTER 420变频器的调试64.1缺省设置4.2按照入门指南进行调试74.3使用状态显示面板进行调试74.4利用基本操作员面板进行调试84.5使用“BOP ”/“AOP ”改变参数和设置95快速调试105.1利用P0010和P0970复位105.2“快速调试”的电动机数据115.3使用“BOP ”(P0700=1)启动/停止电动机115.4利用高级操作员面板(AOP)进行调试115.5附加的控制应用115.6更多的信息……116更换显示/操作员面板126.1改变参数值的一位数字127故障排除137.1利用状态显示面板137.2利用操作员面板(BOP 和AOP)138变频器参数设置总览148.1参数结构15提供以下警告、小心和注意信息是为了您的安全,并防止损坏产品或机器内所连接的部件。
适用于特定范围的特殊警告、小心和注意在相关部分的开头列出。
为了您的人身安全,并有助于延长您的MICROMASTER 420变频器和连接在它上面的设备的使用寿命,请仔细阅读这些信息。
警告本设备带有危险电压,并控制具有潜在危险的旋转机械部件。
与警告不符合或不遵照本手册中包含的说明可能导致生命危险、严重的人身伤害或严重的财产损坏。
只有相应的专业人员、并且只有在熟悉了本手册所包含的所有安全事项、安装、操作和维护规程之后才能操作本设备。
成功而且安全地操作本设备依赖于正确地处理、安装、操作和维护本设备。
在断开所有电源之后,所有MICROMASTER模块的连接电路将维持5分钟的危险电压。
因此在断开变频器的电源之后,在对任何MICROMASTER模块进行操作之前一定要先等待5分钟。
MM420变频器学习一、MM420变频器面板按键介绍二、快速调试流程三、基于面板操作的电机开环调速(一) 实验目的掌握变频器的简单参数的设置方法(二) 实验内容1. 项目实训要求1)、正确设置变频器输出的额定频率、额定电压、额定电流、额定功率、额定转速。
2)、通过操作面板(BOP)控制电机启动/停止、正转/反转。
3)、运用操作面板改变电机启动的运行频率和加减速时间。
2. 参数设定注:1)设置参数前先将变频器参数复位为工厂的默认设定值2)设定P0003=2 允许访问扩展参数3)设定电机参数时先设定P0010=1(快速调试),电机参数设置完场设定P0010=0(准备)(三) 项目实训操作步骤:1、检查实训设备中器材是否齐全。
2、按照变频器外部接线图完成变频器的接线,认真检查,确保正确无误。
3、打开电源开关,按照参数设定表正确设置变频器参数。
4、按下操作面板按钮“启动按键”,起动变频器。
5、按下操作面板按钮“ 上/下键”,增加、减小变频器输出频率。
6、按下操作面板按钮“ JOG按键”,改变电机的运转方向。
7、按下操作面板按钮“ 停止按键”,停止变频器四、变频器对电机点动控制、启停控制(一) 实验目的1. 掌握变频器的面板功能的设置方法;2. 了解变频器的使用方法,学会变频器的接线方法。
(二) 实验步骤1、项目实训要求1)、正确设置变频器输出的额定频率、额定电压、额定电流、额定功率、额定转速。
2)、通过外部端子控制电机启动/停止、正转/反转,按下按钮“SB1”电机正转启动,松开按钮“SB1”电机停止;按下按钮“SB2”电机反转,松开按钮“SB2”电机停止。
3)、运用操作面板改变电机启动的点动运行频率和加减速时间。
2、参数设定注:1)设置参数前先将变频器参数复位为工厂的默认设定值2)设定P0003=2 允许访问扩展参数3)设定电机参数时先设定P0010=1(快速调试),电机参数设置完场设定P0010=0(准备)3、变频器的接线示意图:(三) 项目实训操作步骤:1、检查实训设备中器材是否齐全。
任务1 变频器的面板操作与运行任务目的:1. 熟悉变频器的面板操作方法。
2. 熟练变频器的功能参数设置。
3. 熟练掌握变频器的正反转、点动、频率调节方法。
任务引入:变频器MM420系列(MicroMaster420)是德国西门子公司广泛应用与工业场合的多功能标准变频器。
它采用高性能的矢量控制技术,提供低速高转矩输出和良好的动态特性,同时具备超强的过载能力,以满足广泛的应用场合。
对于变频器的应用,必须首先熟练对变频器的面板操作,以及根据实际应用,对变频器的各种功能参数进行设置。
相关知识点:一.变频器面板的操作利用变频器的操作面板和相关参数设置,即可实现对变频器的某些基本操作如正反转、点动等运行。
变频器面板的介绍及按键功能说明详见本书任务1.4变频器的调试,具体参数号和相应功能参照系统手册。
二.基本操作面板修改设置参数的方法MM420在缺省设置时,用BOP控制电动机的功能是被禁止的。
如果要用BOP 进行控制,参数P0700应设置为1,参数P1000 也应设置为1。
用基本操作面板(BOP)可以修改任何一个参数。
修改参数的数值时,BOP有时会显示“busy”,表明变频器正忙于处理优先级更高的任务。
下面就以设置P1000=1的过程为例,来介绍通过基本操作面板(BOP)修改设置参数的流程,见表2-1。
表2-1 基本操作面板(BOP)修改设置参数流程操作步骤BOP显示结果1按键,访问参数2按键,直到显示P10003按键,直到显示in000,即P1000的第0组值4按键,显示当前值25按键,达到所要求的值16按键,存储当前设置7按键,显示r00008按键,显示频率任务训练 :一、训练内容通过变频器操作面板对电动机的启动、正反转、点动、调速控制。
二、训练工具、材料和设备西门子MM420变频器、小型三相异步电动机、电气控制柜、电工工具(1套)、连接导线若干等。
三、操作方法和步骤1.按要求接线系统接线如图2-1所示,检查电路正确无误后, 合上主电源开关QS 。
实验一 MM420变频器的快速调试一、实验目的1.掌握MM420变频器基本参数输入的方法。
2.掌握MM420变频器参数恢复为出厂默认值的方法。
3.掌握快速调试的内容及方法。
4. 设置电动机参数三、实验内容1.变频器基本操作面板变频器基本操作面板(BOP )如图1所示。
BOP 可以显示参数的序号和数值,报警和故障信息,以及设定值和实际值。
基本操作面板BOP 上的按钮功能如表1所示:表1基本操作面板BOP 上的按钮功能图1变频器基本操作面板(BOP )起动变频器停止变频器改变电动机的转动方向电动机点动2.用基本操作面板(BOP )更改参数的数值MM420变频器参数有两种,p 参数是可以更改的, R 参数是只读的,有的R 参数是在变频器上可以读出。
有的是2进制的形式。
在电脑上用软件可以读出。
下面说明如何改变P0003“访问级”的数值。
操作步骤见表2-1。
表2-1 修改访问级参数P0003的步骤操作步骤 显示结果1.按访问参数2. 按键,直到显示出 P00033.按键,进入参数访问级4.或键,达到所要求的数值(例如:3)5.键,确认并存储参数的数值为了快速修改参数的数值,可以一个个地单独修改显示出的每个数字,操作步骤如下: 当已处于某一参数数值的访问级(参看“用BOP 修改参数”)。
(1)按(功能键),最右边的一个数字闪烁。
(2)按/,修改这位数字的数值。
(3)再按(功能键),相邻的下一位数字闪烁。
(4)执行2 至4 步 直到显示出所要求的数值。
(5)按,退出参数数值的访问级。
4.恢复变频器工厂默认值。
设定P0010=30和P0970=1,按下P键,开始复位,复位过程大约为3min,这样就保证了变频器的参数恢复到工厂默认值。
5.快速调试(P0010=1)利用快速调试功能使变频器与实际使用的电动机参数相匹配,并对重要的技术参数进行设定。
在快速调试的各个步骤都完成以后,应选定P3900,如果它置1,将执行必要的电动机计算,并使其他所有的参数(P0010=1 不包括在内)恢复为出厂默认设置值。
只有在快速调试方式下才进行这一操作。
快速调试的操作步骤如表2-2所示。
表2-2 快速调试步骤根据电动机铭牌键入的电动机的额定电压(V)根据电动机铭牌键入的电动机额定电流(A)6.设置电动机的参数。
为了使电动机与变频器相匹配,需要设置电动机的参数。
电动机用型号WDJ24(实验室配置),其额定参数如下:额定功率为40瓦 额定电压380V 额定电流0.2A 额定频率50Hz 转速1420r/min 三角型接法。
电动机参数设置见表3-1。
电动机参数设置完成后,设P0010=0,变频器当前处于准备状态,可正常运行。
实验二 西门子MM420的基本操作面板(BOP)控制一、实验目的1.学习西门子MM420变频器的基本操作面板(BOP)的使用。
2.掌握西门子MM420变频器面板控制运行。
三、实验内容学习并且掌握西门子MM420变频器基本操作面板(BOP)的使用。
利用面板上的按钮,完成如下几个功能:1.启动变频器;2.停止变频器,可以两种方式,1)按照设定的停车斜坡;2) 自由停车3.电机反转;4.电动机点动;5.参数设定。
四、实验步骤1.实验接线,把变频器的三相电源的输出端接到电动机的输入端;2.参照实验一进行快速调试。
3.面板控制参数设定。
在缺省状态下,面板上的操作按钮、、被锁住。
要使用该功能,需要把参数P0700(选择命令源,默认2由端子排输入)设置为1,即命令源为BOP变频器键盘;并将P1000(选择频率设定值,默认2由模拟输入)的参数设为1,即选择由键盘(电动电位计)输入设定值。
3.运行(1)为启动按钮。
按下此按钮,可以启动变频器。
(2)为停止按钮。
按此按钮,变频器将按确定好的停车斜坡减速停车。
(3)为反转按钮。
按此按钮可以改变电动机方向。
(4)为点动按钮。
在变频器无输出的情况下,按此按钮,电动机按预定的点动频率运行。
(5)为增加数值按钮。
按此按钮可以增加变频器输出频率。
(6)为减少数值按钮。
按此按钮可以减小变频器输出频率。
4.变频器MM422停车方式变频器MM422停车方式有三种方式:斜坡停车(OFF1)。
减速停车过程按照定义的斜坡下降时间停车。
就是给定信号斜坡下降直到停止,然后变频器输出断电;自由停车方式( OFF2),也就是通常说的惯性停车。
或者说是变频器直接断电,电机自由滑行停车;快速停车方式(OFF3),就是带直流制动功能。
是快速的斜坡下降,然后变频器停止时断电。
比较一下,off3停车最快,off1次之,off2最慢。
参数P0701(缺省1)、P0702(缺省12)、P0703(缺省9)、P0704(缺省0)为选择数字输入1 的功能。
可能的设定值:0 禁止数字输入;1 ON/OFF1(接通正转/ 停车命令1);2 ON reverse /OFF1(接通反转/ 停车命令1);3 OFF2(停车命令2)- 按惯性自由停车;4 OFF3(停车命令3)- 按斜坡函数曲线快速降速停车;9 故障确认;10 正向点动;11 反向点动;12 反转;13 MOP(电动电位计)升速(增加频率);14 MOP 降速(减少频率);15 固定频率设定值(直接选择);16 固定频率设定值(直接选择+ ON 命令);17 固定频率设定值(二进制编码选择+ ON 命令);25 直流注入制动;29 由外部信号触发跳闸;33 禁止附加频率设定值。
斜坡停车参数设置:P0010=l快速调试:P1120=5斜坡上升时间:P1121=5斜坡下降时间:P0700=l选择由键盘输入设定值(选择命令源);P1000=l选择由键盘(电动电位计)输入设定值;P1080=0最低频率:P1082=50最高频率:POOl0=0准备运行:、P0003=2用户访问等级为扩展级:P0004=l0选择“设定值通道及斜坡发生器”:P1032=0允许反向:P1040=30设定键盘控制的设定频率:在变频器的操作面板上按下运行键,变频器就将驱动电机在Pl120所设定的上升时间升速,并运行在由P1040所设定的频率值上:如果需要,可直接通过操作面板上的增加键或减少键来改变电动机的运行频率及旋转方向五、记录数据参数P0005为显示选择(缺省值:21),设定值为:21 实际频率;25 输出电压;26 直流回路电压;27 输出电流。
电机转速用转速测量。
记录频率为5HZ、10HZ、15HZ、20HZ、25HZ、30HZ、35HZ、40HZ、45HZ、50HZ的输出电压、电流、和电机转速。
六、思考题变频器M440如何设置自由停车1、 MM440的自由停车命令是控制字1的1位;通过设置开关量输入端子参数P0701至P0708的任何一个等于3即可。
然后由外部的开关量输入,控制该参数对应的端子。
也可以通过数字通讯,直接控制其控制字1位。
2、但是,若想由同一个端子来实现“正转导通,变频器运行,当正转断开时,变频器自由停车”,这是不太可能的。
只能分成两个控制端子来分别实现正转和自由停车功能。
3、例如:数字量输入1作为“正转”控制端子;数字量输入2作为“自由停车”控制端子。
即P0701=1;P0702=3。
控制逻辑为:当需要正转时,数字量输入1、数字量输入2都为高电平;当需要自由停车时,仅仅断开数字量输入2即可实现自由停车。
实验三 电动机的开关量控制正反转实验一、实验目的1.掌握变频器参数恢复为工厂默认值的方法。
2.学会MM420变频器基本参数的设置。
3.学会用MM420变频器输入端子DIN1、DIN2对电动机正反转控制。
4.通过BOP面板观察变频器的运行过程。
二、实验设备1).数字输入1的功能参数P0701,功能:选择数字输入1(5#引脚)的功能。
设定范围:0~99。
出厂默认值:l。
P0701=0 禁止数字输入:P0701=1 接通正转/停车命令P0701=2 接通反转/停车命令P0701=10 正向点动:P0701=11 反向点动:P0701=12 反转:P0701=13 MOP(电动电位计)升速(增加频率);P0701=14 MOP降速(减少频率)。
2). 数字输入2的功能参数P0702,功能:选择数字输入2(6#引脚)的功能。
设定范围:0~99。
出厂默认值:12。
P0702=0 禁止数字输入:P0702=01 接通正转/停车命令1;P0702=02 接通反转/停车命令l;P0702=010正向点动:P0702=011反向点动:P0702=012反转:P0702=013 MOP(电动电位计)升速(增加频率);P0702=014 MOP降速(减少频率)。
3) 数字输入3的功能参数P0703,功能:选择数字输入3(7#引脚)的功能。
设定范围:0~99。
P0703=0 禁止数字输人:P0703=01 接通正转/停车命令1:P0703=02 接通反转/停车命令1;P0703=09 故障确认:P0703=010正向点动:P0703=01l反向点动:P0703=012反转:用开关S1和S2,控制MM420变频器,实现电动机正转和反转功能,电动机加减速时间为5S。
DIN1端口设为正转控制,DIN2端口设为反转控制。
1.电路接线如图所示。
检查无误后合上QS。
2.(可省略)恢复变频器工厂默认值。
设定P0010=30和P0970=1,按下P键,开始复位,复位过程大约为3min,这样就保证了变频器的参数恢复到工厂默认值。
3.设置电动机的参数。
为了使电动机与变频器相匹配,需要设置电动机的参数。
电动机用型号WDJ24(实验室配置),其额定参数如下:额定功率为40瓦 额定电压380V 额定电流0.2A额定频率50Hz 转速1420r/min 三角型接法。
电动机参数设置见表3-1。
电动机参数设置完成后,设P0010=0,变频器当前处于准备状态,可正常运行。
表3-1 电动机参数设置其中P0004为参数过滤器,按功能的要求筛选(过滤)出与该功能有关的参数,这样,可以更方便地进行调试。
可能的设定值:0 全部参数;2 变频器参数;3 电动机参数;7 命令,二进制I/O;8 ADC(模- 数转换)和DAC(数- 模转换);10 设定值通道/ RFG(斜坡函数发生器);12 驱动装置的特征;13 电动机的控制;20 通讯;21 报警/ 警告/ 监控;22 工艺参量控制器(例如PID)。
举例:P0004 = 22 选定的功能是,只能看到PID 参数。
5.操作控制(1)电动机正向运行。
当接通S1时,变频器数字输入端口DIN1为“ON” 电动机按P1120所设置的15s斜坡上升时间正向启动,经5s后稳定运行在1144r/min的转速上。
此转速与P1040所设置的40Hz频率对应。
断开开关S1,数字输入端口DIN1为“OFF” 电动机按P1121所设置的5s斜坡下降时间停车,经5s后电动机停止运行。