通风空调系统风量测试记录
- 格式:xls
- 大小:23.00 KB
- 文档页数:42
集中空调系统新风量检测原始记录(1/2)
YZCDCYJXC18 样品编号:
受检单位名称:地址:联系人:
检测类型:日常、评价、委托、监督(选其中一项)联系电话:检测日期:年月日
检测依据:《公共场所集中空调通风系统卫生规范》(WS394-2012)、《公共场所集中空调通风系统清洗消毒规范》(WS/T 396-2012)
室内环境:温度℃、湿度 %、风速 m/s、气压 kPa
通风服务区域内设计人流量:人;通风服务区域内实际最大人流量:人;通风服务区人数:人;风管中心温度:℃;
受检集中空调系统名称:;被检风管名称:;风管类型:圆形风管()、矩形风管()。
圆形风管:直径:米;分成同心环数量:个;矩形风管:1、宽度米、2、高度米;矩形风管面积:㎡;分成等面积矩形数:个
测定步骤:1、调整热电风速仪;2、将风速仪放入新风管内测量各测点风速,以全部测点风速算数平均值作为平均风速;3、将温度计插入风管中心处,封闭测孔待温度稳定后读数;4、调查服务区人数;5、计算
表一:检测数据
测点说明:测点A1、A2、A3、A4、B1、B2、B3、B4、C1、C2、C3、C4、D1、D2、D3、D4见下页:
陪检者:检测者:复核者:
第页共页。
通风空调风系统总支路末端风量测试记录测试日期:2024年1月10日测试地点:XXX大厦测试人员:张工一、测试目的:为了验证通风空调风系统的总支路末端风量是否符合设计要求,测试通风系统在正常运行状态下的风量。
二、测试仪器和设备:1.风量测量仪:型号XYZ-001,准确度:±2%2.温湿度计:型号ABC-002,准确度:±0.5℃,±2%RH3.压力计:型号EFG-003,准确度:±0.1Pa三、测试过程:1.准备工作:a.确认通风系统处于正常运行状态。
b.验证风量测量仪、温湿度计和压力计的准确性,并进行校准。
c.制定测试计划,确定测试点位和测试方法。
2.测试点位:a.总支路1:地下室3层东侧走廊b.总支路2:一楼大厅西侧入口处c.总支路3:四楼办公区域中间位置d.总支路4:七楼会议室南侧e.总支路5:十层洗手间东侧通道3.测试方法:a.在每个总支路的末端位置放置风量测量仪,并确保完全嵌入通风口内,记录测量仪上的显示数据。
b.同时使用温湿度计测量空气温度和相对湿度,并记录数据。
c.使用压力计测量风道压力,记录数据。
4.测试结果:a.总支路1:风量测量仪显示为800m³/h,空气温度为25℃,相对湿度为50%,风道压力为20Pa。
b.总支路2:风量测量仪显示为1200m³/h,空气温度为26℃,相对湿度为55%,风道压力为18Pa。
c.总支路3:风量测量仪显示为1000m³/h,空气温度为24℃,相对湿度为45%,风道压力为22Pa。
d.总支路4:风量测量仪显示为900m³/h,空气温度为25℃,相对湿度为50%,风道压力为20Pa。
e.总支路5:风量测量仪显示为1100m³/h,空气温度为26℃,相对湿度为55%,风道压力为18Pa。
四、测试结论:根据测试结果,通风空调风系统的总支路末端风量在设计范围内,符合要求。
(首页)共页第页委托单位报告编号工程名称样品编号生产单位规格型号样品名称样品数量样品状态委托人检测类别委托日期检测性质生产日期检测地址检测日期检测项目检测环境检测结论检测说明1、见证单位:见证人:2、取样单位:取样员:批准:审核:主检:检测单位检测专用章(盖章)签发日期:年月日(附页)(附页)共页第页工程名称委托编号工程地址项目编号检测依据(风速法)检测环境设备名称设备编号设备状态测试项目抽样信息测试条件风机运行□是□否正常;系统中各部件安装□是□否正常;□有□无障碍;所有阀门□是□否调试固定开启位置风口风管参数风口编号风口/风管位置截面长度mm风口/风管类型□矩形 圆形□有□无百叶、配件截面宽度mm截面面积m2测试数据测点编号12345678910111213风速(m/s)第1次第2次第3次平均值测点编号14151617181920212223242526风速(m/s)第1次第2次第3次平均值测点编号27282930313233343536373839风速(m/s)第1次第2次第3次平均值平均风速(m/s)风口风量(m3/h)所检风口测点布置图/现场照片检测说明风口、风管风速测点位置按照《通风空调工程施工质量验收规范》GB50243-2016附录 E.2的规定布置。
风口位置均匀布设个测点。
校核:主检:检测日期:共页第页工程名称委托编号工程地址项目编号检测依据(风量罩法)检测环境设备名称设备编号设备状态测试项目□风口风量;□系统总风量;□房间新风量抽样信息测试条件风机运行□是□否正常;系统中各部件安装□是□否正常;□有□无障碍;所有阀门□是□否调试固定开启位置风口参数和测试数据风口编号风口位置风口规格(长×宽)mm风口类型风口风量(m3/h)第1次第2次第3次平均值□矩形□圆形□有□无百叶□矩形□圆形□有□无百叶□矩形□圆形□有□无百叶□矩形□圆形□有□无百叶□矩形□圆形□有□无百叶□矩形□圆形□有□无百叶□矩形□圆形□有□无百叶□矩形□圆形□有□无百叶□矩形□圆形□有□无百叶□矩形□圆形□有□无百叶□矩形□圆形□有□无百叶□矩形□圆形□有□无百叶□矩形□圆形□有□无百叶□矩形□圆形□有□无百叶检测说明校核:主检:检测日期:。
通风空调系统总风量测试记录一、测试背景测试单位:XXX公司测试时间:2024年5月20日测试地点:XXX公司办公大楼测试目的:测试通风空调系统的总风量,确保其符合设计要求。
二、测试仪器1.测风仪:型号XXX2.温湿度计:型号XXX3.电子天平:型号XXX三、测试步骤1.测量测试区域面积:利用测量仪器测量测试区域的长宽高,并计算得出面积。
2.准备测试设备:将测风仪、温湿度计及电子天平等测试设备放置于合适位置,并进行校准。
3.打开通风空调系统:在测试区域内打开通风空调系统,并设定合适的温度和湿度。
4.测量空气流速:利用测风仪在不同位置和高度处进行空气流速的测量,包括送风口、回风口等位置,确保测量数据的准确性。
5.测量温湿度:利用温湿度计对测试区域内的温度和湿度进行测量,并记录数据。
6.测量风量:将电子天平放置于通风系统的出风口,测量出风口周围空气的质量,通过测风仪测量出风量。
7.计算总风量:根据测得的出风量及测试区域的面积,计算出通风空调系统的总风量。
四、测试结果根据以上测试步骤,得到如下测试结果:1.测量区域面积:100平方米2.空气流速测量结果:送风口1号测量值为0.5m/s,送风口2号测量值为0.6m/s,回风口1号测量值为0.4m/s。
3.温湿度测量结果:测试区域内温度为25℃,湿度为50%。
4.出风量测量结果:经过测量,通风空调系统的出风量为800立方米/小时。
5.总风量计算结果:根据出风量和测试区域面积的计算,通风空调系统的总风量为8立方米/小时/平方米。
五、测试结论根据上述测试结果,通风空调系统的总风量为8立方米/小时/平方米,符合设计要求。
系统能够达到建筑物内部的通风效果和空气质量要求。
测试结果为公司提供了有效的数据支持,为进一步改进和维护通风空调系统提供了方向。
六、测试建议根据测试结果,建议XXX公司在使用通风空调系统期间,定期进行维护保养工作,包括更换过滤器、清洁风道等,以确保系统正常运行并提供良好的室内空气质量。
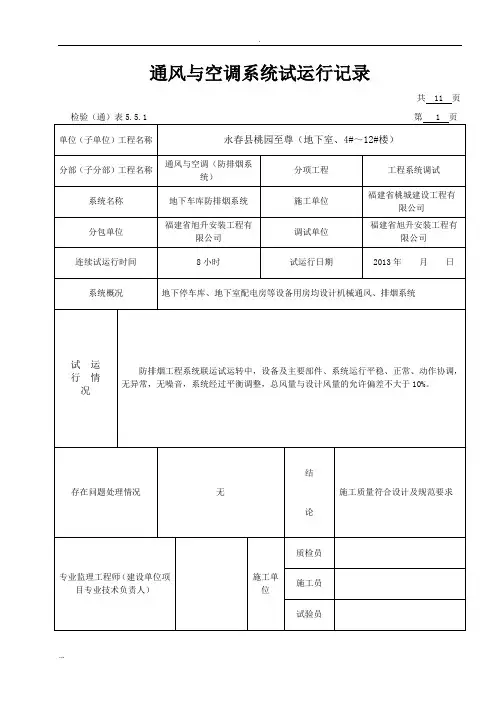
通风、空调系统试运转调试记录
E6-7 编号:工程名称试运转调试日期
系统名称通风及防排烟系统工程系统所在位置
实测风量(m3/h)23322 设计总风量(m3/h)23000 风机全压(Pa)600 设计风机全压(Pa)600
调试内容
机组安装完成,分别调整风机组的进风口处的风阀、送风管(道)处的调节阀,进行风量调整,采用“基准风口法”,从系统最不利环路的末端开始使系统内各风口风量达到平衡,系统调试完成后,系统实际风量与设计风量的相对偏差为3..3%.
调
试结论
经检查,调试结果符合设计要求及《通风与空调工程施工质量验收规范》(GB50243-2002)的规定,合格。
参加人员签字监理(建设)单位
施工单位
技术负责人质检员施工员
本表由施工单位填写,建设单位、施工单位、城建档案馆各保存一份。
SG- A061 通风与空
调
工程系统风量平衡测
试记录
工程名称分项工程名称
设计图号测试日期
测试单位项目负责人
系统编号房间数量房间状态送风方式送风口面积测试仪器型号、测试项目
房间编号
送风(m/h)回风(m/h)排风(m/h)泄漏风(m/h)新风(m/h)正压风(m/h)设计值实测值设计值实测值设计值实测值设计值实测值设计值实测值设计值实测值
测试结论
参加单位
测试单位安装单位监理(建设)单位
项目负责人:(签字)
测试人:(签字)
年月曰
项目负责人:(签字)
年月曰
监理工程师(项目负责人):(签
字)
年月曰
四川省建设厅制
SG —A061
SG- A061填写说明
一、本记录用于通风与空调工程系统风量平衡测试,测试结论应由测试单位、安装单位和监理(建设)单位有关人员共同认可及签字确认。
二、本表应按栏目要求填写,其中房间编号应按设计图纸的平面实际布局填写,且应按顺序将各房间实测风量数据填写。
14通风与空调工程系统风量测试记录一、测试目的:本次测试旨在验证通风与空调工程系统的风量是否达到设计要求,并进一步确认系统的性能。
二、测试范围:测试范围包括整个通风与空调系统的主要组成部分,包括送风机、风管、空调末端设备等。
三、测试仪器与设备:1.风速仪:用于测试通风与空调系统中的风速。
2.气动测压表:用于测试通风与空调系统中的静压和总静压。
四、测试步骤及结果:1.风速测试:a.在通风与空调系统送风口处,使用风速仪测量风速。
b.将风速仪位置调整至不同位置,测试各处的风速。
c.记录每个位置的风速数据。
d.比较测量结果与设计要求的风速值,确定是否符合要求。
2.静压测试:a.在通风与空调系统正常运行时,使用气动测压表测量送风机口、风管以及空调末端设备口的静压。
b.分别记录送风机口、风管、空调末端设备口的静压数据。
c.比较测量结果与设计要求的静压值,确定是否符合要求。
d.根据各个位置的静压值,计算出总静压。
3.风量计算:a.根据风速测量值和相应位置截面积,计算出各个位置的风量。
b.将各个位置的风量累加,得到总风量。
c.比较总风量与设计要求的风量,确定是否符合要求。
五、测试结果分析:根据以上测试步骤得到的数据,进行结果的分析与评估:-如果风速测试结果与设计要求的风速相差较大,则可能需要对送风机进行调整或更换。
-如果静压测试结果与设计要求的静压相差较大,则可能需要对风管系统进行重新设计或优化。
-如果风量测试结果与设计要求的风量不符,则需要对通风与空调系统的其他部分进行调整或改进。
六、改进措施:根据测试结果分析,确定可能存在的问题并提出改进措施:-针对风速与静压不达标的情况,可以考虑调节送风机的转速或更换合适的送风机。
-对于风量不达标的情况,可以考虑调整风管的尺寸或重新设计系统布局。
-针对测试中发现的其他问题,如噪音过大、温度不均匀等,可以进行进一步诊断并采取相应的改进措施。
七、测试结论:根据测试结果分析和改进措施,得出通风与空调工程系统的结论:-如果测试结果符合设计要求,则系统性能良好,可以正常投入使用。
通风空调系统风量测试记录日期:2024年X月X日测试地点:XX办公楼一、测试目的:本次测试旨在对通风空调系统进行风量测试,以验证系统在不同工况下的风量输出是否符合设计要求。
二、测试仪器与设备:1.风速仪:型号XYZ,准确度±0.5m/s;2.压差计:型号XYZ,准确度±1Pa;3.温湿度计:型号XYZ,准确度±1℃;4.流量计:型号XYZ,准确度±1%;5.计算机:用于数据采集与记录。
三、测试方法:1.确定测试区域:根据通风空调系统的设计图纸,确定测试的楼层、房间,并划定测试区域。
2.测试设备准备:校正风速仪、压差计、温湿度计和流量计,确保其准确度。
3.测量点设置:根据设计要求,在测试区域内设置若干个测量点,包括送风口、回风口和排风口,并标明测量点编号。
4.测量参数记录:在每个测量点上分别记录风速、温度、湿度和压差等参数,并记录风速仪、压差计和温湿度计的编号。
5.测量数据采集:通过风速仪、压差计和温湿度计等设备,采集各测量点的数据,并实时记录到计算机中。
6.测试工况设置:在测试过程中,逐步调整通风空调系统的风量,并记录不同工况下的数据。
7.数据分析与整理:通过采集到的数据,分析不同工况下的风速、温度、湿度和压差等参数,并整理成报告。
四、实测数据与分析:(以下为部分实测数据示例)测量点编号送风口风速(m/s)回风口风速(m/s)排风口风速(m/s)温度(℃)湿度(%RH)压差(Pa)-------------------------------------------------------------------------------------13.82.74.522502023.62.94.721521833.92.84.423482143.42.64.220531753.72.54.6225019通过对实测数据的分析,得出以下结论:1.送风口、回风口和排风口的风速均在设计要求范围内,且相对稳定。