通风空调系统综合效能试验记录(送回风口空气状态参数的测定)
- 格式:docx
- 大小:18.95 KB
- 文档页数:2
建竣表填表说明验收表-12本表用于分部(子分部)工程质量验收。
1、“分项工程名称”:按分项工程第一个检验批施工先后的顺序,将分项工程名称填写上,在第二格栏内分别填写各分项工程实际的检验批数量,并将各分项工程评定表按顺序附在表后。
2、“施工单位检查评定”:填写施工单位自行检查评定的结果。
自检符合要求的填写“合格”或“不合格”。
监理单位或建设单位由总监理工程师或建设单位项目专业技术负责人组织审查,符合要求后,在验收意见栏内签注“同意验收”意见。
3、“质量控制资料”:验收的分部(子分部)工程的质量控制资料项目,按资料核查的要求,逐项进行核查。
全部项目都通过,即可在施工单位检查评定栏填写“合格”。
4、“安全和功能检验(检测)报告”:检测内容按单位(子单位)工程安全和功能检验资料核查及主要功能抽查记录中相关内容确定摸查和抽查项目。
每个检测项目都通过审查,即可在施工单位检查评定栏内填写“合格”。
5、“观察质量验收”:由施工单位项目经理组织进行现场检查,经检查合格将施工单位填写的内容填写好后,由项目经理签字交监理单位或建设单位验收。
监理单位由总监理工程师或建设单位项目专业负责人组织验收,质量评价为好、一般、差。
验收评价结论填写在分部(子分部)工程观察质量验收意见栏。
验收表-13本表用于分项工程质量验收。
分项工程是在检验批合格的基础上进行,是一个统计表,没有实质性验收内容。
一是检查检验批是否将整个工程覆盖了有没有漏掉的部位;二是将检验批的资料统一,依次进行登记整理。
监理单位的专业监理工程师(或建设单位的专业负责人)应逐项审查,同意项填写“合格或符合要求”,不同意项暂不填写,待处理后再验收,但应做标记。
渝建竣-27本表用于土建与安装工程中需要进行隐蔽检查而在渝建竣表中无专用的隐蔽检查记录表时使用。
项目内容根据隐蔽检查要求进行设置,有试验报告的应记录相应的检测数据、结论、编号。
需要附图说明的应绘制简图。
本表用于检验批质量验收。
SG-A061
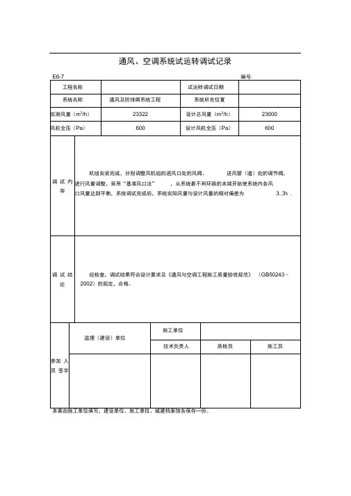
通风与空调工程系统风量平衡测试记录
工程名称分项工程名称
设计图号测试日期
测试单位项目负责人
系统编号房间数量房间状态送风方式送风口面积测试仪器型号
测试项目房间编号
送风(m3/h)回风(m3/h)排风(m3/h)泄漏风(m3/h)新风(m3/h)正压风(m3/h)设计值实测值设计值实测值设计值实测值设计值实测值设计值实测值设计值实测值
测
试
结
论
参测试单位安装单位监理(建设)单位
加单位项目负责人:(签字)
测试人:(签字)
年月日
项目负责人:(签字)
年月日
监理工程师(项目负责人):(签字)
年月日
四川省建设厅制
SG—A061填写说明
一、本记录用于通风与空调工程系统风量平衡测试,测试结论应由测试单位、安装单位和监理(建设)单位有关人员共同认可及签字确认。
二、本表应按栏目要求填写,其中房间编号应按设计图纸的平面实际布局填写,且应按顺序将各房间实测风量数据填写。
第1篇一、实验目的本次实验旨在对空调系统进行全面的检测和实验,验证其性能是否符合设计要求,确保空调系统的正常运行和节能效果。
通过检测实验,可以评估空调系统的制冷、制热、除湿等功能的实现情况,并对系统中的关键设备进行性能测试,为空调系统的优化和维护提供依据。
二、实验设备与材料1. 空调系统:包括室内外机组、风管、风机盘管、水系统、电气控制系统等。
2. 测试仪器:温度计、湿度计、风速仪、压力计、流量计、电表、噪声计等。
3. 工具:扳手、螺丝刀、万用表、绝缘电阻测试仪等。
三、实验方法1. 系统概况检查:检查空调系统的整体布局、管道连接、电气接线等是否符合设计要求,设备安装是否牢固。
2. 制冷系统检测:- 压缩机性能测试:测试压缩机的工作电流、电压、排气温度、吸气温度等参数,评估压缩机的工作状态。
- 冷凝器性能测试:测试冷凝器的散热性能,包括冷却水进出口温度、水流速度等。
- 蒸发器性能测试:测试蒸发器的制冷性能,包括蒸发器进出口温度、蒸发器表面温度等。
3. 制热系统检测:- 加热器性能测试:测试加热器的制热性能,包括加热器进出口温度、加热功率等。
- 风机盘管性能测试:测试风机盘管的送风量和送风温度,评估其制热效果。
4. 除湿系统检测:- 湿度计测试:测量室内外湿度,评估除湿系统的效果。
- 冷凝水排放测试:检查冷凝水排放系统是否畅通,防止冷凝水倒灌。
5. 电气控制系统检测:- 电气接线检查:检查电气接线是否正确、牢固,是否存在短路、漏电等问题。
- 电气元件性能测试:测试继电器、接触器、传感器等电气元件的工作状态。
四、实验结果与分析1. 制冷系统检测:- 压缩机工作电流、电压、排气温度、吸气温度等参数均符合设计要求。
- 冷凝器散热性能良好,冷却水进出口温度差符合设计要求。
- 蒸发器制冷性能良好,蒸发器进出口温度差符合设计要求。
2. 制热系统检测:- 加热器制热性能良好,加热器进出口温度差符合设计要求。
- 风机盘管送风量和送风温度符合设计要求,制热效果良好。
通风与空调系统的综合效能检测研究,6000字,摘要:一般来说,在检测通风与空调系统节能状况时,需要综合考量风系统总风量与风口风量、水系统水流量、室内温湿度等,结合三方面实际检测数据,与理论数值进行比较,若在可允许最大偏差数值范围内,则无需进行整修,但若明显超出理论数值,考虑通风与空调系统在某构件存在安装不当、遗失等,需要进行故障排查,以将被检测指标回归到正常数值。
关键词:通风;空调;综合效能;检测研究前言:伴随着我国的经济建设发展和基础产业的科技进步,我国的建筑中空调系统的应用已经逐渐普及,为我们提供了舒适的工作环境,但是在现代化资源日渐匮乏,能源问题日趋严峻的情况下,建筑中使用的空调系统占建筑内的能源消耗比例较高,为保证行业的可持续发展,必须要对技术、管理进行合理调整和能源控制,采用自动化程度更高的节能技术,到达节能效果,加快我国节能型社会的建成。
在人们环保意识逐渐加强的情况下,暖通空调节能降耗问题也得到社会广泛重视。
1、通风与空调系统现场节能检测指标1.1总风量与风口风量通风系统是保障建筑内浑浊空气能够及时更换,降低二氧化碳浓度、烟尘浓度,进而增加新鲜空气的设备,也是建筑能耗中消耗甚多的项目之一,在对其进行检测时,主要是检测出风口风量、总风量、输出功率、理论设计风量、室内换风状况等,在散流器等符合要求下,可以使用风量罩,对通风系统风量进行检测,同时,为了实际通风效果,也可以人工制造烟尘,观察烟尘的散逸情况,以便于能对通风系统的风量具备具体把握。
从空调系统来看,一般对空调系统的气流组织进行综合考量,判断送风口、回风口的风量、风向、稳定性,判断风速、风向、稳定性是否符合既定要求,同时,重视回风口风量的把握,可以尽可能的增加风箱内的室内风含量,从而起到一定节能效果。
1.2水系统水流量空调系统内,需要对冷却水、冷冻水等流量进行的检测,确定水流流速、流速稳定性,检测水泵等的工作稳定性及管网内沿程阻力是否存在异常状况,冷冻水、冷却水流量较高情况下,无疑增加水泵能耗,同时,空调水产生与室内热空气冷凝有关,在空调水流量较大时,空调的负荷一般较大,对空调的寿命及电能消耗均存在不利的状况,除了检测冷却水、冷冻水的流量外,还需要对水道进行抽检排查,以尽可能的防范水流量异常状况。
建筑物通风和空调系统控制调试、检测、验收记录1. 背景建筑物通风和空调系统在保持室内空气质量和温湿度方面起着关键作用。
为了确保系统的正常运行和性能,需要进行控制调试、检测和验收工作。
本文档详细记录了建筑物通风和空调系统的相关调试、检测和验收过程。
2. 调试2.1 控制系统调试- 检查控制系统的供电是否正常。
- 测试各个传感器的准确性和响应速度。
- 验证控制系统与主控室的连接是否正常。
- 进行系统的自动化调试,确保控制逻辑和控制设备之间的配合良好。
2.2 通风系统调试- 检查通风系统的风机、送风口和排风口是否正常工作。
- 测量通风系统的送风量和排风量,确保其满足设计要求。
- 调整通风系统的风速和风量,使之达到合理范围。
2.3 空调系统调试- 检查空调系统的冷热源、制冷剂循环和管道连接是否正常。
- 测量冷热源的温度和压力,确保其在指定范围内。
- 调整空调系统的温度和湿度,使之符合设计参数。
3. 检测3.1 控制系统检测- 进行控制系统的功能性测试,确保各部分正常工作。
- 检查控制系统的安全性能,如紧急停机功能和报警系统。
3.2 通风系统检测- 使用仪器测量通风系统的风速、温度和湿度等参数。
- 检查通风系统的各个部件是否运行正常,如风机、过滤器和风口。
3.3 空调系统检测- 使用温湿度计和压力计等仪器测量空调系统的温度、湿度、压力和流量等参数。
- 检查空调系统的其他部件是否正常工作,如冷却塔、冷却水泵和空气处理设备。
4. 验收4.1 控制系统验收- 检验控制系统调试和检测的结果是否满足设计要求。
- 进行控制系统的模拟运行,确保其在各种情况下正常工作。
4.2 通风系统验收- 验证通风系统调试和检测的结果是否满足设计要求。
- 检查通风系统的安装和布局是否合理。
- 进行通风系统的正常运行测试,确保其能在不同负荷下工作。
4.3 空调系统验收- 验证空调系统调试和检测的结果是否满足设计要求。
- 检查空调系统的安装和布局是否合理。
01通风空调设备监控系统功能测试记录(续一)
GD-C4-6528/1
通风空调
系统及其
设备(装
置)名称
(型号、
规格)/安
装编号/安
装位置新风系统定风量空调系统变风量空调系统测试结果/备注运行状态(启/停、手/自动开
关)新风送风量监控送风温度和相对湿度监控预定时间表自动启/防冻保 护、新风阀开度监控过滤器堵塞和风机压差超限报警其他设定参数超限报警风机、水阀和风阀电气联动(联
锁)送风/回风量监控水阀开度监控(自动调节)室外环境温度监测运行状态(启/停、手/自动开关)回风温度和相对湿度监控预定时间表自动启/停和季节转换监新风阀、排风阀、回风阀监控新风量监控室内空调区域温度监控预定时间表自动启/停和季节转换监风机、水阀和风阀电气联动(联锁)防冻保 护、加湿监控风机、水阀和风阀电气联动(联
锁)防冻保护、加湿监控设定参数超限报警运行状态(启/停、手/自动开关)送风温度监控设定参数超限报警
回风相对湿度监控。
通风空调设备监控系统功能测试记录功能测试记录(二):通风空调设备监控系统测试项目:系统功能测试测试日期:XX年XX月XX日测试环境:仿真环境测试目的:验证通风空调设备监控系统的各项功能是否正常运行。
测试步骤:1.登录系统:打开系统登录页面,输入正确的用户名和密码,点击登录按钮,验证是否成功进入系统。
2.实时监控:在系统主界面,查看实时监控模块,观察各个设备的状态是否正确显示,包括通风设备和空调设备。
确认所有设备状态均正确显示。
3.设备控制:选择一个通风设备,点击控制按钮,验证是否可以启动和停止通风设备;选择一个空调设备,点击控制按钮,验证是否可以设置温度和风速。
4.告警功能:模拟设备出现故障或异常,观察系统是否能够正确显示告警信息,并能够及时发送报警通知。
5.历史数据查询:进入历史数据查询模块,选择一个通风设备和一个时间段,点击查询按钮,验证系统是否能够正确显示该设备在该时间段内的历史数据。
6.报表生成:进入报表生成模块,选择一个通风设备和一个时间段,点击生成报表按钮,验证系统是否能够生成相应的报表文件,并能够正确展示设备的运行情况。
7.系统设置:进入系统设置模块,验证是否可以对系统参数进行配置,并保存成功。
测试结果:1.登录系统功能正常,成功进入系统。
2.实时监控功能正常,所有设备状态正确显示。
3.设备控制功能正常,可以启动和停止通风设备,设置温度和风速。
4.告警功能正常,系统能够正确显示告警信息,并及时发送报警通知。
5.历史数据查询功能正常,系统能够正确显示设备在指定时间段内的历史数据。
6.报表生成功能正常,系统能够生成相应的报表文件,并正确展示设备的运行情况。
7.系统设置功能正常,可以对系统参数进行配置,并成功保存。
测试结论:通风空调设备监控系统的各项功能均正常运行,符合设计要求。
测试人员:XXX审批人:XXX。