过程控制实验讲义
- 格式:doc
- 大小:206.50 KB
- 文档页数:14
过程控制课程设计实验一、教学目标本课程的教学目标是使学生掌握过程控制的基本概念、原理和方法,培养学生运用过程控制理论分析和解决实际问题的能力。
具体目标如下:1.知识目标:(1)了解过程控制的基本概念、分类和特点;(2)掌握过程控制的基本原理,包括PID控制、模糊控制、神经网络控制等;(3)熟悉过程控制系统的组成、设计和应用;(4)了解过程控制在我国的发展现状和趋势。
2.技能目标:(1)能够运用过程控制理论分析和解决实际问题;(2)具备过程控制系统的设计和调试能力;(3)掌握常用的过程控制软件和工具,如MATLAB、Simulink等;(4)具备一定的创新能力和团队协作精神。
3.情感态度价值观目标:(1)培养学生对过程控制学科的兴趣和热情;(2)树立正确的科学观和价值观,认识到过程控制技术在现代社会中的重要性;(3)培养学生具有良好的职业道德和责任感,关注过程控制技术在环保、安全等方面的应用;(4)培养学生的团队协作意识和沟通能力,提高学生在实际工程中的综合素质。
二、教学内容本课程的教学内容主要包括以下几个方面:1.过程控制的基本概念和分类;2.过程控制的基本原理,如PID控制、模糊控制、神经网络控制等;3.过程控制系统的组成、设计和应用,包括温度控制系统、压力控制系统、流量控制系统等;4.过程控制技术的最新发展,如智能控制、自适应控制等;5.过程控制软件和工具的使用,如MATLAB、Simulink等;6.过程控制技术在实际工程中的应用案例分析。
三、教学方法本课程采用多种教学方法,以激发学生的学习兴趣和主动性:1.讲授法:通过讲解基本概念、原理和实例,使学生掌握过程控制的基本知识;2.讨论法:学生分组讨论,培养学生的思考能力和团队协作精神;3.案例分析法:分析实际工程案例,使学生能够将理论知识应用于实际问题;4.实验法:安排实验课程,让学生亲自动手操作,提高学生的实践能力;5.互动教学法:鼓励学生提问、发表见解,教师引导学生进行思考,形成良性互动。
过程控制实验报告过程控制实验报告引言:过程控制是一种重要的工程控制方法,广泛应用于工业生产、环境保护、交通运输等各个领域。
本实验旨在通过对过程控制的实际操作,理解和掌握过程控制的基本原理和方法。
一、实验目的本实验的主要目的是通过搭建一个简单的过程控制系统,了解过程控制的基本概念和原理,并通过实际操作掌握过程控制的方法和技巧。
二、实验装置和原理实验所用的装置是一个温度控制系统,由温度传感器、控制器和执行器组成。
温度传感器负责测量温度,控制器根据测量值与设定值的差异来控制执行器的动作,从而实现温度的控制。
三、实验步骤1. 将温度传感器安装在被控温度区域,并连接到控制器上。
2. 设置控制器的参数,包括设定值、比例系数、积分时间和微分时间等。
3. 打开控制器,开始实验。
观察温度的变化过程,并记录实验数据。
4. 根据实验数据分析控制效果,并对控制器的参数进行调整,以达到更好的控制效果。
5. 重复步骤3和4,直到达到满意的控制效果。
四、实验结果与分析在实验过程中,我们观察到温度的变化过程,并记录了实验数据。
通过对实验数据的分析,我们可以评估控制效果的好坏,并对控制器的参数进行调整。
五、实验总结与体会通过本次实验,我们深入了解了过程控制的基本原理和方法。
实践操作使我们更加熟悉了过程控制的过程和技巧。
同时,我们也体会到了过程控制在工程实践中的重要性和应用价值。
六、实验改进与展望本次实验中,我们采用了简单的温度控制系统进行实验。
未来可以进一步扩展实验内容,涉及到其他参数的控制,如压力、流量等,以更全面地了解过程控制的应用。
结语:过程控制是一门重要的工程学科,对于提高生产效率、保护环境、提升产品质量等方面具有重要意义。
通过本次实验,我们对过程控制的原理和方法有了更深入的理解,为今后的工程实践打下了坚实的基础。
希望通过不断学习和实践,我们能够在工程领域中运用过程控制的知识,为社会发展做出更大的贡献。
过程控制实验报告1. 实验目的本次实验的目的是学习和掌握过程控制的基本原理和操作方法,了解过程控制系统的组成和结构,掌握过程控制系统的基本调试方法和过程控制的自动化程度。
2. 实验原理过程控制是指对一组物理过程进行控制的技术和方法。
过程控制的目的是使被控制的物理过程在一定的条件下,达到预期的目标,如稳定、精度、速度、延迟、可靠性、安全性、经济性等等。
过程控制系统由传感器、执行元件、控制器和执行器构成,其中传感器用于检测被控制物理过程的状态,控制器根据传感器获取的信息进行决策,并通过执行元件控制执行器实现对被控制物理过程的控制。
3. 实验步骤本次实验的过程控制系统由一台工业控制计算机、一台工业控制器和一组执行器构成。
实验的具体步骤如下:(1) 将传感器与控制器连接,并将控制器与计算机连接。
(2) 在计算机上启动控制软件,在软件中设置控制器和传感器的参数。
(3) 将执行器与控制器连接,并调试执行器的控制参数。
(4) 在控制软件中设置控制策略和控制目标,并启动控制器。
(5) 监测被控制物理过程的状态,并记录相关数据。
(6) 对控制策略和控制参数进行调整,直到被控制物理过程达到预期目标。
4. 实验结果经过多次实验,我们成功地控制了被控制的物理过程,并达到了预期目标。
实验结果表明,过程控制技术可以有效地控制物理过程,并提高物理过程的稳定性、精确性和可靠性。
5. 实验总结本次实验使我们深入了解了过程控制的原理和操作方法,掌握了过程控制系统的基本调试方法和过程控制的自动化程度。
通过实验,我们发现过程控制技术在许多工业领域都具有广泛的应用前景,是提高生产效率和质量的重要手段。
在今后的学习和工作中,我们将继续深入学习和研究过程控制技术,为推动工业自动化和智能化发展做出贡献。
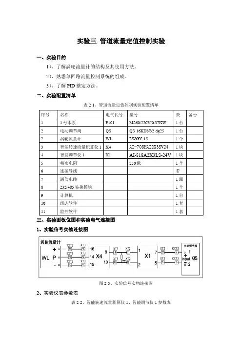
过程控制实验——单容水箱属性测试及PID参数整定一、实验目的1)、熟悉单容水箱的数学模型及其阶跃响应曲线。
2)、根据由实际测得的单容水箱液位的阶跃响应曲线,用相关的方法分别确定它们的参数。
3)、通过实验熟悉单回路反馈控制系统的组成和工作原理。
4)、分析分别用P 、PI 和PID 调节时的过程图形曲线。
5)、定性地研究P 、PI 和PID 调节器的参数对系统性能的影响。
二、实验设备AE2000A 型过程控制实验装置、MCGS 程序运行环境、计算机、RS232-485转换器1只、串口线1根、实验连接线。
三、实验原理1)、对象特性测试设单容水箱的输入为1Q ,输出为2Q ,液位为h 调节输入输出,当系统平衡时:1122Q (t )(t )0Q -=; 当系统由于输入变化处于动态时:12(t)(t)Q (t)(t)dv dh Q A dt dt-==⋅; 22(t)h Q R =; 12(t)(t)Q (t)h dh A R dt⇒-=⋅ 21212H(s)(s)Q (s)(s)(s)1R H As H R Q AR s ⇒-=⋅⇒=+拉氏变换得到传递函数为 22(s)11R K G AR s s τ==++令1Q 有阶跃变化量0X ,拉氏变换式 10(s)Q x s = 则 0001(s)(Ts 1)Tkx kx kx H s s s ==-++取拉氏反变换:0(t)(1e )tT h kx -=-当t →∞ 00()H(0)()H(0)Kx x H H K ∞-∞-=⇒=t T = 100(T)Kx (1e )0.632Kx H -=-= 2)、PID 参数整定加入PID 控制后的系统框图如下图有经验可知 :,,,,0,,p p r s i p o r s p K M T T T M T t t M ↑⇒↑↓↓↓↓⇒↑=↑⇒↓↓↓经验试凑法;① P (,0i o T T =∞=)此时0p K =↑,并给系统一个阶跃信号,观察波形直到第一次峰值和第二次峰值之比大于4;1②PI (0o T =)适当减小p K ,逐渐减小i T ,给系统一个阶跃信号,观察波形直到第一次峰值和第二次峰值之比大于4;1③PID适当增大p K ,i T ,0o T 逐渐增大,重复上述操作,得到合适的PID 参数。
《过程控制系统》实验报告实验报告:过程控制系统一、引言过程控制系统是指对工业过程中的物理、化学、机械等变量进行监控和调节的系统。
它能够实时采集与处理各种信号,根据设定的控制策略对工业过程进行监控与调节,以达到所需的目标。
在工业生产中,过程控制系统起到了至关重要的作用。
本实验旨在了解过程控制系统的基本原理、组成以及操作。
二、实验内容1.过程控制系统的组成及原理;2.过程控制系统的搭建与调节;3.过程控制系统的优化优化。
三、实验步骤1.复习过程控制系统的原理和基本组成;2.使用PLC等软件和硬件搭建简单的过程控制系统;3.设计一个调节过程,如温度控制或液位控制,调节系统的参数;4.通过修改控制算法和调整参数,优化过程控制系统的性能;5.记录实验数据并进行分析。
四、实验结果与分析在本次实验中,我们搭建了一个温度控制系统,通过控制加热器的功率来调节温度。
在调节过程中,我们使用了PID控制算法,并调整了参数,包括比例、积分和微分。
通过观察实验数据,我们可以看到温度的稳定性随着PID参数的调整而改变。
当PID参数调整合适时,温度能够在设定值附近波动较小,实现了较好的控制效果。
在优化过程中,我们尝试了不同的控制算法和参数,比较了它们的性能差异。
实验结果表明,在一些情况下,改变控制算法和参数可以显著提高过程控制系统的性能。
通过优化,我们实现了更快的响应时间和更小的稳定偏差,提高了系统的稳定性和控制精度。
五、结论与总结通过本次实验,我们了解了过程控制系统的基本原理、组成和操作方法。
我们掌握了搭建过程控制系统、调节参数以及优化性能的技巧。
实验结果表明,合理的控制算法和参数选择可以显著提高过程控制系统的性能,实现更好的控制效果。
然而,本次实验还存在一些不足之处。
首先,在系统搭建过程中,可能由于设备和软件的限制,无法完全模拟实际的工业过程。
其次,实验涉及到的控制算法和参数调节方法较为简单,在实际工程中可能需要更为复杂和精细的控制策略。
过程控制实验报告1. 背景过程控制是一种控制技术,用于监测和调整工业过程中的变量,以确保产品的质量和效率。
在工业生产中,过程控制对于提高产品质量、降低生产成本和提高生产效率起着至关重要的作用。
本实验旨在通过模拟一个简单的工业过程,了解过程控制的基本原理和方法。
通过对过程中的变量进行监测和调整,我们可以在不同条件下优化过程,并得出相应的结论和建议。
2. 实验设备和方法2.1 实验设备•控制器:使用PID控制器进行过程控制。
•传感器:使用温度传感器、压力传感器和流量传感器等监测过程中的变量。
•执行器:使用阀门、电机等对过程进行调整。
2.2 实验方法1.设定控制目标:根据实验要求,确定需要控制的变量和目标值。
2.连接传感器和执行器:将传感器和执行器与控制器连接,确保数据的传输和命令的执行。
3.数据采集和处理:通过传感器获取过程中的数据,并将其输入到控制器中进行处理。
4.控制策略选择:选择合适的控制策略,如比例控制、积分控制、微分控制等。
5.调整参数:根据实际情况,调整控制器的参数,以达到控制目标。
6.系统监测和优化:实时监测过程中的变量,并根据实验结果进行系统优化。
3. 实验结果经过实验,我们获得了以下结果:•利用PID控制器进行温度控制实验,成功将温度稳定在目标温度范围内,并保持稳定不变。
•利用PID控制器进行压力控制实验,成功将压力稳定在目标压力范围内,并保持稳定不变。
•利用PID控制器进行流量控制实验,成功将流量控制在目标流量范围内,并保持稳定不变。
通过数据分析和结果对比,我们得出以下结论:•PID控制器具有较好的控制性能,能够实现对温度、压力和流量等变量的精确控制。
•过程控制的关键在于选择合适的控制策略和参数调整,通过不断优化可以实现更好的控制效果。
•实时监测对于控制系统的稳定性和可靠性具有至关重要的作用,可以及时发现问题并进行修正。
4. 建议根据实验结果和分析,我们提出以下建议:1.在实际工业生产中,可以采用PID控制器对关键的工艺变量进行控制,以提高产品质量和生产效率。
EFAT/P过程控制实验装置简介实验装置简介本实验装置由控制对象及过程控制的操作台两部分组成,并与上位机实现通讯,构成多种形式的监控,实现过程控制自动化和过程管理现代化。
系统结构图如下:本实验指导书以基本配置,AI调节仪表与上位计算机通讯进行监控为实验背景而写。
控制对象控制对象由工艺设备和现场仪表、电气负载三部分组成。
(一)工艺设备包括:1.内部4.5KW三相星形连接电热丝,19升的热水夹套锅炉;2.38升的高位溢流水箱(产生稳定压力的工艺介质——水);3.35升的液位水槽和105升的计量水槽;4.配三相电机的循环水泵;5.2只电磁阀(用于扰动)和28只手动球阀。
控制对象的图纸和手动阀的操作总图实线内的图形、方框为安装在对象框架内的工艺设备及流量、压力、液位、温度信号的检测、变送、执行单元,虚线方框为安装在操作台上的变送、执行单元。
本控制对象通过切换22变更后的工艺流程。
可用简化图的形式表示。
过程控制操作台1.操作台配电操作台面板的第一层为信号接线板。
接线板的左边是电源配电部分,其右边是从控制对象中传送来的现场仪表信号和电气负载。
面板的第二层插入实验板。
每层最多插入8块实验板。
3. 信号板上与控制对象连接的电气负载1) 循环水泵的三相电机(星形连接)供电端子U,V ,W 。
2) 锅炉加热的三相电热丝(星形连接)供电端RL1, RL2, RL3, RN 。
3) 锅炉夹套加热的单相电热丝供电端子RL,RN (可选件)。
4) 面板上标有“电磁阀”区域中的VD11、VD12端子内部已连接到一继电器,经继电器控制220VAC 供电给电磁阀;同时该区域中标有“OV ”(或-24V )端子已连接到同一面板上标有“24VDC ”及“OV ”端子区域的“OV ”端子。
● 水泵禁止空转:必须有水流通的情况下,水泵才能运转;第一次启动前必须将水泵注满水(在水泵上口有一只螺帽是注水口)。
● 每次启动水泵,水槽液位必须高于水泵● 水泵禁止缺相运转:可采用变频器供电起到保护作用。
过程控制系统实验报告实验⼀过程控制系统的组成认识实验过程控制及检测装置硬件结构组成认识,控制⽅案的组成及控制系统连接⼀、过程控制实验装置简介过程控制是指⾃动控制系统中被控量为温度、压⼒、流量、液位等变量在⼯业⽣产过程中的⾃动化控制。
本系统设计本着培养⼯程化、参数化、现代化、开放性、综合性⼈才为出发点。
实验对象采⽤当今⼯业现场常⽤的对象,如⽔箱、锅炉等。
仪表采⽤具有⼈⼯智能算法及通讯接⼝的智能调节仪,上位机监控软件采⽤MCGS⼯控组态软件。
对象系统还留有扩展连接⼝,扩展信号接⼝便于控制系统⼆次开发,如PLC控制、DCS控制开发等。
学⽣通过对该系统的了解和使⽤,进⼊企业后能很快地适应环境并进⼊⾓⾊。
同时该系统也为教师和研究⽣提供⼀个⾼⽔平的学习和研究开发的平台。
⼆、过程控制实验装置组成本实验装置由过程控制实验对象、智能仪表控制台及上位机PC三部分组成。
1、被控对象由上、下⼆个有机玻璃⽔箱和不锈钢储⽔箱串接,4.5千⽡电加热锅炉(由不锈钢锅炉内胆加温筒和封闭外循环不锈钢锅炉夹套构成),压⼒容器组成。
⽔箱:包括上、下⽔箱和储⽔箱。
上、下⽔箱采⽤透明长⽅体有机玻璃,坚实耐⽤,透明度⾼,有利于学⽣直接观察液位的变化和记录结果。
⽔箱结构新颖,内有三个槽,分别是缓冲槽、⼯作槽、出⽔槽,还设有溢流⼝。
⼆个⽔箱可以组成⼀阶、⼆阶单回路液位控制实验和双闭环液位定值控制等实验。
模拟锅炉:锅炉采⽤不锈钢精致⽽成,由两层组成:加热层(内胆)和冷却层(夹套)。
做温度定值实验时,可⽤冷却循环⽔帮助散热。
加热层和冷却层都有温度传感器检测其温度,可做温度串级控制、前馈-反馈控制、⽐值控制、解耦控制等实验。
压⼒容器:采⽤不锈钢做成,⼀⼤⼀⼩两个连通的容器,可以组成⼀阶、⼆阶单回路压⼒控制实验和双闭环串级定值控制等实验。
管道:整个系统管道采⽤不锈钢管连接⽽成,彻底避免了管道⽣锈的可能性。
为了提⾼实验装置的使⽤年限,储⽔箱换⽔可⽤箱底的出⽔阀进⾏。
一、过程控制仪表认识实验一、实验目的1、熟悉装置的具体结构、明确各部件的作用。
2、掌握常用传感器的工作原理及使用方法。
二、实验内容1、水箱本装置包括上水箱、中水箱、下水箱和储水箱,上、中、下三个水箱都有三个槽,分别是缓冲槽、工作槽和溢流槽。
实验时,水流首先进入缓冲槽(可减小水流对工作槽的冲击),当缓冲槽中注满水时,水流便溢出到工作槽。
整个装置的管道都采用铝塑管,以防止阀门生锈。
打开储水箱后的小球阀可排出水箱中的水,另外还可排出空气,以防抽不上水。
2、微型锅炉、纯滞后系统、热电阻本装置采用锅炉进行温度实验,锅炉用不锈钢材料制作,共有四层,从内向外依次是加热层、冷却层、溢流层和纯滞后管道层(盘管长达20米)。
热电阻为Pt100,三线制工作。
温度变送器内部已有内置电源,不能再接外加电源。
系统用2Kw的加热丝进行加热,并采用可控硅移相触发模块(移相触发角与输入电流成正比),本模块输入为4—20mA的标准电流,输出为380V的交流电。
3、液位传感器本装置采用扩散硅压力变送器(不锈钢隔离膜片),标准二线制进行传输,因此工作时需要串接24V电源。
压力变送器通电15分钟后,方可调整零点和量程。
使用的原则是:没通电,不加压;先卸压,再断电。
零点调整:在水箱液位为零时,调整输出电流表的读数为4mA。
满量程调整:在水箱加满水时,调整输出电流表的读数为20mA。
调整的原则是:先调零点,再调满量程,要反复多次调整(满量程调整后会影响零点)。
4、电动调节阀采用德国PS公司生产的PSL 202型智能电动调节阀。
调节阀由220V50HZ电源供电。
工作环境温度为-20—70摄氏度,输入信号为4—20mA的控制信号,输出信号为4—20mA 的阀位信号。
5、变频器采用日本三菱FR-S520变频器,内控为0—50HZ,外控为4—20mA,可通过控制屏上的双掷开关进行切换。
内控:上电时,EXT灯先亮,开关打到内控,Run灯亮,开始内控变频控制水泵。
过程控制实验指导书授课学时:16课时授课专业:自动化授课教师:姜倩倩目录过程控制实验项目一览表 ............................................................................................ - 1 - 实验一:一阶系统数学模型的建立 ............................................................................ - 2 - 实验二:PID控制器参数自整定............................................................................... - 4 - 实验三水箱液位PID控制........................................................................................ - 8 - 实验四水箱压力的PID调节控制 .......................................................................... - 14 - 实验五串级水位控制系统设计 ............................................................................ - 17 - 实验六前馈-反馈控制系统仿真实验 .................................................................... - 19 - 实验七单片机液位控制系统 .................................................................................. - 22 - 实验八单容液位PLC控制 ...................................................................................... - 25 -过程控制实验项目一览表实验参考书:GK-1型操作说明书.实验指导书实验一:一阶系统数学模型的建立一、实验目的1.熟悉利用计算法建立系统一阶惯性环节加纯迟延的近似数学模型的方法;2.学会利用MATLAB/Simulink对系统建模的方法。
第三章 对象特性测试实验第一节 测试对象特性的方法工业过程动态数学模型的表达方式很多,其复杂程度相差悬殊。
对于数学模型,应根据实际应用情况提出适当的要求。
一般说来,用于控制的数学模型并不要求十分准确。
闭环控制本身具有一定的鲁棒性,模型本身的误差可视为干扰,而闭环控制在某种程度上具有自动消除干扰的能力。
实际生产过程的动态特性非常复杂,往往需要作很多近似处理。
有些近似处理需要作线性化处理、降阶处理等,但却能满足控制的要求。
建立数学模型有两个基本方法,即机理法和测试法。
测试法一般只用于建立输入输出模型。
它的特点是把被研究的工业过程视为一个黑匣子,完全从外部特性上测试和描述它的动态性质,因此不需要深入掌握其内部机理。
一、测试法求取传递函数通过简单的测试获得被被控对象的阶跃响应,进一步把它拟合成近似的传递函数,是建立被控对象数学模型简单有效的方法。
用测试法建立被控对象的数学模型,首先要选定模型的结构。
典型的工业过程的传递函数可以取为各种形式,例如:1、 一阶惯性环节加纯延迟 一阶惯性环节的传递函数:1)(+=Ts Ks G 延迟环节的传递函数为:τs )(-=e s G一阶加纯滞后对象的传递函数1)(τs+=-Ts Ke s GtXΔx阶跃信号一阶惯性环节阶跃响应KΔxT图 3.1.1对于有纯滞后的一阶对象,滞后时间可直接由图中测量出纯滞后时间τ。
2、二阶或高阶惯性环节加纯延迟ns1)(Ts )(+=-τKe s G 在确定传递函数的形式后,要对函数中的各个参数与测试的响应曲线进行拟合。
如果阶跃响应是如图3.1.2所示的S 形单调曲线,就可以用一阶惯性加纯延迟对象的传递函数去拟合。
增益K 由输入输出的稳态值直接算出,而τ和T 则可以用作图法确定。
tABpCy y(∞)τT图 3.1.2在曲线的拐点p 作切线,它与时间轴交于A 点,与曲线的稳态渐进线交于B 点。
0A 段的值即为纯滞后时间τ,CB 段的值即为时间常数T ,这样就确定了τ和T 的数值。
第一节 单容自衡水箱液位特性测试实验一、实验目的1.掌握单容水箱的阶跃响应测试方法,并记录相应液位的响应曲线;2.根据实验得到的液位阶跃响应曲线,用相应的方法确定被测对象的特征参数K 、T 和传递函数;3.掌握同一控制系统采用不同控制方案的实现过程。
二、实验设备THSA-1型过控综合自动化控制系统。
三、实验原理所谓单容指只有一个贮蓄容器。
自衡是指对象在扰动作用下,其平衡位置被破坏后,不需要操作人员或仪表等干预,依靠其自身重新恢复平衡的过程。
图2-1所示为单容自衡水箱特性测试结构图及方框图。
阀门F1-1和F1-8全开,设下水箱流入量为Q 1,改变电动调节阀V 1的开度可以改变Q 1的大小,下水箱的流出量为Q 2,改变出水阀F1-11的开度可以改变Q 2。
液位h 的变化反映了Q 1与Q 2不等而引起水箱中蓄水或泄水的过程。
若将Q 1作为被控过程的输入变量,h 为其输出变量,则该被控过程的数学模型就是h 与Q 1之间的数学表达式。
图1-1 单容自衡水箱特性测试系统(a )结构图 (b )方框图根据动态物料平衡关系有Q 1-Q 2=A dtdh (1-1) 将式(2-1)表示为增量形式 ΔQ 1-ΔQ 2=A dth d ∆ (1-2) 式中:ΔQ1,ΔQ2,Δh ——分别为偏离某一平衡状态的增量;A ——水箱截面积。
在平衡时,Q 1=Q 2,dt dh =0;当Q1发生变化时,液位h 随之变化,水箱出口处的静压也随之变化,Q2也发生变化。
由流体力学可知,流体在紊流情况下,液位h 与流量之间为非线性关系。
但为了简化起见,经线性化处理后,可近似认为Q2与h 成正比关系,而与阀F1-11的阻力R 成反比,即ΔQ 2=R h ∆ 或 R=2Q ∆∆h (1-3) 式中:R ——阀F1-11的阻力,称为液阻。
将式(1-2)、式(1-3)经拉氏变换并消去中间变量Q2,即可得到单容水箱的数学模型为W 0(s )=)()(1s Q s H =1RCs R +=1s +T K (1-4) 式中T 为水箱的时间常数,T =RC ;K 为放大系数,K =R ;C 为水箱的容量系数。
实验内容:简单过程控制系统的实施与整定【实验目的】1、通过实验熟悉单回路反馈控制系统的组成和工作原理。
2、分析分别用P、PI和PID调节时的过程图形曲线。
3、掌握单回路控制系统的投运和无扰动切换方法。
4、定性地研究P、PI和PID调节器的参数对系统性能的影响。
【实验设备】1、A3000-FS现场总线型过程控制现场系统 4套2、A3000-CS上位控制系统 4套【实验原理】1、控制系统结构单容水箱液位定值(随动)控制实验,定性分析P、PI和PID控制器特性。
控制逻辑如图3-1所示:图3-1 单容下水箱液位定值(随动)控制系统实验水流入量Qi由调节阀u控制,流出量Qo则由用户通过负载阀R来改变。
被调量为水位H。
使用P、PI 、PID控制,看控制效果,进行比较。
2、控制系统方框图如图3-2所示:图3-2 单容下水箱液位定值(随动)控制统方框图3、控制系统接线表表3-1【实验内容与步骤】1、系统连接(1)在A3000-FS上,打开手动调节阀JV201、JV206,调节下水箱闸板开度(可以稍微大一些),其余阀门关闭。
(2)在A3000-CS上,将液位差压变送器的输出连接到AI0,AO0端口,即连接到电动调节阀上。
(3)打开A3000电源。
在A3000-FS上,启动右边水泵。
(4)启动计算机组态软件,进入实验系统选择相应的实验。
启动控制器,设置各项参数,将控制器的“手动-自动”切换开关置相应的位置。
2、控制器参数整定用临界比例度法去整定PID调节器的参数是既方便又实用的。
它的具体做法是:待系统稳定后,逐步减小控制器的比例度δ(即1/KC),并且每当减小一次比例度δ,待被控变量回复到平衡状态后,再手动给系统施加一个5%~15%的阶跃扰动,观察被控变量变化的动态过程。
若被控变量为衰减的振荡曲线,则应继续减小比例度δ,直到输出响应曲线呈现等幅振荡为止。
如果响应曲线出现发散振荡,则表示比例度调节得过小,应适当增大,使之出现等幅振荡。
对象特性测试实验对象特性是指对象在输入的作用下,其输出的变量(即被控变量)随时间变化的特性。
对象特性测试实验的目的:通过实验掌握单、双容对象特性曲线的测量方法,根据曲线和先验知识确定对象模型结构和模型参数。
测量时应注意的问题:液位对象是自衡对象,单个水槽是一阶对象,上水槽与下水槽可以组成二阶对象,下水箱形状为长方体,其横截面积为:。
对象参数的求取:一、传递函数的求取1、一阶对象在0.632倍的稳态值处求取时间常数T0。
2、一阶加纯滞后的对象对于有纯滞后的一阶对象,如图2所示,当阶跃响应曲线在t=0时,斜率为0;随着t 的增加,其斜率逐渐增大;当到达拐点后斜率又慢慢减小,可见该曲线的形状为S 形,可用一阶惯性加时延环节来近似。
确定K 0、T 0和τ的方法如下:00/)]0()([1)(x y y K s T K s W o -∞=+=/)]0()([01)(0x y y K e s T K S W so -∞=+=-τ在阶跃响应的拐点(即斜率的最大处)作一切线并与时间坐标轴交与C 点,则OC 段的值即为纯滞后时间τ,而与CB 段的值即为时间常数T0。
3、二阶或高阶对象二阶过程的阶跃响应曲线,其传递函数可表示为式中的K 0、T 1、T 2需从阶跃响应曲线上求出。
先在阶跃响应曲线上取(1) y (t )稳态值的渐近线y (∞);(2) y (t1)=0.4 y (∞)时曲线上的点y1和相应的时间t1; (3) y (t2)=0.8 y (∞)时曲线上的点y2和相应的时间t2; 然后,利用如下近似公式计算T 1、T 2。
(4)(5) 对于二阶过程,0.32<t1/t2<0.46。
当t1/t2=0.32时,为一阶环节(此时,时间常数T0=(t1+t2)2.12);当t1/t2=0.46时,过程的传递函数W (s )=K 0/(T 0S+1)(T 0S+1)(此时,T1=T2=T0=(t1+t2)/2×2.18);当t1/t2>0.46时,应用高于二阶环节来近似。
过程控制实验报告一、实验目的本次实验的主要目的是了解过程控制的基本概念和方法,学习使用PLC编程软件进行程序设计和调试,掌握PID控制算法及其在工业生产中的应用。
二、实验器材1. PLC编程软件2. 工业自动化控制箱3. 电机驱动器4. 温度传感器三、实验原理1. 过程控制:指对某一物理或化学过程进行监测和调节,以达到预期的结果。
2. PID控制算法:PID是比例、积分、微分三个英文单词的缩写。
PID 控制算法通过对反馈信号进行处理,计算出误差值,并根据误差值来调整输出信号,从而达到对被控对象进行精确调节的目的。
四、实验步骤1. 搭建实验装置:将温度传感器安装在被测物体上,并将电机驱动器与被测物体相连。
2. 编写PLC程序:使用PLC编程软件编写程序,对温度传感器采集到的数据进行处理并输出给电机驱动器。
3. 调试程序:在调试模式下运行程序,观察温度变化情况,并根据实际情况进行调整,使温度保持在设定值范围内。
4. 记录实验数据:记录温度传感器采集到的数据及程序调试过程中的各种参数和结果。
五、实验结果分析通过本次实验,我们成功地搭建了一个过程控制装置,并使用PID控制算法对被测物体进行了精确控制。
在调试程序的过程中,我们发现PID控制算法具有较高的精度和稳定性,在工业生产中得到了广泛的应用。
六、实验总结本次实验通过对过程控制和PID控制算法的学习,让我们更加深入地了解了工业自动化生产中的相关知识。
同时,也让我们对PLC编程软件有了更深入的认识,并学会了如何使用它来进行程序设计和调试。
通过本次实验,我们不仅获得了理论知识,还锻炼了动手能力和分析问题能力。
对象特性测试实验对象特性是指对象在输入的作用下,其输出的变量(即被控变量)随时间变化的特性。
对象特性测试实验的目的:通过实验掌握单、双容对象特性曲线的测量方法,根据曲线和先验知识确定对象模型结构和模型参数。
测量时应注意的问题:液位对象是自衡对象,单个水槽是一阶对象,上水槽与下水槽可以组成二阶对象,下水箱形状为长方体,其横截面积为:。
对象参数的求取:一、传递函数的求取1、一阶对象在0.632倍的稳态值处求取时间常数T0。
2、一阶加纯滞后的对象对于有纯滞后的一阶对象,如图2所示,当阶跃响应曲线在t=0时,斜率为0;随着t 的增加,其斜率逐渐增大;当到达拐点后斜率又慢慢减小,可见该曲线的形状为S 形,可用一阶惯性加时延环节来近似。
确定K 0、T 0和τ的方法如下:00/)]0()([1)(x y y K s T K s W o -∞=+=/)]0()([01)(0x y y K e s T K S W so -∞=+=-τ在阶跃响应的拐点(即斜率的最大处)作一切线并与时间坐标轴交与C 点,则OC 段的值即为纯滞后时间τ,而与CB 段的值即为时间常数T0。
3、二阶或高阶对象二阶过程的阶跃响应曲线,其传递函数可表示为式中的K 0、T 1、T 2需从阶跃响应曲线上求出。
先在阶跃响应曲线上取(1) y (t )稳态值的渐近线y (∞);(2) y (t1)=0.4 y (∞)时曲线上的点y1和相应的时间t1; (3) y (t2)=0.8 y (∞)时曲线上的点y2和相应的时间t2; 然后,利用如下近似公式计算T 1、T 2。
(4)(5) 对于二阶过程,0.32<t1/t2<0.46。
当t1/t2=0.32时,为一阶环节(此时,时间常数T0=(t1+t2)2.12);当t1/t2=0.46时,过程的传递函数W (s )=K 0/(T 0S+1)(T 0S+1)(此时,T1=T2=T0=(t1+t2)/2×2.18);当t1/t2>0.46时,应用高于二阶环节来近似。
二、实验中应注意的问题1、测试前系统处于平衡状态,并记录此时的液位值。
2、测试与记录工作必须持续到输出达到新的稳态值。
0/)]0()([0)1)(1()(210x y y K s T s T K S W -∞=++=55.02174.1)21)(21(2116.22121-≈+++≈+t t T T T T T T t t T T实验一:单容液位对象数学模型实验测取一、实验目的:通过实验测定单容特性阶跃响应曲线,通过数据处理求取一阶环节的传递函数。
二、实验设备:实验室端采用PCS—E型过程控制实验装置(使用其中:电动调节阀、DDC控制单元、下水箱及液位变送器、水泵等),实验室端设备操作步骤如下:1、了解实验装置中的对象,流程图。
如下图所示。
下水箱单容特性测试实验流程图2、按附图下水箱单容特性测试实验接线图接好实验导线和通讯线。
3、将控制台上RS232通讯口(在电源插座旁)与上位机连接。
4、将手动阀门1V1、1V10、V5打开,其余阀门全部关闭。
5、先打开实验对象的系统电源,然后打开控制台上的总电源,再打开直流电压和DDC控制单元电源。
6、在信号板上打开电动调节阀输入信号、下水箱输出信号,并将旁路阀开到适当开度。
三、远程端实验步骤:1、打开计算机上的“远程过程控制实验”,选择实验一下水箱单容特性测试实验,给“阀门开度op”设置一个初始值(20-40)使初始液位10---20cm。
2、等待下水箱液位达到某一平衡位置,记下此时的阀门开度值和液位值。
3、增大阀门开度值,即使系统输入一个幅值适宜的阶跃信号(阶跃信号不要太大,估计下水箱水不要溢出),一般5--10即可,同时记录液位输出变化数据到表一中(开始数据记录可密集一些如10s一个点,后面可30s一个点),一直记录到系统在较高液位达到新的平衡状态为止。
11、对实验的记录曲线分别进行分析和处理,处理结果记录于表中。
表一阶跃响应曲线数据记录表按常规内容编写实验报告,求取K0、T0、τ值写出广义的传递函数。
实验二:双容液位对象数学模型实验测取一、实验目的通过实验测定双容液位对象数学模型,通过数据处理写出二阶环节的传递函数。
二、实验设备及参考资料实验室端采用PCS—E型过程控制实验装置(使用其中:电动调节阀、DDC控制单元、下水箱及液位变送器、水泵等),实验室端设备操作步骤如下:1、了解实验装置中的对象,流程图如下图所示。
下水箱双容特性测试实验流程图2、按附图下水箱双容特性测试实验接线图接好实验导线和通讯线。
3、将控制台上RS232通讯口(在电源插座旁)与上位机连接。
4、将手动阀门1V 1、1V 10、V 4、V 5打开,其余阀门全部关闭。
5、先打开实验对象的系统电源,然后打开控制台上的总电源,再打开+24V 直流电压和DDC 控制单元电源。
6、在信号板上打开电动调节阀输入信号、下水箱输出信号,并将旁路阀开到适当开度。
三、远程端实验步骤:1、打开计算机上的 “远程过程控制实验”工程,选择实验二中的下水箱双容特性测试实验,给“阀门开度op”设置一个初始值。
2、设置阀门开度值为实验一的初始开度,等待下水箱液位达到某一平衡位置。
3、增大阀门开度值,输入一幅值适宜的阶跃信号(阶跃信号不要太,估计下水箱水不要溢出),一般变化5%即可,测试并记录对象输出变化值,直至系统在较高液位达到新的平衡状态。
4、观察计算机上的实时曲线和历史曲线,直至达到新的平衡为止。
按常规内容编写实验报告,并根据K0、T1、T2、τ值写出对象的传递函数。
控制系统参数整定实验概述调节器参数整定是过程控制系统设计的核心内容之一。
它的任务是:根据被控过程的广义数学模型确定PID调节器的比例度δ,积分时间T I及微分时间T D的大小。
在简单的过程控制系统中,调节器参数整定通常以系统瞬态响应的衰减率为主要指标,保证系统具有一定的稳定裕量。
调节器参数的整定的方法很多,概括起来分为两大类:一是理论计算整定法。
它主要依据广义对象的数学模型,采用控制理论中的根轨迹法、频率特性法等,经过理论计算确定调节器的数值。
这种方法不仅计算繁琐,而且过分依赖被控对象数学模型,所得到数据未必直接可用,还必须通过实际运行进行调整和修改。
因此,理论计算整定法除了有理论指导意义外,工程实际中较少采用。
二是工程整定法,它主要依靠工程经验,直接在过程控制的实际运行系统中进行,方法简单实用,易于掌握,在工程实际中被广泛采用。
调节器的工程整定方法,主要有特性曲线法、临界比例度法、衰减曲线法和经验法。
其中特性曲线法类似实验一、二,这里不赘述。
(1)临界比例度法这是一种闭环整定方法。
由于该方法直接在闭环系统中进行,不需测试过程的动态特性,因为方法简单,使用方便,获得了广泛的应用。
具体步骤如下:● 先切除调节器的积分和微分作用,即置积分时间T I =∞、微分时间T D =0,比例度δ置为较大的数值,使系统投入闭环运行。
● 待系统运行稳定后,对设定值施加一个阶跃输入,逐步减小δ,直到系统出现如图1.1所示的等幅振荡,即临界振荡过程。
记录此时的δk (临界比例带)和等幅振荡周期T (记为T k )。
● 根据δk 和T K ,按表1-1给出的经验公式计算出调节器的δ、T I 及T D 参数。
需要指出的是,采用这种方法整定调节器的参数时会受到一定的限制,如有些过程控制系统不允许进行反复振荡实验,像锅炉给水系统和燃烧控制系统等,就不能应用此法。
再如某些时间常数较大的单容过程,属于本质稳定系统,采用比例调节时不可能出现等幅振荡,也不能应用此法。
图1.1 系统的临界振荡 表1-1 采用临界比例度法的整定参数(2)衰减曲线法这种方法与临界比例度法相类似,所不同的是无需出现等幅振荡过程,具体方法如下:●先置调节器积分时间T I =∞,微分时间T D=0,比例带δ置于较大的值。
将系统投入运行。
●待系统工作稳定后,对设定值作阶跃输入,然后观察系统的响应。
若响应振荡衰减太快,就减小比例带;反之,则增大比例带。
如此反复,直到出现如图1.2(a)所示的衰减比为4:1的振荡过程时,或者如图1.2(b)所示的10:1振荡过程时,记录此时的δ值(设为δs),以及T s的值(如图1.2(a)中所示),或者Tr的值(如图1.2(b)中所示)。
图1.2中,Ts为衰减振荡周期,Tr为响应上升时间。
图1.2系统衰减振荡曲线●按表1-2中所给的经验公式计算δ、TI及TD的参数。
表1-2 衰减曲线法整定计算公式衰减曲线对多数过程都适用,该方法的缺点是较难确定4:1的衰减程度,从而较难得到准确的δ、T i及T d的值。
说明:由于参数整定实验用时较长,以下2个实验采用经验法整定参数,其目的是让大家掌握PID参数的改变如何影响控制系统性能,给定参考数据,注意比较单、双容相同参数的不同影响。
实验三:单容液位控制系统参数整定实验一、实验目的:1、了解简单过程控制系统的组成。
2、掌握简单过程控制的控制过程和参数整定方法。
3、验证δ、T i、T d参数的变化对控制系统的影响情况。
二、实验设备及参考资料:1、PCS—E过程控制实验装置(注意系统流程包括:电动调节阀、DDC控制单元、下水箱及液位变送器、水泵1系统等)2、实验讲义。
三、实验系统流程图:四、实验原理:本实验是闭环自动控制实验,采用计算机作控制器,将液位控制在设定高度。
下水箱液位信号送给计算机,计算机根据P、I、D参数进行PID运算,输出4-20mA电流信号控制电动调节阀,然后由电动调节阀控制水泵供水系统的进水流量,从而达到五、实验室端设置步骤:1、按附图单容液位控制实验接线图接好实验导线和通讯线。
2、将控制台的232通讯口与上位机连接。
3、将手动阀门1V1、1V10、V5打开,其余阀门全部关闭。
4、先打开实验对象的系统电源,然后打开控制台上的总电源,再打开DDC控制单元电源。
5、在信号板上打开电动调节阀输入信号、下水箱输出信号,并将旁路阀开到适当开度。
六、远程端实验步骤:1、打开计算机上的“远程过程控制实验”工程,选择“单容液位控制系统参数整定实验”,在“手动”状态下将“阀门开度op”设置一个初始值。
2、在手动状态下将调节阀开度设置在实验一平衡时的开度,待平衡后设置好第一组实验参数,再将液位给定值sv设置为平衡时的液位测量值,最后切换到自动控制状态。
注意稳定后再设置参数,反复改变设定值,测试过渡过程曲线。
设定2-3组控制参数,测试过渡过程曲线,注意观察参数变化对曲线如何影响。
●比例调节:设Ts=1 Ti=∞ Td=0分别设Kc=7,20,60 (参考值)测试数据●比例积分调节:设Ts=1 Td=0固定比例系数Kc=7 (参考值,不同对象Kc可以不同)改变Ti 分别设Ti=200 ,100,50 (参考值)测试数据10、观察并记录计算机上的实时曲线和历史曲线。