交通标志组成结构
- 格式:docx
- 大小:14.78 KB
- 文档页数:4
公路交通标志:是用图形符号和文字传递特定信息,用以管理交通、指示行车方向以保证道路畅通与行车安全的设施。
适用于公路、城市道路以及一切专用公路,具有法令的性质,车辆、行人都必须遵守。
公路交通标志分为主标志和辅助标志两大类。
主标志中有警告标志、禁令标志、指示标志和指路标志四种。
各种标志的作用:(1)警告标志是警告车辆、行人注意危险地点的标志;(2)禁令标志是禁止或限制车辆、行人交通行为的标志;(3)指示标志是指示车辆、行人行进的标志;(4)指路标志是传递道方向、地点、距离信息的标志。
辅助标志是附设在主标志之下,起辅助说明作用的标志,分表示时间、车辆种类、区域或距离、警告、禁令理由等类型。
各种标志的颜色、形状的规定:(1)警告标志的颜色为黄底、黑边、黑图案,形状为等边三角形,顶角朝上。
(2)禁令标志的颜色为白底、红圈、红杠、黑图案,图案压杠。
其中解除禁超车、解除限制速度标志为白底、黑圈、黑杠、黑图案,图案压杠。
形状为圆形,让路标志为顶角向下的等边三角形。
(3)指示标志的颜色为蓝底、白图案。
形状为圆形、长方形和正方形。
(4)指路标志的颜色除里程碑、百米桩、公路界牌外,一般道路为蓝底、白图案。
形状除地点识别标志外,均为长方形和正方形。
里程碑、百米桩和公路界碑均属指路标志。
里程碑设在国道上时颜色为白底、红字;设在省道上时颜色为白底、蓝字;设在县、乡道上时颜色一律为白底、黑字。
公路界碑的颜色不分道路性质,一律为白底、黑字。
辅助标志是附设在主标志下,起辅助说明作用的标志。
分表示时间、车辆种类、区域或距离、警告、禁令理由等类型。
各种标志设置的位置:警告标志设置的位置与公路的计算行车时速有关。
在农村山区公路,一般应设在距离危险地点20~50米的地方。
禁令标志一般应设置在需要限制或禁止的地方,除禁止停车标志外均应成对设置在限制或禁止路段的起终点和桥梁的两端。
指示标志多用于城市道路和高等级公路,一般公路使用较少。
指路标志在一般公路上常用的有地名、分界、指向等标志和里程碑、百米桩、公路界碑。
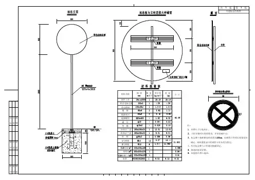
道路交通标志一般由标志底板、标志面、立柱、紧固件、基础等几部分组成。
关于道路交通标志牌的作用方面:
1、提供道路信息,起到道路语言作用;
2、指挥控制交通,保障交通安全;
3、指路导向,提高行车效率;
4、为交通管理部门提供执法依据。
道路交通标志牌密集在我们行走的路上,给我们的出行带来了方便,更重要的是给了我们出行安全一份保障,我们要爱护这些交通标志牌!
道路交通标志是显示交通法规及道路信息的图形符号,它可使交通法规得到形象、具体、简明的表达,
同时还表达了难以用文字描述的内容,用以管理交通、指示行车方向以保证道路畅通与行车安全的设施。
适用于公路、城市道路以及一切专用公路,具有法令的性质,车辆、行人都必须遵守。
道路交通标志牌由四个部分组成的,标志地板、标志面、立柱、紧固件,下面就来给大家详细介绍一下这四个方面,帮助大家去选购好的产品。
一、标志底板1.1.0mm 1.2mm 1.5mm2.0mm3.0mm厚的铝合金板可根据道路要求选用,材料性能应满足GB 5768、GB/T 6892和JT/T 279的要求。
标记板的一般尺寸偏差为±5mm。
当形状尺寸大于1.2米时,偏差为形状尺寸的±0.5%,相邻边缘的角度偏差为0.5°。
道路交通标志标牌的标牌应平整,表面无明显皱纹、压痕或变形,平整度公差不得大于1.0mm/平方米。
标记板不允许裂纹、明显的划痕、损坏和颜色不均匀;在面积50×50cm2的任何表面上,不允许一个或多个总面积大于10毫米的气泡,反射性能不允许不均匀。
二、标志面道路交通标志标牌布局是向我们提供信息的主要渠道。
标牌表面需要贴上反光胶片,并应根据道路需要选择不同级别的反光胶片。
普通道路标志的布局是蓝色的,高速标志是绿色的,警告标志是黄色的,禁止标志是红色的。
三、立柱交通标志柱又称道路标杆、路标杆、Y形杆、F型杆、T型杆、单悬臂标杆、双悬臂标杆、用于指示公路两侧交通路线的柱、用钢管加工和形成的交通标志柱,并对路面进行热镀锌处理。
四、紧固件交通标志的连接件包括连接标志板、滑槽、横杆、箍、螺栓和螺母,以及地脚螺栓、螺母连接标志法兰板和基础、特殊不锈钢带等。
该材料的形状、尺寸和力学性能应符合GB/T 1938、GB/T 3098及其他相应标准的要求。
如果说大家不知道怎么选择标志牌,建议大家找专业的厂家购买,这样质量比较有保障。
四川耀霖交通工程有限公司成立于2010年,是一家专注生产交通标志牌、交通杆件、信号灯、隧道反光环等交安设施产品的厂家。
随着城市化道路建设越来越深入,很多城镇道路的交通设施得到了很大的改善。
给人们的生活和出行带来了极大的方便,那大家真正了解交通标志牌吗?对它的结构、类别、功能清楚吗?下面小编就为大家详细的讲解一下:结构道路交通标志一般由标志层、标志面、立柱、扣件、基础等组成。
标志材料加工简介:1.材料采用优质铝合金板材、工程级或高强度反射膜,夜间反射效果好。
2.按照国家标准尺寸,铝板和反光膜切割(方形、圆形)。
3.将铝板洗净,用白抹布研磨铝板,使铝板表面粗糙,用水清洗,烘干。
4.用液压机将反光膜涂在清洗过的铝板上。
5.电脑排版图案及文字,并直接在反光胶卷上用电脑雕刻机。
6.在底片的铝板上刮印雕刻图案和丝印图案。
在进出口的适当位置,以及在院子和道路上设置标志,引导车辆正确行驶,设置禁止通行的标志、标志和其他标志。
类别根据道路交通标志牌的不同作用和功能我们可以将道路标志牌分为:1.指路交通标志牌,一般为蓝色底矩形标志牌,上面标有道路方向、距离和道路名称等信息。
2.禁令交通标志牌,一般为红色底多边形标志牌(三角形、六边形),上面标有禁止某种交通行为的信息。
3.指示交通标志牌,一般为蓝色底圆形标志牌,上面标有某种交通指示标志图案。
4.警示交通标志牌,一般为黄色底三角形标志牌,上面标有某种交通危险信息。
5.旅游标志牌,一般为棕色标志牌,标有旅游景点方向、距离等信息。
6.道路施工安全标志牌,一般为黄色底标志牌,是一种通告前方道路施工的标志牌。
功能道路交通标志牌,通过不同颜色、形状为广大交通参与者提供了道路信息,让我们在更安全,规范的道路交通中出行,其主要功能有:1.为我们的出行提供了道路方向、路程距离、道路名字,起到了导航的作用。
2.在没有交警在现场的时候,起到了指挥交通、保障交通安全的作用。
3.有效地规范了机动车和行人的出行,提高了出现效率。
4.为交通部门提供了执法依据。
以上就是雨田交通为大家介绍的关于道路交通标志牌的结构、类别与功能的相关内容,希望对大家有所帮助!。
交通标志结构全线交通标志共有 3 种类型:禁令标志、指示标志、警示标志。
(1)版面类型1)禁令标志:白底、红圈、黑图案,图案压杠,D=800mm,减速让行标志为顶角向下等边三角形,a=900mm。
2)指示标志:蓝底、白图案,矩形标志版面为1400×1000mm,正方形A=800mm。
具体有停车位标志、人行横道标志。
3)警示标志:黄底、黑图案,等边三角形,a=900mm。
具体有注意行人标志。
(2)标志板面1)版面尺寸按设计版面内容确定,尽量达到统一,版面中文字间隔、笔划粗度、最小行距等均以北京市地标和国际为依据,采用中英文对照方式。
2)本工程标志版面均采用高强反光膜。
版面反光材料的概要考虑各类反光膜的反光特征、使用功能、应用场合和使用年限,又要分清版面中不同内容部分的主次关系。
为道路使用者在夜间对版面信息有较好的视认效果,版面字体采用电脑刻字技术,文字及图形不可拼接。
在反光产品的选择上,一定要对生产厂家进行资质审查,对产品的使用效果进行评价认定。
3)各种标志版面颜色均应符合 GB5768.1~3-2009规定。
(3)标志结构1)标志结构类型共有单柱式,单T、悬臂等标志内边缘距离路面或土路肩边缘不得小于 25cm,标志牌下缘距离路面的高度宜大于 200cm或小于 80cm,非行人通行区域不受此限制。
单柱适用于中小型尺寸的禁令、指示等标志。
2)主要材料钢材:钢管均为碳素结构钢无缝钢管,应符合《结构用无缝钢管 GB/T 8162》的需求。
钢管、钢板、抱箍及底衬、锚栓均采用 Q235-B 及钢管,其化学成分及力学性能应符合《碳素结构钢 GB/T 700》标准中有关规定。
普通螺栓应符合《六角头螺栓—C 级 GB/T 5780》的需求。
手工焊接采用的焊条应符合国家现行标准《碳钢焊条 GB/T 5117》的规定,焊条型号、自动焊或半自动焊所采用的焊丝、焊剂应与主体金属力学性能相适应。
铝材:标志牌、华东曹铝均采用防锈铝,牌号为 5A02,应符合《铝和铝合金轧制板材 GB/T 3880》、《工业用铝及铝合金热挤压型材 GB/T 6892》的需求。
交通标志详解如下:
1.警告标志:警告车辆、行人注意危险地点的标志。
警告
标志的颜色为黄底、黑边、黑图案,形状为等边三角形,
顶角向上。
2.禁令标志:禁止或限制车辆、行人交通行为的标志。
禁
令标志的形状为圆形、八角形、顶角向下的等边三角形。
3.指示标志:指示车辆和行人按规定方向、地点行驶的标
志。
指示标志的颜色为蓝底、白图案,形状分为圆形、长方形和正方形。
4.指路标志:向道路使用者传递道路方向、地点和距离,
或提供与之相交道路、著名地点、服务区等信息的标志。
一般道路指路标志为蓝底、白图形,而城市快速路及高
速公路的指路标志为绿底、白图形。
交通标志牌结构组成介绍交通标志是指用于指示、引导和警告行人和车辆的道路标志。
它们起着保障道路交通安全和顺畅的重要作用。
交通标志牌的结构主要由标志板、标志柱和固定装置组成。
一、标志板结构组成:1. 标志板背板:标志板背板通常采用铝合金、铝塑板或塑料材料制作,具有较好的耐候性和抗腐蚀性。
它的主要作用是提供支撑和固定标志板的结构基础。
2. 反光膜:反光膜是标志板的重要组成部分,它能够使标志在夜间或低照度环境下反射光线,提高标志的可见度和警示效果。
常见的反光膜材料有普通级别和高级别两种,其中高级别反光膜具有较高的反射性能和耐候性。
3. 标志图案:标志图案是标志板上的绘制标识,其形状、颜色和图案应符合交通标志规范和要求。
常见的标志图案有禁止标志、警告标志、指示标志和指路标志等,它们以符号或文字形式向行人和车辆传达特定的交通信息。
4. 边缘封边:边缘封边是为了保护标志板的边缘不易损坏和破裂。
一般采用抗紫外线的PVC材料进行封边处理,使标志板在恶劣天气条件下仍能保持良好的使用状态。
二、标志柱结构组成:1. 标志柱材料:标志柱通常采用镀锌钢管、塑料管或铝合金管制作,具有较好的防腐蚀性和强度。
其中镀锌钢管是常用的标志柱材料,其表面镀上一层锌层,能够有效抵御湿气和氧化。
2. 连接件:标志柱上通常有多个横向连接件,用于固定和支撑标志板。
连接件可以是金属制的U型卡扣、螺钉等,也可以是塑料制的卡扣、套管等。
3. 固定装置:标志柱通常需要与道路或地面固定连接,以防止被恶意移动或倒塌。
常见的固定装置包括膨胀螺栓、地脚螺栓、嵌入式固定座等。
三、固定装置组成:1. 地基:地基是指标志柱固定的地面部分,通常需要选择地势稳定且较为坚硬的地点。
有些地方还需要进行基础处理,例如打地脚、挖坑等。
2. 固定螺丝:固定螺丝用于将标志柱与地基固定在一起。
常见的固定螺丝有膨胀螺丝、地脚螺丝等,它们能够有效地固定标志柱在地基上,防止倾倒或松动。
以上是交通标志牌结构组成的简要介绍。
(交通运输)交通标志图解轮廓标••曲线段轮廓标设置间隔示例立面标记••立面标记突起路标••突起路标与标线配合设置示例•••出口匝道突起路标布设示例•••突起路标组成的虚线标线示例•••突起路标组成的单实线示例•••突起路标组成的双实线示例减速标线••收费广场减速标线•••车行道横向减速标线•••车行道纵向减速标线•••车行道纵向减速标线渐变段接近障碍物标线••双向四车行道道路接近道路中心障碍物标线设置示例•••双向两车行道道路接近道路中心障碍物标线设置示例•••接近车行道中障碍物标线设置示例••接近实体中央分隔带标线设置示例•••收费岛地面标线铁路平交道口标线••铁路平交道口标线路面(车行道)宽度渐变段标线••三车行道变为双车行道渐变段标线设置示例•••四车行道变为双车行道渐变段标线设置示例•••四车行道变为三车行道渐变段标线设置示例•••三车行道道路填充线渐变段标线设置示例••两车行道变为四车行道填充线渐变段标线设置示例禁止掉头(转弯)标记••禁止掉头标记•••禁止转弯标记网状线••网状线•••简化网状线车种专用车道线••公交专用车道线•••公交专用车道线••小型车专用车道线•••大型车道线•••多乘员车辆专用车道线•••非机动车道线导流线••十字交叉口导流线设置示例•••T型交叉口导流线设置示例•••平面环形交叉口导流线设置示例中心圈••圆形中心圈•••菱形中心圈非机动车禁驶区标线••非机动车禁驶区标线停止线••停止线让行线••停车让行线•••减速让行线禁止跨越同向车行道分界线••禁止跨越同向车行道分界线禁止停车线••禁止长时停车线•••禁止停车线禁止跨越对向车行道分界线••双黄实线禁止跨越对向车行道分界线•••黄色虚实线禁止跨越对向车行道分界线•••黄色单实线禁止跨越对向车行道分界线路面图形标记••非机动车道路面标记•••残疾人专用停车位路面标记•••注意前方路面状况标记导向箭头••指示直行•,••指示前方可直行或左转•,••指示前方左转•••指示前方右转•,••指示前方可直行或右转•,••指示前方掉头•••指示前方可直行或掉头•,••指示前方可左转或掉头•,••指示前方道路仅可左右转弯•••提示前方道路有左弯或需向左合流•,••提示前方道路有右弯或需向右合流•,路面文字标记••路面限速标记字符•••路面限速标记字符减速丘标线••减速丘标线停靠站标线••港湾式停靠站标线•••港湾式停靠站标线•••车种专用港湾式停靠站标线•••车种专用港湾式停靠站标线停车位标线••倾斜式停车位标线•••垂直式停车位标线•••固定停车方向停车位标线•••出租车专用待客停车位标线•••出租车专用上下客停车位标线•••残疾人专用停车位标线•••非机动车停车位标线•••平行式机动车限时停车位标线•••倾斜式机动车限时停车位标线•••垂直式机动车限时停车位标线•••平行式停车位标线车距确认标线••白色折线车距确认线••白色折线车距确认线道路出入口标线••出口标线设置示例•••出口标线设置示例•••入口标线设置示例•••入口标线设置示例导向车道线••导向车道线人行横道线••与道路中心线垂直的人行横道线••与道路中心线斜交的人行横道线•••行人左右分道的人行横道线•••人行横道预告标识线路口导向线••路口导向线•••路口导向线左弯待转区线••左弯待转区线车行道边缘线••车行道边缘白色实线••车行道边缘白色虚线•••车行道边缘白色虚实线•••黄色单实线车行道边缘线潮汐车道线••潮汐车道线可跨越同向车行道分界线••可跨越同向车行道分界线•••可跨越同向车行道分界线可跨越对向车行道分界线••可跨越对向车行道分界线告示标志••严禁酒后驾车标志•,••严禁乱扔弃物标志•,••急弯减速慢行标志•••急弯减速慢行标志•,••急弯下坡减速慢行标志•,••急弯下坡减速慢行标志•••系安全带标志•,••大型车靠右•,••驾驶时禁用手机标志••校车停靠站点,,辅助标志表示时间••时间范围•,••时间范围•表示车辆种类、属性••除公共汽车外•,••货车、拖拉机•••机动车•,••货车••私人专属•,表示方向••行驶方向标志•,••行驶方向标志•,••行驶方向标志•••行驶方向标志•,••行驶方向标志•,••行驶方向标志•••行驶方向标志•,••行驶方向标志•,表示区域或距离••向前 200m•,••向左 100m•,••向左、向右各 50m•••向右 100m•,••某区域内•,••距离某地 200m•表示警告、禁令理由••学校•,••海关•,••事故•••塌方•,••教练车行驶路线•,••驾驶考试路线•••校车停靠点•,,组合辅助标志••组合辅助指引标志••旅游区距离•旅游区方向•,••旅游区方向旅游符号••问讯处•,••徒步•,••索道•••野营地•,••营火•,••游戏场•••骑马•,••,••高尔夫球•••潜水•,••游泳•,••划船•••冬季游览区•,••滑雪•,••滑冰方向标志••设置在指路标志版面中的方向•,••设置在指路标志版面中的方向••设置在指路标志版面中的方向•,••设置在指路标志版面中的方向•••设置在指路标志版面中的方向•,••设置在指路标志版面外的方向沿线设施指引标志•••,••••••,•••••,•••••不设电子不停车收费(ETC)车道的收费站预告及收费站•,••不设电子不停车收费(ETC)车道的收费站预告及收费站•••不设电子不停车收费(ETC)车道的收费站预告及收费站•,••不设电子不停车收费(ETC)车道的收费站预告及收费站•••设有电子不停车收费(ETC)车道的收费站预告及收费站•,••设有电子不停车收费(ETC)车道的收费站预告及收费站•••设有电子不停车收费(ETC)车道的收费站预告及收费站•,••设有电子不停车收费(ETC)车道的收费站预告及收费站•••超限超载检测站•,••超限超载检测站•••超限超载检测站•,••超限超载检测站•••爬坡车道•,••爬坡车道•••爬坡车道•,••爬坡车道•••计重收费•,••加油站•••紧急停车带•,••服务区预告•••服务区预告•,••服务区预告•••服务区预告•,••服务区预告•••服务区预告•,••服务区预告•••服务区预告•,••停车区预告•••停车区预告•,••停车区预告•••停车场预告•,••停车场预告•••停车场预告•,••停车场•••停车场•,••E TC 车道指示•••E TC 车道指示,沿线信息指引标志••高速公路起点•,••高速公路起点••••,••终点预告•••终点预告•,••终点预告••••,••••••,••终点提示标志•••国家高速公路、省级高速公路终点•,••国家高速公路、省级高速公路终点••••,••道路交通信息•••里程牌•,•••••百米牌•,••特殊天气建议速度•••特殊天气建议速度•,••停车领卡•••车距确认•,••车距确认•••车距确认•,••车距确认•••车距确认,其他道路信息指引标志••绕行标志•,••绕行标志•••绕行标志•,••车道数变少•••车道数变少•,••车道数增加•••交通监控设备•,••隧道出口距离预告•••隧道出口距离预告•,••线形诱导基本单元•••线形诱导基本单元•,••基本单元组合使用•••基本单元组合使用•,••基本单元组合使用•••两侧通行•,••右侧通行•••左侧通行•,••此路不通•••里程碑•,••里程碑•••里程牌•,••百米桩•••公路界碑,。
雨田交通设施以颜色、形状、字符、图形等向道路使用者传递信息,用于管理交通的设施。
交通标志牌应结合道路及交通情况设置。
通过交通标志牌提供准确及时的信息和引导,使道路使用者顺利快捷的抵达目的地,促进交通畅通和行车安全。
道路交通标志牌是显示交通法规及道路信息的图形符号,它可使交通法规得到形象、具体、简明的表达,同时还表达了难以用文字描述的内容,用以管理交通、指示行车方向以保证道路畅通与行车安全的设施。
以颜色、形状、字符、图形等向道路使用者传递信息,用于管理交通的设施。
交通标志牌应结合道路及交通情况设置。
通过交通标志牌提供准确及时的信息和引导,使道路使用者顺利快捷的抵达目的地,促进交通畅通和行车安全。
适用于公路、城市道路以及一切专用公路,具有法令的性质,车辆、行人都必须遵守。
道路交通标志牌分类,城市道路标志可分为四种:雨田交通设施1、交通指路牌:通常为矩形,蓝(绿)底白字和白色图案。
用于指示市镇村的境界,目的地的方向、距离,高速公路的出入口、服务区和著名地点所在等,并沿途进行各种导向。
如国道编号、里程碑、百米桩、分界碑、指路牌、地,以及高速公路出入口、加油站、修理站、停车场等的指示牌。
辅助标志附加在主要标志上起补充说明作用。
可分为表示车辆种类、表示时间、表示区间范围和表示距离等四种。
辅助标志不能单独设立。
四川雨田交通设施交通标志牌制作现场2、交通指示牌:通常为圆形和矩形,蓝底白色图案。
用于指示车辆和行人按规定方向、地点行驶。
如直行、左转、右转、停车、绕行等。
3、交通警告标志牌:通常为等边三角形(或菱形),黄底黑边,黑色图案。
用于警告驾驶人员注意前方路段存在的危险和必须采取的措施。
如预告交叉口、道路转弯、铁路道口、易滑路段、可能落石路段、不平路面、合流交通等。
4、交通禁令标志牌:通常为圆形,白底红边,红斜杠黑色图案。
是根据街道、雨田交通设施公路和交通量情况对车辆加以禁止或适当限制的标志。
如禁止通行、禁止停车、限制速度、限制重量、限制宽度等。
今天我们来了解一下标志牌的组成部分,大致可以分成3个部分:背板(Blank)、底膜(Background Sheeting)(如白,黄,蓝,绿)、标志图形膜,下面就来给大家详细介绍一下。
背板, 一般有3种:胶合板、铝板、钢板;用来做标牌的框架和底板。
胶合板是最便宜的,它的硬度也还可以,但问题是不防水,现在大多数国家地区都弃用了,现在国标多数采用铝板。
铝板质量轻,但是硬度不够,需要用金属支架来支撑。
钢板相对于铝板来说经济一些,也不用太多的支架来保持硬度,但是容易锈
蚀,当然这个可以通过镀锌来解决。
底膜和标志图形膜,都是从反光膜上切割或刻字出来的,这些反光膜,有可能是玻璃微珠结构的,也有可能是微棱镜结构的,具体是采用哪种等级的反光膜,可以参照各地的道路交通指路标志设计指引。
这些具有反光性能的薄膜,能把从车灯发出的光源,在标志板上反射回去,进入司机的眼睛。
在这个过程中,光透过标志板上各色反光膜,被着了色,例如光在高速公路牌上就成了绿色,普通公路是蓝色,停止标志是红色。
如果说有朋友需要安装交通标志牌,建议找专业的厂家购买,质量比较可靠。
四川耀霖交通工程有限公司是一家专注生产交通标志牌、交通杆件、信号灯、隧道反光环等交安设施产品的厂家,客户的评价都挺不错的,有需要的朋友可以了解一下。
交通标志组成结构一、颜色外观一般情况下交通标志颜色的基本含义如下:a. 红色:表示禁止、停止、危险,用于禁令标志的边框、底色、斜杠,也用于叉形符号和斜杠符号、警告性线性诱导标的底色等。
b. 黄色或荧光黄色:表示警告,用于警告标志的底色。
c. 蓝色:表示指令、遵循,用于指示标志的底色;表示地名、路线、方向等行车信息,用于一般道路指路标志的底色。
d. 绿色:表示地名、路线、方向等行车信息,用于高速公路和城市快速路指路标志的底色。
e. 棕色:表示旅游区及景点项目的指示,用于旅游区标志的底色。
f. 黑色:用于标志的文字、图形符号和部分标志的边框。
g. 白色:用于标志的底色、文字和图形符号以及部分标志的边框h. 橙色或荧光橙色:用于道路作业区的警告、指路标志。
i. 荧光黄绿色:表示警告,用于注意行人、注意儿童警告标志。
交通标志的形状一般使用规则如下:a. 正等边三角形:用于警告标志;b. 圆形:用于禁令和指示标志;c. 倒等边三角形:用于“减速让行”禁令标志;d. 八角形:用于“停车让行”禁令标志;e. 叉形:用于“铁路平交道口叉形符号”警告标志:f. 方形:用于指路标志,部分警告、禁令和指示标志,旅游区标志,辅助标志,告示标志灯。
[4]二、照明标识a)内部照明标志标志板内装照明装置,采用半透明材料制作标志面板,有单面显示和两面显示两种。
内部照明标志可根据标志板的大小,承受的风力进行结构设计。
确保标志面照度均匀,在夜间具有150m 的视认距离。
灯箱结构合理,金属构件经防腐处理,防雨防尘,电器元件耐久可靠,检修方便。
b)外部照明标志外部光源照亮标志面的方式。
外部照明标志的光源应进行专门设计。
照明灯具及其影阴不能影响标志认读。
外部光源在标志面上的照度不得有明显不均匀,均匀度(最大照度/最小照度)须在4 以下,确保在夜间具有150m 的视认距离。
外部照明光源不能给路上司机造成眩目。
支撑灯具的构件应进行防锈处理,照明器件耐久可靠,性能优良,检修方便。
交通标志组成结构
一、颜色外观
一般情况下交通标志颜色的基本含义如下:
a. 红色:表示禁止、停止、危险,用于禁令标志的边框、底色、斜杠,也用于叉形符号和斜杠符号、警告性线性诱导标的底色等。
b. 黄色或荧光黄色:表示警告,用于警告标志的底色。
c. 蓝色:表示指令、遵循,用于指示标志的底色;表示地名、路线、方向等行车信息,用于一般道路指路标志的底色。
d. 绿色:表示地名、路线、方向等行车信息,用于高速公路和城市快速路指路标志的底色。
e. 棕色:表示旅游区及景点项目的指示,用于旅游区标志的底色。
f. 黑色:用于标志的文字、图形符号和部分标志的边框。
g. 白色:用于标志的底色、文字和图形符号以及部分标志的边框
h. 橙色或荧光橙色:用于道路作业区的警告、指路标志。
i. 荧光黄绿色:表示警告,用于注意行人、注意儿童警告标志。
交通标志的形状一般使用规则如下:
a. 正等边三角形:用于警告标志;
b. 圆形:用于禁令和指示标志;
c. 倒等边三角形:用于“减速让行”禁令标志;
d. 八角形:用于“停车让行”禁令标志;
e. 叉形:用于“铁路平交道口叉形符号”警告标志:
f. 方形:用于指路标志,部分警告、禁令和指示标志,旅游区标志,辅助标志,告示标志灯。
[4]
二、照明标识
a)内部照明标志
标志板内装照明装置,采用半透明材料制作标志面板,有单面显示和两面显示两种。
内部照明标志可根据标志板的大小,承受的风力进行结构设计。
确保标志面照度均匀,在夜间具有150m 的视认距离。
灯箱结构合理,金属构件经防腐处理,防雨防尘,电器元件耐久可靠,检修方便。
b)外部照明标志
外部光源照亮标志面的方式。
外部照明标志的光源应进行专门设计。
照明灯具及其影阴不能影响标志认读。
外部光源在标志面上的照度不得有明显不均匀,均匀度(最大照度/最小照度)须在4 以下,确保在夜间具有150m 的视认距离。
外部照明光源不能给路上司机造成眩目。
支撑灯具的构件应进行防锈处理,照明器件耐久可靠,性能优良,检修方便。
交通标志板可采用铝合金板、挤压成型的铝合金型材、薄钢板、合成树脂类板材等制造,所用材料应符合现行《公路交通标志板》( TI'/T 279 )的规定,厚度应根据计算确定。
三、支撑结构
(1)交通标志立柱、横梁等可采用钢管、H型钢、槽钢及钢筋混凝土等材料制作,钢管顶端应设置柱帽。
钢构件应进行防腐处理。
(2)交通标志应设置钢筋混凝土基础,位于桥梁段的单柱式交通标志可采用钢结构附着在桥梁上。
结构设计
1、设计基本风速应采用当地平坦空旷地面,离地面lOm高,重现期为50年lOmin平均最大风速值,并不得小于22m/s。
2、交通标志结构应按承载能力极限状态和正常使用极限状态进行设计,并应同时满足构造和工艺方面的要求。
3、交通标志的结构重要性系数可分为两个等级:
(1)位于高速公路、一级公路七的悬臂式、门架式交通标志,结构重要性系数
(2)位于高速公路、一级公路上的其他类型的交通标志及位于其他等级公路上的交通标志,结构重要性系数Y。
=0.9。
4、交通标志结构的荷载计算与组合、极限状态设计方法、地基基础的设计应符合现行《公路桥涵设计通用规范》( JTC D60 )、《公
路桥涵地基与基础设计规范》(JTJ 024)、《钢结构设计规范》(JB 50017)和《道路交通标志和标线》( JB 5768)等的规定[2]。