井下工具打捞类工具 ppt课件
- 格式:ppt
- 大小:6.91 MB
- 文档页数:11
第四章常用打捞工具打捞工具是用以打捞井下落物和处理井下事故的专用工具。
常用的打捞工具有公锥、母锥、打捞筒、打捞矛、打捞篮、磁铁打捞器、磨鞋、安全接头等,本章着重介绍常用打捞工具的种类、规格、结构、工作原理、常用规范、民技术参数、现场检查、操作使用方法及注意事项等。
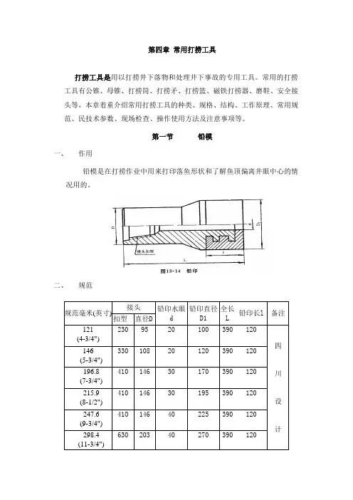
第一节铅模一、作用铅模是在打捞作业中用来打印落鱼形状和了解鱼顶偏离井眼中心的情况用的。
二、规范三、使用1、铅印直径比套管内径小4.8毫米即可。
2、打印时按0.193-0.386千牛/毫米(0.5-1吨/英寸)加压。
只可一次加压打印,不得两次打印,以免难以分析。
3、由于铅很软,应在运输或存放过程中注意避免碰撞。
第二节公锥一、公锥的作用公锥是内打捞工具是内捞工具,用来打捞钻铤、接头和钻杆加厚部位。
常用尺寸为3-1/2"和4-1/2",多为国产,技术规格参见附带说明。
第三节母锥一、母锥的作用母锥是外捞工具母锥是外捞工具,用来打捞钻杆本体。
用爆炸松扣方法配合倒扣时,可用它来打捞钻杆接头或钻铤。
第四节卡瓦打捞筒一、种类Bowen150系列卡瓦打捞筒分为高强度型与小井眼型两类,按内装打捞配件的不同分为螺旋卡瓦打捞筒与篮式卡瓦打捞筒两种。
落鱼直径接近最大打捞尺寸时选用螺旋卡瓦和A型盘根。
落鱼直径比最大打捞尺小127毫米(1/2")以下时选用篮式卡瓦和R型密封控制环或E型或M型密封控制环,R型和E型密封控制环的内盘根是模压的,在现场不能更换,外密封可在现场更换,M型密封控制环的内外盘根都是模压的,在现场均不能更换,无论R型、E型或M型密封控制环都有平口和铣齿两种。
若是平口的叫R型、E 型或M型密封平口控制环,它不能修整鱼顶,若是铣齿的叫R型、E型、或M型密封铣齿控制环,它可修整参差不齐和破损的鱼顶,若是打捞油管接箍,则选用D型盘根。
D型盘根由一个内密封件、一个弹簧和一个外密封件(O型圈)构成。
二、打捞和退出机理打捞筒的抓捞零件是螺旋卡瓦或篮式卡瓦。
抽油杆打捞工具:三球打捞器
三球打捞器是专门用来在套管内打捞抽油杆接箍或抽油杆加厚台肩部位的打捞工具。
1结构
三球打捞器由筒体、钢球、引鞋等零件组成,如图所示。
筒体上部为油管公螺纹,用来连接打捞管柱。
在油管螺纹与筒体的台肩外,均布三个等直径斜孔,与筒体内大孔交汇。
三个斜孔内各装一个大小一致的钢球,并被连接在筒体下端的引鞋上端面堵住。
引鞋下部内孔有很大的锥角,以便引入落鱼。
工具从上至下有水眼,可进行循环。
2作用原理
三球打捞器靠三个球在斜孔中位置的变化来改变三个球公共内切圆直径的大小,从而允许抽油杆台肩和接箍通过。
带接箍或者带台肩的抽油杆进入引鞋后,
接箍或者台肩推动钢球沿斜孔上升,三个球形成的内切圆逐渐增大。
待接箍或台肩通过三个球后,三个球依其自重沿斜孔回落,停靠在抽油杆本体上。
上提钻具,抽油杆台肩或接箍因尺寸较大无法通过而压在三个球上,斜孔中的三个钢球有斜孔的作用下,给落物以径向夹紧力,从而抓住落鱼。
3操作方法与注意事项
3.1操作方法
3.1.1将三球打捞器连接在工具管柱的最下端。
3.1.2直接下井,待通过鱼头后,再缓慢上提。
若指重表比原悬重增加,说明抓住落鱼。
3.1.3起钻。
3.2、注意事项
3.2.1三球打捞器入井前必须通井。
3.2.2检查工具外径尺寸,三球活动情况并涂机油润滑。
4维修保养
4.1每次用完后,拆卸清洗,尤其对三个斜孔内要清洗,擦干净,不得有泥饼、结蜡、油污等杂物。
4.2涂油脂,放阴干处保存。
其他打捞工具1磁力打捞器1.1用途磁力打捞器是用来打捞在钻井、修井作业中掉入井里的钻头巴掌、牙轮、轴、卡瓦牙、钳牙、手锤及油、套管碎片等小件铁磁性落物的工具。
对于能进行正反循环的磁力打捞器,尚可打捞小件非磁性落物。
1.2基本结构磁力打捞器的种类很多,根据基本结构可以分为正循环型强磁、高强磁打捞器和局部反循环型强磁、高强磁打捞器。
1.2.1正循环型强磁、高强磁打捞器:这种打捞器由上接头、压盖、壳体、磁钢、芯铁、隔磁套、引鞋等组成,如图1所示。
图1正循环磁力打捞器1—上接头;2—压盖;3—壳体;4—磁钢;5—芯铁;6—隔磁套;7—平鞋;8—磨铣鞋;9—引鞋1.2.2局部反循环型强磁、高强磁打捞器:这种打捞器由上接头、钢球、压盖、壳体、打捞杯、磁钢、隔磁套、芯铁和引鞋等组成,如图2所示。
图2反循环磁力打捞器1—上接头;2—钢球;3—打捞杯;4—压盖;5—壳体;6—磁钢;7—芯铁;8—隔磁套;9—引鞋1.3工作原理以一定形状和体积的磁钢(永磁、电磁)制成磁力打捞器,其引鞋下端经磁场作用会产生很大的磁场强度。
由于磁钢的磁通路是同心的,因此磁力线呈辐射状并集中在靠近打捞器下端面的中心处,可以把小块铁磁性落物磁化吸附在磁极中心,实现打捞。
电磁材料制成的打捞器在入井前须通电磁化,可在20h内有效。
1.4技术规范常用磁力打捞器技术规范见表1。
表1常用磁力打捞器技术规范序号规格型号外径mm接头螺纹使用规范及性能参数吸力N适应温度℃适应井眼mmA B1QCLT-86AQCLT-86B86NC26(2A10)36001000≤210φ95~1082QCLT-F100AQCLT-F100B100NC31(210)55001700φ108~1373QCLT-F114AQCLT-F114B114NC31(210)65002000φ120~1404QCLT-F175AQCLT-F175B175NC8(310)180005000φ184~216注:表中A为高强磁打捞器系列,B为强磁打捞器系列。
钻井常用打捞工具一.公锥公锥是一种从管体内部打捞管状物的工具。
因此,要求被打捞的管状落物要有一定的抗破损强度。
第二,鱼顶的端面和管子内径基本要规则,以便公锥能顺利进入鱼顶。
公锥常用于打捞钻铤的水眼、钻杆接头的水眼、钻杆加厚部分的水眼以及井下特殊工具的水眼部分,带接箍的油管等。
公锥有1:12(高强度公锥,没有排屑槽,锯齿螺纹);1:16;1:24;1:32几种锥度,打捞直管落物应尽量选择1:24或1:32锥度小一些的公锥。
(一)使用公锥下井前必须注意以下几点:1.掌握鱼顶所处井眼段的井眼直径,鱼顶以下钻具的压缩距等。
公锥搬运时严禁摔打,紧扣时防折伤。
2.掌握鱼顶的内径和最大外径。
3.公锥尺寸,包括:水眼、造扣部分最小直径、最大直径、有效扣长,接头最大直径。
丝扣是否完好,检查一下丝扣强度,以不缺不卷为好。
4.公锥造扣部位必须在尖端以后的100㎜以上。
5.分析当鱼顶和公锥在井眼内直径上相反方向各自都绝对靠边时,公锥尖端是否能进入鱼顶水眼内。
6.复杂井段打捞最好使用原钻具结构。
7.根据井内钻具被卡的情况以及被卡后,卡点以上钻具自由段的长度,确定是否使用安全接头,如果打捞钻铤必须使用安全接头。
8.使用安全接头,必须清洁丝扣,分件清洗,掌握对扣和卸扣圈数。
9.准确计算鱼顶方入和造扣方入。
如果井内情况允许和必要时,可下相应尺寸的钻头探鱼顶后再进行打捞。
(二)公锥入井的操作1. 紧公锥接头扣时,接头距转盘面越近越好,避免折伤公锥丝杆,造成井下事故复杂化。
2.下钻要慢,防止井内突然遇阻折断公锥(尤其带有下击器的钻具)。
3.下钻完调试好方入,卸去井口回压凡尔(最好方入调在方钻杆的中部)4.接方钻杆开泵循环,在鱼顶以上0.3~0.5米大排量冲洗鱼顶10-20分钟。
5.掌握并记录开泵时悬重,停泵时悬重。
开泵时上提摩阻悬重,下放时摩阻悬重;停泵时上提摩阻悬重和下放时摩阻悬重。
6.下放钻具探鱼顶A.在有把握公锥绝对能进入鱼顶水眼时,可低排量(记下泵压)开着泵静放探鱼顶。
篮类打捞工具1反循环打捞篮1.1用途反循环打捞篮用于打捞诸如钢球、钳牙、炮弹垫子、井口螺母、胶皮碎片等井下小件落物。
1.2基本结构由上接头、筒体、篮筐总成、引鞋等组成,如图1所示。
篮筐总成由篮体、篮爪、外套、轴销、扭簧等组成。
篮爪沿筐体均匀分布,在扭簧的作用下垂直筒体轴线形成一个圆形筛底(其间隙可以过水)。
各个篮爪在外力作用下只能单向向上旋转90o。
图1反循环打捞篮1—提升接头;2—上接头;3—单向阀罩;4—钢环;5—单向阀座;6—筒体总成;7—篮框总成;8—铣鞋总成1.3工作原理反循环打捞篮的工作原理是靠大流量、高压力的反洗的洗井液冲击井底,井底落物悬浮运动推动篮爪,使篮爪绕销轴转动竖起,篮筐开口加大,落物进入筒体,然后篮爪恢复原状,阻止了进入筒体内的落物出筐,实现打捞。
1.4技术规范反循环打捞篮技术规范见表1。
表1反循环打捞篮技术规范序号规格型号外形尺寸mm接头代号使用规范及性能参数落物最大直径mm工作井眼尺寸in1FLL-01φ90x940NC26(23/8IF)5541/2 2FLL-02φ100x115027/8AREC6553FLL-03φ110x1153NC31(27/8IF)7551/2 4FLL-04φ115x1153NC31(27/8IF)8053/4 5FLL-05φ140x1155NC38(31/2W)10565/8 6FLL-06φ147x1161NC38(31/2IF)11071.5操作方法及注意事项1.5.1操作方法1.5.1.1检查各零部件是否完好灵活,可用手指或工具轻顶篮爪,观察是否可以自由旋转,回位是否及时灵活。
1.5.1.2将工具接上钻具,下至距井底以上3~5m处开泵反洗井。
1.5.1.3循环正常后,再慢慢下放钻具,边冲边放。
当工具遇阻或泵压升高时,可以提钻0.5~1m,并作好方入记号。
1.5.1.4以较快的速度下放钻具,在离井底0.3m左右突然刹车,使井底工具快速下行,造成井底液体紊流,迫使落物运动进入筒体,增强打捞效果。