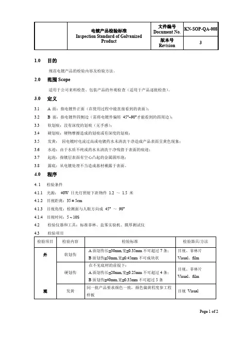
常用电镀产品质量检验标准
- 格式:docx
- 大小:17.97 KB
- 文档页数:14
1.0目的
规范电镀产品的检验内容及检验方法。
2.0范围Scope
适用于公司来料检查、包装产品的外观检查(适用于产品逐批检查)。
3.0定义
3.1 A 面:指电镀件正面(在使用过程中能直接看到的表面);
3.2 B 面:指电镀件四侧边(需将电镀件偏转45°~90°才能看到的四周边);
3.3 软划痕:没有深度的划痕(无手感);
3.4 硬划痕:硬物摩擦造成的划痕或有深度的划痕;
3.5 发黄:因电镀时电流过高或电镀药水未清洗干净造成产品表面呈黄色现象;
3.6 水迹:由于水质不纯或药水未清洗干净残留于表面的痕迹;
3.7 起泡:指镀层表面有空心凸起的金属圆形泡;
3.8 露底:从电镀处理不当造成基材裸露于表面。
4.0程序
4. 1 检验条件
4.1.1 光源:40W 日光灯照射下距物件1.2 ~1.5 米
4.1.2 目视距离:35 ± 5cm
4.1.3 目视角度:检测面与人眼方向成45°~90°
4.1.4 目视时间:5 ~ 10S
4.2 检验仪器和工具:标准菲林、盐雾实验机、膜厚测试仪
5.0工作流程图Process Flow Chart
N/A
6.0记录Records
6.1来料检验报告Incoming Quality Control Inspection Report
6.2包装生产线质量检查报告Packing Line Quality Control Inspection Record
6.3盐雾实验报告Salt Spray Test Report
7.0附件Attachments
N/A。
电镀产品品质检验规范及方法在现代工业生产中,电镀产品广泛应用于各个领域,其表面的光亮和耐腐蚀性能起着至关重要的作用。
为了保证电镀产品的品质,我们需要建立一套科学合理的品质检验规范和方法。
本文将详细介绍电镀产品品质检验的规范化要求和常用的检验方法。
一、外观检验外观检验是电镀产品品质检验的重要内容之一,其主要目的是对电镀产品的表面进行细致观察和评估。
常用的外观检验方法有以下几种:1. 目视检查:通过肉眼观察电镀产品的表面,检查是否有明显的气泡、脱落、划痕、凹凸不平等问题。
2. 触摸检验:用手触摸电镀产品的表面,感受其光滑度和均匀性。
3. 显微镜检验:使用显微镜对电镀产品进行放大观察,以便更清晰地发现细微的缺陷。
4. X射线检验:通过对电镀产品进行X射线照射,观察其表面的边缘和交界处是否存在异常情况。
二、厚度检验电镀产品的厚度是其品质的重要指标之一。
过薄或过厚的镀层都会对产品的性能产生不良影响。
常用的厚度检验方法有以下几种:1. 金属膜厚度计:使用专门的金属膜厚度计对电镀产品的镀层厚度进行测量。
2. 电子显微衡器法:通过电镀产品在电子显微衡器中的重量变化来推算镀层的厚度。
3. 色差法:根据电镀产品表面的颜色变化来间接判断镀层的厚度。
三、附着力检验电镀产品表面的附着力是保证产品品质的重要指标之一。
如果镀层与基材附着力不牢固,容易出现脱落现象,影响产品的使用寿命。
常用的附着力检验方法有以下几种:1. 刮削法:使用特定刮削工具对电镀产品表面进行刮削,观察刮削后的镀层情况,判断附着力情况。
2. 弯曲试验:对电镀产品进行弯曲试验,观察镀层是否有明显的龟裂或脱落现象,以评估附着力。
3. 热剥离法:将电镀产品加热至一定温度,观察镀层是否发生剥离,以判断附着力情况。
四、耐腐蚀性检验电镀产品的耐腐蚀性能直接关系到其使用寿命和品质。
常用的耐腐蚀性检验方法有以下几种:1. 盐雾试验:将电镀产品置于盐雾试验箱中,模拟腐蚀环境,观察其表面是否发生腐蚀。
电镀件的检验方法和判定标准哇塞,电镀件在我们的生活中可真是无处不在啊!从小小的五金配件到大型的工业设备,都能看到它们的身影。
那怎么才能知道这些电镀件是不是合格的呢?这就需要了解电镀件的检验方法和判定标准啦!首先说说检验的步骤和注意事项。
检验的时候,第一步要先观察电镀件的外观,看看有没有明显的缺陷,比如起皮、起泡、斑点啥的。
这就好比我们挑水果,得先看看外表有没有坏的地方呀!然后要测量电镀层的厚度,这可不能马虎,得用专门的仪器准确测量才行。
还有就是要测试电镀件的附着力,看看电镀层是不是牢牢地附在基体上。
在这个过程中,一定要仔细认真,不能有半点马虎,不然得出的结果可就不准确啦!再来说说过程中的安全性和稳定性。
在检验电镀件的时候,可不能掉以轻心哦!有些电镀液可能是有腐蚀性的,所以一定要做好防护措施,别不小心弄伤了自己。
而且检验的设备也要定期维护和校准,这样才能保证检验结果的稳定可靠呀!这就好像开车要定期保养一样,不然半路上出问题可就麻烦啦!电镀件的检验方法和判定标准在很多领域都有重要的应用场景和优势呢!在制造业中,它能保证产品的质量,让我们用上放心可靠的东西。
在汽车行业,高质量的电镀件能让车子更漂亮、更耐用。
这就像给车子穿上了一件漂亮的外衣,不仅好看,还能保护车子呢!在电子产品中,电镀件的质量也直接影响到产品的性能和寿命。
这多重要啊!我给大家说个实际案例吧!有一次一个工厂生产了一批电镀件,外观看起来都没啥问题,但是一检测,发现电镀层的厚度不够。
哎呀,这要是没检测出来,用到产品上,那可就会出大问题啦!幸好及时发现,避免了更大的损失。
你说这检验是不是很重要啊!总之,电镀件的检验方法和判定标准是非常重要的,它关系到产品的质量和我们的使用安全。
我们一定要重视起来,严格按照标准去检验,这样才能让我们的生活更加美好!。
电镀产品检验规范概述电镀是一种将金属物体表面覆盖一层金属薄膜的过程,以改善物体的外观、提高其耐腐蚀性和耐磨损性。
为确保电镀产品的质量,需要进行一系列的检验。
本文将介绍电镀产品检验的规范。
检验项目电镀产品检验主要包括以下几个方面:1. 外观检验:检查电镀表面的平整度、光泽度和色泽是否符合要求。
外观检验还包括检查表面是否有斑点、气泡、氧化物或其他缺陷。
2. 厚度检验:使用合适的仪器测量电镀层的厚度。
厚度检验对于确保电镀层的保护性能至关重要。
3. 粘附力检验:通过针对电镀层施加拉力或剪切力的测试,评估电镀层与基材的粘附力。
粘附力测试可以使用剥离试验或划痕试验。
4. 耐腐蚀性检验:将电镀产品暴露在不同的腐蚀介质中,观察其在一定时间内的耐腐蚀性能。
耐腐蚀性测试通常使用盐雾试验或湿热试验。
5. 硬度检验:测量电镀产品的硬度,以评估其耐磨损性能。
硬度测试可以使用巴氏硬度计或洛氏硬度计。
6. 环保检验:电镀工艺中使用的化学品可能会对环境造成污染。
因此,在电镀产品检验中,也需要进行环保检验,确保电镀过程符合环保要求。
检验标准为确保电镀产品的质量,需要参考一系列的国家标准或行业标准。
以下是一些常用的电镀产品检验标准:1. GB/T 6465-2010《镀层和镀膜边界回流法测量镀层厚度》2. GB/T 10125-2012《环境试验防腐蚀试验盐雾试验》3. GB/T 13329-2014《镀膜硬度测定皮球法》4. GB/T 3189-2018《银电镀件质量》5. ASTM B456-19《Standard Specification for Electrodeposited Coatings of Nickel plus Chromium on Iron and Steel》根据具体的电镀产品及其用途,还可以参考其他相关的标准。
检验流程电镀产品检验的流程一般包括以下几个步骤:1. 取样:从生产批次中随机选取一定数量的样品进行检验。
电镀车间质量检验标准一、外观质量:1、定义:(1)镀件的主要面为:目测所直观到的表面。
(2)镀件的非主要面为:目测所直观不到的表面,分侧面、背面等。
(3)微缺陷为:面积不大于0.05mm2,深度不大于0.05mm。
麻点、针孔直径不大于0.2mm,划伤深度不大于0.01mm。
2、电镀件的检验条件:应自然散射光下或无反射光的白色透明光线下进行(不得在太阳光直射下检查)。
光照度不应低于300Lx(相当于40W日光灯下距离500mm的光照度,不得借助任何放大工具)。
3、镀件的主要表面(圆柱件除外)不得有漏镀、起皮、针孔、镀花、剥落等任何缺陷。
4、镀件的非主要表在每cm2内允许有两处微缺陷。
对于旋转圆柱件面缺陷只允许对称出现。
5、允许存在的裂纹缺陷应是水封试验合格的,其宽度不应超过0.05mm,高度不大于5mm。
6、对于存在两侧面的产品缺陷只允许出现在一侧,不得左右两侧同时存在。
7、背面。
同时有两个背面的产品,缺陷只允许出现在其中一个背面,不得两个背面同时存在。
8、带有圆孔的镀件,孔周露黄的黄晕半径不得比孔径大2mm以上。
9、只许镀Ni的产品,镀Ni层均匀。
二、盐雾试验:1、铜材质涂、镀层按GB/T10125进行200h盐雾试验后,达到GB/T6461-1986中10级的要求。
锌合金手柄涂、镀层按GB/T10125进行96H盐雾试验后,达到GB/T6461-1986中10级的要求。
方法:使水嘴承受200H的中性盐雾试验,在喷雾进行100H左右,停止喷雾期间,试验箱继续加热,再继续喷雾52H后,应符合“一”的要求,锌合金在喷雾96H后,符合“一”的要求。
三、涂镀层经附着力试验后,不允许出现起皮或脱落现象。
1、工具:质量手册:MLEHIZZ-A-001《产品质量检验标准》中附件C所示工具。
2、方法:用上述工具,在水嘴表面划一个大约15mm×15mm的网格划痕时,手柄表面平行,痕迹相相隔大约8mm,深度应完全切开镀层。
电镀产品检测标准1范围
本标准规定了电镀件的检验内容及检验方法,适用于公司来料、半成品的检查。
2引用标准
GB/T 2828-2003 中华人民共和国国家标准(适用于产品逐批检查)。
3定义
3.1 A 面:指电镀件正面 . (在使用过程中能直接看到的表面)
3.2 B 面:指电镀件四侧边。
(需将电镀件偏转45~90 °才能看到的四周边)3.3 软划痕:没有深度的划痕。
(无手感)
3.4 硬划痕:硬物摩擦造成的划痕或有深度的划痕。
3.5 批锋:由于注塑等原因造成塑胶边缘突起。
3.6 麻点:由于电镀环境不干净而导致有点状或线状物覆盖于产品表面的缺陷。
3.7 凸点:由于有灰尘造成电镀表面凸点状缺陷。
3.8 沙眼:由于模具压伤后留下的印痕。
4要求
4.1 检验步骤:
包装检验信赖度测试试装检验尺寸检验外观检验
4.2 检验条件
4.2.1 光源: 两支40W 日光灯照射下距物件1.2 ~1.5 米
4.2.2 目视距离:35 ± 5cm
4.2.3 目视角度:检测面与人眼方向成45° ~90°
4.2.4 目视时间:5 ~10S
4 .3 检验仪器和工具
4.3.1 游标卡尺[ 准确度:0.02mm ]
4.3.2 标准菲林
4.3.3 普通刀片[ 有保护手柄]
4.3.4 塞尺
4.3.5 配套卡机面、底壳[ 工程提供]
4.3.6 3M 胶纸
4.3.7 RCA 耐磨测试仪4.4 检验细则
4.4.1 检验项目。
电镀件通用检验标准
一、目的
本标准旨在规范电镀件的检验方法,确保产品质量符合客户要求。
二、范围
本标准适用于公司内所有电镀件的检验。
三、检验项目及标准
1.外观检验
目视检查电镀件表面是否光滑、色泽均匀,无气泡、剥离、锈蚀等现象。
允许有轻微的电镀纹,但不影响整体美观。
2.尺寸检验
使用卡尺、千分尺等测量工具,测量电镀件的长度、宽度、厚度等参数,确保其符合图纸或客户要求。
3.附着力检验
采用划格试验法检验电镀层与基材的附着力。
在电镀件表面划出纵横交错的网格,划痕间距为2mm,然后用胶带粘贴在划痕上,轻轻按压后迅速剥离,观察电镀层是否脱落。
若划格区域无脱落,则附着力合格。
4.盐雾试验
根据GB/T 6461-2002标准进行盐雾试验,检查电镀件耐腐蚀性能。
将电镀件置于盐雾试验箱中,连续喷雾24小时后,观察表面是否出现锈蚀、变色等现象。
若无明显变化,则盐雾试验合格。
5.镀层厚度检验
采用金相显微镜或X射线荧光光谱仪测量电镀层厚度,确保其符合工艺要求。
四、检验流程
1.外观检验:目视检查,剔除不合格品。
2.尺寸检验:使用测量工具进行测量,记录数据并判定是否合格。
3.附着力检验:进行划格试验,合格品进入下一工序,不合格品进行返工或
报废。
4.盐雾试验:连续喷雾24小时后,观察表面变化并判定是否合格。
5.镀层厚度检验:采用金相显微镜或X射线荧光光谱仪进行测量,记录数据
并判定是否合格。
电镀产品质量检验规范电镀产品品质检验规范常用的检验项目为:1.膜厚;2.装配检查;3.镀层附着力;4.硬度测试;5.耐磨测试;6.耐酒精测试;7.高温高湿测试;8.冷热冲击测试;9.盐雾测试;10.排汗测试;11外观;12包装;一.膜厚:1.膜厚为电镀检测基本项目,使用基本工具为萤光膜厚仪X-RAY,其原理是使用X射线照射镀层,收集镀层返回的能量光谱,膜厚一般为0.02mm,最大不超过0.03mm.2.检查周期:每批;3.测试数量:n>5pcs二.装配检查:1.确认是否符合图面标出的重要尺寸;装配后有否影响外观及功能,手感;2.检查周期:每批;3.测试数量:n>2pcs ;二.镀层附着力:1.将3M胶纸粘贴在刀切100格每小格为1MM1MM的电镀层表面,用橡皮擦在其上面来回磨擦,使其完全密贴后,以45度方向迅速撕开,镀层需无脱落现象.如目视无法观察清楚,可使用10倍显微镜观察;a 不可有掉落金属粉末及补胶带粘起之现象.b 不可有金属镀层剥落之现象.d 不可有起泡之现象2.检查周期:每批;3.测试数量: n>2pcs ;四.硬度测试:1.用中华铅笔以45度角并且以1mm/s的速度向前推进,擦试后镀层不能有划痕;其中:UV镀测试:3H铅笔,500g力真空镀:2H铅笔,500g力水镀测试:1H铅笔,200g力2.检查周期:每批;3.测试数量:n>2pcs ;五.耐磨测试:1.头施500g力,用于被测产品来回试擦50次,往返为一次,不能变色,脱镀及露底材;2.检查周期:一次/3个月3.数量:n>2pcs ;六.耐酒精测试:1.用500g砝码外包8层棉布,再将白棉布沾湿浓度为95%的乙醇,以不下滴为宜,将砝码与镀层面垂直,在同一位置往退,移动距离1英寸为一次,共100次,镀层不能有反应;2.检查周期:一次/3个月;3.测试数量:n>5pcs ;七.高温高湿测试:底材温度设定为60度,PC底材温度设定为90度,湿度90%-95%,测试时间6小时,看镀层有无拱起,起泡或脱落;2.检查周期:一次/3个月;3.测试数量:n>5pcs ;八.冷热冲击测试:1.零下1度30分钟常温2分钟,70度30分钟为一个回合,看镀层有无拱起,起泡或脱落;2.检查周期:一次/3个月;3.测试数量:n>5pcs;其中:UV镀测试:5回合;真空镀:2回合;水镀测试:1回合;九.盐雾测试:1.温度35度,浓度5%的盐水,喷雾8小时,共3回;看镀层有无起反应;2.检查周期:一次/3个月;3.测试数量:n>5pcs;十.排汗测试:1. 常温下5%Nacl,10%乳酸,85%蒸镏水,浸泡24小时,看镀层有无反应;2. 检查周期:一次/3个月;3. 测试数量:n>5pcs;4. 排汗测试只限定人体与镀层经常接触之电镀零件适用;十一.外观检查:1.检验条件:在40W-60W日光灯相当照明度条件下,距离30-50cm:2.表面镀层符合规定要求,光滑、平整、均匀光亮,同批产品无色差注:色差包括颜色和光泽度;3..镀层表面不得有如下缺陷:1起泡:镀层与基体因局部剥离致表面呈气泡现象;2脱皮:镀层与基体有剥离现象;镀层成片状脱离基体材料的现象3烧焦:在过高电流下形成的颜色黑暗、粗糙、松散等质量不佳的沉积物,其中常含有氧化物或其它杂质.4麻点:在电镀或腐蚀中,与金属表面上形成的小坑或小孔5粗糙:在电镀过程中,由于种种原因造成的镀层粗糙不光滑的现象.6水印、色斑:通常用于表面被污染所引起的不均匀润湿性,使表面上的水膜变的不连续. 7颜色暗淡:由于腐蚀而引起的金属或镀层表面色泽的变化如发暗、失色等.8不可粘有任何异物毛屑,灰尘,油污,结晶物9必须干燥,不可沾有水分10不可有压伤,刮伤,刮歪等各种变形现象及镀件受损之现象11不可有裸露出下层之现象,12电镀位置依照图纸规定执行,在不影响使用功能的前提下,可由QE工程师决定适当放宽标准13对于有疑异的外观不良现象,应由QE工程师定极限样版和外观辅助标准2.检查周期:每批;3.数量:依MIL-STD-105E抽样计划水准十二.包装:1.包装要求包装方向正确,包装盘,箱干净整齐,无破损:标签填写完整,正确,内外标签数量一致.镀银后部分发黑,多为电镀方式不当:可以采用振动电镀方式,或采用细小孔眼滚桶来电镀厚度:装饰性镀铬-0.003mm耐磨性镀铬-0.1mm恢复尺寸镀铬要根据磨损程度来确定厚度,到一定厚度后要加以研磨对供货商的寻找和管控的几点建议供货商引入竞争﹐促使供货商改良品质﹐降低加工价格.寻找到合适供货商对NWE产品的表面处理至关重要﹐是现阶段所有表面处理工作重心和核心.2 购进常用仪器进行品质管控如膜厚测试仪.3定期到厂家制程管控现场观察和了解厂家的制程﹐对不完善或不规范的地方提出建议﹐并同厂家一起商讨改善对策.7. 镀层缺陷的补救或重工.不良现象补救措施备注脏浯溶剂搽试﹐如酒精﹐丙酮等易挥发而不残留的溶剂因脏浯而变质重工桔皮﹐发花﹐发雾﹐条纹﹐漏镀﹐起泡﹐起皮﹐结合力不良等重工较大面积的划伤或搽伤返电或重工部分镀种如镀铜﹐镀铬可打磨后返电补镀﹐但是大部分镀种需彻底重工﹐即先剥掉镀层﹐然后再从第一道工序开始进行处理.镍的抗腐蚀性比较好,镀在其它金属上可以防止生锈.而且它能够高度磨光.最厚可电厚度至10微米以上铜片:31.要求:先镀铜,后镀镍NI,铜层厚度3um,镍层厚度3um-5um.2.外观:镀膜光泽度为半光.3.条件:温度0度-40度,相对应湿度95%-85%.4.弯曲试验:小于180度弯曲,镀层不允脱落.5.盐水试验,不允许有锈渍现象产生折弯法:先用与所需检测端子相同厚度的铜片垫于需折弯处,用平口钳将样品弯曲至180度,用显微镜观察弯曲面是否有镀层起皮,剥落等现象.2.胶带法:用3M胶带紧牢地粘贴在欲试验样品表面,垂直90度,迅速撕开胶带,观察胶带上有载剥落金属皮膜.如目视无法观察清楚,可使用10倍显微镜观察. 3.结果判定: a 不可有掉落金属粉末及补胶带粘起之现象.b 不可有金属镀层剥落之现象.c 在底材未被折断下,折弯%%%后不可有严重龟裂及起皮之现象.d 不可有起泡之现象e 在底材未被折断下,不可有裸露出下层金属之现象.玛 4.对于附着力发生不良时应学会区分剥落的层的位置,可用显微镜及X-RAY测试已剥落的镀层厚度来判断,借些找出出问题的工站. 1.可焊性为镀锡铅和镀锡的基本功能与目的,如果有焊接后工序要求的,焊接不良是绝对不可接受的.2.焊锡试验的基本方法:1 直接浸锡法:根据图纸规定,直接将焊锡的部分浸上求求的助焊剂,浸入235度的锡炉中,5秒钟后应缓缓以约25MM/S速度取出.取出后,冷却至常温时用10倍显微镜观察判定:吃锡面积应大于95%以上,吃锡部位应平滑光洁,无拒焊,脱焊,针孔等现象即判合格.2 先老化后焊接,对于部分力面有特别要求的产品,样品在作焊接试验前应使用蒸汽老化试验机对样品进行8或者16个小时的老化,以判断产品在恶劣的使用环境下的焊接性能. 四.外观:1.外观检测为电镀检测的基本功能,从外观上可以看出电镀工艺条件的适合性及电镀药水可能产生的变化.对于不同的客户对外观会有不同的要求,对于电镀端子应一律用至少10倍以上的显微镜观察.对于已发生的不良,放大倍数越大越有助于分析问题发生的原因.2.检验步骤:1.取样品放在10倍显微镜下,用标准白色光源垂直照射:2.通过目镜观察产品表面状况.3.判定方法:1.色泽均匀,不可有深浅色,异色如变黑,发红,发黄,镀金不可有严重色差.2.不可粘有任何异物毛屑,灰尘,油污,结晶物3.必须干燥,不可沾有水分4.平滑性良好,不可有凹洞,颗粒物5.不可有压伤,刮伤,刮歪等各种变形现象及镀件受损之现象6.不可有裸露出下层之现象,锡铅外观,在不影响可焊性的情况下允许有少许不超过5%麻点,麻坑.7.镀层不可有起泡,剥落等附着力不良现象。
一、所有的电镀产品都按此验收标准进行全检
二、单一平面的电镀产品
1、除有配件能折盖住的地方以外, 每 5平方厘米允许有 0.01MM 长度为 10毫米的轻微划伤一条、 5个 0.1MM 的麻点和小斑点, 不允许有因电镀造成的黑色印斑。
2、产品的边缘一定要平滑 , 不得有拉丝、碰伤、锐边等,手触摸时不能有挂手现象。
3、产品颜色不得和色板偏离太大至少要非常接近, 在产品距眼睛 300MM 时不得看出有明显色差, 500MM 不得看出色差。
如特殊情况可以和公司色板偏离,但同一产品所用配件不得有色差。
4、产品的整体、角位、孔位在距眼睛 300MM 不可有看出变形现象。
所有的镙丝孔需沉孔加工的、不允因加工造成孔的周边有毛边现象。
5、不允许有磨光验收标准以外的和以内的磨光不良现象,比如有磨光没有磨好造成表面粗糙、纹路过粗等。
6、可根据业务订单要求适当的加严和放松此验收标准。
三、多平面的电镀产品
1、多平面产品的平面要求同单一平面的第二条、第三条、第四条、第五条、第六条同等。
2、在两平面的死角位、三平面的夹角位因磨光无法磨到允许有轻微的线性冲压造成的肌皮现象,但不允许有电铬发黄现象。
四、配件电镀品
1、这些产品要求没有单一平面和多平面要求的高但也不能有起咆、严重色差、电镀拉丝和其它的一些电镀不良现象。
2、车加工配件不得有麻粗刀纹和砂孔。
电镀件检验标准电镀件是一种常见的表面处理工艺,通过在金属表面涂覆一层金属或合金,以提高其耐腐蚀性、耐磨性和美观度。
然而,电镀件的质量直接影响着其使用寿命和功能性能,因此在生产过程中需要进行严格的检验。
本文将就电镀件的检验标准进行详细介绍。
首先,对于电镀件的外观质量,应当注意以下几点,表面应光滑均匀,无气泡、皱纹、起皮、氧化、变色等缺陷;镀层应均匀,无脱落、裂纹和气孔;产品应符合设计要求的尺寸和形状,无变形和损坏。
外观检验可以通过目视和触摸来进行,同时也可以借助一些简单的检测工具,如放大镜、触觉计等。
其次,对于电镀件的镀层厚度,应当进行精密的测量。
镀层厚度的测量可以采用磁感应法、X射线荧光法、涂层厚度仪等多种方法,根据不同的镀层材料和厚度范围选择合适的检测设备。
在测量过程中,应当注意保持测量仪器的准确性和稳定性,避免外界因素对测量结果的影响。
另外,电镀件的耐腐蚀性能也是需要重点检验的内容之一。
一般来说,电镀件的耐腐蚀性能可以通过盐雾试验、湿热试验、腐蚀性液体浸泡试验等方法来进行评定。
这些试验可以模拟出不同环境下的腐蚀情况,从而评估电镀件的耐腐蚀能力。
此外,对于电镀件的结合力和附着力也需要进行检验。
结合力和附着力的检验可以采用划格法、剥离试验、弯曲试验等方法来进行。
这些检验可以评定电镀层与基材之间的结合情况,从而判断电镀件的结合力和附着力是否符合要求。
最后,对于电镀件的包装和标识也是检验的重要内容之一。
包装应当符合运输和储存的要求,能够保护电镀件不受外界环境的影响;标识应当清晰明了,包括产品名称、规格型号、生产日期、质量等级等信息,以便于产品的追溯和管理。
总的来说,电镀件的检验标准涉及到外观质量、镀层厚度、耐腐蚀性能、结合力和附着力、包装和标识等多个方面,需要综合运用多种检测方法和设备进行评定。
只有通过严格的检验,才能保证电镀件的质量达到标准要求,从而满足用户的使用需求。
电镀产品质量标准及检验方法此检验标准及方法适用范围:电镀钢壳产品类和盖帽产品类一、镀层空隙率(致密度):1、检验方法:蓝色贴纸法:2、检验标准:钢壳底部:≤40蓝点/12cm2。
5分钟,壳身不严格要求,仅供参考;盖帽上盖:≤1蓝点/cm2.5分钟,底盘部严格要求,仅供参考;3、操作程序:3-1:将试样的受试部位用蘸有无水乙醇的棉球擦拭油和杂物,若镀覆后立即进行试验时,可不进行除油;3—2:将浸透与试样相对应试液的滤纸紧紧贴敷在试样的受试部位上,滤纸与试样表面不应有气泡,为保证滤纸的湿润,可随时补加试液;3—3:到规定的时间后,揭下滤纸,用蒸馏水冲洗,然后平放与洁净的玻璃上;3—4:记录干后的滤纸上的有色斑点数。
4、蓝点贴纸法试液配制:4—1:取分析纯铁青化钾10±0.02克;4—2:取分析纯氯化钠20±0。
02克;4—3:在上述药物中加蒸馏水至1升,搅拌均匀,使铁青化钾和氯化钠药物全部溶解,待澄清过滤去固体杂质后方可使用;5、抽样样品数:5—10粒/20000粒二、耐碱性检验:1、操作程序:1-1:试样产品用蘸有无水乙醇的棉球擦拭油和杂质,若镀覆后立即进行试验时,可不进行除油;1-2:将试样产品平置于器皿之内,产品之间不得连接或重叠;1—3:再将1.3g/cm2.(405g/L)的KOH配成的溶液缓缓地注入器皿,使其试样产品完全浸泡;2、检验标准:常温下浸泡24小时后观其镀层无起泡或脱落等不良现象为合格.3、抽样样品数:5-10粒/20000粒三、防腐性能测试(又名人造海水):1、试液配制:①取分析纯NaCL:25g ②取分析纯Na2SO4:4g③取分析纯CaCL2:2g ④取分析纯MgCL2。
6H2O:11g⑤加加蒸馏水至1升使其上述试剂全部溶解待澄清过滤去固体杂质后方可使用;2、操作程序:①试样产品用蘸有无水乙醇的棉球擦拭油和杂质,若镀覆后立即进行试验时,可不进行除油;②将试样产品平置于器皿之内,产品之间不得连接或重叠;③再将配成溶液缓缓地注入器皿,④抽样样品数:9—15粒/1缸。
电镀产品质量检验标准1.适用范围本检验标准适用于北京XX电气设备有限公司电镀产品外协验收标准,包括钢材质镀锌,铜材质镀锡、镀镍、镀银产品。
2.引用标准GB/T 9799 - 1997 金属覆盖层钢铁上的锌电镀层GB/T 12599 - 2002 金属覆盖层锡电镀层技术规范和试验方法GB/T 5207 - 2005 金属基体上的金属覆盖层电沉积和化学沉积层附着强度试验方法评述GB/T 1839 - 2008 钢产品镀锌层质量试验方法3.镀层使用环境划分和厚度要求3.1使用环境划分为四个级别①轻度:干燥的大气中,户内使用。
②中度:在一定的潮湿条件的户内使用。
③严酷:在一般条件的户外使用。
④极严酷:在严酷潮湿、腐蚀条件的户外使用。
3.2镀锡、镀锌层厚度要求①铜材质镀锡层厚度:一般轻度环境内使用时要求为不低于5~8叭严酷环境内使用时要求为不低于30小。
②钢材质冷镀锌层厚度:一般轻度环境内使用时要求为不低于5~8叩严酷环境内使用时要求为不低于25小。
③如无特殊说明,镀层厚度按照不低于5~8口要求执行。
④当技术文件有特殊规定时,按技术要求规定要求执行。
说明:对于要求使用很长寿命时,例如钢结构件上,需要较厚锌覆层,可使用热镀锌或喷涂锌处理。
4. 检验使用工具、仪器、辅料镀层测厚仪、笔纸刀、强力透明胶带5.检验项目①包装检查②镀层厚度检查③目测外观检查④镀层附着力检查⑤耐磨检查6.具体检验步骤6.1包装检查对外协厂送来电镀产品进行运输防护检查,要求产品结构件间进行层间和件间垫放干净毛毯等措施防护;每次填写详细的检验记录,对有问题现象进行拍照留底,转交采购部要求外协厂以质量角度进行改进。
6.2镀层厚度检查:每个合同检验一次,一次一件,使用覆层测厚仪进行检查,记录检验结果。
整体镀层厚度符合文件要求。
6.3每批次目测检查:6.3.1根据电镀产品交验,每批次都进行目测检查,检查铜排、铜排镀锡、钢板镀锌件等。
632检验条件:在光线充足或等同40V W 60W日光灯,不超过1M距离相当照明度条件下,距离300mm~500mm6.3.3表面镀层符合规定要求,原则要求为光滑、平整、均匀光亮,同批产品无色差(说明:色差包括颜色和光洁度)及异色(如变黑,发红,发黄)现象。
电镀产品的检验验标准电镀端子的检验是电镀完成后不可缺少的工作,只有检验合格的产品才能交给下一工序使用。
通常驻的检验项目为:膜厚(thickness),附着力(adhesion),可焊性(solderability),外观(appearance),包装(package).盐雾实验(salt spray test),对于图纸有特别要求的产品,有孔隙率测试(30U”)金使用硝酸蒸气法,镀钯镍产品(使用凝胶电解法)或其它环境测试。
一膜厚:1.膜厚为电镀检测基本项目,使用基本工具为萤光膜厚仪(X-RAY),其原理是使用X射线照射镀层,收集镀层返回的能量光谱,鉴别镀层厚度及成分。
2.使用X-RAY注意事项:1)每次开机需做波谱校准2)每月要做十字线校准3)每星期应至少做一次金镍标定4)测量时应根据产品所使用的钢材选用测试档案5)对于新产品没有建测试档案,应建立测试档案3.测试档案的意义:例:Au-Ni-Cu(100-221 sn 4%@0.2 cfpAu-Ni-Cu----------测试在铜基材上镀镍打底再镀金的厚度。
(100-221 sn 4%-------AMP铜材编号含锡4%的铜材)二.附着力:附着力检测为电镀基本检测项目,附着力不良为电镀最常见不良现象之一,检测方法有两种:1.折弯法:先用与所需检测端子相同厚度的铜片垫于需折弯处,用平口钳将样品弯曲至180度,用显微镜观察弯曲面是否有镀层起皮,剥落等现象。
2.胶带法:用3M胶带紧牢地粘贴在欲试验样品表面,垂直90度,迅速撕开胶带,观察胶带上有载剥落金属皮膜。
如目视无法观察清楚,可使用10倍显微镜观察。
3.结果判定:a) 不可有掉落金属粉末及补胶带粘起之现象。
b) 不可有金属镀层剥落之现象。
c) 在底材未被折断下,折弯后不可有严重龟裂及起皮之现象。
d) 不可有起泡之现象e) 在底材未被折断下,不可有裸露出下层金属之现象。
4.对于附着力发生不良时应学会区分剥落的层的位置,可用显微镜及X-RAY测试已剥落的镀层厚度来判断,借此找出出问题的工站。
电镀件检验标准电镀件是一种常见的表面处理工艺,通过在金属表面电镀一层金属或非金属薄膜来改善其性能,增加其耐腐蚀性和装饰性。
在电镀件的生产过程中,检验是至关重要的环节,它能够确保产品质量,满足客户需求,保障生产安全。
因此,建立和执行科学合理的电镀件检验标准,对于提高产品质量,确保生产安全具有重要意义。
一、外观检验。
外观是产品质量的第一印象,也是用户接触产品时最先感知到的特性。
因此,外观检验是电镀件检验的重要环节之一。
在外观检验中,应该注意以下几个方面:1. 表面光洁度,产品表面应该光洁,无明显的气泡、杂质和划痕。
2. 镀层均匀性,镀层应该均匀,无明显的局部厚薄不均现象。
3. 色泽一致性,镀层的颜色应该一致,无色差和色斑。
4. 涂层附着力,应该对电镀件的涂层进行划格试验,确保其附着力符合标准要求。
二、尺寸检验。
尺寸是电镀件的重要特性之一,尺寸的精度和稳定性直接关系到产品的装配和使用性能。
在尺寸检验中,应该注意以下几个方面:1. 外径尺寸,对电镀件的外径进行精确测量,确保其符合设计要求。
2. 内径尺寸,对电镀件的内径进行精确测量,确保其符合设计要求。
3. 壁厚尺寸,对电镀件的壁厚进行精确测量,确保其符合设计要求。
4. 其他尺寸,根据产品特点和设计要求,对其他尺寸进行相应的检验和测量。
三、功能性能检验。
除了外观和尺寸,电镀件的功能性能也是需要进行检验的重要内容。
在功能性能检验中,应该注意以下几个方面:1. 耐腐蚀性能,通过盐雾测试等方法,对电镀件的耐腐蚀性能进行检验。
2. 导电性能,对电镀件的导电性能进行检验,确保其符合设计要求。
3. 导热性能,对电镀件的导热性能进行检验,确保其符合设计要求。
4. 其他功能性能,根据产品用途和设计要求,对其他功能性能进行相应的检验和测试。
四、包装检验。
最后,电镀件的包装也是需要进行检验的重要环节。
在包装检验中,应该注意以下几个方面:1. 包装完整性,检查包装是否完好,防止在运输过程中发生损坏。
电镀产品品质检验标准常驻的检验工程为:1.膜厚;3.鍍層附着力;4.硬度測試;6.耐酒精測試;7.高溫高濕測試8.冷熱沖擊測試;9.鹽霧測試;10.排汗測試;11外瞧;12包装;一.膜厚:1.膜厚为电镀检测全然工程,使用全然工具为萤光膜厚仪〔X-RAY〕,其原理是使用X射线照耀镀层,收集镀层返回的能量光谱,膜厚一般為0.02mm,最大不超過0.03mm.2.檢查周期:每批;3.測試數量:n>5pcs二.裝配檢查:1.確認是否符合圖面標出的重要尺寸;裝配後有否影響外觀及功能,手感;2.檢查周期:每批;3.測試數量:n>2pcs;二.镀层附着力:1.將3M膠紙粘貼在刀切100格〔每小格為1MM*1MM〕的電鍍層外表,用橡皮擦在其上面來回磨擦,使其完全密貼後,以45度方向迅速撕開,鍍層需無脫落現象。
如目视无法瞧瞧清晰,可使用10倍显微镜瞧瞧;a) 不可有掉落金属粉末及补胶带粘起之现象。
b) 不可有金属镀层剥落之现象。
d) 不可有起泡之现象2.檢查周期:每批;3.測試數量:n>2pcs;四.硬度測試:/s的速度向前推進,擦試後鍍層不能有劃痕;其中:UV鍍測試:3H鉛筆,500g力真空鍍:2H鉛筆,500g力水鍍測試:1H鉛筆,200g力2.檢查周期:每批;3.測試數量:n>2pcs;五.耐磨測試:1.頭施500g力,用於被測產品來回試擦50次,往返為一次,不能變色,脫鍍及露底材;2.檢查周期:一次/3個月3.數量:n>2pcs;六.耐酒精測試:1.用500g砝碼外包8層棉布,再將白棉布沾濕濃度為95%的乙醇,以不下滴為宜,將砝碼與鍍層面垂直,在同一位置往退,移動距離1英寸為一次,共100次,鍍層不能有反應;2.檢查周期:一次/3個月;3.測試數量:n>5pcs;七.高溫高濕測試:1.ABS底材溫度設定為60度,PC底材溫度設定為90度,濕度90%-95%,測試時間6小時,瞧鍍層有無拱起,起泡或脫落;2.檢查周期:一次/3個月;3.測試數量:n>5pcs;八.冷熱沖擊測試:1.零下1度30分鐘,常溫2分鐘,70度30分鐘為一個回合,瞧鍍層有無拱起,起泡或脫落;2.檢查周期:一次/3個月;:n>5pcs;其中:UV鍍測試:5回合;真空鍍:2回合;水鍍測試:1回合;九.鹽霧測試:1.溫度35度,濃度5%的鹽水,噴霧8小時,共3回;瞧鍍層有無起反應;2.檢查周期:一次/3個月;3.測試數量:n>5pcs;十.排汗測試:1.常溫下5%Nacl,10%乳酸,85%蒸鎦水,浸泡24小時,瞧鍍層有無反應;2.檢查周期:一次/3個月;3.測試數量:n>5pcs;4.排汗測試只限定人體與鍍層經常接觸之電鍍零件適用;十一.外觀檢查:1.檢驗條件:在40W-60W日光燈相當照明度條件下,距離30-50cm:2.外表镀层符合规定要求,光滑、平坦、均匀光亮,同批产品无色差〔注:色差包括颜色和光泽度〕;3..镀层外表不得有如下缺陷:〔1〕起泡:镀层与基体因局部剥离致外表呈气泡现象;〔2〕脱皮:镀层与基体有剥离现象;镀层成片状脱离基体材料的现象〔3〕烧焦:在过高电流下形成的颜色黑暗、粗糙、松散等质量不佳的沉积物,其中常含有氧化物或其他杂质。
常用电镀产品质量检验标准
电镀产品质量检验规范
电镀产品品质检验规范
常用的检验项目为:
1.膜厚;
2.装配检查;
3.镀层附着力;
4.硬度测试;
5. 耐磨测试;
6.耐酒精测试;
7.高温高湿测试;
8.冷热冲击测试;
9.盐雾测试;10.排汗测试;11外观;12包装; 一•膜厚:
1 .膜厚为电镀检测基本项目,使用基本工具为萤光膜厚仪(X-RAY,其原理是使用X射线照射镀层,收集镀层返回的能量光谱,膜厚一般为0.02mm最大不超过0.03mm.
2.检查周期:每批;
3.测试数量:n>5pcs
二.装配检查:
1.确认是否符合图面标出的重要尺寸;装配后有否影
响外观及功能,手感;
2.检查周期:每批;%
3.测试数量:n>2pcs ;0「
二.镀层附着力:
1.将3M胶纸粘贴在刀切100格(每小格为1MM T 1MM 的电镀层表面,用橡皮擦在其上面来回磨擦,使其完全密贴后,以45度方向迅速撕开,镀层需无脱落现象。
如目视无法观察清楚,可使用10倍显微镜观察;•
a)不可有掉落金属粉末及补胶带粘起之现象。
b)不可有金属镀层剥落之现象。
d)不可有起泡之现象
2.检查周期:每批;
3.测试数量:n>2pcs ;…
四•硬度测试:
1.用中华铅笔以45度角并且以1mm/s的速度向前推进,擦试后镀层不能有划痕;.
其中:
UV镀测试:3H铅笔,500g力
真空镀:2H铅笔,500g力…
水镀测试:1H铅笔,200g力
2.检查周期:每批;-…
3.测试数量:n>2pcs ;
五.耐磨测试:
1.头施500g力,用于被测产品来回试擦50次,往返为一次,不能变色,脱镀及露底材;e
2.检查周期:一次/3个月
3.数量:n>2pcs ;
六•耐酒精测试:
1.用500g砝码外包8层棉布,再将白棉布沾湿浓度为95%勺乙醇,以不下滴为宜,将砝码与镀层面垂直,在同一位置往退,移动距离1英寸为一次,共100次, 镀层不能有反应;
2.检查周期:一次/3个月;…•
3.测试数量:n>5pcs ;
七.高温高湿测试:
1.ABS底材温度设定为60度,PC底材温度设定为90度,湿度90沧95%测试时间6小时,看镀层有无拱起,起泡或脱落;6
2.检查周期:一次/3个月;
3.测试数量:n>5pcs ;
八.冷热冲击测试:
1.零下1度30分钟常温2分钟,70度30分钟为一个回合,看镀层有无拱起,起泡或脱落;
2.检查周期:一次/3个月;
3.测试数量:n> 5pcs;其中:
UV镀测试: 5回合; 真空镀:2回合;
水镀测试:1回合;
九.盐雾测试:u
1.温度35度,浓度5%勺盐水,喷雾8小时,共3 回;看镀层有无起反应;
2.检查周期:一次/3个月;
3.测试数量:n>5pcs;
十•排汗测试:
1.常温下5%Nacl, 10%^酸,85嘯镏水,浸泡24 小时,看镀层有无反应;
2.检查周期:一次/3个月;
3.测试数量:n>5pcs;
4.排汗测试只限定人体与镀层经常接触之电镀零件适用;g A ? -
十-一.外观检查:
1 •检验条件:在40W-60W日光灯相当照明度条件下,距离30—50cm
2. 表面镀层符合规定要求,光滑、平整、均匀光亮,
同批产品无色差(注:色差包括颜色和光泽度);
3..镀层表面不得有如下缺陷:
(1)起泡:镀层与基体因局部剥离致表面呈气泡现象;
(2)脱皮:镀层与基体有剥离现象;镀层成片状脱离基体材料的现象$_ 一
(3)烧焦:在过高电流下形成的颜色黑暗、粗糙、松
散等质量不佳的沉积物,其中常含有氧化物或其它杂
质
/1 o " ““A
(4)麻点:在电镀或腐蚀中,与金属表面上形成的小坑或小孔
(5)粗糙:在电镀过程中,由于种种原因造成的镀层粗糙不光滑的现象• n
(6)水印、色斑:通常用于表面被污染所引起的不均匀润湿性,使表面上的水膜变的不连续。
(7)颜色暗淡:由于腐蚀而引起的金属或镀层表面色泽的变化(如发暗、失色等)。
(8)不可粘有任何异物(毛屑,灰尘,油污,结晶物)(9)必须干燥,不可沾有水分
(10)不可有压伤,刮伤,刮歪等各种变形现象及镀件受损之现象
(11)不可有裸露出下层之现象,
(12)电镀位置依照图纸规定执行,在不影响使用功能的前提下,可由QE工程师决定适当放宽标准
(13)对于有疑异的外观不良现象,应由QE工程师定极限样版和外观辅助标准
2.检查周期:每批;3
3.数量:依MIL-STD-105E抽样计划水准
十二.包装:
1.包装要求包装方向正确,包装盘,箱干净整齐,无破损:标签填写完整,正确,内外标0 7A
签数量一致。
-
镀银后部分发黑,多为电镀方式不当:可以采用振动电镀方式,或米用细小孔眼滚桶来电镀…
厚度:
装饰性镀铬O.OO1-O.0O3mm
耐磨性镀铬O.O5-O.1mm
恢复尺寸镀铬要根据磨损程度来确定厚度,到一定厚度后要加以研磨
对供货商的寻找和管控的几点建议)J. 供货商引入竞争,促使供货商改良品质,降低加工价格。
寻找到合适供货商对NWE"品的表面处理至关重要
,是现阶段所有表面处理工作重心和核心。
(2购进常用仪器进行品质管控—「如膜厚测试仪。
(3)定期到厂家制程管控现场观察和了解厂家的制程,对不完善或不规范的地方提出建议,并同厂家一起商讨改善对策。
.
7.镀层缺陷的补救或重工.—
不良现象补救措施
注
脏浯溶剂搽试,如酒精,丙酮等易挥发而不残留的溶剂
因脏浯而变质重工S
桔皮,发花,发雾,条纹,漏镀,起泡,起皮,结合力不良等重工…
较大面积的划伤或搽伤返电或重
工部分镀种如镀铜,镀铬可打磨后返
电补镀,但是大部分镀种需彻底重工,即先剥掉镀层
,然后再从第一道工序开始进行处理。
镍的抗腐蚀性比较好,镀在其它金属上可以防止生锈而且它能够高度磨光。
最厚可电厚度至10微米以上#
铜片:31-4235-00-00
1.要求:先镀铜,后镀镍(NI),铜层厚度3um,镍层厚度3um-5um.
2.外观:镀膜光泽度为半光•一•
3.条件:温度0度-40度,相对应湿度
95%-85%.
4.弯曲试验:小于180度弯曲,镀层不允脱落•…
5.盐水试验,不允许有锈渍现象产生a-
折弯法:先用与所需检测端子相同厚度的铜片垫于需折弯处,用平口钳将样品弯曲至180度,用显微镜观察弯曲面是否有镀层起皮,剥落等现象。
—
2.胶带法:用3M胶带紧牢地粘贴在欲试验样品表面,垂直90度,迅速撕开胶带,观察胶带上有载剥落金属皮膜。
如目视无法观察清楚,可使用10倍显微镜观察。
3 . 结果判定:
a)不可有掉落金属粉末及补胶带粘起之现象。
Y n c
b)不可有金属镀层剥落之现象。
c)在底材未被折断下,折弯%%后不可
d)不可有起泡之现象
e)在底材未被折断下,不可有裸露出下
层金属之现象。
玛4. 对于附着力发生不良时应学会区分剥落的层的位置,可用显微镜及X-RAY测试已剥落的镀层厚度来判断,借些找出出问题的工
站。
1 . 可焊性为镀锡铅和镀锡的基本功能与
目的,如果有焊接后工序要求的,焊接不良是绝对不可接受的。
2. 焊锡试验的基本方法:
1) 直接浸锡法:根据图纸规定,直接将
焊锡的部分浸上求求的助焊剂,浸入235度的锡炉中,5秒钟后应缓缓以约25MM/S速度取出。
取出后,冷却至常温时用10倍显微镜观察判定:吃锡面积应大于95% 以上,吃锡部位应平滑光洁,无拒焊,脱焊,针孔等现象即判
合
格。
2) 先老化后焊接,对于部分
力面有特别要求的产品,样品在作焊接试验前应使用蒸
汽老化试验机对样品进行8或者16个小时的老化,以判断产品在恶劣的使用环境下的焊接性台匕
能匕。
%
四.外观:
1. 外观检测为电镀检测的基本功能,
从外观上可以看出电镀工艺条件的适合性及电镀药水可能产生的变化。
对于不同的客户对外观会有不同的要求,对于电镀端子应一律用至少10倍以上的显微镜观察。
对于已发生的不良,放大倍数越大越有助于分析问
题发生的原因。
检验步骤:~
2.
1. 取样品放在10倍显微镜下,用标准
白色光源垂直照射:H…“
通过目镜观察产品表面状况。
2.
3. 判定方法:
1. 色泽均匀,不可有深浅色,异色(如
变黑,发红,发黄),镀金不可有严重色差。
3
2. 不可粘有任何异物(毛屑,灰尘,
油污,结晶物)
3.必须干燥,不可沾有水分8 3
4.平滑性良好,不可有凹洞,颗粒物
5.不可有压伤,刮伤,刮歪等各种变形现象及镀件受损之现象(…
6.不可有裸露出下层之现象,关于锡铅外观,在不影响可焊性的情况下允许有少许(不超过5%麻点,麻坑。
―
7.镀层不可有起泡,剥落等附着力不良现象。