全国中考物理家庭电路故障中考真题分类汇总及答案
- 格式:doc
- 大小:618.50 KB
- 文档页数:18
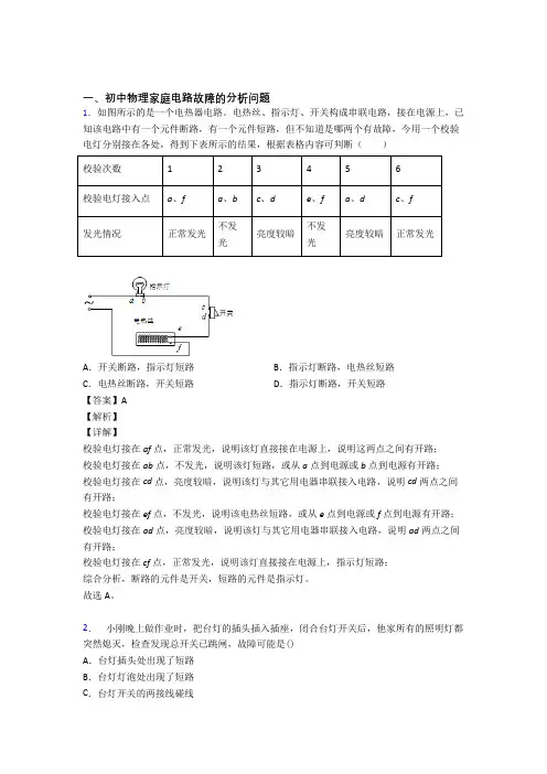
一、初中物理家庭电路故障的分析问题1.如图所示的是一个电热器电路。
电热丝、指示灯、开关构成串联电路,接在电源上,已知该电路中有一个元件断路,有一个元件短路,但不知道是哪两个有故障,今用一个校验电灯分别接在各处,得到下表所示的结果,根据表格内容可判断()校验次数123456校验电灯接入点a、f a、b c、d e、f a、d c、f发光情况正常发光不发光亮度较暗不发光亮度较暗正常发光A.开关断路,指示灯短路B.指示灯断路,电热丝短路C.电热丝断路,开关短路D.指示灯断路,开关短路【答案】A【解析】【详解】校验电灯接在af点,正常发光,说明该灯直接接在电源上,说明这两点之间有开路;校验电灯接在ab点,不发光,说明该灯短路,或从a点到电源或b点到电源有开路;校验电灯接在cd点,亮度较暗,说明该灯与其它用电器串联接入电路,说明cd两点之间有开路;校验电灯接在ef点,不发光,说明该电热丝短路,或从e点到电源或f点到电源有开路;校验电灯接在ad点,亮度较暗,说明该灯与其它用电器串联接入电路,说明ad两点之间有开路;校验电灯接在cf点,正常发光,说明该灯直接接在电源上,指示灯短路;综合分析,断路的元件是开关,短路的元件是指示灯。
故选A。
2.小刚晚上做作业时,把台灯的插头插入插座,闭合台灯开关后,他家所有的照明灯都突然熄灭,检查发现总开关已跳闸,故障可能是()A.台灯插头处出现了短路B.台灯灯泡处出现了短路C.台灯开关的两接线碰线D.插座处出现了短路【答案】B【解析】【分析】【详解】A.如果是台灯插头处出现了短路,不闭合开关,也会跳闸,故A不符合题意;B.如果台灯灯泡处出现了短路,则闭合开关时才会短路电源,故B符合题意;C.如果台灯开关的两接线碰线,闭合开关,两接线必须相碰,这是正常的现象,故C不符题意;D.如果插座处出现了短路,不插台灯,电源也会被短路,故D不符题意。
故选B。
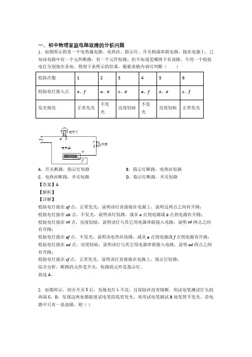
3.如图所示,闭合开关S后,发现电灯L不亮,且保险丝没有熔断.用试电笔测试灯头的两端C、D,发现这两处都能使试电笔的氖管发光,再用试电笔测试B处氖管不发光.若电路中只有一处故障,则()A.AC段某处断路B.BD段某处断路C.电灯L断路D.电灯L短路【答案】B【解析】【分析】【详解】AC段某处断路时,则试电笔接触D点时,氖管不发光,故A错误;BD段某处断路,则试电笔接触CD点时,氖管发光,接触B点时不发光,故B正确;电灯L断路,则试电笔接触D点时,氖管不发光,故C错误;D、电灯L短路,则电源短路,电路中电流过大,保险丝会熔断,与题意不符,故D错误;故应选B。
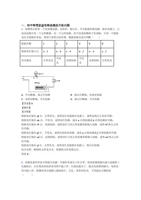
一、初中物理家庭电路故障的分析问题1.如图是某同学家中的部分电路,开始时各部分工作正常,将电饭煲的插头插入电源的三孔插座后,正在烧水的电热壶突然不能工作、灯泡也熄灭了,拔出电饭煲的插头,电热壶仍不能工作,把测电笔分别插入插座的左、右孔,氖管均发光。
下列说法正确的是()A.和灯泡连接的开关接法正确B.一定是B、D两点间经电热壶所在的电路部分出现短路C.C、D两点间零线断路D.入户零线至C点间导线断路【答案】C【解析】【分析】【详解】A.开关应连接在火线与灯泡之间,而由图示知,开关接在灯泡与零线间,故A错误;B.由题意知,拔出插头后,电灯能工作,若电路中出现短路,则保险丝会烧毁或空气开关跳闸,即使拔出电饭煲的插头,灯泡也不会再发光,故B错误;CD.由以上分析知,电路中不会出现短路,那么是电路出现了部分断路,而拔出插头后,测电笔插入插座的左右孔,氖管均发光,说明出现火线没断开,断开的是零线,而灯泡后来能发光,则入户零线到C点间没有断开,断开的应是C、D间的零线。
故C正确,D错误。
故选C。
2.如图是某同学家中的部分电路,开始时各部分工作正常,将电饭煲的插头插入电源的三孔插座后,正在烧水的电热壶突然不能工作,但电灯仍正常发光拔出电饭煲的插头,电热壶仍不能工作,把测电笔分别插入插座的左、右孔,氖管均能发光.则可以判断出电路的故障是()A.电热壶所在电路的B、D两点间断路B.插座的接地线断路C.电路的C、D两点间导线断路D.电路的A、B两点间导线断路【答案】C【解析】【分析】【详解】正在烧水的电热壶突然不能工作,但电灯仍正常工作,说明电路中不能出现短路,否则保险丝烧毁,用电器都不能正常工作,所以电路中出现断路现象;电灯仍正常工作,说明A 点左侧,C点左侧都没出现断路现象,而把测电笔分别插入插座的左、右插孔,氖管均能发光,说明火线没有断路,零线断路了,且是在C、D之间导线断路.3.如图所示,闭合开关S后,发现电灯L不亮,且保险丝没有熔断。
一、初中物理家庭电路故障的分析问题1.小刚晚上做作业时,把台灯的插头插入插座,闭合台灯开关后,他家所有的照明灯都突然熄灭,检查发现总开关已跳闸,故障可能是()A.台灯插头处出现了短路B.台灯灯泡处出现了短路C.台灯开关的两接线碰线D.插座处出现了短路【答案】B【解析】【分析】【详解】A.如果是台灯插头处出现了短路,不闭合开关,也会跳闸,故A不符合题意;B.如果台灯灯泡处出现了短路,则闭合开关时才会短路电源,故B符合题意;C.如果台灯开关的两接线碰线,闭合开关,两接线必须相碰,这是正常的现象,故C不符题意;D.如果插座处出现了短路,不插台灯,电源也会被短路,故D不符题意。
故选B。
2.如图所示,闭合开关S后,发现电灯L不亮,且保险丝没有熔断.用试电笔测试灯头的两端C、D,发现这两处都能使试电笔的氖管发光,再用试电笔测试B处氖管不发光.若电路中只有一处故障,则()A.AC段某处断路B.BD段某处断路C.电灯L断路D.电灯L短路【答案】B【解析】【分析】【详解】AC段某处断路时,则试电笔接触D点时,氖管不发光,故A错误;BD段某处断路,则试电笔接触CD点时,氖管发光,接触B点时不发光,故B正确;电灯L断路,则试电笔接触D点时,氖管不发光,故C错误;D、电灯L短路,则电源短路,电路中电流过大,保险丝会熔断,与题意不符,故D错误;故应选B。
3.某家庭电路的组成如图所示。
下列说法正确的是()A.图中的三个插座是串联的B.控制灯泡的开关要接在火线与灯泡之间,图中所示是正确的接法C.彩灯接入电路后都不亮,是由于其中的一个小彩灯短路D.家庭电路中的空气开关突然“跳闸”,一定是因为电路中出现了短路【答案】B【解析】【分析】【详解】A.从图中可以看到,三个插座是并联的,A错误;B.电路要先接开关,再接灯泡,控制灯泡的开关要接在火线与灯泡之间,图中所示是正确的接法,B正确;C.彩灯接入电路后都不亮,不是由于其中的一个小彩灯短路,如果其中一个小彩灯短路,那么其余小彩灯还是能亮的,C错误;D.家庭电路中的空气开关突然“跳闸”,有可能是电路中出现了短路,也有可能是用电器总功率过大,D错误。
一、初中物理家庭电路故障的分析问题1.如图所示为某家庭卫生间电路,闭合开关S,电灯正常发光,在三线插座上刚插上电热水器的插头时,所有用电器都停止工作,拔出电热水器的插头后,检查发现零线上的熔丝断了。
则下列分析合理的是()A.闭合S,用测电笔检测三线插座左右的两个孔,氖管都发光B.闭合S,用测电笔检测三线插座左右的两个孔,氖管都不发光C.断开S,用测电笔检测三线插座左右的两个孔,氖管都发光D.断开S,用测电笔检测三线插座左右的两个孔,氖管都不发光【答案】A【解析】【详解】AB.闭合S,用测电笔检测三线插座左边的孔,电流从火线流出,流过开关,再流过灯泡,由于零线上的熔丝断了,电流只能往右边流,流过三线插座左边的孔,再流过测电笔,流入大地,所以这时氖管能发光;用测电笔检测三线插座右边的孔,电流从火线流出,流过三线插座右边的孔,再流过测电笔,流入大地,所以这时氖管能发光;综上所述,氖管都发光,A正确、B错误;CD.断开S,那么没有电流流过三线插座左边的孔,即使用测电笔检测三线插座左边的孔,氖管也不能发光;但当用测电笔检测三线插座右边的孔,电流从火线流出,流过三线插座右边的孔,再流过测电笔,流入大地,所以这时氖管能发光;C、D错误。
2.小刚晚上做作业时,把台灯的插头插入插座,闭合台灯开关后,他家所有的照明灯都突然熄灭,检查发现总开关已跳闸,故障可能是()A.台灯插头处出现了短路B.台灯灯泡处出现了短路C.台灯开关的两接线碰线D.插座处出现了短路【答案】B【解析】【分析】【详解】A.如果是台灯插头处出现了短路,不闭合开关,也会跳闸,故A不符合题意;B.如果台灯灯泡处出现了短路,则闭合开关时才会短路电源,故B符合题意;C.如果台灯开关的两接线碰线,闭合开关,两接线必须相碰,这是正常的现象,故C不D.如果插座处出现了短路,不插台灯,电源也会被短路,故D不符题意。
故选B。
3.图是某家庭电路的一部分,下列说法正确的是( )A.电冰箱接入三孔插座后其外壳与零线相连B.保险丝烧断后可用铜丝代替C.闭合开关 S 时,电灯不亮,保险丝未烧断,可能是电灯短路D.断开开关 S 时,用试电笔接触 A 点氖管发光,接触 B 点时氖管不会发光【答案】D【解析】【详解】A.电冰箱接入三孔插座后其外壳是与地线相连,A错误;B.保险丝烧断后不可用铜丝代替,B错误;C.闭合开关S时,电灯不亮,保险丝未烧断,不可能是电灯短路,否则保险丝会烧断,C 错误;D.断开开关S时,用试电笔接触A点(火线)时,火线带电,所以氖管发光,但接触B点(与火线断开不带电)时,氖管不会发光,D正确。
一、初中物理家庭电路故障的分析问题1.如图所示的是一个电热器电路。
电热丝、指示灯、开关构成串联电路,接在电源上,已知该电路中有一个元件断路,有一个元件短路,但不知道是哪两个有故障,今用一个校验电灯分别接在各处,得到下表所示的结果,根据表格内容可判断()校验次数123456校验电灯接入点a、f a、b c、d e、f a、d c、f发光情况正常发光不发光亮度较暗不发光亮度较暗正常发光A.开关断路,指示灯短路B.指示灯断路,电热丝短路C.电热丝断路,开关短路D.指示灯断路,开关短路【答案】A【解析】【详解】校验电灯接在af点,正常发光,说明该灯直接接在电源上,说明这两点之间有开路;校验电灯接在ab点,不发光,说明该灯短路,或从a点到电源或b点到电源有开路;校验电灯接在cd点,亮度较暗,说明该灯与其它用电器串联接入电路,说明cd两点之间有开路;校验电灯接在ef点,不发光,说明该电热丝短路,或从e点到电源或f点到电源有开路;校验电灯接在ad点,亮度较暗,说明该灯与其它用电器串联接入电路,说明ad两点之间有开路;校验电灯接在cf点,正常发光,说明该灯直接接在电源上,指示灯短路;综合分析,断路的元件是开关,短路的元件是指示灯。
故选A。
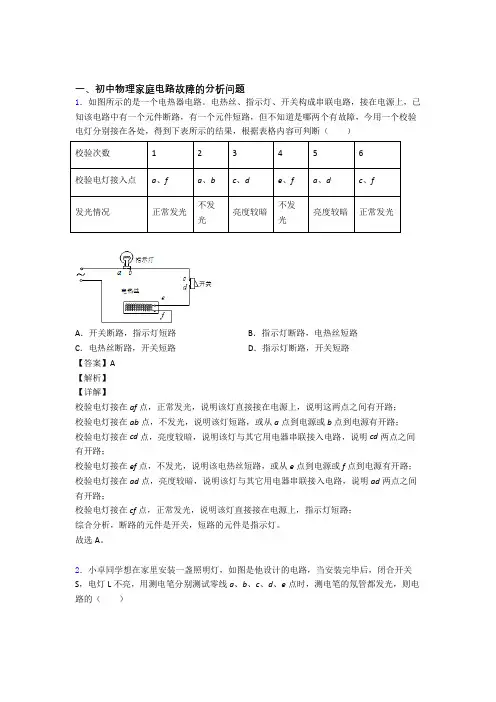
2.小卓同学想在家里安装一盏照明灯,如图是他设计的电路,当安装完毕后,闭合开关S,电灯L不亮,用测电笔分别测试零线a、b、c、d、e点时,测电笔的氖管都发光,则电路的()A.火线断路B.零线断路C.灯泡断路D.灯泡短路【答案】B【解析】【分析】【详解】A.若火线断路,则所有点均与火线断开连接,试电笔应测试每个点时都不发光,故A不符合题意;B.若零线断路,则闭合开关后,灯泡无法与火线、零线形成闭合回路,灯泡不发光,各点均与火线连接,则用测电笔分别测试零线a、b、c、d、e点时,测电笔的氖管都发光,故B符合题意;C.若灯泡断路,闭合开关后,a、d两点与火线断开连接,测电笔测试时不发光,故C不符合题意;D.若灯泡短路,闭合开关后,火线与零线直接相连,灯泡不发光,测电笔测试d点不发光,故D不符合题意。
一、初中物理家庭电路故障的分析问题1.如图是某同学家中的部分电路,开始时各部分工作正常,将电饭煲的插头插入电源的三孔插座后,正在烧水的电热壶突然不能工作,但电灯仍正常发光拔出电饭煲的插头,电热壶仍不能工作,把测电笔分别插入插座的左、右孔,氖管均能发光.则可以判断出电路的故障是()A.电热壶所在电路的B、D两点间断路B.插座的接地线断路C.电路的C、D两点间导线断路D.电路的A、B两点间导线断路【答案】C【解析】【分析】【详解】正在烧水的电热壶突然不能工作,但电灯仍正常工作,说明电路中不能出现短路,否则保险丝烧毁,用电器都不能正常工作,所以电路中出现断路现象;电灯仍正常工作,说明A 点左侧,C点左侧都没出现断路现象,而把测电笔分别插入插座的左、右插孔,氖管均能发光,说明火线没有断路,零线断路了,且是在C、D之间导线断路.2.如图所示为某家庭卫生间电路,电灯和电热器都在正常工作。
在三线插座上刚插上洗衣机(开关未闭合)的插头时,所有用电器都停止工作,拔出洗衣机的插头后,用测电笔测试三线插座的左右两孔,氖管都发光,发现有一根熔丝熔断了。
下列分析不合理的是()A.一定是零线上的熔丝熔断了B.断开S1、S2,再用测电笔检测三线插座的左右两孔,氖管都发光C.只断开S1,再用测电笔检测开关S2的两个接线柱,氖管都发光D.只断开S2,再用测电笔检测开关S1的两个接线柱,氖管都发光【答案】B【解析】A.在插上洗衣机(开关未闭合)的插头前,电灯和电热器都在正常工作,在插上洗衣机(开关未闭合)的插头,所有用电器都停止工作,说明电路中干路上有断路,测电笔测试插座的两孔,氖管都发光,说明两孔与火线是连通的,故只可能是零线断了,故A正确,不符合题意;B.断开S1、S2,再用测电笔检测三线插座的左右两孔,只有右孔与火线相连,氖管发光,左孔与火线不相连,氖管不会发光,故B不正确,符合题意;C.只断开S1,开关S2的上下接线柱都与火线相连,测电笔的氖管发光,故C正确,不符合题意;D.只断开S2,开关S1的上下接线柱都与火线相连,测电笔的氖管发光,故D正确,不符合题意。
一、初中物理家庭电路故障的分析问题1.如图所示的是一个电热器电路。
电热丝、指示灯、开关构成串联电路,接在电源上,已知该电路中有一个元件断路,有一个元件短路,但不知道是哪两个有故障,今用一个校验电灯分别接在各处,得到下表所示的结果,根据表格内容可判断()校验次数123456校验电灯接入点a、f a、b c、d e、f a、d c、f发光情况正常发光不发光亮度较暗不发光亮度较暗正常发光A.开关断路,指示灯短路B.指示灯断路,电热丝短路C.电热丝断路,开关短路D.指示灯断路,开关短路【答案】A【解析】【详解】校验电灯接在af点,正常发光,说明该灯直接接在电源上,说明这两点之间有开路;校验电灯接在ab点,不发光,说明该灯短路,或从a点到电源或b点到电源有开路;校验电灯接在cd点,亮度较暗,说明该灯与其它用电器串联接入电路,说明cd两点之间有开路;校验电灯接在ef点,不发光,说明该电热丝短路,或从e点到电源或f点到电源有开路;校验电灯接在ad点,亮度较暗,说明该灯与其它用电器串联接入电路,说明ad两点之间有开路;校验电灯接在cf点,正常发光,说明该灯直接接在电源上,指示灯短路;综合分析,断路的元件是开关,短路的元件是指示灯。
故选A。
2.如图是某同学家中的部分电路,开始时各部分工作正常,将电饭煲的插头插入电源的三孔插座后,正在烧水的电热壶突然不能工作、灯泡也熄灭了,拔出电饭煲的插头,电热壶仍不能工作,把测电笔分别插入插座的左、右孔,氖管均发光。
下列说法正确的是()A.和灯泡连接的开关接法正确B.一定是B、D两点间经电热壶所在的电路部分出现短路C.C、D两点间零线断路D.入户零线至C点间导线断路【答案】C【解析】【分析】【详解】A.开关应连接在火线与灯泡之间,而由图示知,开关接在灯泡与零线间,故A错误;B.由题意知,拔出插头后,电灯能工作,若电路中出现短路,则保险丝会烧毁或空气开关跳闸,即使拔出电饭煲的插头,灯泡也不会再发光,故B错误;CD.由以上分析知,电路中不会出现短路,那么是电路出现了部分断路,而拔出插头后,测电笔插入插座的左右孔,氖管均发光,说明出现火线没断开,断开的是零线,而灯泡后来能发光,则入户零线到C点间没有断开,断开的应是C、D间的零线。
一、初中物理家庭电路故障的分析问题1.在如图所示的家庭电路中,将充电插头插入插座后,插座不能给手机充电;闭合开关,灯泡不亮;拔出充电插头,将测电笔分别插入插座的两孔,氖管均发光。
若电路中只有一处故障,则故障可能是()A.零线ab段断路B.火线上的保险丝烧断C.灯泡灯丝烧断D.插座短路【答案】A【解析】【分析】【详解】闭合开关,灯泡不亮,说明电路中存在断路故障;若灯丝烧断,则插座能给手机充电,故不可能是灯丝烧断。
插座的左孔能使氖管发光,说明插孔的左孔、灯泡、开关与火线相连;插座的右孔能使氖管发光,说明火线是完好的。
若插座短路,火线和零线就已经相互接触形成短路,火线上保险丝会熔断,氖管不会发光,综合分析零线ab段断路,故A符合题意,BCD不符合题意。
故选A。
2.如图所示,是正确连接的家庭电路的一部分,下列说法正确的是()A.电冰箱的插头插入三孔插座能使电冰箱的外壳与大地连接B.站在地上的人接触a点或b点都会触电C.导线A与大地间的电压为0VD.用测电笔正确接触b点,测电笔的氖管会发光【答案】A【解析】【分析】【详解】A.电冰箱的插头插入三孔插座能使电冰箱的外壳与大地连接,当用电器漏电时,避免触电事故,故A正确;B.站在地上的人接触a点,人直接接触火线,人站在大地和火线之间,会发生触电事故;接触b点,是人接触零线不会触电,故B错误;C.火线与零线之间的电压为220V,火线与大地间的电压为也为220V,故C错误;D.b点所在的位置为零线,用测电笔正确接触b点,测电笔的氖管不会发光,故D错误。
故选A。
3.小明晚上做功课,把台灯插头插在书桌边的插座上,闭合台灯开关,发现台灯不亮。
为了找出故障原因,小明把台灯插头插入其他插座,发现台灯能正常发光,接着他用测电笔插入书桌边的插座插孔进行检查,发现其中一个孔能使测电笔的氖管发光,则台灯不亮的故障原因可能是()A.台灯灯丝烧断了B.他家空气开关“跳闸”了C.书桌边的插座与火线断开D.书桌边的插座与零线断开【答案】D【解析】【详解】A.若台灯灯丝烧断了,把台灯插头插入其他插座时,台灯不会发光,故A不符合题意;B.若空气开关“跳闸”了,把台灯插头插入其他插座时,台灯不会发光,故B不符合题意;C.若书桌边的插座与火线断开,不会使测电笔的氖管发光,故C不符合题意;D.若书桌边的插座与零线断开,该插座中接火线的插孔正常,能使氖管发光,此时台灯与书桌边的插座不能构成通路,则台灯不能发光,符合题意,故D符合题意。
一、初中物理家庭电路故障的分析问题1.随着家用电器的普及应用,“儿童安全插座”走入我们视线,“儿童安全插座”具有保护门双层互锁,当两级孔插入时,三孔依然处于封闭状态,能有效的防止触电事故的发生。
关于“儿童安全插座”下列说法正确的是()A.“儿童安全插座”上的开关接在火线上B.“儿童安全插座”白色保护门属于导体C.儿童触碰到“儿童安全插座”的白色安全门,电路就自动连通D.若“儿童安全插座”发生短路,家庭电路中的其它用电器仍能正常工作【答案】A【解析】【详解】A.家庭电路中开关是接在火线上的,所以说“儿童安全插座”上的开关接在火线上,A正确;B.“儿童安全插座”白色保护门是橡胶制成的,属于绝缘体,B错误;C.儿童触碰到“儿童安全插座”的白色安全门,保护门双层互锁,电路不会连通,C错误;D.若“儿童安全插座”发生短路,由于家庭电路中的其它用电器是并联的,其它用电器不能正常工作,D错误。
2.如图是某同学家中的部分电路,开始时各部分工作正常,将电饭煲的插头插入电源的三孔插座后,正在烧水的电热壶突然不能工作、灯泡也熄灭了,拔出电饭煲的插头,电热壶仍不能工作,把测电笔分别插入插座的左、右孔,氖管均发光。
下列说法正确的是()A.和灯泡连接的开关接法正确B.一定是B、D两点间经电热壶所在的电路部分出现短路C.C、D两点间零线断路D.入户零线至C点间导线断路【答案】C【解析】【详解】A.开关应连接在火线与灯泡之间,而由图示知,开关接在灯泡与零线间,故A错误;B.由题意知,拔出插头后,电灯能工作,若电路中出现短路,则保险丝会烧毁或空气开关跳闸,即使拔出电饭煲的插头,灯泡也不会再发光,故B错误;CD.由以上分析知,电路中不会出现短路,那么是电路出现了部分断路,而拔出插头后,测电笔插入插座的左右孔,氖管均发光,说明出现火线没断开,断开的是零线,而灯泡后来能发光,则入户零线到C点间没有断开,断开的应是C、D间的零线。
故C正确,D错误。
一、初中物理家庭电路故障的分析问题1.如图所示的是一个电热器电路。
电热丝、指示灯、开关构成串联电路,接在电源上,已知该电路中有一个元件断路,有一个元件短路,但不知道是哪两个有故障,今用一个校验电灯分别接在各处,得到下表所示的结果,根据表格内容可判断()校验次数123456校验电灯接入点a、f a、b c、d e、f a、d c、f发光情况正常发光不发光亮度较暗不发光亮度较暗正常发光A.开关断路,指示灯短路B.指示灯断路,电热丝短路C.电热丝断路,开关短路D.指示灯断路,开关短路【答案】A【解析】【详解】校验电灯接在af点,正常发光,说明该灯直接接在电源上,说明这两点之间有开路;校验电灯接在ab点,不发光,说明该灯短路,或从a点到电源或b点到电源有开路;校验电灯接在cd点,亮度较暗,说明该灯与其它用电器串联接入电路,说明cd两点之间有开路;校验电灯接在ef点,不发光,说明该电热丝短路,或从e点到电源或f点到电源有开路;校验电灯接在ad点,亮度较暗,说明该灯与其它用电器串联接入电路,说明ad两点之间有开路;校验电灯接在cf点,正常发光,说明该灯直接接在电源上,指示灯短路;综合分析,断路的元件是开关,短路的元件是指示灯。
故选A。
2.如图所示,闭合开关S后,发现电灯L不亮,且保险丝没有熔断.用试电笔测试灯头的两端C、D,发现这两处都能使试电笔的氖管发光,再用试电笔测试B处氖管不发光.若电路中只有一处故障,则()A.AC段某处断路B.BD段某处断路C.电灯L断路D.电灯L短路【答案】B【解析】【分析】【详解】AC段某处断路时,则试电笔接触D点时,氖管不发光,故A错误;BD段某处断路,则试电笔接触CD点时,氖管发光,接触B点时不发光,故B正确;电灯L断路,则试电笔接触D点时,氖管不发光,故C错误;D、电灯L短路,则电源短路,电路中电流过大,保险丝会熔断,与题意不符,故D错误;故应选B。
3.下列关于生活用电常识,正确的是()A.发现有人触电时,应立即用手将触电者拉开B.控制电灯的开关应该接在火线和灯泡之间C.空气开关跳闸,一定是电路中用电器的总功率过大D.正常使用测电笔检测线路时,没有电流通过人体【答案】B【解析】【分析】【详解】A.发现有人触电应该先切断电源,不能直接用手拉开,否则施救者也会触电。
一、初中物理家庭电路故障的分析问题1.如图所示为某家庭部分电路示意图。
在三孔插座上刚插上电热烧水壶(开关未闭合)的插头时,保险丝e熔断,家中其他用电器都正常工作。
以下叙述正确的是()A.造成该故障的原因可能是电热烧水壶开关被短路了B.保险丝熔断后,应立即更换新保险丝,恢复供电C.保险丝e熔断后,用测电笔测试两孔插座的左右两孔,只有测右孔时氖管发光D.在选择保险丝的规格时(以保险丝e为例),保险丝e熔断所需的电流应小于空调的额定电流【答案】C【解析】【分析】【详解】A.在三孔插座上刚插上电热烧水壶(开关未闭合)的插头时,保险丝e熔断,说明与空调相连的线路被短路或空调的功率过大,或者保险丝的额定电流过小,故A错误;B.保险丝熔断后,应查明保险丝熔断的原因,故障修复后再更换新保险丝,恢复供电,故B错误;C.空调和两孔插座是并联的,能独立工作,互不影响,保险丝e熔断后,空调不能工作,对两孔插座没有影响,再根据左零右火的原则,则只有测右孔时氖管发光,故C正确;D.在选择保险丝的规格时(以保险丝e为例),保险丝e熔断所需的电流应略大于空调的额定电流,故D错误。
故选C。
2.小明同学想在家里安装一盏照明灯,如图所示是他设计的电路。
图中虚线框1和2应连入开关和电灯,则开关应装在_______方框中(填“1”或“2”)。
安装完毕后,闭合开关,电灯正常发光,当他把“220V 8W”的台灯插头插入插座后,闭合台灯开关,电灯熄灭,发生这一现象的原因可能是_________短路。
(选填序号①插座处②台灯插头处③台灯开关处④台灯灯头处)【答案】1;④。
【解析】【详解】[1]保险丝接在火线上,说明上面的线为火线,下面的线的零线,开关接在保险丝和灯泡之间,即位置1接开关,位置2接灯泡;[2]当把台灯插头插入插座后,闭合台灯开关,电灯熄灭,发生这一现象的原因可能是台灯灯头处短路,没有电流流过灯泡,电灯熄灭。
3.如图所示为一盏台灯的电路示意图,当把台灯接入电路时,为了安全,应将台灯插头的_______(选填“C”或“D”)插脚接火线,该灯泡正常工作一段时间后,灯丝热得发红,而与之相连的导线却几乎不发热,这说明电流通过导体时产生的热量与________有关.若闭合S该灯泡不能发光且电路中的空气开关跳闸,则电路故障可能是灯泡___________ .【答案】D 电阻短路【解析】【分析】家庭电路中,开关与火线连接,通过焦耳定律分析电路电热,电路中不能接入大功率用电器,不能出现短路情况。
一、初中物理家庭电路故障的分析问题1.如图所示的是一个电热器电路。
电热丝、指示灯、开关构成串联电路,接在电源上,已知该电路中有一个元件断路,有一个元件短路,但不知道是哪两个有故障,今用一个校验电灯分别接在各处,得到下表所示的结果,根据表格内容可判断()校验次数123456校验电灯接入点a、f a、b c、d e、f a、d c、f发光情况正常发光不发光亮度较暗不发光亮度较暗正常发光A.开关断路,指示灯短路B.指示灯断路,电热丝短路C.电热丝断路,开关短路D.指示灯断路,开关短路【答案】A【解析】【详解】校验电灯接在af点,正常发光,说明该灯直接接在电源上,说明这两点之间有开路;校验电灯接在ab点,不发光,说明该灯短路,或从a点到电源或b点到电源有开路;校验电灯接在cd点,亮度较暗,说明该灯与其它用电器串联接入电路,说明cd两点之间有开路;校验电灯接在ef点,不发光,说明该电热丝短路,或从e点到电源或f点到电源有开路;校验电灯接在ad点,亮度较暗,说明该灯与其它用电器串联接入电路,说明ad两点之间有开路;校验电灯接在cf点,正常发光,说明该灯直接接在电源上,指示灯短路;综合分析,断路的元件是开关,短路的元件是指示灯。
故选A。
2.如图是某同学家中的部分电路,开始时各部分工作正常,将电饭煲的插头插入电源的三孔插座后,正在烧水的电热壶突然不能工作,但电灯仍正常发光拔出电饭煲的插头,电热壶仍不能工作,把测电笔分别插入插座的左、右孔,氖管均能发光.则可以判断出电路的故障是()A.电热壶所在电路的B、D两点间断路B.插座的接地线断路C.电路的C、D两点间导线断路D.电路的A、B两点间导线断路【答案】C【解析】【分析】【详解】正在烧水的电热壶突然不能工作,但电灯仍正常工作,说明电路中不能出现短路,否则保险丝烧毁,用电器都不能正常工作,所以电路中出现断路现象;电灯仍正常工作,说明A 点左侧,C点左侧都没出现断路现象,而把测电笔分别插入插座的左、右插孔,氖管均能发光,说明火线没有断路,零线断路了,且是在C、D之间导线断路.3.如图所示,闭合开关S后,发现电灯L不亮,且保险丝没有熔断.用试电笔测试灯头的两端C、D,发现这两处都能使试电笔的氖管发光,再用试电笔测试B处氖管不发光.若电路中只有一处故障,则()A.AC段某处断路B.BD段某处断路C.电灯L断路D.电灯L短路【答案】B【解析】【分析】【详解】AC段某处断路时,则试电笔接触D点时,氖管不发光,故A错误;BD段某处断路,则试电笔接触CD点时,氖管发光,接触B点时不发光,故B正确;电灯L断路,则试电笔接触D点时,氖管不发光,故C错误;D、电灯L短路,则电源短路,电路中电流过大,保险丝会熔断,与题意不符,故D错误;故应选B。
一、初中物理家庭电路故障的分析问题1.如图所示为某家庭卫生间电路,闭合开关S,电灯正常发光,在三线插座上刚插上电热水器的插头时,所有用电器都停止工作,拔出电热水器的插头后,检查发现零线上的熔丝断了。
则下列分析合理的是()A.闭合S,用测电笔检测三线插座左右的两个孔,氖管都发光B.闭合S,用测电笔检测三线插座左右的两个孔,氖管都不发光C.断开S,用测电笔检测三线插座左右的两个孔,氖管都发光D.断开S,用测电笔检测三线插座左右的两个孔,氖管都不发光【答案】A【解析】【详解】AB.闭合S,用测电笔检测三线插座左边的孔,电流从火线流出,流过开关,再流过灯泡,由于零线上的熔丝断了,电流只能往右边流,流过三线插座左边的孔,再流过测电笔,流入大地,所以这时氖管能发光;用测电笔检测三线插座右边的孔,电流从火线流出,流过三线插座右边的孔,再流过测电笔,流入大地,所以这时氖管能发光;综上所述,氖管都发光,A正确、B错误;CD.断开S,那么没有电流流过三线插座左边的孔,即使用测电笔检测三线插座左边的孔,氖管也不能发光;但当用测电笔检测三线插座右边的孔,电流从火线流出,流过三线插座右边的孔,再流过测电笔,流入大地,所以这时氖管能发光;C、D错误。
2.如图所示为某家庭卫生间电路,电灯和电热器都在正常工作。
在三线插座上刚插上洗衣机(开关未闭合)的插头时,所有用电器都停止工作,拔出洗衣机的插头后,用测电笔测试三线插座的左右两孔,氖管都发光,发现有一根熔丝熔断了。
下列分析不合理的是()A.一定是零线上的熔丝熔断了B.断开S1、S2,再用测电笔检测三线插座的左右两孔,氖管都发光C.只断开S1,再用测电笔检测开关S2的两个接线柱,氖管都发光D.只断开S2,再用测电笔检测开关S1的两个接线柱,氖管都发光【答案】B【解析】【详解】A.在插上洗衣机(开关未闭合)的插头前,电灯和电热器都在正常工作,在插上洗衣机(开关未闭合)的插头,所有用电器都停止工作,说明电路中干路上有断路,测电笔测试插座的两孔,氖管都发光,说明两孔与火线是连通的,故只可能是零线断了,故A正确,不符合题意;B.断开S1、S2,再用测电笔检测三线插座的左右两孔,只有右孔与火线相连,氖管发光,左孔与火线不相连,氖管不会发光,故B不正确,符合题意;C.只断开S1,开关S2的上下接线柱都与火线相连,测电笔的氖管发光,故C正确,不符合题意;D.只断开S2,开关S1的上下接线柱都与火线相连,测电笔的氖管发光,故D正确,不符合题意。
一、初中物理家庭电路故障的分析问题1.小明家新购住房刚装修完毕,家中部分照明电路如图所示,验收工程时,断开其它所有用电器后,闭合开关S,白炽灯L亮了一段时间后熄灭了,他用测电笔分别测试了图中插座的两个孔,发现测电笔都发光(假如故障只有一处);接着断开开关S,再次用测电笔测试插座的两个孔时,下列说法正确的是( )A.测试两孔时测电笔都不发光B.测试两孔时只有b孔让测电笔发光C.故障是灯泡L断路D.故障是熔断器断开【答案】B【解析】【分析】【详解】闭合了开关S(家中其他用电器均处于断开状态),白炽灯L亮了一段时间后熄灭了,说明灯泡、火线和零线不能构成通路。
可能是火线断路,可能是零线断路。
灯泡熄灭后,用测电笔分别测试了图中插座的两个孔,发现测电笔都发光。
说明左孔和右孔都和火线相连,则火线无故障,灯泡亮了一段时间后熄灭,只能是因为图中的零线断路。
当断开开关时,切断了左孔和火线的连接,所以测电笔接触左孔时,氖管不会再发光。
测电笔接触右孔时,氖管照常发光。
故选B。
2.教室中有一台空调和多盏标有“220V 18W”的电灯,其中黑板前方的电灯L1和L2由一个开关S单独控制,如图所示。
(1)请用笔画线表示导线,将电灯L1、L2和开关S接入电路中,使两灯都能正常发光(______)。
(2)当打开空调时,空气开关“跳闸”。
出现这种现象的原因可能是______。
用电器总功率过大【解析】【分析】【详解】(1)[1]教室的电灯之间互不影响是并联的,且电灯L1和L2由一个开关S单独控制,为了电路安全,控制电灯的开关接在火线一侧,如图所示(2)[2]当电路电流过大时,为了保护电路,空气开关跳闸,造成电路电流过大的原因可能是电路某处短路或者用电器总功率过大;当打开空调时,空气开关“跳闸”,出现这种现象的原因可能是电路用电器总功率过大。
3.如图所示的家庭电路,当闭合开关时,发现电灯不亮。
若原因是图中打“x”的位置发生了断路。
则在开关闭台的情况下,用测电笔测试电路中A点时,测电笔氖管________(选填“会“或“不会”)发光。
一、初中物理家庭电路故障的分析问题1.小华在位如图所示的实验时,闭合开关S,两灯均发光,过了一会儿,灯L1突然熄灭,他发现一个电表的示数变大,另一个电表的示数变小。
他将灯L1、L2位置互换,再次闭合开关S,观察到两个电表均无示数,若电路只有一处故障,且只发生在灯L1或L2上,则一定是()A.灯L1断路B.灯L1短路C.灯L2短路D.灯L2断路【答案】A【解析】【详解】由电路图知,两只灯泡串联,电压表测量灯泡L1两端的电压,电流表测量通过电路的电流;A.如果灯L1断路,两灯都不能发光,电流表示数减小为零,电压表示数增大;将灯L1、L2位置互换后,整个电路断路,所以电流表、电压表指针均不动,故A符合题意;B.如果灯泡L1短路,L1不能发光,电流表示数增大,电压表示数减小;将两只灯泡互换位置后,电流表指针偏转,电压表指针也偏转,故B不符合题意;C.如果灯泡L2短路,电流表、电压表示数都增大,故C不符合题意;D.如果灯泡L2断路,整个电路断路,所以电流表、电压表指针均为0,故D不符合题意。
2.晚上小明在家复习功课准备迎接期末考试,突然他房间的电灯不亮了,而其他房间的电灯正常亮。
由此他确定这盏电灯与其他房间的电灯是______联,经检查故障出现在灯丝,则这盏电灯的灯丝出现______(选填“短路”或“断路”),小明决定换一个新灯泡。
他先将控制该灯的开关断开,为了安全,又找来了测电笔检测灯头的两根接线,发现其中一根线使氖管发光,这一现象说明该电灯连成了如上图_______(选填“A”或“B”)的情况,这种情况_______(选填“容易”或“不容易”)触电。
【答案】并断路 B 容易【解析】【详解】[1]他房间的电灯不亮了,而其他房间的电灯正常亮,说明两灯互不影响,故两电灯应为并联。
[2]灯泡若短路则整个电路短路,触发空气开关断开,房间均会断电,而现在只有灯泡不亮,说明灯泡断路。
[3][4]若接触灯头时氖管发光,说明灯头直接与火线相连了,即开关装在了零线上,即接成了B图,此种接法使灯泡在断开开关后仍带电,容易造成触电事故。
一、初中物理家庭电路故障的分析问题1.如图所示,闭合开关S后,发现电灯L不亮,且保险丝没有熔断.用试电笔测试灯头的两端C、D,发现这两处都能使试电笔的氖管发光,再用试电笔测试B处氖管不发光.若电路中只有一处故障,则()A.AC段某处断路B.BD段某处断路C.电灯L断路D.电灯L短路【答案】B【解析】【分析】【详解】AC段某处断路时,则试电笔接触D点时,氖管不发光,故A错误;BD段某处断路,则试电笔接触CD点时,氖管发光,接触B点时不发光,故B正确;电灯L断路,则试电笔接触D点时,氖管不发光,故C错误;D、电灯L短路,则电源短路,电路中电流过大,保险丝会熔断,与题意不符,故D错误;故应选B。
2.小明家火线上的熔丝熔断,小明检查时,断开所有的开关,将一只完好的白炽灯L接到图示位置;下列说法正确的是()A.只闭合S、S1,若灯L正常发光,说明L1支路无故障B.只闭合S、S2,若灯L正常发光,说明L2支路短路C.只闭合S、S1,若灯L发光较暗,说明L1支路断路D.只闭合S、S2,若灯L不发光,说明L2支路短路【答案】B【解析】【分析】【详解】A.只闭合S、S1,若灯L正常发光,灯泡两端的电压为电源电压,说明L1支路短路,故A 错误;B.只闭合S、S2,若灯L正常发光,灯泡两端的电压为电源电压,说明L2支路短路,故BC.只闭合S、S1,若灯L发光较暗,表示检验灯泡与另一灯泡串联接在火线与零线之间,这是一正常现象,故C错误;D.只闭合S、S2,若灯L不发光,表示该电路中有断路现象,说明L2支路断路,故D错误。
故选B。
3.如图所示,是正确连接的家庭电路的一部分,下列说法正确的是()A.电冰箱的插头插入三孔插座能使电冰箱的外壳与大地连接B.站在地上的人接触a点或b点都会触电C.导线A与大地间的电压为0VD.用测电笔正确接触b点,测电笔的氖管会发光【答案】A【解析】【分析】【详解】A.电冰箱的插头插入三孔插座能使电冰箱的外壳与大地连接,当用电器漏电时,避免触电事故,故A正确;B.站在地上的人接触a点,人直接接触火线,人站在大地和火线之间,会发生触电事故;接触b点,是人接触零线不会触电,故B错误;C.火线与零线之间的电压为220V,火线与大地间的电压为也为220V,故C错误;D.b点所在的位置为零线,用测电笔正确接触b点,测电笔的氖管不会发光,故D错误。
一、初中物理家庭电路故障的分析问题1.电工修理如图所示的照明电路时,发现电灯R不亮,用测电笔测试C、D后,发现这两处都能使氖管发光,而测试A、B两点时,只有A点氖管发光,则故障可能发生在()A.AC段B.CD段C.电灯R短路D.BD段【答案】D【解析】【详解】A.假设AC段断路,用测电笔测试C后,没有电流流过氖管,氖管不会发光,这与题意不符合,所以AC段不会断路,故障不可能发生在AC段,A项不合题意;BC.假设CD段断路,那么电灯R不亮,用测电笔测试C,氖管能够发光,但是用测电笔测试D,没有电流流过氖管,氖管不会发光,这与题意不符合,所以CD段不会断路;假设CD段短路,那么电灯R不亮,用测电笔测试C、D后,这两处都能使氖管发光,而测试A、B两点时,这两处都能使氖管发光,这与题意不符合,所以CD段不会短路,即电灯R 不会短路;综上所述,故障不会发生在CD段,电灯R也不会短路,B、C项不合题意;D.假设BD段断路,那么电灯R不亮,用测电笔测试C、D后,这两处都能使氖管发光,测试A、B两点时,A点氖管能发光,B点氖管不能发光,这与题意相符合,所以故障可能是BD段断路;选项D符合题意;故选D。
2.小刚晚上做作业时,把台灯的插头插入插座,闭合台灯开关后,他家所有的照明灯都突然熄灭,检查发现总开关已跳闸,故障可能是()A.台灯插头处出现了短路B.台灯灯泡处出现了短路C.台灯开关的两接线碰线D.插座处出现了短路【答案】B【解析】【分析】【详解】A.如果是台灯插头处出现了短路,不闭合开关,也会跳闸,故A不符合题意;B.如果台灯灯泡处出现了短路,则闭合开关时才会短路电源,故B符合题意;C.如果台灯开关的两接线碰线,闭合开关,两接线必须相碰,这是正常的现象,故C不符题意;D.如果插座处出现了短路,不插台灯,电源也会被短路,故D不符题意。
故选B。
3.小明家火线上的熔丝熔断,小明检查时,断开所有的开关,将一只完好的白炽灯L接到图示位置;下列说法正确的是()A.只闭合S、S1,若灯L正常发光,说明L1支路无故障B.只闭合S、S2,若灯L正常发光,说明L2支路短路C.只闭合S、S1,若灯L发光较暗,说明L1支路断路D.只闭合S、S2,若灯L不发光,说明L2支路短路【答案】B【解析】【分析】【详解】A.只闭合S、S1,若灯L正常发光,灯泡两端的电压为电源电压,说明L1支路短路,故A 错误;B.只闭合S、S2,若灯L正常发光,灯泡两端的电压为电源电压,说明L2支路短路,故B 正确;C.只闭合S、S1,若灯L发光较暗,表示检验灯泡与另一灯泡串联接在火线与零线之间,这是一正常现象,故C错误;D.只闭合S、S2,若灯L不发光,表示该电路中有断路现象,说明L2支路断路,故D错误。
一、初中物理家庭电路故障的分析问题1.如图所示,闭合开关S后,发现电灯L不亮,且保险丝没有熔断.用试电笔测试灯头的两端C、D,发现这两处都能使试电笔的氖管发光,再用试电笔测试B处氖管不发光.若电路中只有一处故障,则()A.AC段某处断路B.BD段某处断路C.电灯L断路D.电灯L短路【答案】B【解析】【分析】【详解】AC段某处断路时,则试电笔接触D点时,氖管不发光,故A错误;BD段某处断路,则试电笔接触CD点时,氖管发光,接触B点时不发光,故B正确;电灯L断路,则试电笔接触D点时,氖管不发光,故C错误;D、电灯L短路,则电源短路,电路中电流过大,保险丝会熔断,与题意不符,故D错误;故应选B。
2.如图所示为某家庭卫生间电路,电灯和电热器都在正常工作。
在三线插座上刚插上洗衣机(开关未闭合)的插头时,所有用电器都停止工作,拔出洗衣机的插头后,用测电笔测试三线插座的左右两孔,氖管都发光,发现有一根熔丝熔断了。
下列分析不合理的是()A.一定是零线上的熔丝熔断了B.断开S1、S2,再用测电笔检测三线插座的左右两孔,氖管都发光C.只断开S1,再用测电笔检测开关S2的两个接线柱,氖管都发光D.只断开S2,再用测电笔检测开关S1的两个接线柱,氖管都发光【答案】B【解析】【详解】A.在插上洗衣机(开关未闭合)的插头前,电灯和电热器都在正常工作,在插上洗衣机(开关未闭合)的插头,所有用电器都停止工作,说明电路中干路上有断路,测电笔测试插座的两孔,氖管都发光,说明两孔与火线是连通的,故只可能是零线断了,故A正确,不符合B.断开S1、S2,再用测电笔检测三线插座的左右两孔,只有右孔与火线相连,氖管发光,左孔与火线不相连,氖管不会发光,故B不正确,符合题意;C.只断开S1,开关S2的上下接线柱都与火线相连,测电笔的氖管发光,故C正确,不符合题意;D.只断开S2,开关S1的上下接线柱都与火线相连,测电笔的氖管发光,故D正确,不符合题意。
故选B。
3.有一次,小华在将台灯插头插入家庭电路的插座时,室内电灯突然全部熄灭,原因可能是()A.插头与插座接触不良B.台灯的灯丝断了C.台灯的灯座内短路D.台灯的插头内短路【答案】D【解析】【分析】电路中电流过大的原因:一是短路,二是用电器的总功率过大;这两种情况都会使保险丝烧断或跳闸,使家里的其它用电器停止工作。
【详解】AB.由于没有将台灯插头插入插座时,室内电灯都正常工作,因此室内电灯、插座等用电器均正常,故AB错误;C.当台灯灯座短路时,插头插入插座,只有再闭合开关时,才会出现电路中电流过大,烧断保险丝或跳闸,使室内电灯就全部熄灭的情况,若不闭合开关,不会出现上述情况,故C错误;D.当台灯或插头内短路,当插头插入插座时会使整个电路发生短路,使电路中电流过大,烧断保险丝或跳闸,使室内电灯就全部熄灭,故D正确。
故选D。
4.小林的爸爸给小林的书房装了一盏照明台灯。
学习了安全用电的知识后,小林为了验证爸爸安装的电路是否符合安全用电的原则,他断开开关,用测电笔接触灯座的两个接线柱时,氖管都发光,闭合开关,灯泡能正常发光,于是他推断爸爸在连接电路时所犯的错误是()A.灯座接触不良B.接灯泡的零线断路C.接灯泡的火线开路D.开关控制了零线【答案】D【解析】【分析】A.用测电笔测试灯座两接线柱,发现测电笔氖管发光,即灯泡与两端与火线和零线相连是好的,闭合开关,灯泡能正常发光,说明电流能从火线流向灯泡两端流回零线,故灯座没有问题,故A不符合题意;BCD.用测电笔测试灯座两接线柱,发现测电笔氖管发光,即灯泡与两端与火线和零线相连是好的,闭合开关,灯泡能正常发光,说明了开关与零线相连接了,开关应该控制火线,故BC不符合题意,D符合题意。
故选D。
5.小明家新购住房刚装修完毕,家中部分照明电路如图所示,验收工程时,断开其它所有用电器后,闭合开关S,白炽灯L亮了一段时间后熄灭了,他用测电笔分别测试了图中插座的两个孔,发现测电笔都发光(假如故障只有一处);接着断开开关S,再次用测电笔测试插座的两个孔时,下列说法正确的是( )A.测试两孔时测电笔都不发光B.测试两孔时只有b孔让测电笔发光C.故障是灯泡L断路D.故障是熔断器断开【答案】B【解析】【分析】【详解】闭合了开关S(家中其他用电器均处于断开状态),白炽灯L亮了一段时间后熄灭了,说明灯泡、火线和零线不能构成通路。
可能是火线断路,可能是零线断路。
灯泡熄灭后,用测电笔分别测试了图中插座的两个孔,发现测电笔都发光。
说明左孔和右孔都和火线相连,则火线无故障,灯泡亮了一段时间后熄灭,只能是因为图中的零线断路。
当断开开关时,切断了左孔和火线的连接,所以测电笔接触左孔时,氖管不会再发光。
测电笔接触右孔时,氖管照常发光。
故选B。
6.关于家庭电路,下列说法正确的是()A.空气开关“跳闸”的原因可能是用电器发生了短路B.使用试电笔时,手不要接触笔尾金属体,以免触电C.没有三孔插座时,可将三脚插头的“长脚”去掉后再使用D.家庭电路中开关接在火线或零线上都可以【答案】A【解析】【详解】A.空气开关“跳闸”的原因可能是用电器发生了短路、也有可能是用电器总功率过大,A正确;B.使用试电笔时,手要接触笔尾金属体,这样才能正常使用试电笔,B错误;C.拥有三脚插头的用电器一般都有金属外壳,三脚插头的“长脚”是为了将用电器接入电路的同时把用电器的外壳与保护接地线连接起来,防止因外壳带电引发触电事故,所以不可将三脚插头的“长脚”去掉后再使用,C错误;D.根据家庭电路的连接方式,开关必须接在火线上,不能接在零线,D错误。
7.如图为某居民家中的电路,电灯L与电热壶均正常工作,关于此电路,下列说法正确的是()A.电热壶与电灯L串联B.若CD间断路,电热壶和电灯L仍能正常工作C.若AB间断路,电热壶和电灯L都不能工作D.用测电笔测试三孔插座的左孔,氖管不发光【答案】D【解析】【分析】【详解】A.由图知道,电热壶与电灯L是并联,故A错误;B.若CD间断路,灯泡相连的火线和零线正常,灯L仍正常发光;则三孔插座的左孔通过电热壶与火线连通,即左右两孔都与火线相连,电热壶会突然停止工作,故B错误;C.若AB间断路,灯泡相连的火线和零线正常,灯L仍正常发光;而电热壶会停止工作,故C错误;D.由图知道,三孔插座的左孔与零线是连通的,所以,用测电笔测试三孔插座的左孔,氖管不发光,故D正确。
故选D。
8.如图所示为某家庭部分电路示意图。
在三孔插座上刚插上电热烧水壶(开关未闭合)的插头时,保险丝e熔断,家中其他用电器都正常工作。
以下叙述正确的是()A.造成该故障的原因可能是电热烧水壶开关被短路了B.保险丝熔断后,应立即更换新保险丝,恢复供电C.保险丝e熔断后,用测电笔测试两孔插座的左右两孔,只有测右孔时氖管发光D.在选择保险丝的规格时(以保险丝e为例),保险丝e熔断所需的电流应小于空调的额定电流【答案】C【解析】【分析】【详解】A.在三孔插座上刚插上电热烧水壶(开关未闭合)的插头时,保险丝e熔断,说明与空调相连的线路被短路或空调的功率过大,或者保险丝的额定电流过小,故A错误;B.保险丝熔断后,应查明保险丝熔断的原因,故障修复后再更换新保险丝,恢复供电,故B错误;C.空调和两孔插座是并联的,能独立工作,互不影响,保险丝e熔断后,空调不能工作,对两孔插座没有影响,再根据左零右火的原则,则只有测右孔时氖管发光,故C正确;D.在选择保险丝的规格时(以保险丝e为例),保险丝e熔断所需的电流应略大于空调的额定电流,故D错误。
故选C。
9.“注意安全”是同学们日常生活中必须具有的意识,下列有关安全的说法错误的是()A.家庭电路中空气开关跳闸一定是发生了短路B.使用验电笔时,手必须接触笔尾金属部分C.雷雨天,人不能在高处打伞行走,否则可能会被雷击中D.如果发生触电事故,应立即切断电源,然后施救【答案】A【解析】【分析】(1)家庭电路中电流过大的原因是总功率过大和短路;(2)使用测电笔时,手必须接笔尾金属体;(3)雷电容易击中地面上尖端的突起物;(4)发现有人触电或电引起的火灾,首先切断电源。
【详解】A .家庭电路中空气开关跳闸,可能是发生了短路,也可能是用电器的总功率过大,故A 错误,符合题意;B .使用验电笔时,手必须接触笔尾金属部分,不能接触其笔尖部分,故B 正确,不符合题意;C .雷雨天打伞是很危险的,可能会被雷击,故C 正确,不符合题意;D .发生触电事故,切断电源是首先要做的,然后施救,故D 正确,不符合题意。
故选A 。
10.电冰箱起动时,与电冰箱并联的台灯变暗。
关于这一现象,下列说法中不正确的是( )A .进户线中电流变大B .线路中电阻变大C .线路中热损耗变大D .灯泡两端的电压变小【答案】B 【解析】 【分析】 【详解】A .当使用大功率的电冰箱时,电路中的总功率过大,家庭电路的电压一定,由P UI =可知,干路中的电流变大,故A 正确,不符合题意;B .因电冰箱和台灯是并联的,根据并联电路电阻的特点知,线路中的总电阻变小,故B 错误,符合题意;C .干路中的电流变大,由2Q I Rt =知,线路中的热损耗变大,故C 正确,不符合题意;D .因干路中的电流变大,由U IR =知,线路电阻分压变大,台灯两端的电压变小,所以台灯将变暗,故D 正确,不符合题意。
故选B 。
11.如图是小许家中关于家庭电路的几个器件:(1)如图(1)所示,该电能表的示数为_______kW·h;由表上铭牌可知,他家同时使用的用电器的功率最多只能为____________W;(2)如图(2)的两只白炽灯泡,若这两只灯泡灯丝的长度相同,则灯丝较粗的是________(甲/乙)灯,若将它们串联接在220V电源上,较亮的是_____(甲/乙)灯,它们的总功率_______(大于/等于/小于)25W;(3)如图(3)所示是测电笔的结构示意图。
其中属于绝缘体的是_________,当测电笔插入电源插座时氖管发光,则该插孔接的是________线;他将开关断开的台灯插头插入电源插座后,闭合台灯开关,干路中的保险丝立即熔断了,发生这种情况的最大可能是________ (插座/插头/开关/灯头)处有短路。
【答案】643.4 8800 乙甲小于塑料外壳火灯头【解析】【详解】(1)[1][2]从图1可以看到,该电能表的示数为643.4kW·h;由表上铭牌可知,电路中的电流最大只能是40A,电路电压是220V,则他家同时使用的用电器的功率最多只能为220V40A8800WP UI==⨯=;(2)[3]从图2可以看到,甲灯的电功率小于乙灯的,根据2URP=可知,甲灯的电阻大于乙灯的电阻,而两灯泡的灯丝材料相同,长度也相同,甲灯的电阻大,那么甲灯灯丝横截面积较小,即灯丝较粗的是乙灯;[4]若将它们串联接在220V电源上,串联电路电流处处相等,而甲灯的电阻较大,根据2P I R=可知,甲灯的功率较大,则甲灯较亮;[5]把它们串联后,电路的总电阻是大于甲灯的电阻的,根据2UPR=可知,电压都是220V,电路的总功率是小于甲灯的功率,即它们的总功率小于25W;(3)[6]从图3可以看到,测电笔的构造中,只有塑料外壳不容易导电,它是绝缘体;[7]根据测电笔的使用方法可知,当测电笔插入电源插座时氖管发光,则该插孔接的是火线;[8]假如插座、插头有短路现象,那么在没闭合台灯开关之前,保险丝就已经熔断了,所以不会是插座、插头短路;假如是开关短路,台灯是有电阻的,那么即使开关闭合,保险丝也不会熔断,所以不会是开关短路;假如是灯头短路,那么闭合开关后,电路中电流很大,保险丝会熔断,这符合题意。