图像质量主观评价
- 格式:doc
- 大小:47.00 KB
- 文档页数:3
图像质量评测与修复的算法研究概述:图像是我们生活中不可或缺的一部分,无论是在娱乐、通信、医疗还是安防领域,图像都扮演着重要的角色。
然而,由于各种因素的影响,图像可能会受到噪声、失真等问题的困扰,导致质量下降。
因此,图像质量评测与修复的算法研究变得至关重要。
本文将探讨图像质量评测与修复的算法研究的相关问题和挑战,并介绍一些目前常用的算法。
一、图像质量评测算法研究1. 主观评价方法主观评价方法是通过人工主观感觉来评估图像质量。
这种方法存在主观性强、不可重复和耗时较长等问题。
常用的方法有双向对比度度量、细节对比度度量和感知质量度量等。
其中,感知质量度量是目前比较广泛应用的方法,它可以根据人眼对图像细节和结构的感知特性来评估图像的质量。
2. 客观评价方法客观评价方法是通过使用计算机算法来自动评估图像质量。
这种方法能够提供快速和可重复的评估结果,但可能与人的主观感觉存在一定的差异。
常用的客观评价方法包括峰值信噪比(PSNR)、结构相似性指数(SSIM)和均方根误差(RMSE)等。
二、图像修复算法研究1. 基于频域的修复算法基于频域的修复算法主要利用图像的频谱特性进行修复。
常用的方法有频域滤波、小波变换和快速傅里叶变换等。
这些方法可以有效去除图像中的噪声,但在一些复杂的图像场景下可能无法很好地恢复图像的细节。
2. 基于时域的修复算法基于时域的修复算法主要利用图像的时域特性进行修复。
常用的方法有中值滤波、高斯滤波和双边滤波等。
这些方法可以较好地保留图像的细节特征,但在一些复杂的图像场景下可能会引入模糊或失真。
3. 基于深度学习的修复算法近年来,基于深度学习的修复算法得到了广泛的关注和研究。
这些算法可以通过大量的图像样本进行训练,从而学习到图像的特征和结构,实现更准确的图像修复。
常用的深度学习模型包括自编码器、生成对抗网络(GAN)和卷积神经网络(CNN)等。
三、算法研究的挑战与未来发展方向1. 复杂场景下的修复问题在一些复杂场景下,如低光照、多目标跟踪等情况下,传统的图像修复算法可能无法取得良好的效果。
图像质量评价指标研究一、引言图像质量评价是图像处理技术中的一个重要环节,通常用于评估图像处理算法的有效性、比较不同算法的优劣以及检测图像质量缺陷等。
目前,已经发展出多种图像质量评价指标,如均方误差(MSE)、峰值信噪比(PSNR)、结构相似性指数(SSIM)等。
本文将对这些图像质量评价指标进行深入研究和分析。
二、图像质量评价指标分类图像质量评价指标可分为主观评价和客观评价两类。
主观评价是通过人的主观视觉感受去评价图像质量的指标,客观评价是通过计算机处理来评价图像质量的指标。
1.主观评价指标主观评价指标是指通过人的主观视觉感受对图像的质量进行评估。
常用的主观评价方法有主观质量评估(Subjective Quality Assessment, SQA)和双重对比法(Double Stimulus Impairment Scale, DSIS)。
主观质量评估是将一组经过处理的图像与原始图像同时展示给受试者,然后根据受试者给出的主观评价分数来评估图像质量的方法。
该方法的缺点在于评价结果受到受试者个体差异的影响。
双重对比法是基于主观质量评估的基础上发展起来的一种方法。
该方法将经过处理的图像与原始图像同时展示给受试者,同时展示一张质量较低的图像,然后让受试者选择哪张图像的质量最高。
该方法可以消除受试者个体差异的影响,但是需要消耗大量的时间和人力物力。
2.客观评价指标客观评价指标是通过计算机处理来评价图像质量的指标,常用的客观评价方法有均方误差(Mean Square Error, MSE)、峰值信噪比(Peak Signal-to-Noise Ratio, PSNR)、结构相似性指数(Structural Similarity Index, SSIM)等。
均方误差是一种最简单的图像评价指标,计算方法为:MSE=∑i=1n∑j=1m(I[i,j]−K[i,j])2/nm其中,n和m分别为图像的宽度和高度,I[i,j]和K[i,j]为原始图像和处理后图像的像素值。
图像质量测评中的主观与客观评价方法研究图像质量测评是评估图像质量好坏的关键步骤,对于图像处理算法、图像压缩方法以及图像传输等领域具有重要意义。
主观评价和客观评价是目前常用的两种图像质量测评方法。
本文将深入探讨主观评价和客观评价方法的研究进展及应用情况。
1. 主观评价方法主观评价方法是通过人眼对图像质量进行主观判断,通常利用受试者对一系列已知品质图像进行排序或打分。
其中,绝对评价是最常用的方法之一,受试者需根据自己对图像质量的感知,对图像进行评分或排序。
主观评价方法具有较高的可信度,可以准确反映人眼对图像质量的主观感受,是评价图像质量的金标准。
在主观评价中,有许多常用的评价方法,如主观质量评分(Subjective Quality Assessment,SQ),主观比较评价(Subjective Comparison),以及主观排列评分(Subjective Ranking)。
其中,主观质量评分是最常用的方法之一,通过对图像质量进行打分,来判断不同品质图像之间的差异。
主观比较评价和主观排列评分则是通过对图像进行比较或排序,来判断图像的相对品质。
2. 客观评价方法客观评价方法通过计算机算法对图像进行分析,根据一系列图像特征或图像质量模型来评估图像质量。
客观评价方法具有高效、自动化等优势,可以减少主观评价的人力和时间成本。
目前,常用的客观评价方法包括结构相似性(Structural Similarity,SSIM)、峰值信噪比(Peak Signal-to-Noise Ratio,PSNR)、视觉感知质量度量算法(Visual Perception Quality Metrics,VPQM)等。
这些方法基于图像的特征提取,模拟人眼对图像的感知过程,通过不同的数学模型对图像进行评估。
其中,SSIM是一种基于图像结构相似性的客观评价方法,通过计算图像的亮度、对比度和结构三个方面的相似性来评估图像质量。
PSNR则是通过计算图像的峰值信噪比来评估图像质量,常用于无损压缩算法的评价。
图像质量评价综述摘要:图像质量评价是图像处理领域的研究热点。
本文综合论述了图像质量的主观和客观评价方法,就各自具体的实现方法做了简要的介绍,并分析了各自适用性和存在的问题。
最后进而根据发展趋势和应用需求,对图像质量评价方法的进一步发展提出了若干技术与研究方向的展望。
[关键字]图像质量评价人类视觉系统结构相似度全参考评价部分参考评价无参考评价[abstract]Image quality assessment (IQA) is a hot research area in the field of image processing. In this paper, we discuss the subjective and objective assessment methods of image quality, respectively give a brief introduction of their specific implementation method, and analyses the respective applicability and problems. Finally, the further development of the technology and research directions of the future are proposed based on the trends and application requirements.[keywords]Image Quality Assessment(IQA) Human Visual System(HVS) Structural similarity Full Reference(FR) Reduced Reference(RR) No Reference(NR),一.引言图像是人类获取信息的重要途径,其所承载的信息远比其它形式的信息更贴切、更丰富。
图像处理中的图像质量评价算法图像处理是计算机视觉领域中的热门技术之一,其主要目的是对数字图像进行处理和分析,以提取有用的信息,改善图像的质量或实现特定的任务。
在实际应用中,我们经常需要对图像进行质量评价,以衡量处理结果的好坏。
本文将介绍图像质量评价算法中的一些常见方法和技术。
一、人眼主观评价法人眼是最常用的图像质量评价工具之一。
在这种方法中,根据受试者的主观感受,评估图像的质量。
通常,受试者会被要求将图像分为五个等级:极佳、好、一般、差、极差。
然后,将受试者的评分进行统计和分析,获得最终的质量评估结果。
人眼主观评价法的优点是易于理解和使用,可以得到比较准确的结果。
但是,它需要大量的人力和时间,并且只能得到一个相对的质量评估结果,缺乏客观性。
二、均方误差法均方误差法是一种经典的图像质量评价方法,早在上世纪50年代就被广泛应用于图像处理领域。
其核心思想是比较原始图像和处理后的图像之间的像素值之差。
均方误差可以通过以下公式计算:MSE = 1/N * ∑(i=1 to N) (xi-yi)^2其中,N代表像素数目,xi和yi分别表示原始图像和处理后图像中的像素值。
均方误差法的优点是计算简单,易于实现。
但是,它没有考虑视觉系统的感知差异,有时不能反映出人眼的真实感受。
三、结构相似性指数(SSIM)法结构相似性指数(SSIM)是一种模拟人眼感知过程的图像质量评价方法,可以更好地反映人类视觉的敏感性和感知机制。
其基本原理是通过比较两张图像之间的结构相似性来评估图像质量,其中结构相似性是指一组窗口像素之间的互相关系数。
SSIM指数可以通过以下公式计算:SSIM(x,y) = [l(x,y)*c(x,y)*s(x,y)] ^ α其中,l(x,y)、c(x,y)、s(x,y)分别表示亮度、对比度和结构相似性,α是一个权重参数。
SSIM法的优点是可以更好地反映人眼的感知结果,并且与其他评价方法相比,结果更具有客观性和可重复性。
图像处理中的图像质量评价与图像增强技术研究图像处理是一门研究如何利用计算机技术对图像进行处理和分析的学科。
在现代社会中,图像处理技术已经广泛应用于各个领域,如医学影像分析、远程感知、计算机视觉等。
然而,在图像处理的过程中,图像质量评价和图像增强技术是两个重要的问题。
本文将从图像质量评价和图像增强技术两个方面,来探讨图像处理中的相关研究内容。
一、图像质量评价图像质量评价是图像处理中常用的一个重要指标,它可以用来评价图像的清晰度、对比度和色彩等特征。
图像质量评价的目的是帮助我们找出图像中存在的问题,以便进一步采取措施对图像进行处理和修复。
1. 主观评价主观评价是人眼对图像质量的直观感受。
在主观评价中,一些训练有素的观察者被要求对一组图像进行评价,然后通过统计分析得到图像的质量评分。
主观评价的优点是能够真实地反映人眼对图像的感受,但其缺点在于评分的主观性和人为因素的干扰。
2. 客观评价客观评价是利用计算机算法对图像进行分析和评价。
常用的客观评价方法包括均方根误差(MSE)、峰值信噪比(PSNR)和结构相似性指标(SSIM)等。
这些评价指标可以通过计算图像的差异性来得到图像质量评分,客观评价的优点在于能够自动化地进行评价,但其缺点是无法完全代表人眼对图像的感受。
二、图像增强技术图像增强技术是指通过各种算法和方法对图像进行处理,以改善图像的质量和细节。
图像增强技术的目的是使图像更加清晰、锐利、对比度更高和色彩更鲜艳。
1. 空域增强技术空域增强技术是指在图像的像素级别上进行处理,包括直方图均衡化、空间滤波和锐化等。
其中,直方图均衡化是一种常用的增强技术,它通过对图像的像素值进行线性变换,使图像的直方图分布更均匀,从而增加图像的对比度和细节。
2. 频域增强技术频域增强技术是指将图像从空域转换到频域进行处理,然后再将图像转换回空域。
其中,快速傅里叶变换(FFT)和小波变换是常用的频域增强技术。
通过对图像的频谱进行分析和处理,可以改善图像的细节和对比度。
mr图像质量评价标准在数字图像处理和计算机视觉领域,图像质量评价是一项非常重要的工作。
在实际应用中,我们需要对图像的质量进行客观的评价,以便于选择合适的图像处理方法和算法,保证图像的清晰度和准确性。
本文将介绍一些常见的图像质量评价标准,帮助大家更好地理解图像质量评价的方法和原理。
首先,图像质量评价的标准可以分为主观评价和客观评价两种。
主观评价是指通过人眼观察和感知来评价图像的质量,这种评价方法具有一定的主观性和不确定性,但是可以反映出人类的真实感知。
客观评价则是通过计算机算法和数学模型来评价图像的质量,这种评价方法更加客观和准确,可以得到定量的评价结果。
常见的图像质量评价指标包括,峰值信噪比(PSNR)、结构相似性指标(SSIM)、均方误差(MSE)、感知质量评价指标(PQI)等。
这些指标可以从不同的角度评价图像的质量,如清晰度、对比度、色彩饱和度等方面。
在实际应用中,我们可以根据具体的需求选择合适的评价指标,综合考虑图像的各个方面特征。
PSNR是衡量图像重建质量的常用指标,它可以用来评价图像的失真程度。
PSNR值越高,表示图像的失真程度越小,质量越好。
SSIM是一种结构相似性指标,它可以评价图像的结构信息损失程度,对于一些结构比较重要的图像,SSIM指标更能反映出图像的质量。
MSE是均方误差,它可以评价图像的像素级别的差异,对于一些细节比较重要的图像,MSE指标更能反映出图像的质量。
PQI是感知质量评价指标,它可以从人类感知的角度评价图像的质量,更能反映出人类的真实感知。
总的来说,图像质量评价是一个非常重要的工作,它可以帮助我们选择合适的图像处理方法和算法,保证图像的清晰度和准确性。
在实际应用中,我们可以根据具体的需求选择合适的评价指标,综合考虑图像的各个方面特征,以便于得到准确的评价结果。
希望本文介绍的图像质量评价标准可以帮助大家更好地理解图像质量评价的方法和原理,为实际应用提供参考。
图像质量主观评价与客观评价一、概述在图像信息技术被广泛应用的情况下,对图像质量的评估变成一个广泛而基本的问题。
由于图像信息相对于其它信息有着无可比拟的优点,因此对图像信息进行合理处理成为各领域中不可或缺的手段。
在图像的获取、处理、传输和记录的过程中,由于成像系统、处理方法、传输介质和记录设备等不完善,加之物体运动、噪声污染等原因,不可避免地带来某些图像失真和降质,这给人们认识客观世界、研究解决问题带来很大的困难。
比如,在图像识别中,所采集到的图像质量直接影响识别结果的准确性和可靠性;又如,远程会议和视频点播等系统受传输差错、网络延迟等不利因素影响,都需要在线实时的图像质量监控,以便于服务提供商动态地调整信源定位策略,进而满足服务质量的要求;在军事应用方面,战场监视和打击评估的效果也取决于无人机等航拍设备所采集到的图像或视频的质量。
因此,图像质量的合理评估具有非常重要的应用价值。
从有没有人参与的角度区分,图像质量评价方法有主观评价和客观评价两个分支。
主观评价以人作为观测者,对图像进行主观评价,力求能够真实地反映人的视觉感知;客观评价方法借助于某种数学模型,反映人眼的主观感知,给出基于数字计算的结果。
图像质量的主观评价主观评价只涉及人作出的定性评价,它以人为观察者,对图像的优劣作出主观的定性评价。
对于观察者的选择一般考虑未受训练的“外行”或者训练有素的“内行”。
该方法是建立在统计意义上的,为保证图像主观评价在统计上有意义,参加评价的观察者应该足够多。
主观评价方法主要可分为两种:绝对评价和相对评价。
1 绝对评价所谓绝对评价,是由观察者根据自己的知识和理解,按照某些特定评价性能对图像的绝对好坏进行评价。
通常,图像质量的绝对评价都是观察者参照原始图像对待定图像采用双刺激连续质量分级法(Double Stimulus Continuous Scale,DSCQS),给出一个直接的质量评价值。
具体做法是将待评价图像和原始图像按一定规则交替播放持续一定时间给观察者,然后在播放后留出一定的时间间隔供观察者打分,最后将所有给出的分数取平均作为该序列的评价值,即该待评图像的评价值。
视觉信息是人类获取信息的最主要途径,它通过人自身的视觉感知系统获取,其中图像信息是最主要的组成部分。
随着个人计算机、数字通信、多媒体和网络技术的发展,数字图像和数字视频日益成为信息最重要的载体之一,已经深入到人们的日常生活,普及到千家万户。
在数字图像的获取、处理、编码、存储、传输和重建的每一个步骤中,通常都会对图像的质量产生影响,如何评价图像质量成为图像处理、计算机视觉领域的一个基本而又富有挑战的问题。
目前,图像质量评价从方法上可分为主观评价方法和客观评价方法,前者凭借实验人员的主观感知来评价对象的质量;后者依据模型给出的量化指标,模拟人类视觉系统感知机制衡量图像质量。
下面,就由英迈吉影像质量评测实验室为大家详细讲解一下这两个图像质量评价方法的区别和特点。
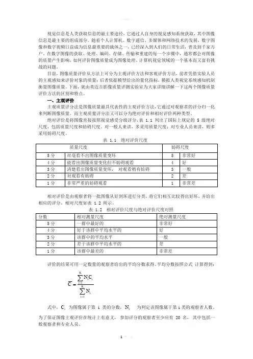
一、主观评价主观质量评分法是图像质量最具代表性的主观评价方法,它通过对观察者的评分归一化来判断图像质量。
而主观质量评分法又可以分为绝对评价和相对评价两种类型。
绝对评价是将图像直接按照视觉感受分级评分,表 1.1 列出了国际上规定的 5 级绝对尺度,包括质量尺度和妨碍尺度。
对一般人来讲,多采用质量尺度;对专业人员来讲,则多采用妨碍尺度。
表 1.1 绝对评价尺度 质量尺度 妨碍尺度 5分 丝毫看不出图像质量变坏 5 非常好 4分 能看出图像质量变化但不妨碍观看 4 好 3分 清楚看出图像质量变坏, 对观看稍有妨碍 3 一般 2分 对观看有妨碍 2 差 1分非常严重的妨碍观看1非常差相对评价是由观察者将一批图像从好到坏进行分类,将它们相互比较得出好坏,并给出相应的评分。
相对尺度如表 1.2 所示。
表 1.2 相对评价尺度与绝对评价尺度对照 分数 相对测量尺度 绝对测量尺度 5分 一群中最好的 非常好 4分 好于该群中平均水平的 好 3分 该群中的平均水平 一般 2分 差于该群中平均水平的 差 1分该群中最差的非常差评价的结果可用一定数量的观察者给出的平均分数求得。
多媒体信息处理中的图像质量评价与改善方法在当今数字时代,图像已广泛应用于各个领域,如医学、计算机视觉、无人驾驶等。
然而,由于设备和传输过程中的噪声、失真等因素,图像往往会受到影响而质量下降。
图像质量评价与改善方法成为了实现优质图像传输和处理的关键。
一、图像质量评价方法1. 主观评价主观评价是根据人类视觉系统对图像的感知来进行的。
这种评价方法是最直接和真实的,通过请一些经过训练的观察者对图像质量进行评价。
然而,主观评价需要时间和资源,并且具有一定的主观性。
2. 客观评价客观评价是通过计算机算法对图像质量进行量化的方法。
这些算法可以测量特定的图像质量属性,如图像的清晰度、对比度、饱和度等。
常见的客观评价方法包括峰值信噪比(PSNR)、结构相似性指数(SSIM)和感知质量评价(PQA)等。
二、图像质量改善方法1. 噪声去除噪声是导致图像质量降低的主要因素之一。
噪声去除技术旨在通过恢复图像中受到噪声破坏的细节信息来提高图像质量。
常用的噪声去除方法包括均值滤波、中值滤波和小波去噪等。
2. 图像增强图像增强技术旨在通过提高图像的对比度、锐度和色彩来增强图像的视觉效果。
常用的图像增强方法包括直方图均衡化、滤波增强和调整图像曲线等。
3. 图像复原图像复原是根据已知的退化模型或特定的先验信息,通过对图像进行数学建模和计算来恢复丢失的细节信息。
图像复原方法包括逆滤波、最小二乘算法(LS)和非负矩阵分解(NMF)等。
4. 图像压缩图像压缩是一种常用的图像质量改善方法,通过减少图像的存储空间和传输带宽来实现。
常见的图像压缩方法包括无损压缩和有损压缩。
无损压缩可以保证图像质量不受损,而有损压缩则可以减少图像的数据量,但会引入一定的失真。
5. 图像修复图像修复技术旨在恢复因老化、磨损或破坏而导致的图像缺失或损坏部分。
这些技术可以通过填充、插值和纹理合成等方法来恢复丢失的信息,提高图像的完整性和准确性。
三、图像质量评价与改善方法的应用1. 医学图像处理在医学领域,图像质量评价与改善方法对于诊断和治疗具有重要意义。
图像质量评价标准图像质量评价标准是指对图像质量进行客观、准确、全面评价的一套标准体系。
图像质量的好坏直接影响着图像的观赏效果和信息传递的准确性,因此图像质量评价标准对于图像处理、图像传输、图像存储等领域具有重要意义。
首先,图像质量评价标准应包括图像的客观评价和主观评价两个方面。
客观评价是指利用计算机和相关软件对图像进行数字化分析,得出一系列客观的评价指标,如图像的清晰度、对比度、色彩饱和度等。
而主观评价则是通过人眼对图像进行视觉感知,从而得出人们对图像质量的主观感受,如图像的舒适度、美观度、真实感等。
其次,图像质量评价标准应具有普适性和可比性。
普适性是指评价标准适用于不同类型的图像,包括自然图像、医学图像、卫星图像等,而不局限于某一特定类型的图像。
可比性是指评价标准能够使不同人或不同时间、不同地点下的评价结果具有可比性,即使在不同条件下进行图像质量评价,也能够得出相对准确的评价结果。
另外,图像质量评价标准应具有科学性和实用性。
科学性是指评价标准应基于科学的理论和方法,能够客观、准确地反映图像的质量。
实用性是指评价标准应具有一定的操作性,能够被广泛应用于图像处理、图像传输、图像存储等实际应用中,为用户提供有效的参考和指导。
最后,图像质量评价标准应不断更新和完善。
随着科技的发展和应用领域的不断拓展,图像质量评价标准也需要不断更新和完善,以适应新的需求和新的技术。
同时,图像质量评价标准的建立还需要与相关领域的专家和用户进行广泛的沟通和交流,以确保评价标准的科学性和实用性。
综上所述,图像质量评价标准是对图像质量进行客观、准确、全面评价的一套标准体系,具有普适性、可比性、科学性和实用性,需要不断更新和完善,以适应不断发展的需求和技术。
希望通过不断努力,能够建立起更加完善的图像质量评价标准体系,为图像处理和图像应用领域提供更好的支持和指导。
图像质量的评价方法
图像质量的评价方法包括以下几种常见方法:
1. 主观评价法:让观察者对图像质量进行主观评价,例如通过打分或者描述来评价图像的清晰度、色彩还原程度、细节损失等。
这种方法的缺点是评价结果受到个体主观感受的影响,不具有客观性。
2. 客观评价法:通过利用计算机算法对图像进行自动评估,以量化的方式来评价图像质量。
常见的客观评价方法包括结构相似性指标(SSIM)、峰值信噪比(PSNR)、均方根误差(RMSE)等。
这种方法的优点是具有客观性,但是可能无法完全捕捉到人眼对图像质量的感受。
3. 双刺激子带宽(DSB)评价法:该方法通过将原始图像与失真(比如压缩)后的图像进行对比,观察两者之间的差异来评估图像质量。
这种方法能够更准确地模拟人眼对图像质量的感知。
4. 基于机器学习的评价方法:通过训练模型,利用大量的图像数据和其对应的评分数据来建立图像质量评价模型。
这种方法能够更好地模拟人眼对图像质量的主观感受。
综合使用多种评价方法可以得到更全面、准确的图像质量评价结果。
电子报/2013年/10月/13日/第009版职教与技能谈谈数字电视图像的主观评价山西姚贵林张晓东对于数字电视系统而言,传统的模拟电视系统中规范的、直观的图像基带测试理论和主观评价方法已经失去意义。
电视的对象永远是人们的双眼,而不是有线电视工作者所使用的各种仪表。
某些所定量的数字电视节目图像质量的测试标准,是基于人们主观评价的统计,其并非是绝对的但它又必须是度量的一个衡值。
一、数字电视信号对图像质量的影响1.数字电视的视频图像的测试思路数字化的电视图像若不经过压缩,是难以传输和保存的,进而体现不出其价值和先进性。
随着视频图像压缩技术的发展,数字电视商用已成为可能。
目前国际上对于经过压缩过的视频图像的传输都是用未压缩的视频图像信号的质量来参考的。
2.数字电视的视频图像的测试方法在已经压缩(数字)和未压缩(模拟)视频图像信号的混合系统环境中,视频图像质量的测试包括两个部分:即信号质量和图像质量。
(1)信号质量的测试方法信号质量的测试使用一整套测试的方法和信号,它们可以是全场或是垂直消隐期中的某一行。
这种测试在传统的模拟非压缩视频系统中是一种间接的测试方法,由于这种测试方法是在实际图像之外,所以它将对传输模拟系统的图像质量提供了一个很好的表达。
(2)图像质量的测试方法在压缩(数字)的视频系统中,图像质量的变化取决于数据率,图像的复杂性和所使用的编码计算方法(计算机的程序),这时传统测试信号的静态特性已经不能提供图像质量的真实描述。
因此,对压缩(数字)视频系统中图像质量的实际测量需要一整套的实际图像测试信号,这要比传统测试信号复杂得多。
这些复杂序列导致的编码过程的非线性失真是图像内容的函数。
即便如此,这并不能排除对传统信号测量的需要。
而对于大多数有效的压缩方法,输入视频信号应当尽可能地干净。
3.数字电视信号对图像质量的影响机理幅度或直流电平等等的问题将会导致图像信号被切割或不能充分利用8bit、255级信号电平。
自然图像质量评价方法综述自然图像是我们生活中最为常见的一种图像,不论是拍摄日常生活中的照片还是参加摄影比赛,大多数人通过摄影来表现和记录自己的生活。
因此,自然图像的质量评价一直是数字图像处理领域的研究热点之一。
自然图像质量评价可以分为主观和客观两种方法。
主观评价主要通过实验让人们直接观看图片并评价质量,而客观评价则是通过计算机算法对图像进行评价。
主观质量评价的优点是其直接反映了人眼感知的质量。
主观评价通常使用双重卡方检验、多组主观评分等方法。
客观质量评价的优点是其可以使用自动化方法进行快速的评价,并且具有比主观方法更高的重复性和可靠性。
常见的客观评价方法包括PSNR、SSIM、MSE等。
1、PSNRPSNR是最简单的评判标准之一,主要用于图像压缩领域的评价。
该方法通过计算原始图像和压缩图像之间的均方误差来量化图像质量。
尽管PSNR方法简单易用,但是它不是人眼感知质量的一种很好的度量方法,并且在某些情况下很容易误导用户。
2、SSIMSSIM是一种比PSNR更为优秀的客观图像评价方法。
其主要是通过分析图像的结构信息、亮度和对比度特征来评价图像的质量。
SSIM的评价结果更接近于人眼感知的结果,因此被广泛使用于图像及视频领域的评价。
3、MSE4、VIFVIF是一种全参考的图像质量评价方法。
该方法主要采用提取图像中的结构信息和纹理特征,来评估图像的质量。
VIF的评价结果比较准确,并且在图像质量自动评价中具有更好的性能。
5、NQM三、总结综上所述,自然图像质量评价是一个复杂的问题,其涉及到图像处理、计算机视觉等多个领域。
在实际应用中,我们通常需要综合多个评价方法来评估图像的质量。
未来,我们还需要更加深入研究并开发更为准确的自然图像质量评价方法,以更好地满足我们的需求。
视频图像质量评价方法的研究一、概述视频图像质量评价是影响视频质量和用户体验的关键因素之一。
在实际应用中,需要对视频图像进行质量评价,以选择最适合的编码方案、优化传输系统或评估视频算法的有效性。
因此,视频图像质量评价方法的研究具有重要的现实意义。
本文将从主观评价和客观评价两种方法角度出发,探讨目前常用的视频图像质量评价方法。
二、主观评价主观评价法是目前最常见的视频图像质量评价方法。
评价过程主要包括实验员的体验和内容质量的记分。
实验员通过观看屏幕上的视频图像并将其与标准视频进行对比。
然后将两视觉之间的差距作为评价标准。
典型的主观质量评分体系受到主管部门的法律规定,如ITU-T系列P编码和ITU-R BT.500系列标准。
P.1203和BT.500是最常用的两个标准之一。
1.ITU-T P系列标准ITU-T系列P编码是评估视频话音质量的建议标准。
P.800是视频质量评估专家组(VQEG)开发的第一项建议,并被广泛接受和采用。
P.910、P.913和P.920是ITU-T系列P编码建议的最新版本。
其中P.910和P.913是评估基本视频质量和高分辨率视频质量的建议,P.920是评估多媒体应用程序的建议。
2.ITU-R BT.500标准ITU-R BT.500是现有主观质量评分体系中使用最普遍和最全面的体系之一。
该标准包括五个不同的评估层次,分别应用于标准定义、移动无线传输、IPTV、饮食厅等场景。
BT.500现在是ITU-R推荐的信号品质评估的主要准则。
三、客观评价客观评价法主要通过计算机算法来定量评估视频图像的质量。
各项指标如峰值信噪比和结构相似性指数等均体现在目标视频和参考视频之间。
值得注意的是,客观评价法不仅可以用于视频编码的目的,还可以用于超分辨率、去混叠等算法的评价和选择。
1.峰值信噪比(PSNR)法PSNR法是同一状态下度量数字影像压缩质量的通用方法之一。
其主要原理是通过计算原始视频和压缩版本之间的均方误差来评估质量。
图像质量主观评价
1、观看条件、数字电视图像质量的主观评价在下表中给出的观看条
件下进行
序号条件SDTV参数值
1 观看距离4-6倍图像高度
2 显示屏幕的峰值亮度70cd/m2
3 束流截止时,屏幕亮度与峰值亮度比值≦0.02
4 暗室中,黑电平亮度与峰值亮度比值约0.01
5 显示器北京亮度与峰值亮度比值约0.15
6 室内环境光照明宜低
7 背景光和照明光光源的色温D65
8 背景光部分对观看元的张角高≧43°宽≧57°
9 观察员的座位布局水平方向在中垂线±30°内
10 显示图像(对角线)尺寸≧50cm
2、测试素材,包含一定数目的精致图像和含运动物体的力偶系列:包含对各种评价因素,如精致空间分辨率、动态空间分辨率、亮度再现、彩色再现和运动再现等具有比较敏感特点的内容。
测试项目观看收听结果
画面播放是否有马赛克现象
同频点节目切换是否有马赛克现象
不同频点之间节目切换
误码造成的亮带或暗带
彩色溢出
画面冻结
残像
运动拖尾
闪烁
色纯
清晰度
图像层次感
运动图像的重现性
唇音同步
字幕效果
总图像质量
总伴音质量
3、评分标度,使用五级损伤评分标度,评分等级和相应的损伤术语如下图所示:
评分等级损伤术语
5 不察觉,无损伤存在
4 可察觉,有少许损伤
3 较低的图像质量,有重复的损伤
2 非常低的图像质量,服务有重复的中断
1 不断丢失服务,无法观看画面。