常用元件编号命名规则及电源网络命名规则
- 格式:pdf
- 大小:45.35 KB
- 文档页数:2
原理图网络标号及器件参考字符命名规则V0.2一、电源部分网络标号命名原则1、电源种类:网络标号标识模拟地(AGND),常规地(GND),信号地(SGND);2、电压大小:如3.3V,表示3V3;5V,表示5V;3、独立电源应该包含独立电源的标志字符,用下划线连接起来。
1)485串口独立12V数字电源表示为: 12V_485;2)USB模块独立模拟5V电源表示为: 5V_USB;3)触摸3.3V数字电源表示为: 3V3_TC;4)刷卡3.3V数字电源表示为: 3V3_SC;5)蓝牙3.3V数字电源表示为: 3V3_RF;6)指纹3.3V数字电源表示为: 3V3_FG;4、模拟地:AGND;5、数字地:GND;6、外部电池插座接入的电源表示: VBAT;7、电池电源经过整流二极管和保险丝:VIN8、备用电源:SPARE二、其他信号线网络标号命名原则1、网络标号命名一个大的原则:标号命名,要对其功能有一定的启示作用。
命名统一使用英文大写,使用两个单词以上时使用下划线隔开,如SPI_nCS,命名要从字面上了解该网络的意义或功能,尽量与芯片管脚命名相近,低电平有效时在前面加小写n,如SPI_nCS。
2、通信总线网络标号带从机模块前缀,主机CPU一般有几个相同总线接口,而从机模块一般只有一个总线接口。
1)CPU与WIFI串口通信,网络标号表示为:WIFI_TX,WIFI_RX;2)CPU与485串口通信,网络标号表示为:485_TX,485_RX;3)CPU与指纹串口通信,网络标号表示为:FINGER_TX,FINGER_RX。
3、复位:低电平复位表示为:nRST,高电平复位表示为:RST。
4、时钟:主时钟表示为:OSC_IN,OSC_OUT;实时时钟:OSC_IN,OSC_OUT。
5、串口DEBUG :DEBUG_TX6、电池电量采集:V_BATTERY7、蜂鸣器驱动线:BUZZER8、触摸灯驱动线:LED_TC9、电机驱动线:MOTOR_IA,MOTOR_IB10、SPI总线:SPI_MOSI,SPI_MISO,SPI_nCS,SPI_CLK11、I2C总线:I2C_SDA,I2C_SCL12、语音复位信号:VOICE_RST13、语音忙信号:VOICE_BUSY14、语音数据信号:VOICE_DATA15、语音时钟信号:VOICE_CLK16、指纹中断信号:FINGER_INT17、指纹复位信号:FINGER_RST18、指纹电源使能信号:POWER_EN19、触摸中断信号:TOUCH_INT20、触摸使能信号:TOUCH_EN21、触摸复位信号:TOUCH_RST22、触摸按键:CS01—CS1223、刷卡发射信号:RFID_TX,RFID_TX1,RFID_TX224、刷卡中断:RFID_IRQ25、刷卡地址选择:RFID_PD26、按键输入信号:SW1,SW227、下载接口:SWDIO,SWDCLK三、器件参考字符命名原则1、集成电路:IC1,IC2,…2、接口插座:JP1,JP2,…3、编程接口:TC4、电阻:R5、电容:C6、电感:L7、磁珠:FB8、保险丝:F9、测试点:TP10、MOS管和三极管:Q11、继电器:RL12、按键:KEY13、LED:D1,D2,…14、其他二极管:D01,D02,…15、晶振:X16、电池:BT17、蜂鸣器:B。
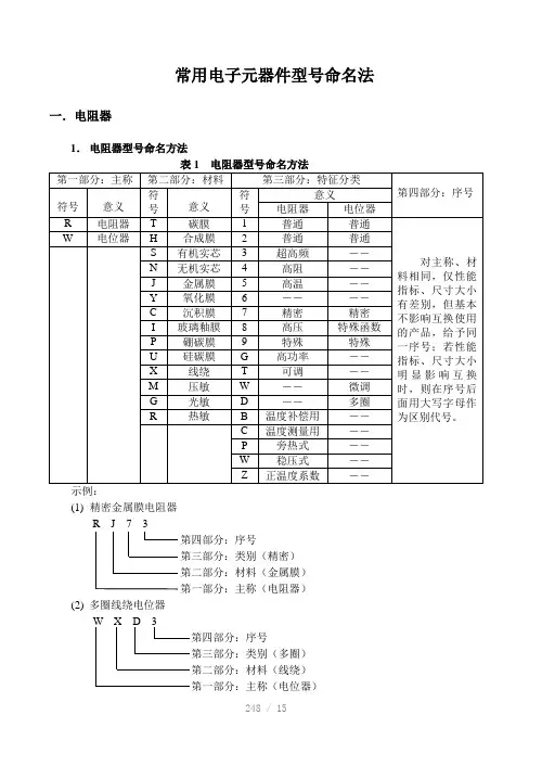
常用电子元器件型号命名法一.电阻器1.电阻器型号命名方法示例:(1)精密金属膜电阻器R J7 3第四部分:序号第三部分:类别(精密)第二部分:材料(金属膜)第一部分:主称(电阻器)(2) 多圈线绕电位器W X D 3第四部分:序号第三部分:类别(多圈)第二部分:材料(线绕)第一部分:主称(电位器)2.电阻器的标志内容及方法(1)文字符号直标法:用阿拉伯数字和文字符号两者有规律的组合来表示标称阻值,额定功率、允许误差等级等。
符号前面的数字表示整数阻值,后面的数字依次表示第一位小数阻值和第二位小数阻值,其文字符号所表示的单位如表5所示。
如1R5表示1.5Ω,2K7表示2.7kΩ,例如:RJ71-0.125-5k1-II允许误差±10%标称阻值(5.1kΩ)额定功率1/8W型号由标号可知,它是精密金属膜电阻器,额定功率为1/8W,标称阻值为5.1kΩ,允许误差为±10%。
(2)色标法:色标法是将电阻器的类别及主要技术参数的数值用颜色(色环或色点)标注在它的外表面上。
色标电阻(色环电阻)器可分为三环、四环、五环三种标法。
其含义如图1和图2所示。
标称值第一位有效数字标称值第二位有效数字标称值有效数字后0的个数允许误差图1 两位有效数字阻值的色环表示法三色环电阻器的色环表示标称电阻值(允许误差均为±20%)。
例如,色环为棕黑红,表示10⨯102=1.0kΩ±20%的电阻器。
四色环电阻器的色环表示标称值(二位有效数字)及精度。
例如,色环为棕绿橙金表示15⨯103=15kΩ±5%的电阻器。
五色环电阻器的色环表示标称值(三位有效数字)及精度。
例如,色环为红紫绿黄棕表示275⨯104=2.75MΩ±1%的电阻器。
一般四色环和五色环电阻器表示允许误差的色环的特点是该环离其它环的距离较远。
较标准的表示应是表示允许误差的色环的宽度是其它色环的(1.5~2)倍。
有些色环电阻器由于厂家生产不规范,无法用上面的特征判断,这时只能借助万用表判断。
一、常用元器件的型号命名方法1.电阻器、电容器、电位器型号命名方法根据国家标准GB2470-81《电子设备用电阻器、电容器型号命名方法》的规定¸电阻器、电容器产品型号一般由以下四部份组成:(1)第一部份用一字母表示产品的主称(2)第二部份用字母表示产品的材料(电阻的导电材料¸电容器的介质材料)(3)第三部份一般用数字表示分类¸个别类型用字母表示(4)第四部份用数字表示序号¸以区分外形尺寸和性能指针(5)举例R J 7 1 型精密金属膜电阻器 C C G 1 型瓶形高功率瓷介电容器1) 2) 3) 4) 1) 2) 3) 4)注: 1)为主称2)为材料3)为分类4)为序号2.敏感电阻器型号命名方法根据标准SJ1150-82《敏感组件型号命名方法》的规定¸热敏电阻器、光敏电阻器、压敏电阻器、湿敏电阻器、磁敏电阻器、力敏电阻器和气敏电阻器¸这些敏感电阻器的产品型号按下面所述的方法命名。
产品型号由下列四部份组成:第一部份: 主称(用字母表示)第二部份: 类别(用字母表示)第三部份: 用途和特征(用字母或数字表示)第四部份: 序号(用数字表示)第五部份:应用举例M F 4 1 A 普通旁热式负温度系数热敏电阻器1) 2) 3) 4) 区别代号注: 1)为主称2)为材料3)为分类4)为序号3.电感器型号命名方法这里介绍的是一些习惯上使用的命名方法¸仅供参考●电感线圈的型号命名方法电感线圈的字母组成的型号、代号及其意义如下:第一部份: 主称¸用字母表示(其中L表示线圈¸ZL表示高频或低频阻流圈)第二部份: 特征¸用字母表示(其中G表示高频)第三部份: 型式¸用字母表示(其中X表示小型)第四部份: 区别代号¸用字母表示●变压器型号的命名方法它由三部份组成:第一部份: 主称¸用字母表示第二部份: 功率¸用数字表示¸计量单位用VA或W标志¸但RB型变压器除外第三部份: 序号¸用数字表示例如: DB-60-2 表示为60VA电源变压器一、 固定电阻器、电容器的标志方法1. 直标法是指在阻容组件表面直接标出它的主要参数和技术性能的一种标志方法。
昆明供电局配电网设备命名编号原则指导意见目次1 适用范围 (1)2 规范及引用文件 (1)3 术语定义 (1)4 线路命名 (2)4.1 线路名称结构 (2)4.2 线路命名原则 (2)5 杆(塔)命名 (3)5.1杆(塔)名称结构 (3)5.2杆(塔)命名原则 (3)6 柱上开关设备命名 (4)6.1柱上开关设备名称结构 (4)6.2柱上开关设备命名编号原则 (4)7柱上台变命名 (6)8 开关站、配电站设备命名 (7)8.1开关站、配电站设备结构 (7)8.2开关站、配电站设备命名原则 (7)9 电缆及电缆中间头命名 (7)10命名、编号 (8)10.1设备电压等级编号 (8)10.2 变压器编号 (8)10.3 母线编号 (8)10.4 站内断路器、负荷开关编号 (8)10.5 站内隔离开关编号 (8)10.6 接地开关编号 (9)昆明供电局配电网设备命名、编号原则指导意见1 适用范围本原则适用于昆明供电局系统全资、控股的直属、代管配电网设备生产管理单位对配电网设备(不包含变电站内设备)的命名、编号管理。
昆明供电局系统各单位新投产配电网设备应严格按照本原则编号,已投产运行的设备有计划地逐步将已有设备命名、编号按照本原则进行调整。
2 规范及引用文件下列文件中的条款通过本原则的引用即成为本原则的条款,其后来所有的修改内容或修订版均不适用于本标准。
《中国南方电网有限责任公司110kV及以下配电网装备技术导则》 Q/CSG 10703-2009《中国南方电网有限责任公司电力安全工作规程》 Q/CSG 510001-2015《云南电网电气一次设备调度编号原则》QG/YW207-08-2007《云南电网公司中低压配电网设备命名编号原则》 QG/YW-SC-13-2009《云南10kV及以下配电网柱上开关设备命名编号指导原则》3 术语定义3.1 配电网由6/10/20kV和380V/220V等电压等级电气设备组成。
新产品开发时的电路原理图和PCB设计2.0原理图元器件编号规则2.1规则:关键字+ 3位数字2.2关键字命名规则:a固定电阻:R b排阻:RRc可变电阻:VR d电容、可变电容:Ce普通二极体:D f发光二极体:LEDg稳压二极体:DZ h三极体、MOS?: Qi光敏三极管:IR j电感、滤波器:Lk IC : U l压敏电阻:ZNRm插片:P n插线:Wo插座:CN主板为A, 小板为B o 例如:CN 101A 则小板对应为CN101Bp保险丝:FUSE q突波吸收器:DSAr蜂鸣器:BZ s振荡器:XTt变压器:T u按键:Kv跳线:J w继电器:RYx IPM模块:IPM y 桥式整流:BRz液晶显示器:LCD2.3 3位数字命名规则:A互感器模块:以0命名。
B 电源模块:以1 命名。
eg : D101, R101,C101;C传感器模块:以2命名。
eg:R201,C201;D遥控模块及通信:以3命名。
eg:Q301,R301,C301;E存储单元及主MCU莫块、测试模块:以4命名。
例如:C401(如:M38223);F 继电器模块、PG电机及其反馈模块、过零检测、风机控制、溶液泵及其反馈模块:以5命名。
例如:RY501G IPM 模块及显示模块:以6命名。
eg:R601;H Modem 模块及PC机模块:以7命名。
I 预留:以8命名。
J 预留:以9命名。
2.4说明241 主板与小板之元件排序规则为:先主板,后小板依次排序。
242 接插件的命名在客户有要求时,以客户要求为准,反之,以命名规则为准。
3.1绘制原理图时,须采用原理图样板格式(具体格式见附页一)。
3.2连线均匀美观,元件排布均匀,接插件尽量靠外,并对齐。
3.3每一模块区分要清楚,强电与弱电要用虚线标记分开,强电部分“飞”线要标志清楚,包括颜色。
3.4电源以+5V +12V -5V、-30V、GND标记,符号为:+5V: 、GND电源地): ;大地以EARTH标记,符号为:「;若原理图中有多个地及电源,则地以GND1 GND2 •…标记,电源以+5V1, +5V2••…标记,符号尽量保持不同,以便识别。
电子元器件编号规则1.二极管和晶体管编号规则:二极管和晶体管通常使用美国电子工程师协会(EIA)的规则进行编号。
这些规则使用字母和数字来表示不同的参数和特性,如器件类型、封装、极性等。
其中一些常见的编号规则包括:-封装类型:DO表示二极管,TO表示晶体管。
-极性:N表示NPN型晶体管,P表示PNP型晶体管。
-功率:常用的一些数字代表电流和功率的大小。
-特殊类型:如Z表示稳压二极管,LED表示发光二极管等。
2.集成电路(IC)编号规则:集成电路通常使用不同的编号系统,包括美国军事标准(MIL-STD)、电子工业联盟(EIAJ)、国际电工委员会(IEC)和制造商自定义的编号系统。
这些编号系统通常包含以下内容:-器件类型:如数字集成电路(IC)、模拟集成电路(IC)、混合集成电路(HMIC)等。
-功能:通常使用数字或字母来表示不同的功能模块。
-封装类型:常见的封装类型包括DIP、SMD、BGA等。
3.电阻、电容和电感编号规则:电阻、电容和电感通常使用基于物理量的编号规则,如阻值、容值和电感值。
这些数值通常用标准单位表示,如欧姆(Ω)、法拉(F)、亨利(H)等。
此外,也会使用一些字母和数字来表示其他特性,如封装类型、公差、工作温度等。
4.硅控整流器(SCR)和双向可控硅(TRIAC)编号规则:SCR和TRIAC是一种特殊的功率半导体器件,其编号规则通常与二极管和晶体管类似,但会根据其特殊的功率和控制特性进行特殊说明。
5.传感器编号规则:传感器的编号规则通常包括设备类型、测量参数、输出类型等信息。
这些编号规则根据不同的传感器类型和制造商可能有所不同。
需要注意的是,虽然有一些常见的编号规则,但由于不同的制造商和行业可能会有不同的命名习惯和编号规则,因此在实际应用中还需参考具体的数据手册或制造商提供的规范。
此外,部分编号规则也可能会因为技术的进步和行业的发展而有所调整和增加。
因此,保持对最新编号规则的学习和掌握对于工程师和从业人员来说是非常重要的。
电子元器件型号命名规则2,电容器5,半导体二、三极管一、中国半导体器件型号命名方法半导体器件型号由五部分(场效应器件、半导体特殊器件、复合管、PIN型管、激光器件的型号命名只有第三、四、五部分)组成。
五个部分的意义分别如下:第一部分:用数字表示半导体器件有效电极数目。
2-二极管、3-三极管第二部分:用汉语拼音字母表示半导体器件的材料和极性。
表示二极管时:A-N型锗材料、B-P型锗材料、C-N型硅材料、D-P型硅材料。
表示三极管时:A-PNP型锗材料、B-NPN型锗材料、C-PNP型硅材料、D-NPN型硅材料。
第三部分:用汉语拼音字母表示半导体器件的内型。
P-普通管、V-微波管、W-稳压管、C-参量管、Z-整流管、L-整流堆、S-隧道管、N-阻尼管、U-光电器件、K-开关管、X-低频小功率管(f<3MHz,Pc<1W)、G-高频小功率管(f>3MHz,Pc<1W)、D-低频大功率管(f<3MHz,Pc>1W)、A-高频大功率管(f>3MHz,Pc>1W)、T-半导体晶闸管(可控整流器)、Y-体效应器件、B-雪崩管、J-阶跃恢复管、CS-场效应管、BT-半导体特殊器件、FH-复合管、PIN-PIN型管、JG-激光器件。
第四部分:用数字表示序号第五部分:用汉语拼音字母表示规格号例如:3DG18表示NPN型硅材料高频三极管。
二、日本半导体分立器件型号命名方法日本生产的半导体分立器件,由五至七部分组成。
通常只用到前五个部分,其各部分的符号意义如下:第一部分:用数字表示器件有效电极数目或类型。
0-光电(即光敏)二极管三极管及上述器件的组合管、1-二极管、2三极或具有两个pn结的其他器件、3-具有四个有效电极或具有三个pn结的其他器件、┄┄依此类推。
第二部分:日本电子工业协会JEIA注册标志。
S-表示已在日本电子工业协会JEIA注册登记的半导体分立器件。
第三部分:用字母表示器件使用材料极性和类型。
电子元件编号规范□□□□□□□备注:元件类型代码、元件功能类型、功能/方位类型为可选项1、元件功能类型以英文第一个字母为代表如S11BA01——其中B——Boring2、功能/方位类型范围0……9,A……Z。
3、标号流水码范围0……9,A……Z。
4、元器件功能类型一、传感器功能类型S11=D-A73L&3C- D-A73LS12=D-C73L&3C- D-C73LS13=D-Z73L&3C- D-Z73LS14=D-A90L&3C- D-A90LS15= D-A93L&3C- D-A93LS16=SME-8-K-LED-24&SME-8M-DS-24V-K-2,5-OE(三线制)S17=SME-8-S-LED-24S18= SME-8M-ZS-24V-K-2,5-OE (二线制)S19=KL3157S1A= D-A54L&3C-D-A54LS1B= D-A72L&3C-D-A72LS1C=MZT7-03ZRS-KW0S1D= MZC1-2V2PSKP0S1E= MZT7-03VPS-KW0S1F=DS1G020S1G=S1H=S20=IH06-1B5PS-VWKS21=IM08-1B5PS-ZTK或BES516-324-S49-CS22=IM08-1B5PS-ZT1S23=IM12-02BPS-ZC1S24= DW-AS-603-M8-123或/ IM12-04BPS-ZC1或/BD2-S3S2-M8S25=DW-AS-623-M4S26=DW-AS-603-M8-001/IS 208M/4NO-1B5-S8.3S27=DW-AS-603-M12或DW-AS-603-M12-120或/ISS 212M/4NO-4E0-S12 S28=DW-AS-623-M12或DW-AS-623-M12-120或/IS 212M/4NO-4E0-S12 S29= /IS 218M/4NO-5E0-S12S2A=DW-AS-513-M30-002S2B=IN40-PS30OP79-A12S2C=IS255MP/4NO-1E5,200-S8.3S30=HRTR35/66-300-S12S31=HRTR 3B/66-S-S8或HRTR 3B/66-V-S8S32=HRTR 3B/66-XL-S8S33=HRTR 8/24-350-S12S34=PRKL 3B/6.22-S8S35=WT9-2P430或HRTL 3B/66-S8S36=WE/WS9-2P430S37=PRK 3B/66-S8S38=EE-SX671PS39=E3JK-DS30M1S3A=FS-N11P + FU-66ZS3B=FS-V21RP + FU-35FAS3C=FS-N11P + FU-67TZ / FS-N11P + FU-67S3D=FS-N11P + FU-70TZ'/ FS-N11P + FU-77TZS3E= HRTR 25B/66-S12S3F=PZ-V31PS3G=LR-ZB250PS3H= LSSR 3B-S8 + LSER 3B/66-S8S3I= FS-N11P +FU-E11S3J=CZ-V21AP + CZ-H32S3K= GTB6-P4212S3L= GTB2S-P5451S3M= FS-N11P +FU40S3N= LL3-DT01+WLL180T-P432S3P= LUT3-650S3Q = FT-M47TS3R = BOW A-0808-PS-C-S49S3S = BOW A-1616-PS-C-S49S40=SD2T/2R40-750S41=SD2T/2R40-900S42=SD2T/2R40-1200S43=SD2T/2R40-1350S44=SD4T/4R40-900S45=MLC300T40-1350 + MLC310R40-1350& MLC300T40-900 + MLC310R40-900S47=SD4T/4R40-1350S48=C40S-1200/C40E-1200S49=S4A=SD4T/4R30-900S4B= C4M-SB0223A1BA0 +3×C4M-SE0213A1AA0/ C4M-EB0223A1BB0 +3×C4M-EE0213A1AA0S50=ISE30-01-65-LS51=PS27S52=PEV-W-KL-LED-GHS53=SDE1-D10-G2-H18-C-PV-M8S54=S55=SUB-250KGS56=1210BYM-25KNS57=FLC 1710ACK-2500N + ICA 2SS58=ML00-8-H-350-RT/95/103S59=S5A=S60=S61=S62=S63=S64=S65=S66=S70=CT-SLS71= A33(PT100)S72= A4(PT100)S73=E52-CA1D (K)S80=SP5S81=KTR-25S82=KTC175S84=KTC275S85=KTC325备注:其余类型见常用电子清单。
原来国内外常用电子元器件型号命名规则是这样的,涨知识了!1.电阻器举例:RJ76表示精密金属膜电阻器R——电阻器(第一部分)J——金属膜(第二部分)7——精密(第三部分)6——序号(第四部分)2.电容器国外电容器命名规则不一,国外部分知名厂家命名规则如下:•(1)日本村田(muRata)•(2)日本TDK•(3)日本京瓷(Kyocera)•(4)日本罗姆(ROHM)•(5)日本松下旗下三洋电机(Panasonic)(6)韩国三星(SAMSUNG)•(7)美国基美(KEMET)•(8)英国Syfer•(9)中国台湾国巨(YAGEO)•(10)中国台湾华新科技(WALSIN)3.电感器4.变压器5.二极管6.三极管7.发光二极管8.扬声器9.电声器件10晶闸管11.继电器国外:1.国际电子联合会半导体器件命名法国际电子联合会晶体管型号命名法的特点:•1)这种命名法被欧洲许多国家采用。
因此,凡型号以两个字母开头,并且第一个字母是A,B,C,D或R的晶体管,大都是欧洲制造的产品,或是按欧洲某一厂家专利生产的产品。
•2)第一个字母表示材料(A表示锗管,B表示硅管),但不表示极性(NPN型或PNP型)。
•3)第二个字母表示器件的类别和主要特点。
如C表示低频小功率管,D表示低频大功率管,F表示高频小功率管,L表示高频大功率管等等。
若记住了这些字母的意义,不查手册也可以判断出类别。
例如,BL49型,一见便知是硅大功率专用三极管。
•4)第三部分表示登记顺序号。
三位数字者为通用品;一个字母加两位数字者为专用品,顺序号相邻的两个型号的特性可能相差很大。
例如,AC184为PNP型,而AC185则为NPN型。
•5)第四部分字母表示同一型号的某一参数(如hFE或NF)进行分档。
•6)型号中的符号均不反映器件的极性(指NPN或PNP)。
极性的确定需查阅手册或测量。
2.美国半导体器件型号命名法美国晶体管或其它半导体器件的型号命名法较混乱。