溴百里酚蓝MSDS
- 格式:doc
- 大小:102.00 KB
- 文档页数:6
溴麝香草酚蓝(Bromthymol Blue)是一种常用的酸碱指示剂,其结构如下:
-分子式:C12H10Br2NO4
-分子量:378.16
在酸性条件下,溴麝香草酚蓝呈现蓝色;在碱性条件下,它会变成无色。
这种颜色变化是由于分子内部的电子结构发生了改变。
具体来说,当溴麝香草酚蓝处于酸性环境中时,其分子中的羟基(-OH)与苯环上的氮原子(N)发生电荷转移,使得氮原子上的电子云密度增加,从而使分子呈现蓝色。
而在碱性环境中,羟基失去电子,氮原子上的电子云密度减少,导致分子失去颜色变为无色。
第一部分:化学品名称1.1 中文名称:溴甲酚绿1.2 英文名称:Bromocresol green1.3 中文别名:溴甲酚蓝; 3',3'',5',5''-四溴间甲酚磺酸酚酞; BCG1.4 英文别名:Bromocresol green; Bromocresol Blue;3',3'',5',5''-Tetrabromo-m-cresol sulfonphthalein; BCG1.5 推荐用途:实验室用化验、试验及科学实验。
1.6 限制用途:不可作为药品、食品、家庭或其它用途。
第二部分:危险性概述2.1 GHS危险性分类:不适用2.2 侵入途径:不适用2.3 健康危害:不适用。
第三部分:成分/组成信息3.1 主要成分:溴甲酚绿3.2 含量:≤100%3.3 CAS No.:76-60-8第四部分:急救措施4.1 皮肤接触:用肥皂和大量的水冲洗。
4.2 眼睛接触:用水冲洗眼睛作为预防措施。
4.3 吸入:如果吸入,请将患者移到新鲜空气处。
如呼吸停止,进行人工呼吸。
4.4 摄入:切勿给失去知觉者通过口喂任何东西。
用水漱口。
第五部分:消防措施5.1 危险特性:无资料。
5.2 有害燃烧产物:碳氧化物,硫氧化物,溴化氢气。
5.3 灭火方法:用水雾,抗乙醇泡沫,干粉或二氧化碳灭火。
第六部分:泄漏应急处理6.1 应急处理:避免粉尘生成。
避免吸入蒸气、烟雾或气体。
第七部分:操作处置与储存7.1 操作注意事项:在有粉尘生成的地方,提供合适的排风设备。
一般性的防火保护措施。
7.2 储存注意事项:贮存在阴凉处。
使容器保持密闭,储存在干燥通风处。
第八部分:接触控制/个体防护8.1 职业接触限值:无资料。
8.2 监测方法:无资料。
8.3 工程控制:无资料。
8.4 呼吸系统防护:不需要保护呼吸。
如需防护粉尘损害,请使用N95型(US)或P1型(EN 143)防尘面具。
危险品标志:警告:危险强腐蚀性、有毒、具有氧化性健康危害:对皮肤、粘膜有强烈刺激作用和腐蚀作用。
吸入较低浓度,很快发生眼和呼吸道粘膜的刺激症状,并有头痛、眩晕、全身无力、胸部发紧、干咳、恶心和呕吐等症状;吸入高浓度时有剧咳、呼吸困难、哮喘。
严重时可发生窒息、肺炎、肺水肿。
可出现中枢神经系统症状。
皮肤接触高浓度溴蒸气或液态溴可造成严重灼伤。
长期吸入,除粘膜刺激症状外,还伴有神经衰弱综合征。
环境危害:燃爆危险:本品助燃,具强腐蚀性、强刺激性,可致人体灼伤。
第四部分:急救措施皮肤接触:立即脱去污染的衣着,用大量流动清水冲洗至少15分钟。
就医。
眼睛接触:立即提起眼睑,用大量流动清水或生理盐水彻底冲洗至少15分钟。
就医。
吸入:迅速脱离现场至空气新鲜处。
保持呼吸道通畅。
如呼吸困难,给输氧。
如呼吸停止,立即进行人工呼吸。
就医。
食入:用水漱口,给饮牛奶或蛋清。
就医。
第五部分:消防措施危险特性:强氧化剂。
与易燃物(如苯)和可燃物(如糖、纤维素等)接触会发生剧烈反应,甚至引起燃烧。
和氢、甲烷、硫磺、锑、砷、磷、钠、钾及其它金属粉末剧烈反应,甚至引起燃烧爆炸。
与还原剂能发生强烈反应。
能腐蚀大多数金属及有机组织。
有害燃烧产物:溴化氢。
灭火方法:喷水保持火场容器冷却,直至灭火结束。
用雾状水赶走泄漏的液体。
用氨水从远处喷射,驱散蒸气,并使之中和。
但对泄漏出来的溴液不可用氨水喷射,以免引起强烈反应,放热而产生大量剧毒的溴蒸气。
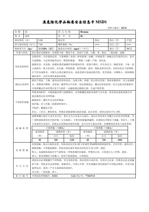
溴百里香酚蓝安全技术说明书一、化学品化学品中文名称:溴百里香酚蓝化学品英文名称:Bromothmol blueCAS No.:76-59-5分子式:C27H28 Br2O5S分子量:624.38二、成分/组成信息有害物成分:溴百里香酚蓝CAS No.:76-59-5三、危险性概述危险性类别:无资料侵入途径:吸入、食入、经皮吸收。
健康危害:无资料四、急救措施皮肤接触:立即脱去被污染的衣着,用大量流动清水冲洗。
眼睛接触:立即提起眼睑,用大量流动清水彻底冲洗吸入:迅速脱离现场至空气新鲜处食入:饮足量温水,催吐。
就医。
五、消防措施危险特性:无资料有害燃烧产物:无资料灭火方法:泡沫、水、二氧化碳、干粉。
六、泄露应急处理应急处理:避免直接接触物质。
避免产生其灰尘。
勿吸入其蒸汽。
化学品未经处理不允许向环境排放。
采用安全的方法将泄漏物收集回收或运至废物处理场所处理。
清理污染区,洗液排入废水处理池。
七、操作处置与储存操作注意事项:无特殊要求。
储存注意事项:密封,保持干燥。
储存温度没有限制。
八、接触控制/个体防护工程控制:立即更换受污染衣物。
涂上护肤膏。
工作后清洗脸部和手。
勿吸入其蒸汽。
呼吸系统防护:作业工人应该佩戴头罩型电动送风过滤式防尘呼吸器。
必要时,佩戴隔离式呼吸器。
眼睛防护:高浓度接触时可戴安全防护眼镜。
身体防护:穿化学品工作服。
手防护:戴橡胶手套其他防护:工作时不得进食、饮水或吸烟九、理化特性外观与性状:近白色或乳色结晶。
熔点(℃):240溶解性:溶于乙醇、乙醚、甲醇和稀氢氧化碱溶液,略溶于苯、甲苯和二甲苯,微溶于水,几乎不溶于石油醚。
主要用途:酸碱指示剂,吸附指示剂,色谱分析。
十、稳定性和反应活性稳定性:常温下稳定聚合危害:不聚合十一、毒理学资料急性毒性:LD50:无资料;LC50:无资料十二、生态学资料其它有害作用:谨慎处理泄漏物不会对生态产生危害。
十三、废弃处置废弃物性质:无资料废弃处置方法:参照国家相关规定进行处置。
MSDS化学品安全技术说明书(Material Safety Data Sheet)目录4-氨基安替比林化学品安全技术说明书 (1)乙二胺四乙酸二钠化学品安全技术说明书 (5)N,N-二甲基甲酰胺化学品安全技术说明书 (9)氨溶液化学品安全技术说明书 (13)1-苯基-3-甲基-5-吡唑啉酮化学品安全技术说明书 (17)丙酮化学品安全技术说明书 (20)次氯酸钠溶液化学品安全技术说明书 (24)碘化钾化学品安全技术说明书 (28)2,2`-二苯基羰二肼化学品安全技术说明书 (31)高氯酸化学品安全技术说明书 (34)酸性铬黑T 化学品安全技术说明书 (38)过硫酸钾化学品安全技术说明书 (41)甲基橙化学品安全技术说明书 (45)甲基红化学品安全技术说明书 (49)酒石酸锑钾化学品安全技术说明书 (52)抗坏血酸化学品安全技术说明书 (55)可溶性淀粉化学品安全技术说明书 (58)邻苯二甲酸氢钾化学品安全技术说明书 (61)磷酸化学品安全技术说明书 (64)磷酸二氢钾化学品安全技术说明书 (68)磷酸氢二钠化学品安全技术说明书 (71)硫代硫酸钠化学品安全技术说明书 (74)硫酸化学品安全技术说明书 (77)硫酸铵化学品安全技术说明书 (81)硫酸锌化学品安全技术说明书 (85)硫酸亚铁铵化学品安全技术说明书 (89)硫酸银化学品安全技术说明书 (92)氯胺T 化学品安全技术说明书 (95)氯化铵化学品安全技术说明书 (98)氯化钡化学品安全技术说明书 (102)氯化钾化学品安全技术说明书 (106)钼酸铵化学品安全技术说明书 (109)硼酸化学品安全技术说明书 (112)氢氧化钠化学品安全技术说明书 (116)三乙醇胺化学品安全技术说明书 (120)水杨酸化学品安全技术说明书 (124)四氯化碳化学品安全技术说明书 (127)四硼酸钠化学品安全技术说明书 (131)碳酸钙化学品安全技术说明书 (134)铁氰化钾化学品安全技术说明书 (137)硫酸钠化学品安全技术说明书 (141)碳酸钠化学品安全技术说明书 (145)乙醇化学品安全技术说明书 (149)硝酸化学品安全技术说明书 (153)硝酸锌化学品安全技术说明书 (157)硝酸银化学品安全技术说明书 (161)溴百里酚蓝化学品安全技术说明书 (165)亚硝基铁氰化钠化学品安全技术说明书 (168)盐酸化学品安全技术说明书 (171)氧化镁化学品安全技术说明书 (175)乙酸钠化学品安全技术说明书 (179)乙酸锌化学品安全技术说明书 (182)异烟酸化学品安全技术说明书 (185)重铬酸钾化学品安全技术说明书 (188)乙炔化学品安全技术说明书 (192)氮化学品安全技术说明书 (196)碘酸钾化学品安全技术说明书 (200)氯化钠化学品安全技术说明书 (204)汽油化学品安全技术说明书 (207)碘化学品安全技术说明书 (211)溴酸钾化学品安全技术说明书 (214)氰化钾化学品安全技术说明书 (217)4-氨基安替比林化学品安全技术说明书第一部分:化学品名称化学品中文名称:4-氨基安替比林化学品俗名:化学品英文名称:4-aminoantipyrine英文名称:ampyrone技术说明书编码:2062CAS No.:83-07-8第二部分:成分/组成信息第三部分:危险性概述危险性类别:侵入途径:健康危害:吸入对呼吸道有刺激性,引起咳嗽、气短。
溴酚蓝M S D SDocument number:WTWYT-WYWY-BTGTT-YTTYU-2018GT溴酚蓝化学品安全技术说明书说明书目录第一部分化学品名称第九部分理化特性第二部分成分/组成信息第十部分稳定性和反应活性第三部分危险性概述第十一部分毒理学资料第四部分急救措施第十二部分生态学资料第五部分消防措施第十三部分废弃处理第六部分泄漏应急处理第十四部分运输信息第七部分操作处置与储存第十五部分法规信息第八部分接触控制/个体防护第十六部分其它信息第一部分:化学品名称化学品中文名称:溴酚蓝化学品英文名称:Bromophenolblue;AlbutestCASNo.:115-39-9分子式:C19H10Br4O5S分子量:第二部分:成分/组成信息有害物成分:纯品第三部分:危险性概述危险性类别:侵入途径:吸入、皮肤接触、误食。
健康危害:本品经呼吸道和消化道吸收,能腐蚀眼睛、皮肤和粘膜。
接触后有刺激感、喉痛、咳嗽、呼吸困难、腹痛、腹泻、呕吐、肺水肿。
环境危害:燃爆危险:第四部分:急救措施皮肤接触:立即脱去污染的衣着,用大量流动清水冲洗至少15分钟。
就医。
眼睛接触:立即提起眼睑,用大量流动清水或生理盐水彻底冲洗至少15分钟。
就医。
吸入:迅速脱离现场至空气新鲜处。
保持呼吸道通畅。
如呼吸困难,给输氧。
如呼吸停止,立即进行人工呼吸。
就医。
食入:饮足量温水,催呕,就医。
第五部分:消防措施灭火方法:尽可能将容器从火场移至空旷处,喷水保持火场容器冷却,用泡沫、干、二氧化碳灭火剂或沙土灭火。
直至灭火结束。
第六部分:泄漏应急处理应急处理:隔离泄漏污染区,限制出入。
切断火源。
建议应急处理人员戴防尘口罩,穿全棉防腐服。
不要直接接触泄漏物。
小量泄漏:避免扬尘,小心扫起,使用无火花工。
大量泄漏:收集回收或运至废物处理场所处置。
第七部分:操作处置与储存操作注意事项:密闭操作,局部排风。
防止粉尘释放到车间空气中。
操作人员必须经过专门培训,严格遵守操作规程。