驱动电源板检验作业指导书
- 格式:xls
- 大小:67.50 KB
- 文档页数:1
东莞市凯人实业有限公司文件名称作业指导书版本号A/0 工艺规范文件编号QW-0402 第1页共7页一、插件一.适用范围:电子LED驱动电源的插件二.使用设备和工具:剪钳、剪刀、镊子、静电手环、单刃刀片三.使用物料:线路板、元器件、变压器、电阻、电容、线材等四.操作步骤:1.领料:生产物料员按生产计划和产品《领料单》到仓库领取产品物料,并核对无误。
2.调拉:松动拉带螺丝,调整拉带宽度与线路板宽度基本一致,然后拧紧螺丝,要求线路板能够滑动且不能掉下来。
3.元器件整型:按线路板要求对部分元器件经行弯脚整型。
使用设备或者人力为器件整形。
4.排线:把元件倒进零件盒,按插件顺序和个人能力分配元器件,原则上先插小件后插大件。
5.各工位核对元器件是否与样品一致,若有异常立即上报。
6.插件的一般遵循从低到高,由易到难的原则:电阻→二极管→电容→电阻→三极管→变压器,具体产品具体调节插件顺序。
7.插好的产品放插件盆摆好并标识过数待浸锡。
8.标识牌随产品流动。
9.插完一种规格后,剩下的物料收集整理放插件待退区,并做好标识。
五.质量要求和注意事项1.对样生产。
2.元器件倾斜角不能超过15度,元器件不能超出线路板面边缘。
3.正确插孔,插贴板面。
4.流水线顺畅,不能堆积。
5.二极管、三极管、电解电容等有极性方向的元器件方向极性不可插反。
6.不可漏插。
7.所有的线路板要轻拿轻放。
8.塑条排装的三极管只能分条倒出来使用,不同包装条的三极管不可混用。
9.所有的物料必须按工程部所出的BOM清单生产,所有的物料需要替换必须经工程部同意。
10.插件时必须配带静电手环。
工艺规范文件编号QW-0402 第2页共7页二、浸锡一.适用范围:电子LED驱动电源的浸锡二.使用设备和工具:大锡炉、夹子、拨板、小铁棒、400℃温度计、常温温度计。
三.使用物料:锡条、助焊剂、防氧化剂、待浸锡产品。
四.操作步骤:1.大锡炉预热:打开总开关,设定温度表绿光亮,表示正在加热状态。
电源系统定检作业指导书编号:编制审核签发11.1 设备主要参数23、作业准备3.1 仪器仪表3.5 防护用品根据电源有关规程规定、设备厂商使用说明书等相关文件要求,按照表七和表八中定检周期进行作业。
定检作业在10小时内完成。
7.1阀控蓄电池定期维护项目表表七、阀控蓄电池定期维护项目表表八、高频开关电源定期维护项目表高频开关电源定检作业项目、工艺要求及质量标准蓄电池核对性充/放电作业项目、工艺要求及质量标准12.1作业后,通信电源系统投入运行,用仪表测量高频开关电源电流电压、蓄电池组电压是否正常;测量直流分配屏端端电流、电压是否正常;检查所有连接件是否固定、牢靠。
13 大修的判断标准和检修项目表十一、大修的判断标准和检修项目作业记录附录1电源系统定检报告站名:电压等级:电源厂家:电源型号:电源模块容量:个× A电源投运日期:电池厂家:电池型号:电池容量: AH电池投运日期:浮充电压: V现有负载: A定检地点:定检单位:定检日期:定检气候:定检人员:附录2高频开关整流设备检查测试记录表附录3蓄电池组检查测试记录表附录4通信电源设备检测综合记录表测试仪表:日期:年月日审查:附录5核对性放电试验记录放电电流: A 放电电压: V 开始放电时间:年月日时分附录6充电测试记录充电电流: A 充电电压:V 开始充电时间:年月日时分附录7蓄电池内阻测试记录表测试仪器:测试人员:测试日期:年月日。
公司 logo制定此标准的目的是提供一份检查 PCB 的通用检查指示。
此标准合用于美赛达所有 PCB 的来料检查, 除个别 SPEC 或者客户有特殊指明检查标准的项目外,则一律依此标准进行检查。
2.1 公司所有的 PCB 板3.1 印刷电路板(Printed circuit board ,PCB ) 3 .2 印刷路线板(Printed Wiring Board ,PWB ) 3 .3 多层板(Multi-Layer Boards ) 3 .4 双面板(Double-Sided Boards ) 3 .5 单面板(Single-Sided Boards ) 3 .6 阻焊漆/绿油(solder mask ,S/M )3.7 导孔(via )3 .8 镀通孔技术/沉铜(Plated-Through-Hole technology ,PTH ) 3 .9 金手指(Gold Finger,或者称 Edge Connector ,G/F) 3 .10 切片( Micro Section )采用 MIL-STD-105E检查项目外观 尺寸 附着性测试 微切片测试的单次抽样方案,允收水准如下表:检查水平GB2828-2003-II5pcs 10pcs/Lot 1pcs/LotCR / / / 0AQLMAJ 0.4 0 0 /MIN 1.5 / / /说明: 1、根据来料数量,按以上抽样方案抽取样本,检查外观;2、 每批来料抽取 5pcs 样品并参照像应图纸资料测量其相关尺寸。
3、每批来料抽取 10pcs 样品用 3M600 胶测试其附着性。
温度: 18℃-27℃,湿度: 50%-80%,亮度: 300LX-700LX ,眼睛与待检样品垂直,直线距离为 30CM-40CM 。
6.1 检查 PCB 来料包装和标示,包装应符合要求且良好,无混乱错漏等现象;标示应与来货一致且清晰无 涂改;抽查数量应无误。
6.2 检查来料有无附出货报告,出货报告应包含以下内容:6.2.1 可焊性测试报告; 6.2.2 清洁度测试报告;公司 logo6.2.3 尺寸测试报告,包括外形尺寸、各孔径、路线(金手指)宽度、路线(金手指)间距; 6.2.4 切片报告,包括各镀层厚度(金厚须附X-RAY 量测记录)、S/M 厚度,并提供 1-2 个切片供美赛 达检查,附切片时同时附切片原 PCB 。
电动机检查作业指导书第一篇:电动机检查作业指导书一、引言电动机是现代工业生产中常见的电气设备之一,在各个行业都有广泛的应用。
为了保证电动机的正常运行和延长其使用寿命,定期对电动机进行检查是非常必要的。
本指导书旨在为人员提供关于电动机检查的具体操作流程和注意事项,以确保检查的有效性和安全性。
二、检查前的准备工作1. 停电在进行电动机检查之前,必须确保电机已经停电,并将相应的电源开关关闭。
这是为了避免人员在操作过程中触电的风险,确保人员的安全。
2. 安全措施在进行任何电动机检查工作之前,必须戴好个人防护装备,例如安全帽、防护眼镜和绝缘手套。
这些措施可以有效地保护人员不受可能产生的电击伤害。
3. 准备工具检查电动机所需的工具包括扳手、电动螺丝刀、测试笔、测温仪等。
在开始检查前,确保准备齐全,并保证工具的使用安全。
三、检查步骤1. 外观检查首先,对电动机的外观进行仔细检查。
检查外壳是否有明显的损坏或变形,是否有杂物或灰尘堵塞通风口。
确保电动机外观无异常。
2. 连接检查检查电动机的接线是否牢固,接线端子是否有松动等异常。
确保接线的稳固和可靠。
3. 绝缘检查使用测试笔检查电动机的绝缘是否良好。
将测试笔依次接触电机的各个绝缘部分,检查测试笔是否有亮光或报警声。
若有,表示绝缘存在问题,需要及时修理或更换。
4. 轴承检查检查电动机的轴承部分是否存在异响或过热现象。
可以利用手轻轻旋转电动机,观察是否存在轴承卡滞或转动困难。
若存在以上问题,需要进行维修或更换。
5. 温度检查使用测温仪对电动机的温度进行检测。
正常情况下,电动机在运行中会产生一定的热量,但温度不应过高。
若发现温度异常过高,需要及时检修,并找出引起高温的原因。
四、检查后的处理措施1. 维修记录对检查过程中发现的问题进行记录,包括问题的种类、程度以及需要采取的处理措施。
这些记录可以为以后的维修和保养提供参考。
2. 维护保养检查后,及时对电动机进行相应的维修或保养。
电气设施检测作业指导书
一、作业目的:
本指导书旨在规范电气设施检测工作,确保设备正常运转、保障工作安全和生产效率。
二、作业范围:
本作业适用于所有需要对电气设施进行检测的现场。
三、作业流程:
1、准备工作:
(1)了解各设施的名称、用途和工作原理;
(2)查找设施相关资料,检查检测仪器是否齐全;
(3)检查检测仪器的正确性和完好性;
(4)核对检测仪器的操作说明。
2、检测工作:
(1)开启电源,检查设施的电气连接或电路了是否正确;
(2)按照检测仪器的操作说明,对设施进行检测;
(3)记录检测结果并做好文件归档。
3、收尾工作:
(1)关闭电源,撤回检测设备;
(2)清理工作区域,保持整洁干净。
四、安全注意事项:
1、在进行电气设施检测时,要注意电源是否已关闭并断电。
2、对于潮湿或有漏水情况的设备,请关闭电源,并寻求专业人
员进行维修。
3、操作检测仪器时需要佩戴绝缘手套、绝缘鞋等配备。
4、在进行检测时,不能将检测仪器及对应设施放置在不稳定的
位置上。
5、在进行检测时,应依照操作说明书的指引,不允许随意操作。
6、作业过程中,不能将工具松开,以免坠落引起意外。
五、作业质量控制:
1、检测仪器工作要稳定可靠,数据测量准确无误。
2、记录检测结果时,应负责认真,确保记录数据的完整和准确。
六、作业中的不良影响:
如果不按照要求进行电气设施检测,会导致设备工作故障、卡顿、甚至发生安全事故。
电源设备检修标准化作业指导书基本条件所需仪表、仪器、工具、耗材作业步骤1. 开关机步骤开机:UPS启动前检查准备工作注:APC SL UPS 标准系统图及SBP面板,以下流程描述,参见下图指示灯H003电池组1 电池组2UPS启动前的正常报警信息!注意如果报警信息中有上面没有提到的报警,请不要急于启动UPS,确认报警并与APC公司或APC授权技术工程师联系!注意以下报警信息说明UPS接线相序错误UPS正常启动1、 首次启动,确保UPS 在稳定环境中至少已存放12小时,从而确信在启动前,内部所有冷凝均已蒸发。
2、 在UPS 显示窗没有显示时,严禁闭合MCCB 或外接电池保险,否则有可能损坏UPS 。
3、 如果电池或充电故障,会提示“DC capacitor charge error ”。
此时,严禁闭合MCCB 或外接电池保险,否则有可能损坏UPS 。
4、 如果UPS 设置为自启动“Autostart ”(处于激活状态),则UPS 在第9步骤后再延时1分钟就会自动启动。
关机:或键直到显示!注意操作第9步时,UPS蜂鸣器报警30秒,可按键将蜂鸣器复位。
紧急情况下(UPS处于非正常状态):1.闭合SBP旁路开关Q003;2.将SBP输入开关Q001断开;3.将SBP输出开关Q002断开;如果UPS将进行长期关机或维修,进行步骤10操作后,断开MCCB或电池保险。
2. 面板指示灯(屏)状态检测要求:与运行状态吻合,不能出现工作正常而指示灯报警或出现故障无报警的情况。
检测步骤:查看记录两路输入市电指示等工作状态,哪一路为在线供电线路。
1号、3号灯为电源信号指示灯,灯亮为线路有电,灯灭为线路无电,正常情况下,1、3号灯常亮,表示电源输入回路都正常。
2号、4号灯为当前线路投运指示灯,灯亮表示该线路在线运行,灯灭为没有备用状态。
正常工作情况下,2、4号灯只能有一个灯亮。
处理方法:如出现非正常状态指示,请及时报修。
电源适配器检验作业指导书1.目的:掌握电源适配器的检验标准2.适用范围:电脑电玩厂所使用的电源适配器板3.检验仪器和设备:万用表、耐高压测试仪、示波器、交流毫伏表、调压器、游标卡尺、专用测试夹具、塞规、电批、卷尺4.检验项目和技术要求4.1.外观:4.1.1.面、底壳无开裂,毛刺、变形、划伤、缩水、污渍等现象;4.1.2.金属件无氧化、霉变、污渍、AC插脚、DC插头无松动、AC插脚转动机构灵活;4.1.3.螺钉无氧化、漏打、打花、打滑、松动等现象;4.1.4.线体无烫伤、划伤、破损、脏污、芯线无外漏骨;4.1.5.贴纸内容正确,铭牌贴纸无倒贴、贴歪、漏贴、贴错、翘起等现象;4.1.6.面和底壳缝隙不能大于1mm,配合良好,不能有内松动现象;4.1.7.铭牌贴或胶壳刻字内容要正确,文字清晰。
无错字、别字;4.1.8.丝印清晰,无错字、别字、毛边;4.1.9.充电盒电池极片无氧化,安装正确,无偏位现象.4.2.结构尺寸4。
2。
1。
各结构尺寸应符合原材料技术规格或样品尺寸要求;4。
2。
2.AC插脚:16±0.35mm,宽6.18-6。
40mm,间距为12。
7±0。
135mm,厚为1。
4-1。
5mm;4。
3。
开机检查4。
3。
1.适配器内部元件必须同样品一致;4。
3.2。
元件上锡良好,无虚焊、连焊;4。
3.3。
PCB伴无短路、断路、铜皮无翘起;4。
3。
4。
线圈包扎无氧化、松动、翘起等不良现象;4。
3。
5。
硅钢片无氧化、松动、翘起;4。
3。
6。
适配器内应无杂物.4.4。
电气性能4。
4.1。
电气性能参数如下4.4。
2.高压测试:经过下列条件时应无漏电、飞弧、击穿等A.初级对次级:3000V 10S 0。
5mA;B.初级对外壳:3000V 10S 0.5mA;C.初级对螺钉:3000V 10S 0。
5mA;4。
5.DC传输线:DC头无氧化,连接顺序无错乱;4。
6。
电池输出插座:无短路,无接触不良;4.7。
6.2.3尺寸测试报告,包括外形尺寸、各孔径、线路(金手指)宽度、线路(金手指)间距;6.2.4切片报告,包括各镀层厚度(金厚须附X-RAY量测记录)、S/M厚度,并提供1-2个切片供美赛达检查,附切片时同时附切片原PCB。
来料时缺少以上任意一项或以上任意一项不合格时,美赛达 IQC可拒收此批货。
6.3抽检PCB,确认其来料型号、版次应与样板一致,有要求时检查Date Code及UL等内容应标示清晰明确。
6.4抽检PCB外观,应符合规格要求(见后附检查项目列表)。
6.5有要求时抽取PCB样板进行上锡或阻焊性等实验,实验应符合要求。
注:本标准内所用工具为4倍镜或20倍镜,在看不清晰的情况下将进行调整或用更高倍的检查仪器来检测。
检查项目缺陷名称图例检查工具判定说明不良等级备注CRI MAJ MIN抽样前检验包装不良目视PCB来料需真空防潮包装,包装应牢固可靠,外箱应注明数量,美赛达料号等√标示不良目视无标示或标示错误,涂改或与要求不符√数量不符目视来料数量应与供应商送货数量及送检单上数量一致√来料错/混料目视来料与送检型号,实物与外箱标示不一致或混料√丝印模糊目视/放大镜印刷基本清晰,缺划、重影但可辨认可接受。
字迹模糊缺划重影不可辨认不接受√偏位目视/放大镜丝印偏位不大于0.5mm,且不影响装配可接受√错漏目视/放大镜丝印不允许有错漏√金手指缺损目视/放大镜缺损的宽度不得大于总宽度的20%√露铜/露镍目视/放大镜不允许有露铜/露镍√凸点目视/放大镜1部位≤0.1mm2部位≤0.2mm√ 1 1/4H2 2/4H1 1/4H凹点/针孔目视/放大镜允许两个不大于0.1mm的针孔或凹点,但不允许露铜、镍√檫花目视/放大镜1、如刮破表面镀层,则以露铜为判定标准;2、非BOND位镀层可允许两条刮痕,且长度≤10mm(宽度≤0.2mm)√镀层表面有刮痕,如未刮破表面镀层,则定义为檫花异物目视/放大镜金手指位不能有异物√残铜目视/放大镜残铜的宽度不影响相邻两金手指间距宽度的20%可接受√变色目视/放大镜1、轻微变色不影响上锡可接受;2、严重变色,如金面发黑、变红、生锈则不可接受√压伤目视/放大镜金手指压伤露铜露镍不允许,不露铜露镍则按凹点标准判定√铜皮断/翘起目视/放大镜金手指位铜皮翘起与断铜皮均不允许√批峰目视/放大镜板边轻微批峰不刮手可接受,但要求铜皮不翘起且不影响两G/F间距的20%√线路开路目视/万用表因制程或人为原因造成的本应导通的线路或金手指断开的现象均判定为开路√短路目视/万用表因制程或人为原因造成的本应断开的线路或金手指连在一起的现象均判定为短路√缺口目视/放大镜线路缺口不得影响线路宽度的20%√蚀板未净目视/放大镜蚀板未净是指蚀刻时未将两线路/PAD之间的铜蚀刻干净的现象,蚀板未净的铜宽度不影响两线路间距的20%可接受√露铜目视/放大镜金手指外每面可接受2点不大于0.2m㎡的露铜√渗金/ 渗油目视/放大镜在镀金或印碳的时候金粉或碳向外扩展的现象称为渗金/渗油。
电源线检验作业指导书序号检验项目技术要求检验方法1 外观表面光滑、无气泡、划伤、破损、脏污、裂纹等缺陷,插片应有防腐蚀保护层,无起层和剥落现象。
目测2 标识电源线上应有生产厂或商标,型号规格,额定电压,额定电流,芯数,导体标称截面积或线号,标准号等,用蘸水及汽油的棉布以3N的力来回擦拭10次应擦不掉,并符合认证要求。
目测和用布擦拭电源线一个完整标志的末端与下一个标志的始端之间的距离:标志在外护套上应不超过550mm;标志在电缆绝缘上应不超过270mm。
用游标卡尺测试插头上应有生产厂或商标,型号规格,额定电压(UL除外),额定电流(UL除外),电源性质,中性极、接地极和带电极的符号,标志应经久耐用,清晰易辨,分别用蘸水及汽油的棉布以3N的力来回擦拭15S应擦不掉,符合认证要求等。
目测和用布擦拭3 尺寸符合相关图纸或技术文件要求,但插头插销离边缘的距离应不小于6.5mm。
用游标卡尺、千分尺测试4 电气强度将样品放置在温度为20±5℃水中浸泡至少1h,然后在电源线两导电线芯间、插销两极间,插销与绝缘层间,插销与护套层间施加交流电压,对于:把样品放水槽测试绝缘厚度0.6mm及以下的样品,施加交流电压1500V,5min,样品无击穿现象。
按电气强度试验作业指导书用耐压测试仪测试绝缘厚度0.6mm以上的样品,施加交流电压2000V,5min,样品无击穿现象。
按电气强度试验作业指导书用耐压测试仪测试对插头的极与极,极与本体之间,施加交流电1min,样品无击穿现象,试验电压为:对额定电压130V及以下,为1250V;对额定电压130V以上,为2000V。
按电气强度试验作业指导书用耐压测试仪测试芯线与外绝缘层间为基本绝缘加附加绝缘的样品,施加交流电压4000V,1min,样品无击穿现象。
按电气强度试验作业指导书用耐压测试仪测试5 绝缘电阻电源线两导电线芯间、插销两极间,插销与绝缘层间,插销与护套层间的绝缘电阻,在温度为20℃时应不小于100MΩ。
中山鑫辉电子有限公司
规 格 型 号
A B
C
序号检验项目
检测器具类别
0.25 1.0
1包 装目测C 2标 识目测C 3
尺 寸
目测
B
薛大成
审核: 审批:6
试装5
GB/T 2828.1 —2003正常一次抽样Ⅱ级水平
5~10PCS C
1.包装有明确标签,标签正确、完整。
1.包装是否完好,符合运输及储存要求。
1.来料实物型号是否与送货单要求一致。
共用类
目测检 验 指 导 书
4
外 观
物 品 名 称《I QC 检验报表》
抽样方式
AQL 值
记录
检 验 标 准
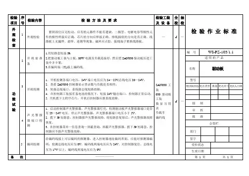
驱动电源板
B 文件编号: 版本:A/2
生效日期:
图示/检验条件
注意
编制:
铬铁万用表数字电桥
7
试验
性能检验记录项阻值(R)、尺寸、试验
B。