打标机红光定位灯
- 格式:ppt
- 大小:33.00 KB
- 文档页数:3
光纤激光打标机操作规程《光纤激光打标机操作规程》一、概述光纤激光打标机是一种利用光纤激光器将能量转换为激光束,通过调控激光束的强弱和位置,对材料进行刻印、雕刻、打标等加工工艺的设备。
为了保障操作人员的安全及设备的正常运行,制定本操作规程。
二、操作准备1. 操作人员应穿着合适的工作服,戴好防护眼镜和手套,确保个人安全。
2. 在打标机周围设置明显的警示标志,以保证他人在操作过程中远离设备。
3. 确保打标机周围环境整洁,杂物清除。
三、设备操作1. 打开电源开关,确保设备供电正常。
2. 检查设备工作状态,包括光路联通、电源运行状态等,确保一切正常后方可进行下一步操作。
3. 将需要打标的材料放置于标刻台上,调整好位置和角度。
4. 根据要求调整设备参数,包括激光光束强度、标刻速度、字体大小等。
5. 启动设备,开始进行打标操作。
6. 操作过程中,如需调整设备参数或中途暂停,应先停止打标操作,并确保激光束完全消失后进行调整或操作。
四、安全事项1. 在操作过程中,严禁将手指、手臂等身体部位直接放入激光束范围内。
2. 长时间操作前,应确保设备工作正常,避免激光打标机出现故障而引发安全事故。
3. 激光束有一定的烧伤能力,所以不要将激光束直接照射到人体或易燃物体上。
4. 在操作过程中,如发现任何异常情况和设备故障,应立即停止操作,并及时报告维修人员处理。
5. 操作完成后,关闭电源开关,确保设备断电。
五、设备维护1. 定期对设备进行清洁,保持设备的外部和光路的清洁度。
2. 检查设备电源线、联接线等是否正常,如发现损坏或老化现象,应及时更换。
3. 定期对光纤激光器及相关部件进行维护保养,使用适当的清洗剂清洁设备内部。
4. 如需维修或更换设备零部件,应由专业人员进行操作,以免损坏设备。
六、操作规程守则1. 操作人员应严格按照操作规程进行操作,不得擅自更改设备参数或程序。
2. 操作人员应接受相关培训,了解设备的基本原理、操作方法和安全事项。
上海磐川光电科技有限公司激光定位灯产品说明书激光定位灯(镭射定位灯)专业术语:激光定位灯又称:镭射定位灯,红光定位灯,红光投线仪,红光对刀仪,红外线定位灯,红外线定位仪,红光一字线定位灯,红光点状定位灯,红光十字线定位灯,一字镭射灯,十字镭射灯等产品特点优点:*智能反馈控制电路;*高效透过率光学系统;*低功耗,高效能光功率输出;*性能稳定,一致性好,使用寿命长;应用领域:包装机械、SMT/电路板,石材机械,木工机械,纺织服装机械,金属锯床的对刀、标线、定位、对齐等激光产品特点及工业用途:激光的发射具有普通光所不具有的特点:单色性好、相干性好、方向性好以及高亮度。
利用其激光的定向性好和高亮度,性能稳定、体积小、使用安装便捷等优点,广泛应用于工业检测、工业机械、数控设备、电动工具、工程施工、建筑装璜、印刷、纺织服装、切割焊接等领域的激光定位、激光标线、激光水平、激光垂准、激光指示仪以及激光娱乐照明等.利用,各种板材切割成型机、石材机械、木工机械、金属锯床、包装机械的对刀、放线、服装类(缝纫机、裁剪机、自动手动断布机、开袋机、套结机、拉布机、印花机、钉扣机、铆钉机、啤机)、激光笔等产品中,方便快捷、直观实用、易于安装、稳定可靠。
可以提高工作效率,降低人力和生产时间的成本,提高工作精确度。
产品应用售后服务产品提供一年质保,三年保修。
我们全体员工愿真诚地为您提供周到专业的服务。
欢迎用户提供宝贵的改进意见技术支持上海磐川光电科技有限公司上海市浦东新区成山路2222号6#大楼六层电话:+86-21-50786780 传真:+86-21-68366296 E-mail:sales@使用注意事项1)激光定位灯使用应注意相关的激光使用安全规定,不能直射人眼;2)激光器中半导体激光管属静电敏感器件,应遵守相关的静电防护规定。
测试和使用环境应保证没有静电;3)电源线请勿用力拽拉;4)电源电压不要超过DC 5 V,最好选用激光器专用直流稳压电源供电,“+”(红线)、“−”(黑线)极性绝对不可接反;5)激光器通电时,“+”(红线)、“−”(黑线)极电源线绝对不可短路,以免烧毁激光器;6)自制稳压电源请注意消除浪涌脉冲电压电流,稳压53V或<3V将延长使用寿命,避免在各种浪涌脉冲较大的场合中使用激光器;7)激光器人为损坏或私自拆开激光器后不予保修。
激光打标机操作规程引言概述:激光打标机是一种常见的工业设备,用于在各种材料上进行永久性的标记。
为了确保操作的安全性和有效性,以下是激光打标机的操作规程。
一、设备准备1.1 清洁设备表面:在使用激光打标机之前,确保设备表面干净整洁,没有杂物或灰尘。
使用干净的软布擦拭设备表面,以确保标记质量和设备寿命。
1.2 检查冷却系统:激光打标机通常需要配备冷却系统以保持设备正常运行温度。
在操作之前,检查冷却系统是否正常工作,确保冷却液位适当,并清洁冷却系统的滤网。
1.3 校准激光束:激光束的准确对准对于保证标记质量至关重要。
在操作之前,使用专业的激光校准工具,确保激光束正确对准。
二、操作步骤2.1 设定标记参数:根据标记需求,设定合适的标记参数。
这些参数包括激光功率、扫描速度、标记深度等。
根据不同材料的特性,调整参数以获得最佳的标记效果。
2.2 材料固定:将待标记的材料固定在激光打标机的工作台上,确保材料处于稳定的位置,以避免标记偏移或模糊。
2.3 启动激光打标机:按照设备说明书的要求,启动激光打标机。
在启动过程中,确保设备工作区域周围没有人员,以防激光辐射对人体造成伤害。
三、安全措施3.1 穿戴个人防护装备:在操作激光打标机时,操作人员应穿戴适当的个人防护装备,包括防护眼镜、防护手套等,以保护自身安全。
3.2 避免直接观察激光束:激光束对眼睛有潜在的危害。
在操作激光打标机时,避免直接观察激光束,以免对眼睛造成损伤。
3.3 定期维护设备:定期检查和维护激光打标机,包括清洁光学组件、更换耗材等。
遵循设备制造商提供的维护指南,确保设备的正常运行和使用寿命。
四、事故处理4.1 停止操作:在发生事故或异常情况时,立即停止激光打标机的操作,并切断电源。
4.2 报告上级:将事故情况及时报告给上级主管,并按照公司规定的程序进行处理。
4.3 安全培训:对操作人员进行必要的激光安全培训,提高其对激光打标机操作规程的认识和理解,以减少事故发生的可能性。
光纤激光打标机安全操作规程适用范围:激光打标机杭州海容激光技术有限公司管理内容:操作人员必须熟知本操作规程,掌握本机的性能、结构和使用范围,经培训合格后方可操作。
一、开机与关机1.1.开机顺序打开总电源→电脑→振镜→红光→激光→打标程序→开始打标1.2.关机顺序激光→红光→振镜→退出程序→关闭电脑→关闭总电源二、设备日常保养1.1. 光学器件先用镜头纸沾酒精,把透镜镜1外表面清洗干净,然后小心卸下透镜2-3并清洗透镜镜内表面。
最后用棉签沾酒精清洗X/Y反射镜。
2.2 . 设备清洁定期清理工作台和设备表面灰尘。
2.3. 电脑主机和软件系统定期清理电脑电源,CPU风散灰尘,电路板上灰尘。
定期对打标内容进行文件数据备份,病毒扫描等。
2.4. 电源系统电压波动范围±5%。
不要在振镜头附近拨打和接听手提电话,对讲机等具有高强度电磁波辐射物。
接地电阻不大于0.5Ω。
(设备附近不能有带有强磁场的设备例如:焊接机、切割机等会影响设备打标)2.5. 风冷系统保持风机系统周围进出风通畅,定期清理风机上面的灰尘,(包括激光器散热风机和散热器)。
三、操作人员操作规程3.1.开机前1、操作人员需清洁设备外观和周围的工作环境(清洁设备时,禁止移动机器),做到无杂物、无尘、洁净,设备摆放整齐,无不相干的物品。
2、检查场镜盖子是否盖在镜头上面,若在上面必须将其取下避免激光烧坏镜盖。
4、若发现聚焦镜头上有油脂,须取下镜头,用卫生纸蘸99.5%以上纯酒精擦洗,然影响打标效果。
5、操作人员必须戴上防护镜和防护手套。
3.2.安全注意事项1、打标时操作人员的手不能触碰到光纤激光打标机的焦点(即激光和被加工件的接触点)。
2、不要去乱动主控机箱上面的按钮开关。
3、不要用手去触摸激光打标头,此时激光正在高度运行中,温度极高十分危险。
4、若发现聚焦镜头上有油脂,须取下镜头,用棉签蘸99.5%以上纯酒精擦洗,否则影响打标效果。
5、请勿在易爆环境下工作6、确定供电电源必须有接地线且开关有保护装置。
ZX-B-100二氧化碳打标机利用说明尊重的用户:您好!感激您选用众鑫激光B-100打标机,它将以优良的性能为您的产品提供高质量、高效率的标记效劳。
为使您的机械达到最正确利用成效,请在利用前认真阅读本操作说明书。
专门提示注意以下事项:一、因本机要紧部件为光学元件,为维持其清洁,应确保安装室内干澡清洁,无尘埃,最好是空调环境。
二、机械内部有220V交流电源,请勿擅自打开电源机箱,以防触电。
3、每次开机前请确保水箱内水位达到温度探头的位置,按期改换水箱的水源以确保其干净清洁。
东莞众鑫激光设备:0769-:0769-:地址保护效劳:9目录一、简介激光打标是利用激光的高能量作用于工件表面,使工件表面达到刹时气化,并按预定的轨迹,刻写出具有必然深度的文字、图案。
B-100激光打标机是利用波长为的气体CO2激光,通过操纵振镜的偏转来达到标刻的目的。
激光振镜打标具有标记速度快、持续工作稳固性好、软件功能强、定位精度和重复精度高等优势,普遍应用于鞋材、皮革、服装、亚克力、木材、橡胶、集成电路芯片、电脑配件、烟草等众多领域的图形和文字的标记。
型号说明:100W玻璃管激光器要紧技术参数:激光波长:μm激光器输出功率:100W最大直线刻写速度:7000mm/s标刻范围: 100*100mm, 200*200mm 250*250mm重复精度:定位精度:标刻线深: ,视材料供电: 220v、二、激光打标机工作原理激光电源产生恒流,二极管导通;当工作电流达到阈值,光腔输出持续激光;输出激光通过由运算机操纵的振镜反射偏转,经F-θ透镜聚集到工作表面,形成高功率密度光斑(约106w/mm2)使工件表面刹时气化,刻蚀出必然深度的图案文字。
三、B-100激光打标机的组成及各部件功能总那么B-100激光打标机要紧由五部份组成,即:激光器系统、主控箱、振镜扫描系统、运算机操纵系统及冷却系统。
B-100打标机光路示用意激光器系统咱们采纳当前国内最先进的100W玻璃管激光器。
激光打标机操作规程
激光打标机是一种高科技加工装备,在使用时应注意相关的操作规程。
下面就为大家介绍一下激光打标机的操作规程。
一、激光打标机的安装
1. 卸下包装箱,检查机器是否完好无损,确认所有附件是否齐全。
2. 取出机器放在使用场所,安装支架并固定好。
3. 将电源线插入对应的插座并接好地线,开启开关,使机器达到工作电压。
二、激光打标机的使用
1. 开启电源,保证激光管正常工作。
2. 打开电脑,启动打标机软件。
3. 将需要标注的物品放在标注平台上并固定好。
4. 在打标机软件中输入所需的标注内容和参数,并进行预览。
5. 调整好打标机加工参数,选择好打标位置并开始进行标注。
三、激光打标机的维护与保养
1. 定期检查激光打标机的主要部件是否正常,如检修机头、反光镜、激光管等。
2. 清除打标机内部的灰尘和污渍,保持清洁。
3. 定期对打标机进行保养,润滑机器运行部件,如滑动轴承、丝杠等。
4. 随时注意激光打标机的安全事项,避免误操作导致事故。
以上就是激光打标机操作规程的相关内容,希望对您有所帮助。
在使用激光打标机的过程中,必须保证安全性,严格按照规程进行
操作,才能有效地保护设备,延长其使用寿命。
激光打标机振镜原理及常见的故障排除扫描激光振镜介绍高速扫描激光振镜系统是一种专门为光学扫描应用而设计的高性能旋转电机。
电机部分采用一种高精度的位置传感器。
主要应用于对光束的快速精准定位。
高速激光振镜是多年的工业激光振镜扫描系统开发和生产经验的结晶。
针对镜片负载而专门设计的电机能够到达最理想的扫描性能激光打标机/对轴承部分采用特殊处理,能够胜任长期的不间断运行。
对轴承的特殊设计能够使系统达到最高的动态性能和谐振特性。
国际领先的数字控制方式能够有效的避免工作环境中的各种电磁干扰,先进的控制算法能够确保系统具有更快的响应速度。
高速扫描激光振镜所采用的光电传感器具有高分辨率和非常好的重复精度以及非常小的漂移量。
电机具有加热装置及温度传感器,在环境波动的情况下仍能够稳定的工作。
高速扫描激光振镜能够保证长期的稳定运行。
激光振镜的原理:激光振镜的原理是:输入一个位置信号,摆动电机(激光振镜)就会按一定电压与角度的转换比例摆动一定角度。
整个过程采用闭环反馈控制,由位置传感器、误差放大器、功率放大器、位置区分器、电流积分器等五大控制电路共同作用。
而数字激光振镜的原理则是在模拟激光振镜的原理上将模拟信号转换成数字信号。
深圳激光打标机/扫描激光振镜是打标机的核心部件,打标机的性能主要取决于扫描激光振镜的性能。
当前国内使用的激光振镜都属于模拟激光振镜,实现主要还是使用模拟器件,因为模拟器件容易受到周围环境的电磁辐射干扰,所以在使用过程中会出现有散点,线条弯曲,填充具有不规则底纹等现象。
且国内模拟激光振镜速度相比国外都比较慢其小步长阶跃响应时间都在300um以上。
数字激光振镜使用数字信号进行运算来控制电机,能够有效抑制环境干扰,即使工作环境电磁干扰严重,也可以正常使用。
本系统采用国外控制技术,系统响应速度非常高,基本超越同类型国内激光振镜系统。
电机采用特殊工艺,寿命长,性能稳定可靠。
扫描激光振镜介绍高速扫描激光振镜系统是一种专门为光学扫描应用而设计的高性能旋转电机。
激光打标机操作规程《激光打标机操作规程》一、激光打标机基本操作步骤1.1 开启激光打标机电源,确保设备处于工作状态。
1.2 打开打标软件,并进行相关参数设置。
1.3 将待打标物品放置在工作台上,并固定好位置。
1.4 进行试运行,检查打标效果是否符合要求。
二、激光打标机安全操作规范2.1 操作人员在使用激光打标机时需佩戴防护眼镜,确保自身安全。
2.2 注意防止激光光束直射人眼,避免造成伤害。
2.3 在操作过程中,严禁操作人员触摸激光器及相关部件,避免触电或机械伤害。
2.4 在设备正常工作时,不得随意更改任何设备参数及操作设置。
三、激光打标机日常维护3.1 定期对激光打标机进行清洁,保持设备干净整洁。
3.2 定期检查激光打标机的电源线、信号线等电器连接部分,确保连接牢固。
3.3 定期对激光打标机进行润滑维护,确保设备正常运行。
3.4 定期对激光器进行清洁和检查,保持激光器光束的正常输出。
四、激光打标机故障处理4.1 在激光打标机出现故障时,应立即停止使用,并及时通知维修人员进行处理。
4.2 在维修人员到达之前,不得私自进行设备拆卸或维修,以免造成更大的损坏。
五、激光打标机禁用规定5.1 未经培训的人员不得擅自使用激光打标机。
5.2 在未经许可的情况下,不得私自更改激光打标机的参数及操作设置。
5.3 对于已被指定报废的激光打标机,不得再次使用。
六、激光打标机操作规程宣传6.1 对激光打标机操作规程进行充分宣传,确保所有操作人员熟知操作规范。
6.2 定期进行激光打标机操作规程的培训和考核,确保操作人员的操作规范。
6.3 建立激光打标机操作规程守则,对违规操作进行相应处罚。
以上即为《激光打标机操作规程》的相关内容,希望广大操作人员牢记规程,严格遵守操作规范,确保激光打标机的安全运行。
激光打标机使用教程激光打标机是一种利用激光技术进行永久性打标的设备。
它可以通过激光束在各种物体表面上进行刻印、雕刻和打标,它在电子设备生产、工艺制造、医疗设备、皮革制品、手表珠宝等行业得到广泛应用。
下面是激光打标机的使用教程。
首先,在使用激光打标机之前,需要准备工作,包括:安装激光打标机,连接好相应的电源和电源线,打开电源开关。
然后,打开电脑,连接激光打标机和电脑,确保两者之间的连接良好。
打开相应的激光打标机软件,在电脑上进行设置和操作。
在进行刻印之前,需要将待刻印的物体放置在激光打标机的工作台上,并调整好位置。
接下来,在激光打标机软件上选择相应的图案或文字,将其导入软件界面,对图案或文字进行编辑和调整。
在进行刻印之前,需要进行参数的设置。
包括选择合适的激光功率和频率,选择合适的刻印速度和深度,根据实际需求进行调整。
设置好参数后,可以点击“开始刻印”按钮,激光打标机就会开始进行刻印。
在刻印过程中,需要注意安全。
保持距离激光打标机的安全距离,避免直接接触激光束。
避免刻印物体周围的其他物体被误刻或烧坏。
刻印完成后,及时关闭激光打标机和电脑,进行必要的清理和维护工作,保持设备的良好状态。
在日常使用过程中,还需注意保养和维护激光打标机。
定期清洁设备表面和镜片,保持设备的清洁。
检查电源线和连接线是否有损坏,及时进行更换。
注意及时更换耗损的激光管,以保证设备的正常工作。
总结而言,激光打标机的使用教程包括准备工作、软件设置、物体放置、参数设置、安全操作等步骤。
合理使用激光打标机,能够为我们的工作和生活带来便利和效益。
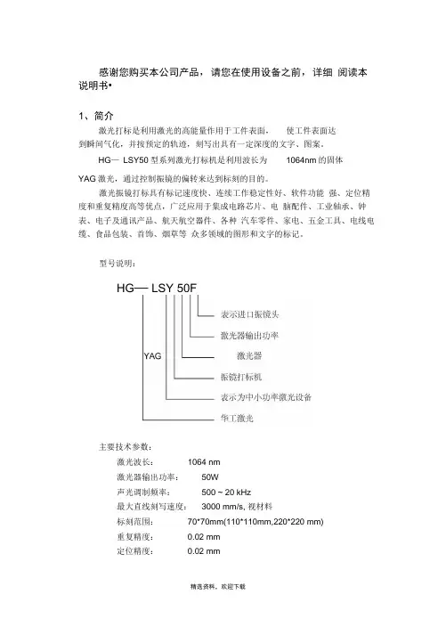
感谢您购买本公司产品,请您在使用设备之前,详细阅读本说明书•1、简介激光打标是利用激光的高能量作用于工件表面,使工件表面达到瞬间气化,并按预定的轨迹,刻写出具有一定深度的文字、图案。
HG—LSY50型系列激光打标机是利用波长为1064nm的固体YAG激光,通过控制振镜的偏转来达到标刻的目的。
激光振镜打标具有标记速度快、连续工作稳定性好、软件功能强、定位精度和重复精度高等优点,广泛应用于集成电路芯片、电脑配件、工业轴承、钟表、电子及通讯产品、航天航空器件、各种汽车零件、家电、五金工具、电线电缆、食品包装、首饰、烟草等众多领域的图形和文字的标记。
型号说明:HG—LSY 50F主要技术参数:激光波长:1064 nm激光器输出功率:50W声光调制频率:500 ~ 20 kHz最大直线刻写速度:3000 mm/s, 视材料标刻范围:70*70mm(110*110mm,220*220 mm)重复精度:0.02 mm定位精度:0.02 mm标刻线深:0.05 ~ 0.1 mm2、 激光打标机工作原理激光电源产生瞬间高压(约 2万伏)触发氟灯,并以预设定电 流维持,氟灯点燃;当工作电流达到阈值,光腔输出连续激光;调 Q 器件对连续激光进行腔内调制,产生准连续激光(频率可调),以提高输出激光的峰值功率; 输出激光通过由计算机控制的振镜反射偏转,经 F- B 透镜聚集到工作表面,形成高功率密度光斑(约 106 w/mm )使工件表面瞬间气化,刻蚀出一定深度的图案文字。
3、 H GL-LSY50激光振镜打标机的构成及各部件功能3. 1 总则HGl — LSY50型激光振镜打标机是由氟灯泵浦的固体 YAG激光打标机,它主要由五部分组成,即:激光器系统、声光 调制系统、振镜扫描系统、计算机控制系统及冷却系统,外 形结构如图一所示。
图一整机外形构造图3. 2激光器系统激光器系统主要由激光工作物质、泵浦氟灯、聚光腔、谐振 腔组成。
深圳市三角铁科技有限公司SHENZHEN M-TRIANGEL TECHNOLOGY CO,.LTDPG oneS激光打标机打标机简介安装、使用产品前,请仔细阅读本使用说明尊敬的用户:在使用本产品之前,请您一定花时间阅读理解本说明书,请熟悉本说明书中所提供的信息,它将提供给您各种诸如安全和其他方面等重要操作信息。
在所规定的支持保修范围内,本公司履行承诺的保修服务,超出所在规定的保修范围的,恕不承担保修服务。
对于在使用本产品过程中可能造成的损失,本公司不承担相关责任。
如发生任何争议,应按中华人民共和国的相关法律解决。
本公司随时可能因为软件或硬件升级对使用说明书的内容进行更新,所有这些更新都将纳入使用说明书新的版本中,恕不另行通知。
对于未按照本说明书中的操作而造成的损失,本公司不负任何责任。
本说明书中包括的所有专利权和知识产权都是无偿共享的。
打标软件功能强大,可兼容CorelDRAW、AutoCAD、Photoshop等软件的文件;支持PLT、DXF、BMP、JPGE等,可直接使用SHX、TTF字库;支持自动编码、打印序列号、批号、日期、条形码、二维码、自动跳号等。
第一章概述1.1 激光标记原理激光具有高亮度、高方向性、高单色性和高相干性,是普通照明光源所无法比拟的。
激光束通过聚焦后,在焦点处可产生数千度乃至上万度的高温,使其可能加工几乎所有的材料。
激光打标是用激光束在各种不同的物质表面刻上永久性的标记。
打标的效应是通过表层物质的蒸发露出深层物质,或者是通过光能作用导致表层物质的化学物理变化而“刻”出痕迹,显示出所需刻蚀的图形、文字。
1.2 激光标记特点a)可对多种金属、非金属材料进行加工,尤其对高硬度、高熔点、脆性材料进行标记更显优势。
B)属于非接触加工、不损坏产品,无刀具磨损,标记质量好。
c)激光束细,加工材料消耗很小,加工热影响区小。
d)加工效率高,采用计算机控制,易于实现自动化。
1.3产品概述光纤激光打标机是集激光、计算机、自动控制、精密机械技术为一体的高科技产品。
激光打标机操作规程引言概述:激光打标机是一种高精度的设备,广泛应用于各种行业,如电子、汽车、医疗等。
正确操作激光打标机可以保证产品质量和生产效率。
本文将详细介绍激光打标机的操作规程,匡助操作人员正确、安全地使用设备。
一、操作前准备1.1 确认设备电源温和源已接通,设备处于正常工作状态。
1.2 检查激光打标机工作平台和镜片等零部件是否干净,无杂物。
1.3 穿戴符合安全规范的劳动防护用品,如护目镜、手套等。
二、设备操作步骤2.1 打开激光打标机软件,导入需要打标的图形或者文字。
2.2 调整打标参数,包括激光功率、打标速度、扫描次数等,根据实际需求进行设置。
2.3 将待打标物品放置在工作平台上,调整焦距和位置,确保打标位置准确。
三、安全操作注意事项3.1 避免直接观察激光束,以免对眼睛造成伤害。
3.2 长期操作激光打标机时,应注意设备散热,避免过热损坏设备。
3.3 禁止在操作过程中随意更改激光打标机参数,以免影响打标效果。
四、操作结束后处理4.1 关闭激光打标机软件,断开电源温和源。
4.2 清洁设备工作平台和镜片,保持设备清洁干净。
4.3 对设备进行定期维护保养,确保设备长期稳定运行。
五、常见故障处理5.1 若激光打标效果不理想,可检查激光功率和镜片是否需要清洁或者更换。
5.2 若设备浮现故障无法正常工作,应及时联系设备维修人员进行处理。
5.3 遇到紧急情况或者异常情况时,应即将住手操作,确保人员安全和设备完好。
结语:正确的操作规程可以匡助操作人员更好地利用激光打标机,提高工作效率和产品质量。
遵守操作规程,并定期进行设备维护保养,可以延长设备使用寿命,确保生产顺利进行。
希翼本文的内容能够匡助读者更好地了解激光打标机的操作规程,提高工作效率和安全性。
激光打标机操作讲解
第一步:设备准备
1.确保激光打标机连接电源,并打开电源开关。
2.检查激光打标机的冷却系统是否正常工作,确保水箱内有足够的冷却水。
3.打开激光源,等待一段时间,确保其温度稳定。
第二步:设备调试
1.打开打标软件,连接激光打标机。
2.选择需要打标的文件或者输入需要打标的文字。
3.通过调节激光功率、频率、速度等参数,进行打标效果的调试。
4.定位和选择打标位置,确认打标范围。
第三步:设置打标参数
1.根据打标物体和需求,选择适当的打标参数。
2.对于不同的材料,需要进行一些特殊的处理,如设置不同的功率密度。
3.如果需要进行连续打标,可以设置打标路径、打标次数等参数。
第四步:开始打标
1.将待打标物体放置在打标台上,并通过调节纵向、横向移动台使其对准打标位置。
2.点击打标软件中的“开始打标”按钮,开始进行打标操作。
3.在打标过程中,确保设备的稳定,避免干扰和误操作。
4.打标完成后,及时关闭激光打标机和打标软件。
第五步:检查和调整
1.检查打标效果,确认是否满足要求。
2.如果需要进行微调,可以通过调整打标参数或者对打标位置进行微调。
第六步:维护和保养
1.每次使用后,清洁打标机和打标台,确保无异物和灰尘。
2.定期检查激光打标机的各个部件和连接线,如有异常,及时修复或更换。
3.定期维护激光源和冷却系统,保证其正常运行。
4.对激光打标机进行定期保养,润滑相关部件。
总结:。
为什么激光打标机打出的图像变形?随小编一起来看看吧。
激光打标机打出的图像变形有很多原因,要不就是图形自己没做好,要么就是参数没调好,如果出现这种问题,我们可以通过以下下几种方法检测调整!激光打标在作图时图形自己没有做好,可以重做调整。
2、设备参数没有调好,重新调解失真校正里面的枕形胀形和水平笔直较正。
3、设备振镜没有调好。
重新调试。
4、打标机打标软件或者系统有问题,需重新安置打标软件或系统。
5、振镜坏,调换振镜测试。
扩展资料:激光打标机打标图文深浅不一的原因及解决方法:激光打标机是一种高科技的现代技术设备,激光打标机设备应用的范围比较广泛,在各种电子元器件,建材等上面的字很多都是利用激光打标机打上去的。
不过这种设备在使用的时候也会出现一些故障,比如说打标文字和图案深浅不一等问题,怎么解决呢?出现这种情况的原因又是什么?1、镜头有污渍或者是有擦伤解决方法:如果是有污渍的话可以使用棉签和酒精对镜头、扩束镜、聚焦镜进行擦洗,擦干净表层的物质就可以,切记不可用硬物去擦拭镜片;如果镜片有划痕或者有其他损坏那么就只能更换打标机镜头。
2、光路出现了偏离的情况解决方法:如果是光路偏离了,只需要重新调节一下光路就可以。
3、打标速度过快以及填充方式的不合理解决方法:降低打标的速度,对原来的填充方式进行调整,另外要确定工件是不是出于处于上面,对焦点进行重新的调整。
4、打标机的电流问题解决方法:如果是因为设备的电源电流过小的话也会影响到打标出来的图文深浅不一,这个时候要加大激光电源的电流,减少打标机的频率,让打标机可以正常的运行,避免打标上去的字过浅的情况。
激光打标机红光的作用及调整方法:对于了解激光打标机设备的都知道,一般激光打标机都带红光指示、红光调节,但是也有一部风激光达标设备是没有这个功能的,所以准备采购激光打标设备时一定要咨询清楚。
那么红光调节到底有什么作用,怎么调节?1、位置定位:仅当设置了标志的位置时,才能有效地进行加工和生产。
激光打标机组成部件一、概述激光打标机是一种利用激光束在各种材料上进行标记、刻字、雕刻的设备。
它由多个组成部件组成,每个部件都发挥着重要的作用。
本文将详细介绍激光打标机的各个组成部件及其功能。
二、激光发生器激光发生器是激光打标机中最核心的部件之一。
它通过电力或光能的输入,在激光介质中产生有一定相干性的激光光束。
常见的激光发生器有CO2激光器、光纤激光器、半导体激光器等。
不同类型的激光发生器适用于不同的材料和标记要求。
三、光束传输系统光束传输系统主要由准直镜、聚焦镜和光纤组成。
激光发生器产生的激光光束经过准直镜的调整,再经过聚焦镜的聚焦,最终通过光纤传输到加工头。
该系统的作用是确保激光光束的稳定性和聚焦性,使其能够准确地照射到待加工物体上。
四、加工控制系统加工控制系统是激光打标机的大脑,它由控制器和控制软件组成。
控制器接收用户输入的标记内容,并将其转换为机器可识别的指令。
控制软件则负责生成激光打标的路径,控制激光发生器的开关和功率,实现精确的标记。
五、扫描振镜系统扫描振镜系统用于控制激光束在加工平面上的扫描轨迹。
它由X轴振镜和Y轴振镜组成。
X轴振镜负责控制激光光束在水平方向上的位置变化,Y轴振镜负责控制垂直方向上的位置变化。
通过改变振镜的角度和频率,可以实现不同形状和尺寸的标记。
六、工作台工作台是激光打标机上支撑待加工物体的平台。
它通常由铝合金制成,具有良好的稳定性和耐磨性。
工作台可以在水平方向和垂直方向上调节,以适应不同尺寸和高度的物体。
七、辅助设备辅助设备包括冷却系统、气源系统和排风系统。
冷却系统用于降低激光发生器和光学元件的温度,确保其正常工作。
气源系统提供气体,如氮气、氧气等,用于辅助激光打标过程中的材料剥离、切割等。
排风系统用于排出激光打标过程中产生的烟尘和废气,保证操作环境的清洁和安全。
八、总结激光打标机是一种多组成部件组成的精密设备。
激光发生器、光束传输系统、加工控制系统、扫描振镜系统、工作台和辅助设备共同协作,实现高效、精确的激光打标功能。
上海磐川光电科技有限公司十字线激光定位灯(十字线激光定位器)说明书十字线激光定位灯(十字线激光定位器)型号:PL-650DL-SA专业术语:十字线激光定位灯其他名称:十字线激光定位器,十字线定位灯,十字红光划线仪,红光十字线定位仪, 十字线光源等产品特点:*半导体激光管芯;*智能反馈控制电路;*高效透过率光学系统;*低功耗,高效能光功率输出;应用领域:广泛应用于机械板金标线,电锯锯物标线、定位,切割机型材切割标线、定位,SMT/电路板网版印刷定位,医疗设备CT/CB/核磁病灶十字定位,十字线模板定位,纺织印染成衣定位,轮胎定位等领域;产品工业用途:十字线激光定位灯(十字线激光定位器)利用十字线方向性表征好定位精准以及高亮度,广泛用于十字线模板定位,纺织印染成衣十字定位,医疗设备CT/CB/核磁十字定位,工业检测、工业机械、数控设备、电动工具、工程施工、建筑装璜、印刷、切割焊接等领域的激光定位、激光标线、激光水平、激光垂准、激光指示仪以及激光娱乐照明等;.方便快捷、直观实用、易于安装、稳定可靠,可以提高工作效率,降低人力和生产时间的成本,提高工作精确度。
(工业应用场合)售后服务产品提供一年质保,三年保修。
使用注意事项1)使用应注意相关的激光使用安全规定,不能直射人眼;2)激光器中半导体激光管属静电敏感器件,应遵守相关的静电防护规定。
测试和使用环境应保证没有静电;3)电源线请勿用力拽拉;4)电源电压不要超过DC 5 V,最好选用激光器专用直流稳压电源供电,“+”(红线)、“−”(黑线)极性绝对不可接反;5)激光器通电时,“+”(红线)、“−”(黑线)极电源线绝对不可短路,以免烧毁激光器;6)自制稳压电源请注意消除浪涌脉冲电压电流,稳压5V或<5V将延长使用寿命,避免在各种浪涌脉冲较大的场合中使用激光器;7)激光器人为损坏或私自拆开激光器后不予保修。