火灾自动报警系统竣工资料模板
- 格式:docx
- 大小:165.31 KB
- 文档页数:51
消防工程竣工资料表格范本优秀文档(可以直接使用,可编辑实用优质文档,欢迎下载)图纸会审记录工程设计变更申请单技术交底记录工程名称:编号:施工组织设计(方案)检验申请表工程开工/复工申请表开工报告编号:定位(放线)测量记录检验申请表工程名称:编号:定位(放线)测量记录表编号:管道沟槽质量检验申请表工程名称:编号:管道沟槽质量检验表工程名称:编号:工程材料/构配件/设备检验申请表工程名称:编号:安装工程材料明细表工程名称:编号:钢制管材/管件外观质量检验表安装工程材料质量检查表编号:聚乙烯管材/管件外观质量检验表编号:PE管热熔接头对正性质量检查表制管道焊接质量检验申请表工程名称:编号:非开挖工程开工申请表工程名称:编号:非开挖燃气工程开工报告编号:非开挖定向穿越定位导向记录编号:非开挖顶管过路记录编号:管道安装坐标检测报验申请表工程名称:编号:燃气管道安装坐标标高检测表工程名称:编号:管道绝缘防腐验收检验申请表工程名称:编号:钢质管道环氧煤沥青防腐质量检查记录工程名称:编号:管道涂漆质量检查记录管道吹扫检验申请表管道吹扫验收记录压力试验检查报验申请表工程名称:编号:强度试验检查记录严密性试验检查记录室内燃气管道工程试压检查记录编号:工程隐蔽申请表本表由施工单位在隐蔽工程前填报。
隐蔽工程验收记录表工程名称:编号:工程竣工报验申请单竣工报告工程竣工检验表工程名称:编号:PE管热熔接头翻边对称性质量检查表PE管热熔接头对接翻边切除质量检查表PE管电熔接头承插连接质量检查表编号:电熔鞍形连接质量检查表附件4:工程竣工验收报告附件6建设工程竣工验收消防备案申报表建设单位(印章):填表日期年月日说明1.此表由建设单位填写并加盖印章,没有单位印章的,由其负责人签名。
填表前请仔细阅读《中华人民共和国消防法》和《建设工程消防监督管理规定》,确知享有的权利和应尽的义务。
2.建设单位应如实填写各项内容,对提交材料的真实性、完整性负责,不得虚构、伪造或编造事实,否则将承担相应的法律后果。
消防工程竣工验收报告范本一、项目基本信息工程名称:XXXX 消防工程竣工验收报告验收单位:XXXX 建设局工程地址:XXXX施工单位:XXXX 公司竣工日期:XXXX年XX月XX日二、项目概况该消防工程位于XXXX地区,总建筑面积为XXXX平方米。
主要包括消防水源设施、消防自动报警系统、消防排烟系统、灭火器材及逃生通道等。
三、施工质量情况1. 消防水源设施根据《XXX消防设计规范》,施工单位按照设计要求完成了XXX 消防水池的安装。
水池容量为XXX立方米,具备满足灭火需求的可靠性和稳定性。
2. 消防自动报警系统根据设计要求,施工单位完成了XXX消防自动报警系统的安装与调试。
系统覆盖全楼,具备火灾烟雾、温度和火焰的监测功能,并能及时触发报警,确保火灾发生时能够快速响应并启动灭火过程。
3. 消防排烟系统消防工程中的排烟系统按照设计要求完成了安装,并通过了行业标准的检测。
在火灾发生时,系统能够及时排除烟雾,保障人员的生命安全。
排烟系统的运行状态及操作均符合相关规范要求。
4. 灭火器材施工单位投入了大量的人力物力,在整个楼宇中合理设置了灭火器材。
根据消防工程的设计要求,每个楼层都设置了灭火器,并经过专业人员的检查和试验,确保其正常运行。
5. 逃生通道消防工程的逃生通道设置合理,经过专业人员检验合格。
逃生通道宽度符合相关规定,通道疏散标志清晰可见。
逃生通道与其他功能区域进行了良好的分离,确保灾难发生时人员的迅速逃生。
四、竣工验收结果根据相关法规和法规要求以及消防工程的具体实施情况,经验收单位对该消防工程进行了现场核查和测试,并进行综合评估。
经检验,该消防工程达到以下要求:1. 根据《xxx消防设计规范》要求,消防水源设施已经合格安装和调试完成,能够满足日常灭火需要。
2. 消防自动报警系统完好可用,监测到火灾烟雾、温度和火焰时,能够及时响应并触发报警。
3. 消防排烟系统安装和运行正常,能快速排除火灾烟雾,确保人员疏散通道畅通。
消防工程竣工验收全套资料范本范文一、消防工程竣工验收申请书尊敬的相关部门:根据《消防法》等相关法规的规定,我单位已完成消防工程建设并达到竣工验收条件。
现向贵部门提交竣工验收申请,申请办理相关手续。
具体情况如下:1. 项目基本情况项目名称:***项目地址:***项目建设单位:***项目施工单位:***监理单位:***2. 工程概况(此处需详细描述消防工程的设计方案,包括建筑布局、消防设备安装、消防通道设置等内容)3. 消防工程竣工资料清单(此处需列明提交的竣工验收资料清单,包括设计文件、施工图纸、设备验收合格证明等)特此申请,望贵部门尽快安排相关人员进行验收,并将验收结果及意见告知我们。
谢谢!申请单位(盖章):日期:年月日二、消防工程竣工验收报告根据申请单位提交的消防工程竣工验收申请,我部门已派遣相关人员进行实地验收,并形成了验收报告。
具体情况如下:1. 项目基本情况项目名称:***项目地址:***项目建设单位:***项目施工单位:***监理单位:***2. 工程验收情况(此处需详细陈述消防工程的验收情况,包括建筑物消防安全性能、消防设备的正常运行情况等)3. 验收结论鉴于以上的实地验收情况,我部门对消防工程的竣工情况做出以下结论:(此处根据实际情况提出验收结论,可以是“通过验收”、“存在问题待处理”等)4. 验收意见(此处提出对项目的具体验收意见,如需要修正的问题、改进的建议等)特此报告,望贵部门根据实际情况和验收报告,做出相应决策,并告知我们相关处理意见和措施。
谢谢!验收单位(盖章):日期:年月日三、消防工程竣工验收合格证书根据相关法规和规定,经申请单位的申请以及我部门的实地验收,现予颁发消防工程竣工验收合格证书。
具体情况如下:1. 项目基本情况项目名称:***项目地址:***项目建设单位:***项目施工单位:***监理单位:***2. 竣工验收结论经实地验收,该项目消防工程达到了设计要求和相关法规的规定,竣工验收合格。
工程竣工验收报告(消防)范本工程竣工验收报告(消防)范本1. 引言此文档是工程竣工验收报告(消防)的范本,以记录消防设施的安装与验收情况。
本报告旨在总结工程项目竣工阶段消防设施的安装、调试及验收情况,评估其符合设计规范要求并达到预期效果的程度。
2. 项目基本信息项目名称:工程地点:业主单位:公司监理单位:工程监理有限公司施工单位:建筑工程有限公司3. 竣工验收依据《建筑消防设施工程施工及验收规范》(GB 50160X)《建筑设计防火规范》(GB 50016X)《建筑设计给水排水及供暖规范》(GB 50015X)《建筑电气设计规范》(GB 50052X)《建筑噪声环境》(GB 50300X)相关国家和行业标准4. 竣工验收内容4.1 消防设施验收4.1.1 消防给水系统消防水池 / 消火栓系统是否满足设计要求并安装规范?消防水泵的性能和运行是否符合设计要求?消防水源保证及后续维护是否考虑?消防水管、喷淋头、喷水雾幕等设施的安装质量如何?是否进行水压、水流和喷淋测试?4.1.2 消防自动报警系统火灾自动报警系统的安装是否符合设计规范?火灾自动报警控制器和探测器的性能和功能是否正常?是否进行了火灾报警、联动控制功能的测试?4.1.3 消防疏散系统是否按照设计要求安装了疏散指示标识、安全疏散指示灯、应急照明等设施?疏散通道和楼梯井是否满足相关标准要求?疏散门的配置和开启是否流畅?4.1.4 消防防烟排烟系统防烟排烟系统是否按照设计要求安装?排烟风机、排烟口、排烟管道等设施的安装质量如何?是否进行了排烟效果测试?4.1.5 消防应急电源系统消防应急电源的配置和运行是否符合设计规范?是否进行了电源切换测试和负载试运行?4.2 完好性测试对消防设施进行完好性测试,主要包括以下内容:4.2.1 防火分隔各楼层和房间的防火墙、防火门等是否安装完好?防火隔离区域内的消防设施是否安装完好?4.2.2 排烟控制各楼层及公共区域的排烟系统是否正常工作?能否实现火灾现场的烟气控制?4.2.3 泄压控制电梯井、消防电梯厅等泄压设施是否正常工作?是否能有效控制火灾现场的气压?4.2.4 疏散通道各楼层的疏散通道是否通畅?疏散通道门的开启是否顺畅快速?4.3 安全性检查对消防设施的安全性进行检查,确保其符合相关法规和规范要求。
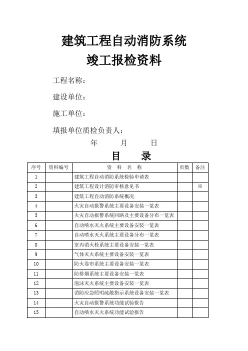
建筑工程自动消防系统竣工报检资料工程名称:建设单位:施工单位:填报单位质检负责人:年月日目录消防批件建筑工程自动消防系统概况火灾自动报警系统主要设备安装一览表火灾自动报警系统回路及主要设备分布一览表自动喷水灭火系统主要设备安装一览表自动喷水灭火系统主要设备分布一览表室内消火栓系统设备安装一览表气体灭火系统主要设备安装一览表防火卷帘系统设备安装一览表防排烟系统设备安装一览表防排烟系统主要设备分布一览表泡沫灭火系统设备安装一览表消防应急照明疏散指示系统设备安装一览表火灾自动报警系统功能试验报告自动喷水灭火系统功能试验报告室内消火栓系统功能试验报告气体灭火系统功能试验报告防火卷帘系统功能试验报告防排烟系统功能试验报告自动消防系统联动控制功能试验报告调试报告系统试运行报告沈阳中阳消防工程有限公司施工记录说明:本记录应实事求是认真填写。
施工完毕后交主管部门做为档案资料保存。
以下表格为施工中向监理报验表格,装订在此档案内会注明,不需要装订的也会注明电气部分装订归档编号:C5-2-2 C6-2-1 建筑电气(电梯)安装隐蔽工程记录不需要装订DB21/1234-2003电线、电缆穿管分项工程检验批质量验收记录表T.1.11装订DB21/1234-2003建筑电气分部(子分部)工程验收记录表T.0.1装订DB21/1234-2003质量控制资料表T.0.1-1装订DB21/1234-2003安全及功能的检验(检测)报告表T.0.1-2装订DB21/1234-2003观感质量验收表T.0.1-3装订归档编号:C5-2-3C6-2-2接地电阻测试记录装订归档编号:C5-2-4C6-2-3绝缘电阻测试记录喷淋部分装订归档编号:C3-2-1管道隐蔽工程检查验收记录不装订DB21/1234-2003室内给水钢塑复合管、热浸镀锌钢管、给水(承压)铸铁管、钢管和铜管管道安装分项工程检验批质量验收记录表S.1.2装订归档编号:C3-3-1管道系统隐蔽压力(灌水)试验记录装订归档编号:C3-3-8管道冲洗、吹扫、清洗记录装订DB21/1234-2003给水、排水、采暖及燃气分部(子分部)工程验收记录表S.0.1装订DB21/1234-2003质量控制资料表S.0.1-1装订DB21/1234-2003安全及功能的检验(检测)报告表S.0.1-2装订DB21/1234-2003观感质量验收表S.0.1-3消火栓系统同喷淋系统一样通风系统装订归档编号:C4-1-2设备安装记录(通风与空调工程)装订归档编号:C4-1-3设备单机试运转记录(通风与空调工程)装订归档编号:C4-4-1风管系统试运行调试记录(通风与空调工程)装订归档编号:C4-4-5系统无生产负荷联合试运转及调试记录(通风与空调工程)装订DB21/1234-2003 通风与空调分部工程质量验收记录表U.0.1装订DB21/1234-2003质量控制资料表U.0.1-1装订DB21/1234-2003 安全及功能的检验(检测)报告表U.0.1-2装订DB21/1234-2003 观感质量验收表U.0.1-3-1以下为设备的检验报告、合格证。
丹阳恒大名都运动中心消防水炮及气体灭火工程自动报警系统工程竣工资料(副本)江苏省钟星消防工程有限公司二0一二年四月目录施工现场质量管理检查记录TJ1.3开工日期:年月日施工组织设计、施工方案审批表TJ1.4注:附施工组织设计、施工方案。
丹阳恒大名都运动中心消防炮及气体灭火工程施工方案编制人:审核人:批准人:施工单位:南京市消防工程有限公司日期:年月日目录施工组织设计和方案 (1)1.本工程所采用的只要施工方法 (1)2.施工进度计划 (10)3.劳动力安排计划 (14)4.材料供应及使用计划 (14)5.投入本工程的主要施工设备情况、主要施工机械进场计划 (15)6.质量、安全、进度和文明施工保证措施 (16)7.施工总平面图(适合主体工程) (19)施工组织设计和方案1.本工程所采用的主要施工方法1.1火灾自动报警系统施工方法1.1.1钢管内绝缘导线敷设要求:1)进场的绝缘导线和控制电缆的规格型号、数量、合格证等应符合设计要求,并及时填写进场材料报验检查记录。
2)火灾报警及联动控制系统室内线路采用阻燃电缆穿钢管,其电压等级不应低于交流250V,最好选用500V,以提高绝缘和抗干扰能力。
3)为满足导线和电缆的机械强度要求,穿管敷设的绝缘导线,线芯截面最小不应小于1mm2,线槽内敷设的绝缘导线最小截面不应小于0.75mm2,多芯电缆线芯最小截面不应小于0.5mm2。
4)穿管绝缘导线或电缆的总面积不应超过管内截面积的40%。
5)导线在管内不应有接头或扭结。
导线的接头应在接线盒内焊接或压接。
6)不同系统、不同电压、不同电流类别的线路不应穿在同一根管内或线槽的同一槽孔内。
7)横向敷设的报警系统传输线路如果采用穿布线进,不同防火分区的线路不宜穿入同一根管内。
采用总线制不受此限制。
8)火灾报警器的传输线路应选不同颜色的绝缘导线,探测器的“+”线为红色,“-”线应为蓝色,其余线应根据不同用途采用其它颜色区分。
消防工程竣工资料表格范本消防工程竣工资料表格范本1. 项目基本信息1.1 项目名称:1.2 项目地址:1.3 建设单位:1.4 监理单位:1.5 设计单位:2. 竣工项目概况2.1 灭火设备2.1.1 室内消火栓系统2.1.1.1 分布情况及安装位置2.1.1.2 设计水压和出水量2.1.1.3 管道材质及口径2.1.1.4 水泵情况2.1.2 自动喷水灭火系统2.1.2.1 分布情况及安装位置2.1.2.2 喷头类型和数量2.1.2.3 喷水设备情况2.1.3 气体灭火系统2.1.3.1 灭火剂名称及数量2.1.3.2 气瓶位置及数量2.1.3.3 气瓶管道材质和口径2.1.3.4 喷头类型和数量2.1.4 泡沫灭火系统2.1.4.1 分布情况及安装位置2.1.4.2 泡沫发生器情况2.1.4.3 泡沫液浓度及消耗量2.1.5 火灾自动报警系统2.1.5.1 火灾探测器分布情况及安装位置2.1.5.2 遥信传输装置情况2.1.5.3 控制室消防控制设备情况2.2 防烟设备2.2.1 自然通风2.2.1.1 通风方式及通风口位置2.2.2 机械通风2.2.2.1 通风机型号和数量2.2.2.2 通风管道材质和口径2.2.3 排烟设备2.2.3.1 排烟机型号和数量2.2.3.2 排烟管道材质和口径2.3 防火门及防火隔离2.3.1 防火门型号和数量2.3.2 防火门安装位置2.3.3 隔墙和防火墙情况2.4 灭火器设备2.4.1 灭火器型号和数量2.4.2 灭火器位置分布情况3. 竣工测试验收3.1 系统功能测试3.1.1 消防水系统测试3.1.2 气体灭火系统测试3.1.3 泡沫灭火系统测试3.1.4 自动喷水灭火系统测试3.1.5 火灾报警系统测试3.1.6 防烟系统测试3.2 设备齐全性测试3.2.1 灭火器设备完好性测试3.2.2 防火门及防火隔离完好性测试3.2.3 灭火设备正常工作性能测试3.2.4 排烟设备正常工作性能测试3.3 资料验收3.3.1 消防工程竣工图纸3.3.2 设备使用说明书3.3.3 系统测试报告3.3.4 相关证件和资料4. 竣工资料4.1 消防工程竣工图纸4.2 设备使用说明书4.3 系统测试报告4.4 相关证件和资料5. 附件罗列出本所涉及附件如下:附件1:消防工程竣工图纸附件2:设备使用说明书附件3:系统测试报告附件4:相关证件和资料6. 法律名词及注释罗列出本所涉及的法律名词及注释:1. 消防设备:根据《建筑消防设施设计规范》的规定,指消防水系统、灭火器、喷水灭火系统、气体灭火系统等设施。
消防系统工程竣工验收报告书1. 项目概况本报告书是针对消防系统工程竣工验收的正式文件。
本项目的名称为[项目名称],位于[项目地址]。
该工程的建设目的是为了提高建筑物的消防安全性,确保火灾发生时能够及时控制和扑灭,并保障人员的生命安全和财产安全。
2. 竣工验收内容根据相关法律法规和技术标准,本次竣工验收主要包括以下内容:2.1 消防设施设备的安装与调试在本工程中,我们按照设计方案要求,完成了各项消防设施设备的安装和调试工作。
包括但不限于消防水系统、消防报警系统、自动喷水灭火系统等。
所有设备的安装和调试工作已经按照相关规范进行,符合要求。
2.2 消防通道和疏散设施消防通道和疏散设施的设置对于建筑物的消防安全至关重要。
在本工程中,我们确保了消防通道的畅通,并按照设计要求设置了疏散指示标志、疏散通道灯光等。
所有疏散设施已经完成并符合要求。
2.3 灭火器材和消防器材的配备为了能够及时应对火灾,我们按照相关规定在本工程中进行了灭火器材和消防器材的配备工作。
所有的灭火器材和消防器材都已经配备完毕,并按照规定进行了布置和标识。
3. 竣工验收结果经过对上述内容的检查和评估,我们得出以下结论:3.1 消防设施设备的合格性经检查,所有消防设施设备的安装和调试工作符合相关规范要求,达到了预期的效果。
具体的测试结果和数据已经记录在相关的检测报告中。
3.2 消防通道和疏散设施的合格性消防通道和疏散设施的设置符合设计要求,保证了人员在火灾发生时的安全疏散。
相关的疏散设施已经经过测试和检查,符合相关规定。
3.3 灭火器材和消防器材的合格性所有灭火器材和消防器材的配备工作已经完成,符合规定,并按照要求进行了布置和标识。
4. 竣工验收结论在本次竣工验收中,经过对消防系统工程的检查和评估,我们认为该工程已经按照相关法律法规和技术标准进行了设计、安装和调试,并符合要求。
消防设施设备、消防通道和疏散设施、灭火器材和消防器材的合格性得到了验证。
火灾自动报警系统竣工资料施工安装质量记录北京安迪盛安全系统自动化有限公司江苏分公司2015年月日目录火灾自动报警系统质量保证资料核查表(编号:A-1) ....................................................................... (6)图纸会审记录(编号:1) ......................................................................... (7)设计变更明细表(编号:2) ......................................................................... .. (8)技术交底记录(编号:3) ......................................................................... (9)施工技术核定单(编号:4) ......................................................................... (10)施工组织设计(方案)(编号:5) ......................................................................... (11)开工报告(编号:6) ......................................................................... (12)设备、材料相关证件汇总表(编号:7) ......................................................................... . (15)设备开箱检查记录(编号:8) ......................................................................... .. (16)材料检查记录(编号:9) ......................................................................... . (17)火灾自动报警系统配管/配线安装检查记录(编号:A-2) ....................................................................... (18)火灾自动报警系统电缆敷设检查记录(编号:A-3) ....................................................................... . (20)消防配电线路敷设检查记录(编号:10) ........................................................................ (21)火灾自动报警系统接地电阻测试记录(编号:A-4) ....................................................................... . (22)火灾自动报警系统绝缘电阻测试记录(编号:A-5) ....................................................................... . (23)火灾自动报警系统配管配线隐蔽验收记录(编号:A-6) ....................................................................... .. (24)火灾自动报警系统电缆敷设隐蔽验收记录(编号:A-7) ....................................................................... .. (25)消防配电线路隐蔽验收记录(编号:11) ........................................................................ (26)火灾自动报警系统报警控制器安装检查记录(编号:A-8) ....................................................................... . (27)火灾自动报警系统联动控制器安装检查记录(编号:A-9) ....................................................................... . (28)火灾自动报警系统探测器安装检查记录(编号:A-10) ....................................................................... . (29)火灾自动报警系统手动报警按钮安装检查记录(编号:A-11) (32)火灾自动报警系统手动报警按钮安装检查记录(编号:A-11) (33)火灾自动报警系统警报装置安装检查记录(编号:A-12) ....................................................................... (34)火灾自动报警系统探测、报警点全点试验记录(编号:A-13) (35)火灾自动报警系统联动控制点全点试验记录(编号:A-14) ....................................................................... .. 37火灾自动报警系统调试报告(编号:A-15) ........................................................................ 错误!未定义书签。
消防工程竣工报告模板标题:消防工程竣工报告一、工程基本信息工程名称:工程地点:竣工日期:施工单位:监理单位:设计单位:二、工程概况1. 工程规模:2. 工程内容:3. 工程用途:4. 建筑总面积:5. 楼层数:6. 消防设施类型:三、主要消防设施1. 消防水源:a. 消防水池/水箱容积:b. 消防水泵型号:c. 消防供水管道布置情况:d. 消防水泵投入使用试验情况:e. 水泵运行正常指标检测结果:2. 配备的灭火器材与消防器材:a. 灭火器数量和种类:b. 消火栓数量和位置:c. 自动喷水灭火系统配备情况:d. 消防应急照明设备配备情况:e. 防排烟设施配备情况:3. 自动火灾报警系统:a. 火灾报警控制器型号:b. 火灾报警控制器安装位置与数量:c. 火灾报警探测器类型与数量:d. 火灾报警控制器是否正常工作:e. 火灾报警系统布线情况:4. 应急疏散系统:a. 疏散指示标志设置情况:b. 疏散通道设计与数量:c. 公共广播系统是否设置:d. 安全出口设置情况:5. 其他消防设施:a. 火灾防护系统:b. 火灾应急电话设置情况:c. 安全疏散训练设施设置情况:四、消防设备试验报告1. 消防水源试验报告:a. 试验日期:b. 试验地点:c. 试验目的:d. 试验结果评估:2. 灭火器材与消防器材试验报告:a. 试验日期:b. 试验地点:c. 试验目的:d. 试验结果评估:3. 自动火灾报警系统试验报告:a. 试验日期:b. 试验地点:c. 试验目的:d. 试验结果评估:4. 应急疏散系统试验报告:a. 试验日期:b. 试验地点:c. 试验目的:d. 试验结果评估:五、竣工验收结论根据对消防工程的检查和试验结果,确认消防工程已按照规范要求完成,并符合要求的消防安全标准。
六、备注如有其他需要补充的信息或特殊情况,可以在此部分进行备注说明。
七、签名施工单位负责人签名:监理单位负责人签名:设计单位负责人签名:日期:。
消防工程竣工资料范本消防工程竣工资料范本一、引言本文档为消防工程竣工资料的范本,用于记录和总结消防工程竣工的各项信息和数据。
二、工程概况该消防工程位于地区,总建筑面积为平方米,包括主体建筑、消防设施配套设施等。
三、建筑结构1.建筑主体结构:包括主体墙体、梁柱、楼板等的材料和规格;2.防火分区:描述建筑内各个区域的防火分区设置和构造;3.防火门、防火卷帘门:记录各个区域的防火门、防火卷帘门的安装情况和规格;4.防火隔板、防火涂料:说明防火隔板、防火涂料的选用和施工方法;5.其他结构保护措施:如防火墙、防火玻璃、防火窗等的设置和使用情况。
四、消防设施1.自动火警报警系统:记录火警报警系统的布置、设备参数和使用情况;2.自动喷水灭火系统:说明喷水灭火系统的设备配置、管网布置和施工方案;3.自动喷水灭火系统的容器、泵房和水箱:描述容器、泵房和水箱的位置、规格等信息;4.气体灭火系统:记录气体灭火系统的设计、设备配置和维护情况;5.消防应急照明和疏散指示系统:说明应急照明和疏散指示系统的布置和使用情况;6.消防给水设施:描述消防给水设施的管网布置、水泵配置等信息;7.消防排烟系统:记录排烟系统的设计、设备配置和使用情况。
五、施工验收记录1.消防设施施工验收记录:记录施工过程中涉及的消防设施的验收情况;2.竣工验收报告:详细描述各个消防工程项目的验收结果和意见。
六、附件1.建筑结构施工图纸;2.消防设施施工图纸;3.消防设备设施合格证明等相关证明文件。
注释:1.防火分区:根据《消防法》规定,建筑物应进行防火分区划分,区分各个区域的火灾危险性和安全等级。
2.防火门、防火卷帘门:具有一定耐火能力,能够阻挡火灾蔓延的门类。
3.防火隔板、防火涂料:防火工程中常用的隔离、阻挡和延缓火灾蔓延的材料和技术。
4.自动火警报警系统:通过感烟、感温、感光、感气等装置,实现对火灾的自动检测和报警。
5.自动喷水灭火系统:利用水的冷却和扑灭作用,对火灾进行灭火的消防系统。
单位(子单位)工程竣工预验收报验表工程名称城西大厦编号致桂林天柱监理公司(监理单位):我方已按合同要求完成了城西大厦消防工程工程,经自检合格,请予以检查和验收。
附件:施工总承包单位(章):南宁市瑞凯消防工程有限责任公司桂林分公司项目经理:日期:审查意见:经预验收,该工程1、符合我国现行法律、法规要求;2、符合我国现行工程建设标准;3、符合设计文件要求;4、符合施工合同要求;综上所述,该工程预验收合格/不合格,可以组织正式验收。
监理单位总监理工程师日期单位(子单位)工程质量竣工验收记录工程名称城西大厦消防工程结构类型框架层数/建筑面积十五/11000㎡施工单位南宁市瑞凯消防工程有限责任公司桂林分公司技术负责人黄欢开工日期2014年6月日项目经理罗桂南项目技术负责人罗宇竣工日期序号项目验收记录验收结论1 分部工程共3分部,经查符合标准及设计要求3分部同意验收2 质量控制资料核查共8项,经审查符合要求8项,经核定符合规范要求0项同意验收3 安全和主要使用功能核查及抽查结果共核查4项,符合要求4项其抽查1项,符合要求1项经返工处理符合要求0项同意验收4 观感质量验收共抽查1项,符合要求1项,不符合要求0项好5 综合验收结论同意验收参加验收单位建设单位监理单位施工单位设计单位(公章)单位(项目负责人)年月日(公章)总监理工程师年月日(公章)单位负责人年月日(公章)单位(项目负责人)年月日填表说明:1、单位(子单位)工程的名称要填写全称,即批准项目的名称,并注明是单位工程或子单位工程;2、安全和主要使用功能核查及抽查结果栏,包括两个方面,一个是在分部、子分部工程抽查过的工项目检测报告的结论;另一方面是单位工程抽查的项目要检查其全部的检查方法程序和结论。
3、综合验收结论,填写通过或同意验收。
不同意验收就不一定形成表格,待返修完善后,再形成表格。
4、验收单位签字人表上要求人员签名,对勘察单位在地基部分中签字。
5、表G.0.1-1验收记录由施工单位填定,验收结论由监量(建设)单位填写。
消防竣工资料(固定灭火系统)
名册
工程名称
设计单位上海现代建筑设计(集团)有限公司建设单位
安装单位
安徽省公安厅制
灭火设备开箱记录
管道施工记录表
消防管道试压记录
施工记录
消防管道隐蔽工程记录
年月日
减压设施安装记录
自动喷水灭火系统功能实验记录
消防管道冲洗记录
工程竣工初验报告单
消防竣工资料(火灾自动报警系统)
名册
工程名称
设计单位
建设单位
安装单位
安徽省公安厅
火灾自动报警控制器功能实验记录
接地装置隐蔽检测记录
火灾探测器功能实验记录
年月日
消防设备老化、检测记录
控制器日检测登记表
注:正常划√,有问题请说明。
电气配管(线)隐蔽工程记录
火灾事故广播及通信功能实验记录
施工记录表
消防联动控制系统施工实验记录
消防联动控制系统施工实验记录
调试报告
工程竣工初验报告单。
消防装备竣工报告一、项目基本信息- 项目名称:[项目名称]- 建设单位:[建设单位]- 建设地址:[建设地址]- 负责人:[负责人姓名]- 联系方式:[联系方式]二、项目概况该消防装备项目旨在完善并提高建筑物的消防安全设施,确保在发生火灾或其他紧急情况时能够快速、有效地进行应对和救援。
项目涉及以下消防装备:1. 灭火器:共安装了 [数量] 个灭火器,覆盖了项目范围内各个区域;2. 灭火栓系统:在建筑物各楼层、走廊及公共区域设置了灭火栓,保证了消防队员能够迅速接入供水;3. 喷淋系统:根据建筑物规模及用途要求,安装了喷淋系统,能在火灾发生时喷洒灭火剂,起到有效扑灭火势的作用;4. 自动报警系统:配备了自动感烟、感温探测器和火灾报警控制面板,能够及时发现火灾并触发报警;5. 防烟排烟系统:根据建筑物特点,设置了防烟门、排烟风机等设备,确保火灾时能迅速疏散烟气,保护人员安全;6. 逃生设施:在楼梯间、走廊以及安全出口设置了明显的疏散指示标识,以及应急照明设备,保障人员能够迅速逃生。
三、工程进展自项目启动以来,我们严格按照相关消防设计规范和要求推进施工工作,并完成了以下工作:1. 消防设备选型与采购;2. 消防设备安装及调试;3. 相关管道铺设和连接;4. 设备运行测试和性能验证。
经过项目团队的共同努力,消防装备的竣工工作已完成,各项设备均已正常安装并通过了必要的测试和性能验证。
四、下一步计划在项目竣工后,我们将进行以下工作:1. 编制相关消防设备使用和维护手册;2. 进行设备的定期检查和维护;3. 组织人员进行消防培训,提高应急响应能力;4. 定期组织消防演,检验设备的使用和性能。
五、联系方式如有关于消防装备的任何问题或需要进一步了解,请随时联系负责人 [负责人姓名],联系方式:[联系方式]。
以上为消防装备竣工报告内容,如需补充或修改,请提出您的意见和建议。
火灾自动报警系统
竣工资料
施工安装质量记录
北京安迪盛安全系统自动化有限公司江苏分公
司
2015 年月日
目录
火灾自动报警系统质量保证资料核查表(编号:_____ A-1 ) (6)
图纸会审记录(编号:_ 1) (7)
设计变更明细表(编号:_2) (8)
技术交底记录(编号:_3) (9)
施工技术核定单(编号:_4) (10)
施工组织设计(方案)_ (编号:5) (11)
开工报告(编号:_6) (12)
设备、材料相关证件汇总表(编号:7) (15)
设备开箱检查记录(编号:_8) (16)
材料检查记录(编号:_9) (17)
火灾自动报警系统配管_/配线安装检查记录(编号:—A-2) (18)
火灾自动报警系统电缆敷设检查记录(编号:_____ A-3) (20)
消防配电线路敷设检查记录(编号:10) (21)
火灾自动报警系统接地电阻测试记录(编号:_____ A-4) (22)
火灾自动报警系统绝缘电阻测试记录(编号:_____ A-5) (23)
火灾自动报警系统配管配线隐蔽验收记录(编号:_____ A-6) (24)
火灾自动报警系统电缆敷设隐蔽验收记录(编号:_____ A-7) (25)
消防配电线路隐蔽验收记录(编号:11) (26)
火灾自动报警系统报警控制器安装检查记录(编号:______ A-8) (27)
火灾自动报警系统联动控制器安装检查记录(编号:______ A-9) (28)
火灾自动报警系统探测器安装检查记录(编号:_____ A-10) (29)
火灾自动报警系统手动报警按钮安装检查记录(编号:______ A-11) (32)
火灾自动报警系统手动报警按钮安装检查记录(编号:______ A-11) (33)
火灾自动报警系统警报装置安装检查记录(编号:_____ A-12) (34)
火灾自动报警系统探测、报警点全点试验记录(编号:______ A-13) (35)
火灾自动报警系统联动控制点全点试验记录(编号:______ A-14) (37)
火灾自动报警系统调试报告(编号:A-15) ..................... 错误!未定义书签。
火灾自动报警系统系统自检报告(编号:A-16) (41)
火灾自动报警系统试运行记录(编号:A-17) (44)
竣工报告(编号:_ 12) (45)
设备移交清单(编号:13) (46)
火灾自动报警系统质量保证资料核查表(编号: A-1 )技术负责人质检员
第册第页
图纸会审记录(编号:1)
注:设计修改应由设计单位另发变更通知单。
表内不够填写时,可附后第册第页
设计变更明细表(编号:2)
第册第页
技术交底记录(编号:3)
施工技术核定单(编号:4)
注:如本页不够填写,可附后。
第册第页
开工报告(编号:6)
第册第页
设备、材料相关证件汇总表(编号:7)
注:各种证件整理附
后。
第册第页
设备开箱检查记录(编号:8)
材料检查记录(编号:9)
火灾自动报警系统配管/配线安装检查记录(编号:A-2)
续表编号:A-2
第册第页
19
火灾自动报警系统电缆敷设检查记录(编号: A-3)
第册第页
第册第页
消防配电线路敷设检查记录(编号: 10)
第册第页
火灾自动报警系统接地电阻测试记录(编号: A-4)
第册第页
建设(监理)
单位
技术负责人质检员施工员
第册第页
火灾自动报警系统配管配线隐蔽验收记录(编号: A-6)
第册第页
火灾自动报警系统电缆敷设隐蔽验收记录(编号: A-7)
第册第页
消防配电线路隐蔽验收记录(编号: 11)
第册第页
第册第页
第册第页
第册第页
第册第页
火灾自动报警系统探测器安装检查记录(编号: A-10)
第册第页
续表
编号:A-10
第册第页
30
续表编号:A-10
第册第页
31
火灾自动报警系统手动报警按钮安装检查记录(编号: A-11)
第册第页
火灾自动报警系统手动报警按钮安装检查记录(编号: A-11)
第册第页
火灾自动报警系统警报装置安装检查记录(编号: A-12)
第册第页
火灾自动报警系统警报装置安装检查记录(编号: A-12)
第册第页
火灾自动报警系统探测、报警点全点试验记录(编号: A-13)
编号:A-13
第册第页
火灾自动报警系统联动控制点全点试验记录(编号: A-14)
第册第页
续表编号:A-14
第册第页
火灾自动报警系统调试报告(编号:A-15)
火灾自动报警系统调试报告(编号:A-15)
第册第页
第册第页
火灾自动报警系统系统自检报告(编号: A-16)
火灾自动报警系统系统自检报告(编号: A-16)
第册第页
续表编号A-16
第册第页
火灾自动报警系统试运行记录(编号: A-17)
第册第页
竣工报告(编号:12)
设备移交清单(编号:13)。