静电放电(ESD)
- 格式:doc
- 大小:137.50 KB
- 文档页数:11
ESD是什么意思?ESD是代表英文ElectroStatic Discharge即"静电放电"的意思。
ESD是本世纪中期以来形成的以研究静电的产生与衰减、静电放电模型、静电放电效应如电流热(火花)效应(如静电引起的着火与爆炸)及和电磁效应(如电磁干扰)等的学科。
近年来随着科学技术的飞速发展、微电子技术的广泛应用及电磁环境越来越复杂,对静电放电的电磁场效应如电磁干扰(EMI)及电磁兼容性(EMC)问题越来越重视。
静电是怎样产生的?答:物质都是由分子组成,分子是由原子组成,原子中有带负电的电子和带正电荷的质子组成。
在正常状况下,一个原子的质子数与电子数量相同,正负平衡,所以对外表现出不带电的现象。
但是电子环绕于原子核周围,一经外力即脱离轨道,离开原来的原子儿而侵入其他的原子B,A原子因缺少电子数而带有正电现象,称为阳离子、B原子因增加电子数而呈带负电现象,称为阴离子。
(如图所示) 造成不平衡电子分布的原因即是电子受外力而脱离轨道,这个外力包含各种能量(如动能、位能、热能、化学能……等)在日常生活中,任何两个不同材质的物体接触后再分离,即可产生静电。
当两个不同的物体相互接触时就会使得一个物体失去一些电荷如电子转移到另一个物体使其带正电,而另一个体得到一些剩余电子的物体而带负电。
若在分离的过程中电荷难以中和,电荷就会积累使物体带上静电。
所以物体与其它物体接触后分离就会带上静电。
通常在从一个物体上剥离一张塑料薄膜时就是一种典型的“接触分离”起电,在日常生活中脱衣服产生的静电也是“接触分离”起电。
固体、液体甚至气体都会因接触分离而带上静电。
为什么气体也会产生静电呢?因为气体也是由分子、原子组成,当空气流动时分子、原子也会发生“接触分离”而起电。
所以在我们的周围环境甚至我们的身上都会带有不同程度的静电,当静电积累到一定程度时就会发生放电。
我们都知道摩擦起电而很少听说接触起电。
实质上摩擦起电是一种接触又分离的造成正负电荷不平衡的过程。
静电放电(ESD)防护简述2015.9.30一、静电的产生静电放电是一种客观的自然现象,产生的方式有:摩擦起电、离子溅射(单一极性)、接触充电、感应或极化,及其他如:剥离,破裂,点解,压电,热电等。
人体自身的动作或其他物体的接触,分离,摩擦或感应等因素,可以产生几千伏甚至上万伏的静电。
静电在多个领域造成严重危害,摩擦起电和人体静电是电子工业中的两大危害。
1、摩擦起电哪里有移动,哪里就有静电。
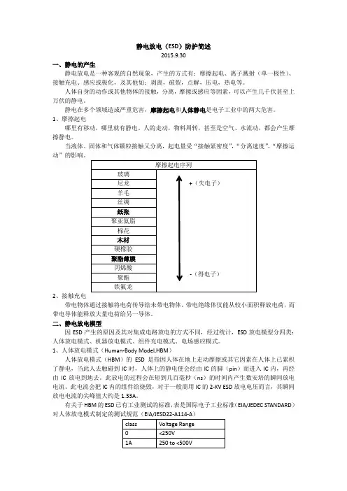
人的走动,物料周转,甚至是空气、水流动,都会产生摩擦静电。
当液体、固体和气体颗粒接触又分离,起电量受“接触紧密度”,“分离速度”,“摩擦运2、接触充电带电物体通过接触将电荷传导给未带电物体。
带电绝缘体仅能从较小面积释放电荷,而带电导体能释放大量电荷给另一导体。
二、静电放电模型因ESD产生的原因及其对集成电路放电的方式不同,经过统计,ESD放电模型分四类:人体放电模式、机器放电模式、组件充电模式、电场感应模式。
1、人体放电模式(Human-Body Model,HBM)人体放电模式(HBM)的ESD是指因人体在地上走动摩擦或其它因素在人体上已累积了静电,当此人去触碰到IC时,人体上的静电便会经由IC的脚(pin)而进入IC内,再经由IC放电到地去。
此放电的过程会在短到几百毫秒(ns)的时间内产生数安培的瞬间放电电流。
此电流会把IC内的组件给烧毁,对于一般商用IC的2-KV ESD放电电压而言,其瞬间放电电流的尖峰值大约是1.33A。
有关于HBM的ESD已有工业测试的标准,表是国际电子工业标准(EIA/JEDEC STANDARD)2、机器放电模式(Machine Model,MM)机器放电模式(MM)的ESD是指机器(例如机械手臂)本身累积了静电,当此机器去触碰到IC时,该静电便经由IC的pin放电。
因为机器是金属,其等效电阻为0欧姆,其等效电容为200pF。
由于机器放电模式的等效电阻为0,故其放电的过程更短,在几毫微秒到几十毫微秒之内会有数安培的瞬间放电电流产生。
esd的名词解释意思是静电放电
ESD 是 Electrostatic Discharge 的缩写,中文名称为“静电放电”。
它是指两个物体之间由于静电场的存在而产生的电荷转移现象。
当两个物体之间的静电势差足够大时,会发生放电现象,即电荷从一个物体转移到另一个物体,这种放电可能会导致电路中的元器件损坏、数据丢失或系统故障等问题。
ESD 是电子行业中常见的问题,因为电子元器件对静电非常敏感。
为了减少 ESD 对电子设备的影响,通常采取以下措施:
1. 使用防静电材料:例如使用防静电地板、防静电工作台、防静电手套等。
2. 接地:将设备接地可以将静电荷引入地面,从而减少 ESD 的风险。
3. 控制环境湿度:干燥的环境容易产生静电,因此适当增加环境湿度可以减少 ESD 的风险。
4. 员工培训:对员工进行 ESD 知识培训,让他们了解如何避免 ESD 的产生和如何处理 ESD 问题。
总之,ESD 是电子行业中需要重视的问题,采取适当的措施可以减少 ESD 对电子设备的影响。
静电放电(ESD)现象——瞬间产生的上升时间低于纳秒(ns)、持续时间可达数百纳秒且高达数十安培的电流,会对芯片造成损伤。
最有效的方法是使用保护元件来将电流导离较敏感的元件。
也就是在电子系统的连接器或端口处放置ESD保护元件,使得电流流经保护元件,且不流经敏感元件,以维持敏感元件的低电压,使其免受ESD应力影响,进入有效控制ESD事件的发生图一图二ESD图二展示在输入或输出引脚通常用二极管和电阻来保护,二极管用n+到p衬底构成,电阻一般直接用p阱构成。
图三ESD常见保护原理ADS800ESD保护:对于GND管脚,一般用三极管作为二极管作用来钳位保护。
当电压低于--0.7V或者高于VDD+0.7.时,起到保护作用。
如下图所示:图三GND保护图四输出管脚保护输出管脚主要还是有MOS管构成二极管起到保护作用。
前面那部分是OE控制输出状态。
其他ESD保护元件压敏电阻:为双向保护元件,在低电压时,呈现出高电阻,其中的每个小型二极管两端的电压都相当低,同时电流也相当小;而在较高电压时,其中的独立二极管开始导通,同时压敏电阻的电阻会下降。
聚合物:带导电粒子的聚合物,在正常电压下,这些材料拥有相当高的电阻,但当发生ESD 冲击时,导电粒子间的小间隙会成为突波音隙阵列,从而带来低电阻路径瞬态电压抑制器(TVS):采用标准与齐纳二极管特性设计的硅芯片元件。
TVS元件主要针对能够以低动态电阻承载大电流的要求进行优化。
静电放电一般有两种破坏:一是由高电压引起栅级电介质破坏;二是由热量引起的物质熔化(H=J*E)测试ESD鲁棒性最主要的工业测试主要是HBM、MM、CDM。
HBM是测试ESD最具资格的方法,被业界标准化,同时一些商业HBM测试很有效。
增加输入和输出缓冲。
静电放电(ESD)1. 静电放电模型为了定量地研究静电放电问题,必须建立ESD模型。
人体静电是引起静电危害如火炸药和电火工品发生意外爆炸或静电损坏的最主要和最经常的因素,因此国内外对防静电放电控制要求都是以防人体静电为主,并建立了人体模型(Human Body Model - HBM),HMB是ESD模型中建立最早和最主要的模型之一。
除人体模型外,还有很多其它静电放电模型。
人体模型(HBM)家具ESD模型机器模型(MM)人体金属ESD模型带电器件CDM模型其它静电放电模型2. 静电放电模拟器(ESD Simulator)或静电放电发生器(ESD Generator)静电放电发生器的基本要求静电放电发生器的选用静电放电发生器的研制过程EST802静电放电发生器我人体模型(HBM)人体静电是引起火炸药和电火工品发生意外爆炸的最主要和最经常的因素,因此国内外对电火工品的防静电危害要求都是以防人体静电为主,并建立了人体模型(Human Body Model - HBM),HMB是ESD模型中建立最早和最主要的模型之一。
人体能贮存一定的电荷,所以人体明显地存在电容。
人体也有电阻,这电阻依赖于人体肌肉的弹性、水份、接触电阻等因素。
大部分研究人员认为电容器串一电阻是较为合理的电气模型,见图3-1。
过去有许多研究试图确定典型人体的这些参数的适当取值。
通常把电容器串联一电阻作为人体模型。
早在1962年,美国国家矿务局[ ]测得22人次人体电容范围为95~398PF,平均电容值为240,100次试验测得手与手之间的平均电阻为4000Ω。
这些数据为建立了人体模型起了一个好的开端,做过一些修改之后,用在电子工业中建立早期的模拟电路。
Kirk等[ ]人测得人体电容值的范围为132-190PF。
人体电阻值为87-190Ω。
为了求得一致,美国海军[ ]1980年提出了一个电容值为100PF,电阻为1.5kΩ的所谓“标准人体模型”。
静电放电(ESD)及防护基础知识一. 术语及定义1.静电:物体表面过剩或不足的静止的电荷2.静电场:静电在其周围形成的电场3.静电放电:两个具有不同静电电位的物体,由于直接接触或静电场感应引起两物体间的静电电荷的转移。
静电电场的能量达到一定程度后,击穿其间介质而进行放电的现象就是静电放电。
4.静电敏感度:元器件所能承受的静电放电电压5.静电敏感器件:对静电放电敏感的器件6.接地:电气连接到能供给或接受大量电荷的物体,如大地,船等.7中和:利用异性电荷使静电消失8防静电工作区:配备各种防静电设备和器材,能限制静电电位,具有明确的区域界限和专门标记的适于从事静电防护操作的工作场地二、静电的产生:1.摩擦:在日常生活中,任何两个不同材质的物体接触后再分离,即可产生静电,而产生静电的最普通方法,就是摩擦生电。
材料的绝缘性越好,越容易是使用摩擦生电。
另外,任何两种不同物质的物体接触后再分离,也能产生静电;。
2. 感应:针对导电材料而言,因电子能在它的表面自由流动,如将其置于一电场中,由于同性相斥,异性相吸,正负离子就会转移。
3. 传导:针对导电材料而言,因电子能在它的表面自由流动,如与带电物体接触,将发生电荷转移。
三、静电对电子工业的影响集成电路元器件的线路缩小,耐压降低,线路面积减小,使得器件耐静电冲击能力的减弱,静电电场(Static Electric Field)和静电电流(ESDcurrent)成为这些高密度元器件的致命杀手。
同时大量的塑料制品等高绝缘材料的普遍应用,导致产生静电的机会大增。
日常生活中如走动,空气流动,搬运等都能产生静电。
人们一般认为只有CMOS类的晶片才对静电敏感,实际上,集成度高的元器件电路都很敏感。
A.静电对电子元件的影响A)静电吸附灰尘,改变线路间的阻抗,影响产品的功能与寿命。
B)因电场或电流破坏元件的绝缘或导体,使元件不能工作(完全破坏)。
C)因瞬间的电场或电流产生的热,元件受伤,仍能工作,寿命受损。
esd防静电标准范围摘要:1.ESD防静电基本概念2.ESD防静电标准的范围3.我国ESD防静电标准的发展4.ESD防静电标准的实际应用5.总结与展望正文:ESD(静电放电)防静电标准是针对静电放电现象制定的一系列规范,旨在保护电子元器件、设备以及相关人员免受静电放电造成的损害。
ESD防静电标准在全球范围内得到了广泛的应用,其中包括我国。
本文将介绍ESD防静电标准的基本概念、范围,以及我国ESD防静电标准的发展和实际应用。
一、ESD防静电基本概念静电放电(ESD)是指在两个不同材料之间,由于电子迁移而产生的电荷积累和释放过程。
在实际生产、生活中,静电放电可能导致电子元器件损坏、设备失效,甚至对人员造成伤害。
为了降低ESD对电子产业和人类健康的影响,制定了一系列ESD防静电标准。
二、ESD防静电标准的范围ESD防静电标准涵盖了多个领域,包括:1.电子元器件和设备的静电放电防护设计;2.静电放电防护材料的选择与应用;3.静电放电防护措施的实施与管理;4.静电放电防护测试方法与评价;5.静电放电防护培训与教育。
三、我国ESD防静电标准的发展我国在ESD防静电领域的研究和标准制定起步较早。
近年来,随着我国电子产业的快速发展,ESD防静电标准得到了进一步的完善和提高。
目前,我国已经制定了一系列与ESD防静电相关的国家标准和企业标准,为我国电子产业提供了有力的技术支持。
四、ESD防静电标准的实际应用ESD防静电标准在实际应用中具有重要意义。
通过遵循ESD防静电标准,企业可以有效地降低静电放电对电子元器件和设备的损害,提高产品质量和生产效率。
同时,ESD防静电标准还能保障相关人员的人身安全,降低事故发生的风险。
五、总结与展望ESD防静电标准在电子产业和其他相关领域发挥着重要作用。
随着科技的不断进步,ESD防静电标准将不断完善和发展,以适应新的需求。
在未来,ESD防静电标准将继续为我国电子产业提供有力支持,助力产业高质量发展。
esd测试方法及标准
ESD(静电放电)测试是一种评估电子设备抵抗静电能力的方法,其标准为GB/T17626.2(等同于国际标准IEC61000-4-2)。
在ESD测试中,根据不同的情况,有多种测试模式。
1. I/O引脚对电源和地引脚的应力测试:对于每一个I/O引脚而言,其相对于正电源或者负电源都可能存在正向静电应力和负向静电应力。
因此,I/O引脚有四种测试模式,PS模式(positive to VSS)、NS模式(negative to VSS)、PD模式(Positive to VDD)、ND模式(negative to VDD)。
当某一引脚对电源进行应力测试时,其他引脚需处于悬浮状态。
2. I/O引脚到I/O引脚应力测试:不同I/O引脚之间也存在正、负两种应力情况。
在实际静电放电过程中,通常是其中某一个I/O引脚遭受ESD应力而另一个或多个I/O引脚接地形成ESD路径。
为了节约时间并更全面地模拟现实情况,通常对某一I/O引脚进行I/0引脚到I/O引脚的应力测试时,要将其他所有I/O 引脚全部接地。
电源VDD引脚和VSS引脚处于悬空状态。
3. VDD引脚到VSS引脚应力测试:电源引脚之间也存在正、负两种应力情况。
在进行正电源VDD引脚到负电源VSS引脚的应力测试时,所有I/O引脚需处于悬浮状态。
以上信息仅供参考,如有需要,建议咨询专业技术人员。
esd试验标准
esd即静电放电抗扰度试验,静电放电标准描述的是在低湿度环境下,通过摩擦使人体带电,带了电的人体,在与设备接触过程中就可能对设备放电。
静电放电(ESD)试验标准有:
1.人体放电模式(HBM):等效人体电容为100pF,等效人体电阻为1.5KΩ,规
定小于2kV的则为Class-1,在2kV~4kV的为class-2,4kV~16kV的为
class-3。
2.机器放电模式(MM):等效机器电阻为0(因为金属,通常小于10Ω),电容
为200pF。
由于机器是金属且电阻为0,所以放电时间很短,几乎是ms或者us之间。
静电放电抗扰度试验ESD模拟了两种情况:
1.设备操作人员直接触摸设备时对设备的放电,和放电对设备工作的影响;
2.设备操作人员在触摸邻近设备时,对这台设备的影响。
影响产品ESD测试的主要因素有:
1.机身材质:不同的外壳材质的产品有不一样的放电路径,对静电放电抗干
扰测试也会有不一样的影响,如导体、绝缘体、喷有导电漆的绝缘体等。
2.放电点与敏感线路的距离:静电属于高频的干扰,放电时会有电磁场产
生,距离近会有较大的寄生电容和较小的耦合阻抗,更容易被干扰。
3.放电点的静电流放电路径和阻抗:不同的路径造成不同的阻抗,不同的阻
抗会产生不同的干扰。
4.芯片本身的抗干扰能力:芯片本身承受脉冲干扰而不发生逻辑错误的能
力、外围电路的处理、外部连接的布线等。
静电放电(ESD)的判定标准通常根据不同的放电模式和电子产品类型而有所不同。
以下是一些常见的ESD判定标准:
1. 人体放电模式(HBM):这是最常见的ESD模式,模拟人体触摸电子产品时产生的静电放电。
HBM的判定标准通常根据产品的电容和电阻值来确定。
一般来说,当静电放电电流小于2000μA时,产品可能被判定为符合ESD要求。
2. 机器放电模式(MM):这种模式模拟机器(如机器人或自动化设备)移动时产生的静电放电。
MM的判定标准通常根据产品的电容和电阻值来确定。
一般来说,当静电放电电流小于100μA时,产品可能被判定为符合ESD要求。
3. 空气放电模式(空气放电):这种模式模拟带电物体通过空气放电时产生的静电放电。
空气放电的判定标准通常根据产品的电容和电阻值来确定。
一般来说,当静电放电电流小于100μA 时,产品可能被判定为符合ESD要求。
4. 地线放电模式(地线放电):这种模式模拟带电物体通过地线放电时产生的静电放电。
地线放电的判定标准通常根据产品的地线电阻和电容值来确定。
一般来说,当地线电阻小于1Ω时,产品可能被判定为符合ESD要求。
需要注意的是,不同的电子产品类型和不同的应用场景可能需要采用不同的ESD判定标准。
在实际应用中,应根据具体的产品标
准和要求来确定ESD的判定标准。
esd名词解释
【原创实用版】
目录
1.ESD 的定义
2.ESD 的含义
3.ESD 的应用领域
4.ESD 的重要性
5.ESD 的发展前景
正文
1.ESD 的定义
ESD,全称为 Electrostatic Discharge,中文名为静电放电。
它是
指在电子设备或元器件中,由于静电场作用下,电子或离子发生移动并在导体表面产生电荷积累,当电荷积累到一定程度时,会产生放电现象。
2.ESD 的含义
ESD 是一种电荷释放过程,它可以在器件或设备之间产生,也可以在器件或设备与地之间产生。
ESD 的发生可能对电子设备或元器件造成损害,导致性能下降或失效,因此在电子制造和维修过程中需要特别注意防止ESD 的发生。
3.ESD 的应用领域
ESD 广泛应用于电子制造、半导体工艺、航空航天、汽车制造、医疗设备等领域。
在这些领域中,ESD 的防护措施是必不可少的,可以有效保护电子设备和元器件免受静电放电的损害。
4.ESD 的重要性
随着科技的不断发展,电子设备和元器件越来越小型化和精密化,ESD
对它们的影响也越来越大。
如果 ESD 防护措施不到位,可能会导致电子设备或元器件性能下降、失效,甚至引发火灾或爆炸等安全事故。
因此,ESD 防护在现代电子制造和维修中具有非常重要的地位。
5.ESD 的发展前景
随着电子技术的不断进步,ESD 防护技术也在不断发展。
未来,ESD 防护将更加注重高效、可靠和环保,新型的 ESD 防护材料和技术将不断涌现。
此外,智能化和自动化也将成为 ESD 防护技术的重要发展方向。
什么是ESD(静电放电)及ESD保护电路的设计静电放电(ESD,electrostatic discharge )是在电子装配中电路板与元件损害的一个熟悉而低估的根源。
它影响每一个制造商,无任其大小。
虽然许多人认为他们是在ESD安全的环境中生产产品,但事实上,ESD有关的损害继续给世界的电子制造工业带来每年数十亿美元的代价。
ESD究竟是什么?静电放电(ESD)定义为,给或者从原先已经有静电(固定的)的电荷(电子不足或过剩)放电(电子流)。
电荷在两种条件下是稳定的:当它“陷入”导电性的但是电气绝缘的物体上,如,有塑料柄的金属的螺丝起子。
当它居留在绝缘表面(如塑料),不能在上面流动时。
可是,如果带有足够高电荷的电气绝缘的导体(螺丝起子)靠近有相反电势的集成电路(IC)时,电荷“跨接”,引起静电放电(ESD)。
ESD以极高的强度很迅速地发生,通常将产生足够的热量熔化半导体芯片的内部电路,在电子显微镜下外表象向外吹出的小?弹孔,引起即时的和不可逆转的损坏。
更加严重的是,这种危害只有十分之一的情况坏到引起在最后测试的整个元件失效。
其它90%的情况,ESD损坏只引起部分的降级- 意味着损坏的元件可毫无察觉地通过最后测试,而只在发货到顾客之后出现过早的现场失效。
其结果是最损声誉的,对一个制造商纠正任何制造缺陷最付代价的地方。
可是,控制ESD的主要困难是,它是不可见的,但又能达到损坏电子元件的地步。
产生可以听见“嘀哒”一声的放电需要累积大约2000伏的相当较大的电荷,而3000伏可以感觉小的电击,5000伏可以看见火花。
例如,诸如互补金属氧化物半导体(CMOS, complementary metal oxide semiconductor)或电气可编程只读内存(EPROM, electricall programmable read-only memory)这些常见元件,可分别被只有250伏和100伏的ESD电势差所破坏,而越来越多的敏感的现代元件,包括奔腾处理器,只要5伏就可毁掉。
静电放电(ESD)1. 静电放电模型为了定量地研究静电放电问题,必须建立ESD模型。
人体静电是引起静电危害如火炸药和电火工品发生意外爆炸或静电损坏的最主要和最经常的因素,因此国内外对防静电放电控制要求都是以防人体静电为主,并建立了人体模型(Human Body Model - HBM),HMB是ESD模型中建立最早和最主要的模型之一。
除人体模型外,还有很多其它静电放电模型。
人体模型(HBM)家具ESD模型机器模型(MM)人体金属ESD模型带电器件CDM模型其它静电放电模型2. 静电放电模拟器(ESD Simulator)或静电放电发生器(ESD Generator)静电放电发生器的基本要求静电放电发生器的选用静电放电发生器的研制过程EST802静电放电发生器我人体模型(HBM)人体静电是引起火炸药和电火工品发生意外爆炸的最主要和最经常的因素,因此国内外对电火工品的防静电危害要求都是以防人体静电为主,并建立了人体模型(Human Body Model - HBM),HMB是ESD模型中建立最早和最主要的模型之一。
人体能贮存一定的电荷,所以人体明显地存在电容。
人体也有电阻,这电阻依赖于人体肌肉的弹性、水份、接触电阻等因素。
大部分研究人员认为电容器串一电阻是较为合理的电气模型,见图3-1。
过去有许多研究试图确定典型人体的这些参数的适当取值。
通常把电容器串联一电阻作为人体模型。
早在1962年,美国国家矿务局[ ]测得22人次人体电容范围为95~398PF,平均电容值为240,100次试验测得手与手之间的平均电阻为4000Ω。
这些数据为建立了人体模型起了一个好的开端,做过一些修改之后,用在电子工业中建立早期的模拟电路。
Kirk等[ ]人测得人体电容值的范围为132-190PF。
人体电阻值为87-190Ω。
为了求得一致,美国海军[ ]1980年提出了一个电容值为100PF,电阻为1.5kΩ的所谓“标准人体模型”。
这一标准得到广泛采用,但在后来也遇到一些问题。
国电压最高电压(120kV)的静电放电模拟器研制成功 2001-06-30家具ESD模型在人们的生活和生产过程中,除人体ESD模型外,家具ESD模型也是最为常见的ESD模型。
最早研究家具模型的是IBM公司的Calcayecchio[[i]]。
Maas[[ii]]等人还把家具模型与人体/手指模型和手/金属模型进行了比较。
家具模型是代表与地绝缘的金属椅子、手推车、工具箱等家具ESD的放电模型。
早期的主要研究是测量典型家具的电容和放电电流。
其电容大约在几十至135PF 左右。
家具放电的主要特点是低的阻抗(15-75Ω),串联电感大约在0.2-0.4μH, 因此这导致欠阻尼振荡。
对于2000V的放电,其电流波形上升时间大约在1-8nS之间,半周期(第一个峰值电流与第一个反相峰值电流之间)在10-18nS。
放电能产生非常大的电流。
图3-20给出了当家具电容C=80pF, 放电电阻R=50Ω,电感 L=0.3μH,放电电压 V0=2kV时数值计算的家具模型ESD电流波形。
从图3-20可见,家具模型ESD波形为欠阻尼振荡波形,持续时间约为50nS。
H, V0=2kV C=80pF, R=50Ω, L=0.3数值计算家具模型ESD电流波形(LRC-14)机器模型(MM)机器模型因在日本得到广泛应用,也叫日本模型。
与家具模型不同的是它主要由200pf电容串非常低的电阻(<10Ω)代替通常串联的电阻构成。
机器模型的典型代表如带电绝缘的机器人手臂、车辆、绝缘导体等。
机器模型放电的波形与预料的家具模型波形相似,不同的是带电电容较大。
典型的机器模型对小电阻(<10Ω)放电的波形, 峰值电流可达几百安培,持续时间(决定于放电通路的电感)为几百纳秒。
图3-21 C=200pF, R=5Ω, L=0.3 H, V0=4kV时数值计算机器模型ESD电流波形(LRC-15)机器ESD模型电流波形见图3-21。
图3-21是电容为200PF, 电压为4kV,回路电感为300nH时机器ESD模型放电电流波形,其峰值电流达近百安培,持续时间为400nS。
图3-22是电感为30nH,其它条件与图3-21相同时数值计算的机器ESD模型放电电流波形,其电流峰值近240安培,持续时间约为40nS。
比较这两数值计算的结果可知,当电感从300nH减为30nH,而电容、电压、电阻不变时,电流峰值从近百安增加到约250安。
持续时间由400nS减为40ns左右。
对于机器模型,电感越小,电流峰值越大,持续时间越短。
人体金属ESD模型(场增强ESD模型)场增强模型或人体金属模型是用来描述人体通过手握金属工具如镊子等的放电模型。
由于静电场集中在工具的最尖处,所以有效放电电阻减小。
Hyatt[[i]]等人描述的这种模型电阻为350Ω~500Ω,电容与人体模型的电容相等。
由于时间常数正比于电阻,其主要的区别在于这种模型的低电阻引起的放电电流上升和下降时间较快。
场增强ESD模型电流波形见图3-23。
带电器件CDM模型1974年Speakman[[i]]提出了因器件本身积累静电而迅速放电造成元件,如一个集成电路损坏的可能性。
这类失效从此称为带电器件失效模型。
例如从非防静电的包装袋内取出集成电路并把它放在导电平面时发生的ESD。
由于带电器件模型在装配与测试中成为主要的失效模型,所以这种模型在1980年进行了许多论述。
试验结果表明,通过模拟双列式封装(DIP)管的处理产生的摩擦起电导致大部分静电积累在引线上。
管脚上电荷的典型值为3nC,塑料包装上的电荷小于0.2nC 。
这表明大部分电荷就象在导体上一样可以移动。
通常情况下,器件为集成电路、混合器件或其它对地有电容的组件。
带电器件模型如图3-24(a)所示。
CD 是器件对地电容,RD是芯片消耗瞬时能量呈显的电阻。
LD是引线的电感。
对地放电通路也包含相似的元件,如图3-24 (b)所示。
RP是通路对地的电阻,CP 是对地电容,LP是对地的任何电感。
在许多实际条件下,很小可忽略。
由于RP 很小或者足够大的CP使得通路对地阻抗很低。
其放电上升时间小于1nS, 持续时间小于10纳秒场感应ESD模型器件、组件或绝缘导体上因静电场感应会造成ESD损坏。
放电后留在敏感部件上极性相反的电荷在离开外电场后又有可能存在放电的双重危险。
即当这部件在以后接地时存在着第二次ESD事件的可能性。
要注意的是所谓的场感应模型除电场的作用之外,还必须有放电才能造成危害。
所以“场感应/放电”这个术语更能准确地描述这种模型。
电容耦合ESD模型McAteer[[i]]描述了几个与前述所有模型不同的失效模型—电容耦合模型(CCM)。
这种模型以电容耦合的带电源到敏感器件节点的ESD失效。
这种模型的电路有几种形式:(a)人体电容耦合模型,(b)人体金属电容耦合模型,(c)带电器件电容耦合模型(与场感应电容耦合模型相同)。
(d)机器模型电容耦模型。
这几种CCM的重要性是当通过器件的通路不明显时就能使器件失效的微妙方式。
应该注意的是CCM放电不是简单地由于分布电容的存在而发生。
只有当通路包含敏感元件时,放电才发生。
事实上,电容在直流时呈现出无限的阻抗而随着频率升高时阻抗减小。
悬浮器件ESD模型有时人们会在参考文献中遇到悬浮器件模型。
这种模型已用在含器件处在不接地(即悬浮)中研究ESD试验方法。
通常这模型简单地描述为悬浮器件受到人体模型冲击。
理论上,这器件对地有无限的阻抗。
实际上,悬浮器件对地有分布电容,分布电容的大小决定于模型中许多未定的参数。
悬浮器件模型认为是ESD模型的CCM附属模型中微不足道的例子。
仅在分布电容确定后才值得考虑。
瞬时感应ESD模型瞬态如火花放电或其它带电体放电能引起如计算机的数字系统短暂干扰。
特别是微处理器易受干扰。
这种模型实验上与静电电磁辐射模型类似,代表了一种严重的问题。
在后面要专们讨论有关静电电磁辐射模型。
其它ESD模型在一些其它文献中还会见到一些其它的ESD模型,如ESD对半导体器件的潜在影响(Latent danage)基本的电荷注入/捕获模型、人体指尖模型(human body finger tip model)金属车模型(the metallic cart model)、金属车减幅振荡模型(metallic cart, ringing wave form model)等等,这些ESD模型与以上分析讨论的ESD模型有许多相似之处,在此不另专门讨论。
上述讨论的ESD模型有重要的差异。
尽管有重要差异这些模型间存在重叠和相似之处。
理解这些差别和相同之处为分析、模拟试验、设计实验方法和防护ESD制定规范、标准等都具有重要的意义。
静电放电(ESD)模拟器(Simulator)或叫静电放电发生器(ESD Generator)因为ESD的偶然性较大,为了便于研究,需要能较好地重复ESD的装置。
通常采用ESD模拟器进行实验。
1984年的IEC801-2使用简单的RC模型,150PF电容串一个150欧姆电阻,其放电电流波形上升时间约为5ns。
从前面的数值计算的结果可以推测,回路电感大约为L=Rt=150×5nH=0.75μH。
所以作者认为更准确地说, 这种模型是RLC电路模型, 因为RC电路的上升时间为零。
50%幅度的持续时间为30ns, 峰值电流从2kV(电容器电压)的9A到15kV(电容器电压)的70A。
其它的一些机构也提出了类似的模型,电容从60-300pF, 放电电阻10-10,000Ω。
国内外一些主要标准的ESD模拟器目前只规定了人体模型的RC参数。
其典型电路参数如表3-1所示。
这些标准规定的RC参数相差较大,主要是起草标准时各机构对人体参数测量方法或标准的目的不相同所致。
由于以前测量仪器的性能低以及人们对ESD研究不够深入, 较早期的一些标准对人体电容或人体放电电阻, 规定得较粗糙, 相差较大。
近年来由于带宽大于1GHz的数字存储示波器的应用,大部分研究结果认为,通常人体静电电容为100PF—300PF, 放电电阻约为几百欧姆,放电时间常数为几十纳秒。
较新的标准或一些商业静电模拟器大部分采用电容为150PF串330Ω电阻作为人体ESD模型。
表3-1 国内外典型ESD模型器参数机构电容(pF)电阻(Ω)时间常数参考文献RC(ns)IEC 801-2 (第一次)15015022.5[[i]]IEC 801-2(第二次)15033049.5[[ii]] IEC 1000-4-215033049.5EN61000-2-415033049.5ECMA15033049.5[[iii]]EIA10050050[[iv]]NEMA1001500150[[v]]MIL-STD 883B1001500150[[vi]]DOD-HD BK2631001500150EIA6010000600[ 104]SAE30050001500[[vii]]MIL-STD-151250050002500GJB73650050002500[[viii]]注: EIA (Electronics Industries Association)NEMA (National Electrical Manufacturer’s Association)IEC (International Electrotechnical Commission)ECMA (European Computer Manufactur’s Association)SAE ( Society of Automotive Engineers)静电放电发生器的基本要求ESD Generator Specifications一、标准静电放电试验是电子产品重要试验之一,国个在80年代就制定了相应的标准。