制造业公司组织结构图
- 格式:docx
- 大小:96.73 KB
- 文档页数:1
(完整版)制造商企业组织机构框图.txt
(完整版)制造商企业组织机构框图
介绍
本文档旨在呈现制造商企业的组织机构框图,以便更好地了解该企业的各个部门和层级之间的关系和职责分工。
组织机构框图
以下是制造商企业的完整组织机构框图:

部门和职责
制造商企业包括以下主要部门和相应的职责:
1. 高级管理层:
- 负责制定和实施企业的总体战略和目标- 监督各个部门的运营和绩效
2. 生产部门:
- 负责生产和制造产品
- 确保生产过程的高效运作
- 监管生产进度和质量控制
3. 供应链管理部门:
- 管理供应链上的物流和货运
- 与供应商协商合作关系
- 确保供应链的稳定性和可靠性
4. 市场营销部门:
- 负责宣传和促销产品
- 进行市场调研和分析
- 制定市场营销策略和计划
5. 财务部门:
- 管理企业财务和会计事务
- 编制财务报表和预算
- 实施财务控制和风险管理
6. 人力资源部门:
- 负责招聘和培训员工
- 管理员工薪酬和福利
- 维护劳动关系和员工激励
7. 研发部门:
- 负责新产品开发和技术创新
- 进行产品设计和改良
- 研究市场趋势和竞争对手
8. 客户服务部门:
- 处理客户的投诉和问题
- 提供售后服务和支持
- 维护客户关系和提高客户满意度结论
制造商企业的组织机构框图展示了各个部门之间的职责分工和层级关系。
通过清晰了解企业的组织结构,可以更好地协调各个部门的工作,提高企业的绩效和竞争力。
以上是制造商企业组织机构框图的完整版。
部门组织结构图及各岗位职责1、部门组织结构图1.1生产部组织结构总图生产部经理(1人)生产部副经理兼总装工段长(1经理助理兼生产计划员(1人)制造工段长(1人)设备维护员(3人)总装工段长(0人办公室资料员(1人)清洁工(1人)物料计划员(1人)仓库主管(1人)包装发运主管(1人)生产准备员(1人)钣金组员工(46铜排组员工(12装配组员工(57行线组员工(38手车组(VCB+非标)员工(16人)物料配送员(6人)微机录入员(2人)包装工(1人)制造工段长 (1人)编程组长 (1人)编程员 (3人)计划制作 (1人)数控工 (12人)折弯工 (11 人)钣金组员工 (46人)剪板工 (4人) 普冲工 (6人) 电焊工 (3人) 打磨工 (3人) 外协工 (2人)铜排组员工(12人)下料工 (1人)冲孔工 (2人)折弯工 (1人)打磨工 (1人)烘排工 (6人)组长 (1人)副经理兼总装工段长(1人)装配组长(3人)半成品组工(14人)装配1组员工(20人)行线组员工(38人)行线组长(2人)装配组员工(57人)装配11组员工(20人)号码工(1人)行线工(35人)手车组员工(16人)行线工(2人)标准断路器装配工(8人)非标手车装配工(4人)组长(2人)生产部21。
制造业企业一般组织架构制造业企业一般组织架构1. 总体概述1.1 公司名称1.2 公司使命和愿景1.3 公司核心价值观1.4 公司战略目标2. 高层管理2.1 董事会2.2 高级管理团队3. 部门及职能区域划分3.1 生产部门3.1.1 生产规划3.1.2 生产执行3.1.3 生产控制3.2 质量管理部门3.2.1 质量策略3.2.2 质量控制3.2.3 质量改进3.3 供应链管理部门3.3.1 采购管理3.3.2 物流管理3.3.3 供应商管理3.4 研发部门3.4.1 产品设计3.4.2 工艺开发3.5 销售与市场部门3.6 人力资源部门3.6.1 招聘与选拔3.6.2 绩效管理3.6.3 培训与发展3.7 财务部门3.7.1 财务规划与预算3.7.2 财务报告与分析4. 跨部门协作机制4.1 会议制度4.2 沟通与协作平台4.3 信息共享与流程优化5. 战略伙伴关系5.1 供应商合作5.2 客户合作5.3 合作伙伴关系管理6. 组织文化与价值观6.1 公司文化定义6.2 文化建设措施6.3 价值观落实措施7. 奖励与激励机制7.1 绩效评估7.2 薪酬激励7.3 员工福利8. 职责与权限划分8.1 职能岗位职责8.2 决策权限9. 组织架构图附件:1. 组织架构图法律名词及注释:1. 董事会:在公司法律框架中,由一组董事组成的最高决策机构。
2. 生产规划:制定生产计划,包括产量、交付日期等。
3. 生产执行:执行生产计划,确保按时按量生产。
4. 生产控制:监控生产过程,及时发现并解决生产问题。
5. 质量策略:公司制定的关于质量管理的宗旨和方针。
6. 质量控制:确保产品符合质量要求的过程。
7. 质量改进:不断优化质量管理系统,提高产品的质量。
8. 供应链管理:管理从原材料采购至产品交付的整个供应链过程。
9. 采购管理:负责从供应商采购原材料和零部件。
10. 物流管理:管理产品的运输、仓储和分发等供应链环节。
企业组织结构举例企业组织结构举例企业组织结构是指企业内部各个部门之间的关系和职责分工。
不同的企业组织结构可以适应不同的经营模式和市场需求。
下面以三个不同类型的企业为例,介绍它们的组织结构。
1. 制造业企业制造业企业通常需要大量的生产设备和技术人员,因此它们的组织结构通常比较复杂。
下面是一个制造业企业的组织结构图:首席执行官(CEO)是企业的最高领导,负责整个企业的战略规划和决策。
下面是几个重要的部门:- 研发部门:负责研发新产品和技术,包括设计、原型制作、测试等。
- 生产部门:负责生产产品,包括采购原材料、生产制造、质量控制等。
- 销售部门:负责销售产品,包括市场调研、销售渠道开发、客户服务等。
- 财务部门:负责企业的财务管理,包括会计、预算、资金管理等。
2. 服务业企业服务业企业通常以提供服务为主要业务,因此它们的组织结构相对简单。
下面是一个服务业企业的组织结构图:首席执行官(CEO)是企业的最高领导,负责整个企业的战略规划和决策。
下面是几个重要的部门:- 业务部门:负责提供服务,包括客户咨询、服务设计、服务实施等。
- 市场部门:负责市场推广,包括市场调研、品牌推广、广告宣传等。
- 财务部门:负责企业的财务管理,包括会计、预算、资金管理等。
3. 创业型企业创业型企业通常是初创企业,组织结构相对灵活。
下面是一个创业型企业的组织结构图:创始人是企业的最高领导,负责整个企业的战略规划和决策。
下面是几个重要的部门:- 研发部门:负责研发新产品和技术,包括设计、原型制作、测试等。
- 运营部门:负责企业的日常运营,包括人力资源管理、财务管理、客户服务等。
- 市场部门:负责市场推广,包括市场调研、品牌推广、广告宣传等。
总之,企业组织结构是企业内部各个部门之间的关系和职责分工。
不同类型的企业需要不同的组织结构来适应不同的经营模式和市场需求。
XXXX有限公司组织架构图
(500人左右规模中型制造型企业)
编制说明:
1、公司依据“董事会领导,总经理负责,总经办协商”原则,按总经理级、副总级、部门经理级、车间主任(科室科长)级、班组长(科员)级、员工六
个职级职别编制各部门组织架构;
2、“生产管理中心”、“行政管理中心”、“营销管理中心”为副总经理编制,不设助理。
3、“深井泵事业部”、“农用泵事业部”、“技术研发事业部”等九个部门,为部门经理编制,不设助理;依据公司发展目标,编制详细的《岗位职责说明书》,
现有岗位人员与外聘人员择优录取,按岗定人。
4、部门下设车间、科室,为主任、科长编制,视岗位职责大小及人员编制多少,可另设副主任、副科长;
5、车间、科室下设班组、办事员,为班组长编制;
6、自车间主任、科室科长级(含)以上按《岗位职责说明书》要求,编订KPI绩效考核费用指标,由财务统计会计把控,“行政管理中心”按月实行考核,
进一步明确“责、权、利”关系,实行管理人员“计件工资制”;
7、公司所有管理岗位按“能者上、平者让、庸者下”原则,制订相应晋升、代理、轮岗、淘汰制度,打破“铁饭碗”、“终身制”,公司管理从“人治”迈入
“法治”阶段,通过3~5年的基础发展,逐步推行和打造“心治”的人本管理企业文化氛围。
XXXX有限公司生产管理中心生产管理中心组织架构图
XXXX有限公司生产管理中心
物控部组织架构图
农用泵事业部组织架构图
技术研发部组织架构图
深井泵事业部组织架构图
品管部组织架构图
行政管理中心组织架构图
营销管理中心组织架构图
XXXX泵业有限公司财务部
财务部组织架构图。
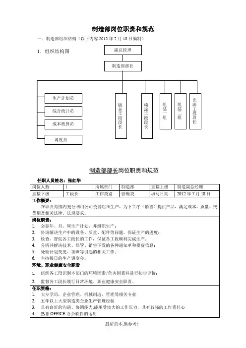
制造部岗位职责和规范一.制造部组织结构(以下内容2012年7月18日编制)
制造部部长岗位职责和规范
编制:修改:审核:批准:
计划员岗位职责和规范
编制:修改:审核:批准:
综合统计员岗位职责和规范
编制:修改:审核:批准:
成本核算员岗位职责和规范
任职人员姓名:
编制:修改:审核:批准:
工段长长岗位职责和规范
任职人员姓名:
编制:修改:审核:批准:
班长岗位职责和规范
调度岗位职责和规范
【本文档内容可以自由复制内容或自由编辑修改内容期待你的好评和关注,我们将会做得更好】。
xxxxx有限公司组织机构图xxxxx有限公司部门职责一、综合管理部主要负责xxxx公司xxx园区管理、行政、后勤、外联等综合性事务管理工作。
二、人力资源部主要负责xxxx公司人力资源规划、招聘、培训、绩效、薪酬、员工关系等人力资源管理工作。
三、财务部主要负责xxxx公司整体资金、财务管理,以及兼管公司仓库管理工作。
四、环保营销公司主要负责环保设备或项目的营销工作。
五、环保技术北京研发中心1、污泥技术部:主要负责电渗透设备、高压板框装备主机的研发、工艺、营销支持等。
2、固废技术部:主要负责高压挤压、缠膜打包、干式厌氧、秸秆打捆、秸秆造粒等设备研发、工艺、营销支持等。
3、浓液技术部:主要负责高浓废水单体设备设计、土建提资、系统平立面布置,工艺、现场、营销支持等。
4、综合技术部:主要负责技术调研与引进、内勤、资料管理、计划跟进与考核、技术经济分析等。
六、环保设备分公司1、环保制造中心:主要负责环保设备生产(下料、机加、铆焊、装配、涂装、电工、生物转盘)以及环卫汽车分公司结构件生产、环保物资外购外协、售后服务、工程项目现场安装等。
2、环保营运管理部:主要负责环保分公司总体计划与考核、集团内部销售等。
3、环保质量管理部:主要负责环保分公司的质量检验与控制。
4、环保技术咸宁研发中心:主要负责工艺、设备制造协调、现场安装调试、项目进度跟进、专利申报、技术资料管理等。
七、环卫汽车分公司1、汽车研发中心:主要负责路面清扫、清洗及清雪、垃圾收运类相关产品研发设计、电液智能、电动技术、无人驾驶技术、桑德盒子、智慧环卫研究、工艺支持、专利、标准化、技术资料及相关研发管理工作等。
2、汽车质量管理部:主要负责环卫汽车分公司的质量检验与控制。
3、汽车营运管理部:主要负责计划、订单交付计划与跟踪、价格审计、效能督查考核、公司经营统计分析等。
4、汽车制造中心:主要负责环卫设备生产制造(装配、调试、涂装)、环卫专用物资的外购外协及供应链管理等工作。
(完整版)制造商企业组织机构框图制造商企业组织机构框图1. 引言制造商企业组织机构框图是一种显示制造商企业组织结构的图形表示方法。
通过这种框图,可以清晰地展示制造商企业的各个部门之间的关系和职责划分,有助于组织内部沟通和决策。
2. 组织机构框图内容制造商企业组织机构框图通常包括以下主要内容:2.1 董事会和高级管理层制造商企业的董事会和高级管理层是企业决策的核心。
他们通常由企业的股东或投资者选举产生,负责制定企业的战略和决策。
2.2 行政部门行政部门负责企业的日常行政管理工作,包括人力资源管理、财务管理、行政支持等。
2.3 研发部门研发部门负责企业的产品研发和创新。
他们与工程师和设计师密切合作,开发新产品或改进现有产品,以满足市场需求和顾客要求。
2.4 生产部门生产部门是制造商企业的核心,负责产品的制造和生产工艺的管理。
他们与采购部门密切合作,确保生产线的正常运行,产品按时生产和交付。
2.5 营销部门营销部门负责企业产品的市场推广和销售。
他们与销售团队合作,开展市场调研、制定营销策略,并与客户建立良好的关系。
2.6 售后服务部门售后服务部门负责为客户提供产品的售后服务和技术支持。
他们解决客户的问题、处理投诉,并确保客户对产品的满意度。
2.7 供应链部门供应链部门负责企业原材料和产品的供应链管理。
他们与供应商保持紧密合作,确保原材料的及时供应和产品的良好质量。
2.8 运营部门运营部门负责企业生产和运营的整体管理。
他们协调各个部门之间的工作,确保生产计划的顺利执行和企业运营的高效运作。
3. 总结制造商企业组织机构框图是一种有效的工具,用于展示企业内部各个部门之间的关系和职责划分。
通过清晰地了解企业的组织结构,可以帮助企业内部沟通和决策,并有效提升企业的生产效率和竞争力。
以上是对制造商企业组织机构框图的简要介绍,希望对您有所帮助。