钣金折弯系数表
- 格式:xls
- 大小:1.08 MB
- 文档页数:9
solidworks钣金折弯k因子系数表
SW钣金折弯K因子系数表:
1、标准折弯:采用K因子法计算折弯半径,K因子系数依据材料的体积重量和屈服力的特性而定
a) K=0.275,在0.1-0.14屈服力杆材
b) K=0.30,在0.15-0.246屈服力杆材
c) K=0.33,在0.25-0.50屈服力杆材
d) K=0.40,在0.50-4.00屈服力杆材
2、热折弯:热折弯K因子系数稍比标准折弯高,适用于杆材屈服力在
0.50~3.00,使用热拉曲实用性非常好
a) K=0.38,在0.50-1.00屈服力杆材
b) K=0.42,在1.00-1.73屈服力杆材
c) K=0.45,在1.73-2.00屈服力杆材
d) K=0.50,在2.00-3.00屈服力杆材
3、冷拔小圆弧:对于支撑距比优于四倍半径的杆材,可以采用冷拔与正弦小圆弧折弯,K因子系数由折弯弯曲半径比决定
a) K=0.20,<3 半径
b) K=0.30,3-10 半径
c) K=0.42,>10 半径
4、化学折弯:采用K因子法计算折弯半径,K因子系数将会依据材料的体积重量和屈服力的特性而定
a) K=0.96,在0.1-0.6屈服力杆材
b) K=1.14,在0.6-4.00屈服力杆材
5、激光折弯:
a) K=0.06,在0.1-0.14屈服力杆材
b) K=0.1,在0.15-0.246屈服力杆材
c) K=0.13,在0.25-0.5屈服力杆材
d) K=0.19,在0.5-4.00屈服力杆材。
钣金折弯系数表铁材及白铁钣厚系数-2T+K 适用范围(内尺寸)0.3 0 -0.60 > 2.30.4 0.1 -0.70 > 2.30.5 0.15 -0.85 > 2.30.6 0.2 -1.00 > 2.40.8 0.3 -1.30 > 2.41.0 0.4 -1.60 > 3.51.2 0.5 -1.90 > 4.01.4 0.55 -2.25 > 4.51.5 0.6 -2.40 > 4.51.6 0.6 -2.60 > 4.51.8 0.7 -2.90 > 5.52 0.7 -3.30 > 6.52.3 0.8 -3.80 > 7.52.5 0.8 -4.20 > 8.02.6 0.8 -4.40 > 8.03.0 1.0 -5.00 > 10.04.0 1.2 -6.8 > 13.04.5 1.3 -7.7 > 13.05.0 1.3 -8.7 > 22.06.0 1.5 -10.5 > 22.06.3 1.2 -11.4 > 27.06.35 1.2 -11.5 > 27.010 3.6 -16.4 > 36.0铝钣厚系数-2T+K 适用范围(内尺寸)0.50 0.25 -0.75 > 2.30.60 0.30 -0.90 > 2.40.80 0.40 -1.20 > 2.41.00 0.50 -1.50 > 3.51.20 0.60 -1.80 > 4.01.50 0.75 -2.25 > 4.51.60 0.80 -2.40 > 4.52.00 1.00 -3.00 > 6.52.30 1.10 -3.50 > 7.53.00 1.50 -4.50 > 10.04.00 2.00 -6.00 > 13.05.00 2.50 -7.50 > 22.0举个例子,1mm铁板就按0.4,最后两组数字不用看钣金工艺参数90°钣金扣除非90°钣金扣除序号厚度钣金扣除材料用K因子1 1.0mm 1.75mm 铁板0.22 1.2mm 2.15mm 不锈钢0.53 1.5mm 2.65mm4 2.0mm 3.5mm5 2.5mm 4.3mm6 3.0mm 5.3mm拔眼底孔序号规格底孔序号规格底孔1 M3 Φ1.75 3 M5 Φ2.52 M4 Φ2.0 4 M6 Φ2.5压铆螺柱序号规格底孔序号规格底孔1 M3*高Φ4.23 M5*高Φ7.22 M4*高Φ7.2 4 M6*高Φ8.75压铆螺母序号规格底孔序号规格底孔1 M3 Φ4.25 3 M5 Φ6.42 M4 Φ5.4 4 M6 Φ8.75攻丝牙底孔序号规格底孔序号规格底孔1 M2 Φ1.75 4 M5 Φ4.22 M3 Φ2.5 5 M6 Φ5.23 M4 Φ3.3 6 M8 Φ6.8L=R/TX(0.4`0.5)T。
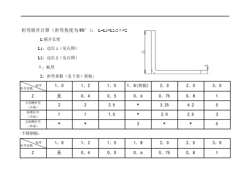
板厚折弯系数 板厚 折弯系数 折弯展开计算(折弯角度为90°): L=L1+L22δ+ZL:展开长度L1:边长1(见右图)L2:边长2(见右图)δ:板厚Z:折弯系数(见下表)铁板:1.0 1.2 1.5 1.8(热板)2.0 2.53.0 Z 无0.4 0.5 0.6 0.75 0.8 1 无刨槽折弯 (冷板) 22 2、5 * 3、25 4、2 5 刨槽折弯 (冷板) 11 1、5 * 2、0 2、5 3 无刨槽折弯(热板)* * 3 * * 5 不锈钢板:1.01.2 1.5 1.82.0 2.53.0 Z无 0.4 0.5 0.6 0.75 0.8 1 全国注册建筑师、建造师考试 备考资料 历年真题 考试心得 模拟试题Q/ZB J65—20101钣金展开计算方法2、1 板料在弯曲过程中外层受到拉应力,內层受到压应力,从拉到压之间有一既不受拉力又不受压力得过度层为中性层;中性层在弯曲过程中得长度与弯曲前一样,保持不变,所以中性层就是计算弯曲件展开长度得基准。
2、2 中性层得位置与变形程度有关,当弯曲半径较大,折弯角度较小时,变形程度较小,中性层位置靠近板料厚度得中心处;当弯曲半径较小,折弯角度增大时,变形程度随之增大,中性层位置逐渐向弯曲中心得內侧移动。
中性层到板料內侧得距离用λ表示(见图一)。
3 折弯模具:我们使用得小松数控折弯机所配套得普通折弯模具V型槽宽度通常为适用该折弯模得板厚得5-6倍。
板厚与适用V型槽宽(见表1)。
表1 板厚与适用V型槽宽参数板厚(t) 1、0, 1、2,1、51、5,2、0 2、5,3、0 3、0,4、0,5、0适用V槽宽度81216254 展开计算方法: 4、1 90°折弯(一般折弯)Q/ZB J65—201024、1、1 (如图二),由于我们常用得折弯上模得尖角通常小于0、5,所以折弯内圆弧R可以视为定值,因此折弯拉伸系数得影响因素主要取决于折弯下模槽宽V与材料厚度t。
板厚 折弯系数板厚 折弯系数折弯展开计算(折弯角度为90°): L=L1+L2-2δ+ZL:展开长度L1:边长1(见右图)L2:边长2(见右图)δ:板厚Z :折弯系数(见下表)铁板:1.0 1.2 1.5 1.8(热板) 2.0 2.5 3.0 Z无 0.4 0.5 0.6 0.75 0.8 1 无刨槽折弯(冷板)2 2 2.5 * 3.25 4.2 5 刨槽折弯(冷板)1 1 1.5 * 2.0 2.5 3 无刨槽折弯(热板) * * 3 * * 5 不锈钢板:1.01.2 1.5 1.8 2.0 2.5 3.0 Z无 0.4 0.50.6 0.75 0.8 1Q/ZB J65—20101钣金展开计算方法1 范围公司折弯次数小于8次的常规钣金件适用本方法,精密钣金件、折弯次数较多或折弯内圆弧半径R有特殊要求的钣金件需进行试折弯。
2 展开计算原理:2.1 板料在弯曲过程中外层受到拉应力,內层受到压应力,从拉到压之间有一既不受拉力又不受压力的过度层为中性层;中性层在弯曲过程中的长度和弯曲前一样,保持不变,所以中性层是计算弯曲件展开长度的基准。
2.2 中性层的位置与变形程度有关,当弯曲半径较大,折弯角度较小时,变形程度较小,中性层位置靠近板料厚度的中心处;当弯曲半径较小,折弯角度增大时,变形程度随之增大,中性层位置逐渐向弯曲中心的內侧移动。
中性层到板料內侧的距离用λ表示(见图一)。
3 折弯模具:我们使用的小松数控折弯机所配套的普通折弯模具V型槽宽度通常为适用该折弯模的板厚的5-6倍。
板厚与适用V型槽宽(见表1)。
表1 板厚与适用V型槽宽参数板厚(t) 1.0, 1.2,1.51.5,2.0 2.5,3.0 3.0,4.0,5.0适用V槽宽度81216254 展开计算方法: 4.1 90°折弯(一般折弯)Q/ZB J65—201024.1.1 (如图二),由于我们常用的折弯上模的尖角通常小于0.5,所以折弯内圆弧R可以视为定值,因此折弯拉伸系数的影响因素主要取决于折弯下模槽宽V和材料厚度t。
钣金折弯系数表
钣金折弯系数
折弯跟展平时,材料一侧会被拉长,一侧被压缩,受到的因素影响有:材料类型、材料厚度、材料及加工的状况及折弯的角度;PROE在进行钣金的折弯和展平时,会自动计算材料被拉伸或压缩的长度;计算公式如下:
L=π×R+K系数×T×θ/90
L: 钣金展开长度Developed length
R: 折弯处的内侧半径Inner radius
T: 材料厚度
θ: 折弯角度
Y系数: 由折弯中线Neurtal bend line的位置决定的一个,其默认值为所谓的“折弯中线”;可在config中设定其默认值initial_bend_factor
在钣金设计实际中,常用的钣金展平计算公式是以K系数为主要依据的,范围是0~1,表示材料在折弯时被拉伸的抵抗程度;与Y系数的关系如下
Y系数=π/2×k系数。
板厚 折弯系数板厚 折弯系数折弯展开计算(折弯角度为90°): L=L1+L2-2δ+ZL:展开长度L1:边长1(见右图)L2:边长2(见右图)δ:板厚Z :折弯系数(见下表)铁板:1.0 1.2 1.5 1.8(热板) 2.0 2.5 3.0 Z无 0.4 0.5 0.6 0.75 0.8 1 无刨槽折弯(冷板)2 2 2.5 * 3.25 4.2 5 刨槽折弯(冷板)1 1 1.5 * 2.0 2.5 3 无刨槽折弯(热板) * * 3 * * 5不锈钢板:1.01.2 1.5 1.8 2.0 2.5 3.0 Z无 0.4 0.5 0.6 0.75 0.8 1全国注册建筑师、建造师考试备考资料历年真题考试心得模拟试题Q/ZB J65—20101钣金展开计算方法1 范围公司折弯次数小于8次的常规钣金件适用本方法,精密钣金件、折弯次数较多或折弯内圆弧半径R有特殊要求的钣金件需进行试折弯。
2 展开计算原理:2.1 板料在弯曲过程中外层受到拉应力,內层受到压应力,从拉到压之间有一既不受拉力又不受压力的过度层为中性层;中性层在弯曲过程中的长度和弯曲前一样,保持不变,所以中性层是计算弯曲件展开长度的基准。
2.2 中性层的位置与变形程度有关,当弯曲半径较大,折弯角度较小时,变形程度较小,中性层位置靠近板料厚度的中心处;当弯曲半径较小,折弯角度增大时,变形程度随之增大,中性层位置逐渐向弯曲中心的內侧移动。
中性层到板料內侧的距离用λ表示(见图一)。
3 折弯模具:我们使用的小松数控折弯机所配套的普通折弯模具V型槽宽度通常为适用该折弯模的板厚的5-6倍。
板厚与适用V型槽宽(见表1)。
表1 板厚与适用V型槽宽参数板厚(t) 1.0, 1.2,1.51.5,2.0 2.5,3.0 3.0,4.0,5.0适用V槽宽度812254 展开计算方法: 4.1 90°折弯(一般折弯)Q/ZB J65—201024.1.1 (如图二),由于我们常用的折弯上模的尖角通常小于0.5,所以折弯内圆弧R可以视为定值,因此折弯拉伸系数的影响因素主要取决于折弯下模槽宽V和材料厚度t。
输入板厚T输入折弯半径R 输入90度折弯
扣除板厚倍数
90度折弯补偿值BA自动计算K因子值
输入任意折弯角度
对应图中(180-A)
10.3 1.70.90.272957795105.00说明:
1、此表格适用于常规折弯工艺条件下的计算,不适用于大圆弧、圆锥面、圆柱面、压段差、刨槽折弯、插深折弯、压死边等特殊工艺的计算。
2、表格中黑色字体的数值是需要手动输入的参数,红色字体的数值是表格自动计算出来的结果。
3、折弯补偿值BA即Solidsorks中的折弯系数的数值,而在PROE或CREO中,折弯补偿值BA对应的是折弯余量值。
折弯补偿值BA (据K因子值计算)
折弯扣除值BD (根据BA值计算)
0.75 1.25计算。