钣金折弯系数表和计算公式
- 格式:docx
- 大小:17.08 KB
- 文档页数:2
3mm钣金折弯系数
3mm钣金折弯系数
一、折弯系数及允许弯曲限度
折弯系数(k):用来表示折弯部件弯曲半径与试样长度之比值,它与弯曲应力息息相关,有一定的计算系数,早已规定用作计算折弯应力分步的依据,一般公式如下:
K = R / L
其中:K=折弯系数
R=弯曲半径(m)
L=试样长度(m)
允许弯曲限度:钣金折弯部件的允许弯曲限度,是指在满足弯曲容许值要求的情况下,弯曲半径与试样长度之比值在什么范围之内就不会引起折弯材料断裂或塑性变形。
二、3mm钣金折弯系数
3mm厚钣金折弯系数:根据现行有关国家标准的规定,3mm厚钣金折弯系数的允许弯曲限度为:
1.铝合金板材:最大允许系数K<=0.5
2.不锈钢板材:最大允许系数K<=0.4
3.低碳钢板材:最大允许系数K<=0.4
4.其它材料:根据材料特性,由专业人员进行定制得出允许系数。
三、折弯系数计算公式
材料厚度折弯系数计算公式,折弯系数K=R/L,其中:
R=弯曲半径(m)
L=试样长度(m)
根据上述公式,可以计算出3mm厚钣金板弯曲所需要的折弯系数等参数。
钣金折弯系数表钣金折弯系数是指在钣金折弯加工中,通过经验和实验测量得出的材料在不同弯角和弯曲半径下的伸长率和压缩率的比值。
在钣金加工中,了解钣金折弯系数是非常重要的,因为它能够帮助我们决定钣金的弯曲半径和折弯角度,从而确保加工出来的钣金零件符合设计要求和标准。
本文将详细介绍钣金折弯系数的相关知识,包括什么是钣金折弯系数、折弯系数的计算方法、常见材料的折弯系数表和使用注意事项等。
一、什么是钣金折弯系数折弯系数也称弯曲收缩系数,是指材料在经过折弯加工后,伸长率和压缩率的比值,通常用K表示。
折弯系数的大小受到材料的影响,常见的折弯材料有冷轧板、热轧板、不锈钢板、铝板等。
不同的材料折弯系数是不同的,同一材料不同条件下折弯系数也可能不同。
二、折弯系数的计算方法折弯系数的计算方法比较复杂,可以通过实验测量得出,也可以通过数学模型计算得出。
不同的计算方法应用于不同的折弯材料和折弯工艺。
通常来讲,折弯系数越小,材料的剧变越大,所以在实际加工中要尽量选择折弯系数较大的材料和工艺。
三、常见材料的折弯系数表下面是常见的折弯材料的折弯系数表:冷轧板材料的折弯系数:抽象138.16HRS137.80410S不锈钢148.13316不锈钢167.57铝板156.75铝合金125.94热轧板材料的折弯系数:普通碳钢板168.25低合金钢板166.96高合金钢板173.7465Mn弹簧钢板186.7420CrMnTi合金钢板174.35铝合金板155.95不锈钢板材料的折弯系数:304不锈钢177.41321不锈钢194.49316不锈钢167.57410S不锈钢148.132205不锈钢178.95以上数据仅供参考,具体的折弯系数值可能会因为不同的工艺和设备而有所不同,具体的情况需要根据实际情况进行测试和计算。
四、使用注意事项1.在进行钣金加工时,需要根据材料的性质和折弯条件选择合适的折弯角度和折弯半径,避免超过材料的最大折弯角度和折弯半径。
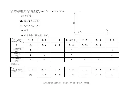
板厚折弯系数 板厚 折弯系数 折弯展开计算(折弯角度为90°): L=L1+L22δ+ZL:展开长度L1:边长1(见右图)L2:边长2(见右图)δ:板厚Z:折弯系数(见下表)铁板:1.0 1.2 1.5 1.8(热板)2.0 2.53.0 Z 无0.4 0.5 0.6 0.75 0.8 1 无刨槽折弯 (冷板) 22 2、5 * 3、25 4、2 5 刨槽折弯 (冷板) 11 1、5 * 2、0 2、5 3 无刨槽折弯(热板)* * 3 * * 5 不锈钢板:1.01.2 1.5 1.82.0 2.53.0 Z无 0.4 0.5 0.6 0.75 0.8 1 全国注册建筑师、建造师考试 备考资料 历年真题 考试心得 模拟试题Q/ZB J65—20101钣金展开计算方法2、1 板料在弯曲过程中外层受到拉应力,內层受到压应力,从拉到压之间有一既不受拉力又不受压力得过度层为中性层;中性层在弯曲过程中得长度与弯曲前一样,保持不变,所以中性层就是计算弯曲件展开长度得基准。
2、2 中性层得位置与变形程度有关,当弯曲半径较大,折弯角度较小时,变形程度较小,中性层位置靠近板料厚度得中心处;当弯曲半径较小,折弯角度增大时,变形程度随之增大,中性层位置逐渐向弯曲中心得內侧移动。
中性层到板料內侧得距离用λ表示(见图一)。
3 折弯模具:我们使用得小松数控折弯机所配套得普通折弯模具V型槽宽度通常为适用该折弯模得板厚得5-6倍。
板厚与适用V型槽宽(见表1)。
表1 板厚与适用V型槽宽参数板厚(t) 1、0, 1、2,1、51、5,2、0 2、5,3、0 3、0,4、0,5、0适用V槽宽度81216254 展开计算方法: 4、1 90°折弯(一般折弯)Q/ZB J65—201024、1、1 (如图二),由于我们常用得折弯上模得尖角通常小于0、5,所以折弯内圆弧R可以视为定值,因此折弯拉伸系数得影响因素主要取决于折弯下模槽宽V与材料厚度t。
板厚 折弯系数板厚 折弯系数折弯展开计算(折弯角度为90°): L=L1+L2-2δ+ZL:展开长度L1:边长1(见右图)L2:边长2(见右图)δ:板厚Z :折弯系数(见下表)铁板:1.0 1.2 1.5 1.8(热板) 2.0 2.5 3.0 Z无 0.4 0.5 0.6 0.75 0.8 1 无刨槽折弯(冷板)2 2 2.5 * 3.25 4.2 5 刨槽折弯(冷板)1 1 1.5 * 2.0 2.5 3 无刨槽折弯(热板) * * 3 * * 5 不锈钢板:1.01.2 1.5 1.8 2.0 2.5 3.0 Z无 0.4 0.50.6 0.75 0.8 1Q/ZB J65—20101钣金展开计算方法1 范围公司折弯次数小于8次的常规钣金件适用本方法,精密钣金件、折弯次数较多或折弯内圆弧半径R有特殊要求的钣金件需进行试折弯。
2 展开计算原理:2.1 板料在弯曲过程中外层受到拉应力,內层受到压应力,从拉到压之间有一既不受拉力又不受压力的过度层为中性层;中性层在弯曲过程中的长度和弯曲前一样,保持不变,所以中性层是计算弯曲件展开长度的基准。
2.2 中性层的位置与变形程度有关,当弯曲半径较大,折弯角度较小时,变形程度较小,中性层位置靠近板料厚度的中心处;当弯曲半径较小,折弯角度增大时,变形程度随之增大,中性层位置逐渐向弯曲中心的內侧移动。
中性层到板料內侧的距离用λ表示(见图一)。
3 折弯模具:我们使用的小松数控折弯机所配套的普通折弯模具V型槽宽度通常为适用该折弯模的板厚的5-6倍。
板厚与适用V型槽宽(见表1)。
表1 板厚与适用V型槽宽参数板厚(t) 1.0, 1.2,1.51.5,2.0 2.5,3.0 3.0,4.0,5.0适用V槽宽度81216254 展开计算方法: 4.1 90°折弯(一般折弯)Q/ZB J65—201024.1.1 (如图二),由于我们常用的折弯上模的尖角通常小于0.5,所以折弯内圆弧R可以视为定值,因此折弯拉伸系数的影响因素主要取决于折弯下模槽宽V和材料厚度t。
钣金加工计算公式钣金加工是一种常见的金属加工技术,用于将金属板材加工成所需形状的工艺。
在进行钣金加工时,我们需要考虑一些基本的计算公式,以确保加工质量和精度。
下面是钣金加工中常用的一些计算公式:1.板材展开长度计算公式:展开长度=(外周长+冗余值)/压延系数其中,外周长指的是材料未加工前的周长,冗余值一般选取材料厚度的1-2倍,压延系数是指未加工前材料与加工后展开形状之间的长度比例。
2.弯曲件折弯长度计算公式:折弯长度=弯曲半径*弯曲角度*(π/180)弯曲半径是指折弯件曲面的半径,弯曲角度是指折弯件的弯曲角度。
3.压铆螺栓强度计算公式:F=P*n其中,F代表螺栓预紧力,P代表螺栓所受的拉力,n代表螺栓数量。
4.膨胀螺栓强度计算公式:F=A*σ其中,F代表螺栓所受的拉力,A代表螺栓横截面积,σ代表应力。
5.拉伸区域面积计算公式:A=b*t其中,A代表拉伸区域的面积,b代表宽度,t代表厚度。
6.承载能力计算公式:P=(0.6*σ*A)/γ其中,P代表承载能力,σ代表应力,A代表横截面积,γ代表安全系数。
7.拉伸量计算公式:δ=(F*L)/(E*A)其中,δ代表拉伸量,F代表受力,L代表长度,E代表弹性模量,A 代表横截面积。
8.扭矩计算公式:T=k*F*r其中,T代表扭矩,k代表比例系数,F代表力,r代表力臂。
以上仅为钣金加工中一些常见的计算公式,具体的计算公式还会受到材料性质、工艺要求和实际应用等因素的影响。
在实际应用中,我们需要根据具体情况进行选择和调整,以确保加工质量和安全性。
摘要总结常用的银金折弯展开料计算方法,运用软件结合计算分析这些常用方法的原理。
深入解析不同材料、不同折弯角度和不同折弯半径的银金折弯情况,得出公式精准计算各种展开料尺寸。
Ol序言银金工艺通常用于厚度6mm以下的金属板材加工。
要想折出尺寸精度较高的银金件,展开料尺寸的计算至关重要。
最常用的银金折弯都是90。
折弯,折弯内角半径通常等于板厚。
02展开料尺寸的第一种计算方法展开料尺寸的第一种计算公式为:展开料尺寸=折弯件的各边外形尺寸和一1.645x 板厚X折弯个数。
其中,1.645是折弯系数。
其适用于6mm以下金属板90。
折弯展开料尺寸计算(折弯内角半径等于板厚)。
我们在实际生产中曾多次验证过这个计算公式,使用不同的板材,折出来的零件尺寸公差都在零点几毫米以内,基本满足需求。
03展开料尺寸的第二种计算方法展开料尺寸的第二种计算公式为:展开料尺寸=折弯件各边内尺寸相加+QX折弯个数。
其中,Q为另一种折弯系数。
不同厚度板材的Q值不同(见表1)。
当TVlmm时,Q忽略不计。
表1板厚T和折弯系数Q对照表第二种计算方法同样能计算6mm以下金属板90。
折弯展开料尺寸(折弯内角半径等于板厚)。
04计算实例用两种方法计算图1所示同一折弯件的展开料尺寸,计算过程如下。
(1)方法一展开料尺寸=20+20—1.645x3x1=40-4.935=35.065(mm)。
(2)方法二展开料尺寸=17+17+lxl=35(mm)。
计算结果基本一样。
两种方法都可以用来快速计算90。
折弯,并广泛应用于生产实践中。
图1折弯件尺寸05运用三维软件模拟计算与分析为什么用这些方法能够算出展开料尺寸?是否能够更精确地计算出不同材料的展开料尺寸?我们知道,金属板材在折弯过程中,折弯角都要发生塑性变形,折弯的外圆角是拉伸,内圆角是挤压,这就使得在板材厚度方向上存在一个层,其在折弯过程中既不挤压,也不拉伸,折弯后的尺寸和展开尺寸一样,这一层叫做中性层。
一、折床工作原理折弯就是将上、下模分别固定于折床的上、下工作台,利用液压伺服电机传输驱动工作台的相对运动,结合上、下模的形状,从而实现对板材的折弯成形。
二、展开的定义和折弯常识★折弯展开就是产品的下料尺寸,也就是钣金在折弯过程中发现形变,中间位置不拉伸,也叫被压缩的位置长度,也叫剪口尺寸。
★折弯V槽选择公式:当R=0.5时,V=5T;当R>0.5时V=5T+R 折弯展开会根据上模和下模的不同而发生相应的变化,在更换模具时必须考虑进去。
★折床的运动方式有两种:上动式:下工作台不动,由上面滑块下降实现施压;下动式:上部机台固定不动,由下工作台上升实现施压。
★工艺特性1.折弯加工顺序的基本原则:由内到外进行折弯;由小到大进行折弯;先折弯特殊形状,再折弯一般形状。
2.90°折弯及大于90°小于180°折弯选模:一般在SOP没有特殊要求或没有特殊避位的最好选用刀口角度为88°或90的折弯上模,这样可以更好的保证折弯角度的稳定性。
三、折弯展开尺寸计算方法,如右图:<1>直角展开的计算方法当内R 角为0.5时折弯系数(K )=0.4*T ,前提是料厚小于5.0MM ,下模为5TL1+L2-2T+0.4*T=展开<2>钝角展开的计算方法如图,当R=0.5时的展开计算A+B+K=展开K= ×0.4a=所有折弯角度1800-2 900<3>锐角展开的计算方法900折弯展开尺寸=L1+L2-2T+折弯系数(K),如右图:当内R角为0.5时折弯系数(K)=0.4*T,L1和L2为内交点尺寸展开=L1+L2+KK=( 180—@) /90 *0.4T<4>压死边的展开计算方法选模:上模选用刀口角度为300小尖刀,下模根据SOP及材料厚度选择V槽角度为300的下模。
先用 4.4.1所选的模具将折弯角度折到约300-650.展开死边=L1+L2-0.5T<5>压U边选模:上模选用刀口角度为300的小尖刀,下模根据SOP及材料厚度选择V槽角度为300的下模。
钣金折弯系数表123456钣金折弯系数钣金折弯跟展平时,材料一侧会被拉长,一侧被压缩,受到的因素影响有:材料类型、材料厚度、材料热处理及加工的状况及折弯的角度。
PROE 在进行钣金的折弯和展平时,会自动计算材料被拉伸或压缩的长度。
计算公式如下:L=0.5π×(R+K系数×T)×(θ/90)L: 钣金展开长度(Developed length)R: 折弯处的内侧半径(Inner radius)T: 材料厚度θ: 折弯角度Y系数: 由折弯中线(Neurtal bend line)的位置决定的一个常数,其默认值为0.5(所谓的“折弯中线”)。
可在config中设定其默认值initial_bend_factor 在钣金设计实际中,常用的钣金展平计算公式是以K系数为主要依据的,范围是0~1,表示材料在折弯时被拉伸的抵抗程度。
与Y系数的关系如下Y系数=(π/2)×k系数上海2010年世博会PPTNO.1张PPT: 无解说词NO.2张PPT:尊敬的各位来宾,各位朋友。
今天我们很荣幸能代表中国上海来为大家介绍我们上海和即将在我们上海举办的2010年7上海世博会。
希望各位能通过我们接下来两分多钟的简短介绍对我们美丽的上海与令人期待的2010年上海世博会能有更进一步的认识与了解。
谢谢!NO.3张PPT:众所周知,我们大上海早在上世纪二、三十年代就被誉为“远东第一大都市”,其时尚与繁华的程度可见一斑。
“文人骚客、志士英豪、商贾(gu)名流,云集海上”早已成为往事,现如今的大上海仍旧是备受全中国乃至全世界瞩目的一颗冉冉上升的新星!NO.4张PPT:我们大上海的交通线可谓纵横交错,四通八达,体现出作为新兴的世界经济、金融、贸易中心所应具备的实力。
大上海的发展进程犹如穿梭于南浦、黄浦与卢浦三条巨龙之间,大上海经济腾飞的速度仿佛驰骋在磁悬浮轨道之上!NO.5张PPT:便利的交通载着四方来宾大快朵颐我们大上海驰名中外的美食小吃。
板厚 折弯系数板厚 折弯系数折弯展开计算(折弯角度为90°): L=L1+L2-2δ+ZL:展开长度L1:边长1(见右图)L2:边长2(见右图)δ:板厚Z :折弯系数(见下表)铁板:1.0 1.2 1.5 1.8(热板) 2.0 2.5 3.0 Z无 0.4 0.5 0.6 0.75 0.8 1 无刨槽折弯(冷板)2 2 * 5 刨槽折弯(冷板)1 1 * 3 无刨槽折弯(热板) * * 3 * * 5 不锈钢板:1.01.2 1.5 1.8 2.0 2.5 3.0 Z无 0.4 0.50.6 0.75 0.8 1Q/ZB J65—20101钣金展开计算方法1 范围公司折弯次数小于8次的常规钣金件适用本方法,精密钣金件、折弯次数较多或折弯内圆弧半径R有特殊要求的钣金件需进行试折弯。
2 展开计算原理:板料在弯曲过程中外层受到拉应力,內层受到压应力,从拉到压之间有一既不受拉力又不受压力的过度层为中性层;中性层在弯曲过程中的长度和弯曲前一样,保持不变,所以中性层是计算弯曲件展开长度的基准。
中性层的位置与变形程度有关,当弯曲半径较大,折弯角度较小时,变形程度较小,中性层位置靠近板料厚度的中心处;当弯曲半径较小,折弯角度增大时,变形程度随之增大,中性层位置逐渐向弯曲中心的內侧移动。
中性层到板料內侧的距离用λ表示(见图一)。
3 折弯模具:我们使用的小松数控折弯机所配套的普通折弯模具V型槽宽度通常为适用该折弯模的板厚的5-6倍。
板厚与适用V型槽宽(见表1)。
表1 板厚与适用V型槽宽参数板厚(t),,,,,,适用V槽宽度81216254 展开计算方法: 90°折弯(一般折弯)Q/ZB J65—20102(如图二),由于我们常用的折弯上模的尖角通常小于,所以折弯内圆弧R可以视为定值,因此折弯拉伸系数的影响因素主要取决于折弯下模槽宽V和材料厚度t。
展开长度的计算公式为(1):L=L1 +L2- 2t +系数a ; (1)折弯系数a的计算公式为(2):a = +-……………………………………………………………(2)其中:V—下模槽宽;t—材料厚度为方便计算将展开长度的计算公式简化为(3):L=L1+L2-系数C ……………………………………………………………………(3)注:简化系数C = (2t - 系数a)见表2。
钣金折弯系数表和计算公
式
Prepared on 22 November 2020
钣金折弯系数表
钣金折弯系数
折弯跟展平时,材料一侧会被拉长,一侧被压缩,受到的因素影响有:材料类型、材料厚度、材料及加工的状况及折弯的角度。
PROE在进行钣金的折弯和展平时,会自动计算材料被拉伸或压缩的长度。
计算公式如下:
L=π×(R+K系数×T)×(θ/90)
L: 钣金展开长度(Developed length)
R: 折弯处的内侧半径(Inner radius)
T: 材料厚度
θ: 折弯角度
Y系数: 由折弯中线(Neurtal bend line)的位置决定的一个,其默认值为(所谓的“折弯中线”)。
可在config中设定其默认值initial_bend_factor
在钣金设计实际中,常用的钣金展平计算公式是以K系数为主要依据的,范围是0~1,表示材料在折弯时被拉伸的抵抗程度。
与Y系数的关系如下
Y系数=(π/2)×k系数。