课程设计-制作单片机的4X4矩阵键盘
- 格式:docx
- 大小:1.88 MB
- 文档页数:27
“电子创新设计与实践”课程期中课题设计报告姓名:张思源,学:20102121026,年级:2010,专业:电信报告内容设计一个4*4矩阵键盘,并编写相关程序摘要1.4×4矩阵式键盘程序识别原理。
2.4×4矩阵式键盘按键的设计方法。
报告正文:一、设计原理(1)如图14.2所示,用单片机的并行口P3连接4×4矩阵键盘,并以单片机的P3.0-P3.3各管脚作输入线,以单片机的P3.4-P3.7各管脚作输出线,在数码管上显示每个按键“0-F”的序号。
(2)键盘中对应按键的序号排列如图14.1所示。
二、参考电路图14.2 4×4矩阵式键盘识别电路原理图图14.1 4×4键盘0-F显示图14.3 4×4矩阵式键盘识别程序流程图三、电路硬件说明(1)在“单片机系统”区域中,把单片机的P3.0-P3.7端口通过8联拨动拨码开关JP3连接到“4×4行列式键盘”区域中的M1-M4,N1-N4端口上。
(2)在“单片机系统”区域中,把单片机的P0.0-P0.7端口连接到“静态数码显示模块”区域中的任何一个a-h端口上;要求:P0.0对应着a,P0.1对应着b,……,P0.7对应着h。
四、程序设计内容(1)4×4矩阵键盘识别处理。
(2)每个按键都有它的行值和列值,行值和列值的组合就是识别这个按键的编码。
矩阵的行线和列线分别通过两并行接口和CPU通信。
键盘的一端(列线)通过电阻接VCC,而接地是通过程序输出数字“0”实现的。
键盘处理程序的任务是:确定有无键按下,判断哪一个键按下,键的功能是什么?还要消除按键在闭合或断开时的抖动。
两个并行口中,一个输出扫描码,使按键逐行动态接地;另一个并行口输入按键状态,由行扫描值和回馈信号共同形成键编码而识别按键,通过软件查表,查出该键的功能。
五、程序流程图(如图14.3所示)六、汇编源程序;;;;;;;;;;定义单元;;;;;;;;;;COUNT EQU 30H;;;;;;;;;;入口地址;;;;;;;;;;ORG 0000HLJMP STARTORG 0003HRETIORG 000BHRETIORG 0013HRETIORG 001BHRETIRETIORG 002BHRETI;;;;;;;;;;主程序入口;;;;;;;;;;ORG 0100HSTART: LCALL CHUSHIHUALCALL PANDUANLCALL XIANSHILJMP START;;;;;;;;;;初始化程序;;;;;;;;;; CHUSHIHUA: MOV COUNT,#00HRET;;;;;;;;;;判断哪个按键按下程序;;;;;;;;;; PANDUAN: MOV P3,#0FFHCLR P3.4MOV A,P3ANL A,#0FHXRL A,#0FHJZ SW1LCALL DELAY10MSJZ SW1ANL A,#0FHCJNE A,#0EH,K1 MOV COUNT,#0LJMP DKK1: CJNE A,#0DH,K2 MOV COUNT,#4LJMP DKK2: CJNE A,#0BH,K3 MOV COUNT,#8LJMP DKK3: CJNE A,#07H,K4 MOV COUNT,#12K4: NOPLJMP DKSW1: MOV P3,#0FFH CLR P3.5MOV A,P3ANL A,#0FHXRL A,#0FHJZ SW2LCALL DELAY10MSMOV A,P3ANL A,#0FHCJNE A,#0EH,K5 MOV COUNT,#1LJMP DKK5: CJNE A,#0DH,K6 MOV COUNT,#5LJMP DKK6: CJNE A,#0BH,K7 MOV COUNT,#9LJMP DKK7: CJNE A,#07H,K8 MOV COUNT,#13K8: NOPLJMP DKSW2: MOV P3,#0FFH CLR P3.6MOV A,P3ANL A,#0FHXRL A,#0FHJZ SW3LCALL DELAY10MSJZ SW3MOV A,P3ANL A,#0FHCJNE A,#0EH,K9 MOV COUNT,#2LJMP DKK9: CJNE A,#0DH,KA MOV COUNT,#6LJMP DKKA: CJNE A,#0BH,KB MOV COUNT,#10 LJMP DKKB: CJNE A,#07H,KC MOV COUNT,#14 KC: NOPLJMP DKSW3: MOV P3,#0FFH CLR P3.7MOV A,P3ANL A,#0FHXRL A,#0FHJZ SW4LCALL DELAY10MSJZ SW4MOV A,P3ANL A,#0FHCJNE A,#0EH,KDMOV COUNT,#3LJMP DKKD: CJNE A,#0DH,KEMOV COUNT,#7LJMP DKKE: CJNE A,#0BH,KFMOV COUNT,#11LJMP DKKF: CJNE A,#07H,KGMOV COUNT,#15KG: NOPLJMP DKSW4: LJMP PANDUANDK: RET;;;;;;;;;;显示程序;;;;;;;;;;XIANSHI: MOV A,COUNTMOV DPTR,#TABLEMOVC A,@A+DPTRMOV P0,ALCALL DELAYSK: MOV A,P3ANL A,#0FHXRL A,#0FHJNZ SKRET;;;;;;;;;;10ms延时程序;;;;;;;;;; DELAY10MS: MOV R6,#20D1: MOV R7,#248DJNZ R7,$DJNZ R6,D1RET;;;;;;;;;;200ms延时程序;;;;;;;;;; DELAY: MOV R5,#20LOOP: LCALL DELAY10MSDJNZ R5,LOOPRET;;;;;;;;;;共阴码表;;;;;;;;;;TABLE: DB 3FH,06H,5BH,4FH,66H,6DH,7DH,07HDB 7FH,6FH,77H,7CH,39H,5EH,79H,71H ;;;;;;;;;;结束标志;;;;;;;;;;END八、C语言源程序#include<AT89X51.H>unsigned char code table[]={0x3f,0x66,0x7f,0x39, 0x06,0x6d,0x6f,0x5e,0x5b,0x7d,0x77,0x79,0x4f,0x07,0x7c,0x71};void main(void){ unsigned char i,j,k,key;while(1){ P3=0xff; //给P3口置1//P3_4=0; //给P3.4这条线送入0//i=P3;i=i&0x0f; //屏蔽低四位//if(i!=0x0f) //看是否有按键按下//{ for(j=50;j>0;j--) //延时//for(k=200;k>0;k--);if(i!=0x0f) //再次判断按键是否按下//{ switch(i) //看是和P3.4相连的四个按键中的哪个//{ case 0x0e:key=0;break;case 0x0d:key=1;break;case 0x0b:key=2;break;case 0x07:key=3;break;}P0=table[key]; //送数到P0口显示//}}P3=0xff;P3_5=0; //读P3.5这条线//i=P3;i=i&0x0f; //屏蔽P3口的低四位//if(i!=0x0f) //读P3.5这条线上看是否有按键按下// { for(j=50;j>0;j--) //延时//for(k=200;k>0;k--);i=P3; //再看是否有按键真的按下//i=i&0x0f;if(i!=0x0f){ switch(i) //如果有,显示相应的按键// { case 0x0e:key=4;break;case 0x0d:key=5;break;case 0x0b:key=6;break;case 0x07:key=7;break;}P0=table[key]; //送入P0口显示//}}P3=0xff;P3_6=0; //读P3.6这条线上是否有按键按下// i=P3;i=i&0x0f;if(i!=0x0f){ for(j=50;j>0;j--)for(k=200;k>0;k--);i=P3;i=i&0x0f;if(i!=0x0f){ switch(i){ case 0x0e:key=8;break;case 0x0d:key=9;break;case 0x0b:key=10;break;case 0x07:key=11;break;}P0=table[key];}}P3=0xff;P3_7=0; //读P3.7这条线上是否有按键按下// i=P3;i=i&0x0f;if(i!=0x0f){ for(j=50;j>0;j--)for(k=200;k>0;k--);i=P3;i=i&0x0f;if(i!=0x0f){ switch(i){ case 0x0e:key=12;break;case 0x0d:key=13;break;case 0x0b:key=14;break;case 0x07:key=15;break;}P0=table[key];}}}}参考文献:百度百科。
《单片机原理及应用》课程设计题目:4×4矩阵式键盘与单片机连接与编程专业:测控技术与仪器班级:机电082-1 姓名:学号:指导老师:组员:( 2011.7 .13)目录第1节引言 (2)1.1 4*4矩阵式键盘系统概述 (2)1.2 本设计任务和主要内容 (3)第2节系统主要硬件电路设计 (4)2.1 单片机控制系统原理 (4)2.2 单片机主机系统电路 (5)2.2.1 时钟电路 (8)2.2.2 复位电路 (8)2.2.3 矩阵式键盘电路 (8)2.3 译码显示电路 (9)第3节系统软件设计 (13)3.1 软件流程图 (13)3.2 系统程序设计 (14)第4节结束语 (17)参考文献 (18)第一节引言矩阵式键盘乃是当今使用最为广泛的键盘模式,该系统以N个端口连接控制N*N个按键,即时在LED数码管上。
单片机控制的据这是键盘显示系统,该系统可以对不同的按键进行实时显示,其核心是单片机和键盘矩阵电路部分,主要对按键与显示电路的关系、矩阵式技术及设备系统的硬件、软件等各个部分进行实现。
1.1 4*4矩阵式键盘识别显示系统概述矩阵式键盘模式以N个端口连接控制N*N个按键,实时在LED数码管上显示按键信息。
显示按键信息,既降低了成本,又提高了精确度,省下了很多的I/O端口为他用,相反,独立式按键虽编程简单,但占用I/O口资源较多,不适合在按键较多的场合应用。
并且在实际应用中经常要用到输入数字、字母、符号等操作功能,如电子密码锁、电话机键盘、计算器按键等,至少都需要12到16个按键,在这种情况下如果用独立式按键的话,显然太浪费I/O端口资源,为了解决这一问题,我们使用矩阵式键盘。
矩阵式键盘简介:矩阵式键盘又称行列键盘,它是用N条I/O线作为行线,N条I/O线作为列线组成的键盘。
在行线和列线的每个交叉点上设置一个按键。
这样键盘上按键的个数就为N*N个。
这种行列式键盘结构能有效地提高单片机系统中I/O口的利用率。
单片机c语言程序设计---矩阵式键盘实验报告课程名称:单片机c语言设计实验类型:设计型实验实验项目名称:矩阵式键盘实验一、实验目的和要求1.掌握矩阵式键盘结构2.掌握矩阵式键盘工作原理3.掌握矩阵式键盘的两种常用编程方法,即扫描法和反转法二、实验内容和原理实验1.矩阵式键盘实验功能:用数码管显示4*4矩阵式键盘的按键值,当K1按下后,数码管显示数字0,当K2按下后,显示为1,以此类推,当按下K16,显示F。
(1)硬件设计电路原理图如下仿真所需元器件(2)proteus仿真通过Keil编译后,利用protues软件进行仿真。
在protues ISIS 编译环境中绘制仿真电路图,将编译好的“xxx.hex”文件加入AT89C51。
启动仿真,观察仿真结果。
操作方完成矩阵式键盘实验。
具体包括绘制仿真电路图、编写c源程序(反转法和扫描法)、进行仿真并观察仿真结果,需要保存原理图截图,保存c源程序,总结观察的仿真结果。
完成思考题。
三、实验方法与实验步骤1.按照硬件设计在protues上按照所给硬件设计绘制电路图。
2.在keil上进行编译后生成“xxx.hex”文件。
3.编译好的“xxx.hex”文件加入AT89C51。
启动仿真,观察仿真结果。
四、实验结果与分析void Scan_line()//扫描行{Delay(10);//消抖switch ( P1 ){case 0x0e: i=1;break;case 0x0d: i=2;break;case 0x0b: i=3;break;case 0x07: i=4;break;default: i=0;//未按下break;}}void Scan_list()//扫描列{Delay(10);//消抖switch ( P1 ){case 0x70: j=1;break;case 0xb0: j=2;break;case 0xd0: j=3;break;case 0xe0: j=4;break;default: j=0;//未按下break;}}void Show_Key(){if( i != 0 && j != 0 ) P0=table[ ( i - 1 ) * 4 + j - 1 ];else P0=0xff;}五、讨论和心得。
课程设计报告书设计名称:单片机原理与应用题目:数码管显示4X4矩阵键盘按键号专业:计算机科学与技术日期:2012 年6月 11日一.设计目的:1) 了解单片机系统实现LED动态显示的原理及方法;2) 较为详细了解8051芯片的性能;3) 能够了解到单片机系统的基本原理,了解单片机控制原理;4) 掌握AT89C51程序控制方法;5) 掌握AT89C51 C语言中的设计和学会分析程序,进而能够根据自己的需要编写代码;6) 掌握4X4矩阵式键盘程序识别原理;7) 掌握4X4矩阵式键盘的设计方法;8) 学习键盘的扫描方式和应用程序设计;9) 培养根据课题需要选学参考书籍、查阅手册和文献资料的能力;10) 能够按课程设计的要求编写课程设计报告,能够正确反映设计和实验成果。
二.设计要求与主要内容:设计要求:单片机的P1口P1.0~P1.7连接4X4矩阵键盘,P0口控制一只P0口控制一只数码管,当4×4矩阵键盘中的某一按键按下时,数码管上显示对应的键号。
例如,1号键按下时,数码管显示“1”,二号按下的时候,数码管显示“2”,14号键按下时,数码管显示“E”等等。
主要内容:1)4×4矩阵键盘程序识别原理。
2)每个按键都有它的行值和列值,行值和列值的组合就是识别这个按键的编码。
矩阵的行线和列线都连接到AT89C51中,通过按键K0~K16,来在数码管显示不同的值。
实验步骤:1) 启动keiuvision3 2)新建工程命名为单片机的C语言设计与应用3)新建文件并另存为C51c.c 4)在SourceGroop1导入文件 5)编写代码,并生成C语言设计与应用.hex文件。
6)在Proteus中设计电路图7) 将keil与Proteus联机调试,记下实验记录,得出实验结果。
三.设计程序原理:(包含仿真图和流程图)1)主程序流程图2)程序流程图 若无按键按下若无按键按下若无按键按下若无按键按下结束,返回3)仿真图四.程序代码#include<reg51.h>#define uchar unsigned char#define uint unsigned int//段码ucharcodeDSY_CODE[]={0xc0,0xf9,0xa4,0xb0,0x99,0x92,0x82,0xf8,0x80,0x90, 0x88,0x83,0xc6,0xa1,0x86,0x8e,0x00};sbit BEEP=P3^7;//上次按键和当前按键的序号,该矩阵中序号范围 0~15,16 表示无按键uchar Pre_KeyNo=16,KeyNo=16;//延时void DelayMS(uint x){ uchar i;while(x--) for(i=0;i<120;i++);}//矩阵键盘扫描void Keys_Scan(){ uchar Tmp;P1=0x0f; //高 4 位置 0,放入 4 行DelayMS(1);Tmp=P1^0x0f; //按键后 0f 变成 0000XXXX,X 中一个为 0,3 个仍为1,通过异或把3个1变为 0,唯一的0变为1switch(Tmp) //判断按键发生于 0~3 列的哪一列{ case 1: KeyNo=0;break;case 2: KeyNo=1;break;case 4: KeyNo=2;break;case 8: KeyNo=3;break;default:KeyNo=16; //无键按下}P1=0xf0; //低 4 位置 0,放入 4 列DelayMS(1);Tmp=P1>>4^0x0f; //按键后 f0 变成 XXXX0000,X 中有 1 个为 0,三个仍为 1;高4位转移到低 4 位并异或得到改变的值switch(Tmp) //对 0~3 行分别附加起始值 0,4,8,12{case 1: KeyNo+=0;break;case 2: KeyNo+=4;break;case 4: KeyNo+=8;break;case 8: KeyNo+=12;}}//蜂鸣器void Beep(){uchar i;for(i=0;i<100;i++){ DelayMS(1);BEEP=~BEEP;}BEEP=0; }//主程序void main(){ P0=0x00;BEEP=0;while(1){ P1=0xf0;if(P1!=0xf0) Keys_Scan(); //获取键序号if(Pre_KeyNo!=KeyNo){ P0=~ DSY_CODE[KeyNo];Beep();Pre_KeyNo=KeyNo;}DelayMS(100);} }五.实验结果:当按键按下k0,显示管显示0,当按键按下k1时显示1,显示管可以显示1,2,3,4,5,6,7,8,9,A,B,C,D,F.六.实验体会:这次的实验提高了我的设计能力与对电路的分析能力。
西华大学课程设计说明书题目4×4 矩阵键盘计算器设计系(部) 电气信息学院专业(班级) 自动化3班姓名学号指导教师胡红平起止日期2012.6.10-2012.6.30计算机接口及应用课程设计任务书系(部):电气信息学院专业:09自动化指导教师:日期:2012-6-20西华大学课程设计鉴定表摘要近几年来随着科技的飞速发展,单片机的应用正在不断深入,同时带动传统控制检测技术日益更新。
在实时检测和自动控制的单片机应用系统中,单片机往往作为一个核心部件来使用,仅单片机方面的知识是不够的,还应根据具体硬件结合,加以完善。
本任务是个简易得三位数的减法运算,用4×4 矩阵键盘及计算器设计,利用数码管实现255内的减法运算。
程序都是根据教材内和网络中的程序参考编写而成,在功能上还并不完善,限制也较多。
本任务重在设计构思与团队合作,使得我们用专业知识,专业技能分析和解决问题全面系统的锻炼。
关键词:单片机,AT89C51,矩阵键盘,数码管ABSTRACTIn recent years, along with the rapid development of science and technology, the application of SCM is unceasingly thorough, it causes the traditional control test technology increasingly updates. In real-time detection and automatic control of single-chip microcomputer application system, often as a core component to use, only microcontroller aspects of knowledge is not enough, should according to specific hardware combined, and perfects.This task is a simple three digits, subtract with 4 * 4 matrix keyboard and a calculator design, use digital tube realization within the 255 subtract. Program is according to the teaching material and within the network reference and compiled program, on the function is not perfect, restrictions also more. This task focuses on design conception and team cooperation, make us with professional knowledge, professional skills to analyze and solve problems of full system exercise.Keywords:Single-chip,AT89C51,Matrix keyboard,digital tube目录摘要 (I)ABSTRACT (II)第1章课题概述 (1)1.1 课题概述 (1)1.2 课题要求 (2)第2章系统设计 (3)2.1 设计思路 (3)2.2 框图设计 (3)2.3 知识点 (3)2.4 硬件设计 (4)2.4.1 电路原理图 (4)2.4.2 元件选择 (5)2.4.3 PCB制版及效果 (9)2.5 软件设计 (10)2.5.1 程序流程图 (10)2.6 系统仿真及调试 (11)2.6.1 硬件调试 (11)2.6.2 软件调试 (11)2.6.3 软硬件调试 (11)结论 (11)参考文献 (14)附录 (15)第1章课题概述1.1 课题概述随着当今时代的电子领域的发展,尤其是自动化的控制领域,传统的分立元件或数字逻辑电路构成的控制系统正被智能化的单片机所取代。
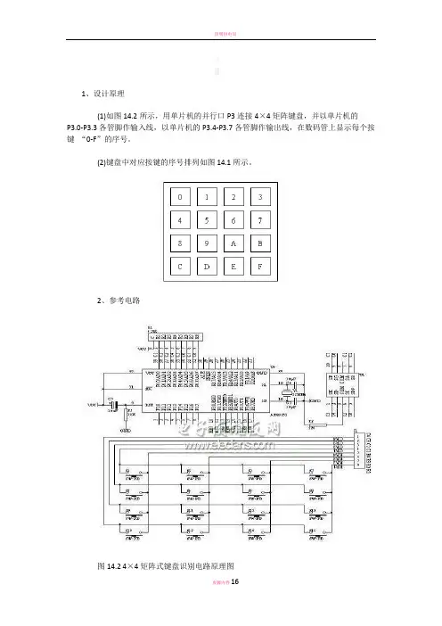
1、设计原理(1)如图14.2所示,用单片机的并行口P3连接4×4矩阵键盘,并以单片机的P3.0-P3.3各管脚作输入线,以单片机的P3.4-P3.7各管脚作输出线,在数码管上显示每个按键“0-F”的序号。
(2)键盘中对应按键的序号排列如图14.1所示。
2、参考电路图14.2 4×4矩阵式键盘识别电路原理图3、电路硬件说明(1)在“单片机系统”区域中,把单片机的P3.0-P3.7端口通过8联拨动拨码开关JP3连接到“4×4行列式键盘”区域中的M1-M4,N1-N4端口上。
(2)在“单片机系统”区域中,把单片机的P0.0-P0.7端口连接到“静态数码显示模块”区域中的任何一个a-h端口上;要求:P0.0对应着a,P0.1对应着b,……,P0.7对应着h。
4、程序设计内容(1)4×4矩阵键盘识别处理。
(2)每个按键都有它的行值和列值,行值和列值的组合就是识别这个按键的编码。
矩阵的行线和列线分别通过两并行接口和CPU通信。
键盘的一端(列线)通过电阻接VCC,而接地是通过程序输出数字“0”实现的。
键盘处理程序的任务是:确定有无键按下,判断哪一个键按下,键的功能是什么?还要消除按键在闭合或断开时的抖动。
两个并行口中,一个输出扫描码,使按键逐行动态接地;另一个并行口输入按键状态,由行扫描值和回馈信号共同形成键编码而识别按键,通过软件查表,查出该键的功能。
5、程序流程图(如图14.3所示)6、汇编源程序;;;;;;;;;;定义单元;;;;;;;;;;COUNT EQU 30H;;;;;;;;;;入口地址;;;;;;;;;;ORG 0000HLJMP STARTORG 0003HRETIORG 000BHRETIORG 0013HRETIORG 001BHRETIORG 0023HRETIORG 002BHRETI;;;;;;;;;;主程序入口;;;;;;;;;;ORG 0100HSTART: LCALL CHUSHIHUALCALL PANDUANLCALL XIANSHILJMP START;;;;;;;;;;初始化程序;;;;;;;;;;CHUSHIHUA: MOV COUNT,#00HRET;;;;;;;;;;判断哪个按键按下程序;;;;;;;;;;PANDUAN: MOV P3,#0FFHCLR P3.4MOV A,P3ANL A,#0FHJZ SW1LCALL DELAY10MS JZ SW1MOV A,P3ANL A,#0FHCJNE A,#0EH,K1 MOV COUNT,#0 LJMP DKK1: CJNE A,#0DH,K2 MOV COUNT,#4 LJMP DKK2: CJNE A,#0BH,K3 MOV COUNT,#8 LJMP DKK3: CJNE A,#07H,K4 MOV COUNT,#12K4: NOPLJMP DKSW1: MOV P3,#0FFH CLR P3.5MOV A,P3ANL A,#0FHJZ SW2LCALL DELAY10MS JZ SW2MOV A,P3ANL A,#0FHCJNE A,#0EH,K5 MOV COUNT,#1 LJMP DKK5: CJNE A,#0DH,K6 MOV COUNT,#5 LJMP DKK6: CJNE A,#0BH,K7 MOV COUNT,#9 LJMP DKK7: CJNE A,#07H,K8 MOV COUNT,#13K8: NOPLJMP DKSW2: MOV P3,#0FFH CLR P3.6MOV A,P3ANL A,#0FHJZ SW3LCALL DELAY10MS JZ SW3MOV A,P3ANL A,#0FHCJNE A,#0EH,K9 MOV COUNT,#2 LJMP DKK9: CJNE A,#0DH,KA MOV COUNT,#6 LJMP DKKA: CJNE A,#0BH,KB MOV COUNT,#10 LJMP DKKB: CJNE A,#07H,KC MOV COUNT,#14 KC: NOPLJMP DKSW3: MOV P3,#0FFH CLR P3.7MOV A,P3ANL A,#0FHJZ SW4LCALL DELAY10MSJZ SW4MOV A,P3ANL A,#0FHCJNE A,#0EH,KDMOV COUNT,#3LJMP DKKD: CJNE A,#0DH,KE MOV COUNT,#7LJMP DKKE: CJNE A,#0BH,KF MOV COUNT,#11 LJMP DKKF: CJNE A,#07H,KG MOV COUNT,#15KG: NOPLJMP DKSW4: LJMP PANDUAN DK: RET ;;;;;;;;;;显示程序;;;;;;;;;; XIANSHI: MOV A,COUNTMOV DPTR,#TABLEMOVC A,@A+DPTRMOV P0,ALCALL DELAYSK: MOV A,P3ANL A,#0FHXRL A,#0FHJNZ SKRET;;;;;;;;;;10ms延时程序;;;;;;;;;;DELAY10MS: MOV R6,#20D1: MOV R7,#248DJNZ R7,$DJNZ R6,D1RET;;;;;;;;;;200ms延时程序;;;;;;;;;;DELAY: MOV R5,#20LOOP: LCALL DELAY10MSDJNZ R5,LOOPRET;;;;;;;;;;共阴码表;;;;;;;;;;TABLE: DB 3FH,06H,5BH,4FH,66H,6DH,7DH,07H DB 7FH,6FH,77H,7CH,39H,5EH,79H,71H;;;;;;;;;;结束标志;;;;;;;;;;END7、C语言源程序#includeunsigned char code table[]={0x3f,0x66,0x7f,0x39,0x06,0x6d,0x6f,0x5e,0x5b,0x7d,0x77,0x79,0x4f,0x07,0x7c,0x71};void main(void){ unsigned char i,j,k,key;while(1){ P3=0xff; //给P3口置1//P3_4=0; //给P3.4这条线送入0//i=P3;i=i&0x0f; //屏蔽低四位//if(i!=0x0f) //看是否有按键按下//{ for(j=50;j>0;j--) //延时//for(k=200;k>0;k--);if(i!=0x0f) //再次判断按键是否按下//{ switch(i) //看是和P3.4相连的四个按键中的哪个// { case 0x0e:key=0;break;case 0x0d:key=1;break;case 0x0b:key=2;break;case 0x07:key=3;break;}P0=table[key]; //送数到P0口显示//}}P3=0xff;P3_5=0; //读P3.5这条线//i=P3;i=i&0x0f; //屏蔽P3口的低四位//if(i!=0x0f) //读P3.5这条线上看是否有按键按下// { for(j=50;j>0;j--) //延时//for(k=200;k>0;k--);i=P3; //再看是否有按键真的按下//i=i&0x0f;if(i!=0x0f){ switch(i) //如果有,显示相应的按键//{ case 0x0e:key=4;break;case 0x0d:key=5;break;case 0x0b:key=6;break;case 0x07:key=7;break;}P0=table[key]; //送入P0口显示//}}P3=0xff;P3_6=0; //读P3.6这条线上是否有按键按下// i=P3;i=i&0x0f;if(i!=0x0f){ for(j=50;j>0;j--)for(k=200;k>0;k--);i=P3;i=i&0x0f;if(i!=0x0f){ switch(i){ case 0x0e:key=8;break;case 0x0d:key=9;break;case 0x0b:key=10;break;case 0x07:key=11;break;}P0=table[key];}}P3=0xff;P3_7=0; //读P3.7这条线上是否有按键按下//i=P3;i=i&0x0f;if(i!=0x0f){ for(j=50;j>0;j--) for(k=200;k>0;k--); i=P3;i=i&0x0f;if(i!=0x0f){ switch(i){ case 0x0e:key=12;break;case 0x0d:key=13;break;case 0x0b:key=14;break;case 0x07:key=15;break;}P0=table[key];}}}}8、注意事项在硬件电路中,要把8联拨动拨码开关JP2拨下,把8联拨动拨码开关JP3拨上去。
目录1 引言 (2)2 4×4矩阵键盘控制LED工作原理及软硬件设计、仿真调试 (2)2.1 4×4矩阵式键盘识别显示系统概述 (2)2.2 4×4矩阵式键盘原理 (3)2.3 4×4矩阵式键盘控制LED显示方法 (3)2.4 电路设计及电路图 (3)2.5 4×4矩阵式键盘软件编程 (6)2.6 4×4矩阵式键盘软件仿真调试分析 (9)3 结论 (10)4参考文献 (10)1 引言随着现代科技日新月异的发展,作为新兴产业,单片机的应用越来越广。
单片机以其体积小、重量轻、功能强大、功耗低等特点而备受青睐。
键盘作为一种最为普遍的输入工具在单片机项目应用上显得尤为重要。
用MCS51系列的单片机并行口P1接4×4矩阵键盘,以P1.0-P1.3 作输入线,以P1.4-P1.7作输出线;在数码管上显示每个按键的0-F序号。
2 4×4矩阵键盘控制LED工作原理及软硬件设计、仿真调试2.1 4×4矩阵式键盘识别显示系统概述矩阵式键盘模式以4个端口连接控制4*4个按键,实时在LED数码管上显示按键信息。
显示按键信息,省下了很多的I/O端口为他用,相反,独立式按键虽编程简单,但占用I/O口资源较多,不适合在按键较多的场合应用。
矩阵式键盘简介:矩阵式键盘又称行列键盘,它是用4条I/O线作为行线,4条I/O线作为列线组成的键盘。
在行线和列线的每个交叉点上设置一个按键。
这样键盘上按键的个数就为4*4个。
这种行列式键盘结构能有效地提高单片机系统中I/O口的利用率。
最常见的键盘布局如图1所示。
一般由16个按键组成,在单片机中正好可以用一个P 口实现16个按键功能,这也是在单片机系统中最常用的形式,本设计就采用这个键盘模式。
2.2 4×4矩阵式键盘原理在占用相同的I/O端口的情况下,行列式键盘的接法会比独立式接法允许的按键数量多。
1、设计原理(1)如图14.2所示,用单片机的并行口P3连接4×4矩阵键盘,并以单片机的P3.0-P3.3各管脚作输入线,以单片机的P3.4-P3.7各管脚作输出线,在数码管上显示每个按键“0-F”的序号。
(2)键盘中对应按键的序号排列如图14.1所示。
2、参考电路图14.24×4矩阵式键盘识别电路原理图3、电路硬件说明(1)在“单片机系统”区域中,把单片机的P3.0-P3.7端口通过8联拨动拨码开关JP3连接到“4×4行列式键盘”区域中的M1-M4,N1-N4端口上。
(2)在“单片机系统”区域中,把单片机的P0.0-P0.7端口连接到“静态数码显示模块”区域中的任何一个a-h端口上;要求:P0.0对应着a,P0.1对应着b,……,P0.7对应着h。
4、程序设计内容(1)4×4矩阵键盘识别处理。
(2)每个按键都有它的行值和列值,行值和列值的组合就是识别这个按键的编码。
矩阵的行线和列线分别通过两并行接口和CPU通信。
键盘的一端(列线)通过电阻接VCC,而接地是通过程序输出数字“0”实现的。
键盘处理程序的任务是:确定有无键按下,判断哪一个键按下,键的功能是什么?还要消除按键在闭合或断开时的抖动。
两个并行口中,一个输出扫描码,使按键逐行动态接地;另一个并行口输入按键状态,由行扫描值和回馈信号共同形成键编码而识别按键,通过软件查表,查出该键的功能。
5、程序流程图(如图14.3所示)6、汇编源程序;;;;;;;;;;定义单元;;;;;;;;;;COUNTEQU30H;;;;;;;;;;入口地址;;;;;;;;;;ORG0000HLJMPSTARTORG0003HRETIORG000BHRETIORG0013HRETIORG001BHRETIORG0023HRETIORG002BHRETI;;;;;;;;;;主程序入口;;;;;;;;;;ORG0100HSTART:LCALLCHUSHIHUALCALLPANDUANLCALLXIANSHILJMPSTART;;;;;;;;;;初始化程序;;;;;;;;;; CHUSHIHUA:MOVCOUNT,#00HRET;;;;;;;;;;判断哪个按键按下程序;;;;;;;;;; PANDUAN:MOVP3,#0FFHCLRP3.4MOVA,P3ANLA,#0FHXRLA,#0FHJZSW1LCALLDELAY10MSJZSW1MOVA,P3ANLA,#0FHCJNEA,#0EH,K1MOVCOUNT,#0LJMPDKK1:CJNEA,#0DH,K2MOVCOUNT,#4 LJMPDKK2:CJNEA,#0BH,K3 MOVCOUNT,#8 LJMPDKK3:CJNEA,#07H,K4 MOVCOUNT,#12K4:NOPLJMPDKSW1:MOVP3,#0FFH CLRP3.5MOVA,P3ANLA,#0FH XRLA,#0FHJZSW2 LCALLDELAY10MS JZSW2MOVA,P3ANLA,#0FH CJNEA,#0EH,K5 MOVCOUNT,#1LJMPDKK5:CJNEA,#0DH,K6 MOVCOUNT,#5 LJMPDKK6:CJNEA,#0BH,K7 MOVCOUNT,#9 LJMPDKK7:CJNEA,#07H,K8 MOVCOUNT,#13K8:NOPLJMPDKSW2:MOVP3,#0FFH CLRP3.6MOVA,P3ANLA,#0FH XRLA,#0FHJZSW3 LCALLDELAY10MS JZSW3MOVA,P3ANLA,#0FHCJNEA,#0EH,K9 MOVCOUNT,#2 LJMPDKK9:CJNEA,#0DH,KA MOVCOUNT,#6 LJMPDKKA:CJNEA,#0BH,KB MOVCOUNT,#10 LJMPDKKB:CJNEA,#07H,KC MOVCOUNT,#14 KC:NOPLJMPDKSW3:MOVP3,#0FFH CLRP3.7MOVA,P3ANLA,#0FH XRLA,#0FHJZSW4 LCALLDELAY10MS JZSW4ANLA,#0FHCJNEA,#0EH,KD MOVCOUNT,#3LJMPDKKD:CJNEA,#0DH,KE MOVCOUNT,#7LJMPDKKE:CJNEA,#0BH,KF MOVCOUNT,#11LJMPDKKF:CJNEA,#07H,KG MOVCOUNT,#15KG:NOPLJMPDKSW4:LJMPPANDUANDK:RET;;;;;;;;;;显示程序;;;;;;;;;; XIANSHI:MOVA,COUNT MOVDPTR,#TABLEMOVCA,@A+DPTRLCALLDELAYSK:MOVA,P3ANLA,#0FHXRLA,#0FHJNZSKRET;;;;;;;;;;10ms延时程序;;;;;;;;;; DELAY10MS:MOVR6,#20D1:MOVR7,#248DJNZR7,$DJNZR6,D1RET;;;;;;;;;;200ms延时程序;;;;;;;;;; DELAY:MOVR5,#20LOOP:LCALLDELAY10MSDJNZR5,LOOPRET;;;;;;;;;;共阴码表;;;;;;;;;;TABLE:DB3FH,06H,5BH,4FH,66H,6DH,7DH,07H DB7FH,6FH,77H,7CH,39H,5EH,79H,71H7、C语言源程序#includeunsignedcharcodetable[]={0x3f,0x66,0x7f,0x39,0x06,0x6d,0x6f,0x5e,0x5b,0x7d,0x77,0x79,0x4f,0x07,0x7c,0x71};voidmain(void){unsignedchari,j,k,key;while(1){P3=0xff;//给P3口置1//P3_4=0;//给P3.4这条线送入0//i=P3;i=i&0x0f;//屏蔽低四位//if(i!=0x0f)//看是否有按键按下//{for(j=50;j>0;j--)//延时//for(k=200;k>0;k--);if(i!=0x0f)//再次判断按键是否按下//{switch(i)//看是和P3.4相连的四个按键中的哪个// {case0x0e:key=0;break;case0x0d:key=1;break;case0x0b:key=2;break;case0x07:key=3;break;}P0=table[key];//送数到P0口显示//}}P3=0xff;P3_5=0;//读P3.5这条线//i=P3;i=i&0x0f;//屏蔽P3口的低四位//if(i!=0x0f)//读P3.5这条线上看是否有按键按下// {for(j=50;j>0;j--)//延时//for(k=200;k>0;k--);i=P3;//再看是否有按键真的按下//i=i&0x0f;if(i!=0x0f){switch(i)//如果有,显示相应的按键// {case0x0e:key=4;break;case0x0d:key=5;break;case0x0b:key=6;break;case0x07:key=7;break;}P0=table[key];//送入P0口显示//}}P3=0xff;P3_6=0;//读P3.6这条线上是否有按键按下// i=P3;i=i&0x0f;if(i!=0x0f){for(j=50;j>0;j--)for(k=200;k>0;k--);i=P3;i=i&0x0f;if(i!=0x0f){switch(i){case0x0e:key=8;break;case0x0d:key=9;break;case0x0b:key=10;break;case0x07:key=11;}P0=table[key];}}P3=0xff;P3_7=0;//读P3.7这条线上是否有按键按下// i=P3;i=i&0x0f;if(i!=0x0f){for(j=50;j>0;j--)for(k=200;k>0;k--);i=P3;i=i&0x0f;if(i!=0x0f){switch(i){case0x0e:key=12;break;case0x0d:key=13;case0x0b:key=14;break;case0x07:key=15;break;}P0=table[key];}}}}8、注意事项在硬件电路中,要把8联拨动拨码开关JP2拨下,把8联拨动拨码开关JP3拨上去。
1、设计原理(1)如图14.2所示,用单片机的并行口P3连接4×4矩阵键盘,并以单片机的P3.0-P3.3各管脚作输入线,以单片机的P3.4-P3.7各管脚作输出线,在数码管上显示每个按键“0-F”的序号。
(2)键盘中对应按键的序号排列如图14.1所示。
2、参考电路图14.2 4×4矩阵式键盘识别电路原理图3、电路硬件说明(1)在“单片机系统”区域中,把单片机的P3.0-P3.7端口通过8联拨动拨码开关JP3连接到“4×4行列式键盘”区域中的M1-M4,N1-N4端口上。
(2)在“单片机系统”区域中,把单片机的P0.0-P0.7端口连接到“静态数码显示模块”区域中的任何一个a-h端口上;要求:P0.0对应着a,P0.1对应着b,……,P0.7对应着h。
4、程序设计内容(1)4×4矩阵键盘识别处理。
(2)每个按键都有它的行值和列值,行值和列值的组合就是识别这个按键的编码。
矩阵的行线和列线分别通过两并行接口和CPU通信。
键盘的一端(列线)通过电阻接VCC,而接地是通过程序输出数字“0”实现的。
键盘处理程序的任务是:确定有无键按下,判断哪一个键按下,键的功能是什么?还要消除按键在闭合或断开时的抖动。
两个并行口中,一个输出扫描码,使按键逐行动态接地;另一个并行口输入按键状态,由行扫描值和回馈信号共同形成键编码而识别按键,通过软件查表,查出该键的功能。
5、程序流程图(如图14.3所示)6、汇编源程序;;;;;;;;;;定义单元;;;;;;;;;;COUNT EQU 30H;;;;;;;;;;入口地址;;;;;;;;;;ORG 0000HLJMP STARTORG 0003HRETIORG 000BHRETIORG 0013HRETIORG 001BHRETIORG 0023HRETIORG 002BHRETI;;;;;;;;;;主程序入口;;;;;;;;;;ORG 0100HSTART: LCALL CHUSHIHUALCALL PANDUANLCALL XIANSHILJMP START;;;;;;;;;;初始化程序;;;;;;;;;; CHUSHIHUA: MOV COUNT,#00HRET;;;;;;;;;;判断哪个按键按下程序;;;;;;;;;; PANDUAN: MOV P3,#0FFHCLR P3.4MOV A,P3ANL A,#0FHXRL A,#0FHJZ SW1LCALL DELAY10MSJZ SW1MOV A,P3ANL A,#0FHCJNE A,#0EH,K1 MOV COUNT,#0LJMP DKK1: CJNE A,#0DH,K2 MOV COUNT,#4LJMP DKK2: CJNE A,#0BH,K3 MOV COUNT,#8LJMP DKK3: CJNE A,#07H,K4 MOV COUNT,#12K4: NOPLJMP DKSW1: MOV P3,#0FFH CLR P3.5MOV A,P3ANL A,#0FHXRL A,#0FHJZ SW2LCALL DELAY10MSJZ SW2MOV A,P3ANL A,#0FHCJNE A,#0EH,K5 MOV COUNT,#1LJMP DKK5: CJNE A,#0DH,K6 MOV COUNT,#5LJMP DKK6: CJNE A,#0BH,K7 MOV COUNT,#9LJMP DKK7: CJNE A,#07H,K8 MOV COUNT,#13K8: NOPLJMP DKSW2: MOV P3,#0FFH CLR P3.6MOV A,P3ANL A,#0FHXRL A,#0FHJZ SW3LCALL DELAY10MSJZ SW3MOV A,P3ANL A,#0FHCJNE A,#0EH,K9 MOV COUNT,#2LJMP DKK9: CJNE A,#0DH,KA MOV COUNT,#6LJMP DKKA: CJNE A,#0BH,KB MOV COUNT,#10 LJMP DKKB: CJNE A,#07H,KC MOV COUNT,#14 KC: NOPLJMP DKSW3: MOV P3,#0FFH CLR P3.7MOV A,P3ANL A,#0FHXRL A,#0FHJZ SW4LCALL DELAY10MSJZ SW4MOV A,P3ANL A,#0FHCJNE A,#0EH,KD MOV COUNT,#3LJMP DKKD: CJNE A,#0DH,KE MOV COUNT,#7LJMP DKKE: CJNE A,#0BH,KFLJMP DKKF: CJNE A,#07H,KGMOV COUNT,#15KG: NOPLJMP DKSW4: LJMP PANDUANDK: RET;;;;;;;;;;显示程序;;;;;;;;;; XIANSHI: MOV A,COUNTMOV DPTR,#TABLEMOVC A,@A+DPTRMOV P0,ALCALL DELAYSK: MOV A,P3ANL A,#0FHXRL A,#0FHJNZ SKRET;;;;;;;;;;10ms延时程序;;;;;;;;;; DELAY10MS: MOV R6,#20DJNZ R7,$DJNZ R6,D1RET;;;;;;;;;;200ms延时程序;;;;;;;;;;DELAY: MOV R5,#20LOOP: LCALL DELAY10MSDJNZ R5,LOOPRET;;;;;;;;;;共阴码表;;;;;;;;;;TABLE: DB 3FH,06H,5BH,4FH,66H,6DH,7DH,07HDB 7FH,6FH,77H,7CH,39H,5EH,79H,71H;;;;;;;;;;结束标志;;;;;;;;;;END7、C语言源程序#includeunsigned char code table[]={0x3f,0x66,0x7f,0x39, 0x06,0x6d,0x6f,0x5e,0x5b,0x7d,0x77,0x79,0x4f,0x07,0x7c,0x71};void main(void){ unsigned char i,j,k,key;while(1){ P3=0xff; //给P3口置1//P3_4=0; //给P3.4这条线送入0//i=P3;i=i&0x0f; //屏蔽低四位//if(i!=0x0f) //看是否有按键按下//{ for(j=50;j>0;j--) //延时//for(k=200;k>0;k--);if(i!=0x0f) //再次判断按键是否按下//{ switch(i) //看是和P3.4相连的四个按键中的哪个// { case 0x0e:key=0;break;case 0x0d:key=1;break;case 0x0b:key=2;break;case 0x07:break;}P0=table[key]; //送数到P0口显示//}}P3=0xff;P3_5=0; //读P3.5这条线//i=P3;i=i&0x0f; //屏蔽P3口的低四位//if(i!=0x0f) //读P3.5这条线上看是否有按键按下// { for(j=50;j>0;j--) //延时//for(k=200;k>0;k--);i=P3; //再看是否有按键真的按下//i=i&0x0f;if(i!=0x0f){ switch(i) //如果有,显示相应的按键//{ case 0x0e:key=4;break;case 0x0d:break;case 0x0b:key=6;break;case 0x07:key=7;break;}P0=table[key]; //送入P0口显示//}}P3=0xff;P3_6=0; //读P3.6这条线上是否有按键按下// i=P3;i=i&0x0f;if(i!=0x0f){ for(j=50;j>0;j--)for(k=200;k>0;k--);i=P3;i=i&0x0f;{ switch(i){ case 0x0e:key=8;break;case 0x0d:key=9;break;case 0x0b:key=10;break;case 0x07:key=11;break;}P0=table[key];}}P3=0xff;P3_7=0; //读P3.7这条线上是否有按键按下// i=P3;if(i!=0x0f){ for(j=50;j>0;j--) for(k=200;k>0;k--); i=P3;i=i&0x0f;if(i!=0x0f){ switch(i){ case 0x0e:key=12;break;case 0x0d:key=13;break;case 0x0b:key=14;break;case 0x07:key=15;break;}P0=table[key];}}}}8、注意事项在硬件电路中,要把8联拨动拨码开关JP2拨下,把8联拨动拨码开关JP3拨上去。
数理与信息工程学院《单片机原理及应用》期末课程设计题目:4×4矩阵式键盘识别显示电路的设计专业:电子信息工程班级:电信061班*名:***学号:********指导老师:***成绩:( 2008.12 )目录第1节引言 (2)1.1 4*4矩阵式键盘系统概述 (2)1.2 本设计任务和主要内容 (3)第2节系统主要硬件电路设计 (4)2.1 单片机控制系统原理 (4)2.2 单片机主机系统电路 (5)2.2.1 时钟电路 (4)2.2.2 复位电路 (5)2.2.3 矩阵式键盘电路 (5)2.3 译码显示电路 (6)第3节系统软件设计 (11)3.1 软件流程图 (8)3.2 系统程序设计 (9)第4节结束语 (12)参考文献 (13)4*4矩阵式键盘识别显示电路的设计数理与信息工程学院电信061 姜铮铮指导教师:余水宝第一节引言矩阵式键盘乃是当今使用最为广泛的键盘模式,该系统以N个端口连接控制N*N个按键,即时在LED数码管上。
单片机控制的据这是键盘显示系统,该系统可以对不同的按键进行实时显示,其核心是单片机和键盘矩阵电路部分,主要对按键与显示电路的关系、矩阵式技术及设备系统的硬件、软件等各个部分进行实现。
4*4矩阵式键盘采用AT89S51单片机为核心,主要由矩阵式键盘电路、译码电路、显示电路等组成,软件选用汇编语言编程。
单片机将检测到的按键信号转换成数字量,显示于LED显示器上。
该系统灵活性强,易于操作,可靠性高,将会有更广阔的开发前景。
1.1 4*4矩阵式键盘识别显示系统概述矩阵式键盘模式以N个端口连接控制N*N个按键,实时在LED数码管上显示按键信息。
显示按键信息,既降低了成本,又提高了精确度,省下了很多的I/O端口为他用,相反,独立式按键虽编程简单,但占用I/O口资源较多,不适合在按键较多的场合应用。
并且在实际应用中经常要用到输入数字、字母、符号等操作功能,如电子密码锁、电话机键盘、计算器按键等,至少都需要12到16个按键,在这种情况下如果用独立式按键的话,显然太浪费I/O端口资源,为了解决这一问题,我们使用矩阵式键盘。
《单片机课程设计报告》教学院:专业班级:学号:学生:指导教师:时间:地点:单片机课程设计任务书一、课题名称单片机课程设计二、设计目的为了进一步巩固学习的理论知识,增强学生对所学知识的实际应用能力和运用所学的知识解决实际问题的能力,开始为期两周的单片机课程设计。
通过实训使学生在巩固所学知识的基础之上具有初步的单片机系统设计与应用能力。
三、设计容设计基于51单片机的简易计算器系统电路,并以该电路为基础进行编程,要求能够实现0-99之间的数进行加、减、乘、除运算的功能。
四、设计要求1、设计简易计算器,要求能对0-99之间的数进行加、减、乘、除运算。
2、用4×4的键盘作为输入设备。
3、用LED或LCD进行显示。
4、编写无符号数加、减、乘、除运算、输入和显示的程序。
5、对系统的进行综合和调试,使其具有对0-99之间的数进行加、减、乘、除运算的功能。
6、编写课程设计的总结六、设计报告课程设计报告的基本容至少包括封面、正文、附录三部分。
课程设计报告要求统一格式,字体工整规。
1、封面封面包括“《单片机课程设计》课程设计报告”、班级、、学号以及完成日期等。
2、正文正文是实践设计报告的主体,具体由以下几部分组成:(1)课程设计题目;(2)课程设计任务与要求;(3)设计过程(包括设计方案、设计原理、创新点以及采用的新技术等);(4)方案的比较与论证;(5)硬件电路设计,各个模块的设计与器件的选择;(6)软件程序的设计与调试;(7)课程设计总结(包括自己的收获与体会;遇到的问题和解决的方法;技术实现技巧和创新点;作品存在的问题和改进设想等);3.附录附录1:系统设计原理图附录2:系统硬件元器件清单附录3:系统的程序七、考核方式与成绩评定办法格(60分~69分)、60分以下为不及格。
八、参考书目[1] 朝青.单片机原理及接口技术(简明修订版).:航空航天大学,1998[2] 广弟.单片机基础[M].:航空航天大学,1994[3] 阎石.数字电子技术基础(第三版). :高等教育,1989[4] 廖常初.现场总线概述[J].电工技术,1999.[5] 徐仁贵等编著.《单片微型计算机应用技术》.:机械工业.2001年2月第1版[6] 毅刚等编著.《单片机原理及应用》. :高等教育.2004年1月第1版一、课程设计任务与要求设计基于51单片机的简易计算器系统电路,并以该电路为基础进行编程,要求能够实现0-99之间的数进行加、减、乘、除运算的功能,并要求如下:1、设计简易计算器,要求能对0-99之间的数进行加、减、乘、除运算;2、用4×4的键盘作为输入设备;3、用LED或LCD进行显示;4、使用C语言编写无符号数加、减、乘、除运算、输入和显示的程序;5、对系统的进行综合和调试,使其具有对0-99之间的数进行加、减、乘、除运算的功能,还具有清零功能等;6、编写课程设计的总结。
44矩阵键盘课程设计一、课程目标知识目标:1. 理解44矩阵键盘的基本结构和工作原理;2. 学会使用矩阵键盘进行输入输出操作;3. 掌握矩阵键盘编程的基本方法。
技能目标:1. 能够正确连接并测试44矩阵键盘;2. 能够编写程序实现对矩阵键盘的扫描和按键识别;3. 能够运用矩阵键盘完成简单的交互式应用。
情感态度价值观目标:1. 培养学生动手实践、自主探究的学习习惯;2. 增强学生团队协作和问题解决的能力;3. 激发学生对电子技术和编程的兴趣,提高创新意识。
分析课程性质、学生特点和教学要求,本课程目标旨在让学生掌握44矩阵键盘的相关知识,通过实践操作和编程练习,使学生在知识、技能和情感态度价值观方面取得以下具体学习成果:1. 知识方面:学生能够阐述矩阵键盘的原理,解释其工作方式;2. 技能方面:学生能够独立完成矩阵键盘的连接、编程和应用;3. 情感态度价值观方面:学生通过课程学习,增强实践能力、团队协作能力和创新意识。
二、教学内容1. 矩阵键盘基础知识:- 矩阵键盘结构原理;- 矩阵键盘的输入输出方式;- 矩阵键盘与单片机的连接方法。
2. 矩阵键盘编程技术:- 按键扫描算法;- 按键识别与消抖;- 矩阵键盘编程实例。
3. 实践操作与项目应用:- 矩阵键盘连接与测试;- 基于矩阵键盘的简单计算器制作;- 创意电子项目设计与实现。
教学内容依据课程目标,结合教材章节,按照以下进度安排:1. 矩阵键盘基础知识(第1课时):- 介绍矩阵键盘的结构原理;- 讲解矩阵键盘与单片机的连接方法。
2. 矩阵键盘编程技术(第2-3课时):- 讲解按键扫描算法及消抖方法;- 分析矩阵键盘编程实例。
3. 实践操作与项目应用(第4-5课时):- 指导学生进行矩阵键盘的连接与测试;- 引导学生运用所学知识制作简单计算器;- 组织学生进行创意电子项目设计与展示。
教学内容科学系统,注重理论与实践相结合,旨在提高学生的综合应用能力。
三、教学方法针对本章节内容,采用以下多样化的教学方法,以激发学生的学习兴趣和主动性:1. 讲授法:- 用于讲解矩阵键盘的基础知识和编程技术,通过清晰的讲解,使学生快速掌握基本概念和原理。
表示任意一个十六进制数)分别表示键盘的第二行、第二行、第四行;OxXE、OxXD、OxXB、0xX7(X表示任意一个十六进制数)则分别表示键盘的第一列、第二列、第三列和第四列。
例如0xD7是键盘的第二行第四列的按键对于数码管的连接,采用了共阳极的接法,其下拉电阻应保证芯片不会因为电流过大而烧坏。
五、电路设计及功能说明4X4键盘的十六个按键分成四行四列分别于P1端口的八条I/O 数据线相连;两个七段数码管分别与单片机的P0 口和P2 口的低七位I/O数据线相连。
数码管采用共阳极的接法,所以需要下拉电阻来分流。
结合软件程序,即可实现 4 X4键盘的接口及显示的设计。
当按下键盘其中的一个按键时,数码管上会显示出该按键在4X4键盘上的行值和列值。
所以实现了数码管显示按键位置的功能二、实验内容"3■审■ "X I►Tf9fe设计并实现一 4 X 4键盘的接口,并在两个数码管上显示键盘所在的行与列。
即将8255单元与键盘及数码管显示单元连接,编写实验程序扫描键盘输入,并将扫描结果送数码显示,键盘采用4 X 4键盘,每个数码管值可以为0到F, 16 个数。
将键盘进行编号记作0—F 当按下其中一个按键时将该按键对应的编号在 一个数码管上显示出来,当按下下一个按键时便将这个按键的编号在下一个数码 管上显示出来,且数码管上可以显示最近 6次按下按键的编号。
基本原理1•电路设计及功能说明2•硬件原理框图及电路图(包括接口芯片简介) 电路图:叫"11I —0 - 0E E可编辑2・q 戟r :fQfiWElFQ^IS六、实验步骤(1) . 把实验平台与PC机串行口连起来,根据实验连线提示在实验台上连线,之后打开电源。
(2) . 在PC机上用鼠标点击“ Wave ”图标,进入 WINDOWS 调试环境,而后进行初始化设置。
点击[仿真器仿真器设置]出现“仿真器设置”窗,进行仿真器的设置。
⑶. 用鼠标点一下[文件打开文件],输入文件名*asm,创建新文件,在该窗口中输入事先编好的程序。
4 4矩阵键盘课程设计一、课程目标知识目标:1. 学生能够理解4x4矩阵键盘的基本原理,掌握其电路连接方式和扫描原理。
2. 学生能够运用所学知识,设计并搭建一个简单的4x4矩阵键盘电路。
3. 学生了解矩阵键盘在嵌入式系统中的应用和重要性。
技能目标:1. 学生能够运用编程软件(如Arduino)编写程序,实现对4x4矩阵键盘的扫描和按键识别。
2. 学生能够运用调试工具,对矩阵键盘电路进行故障排查和优化。
3. 学生具备团队协作能力,共同完成矩阵键盘电路设计和程序编写。
情感态度价值观目标:1. 学生通过动手实践,培养对电子技术和编程的兴趣,增强学习动力。
2. 学生在团队合作中,学会沟通、协作、分享,培养团队精神和责任感。
3. 学生认识到科技发展对社会进步的重要性,激发为我国科技事业贡献力量的志向。
本课程针对高中年级学生,结合电子技术和编程知识,以实用性为导向,旨在培养学生的动手实践能力和创新精神。
课程内容紧密联系课本知识,通过设计4x4矩阵键盘电路,使学生在实践中掌握相关原理和方法。
课程目标具体、可衡量,为后续教学设计和评估提供明确方向。
二、教学内容1. 矩阵键盘基础知识:介绍矩阵键盘的原理、电路连接方式及其在嵌入式系统中的应用。
- 相关章节:课本第三章第二节“矩阵键盘及其应用”2. 4x4矩阵键盘电路设计:讲解如何搭建4x4矩阵键盘电路,包括硬件连接、电路图绘制等。
- 相关章节:课本第三章第三节“矩阵键盘电路设计”3. 矩阵键盘编程:介绍如何使用Arduino编程软件编写程序,实现对4x4矩阵键盘的扫描和按键识别。
- 相关章节:课本第四章第一节“Arduino编程基础”及第四节“矩阵键盘编程实例”4. 矩阵键盘电路调试与优化:教授学生如何运用调试工具进行故障排查,以及如何对电路和程序进行优化。
- 相关章节:课本第五章“电路调试与优化”5. 团队合作与展示:学生分组进行项目实践,共同完成矩阵键盘电路设计与程序编写,并进行成果展示。
单片机矩阵键盘实验实验报告
实验名称:单片机矩阵键盘实验
实验目的:掌握单片机矩阵键盘的原理和应用,能够使用单片机按键输入
实验内容:利用Keil C51软件,采用AT89C51单片机实现一个4x4的矩阵键盘,当按下任何一个按键时,将相应的键值传输到液晶显示屏上进行显示。
实验步骤:
1、搭建实验电路,将矩阵键盘与单片机相连,连接好电源正负极,然后将电路焊接成一个完整的矩阵键盘输入电路。
2、打开Keil C51软件,新建一个单片机应用工程,然后编写代码。
3、通过代码实现对矩阵键盘输入的扫描功能,当按下任何一个按键时,将相应的键值传输到液晶显示屏上进行显示。
4、编译代码,生成HEX文件,下载HEX文件到单片机中,将单片机与电源相连,然后就可以测试了。
5、测试完成后,根据测试结果修改代码,重新编译生成HEX 文件,然后下载到单片机中进行验证。
实验结果:
经过测试,实验结果良好,能够准确地输入按键的值,显示在液晶屏上。
实验感想:
通过这次实验,我深深地认识到了矩阵键盘技术的重要性以及应用价值,同时也更加深入了解单片机的工作原理和应用技术,这对我的学习和工作都有很好的帮助。
长沙学院?《单片机原理及应用》课程设计说明书题目】液晶显示4*4矩阵键盘按键号程序设计系(部)电子与通信工程系专业(班级)电气1班姓名龙程学号【09指导教师刘辉、谢明华、王新辉、马凌云起止日期—长沙学院课程设计鉴定表《单片机技术及应用》课程设计任务书系(部):电子与电气工程系专业:11级电子一班指导教师:谢明华、刘辉—目录'前言 (5)一、课程设计目的 (6)二、设计内容及原理 (6)单片机控制系统原理 (6)阵键盘识别显示系统概述 (6)键盘电路 (7)12864显示器 (8)整体电路图 (9)!仿真结果 (9)三、实验心得与体会 (10)四、实验程序 (10)参考文献 (18)…。
,】前言单片机,全称单片微型计算机(英语:Single-Chip Microcomputer),又称微控制器(Microcontroller),是把中央处理器、存储器、定时/计数器(Timer/Counter)、各种输入输出接口等都集成在一块集成电路芯片上的微型计算机。
与应用在个人电脑中的通用型微处理器相比,它更强调自供应(不用外接硬件)和节约成本。
它的最大优点是体积小,可放在仪表内部,但存储量小,输入输出接口简单,功能较低。
由于其发展非常迅速,旧的单片机的定义已不能满足,所以在很多应用场合被称为范围更广的微控制器;从上世纪80年代,由当时的4位、8位单片机,发展到现在的32位300M的高速单片机。
现代人类生活中所用的几乎每件有电子器件的产品中都会集成有单片机。
手机、电话、计算器、家用电器、电子玩具、掌上电脑以及鼠标等电子产品中都含有单片机。
汽车上一般配备40多片单片机,复杂的工业控制系统上甚至可能有数百片单片机在同时工作!单片机的数量不仅远超过PC机和其他计算机的总和,甚至比人类的数量还要多。
液晶显示器(英语:Liquid Crystal Display,缩写:LCD)为平面薄型的显示设备。
它的主要原理是以电流刺激液晶分子产生点、线、面配合背部灯管构成画面。
《单片机原理及应用课程设计》报告——数码管显示4*4矩阵键盘的键盘号设计专业:班级:姓名:学号:2013年1月1.课程设计目的1.1巩固和加深对单片机原理和接口技术知识的理解;1.2培养根据课题需要选学参考书籍、查阅手册和文献资料的能力;1.3学会方案论证的比较方法,拓宽知识,初步掌握工程设计的基本方法;1.4掌握常用仪器、仪表的正确使用方法,学会软、硬件的设计和调试方法;1.5能按课程设计的要求编写课程设计报告,能正确反映设计和实验成果,能用计算机绘制电路图和流程图。
2.课程设计要求单片机的P1口的P1.0~P1.7连接4×4矩阵键盘,P0口控制一只数码管,当4×4矩阵键盘中的某一按键按下时,数码管上显示对应的键号。
例如,1号键按下时,数码管显示“1”, 14号键按下时,数码管显示“E”等等。
3.硬件设计3.1 设计思想分析本任务的要求,使设计能够完成当4*4矩阵键盘中的某一按键按下时,数码管上显示对应的键盘号。
则本系统主要由以下几大模块构成:显示模块,共阴极LED数码管;输入模块,4*4矩阵键盘;3.2主要元器件介绍矩阵键盘又称为行列式键盘,它是用4条I/O线作为行线,4条I/O线作为列线组成的键盘。
在行线和列线的每一个交叉点上,设置一个按键。
这样键盘中按键的个数是4×4个。
这种行列式键盘结构能够有效地提高单片机系统中I/O 口的利用率。
数码管不同位显示的时间间隔可以通过调整延时程序的延时长短来完成。
数码管显示的时间间隔也能够确定数码管显示时的亮度,若显示的时间间隔长,显示时数码管的亮度将亮些,若显示的时间间隔短,显示时数码管的亮度将暗些。
若显示的时间间隔过长的话,数码管显示时将产生闪烁现象。
所以,在调整显示的时间间隔时,即要考虑到显示时数码管的亮度,又要数码管显示时不产生闪烁现象。
4.1 设计思想按键采用线反转法先把列线置成低电平,行线置成输入状态,读行线;再把行线置成低电平,列线输入状态,读列线。