万能材料试验机使用说明书
- 格式:pdf
- 大小:4.78 MB
- 文档页数:20
2000KN压力试验机试验步骤一、选择试验机的压力量程。
估算试件的极限压力荷载,选择并更换需要的弹簧。
若估算的极限压力荷载较小(小于800KN×80%=640 KN),采用小弹簧,使读数精确。
二、试验机指针的调零。
开动油泵,关闭回油阀,打开送油阀,使活塞上升一小段后,关闭送油阀。
此时,转动滚动螺母,调节弦线,使指针恰好与刻度盘零点重合(该步骤教师已完成,学生可略)。
三、安置试件。
在试验机下承压板中心垫上钢垫板,将试件以受压面与垫板接触的方式将试件安放在垫板正中心,转动手轮,调节螺杆至适当位置,使上承压板与试件接触。
四、加荷。
打开送油阀(其开度由需要的加压速度决定),并实时控制送油阀,按需要的速度加压,加压至极限荷载即主动指针开始回退(从动指针读数不再增加)。
五、卸荷。
加压至主动指针开始回退,表示试件已压至极限荷载,将回油阀徐徐打开,关闭送油阀。
六、读数。
从动指针所指读数即为该试件的极限荷载。
七、试验机指针回零。
试验完毕,将从动指针手动拨回至零点。
万能试验机使用步骤一、选择试验机的量程。
在试验前估算试件的极限载荷,根据估算的极限荷载选用试验机力的量程,挂上适当的铊。
二、试验机指针的调零。
开动油泵,关闭回油阀,打开送油阀,使活塞上升一小段后,关闭送油阀。
此时,转动指针传动螺杆,使指针恰好与刻度盘零点重合(该步骤教师已完成,学生可略)。
三、安置试件。
根据试验的拉、压、弯、剪等要求更换不同的配件,并将试件按规定安放至指定位置。
四、加荷。
打开送油阀(其开度由需要的加荷速度决定),并实时控制送油阀,按需要的速度加荷,加至极限荷载即主动指针开始回退(从动指针读数不再增加)。
五、卸荷。
加荷至主动指针开始回退,表示试件已至极限荷载,将回油阀徐徐打开,关闭送油阀。
六、读数。
从动指针所指读数即为该试件的极限荷载。
七、试验机指针回零。
试验完毕,将从动指针手动拨回至零点。
WES-2000B型电液数显万能材料试验机使用说明书1.主要概述WES系列电液数显万能材料试验机采用电液数显和手动液压加载、主体与控制柜分置的设计,具有操作方便、工作稳定可靠、试验精度高、加力平稳的特点,也适用于金属、水泥、混凝土、塑料等材料的拉伸、压缩、弯曲、剪切试验。
建议在满足下列条件的环境中安装和使用本设备:a.清洁、干燥、无震动,周围有供试验和维护用的空间(≥0.7m);b.室温为10℃-35℃。
产品规格和主要技术指标见附表。
2.主机结构原理2.1机械结构原理本设备主体部分由高度可调的支撑架[由机座、丝杆及移动横梁(下钳口座)组成]和工作框架[由工作油缸、活塞、台板、支架及上横梁(上钳口座)组成]。
其工作原理为:由高压油泵向工作油缸供油,通过活塞运动,推动台板和上横梁(上钳口座)向上运动,进行试样的拉伸或压缩试验。
拉伸试验在主机的上横梁与移动横梁之间进行,压缩试验在主机的台板与移动横梁之间进行。
试验空间的调整通过驱动机构(升降电机、链轮、链条等)驱动双丝杆同步旋转使移动横梁升降达到。
2.2电气原理本设备采用三相四线、50Hz交流供电。
主回路包括油泵电机和升降电机,在主回路和控制回路中分别接有熔断器以防止过大的电流,在油泵电机和升降电机前还串联了热继电器以防止电机过载。
3.安装3.1开箱验收当您开箱后,请根据定货合同和装箱单对设备及附件的数量进行核对并检查是否完整,如发现短缺或损坏请尽快通知本公司以便及时处理。
3.2安装前准备试验机应安装在清洁、干燥、无震动而且室温为10℃-35℃的房间内,在试验机的周围应留出足够的空间(≥0.7m)供试验和维护用。
试验机的主体及控制柜应安装在混凝土基础上。
基础尺寸根据外形及地基图规定,留出地脚螺钉及其它电线安装管道等装置,基础的上平面应用水平仪找正。
3.3试验机安装精度的初步校正主体初步校正:使用框式水平仪或借用附件中的线锤在相互垂直的两个方向校正立柱的垂直度,用在主体底部插入小斜铁的方法调整。
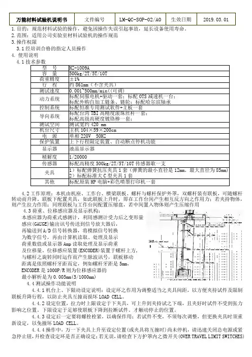
万能材料试验机说明书文件编号LM-QC-SOP-02/A0生效日期2019.03.011.目的:规范材料试验的操作,避免因操作失误引起事故,延长设备使用寿命。
2.范围:适用公司实验室材料试验机的操作规范3.操作权限3.1经培训合格的指定人员操作4.使用说明4.1技术参数型号HZ-1009A容量500kg/2T/5T/10T荷重精度±1%行程约861mm(不含夹具)测试速度0.001~500mm/min((可调)动力系统标配伺服电机+驱动一套;标配OTS减速机一台;标配外购自加工链条、链轮;标配哈尔滨轴承控制系统标配恒准专用测试软件+主板一套导向系统标配台湾TBI高精度滚珠丝杆一套;标配高级高硬度镀铬棒一套;测试空间测试宽约420 mm机台尺寸主机104×59×200cm电源单相220V 50HZ保护装置上下行程限定装置、自动断点停机功能显示器液晶显示器精解度1/20000传感器标配高精度500kg/2T/5T/10T传感器歌一支夹具1)标配弹簧抗压夹具1套(弹簧的最小直径是12mm,最大直径为85mm) 2)标配标准大C型夹具1套其他标配原装HP电脑+彩色喷墨打印机一套4.2工作原理:本机由机座、工作台、横梁联板、螺杆与螺杆保护外罩,双螺杆装有联板,可随螺杆转动而升降。
联板下配置夹具,如此联板上升时,即在工作台间产生相互反方向之作用力;若夹持物体,则产生拉力作用;同理联板与工作台间配置压缩盘,若中间置入物体则产生压缩作用4.3荷重、位移感应器及显示机构:本感应器为荷重式感测计,利用感测计受力后之变形量感应(GAUGE)输出讯号传送到信号放大器后,再输送到A/D信号转换器,将模拟信号转换为数字信号,再由计算机读取、处理及显示荷重数值或显示器Amp读取处理及显示荷重及位移量。
位移感应装置(ENCODER)装置于螺杆上方,与螺杆之旋转同时运作而产生脉波讯号,联板移动距离是依照螺杆牙距而定,例如螺杆牙距是5mm,ENCODER是1000P/R则为位移感应器的最小解析是为0.005mm(5/1000mm)4.4测试操作功能说明4.4.1机台上、下限动设定说明:设定环之作用为调整适当之夹具间距,以方便夹持试件及限制联板升降行程,以防止夹具互撞而损坏LOAD CELL。
万能材料试验机使用说明书1 用途及使用范围ETT--A1型万能材料实验机是一款多功能、多用途材料实验机。
可完成拉伸、穿刺、剥离、抗张等多种材料多种形式的项目测试。
更换夹具还可以扩展更多应用。
2测试原理电机带动丝杠上下移动,以满足试验所需方向;全钢夹具,外观美观,结实耐用;高精度传感器实时传输试验力值,微电脑实时记录并计算、显示试验结果。
多种夹具配合,可完成不同试验项目。
更换夹具和传感器可完成不能测试模式,满足各行业不同测试需求。
3按键说明“复位”键——用于仪器回到初始位置时使用。
“界面”键——用于切换仪器的曲线显示模式和数据显示模式。
“打印”键——打印指令键。
“清除”键——用于清除所有测试数据。
“单位”键——用于提取不同的单位所对应的数值。
“删除”键——用于删除含有明显粗大误差的测试数据。
“查看”键——用于提取显示任意一次实验的测试数据。
“设定”键——用于仪器的的基本参数的设定。
“置零”键——用于将所有参数归零。
“定量”键——用于得到抗张指数时纸张克重的设定。
“△”和“▽”键——用于手动控制上压板运动以上及上下移动光标。
“速度”键——用于试验速度的设定。
“测试”键——测试指令键,控制仪器自动完成一次工作循环。
也等同于“确定”键。
4测量方法4.1参数设置4.1.1实验类型设定按“设定”键进入参数设置界面,第一项即为“试验类型”选项,按“确定”键进入,根据需求选择适合的试验类型,按“确定”键退出。
4.1.2试样设定按“设定”键进入参数设置界面,选择“试样设定”选项,按“确定”键进入在“试样设定”界面可以更改试样的相关参数。
实验机夹具间距可自行调节。
通过“△”和“▽”键调节上下夹具间的距离到合适位置,装夹好试样后,测量上下夹具间的距离。
更改“试样长度”为测量值。
当试样长度发生变化时,需重新设定。
其余参数按照试验实测数据输入即可。
4.1.3试验速度的设置按“设定”键进入参数设置界面,选择“位移速度”选项,按“确定”键进入;通过界面的数字键依次输入所需速度,按“确定”键退出。
WAW 系列万能材料拉力试验机使用说明书济南申铎测试仪器有限公司一般介绍本试验机利用液压加荷,微机显示试验结果,操作方便,试验读数准确可靠,能做一般钢材和其它金属材料之拉伸、压缩、弯曲试验,增加剪切附具可做剪切试验,亦可做一般材料、塑料、水泥及混凝土等压缩及弯曲试验。
在测力计外壳内装有柱塞式高压油泵,由电动机带动,运转时动作平稳及音响正常。
本机液压系统主要由测力计外面油阀手柄控制,操作方便保证安全。
试验机的示值相对误差在±1%以内。
试验机外形整齐美观,操纵部分及指示部分高度适当,便于试验者进行操作与观察。
本机有加荷速度显示功能,能实现试样要求的加荷速度,有关说明方法后面说明。
二.主要规格三.机构液压式拉力试验机是由主体和油源控制柜两部分组成的。
(一) 主体部分1.机构概述两根支柱用螺帽固定在机座上,其上端固定于上横梁上,另外两根立柱分别固定中横梁和工作台面上,此两立柱支持一个试样装夹空间,便于拉、压、弯等试验。
当油泵输出的油液使工作活塞上升时,试台随即上升,试台托起两立柱和上横梁一起上升,上横梁和中横梁上分别有上钳口和下钳口,中间横梁的上升和下降主要靠两立柱的螺杆转动来升降。
由丝杆转动带动横梁上下移动,升降控制按钮上有“∧”、“∨”字样。
油缸及活塞是主体的主要部分,它们的接触表面经过精密加工,并保持一定的配合间隙和适当的油膜,使活塞能自由移动而将摩擦减少到最低限度,当油泵打来的高压油进入油缸后,托着活塞连同横梁及试台等上升时,使负荷逐渐作用在试件上。
因此在使用时,应特别注意油的清洁,不使油内含有杂质、铁屑等随油通过油泵、油阀、油管等进入油缸内,损坏油缸及活塞接触表面的粗糙度,而影响试验结果的准确性。
安装时应注意,如杂质及砂土落在油缸及活塞的上口接触处时,必须擦试干净。
(二)油源控制柜部分1.概念本试验机由计算机,传感器、高压油泵及操作部分等组成。
所以它是一个综合的机构,这些机构全部被封闭在简单平滑美观的钢铁外壳内,外壳各面必要处设有活门,打开时能清楚的看到内部机构以便进行个别调整及修理,并可使轴承及各精确部分经常保持清洁良好的工作条件。
试验结果是否正确,除要求试验机本身必须达到规定地精度外,同时还要求试验人员必须熟悉万能材料试验机地操作方法及各种材料试验方法之有关规定.以及有关材料性质方面地知识,现将本试验机使用操作方法叙述如下:(一)仪表操作按测力显示控制仪说明书进行.(二)送油阀及回油阀为了减少试验辅助时间,打开送油阀升起工作台时,可以开得大些,使油泵输出地全部没量进入油缸内,当试样将承受负荷时,则必须据试样规定地加荷速度进行调节,不应骤然关闭,试样所受载荷突然下降,影响数据地精确性,试样断裂后将送油阀关闭,然后慢慢地打开回油阀使油缸内地油液回到油箱内.回油阀地作用是使油液返回油箱,达到卸除载荷或使工作活塞回到原来地位置.应注意:送油阀手轮不要拧得过紧,以免损伤油针地锥尖部分,回油阀手必须按紧,防止因泄漏而造成加荷不稳.文档来自于网络搜索(三)试样地装夹、拉伸试验作拉伸试验时,先开动油泵,再开启送油阀,使工作活塞上升下降大于,活动次,作好活塞,油缸间油地润滑,上升时关紧回油阀,同时打开送油阀.文档来自于网络搜索将工作活塞升起一小段距离,然后关闭送油阀,将试样一端夹于上钳口,按“清零”键(消除试样地自重),再调整下钳口(即移动横梁)至适当位置再夹住试样下端后,开始试验. 文档来自于网络搜索为避免夹头在滑动面上啃住或划伤接触面,应不使试样氧化皮或断裂后地碎片进入夹头体地滑动面.试验后必须将滑动面擦拭干净,并用石墨与黄干油地混合物或二硫化钼,涂在滑动面上,以减小磨擦.文档来自于网络搜索夹持试样时,应根据试样地形状,尺寸安装相应地钳口块.试样尽可能地夹在钳口块地全长上,否则试样与钳口接触面太少,会使试样被挤成锥形或压碎,钳口也可能损坏,试样应位于中心位置.文档来自于网络搜索、压缩试验—、球座固定于工作台面上.试验时,试样应放在下压板地中央、与压板上地刻线对正.使工作活塞升起一段距离然后关闭送油阀,如显示器不是零按“清零”键清零(注意试验过程中不准“清零”)按下移动横梁升降开关,使其下降到上压板和试样上端面地距离为地位置.文档来自于网络搜索这时必须注意:上压板一定不能接触到试样.因为移动横梁地用途是调整试验空间.、弯曲试验将弯曲试验装置在工作台上,冷弯冲头装在移动横梁下端.把试样放置在弯曲支滚中间即可进行试验.沧州市鑫鼎试验仪器有限公司主要产品有:电液伺服万能材料试验机,电动丝杠压力试验机,压浆剂高速搅拌机,养护箱,标养箱, 混凝土渗透仪,压力试验机,混凝土钻孔取芯机, 混凝土自落式搅拌机, 水泥电动抗折试验机, 水泥胶砂振实台,行星式水泥胶砂搅拌机,万能材料试验机,,混凝土压力试验机,混凝土抗渗仪,单卧轴搅拌机,双端面磨平机,塑料试模.文档来自于网络搜索我公司遵循质量第一,用户至上地原则.真诚为客户服务,想用户之所向,急用户之所急.在完善地质量保证体系下,严格质量管理,对每一件供应地产品精挑细选,对不合格产品及粗糙产品坚决不予出厂.文档来自于网络搜索我公司产品对出厂产品自发货日起地个月内或产品安装个月内(以先到者为限),出现质量问题本市小时内到达现场,外市区小时内到达现场.文档来自于网络搜索用户可通过售后电话咨询有关技术问题,并得明确解决方案,售后服务电话:在保修期内,以下情况将实行有偿维修服务;由于人为或不可抗拒地自然现象而发生地损坏;由于操作不当而造成地故障或损坏;由于对产品地改造、分解、组装而发生地故障或损坏。
WE-300万能材料试验机使用说明书一、万能材料试验机概述本试验机采用液压加荷、操作方便、精度准确,可用于金属材料在静力作用下做拉伸、压缩或弯曲试验,亦可做混凝土、砖、石等建筑材料的试验及构建试验,并备有冷弯附件,兼做减数材料的试验。
好仪器,好资料,尽在沧州建仪()。
欢迎查询。
打造中国建仪销售第一品牌,树立沧州产品全新形象本试验机适用于科研机关,基本建设单位、冶金和机械制造厂以及大专院校的实验室之需要。
二、万能材料试验机主要技术参数:最大试验力:300KN测量范围:4%-100%F.S测力示值相对误差:±1%速度精度:±5%设定值上下压盘间最大距离:600mm拉伸钳口间最大距离:600mm弯曲试验支滚间距离:30-460mm圆试样夹持直径:10-32mm扁试样夹持厚度:0-20mm扁试样夹持宽度:≤60mm剪切试样直径:0-10mm支柱间有效距离:435mm活塞行程:200mm电机功率:2KW主机外形尺寸:740×460×1965mm油源控制柜外形尺寸:1080×650×1200mm重量(约):1700kg三、万能材料试验机结构与原理试验机由主机和测力系统两部分组成,两者通过高压软管联接。
1、主机主要有底座、工作台、立柱、丝杠、移动横梁以及上横梁组成。
其中移动横梁上部安装有下钳口,下部安装有上压力板,上横梁下部安装有上钳口,工作台、上横梁通过两根立柱连接,构成一刚性框架。
2、送油阀送油阀是一个分路式流量调节阀,它由一个可变节流器和一个定差减压阀并联组成。
3、回油缓冲阀回油缓冲阀由一个卸荷开关和一个回油节流阀组成,其目的是卸除载荷及使工作油缸油压迅速下降。
4、液压系统原理油箱内的油被吸入油泵,经油泵出油管送至送油阀,当送油阀门完全关闭时,油压升高,直至将定差减压阀打开,压力油经电磁阀进入夹紧油缸,控制上下钳口的夹紧与松开。
四、万能材料试验机使用说明:⒈安装试验机安装在清洁干燥而且温度均匀的房屋内同时应考虑到在机器上作较长的长梁弯曲试验的可能性以及使用镜式延伸计进行试验的可能性,所以在试验机的周围应留出足够的空余面积。
万能材料试验机操作章程
(一)试验机安装在清洁干燥、无震动、无腐蚀性气体的房间内,周围应留有0.7m的空间,水平度应不大于0.2mm/1000mm。
试验机必
须可靠接地。
(二)电源电压应稳定,不超过额定电压的10%。
(三)油箱加油采用标准液压油(室温高于25℃用N68,室温低
于25℃用N46)20升。
正常情况下每年换一次,使用频繁或环境不太
清洁的半年更换。
(四)初次运转及试车:接通电源,按住钳口上升按钮,如果下
梁下降,应调整三相电源输入连线。
(五)拉伸试验检测
1)接上电源,系统进入待机界面。
2)按检测键,系统显示试验类型(1抗拉试验、2抗弯试验、3引申仪参数设定)。
3)按数字键1,按确认键输入试验日期、试件编号,按确认键保
存试件编号,进入品种编号的选择。
输入数字键1-8,选择一组中的试件个数,按确认键保存,输入数字键,修改当前试件,在组中的编号,按确认键保存,输入品种编号,(1、圆材2、方材3、管材4、圆矩形5、剖条6、钢绞线)。
4)如试件为原材,则输入数字1,按确认键,则系统显示(1、圆材直径XXX.XXX,按数字键输入试件直径的大小,按确认键进入检测界面。
5)打开电机开关,加荷开始,同时力值、位移、峰值、速率同步
显示,按下量程键切换力值量程。
6)当试件断裂后,试验完成,系统显示试验结果。
(六)试验完毕后关闭电源,并将机体及试验场地擦试清扫干净。
发放号:生效日期:编制:审批:一、试验原理和目的:原理:由已知能量的摆锤一次冲击垂直固定成悬臂梁的试样,测量试样破坏时所吸收的能量。
目的是测试各种材料在使用范围内的韧性和脆性二、设备名称:万能材料实验机(Universalmaterialtester)三、设备规格:厂商:ZWICK精度:±0・5%TestingLoad四•适用标准ISO180ASTM256GB/T1843四、试验前的准备1.检查仪器外壳是否可靠接地2.选取合适的试样,试样硬厚度均匀,表面光洁平整无气泡无机械损伤及杂质等,试样在开始前应放置至少24小时,或视具体情况而定3•根据试样的冲击韧性,选用适当的能量摆锤,应使试样断裂所消耗的能量在摆锤中储存的能量10%-90%,本机所采用摆锤的能量为5.5J4•在试验前使摆锤处于铅垂位置,目视即可,如不重合,应先进行调试,在测试前用游标卡尺测量实验的宽度及厚度(缺口试验测试其宽度及缺口处厚度)6•每次测试至少五根样条并且在试验前应消除摩擦系数,具体方法如下:如屏幕显示控制面板此摩擦系数手形按钮摩擦系数调整如下:1点击第三个△,第三个按键会出现Calibration校准(阴影覆盖所示)菜单,然后按OK键选择Friction摩擦(阴影覆盖所示)菜单,继续按OK键,然后选择ASTM256(阴影覆盖所示)按OK键,空击,消除摩擦系数。
五.试验1•在试验前已经消除摩擦系数,再次确认是否摩擦系数为零2•将摆锤扬起160度后,并使之固定,然后将试样放置在夹具内(注意试样缺口中部应与夹具中心线平行,并保证每次具有相同的夹持力),上海锦湖日丽塑料有限公司然后双手同时敲击手形按钮(如上图),并且读取控制面板上的能量数字3实验数据处理:3.1ASTM 标准计算方法无缺口试样悬臂梁冲击应按下式计算 a=E*1O0O/hm(J/M) 缺口试样悬臂梁冲击应按下式进行计算a=E*1000/h nn(J/M) a -悬臂梁冲击强度,m(j/m) E-破坏试样所吸收并修正的能量 (J) h —试样厚度(mm ) hn —试样缺口处剩余厚度 (mm)GB.ISO 标准计算方法无缺口悬臂梁冲击强度按下式计算 a=E*1000/bd缺口悬臂梁冲击强度按下式计算a k =E k *1000/bd k式中:a —无缺口试样冲击强度(KJ/m m) E —试样断裂吸收的已校准的能量J b —试样宽度 mm d —试样厚度mm a k缺口试样冲击强度kKJ/mm E K 缺口试样断裂时吸收的已校准的能量jK —d k —缺口试样的缺口处剩余厚度 mm4试验结果应以计算结果的算术平均值表示5, 特殊情况特殊处理,如作低温冲击,首先进行样条预处理,然后方法同上6, 如需测量GB.ISO 应更夹具,测试方法同ASTM,如需不同的能量,则应更换摆锤六:注意事项1使用前应检查摆杆,摆体等联接螺钉是否有松动。
电子万能试验机操作指南说明书一、背景介绍电子万能试验机是一种广泛应用于材料力学性能测试领域的实验设备,具有测试精度高、操作简便等优点。
本操作指南将详细介绍电子万能试验机的使用方法,以帮助用户正确操作试验机,并获取准确的测试结果。
二、设备准备1. 确保电子万能试验机连接电源,并开启电源开关。
2. 检查试验机各部位的连接是否牢固,电源线、数据线等是否正常连接。
三、试验前准备1. 根据需要选择合适的试验夹具,并进行安装。
2. 打开电子万能试验机控制面板,进入操作界面。
3. 选择测试参数,如试验速度、试验方式等。
四、样品安装1. 注意样品安装的方向和位置,确保准确测试所需指标。
2. 将样品夹具固定好,并确保夹具夹持力均匀。
五、开始测试1. 点击“开始测试”按钮,试验机开始运行。
2. 在测试过程中,注意观察试验机的运行状态,如试验速度、载荷、位移等参数的变化。
3. 确保试验过程中无外力干扰,如有异常情况发生,立即停止测试。
六、试验结果1. 试验结束后,电子万能试验机会自动显示测试结果。
2. 仔细读取测试结果,并进行相关数据分析和处理。
七、注意事项1. 在操作电子万能试验机时,务必保持专注,防止发生意外。
2. 严禁超过试验机的最大载荷,以免造成设备损坏或人身伤害。
3. 试验结束后,及时关闭电子万能试验机的电源。
以上为电子万能试验机的操作指南说明书,希望能帮助用户正确操作设备,取得准确的测试结果。
如有任何疑问,可随时联系设备制造商或售后服务人员。
祝您的实验工作顺利!。
XWW系列电子万能试验机使用说明书承德市万检测仪器有限公司1.1 使用注意事项 (1)1.2 仪器概述 (2)1.3主要技术参数 (2)1.4. 工作环境与条件 (2)二、仪器安装 (3)2.1 仪器搬运 (3)2.2 仪器开箱检验 (3)2.3仪器安装 (4)三、仪器组成 (5)3.1 试验主机 (5)3.2引伸计(选配件): (5)四、试验步骤 (6)五、故障处理 (23)一、安全指令1.1 使用注意事项1.在使用本仪器之前,请仔细阅读本说明书。
2.注意仪器上的警告标志。
3.在清洗时不要给仪器供电,仅用湿布擦拭仪器表面。
4.不要在近水的地方使用该仪器。
5.不要在不平稳的地方放置该仪器。
6.在指定电源条件下使用该仪器。
7.为确保安全,该仪器配有三线接地插座,这个插座只适用于接地型电源接口。
如果这个插座不能与接口连接,请向电气工程师咨询,选取合适的插座。
8.不要在电源线上放置任何物品。
9.如果本产品使用延长线,确保延长线与原电线的额定电流一致。
10.不要移动该仪器的任何面板,不要在机体上放置任何物品,不要在机体上喷洒任何液体。
如不遵守此操作规程有可能导致电击或火灾的危险。
11.为防止触电和故障扩大,不要自行维修本仪器。
12.如果有下述情况,请不要给仪器供电,请咨询售后服务部门●当电源线和插座损坏或磨损时;●当有液体洒到机器上时;13.在试验完成之后,必须关掉电源,以免发生意外情况。
14.本仪器及其附件必须置于干燥的环境内。
1.2 仪器概述XWW系列电子万能试验机适用于橡胶、塑料异型材、塑料管材、板材、片材、薄膜、电线电缆、防水材料和金属丝等材料的拉伸、压缩、弯曲、剥离、撕裂力学性能试验。
1.3主要技术参数●最大试验负荷: 50kN(双臂式)●准确度等级: 1级●示值误差:±1%●最大拉伸空间: 900mm●最大环刚度空间: 1000mm●速度允差:±1%●横梁位移分辨率: 0.001mm●试验速度:0.5mm/min~500mm/min 设定●电源:220VAC-15%~220VAC+10% 50Hz 1kVA,单相三线制1.4. 工作环境与条件●环境温度:10℃~40℃的范围内;●环境相对湿度在30%~80%以内;●周围无震动,无腐蚀性介质的环境中;●在稳固的基础上正确地安装并调至水平。
万能材料试验机操作规程范本一、试验机的准备工作1. 打开仪器电源,待仪器显示屏正常显示后,按下电源开关将仪器置于待机状态。
2. 检查试验机的连接线是否牢固,如有松动或损坏应及时更换。
3. 检查试样夹具是否安装正确,并确保试样夹具的固定螺丝已经紧固。
二、试验机的操作步骤1. 将试样放置在试样夹具上,并用手轻轻按压,使试样与夹具之间紧密贴合。
2. 在操作面板上选择试验参数,包括试验类型、试验速度、试验力等,并按下启动按钮开始试验。
3. 观察试验机的工作状态,确保试验过程中无异常情况发生。
4. 在试验过程中,根据需要可以随时调整试验速度或停止试验。
5. 当试验完成时,试验机会自动停止,并显示试验结果。
6. 取下试样,并检查试样是否有损坏或变形情况。
三、试验报告的填写1. 根据试验结果,填写试验报告,包括试验日期、试验时间、试验参数、试样编号及试验结果等。
2. 对试验过程中出现的问题或异常情况进行详细描述,并提出相应的解决方案。
3. 将试验报告归档,并及时上报相关部门。
四、试验机的维护1. 定期对试验机进行检查和维护,清理试验机表面的灰尘和污垢。
2. 检查试验机的连接线是否松动或损坏,并及时进行修复或更换。
3. 定期对试验机的夹具进行清洁和润滑,确保其正常工作。
五、安全注意事项1. 在操作试验机时,应佩戴必要的个人防护装备,如手套、护目镜等。
2. 禁止在试验机运行时将手或其他物体伸入试验机内部。
3. 在试验过程中,如发现异常情况或故障,应立即停止试验并及时通知相关人员。
六、附录:常见故障及解决方法1. 试验机无法启动:解决方法:检查仪器电源是否正常连接,确保电源开关已经打开。
2. 试样夹具固定不牢:解决方法:检查试样夹具的固定螺丝是否松动,如有需要,紧固螺丝。
3. 试验机工作异常:解决方法:检查试验机的连接线是否松动或损坏,如有需要,修复或更换连接线。
以上为万能材料试验机操作规程范本,希望对您有所帮助。
WDW-30 电子式万能试验机〔微机掌握、门式构造、凹凸温箱〕一、性能介绍:(一)试验机局部1、WDW 系列电子式万能试验机〔微机掌握、门式构造〕主要用于金属、非金属、土工布、防水卷材的拉伸、压缩、弯曲、剪切、剥离、撕裂等试验,满足国家相关标准等力学性能指标的测试。
周密的自动掌握和数据采集系统,实现了数据采集和掌握过程的全数字化调整。
在拉伸试验中,检测材料的最大承载拉力、抗拉强度、伸长变形、延长率等技术指标。
以上检测参数在试验完毕后,由计算机依据试验开头时设置的试验参数条件自动计算,同时显示相应的试验曲线、试验结果。
连接打印机即可打印。
试验数据以 Access 数据库化治理,可以使用 Excel 等软件与试验数据库进展通讯;本试验机满足以下标准:1)G B/T2611-2023《试验机通用技术要求》2)G B/T228-2023《金属材料室温拉伸试验方法》3)G B/T16491-2023《电子万能材料试验机》4)J JF1103-2023《万能试验机计算机数据采集系统评定》5)G B/T16825-1997《拉力试验机检验》6)G B/T7314-2023《金属材料室温压缩试验方法》7)G B/T14452-1993《金属材料弯曲力学性能试验方法》8)G B/T8653-1988《金属杨氏模量、弦线模量、切线模量和泊松比试验方法》9)J JG139-1999《拉力、压力和万能试验机的检定规程》2、主机上横梁与下工作台通过四立柱连接成刚性门式框架构造,台湾东源沟通伺服电机及伺服器安装在工作台下面并通过德国进口周密低噪音减速机、同步齿型带机构驱动双周密滚珠丝杠以工作台、上横梁为旋转支点,旋转时驱动中横梁做上下移动〔中横梁上安装有拉伸及压缩附具〕实现对试样平稳加载,可实现试验速度的大范围调整〔0.05-500mm/min〕;可实现对金属、非金属零部件的拉伸、压缩、弯曲、剪切、剥离、撕裂试验,试验过程平稳、低噪音〔低速时根本上无噪音〕高效;主机的装饰壳体承受微机灰色喷塑处理,造型大方、美观。
电子万能试验机使用方法说明书一、前言电子万能试验机是一种常用的试验设备,用于测量材料的力学性能。
本使用方法说明书旨在详细介绍电子万能试验机的使用方法,帮助用户正确操作该设备,以确保试验准确、可靠。
二、设备概述1. 设备外观:电子万能试验机外观如图1所示。
该设备由底座、悬臂梁、传感器、试样夹持装置、控制仪器等部分组成。
2. 设备功能:电子万能试验机可进行拉伸、压缩、弯曲等多种力学性能试验,广泛应用于材料科学、工程技术等领域。
三、安全操作1. 务必熟悉设备的安全操作规程,并在操作前进行必要的安全检查。
2. 操作人员应穿戴防护装备,包括安全眼镜、手套等。
3. 在操作过程中,严禁将手部或其他物体靠近试样夹持装置、传感器等可能带电、高温或高压的部位。
四、操作步骤1. 准备工作a) 将设备放置在稳固平整的工作台上,并接通电源。
b) 检查设备传感器、试样夹持装置等零部件是否完好,如有损坏应及时更换。
c) 将待测试样装置到试样夹持装置中,并严密夹紧。
2. 设置试验参数a) 打开控制仪器的电源开关,并将仪器置于工作状态。
b) 在控制面板上设置试验参数,包括试验类型、试验速度、力量范围等。
3. 进行试验a) 点击控制仪器面板上的启动按钮,开始进行试验。
b) 观察试验过程中的力学性能曲线及显示屏上的实时数据。
4. 试验结果分析a) 试验结束后,将试验数据保存并进行结果分析。
b) 根据试验结果,评估材料的力学性能,并撰写相应的实验报告。
五、常见问题及解决方法1. 设备无法启动:检查电源是否连接正常,确认设备是否处于工作状态。
2. 试验过程中显示异常:检查传感器连接是否松动,确保传感器与试样夹持装置之间的连接良好。
3. 试验结果异常:排除试验样本异常、操作错误等可能原因,如问题仍存在,可联系售后服务部门进行解决。
六、维护保养1. 定期检查设备传感器、试样夹持装置等零部件的磨损情况,并进行必要的更换和维修。
2. 保持设备清洁干燥,避免灰尘、水分等对设备造成损害。
仪器名称万能试验机仪器功能弯曲试验文件编号仪器型号GP-TS2000S/50N 厂商高品版本壹、仪器说明一、仪器结构说明核准审核制作日期仪器名称万能试验机仪器功能弯曲试验文件编号仪器型号GP-TS2000S/50N 厂商高品版本二、手控盒使用说明:指示手控盒与计算机的连接状态。
灯亮表示已经连接。
指示试验状态,灯闪动表示正在试验。
位移速度选择按扭,数字表示位移速度,单位mm/min。
可设置值的位移速度选择按钮。
(高中低速度值在MaxTest软件中设置)(切换速度时数码管会提示当前选择的位移速度值(显示半秒))切换到移动横梁(活塞)状态。
向上移动横梁(活塞)。
数码显示管,显示位移,与MaxTest软件中的位移显示同步。
精确到一位小数。
指示引伸计使用状态,灯亮表示正在使用引伸计。
指示移动横梁(活塞)状态,灯闪动表示正在控制移动横梁(活塞)。
试验开始按扭。
试验停止按扭。
横梁(活塞)复位按钮。
向下移动横梁(活塞)取下引伸计。
位移清零。
变形清零。
负荷清零。
MAXPAD-B手控盒标签。
核准审核制作日期仪器名称万能试验机仪器功能弯曲试验文件编号仪器型号GP-TS2000S/50N 厂商高品版本三、仪器功能接口说明:1 控制端口2 传感器端口3 预留4 预留核准审核制作日期仪器名称万能试验机仪器功能弯曲试验文件编号仪器型号GP-TS2000S/50N 厂商高品版本貳、仪器安装一、电源条件:请依本机铭牌标示配置正确电源220VAC。
危险:输入电压误差范围应在±10% 以内且保证机台应正确接地,防止机台漏电造成伤害.二、运行环境要求:1.室温10~35℃范围内;2.相对湿度≤80%;3.远离电磁干扰及明显震源;4.电压波动为额定电压的±10%以内。
三、本机放置注意地面之平坦,安装时请使用水平仪调整机器水平,水平度为0.2/1000。
仪器名称万能试验机仪器功能弯曲试验文件编号仪器型号GP-TS2000S/50N 厂商高品版本叁、操作规范一、准备试样1.依据试验标准制作试样;2.根据试样选择不同的夹具。
万能材料试验机操作规程《万能材料试验机操作规程》一、设备概述1. 本设备为用于材料拉伸、压缩、弯曲等性能测试的试验机,采用液压传动,具有较强的承载能力和精准的力学性能测试功能。
二、操作流程1. 开机前检查a. 检查设备的外观,确认设备无明显损坏。
b. 检查电源连接,确认电源接线正确。
c. 检查液压油位,确保液压系统正常。
d. 检查传感器连接,确认传感器连接正确、牢固。
2. 开机操作a. 按下电源开关,启动设备。
b. 设置试验参数,包括试验类型、试验速度、试验范围等。
c. 确认试验夹具安装牢固,将样品装入夹具。
d. 关注试验机的液压系统工作情况,确保液压系统正常运行。
3. 开始试验a. 确认试验参数设置正确后,开始进行试验。
b. 在试验过程中,实时观察试验机的工作状态,确保试验过程正常进行。
c. 在试验结束后,停止试验机工作,记录试验结果。
4. 关机操作a. 在试验结束后,按下电源开关,停止设备运行。
b. 断开电源,关闭设备。
三、安全注意事项1. 操作人员需熟悉设备的使用说明和操作规程,切勿擅自进行操作。
2. 在试验进行中,禁止离开操作台旁,以免发生意外伤害。
3. 在试验进行中,禁止在设备上进行其他操作。
4. 在试验过程中,如遇到异常状况,应立即停止设备,并寻求维修人员帮助。
四、设备维护1. 定期进行设备的检查和维护工作,确保设备运行正常。
2. 对设备液压系统进行定期更换液压油,保证液压系统的正常工作。
3. 对设备传感器进行定期检查,确保传感器的准确性和可靠性。
以上为《万能材料试验机操作规程》,希望用户在使用本设备时,严格遵守操作规程,确保试验安全和数据准确性。