石材加工图及石材下料单
- 格式:doc
- 大小:13.00 KB
- 文档页数:1
出站层墙面贵妃白麻订货单工程名称合肥枢纽南环线合肥南站使用部位出站层墙面规格尺寸(m数量单件面积总面积下料单序号备注宽高厚编号(块)(㎡)(㎡)(mm)(mm)(mm)1379759525140.474 6.639第五批2479760025160.4787.6513379760025160.4787.651437975002510.3990.399557976002520.4780.9566179759525720.47434.14372797600253300.478157.80681797600252460.478117.6379179750025890.39935.4671087976002540.478 1.9131133975952560.236 1.4171243976002580.238 1.90613539760025160.238 3.81114339760025180.238 4.2881533975002560.199 1.191石材加工要求:1、石材板面加工长、宽尺寸允许偏差0~-0.5mm,厚度允许偏差±1mm,所有尺寸均以加工完成后的尺寸为准;石材需用进口美国思康牌石材防护剂进行六面防护。
2、正面平整度允许偏差:400<~≤800允许0.3mm;800<~≤1200允许0.4mm。
3、侧面平整度允许偏差:0~0.2mm;对角线允许公差±0.2mm。
4、直角方正度允许公差:0~0.2mm(用直角检测尺检查)。
5、正面抛光度要求:光泽度大于或等于85度光泽单位。
6、石材表面应采用机械加工,加工后的表面应用高压水冲洗;板面采用正反磨,纹理排列要统一,所有板块边角切口要直,不能崩角崩边,平面不能有裂纹,色彩要均匀,厚度要一致,长、宽尺寸要准确;石材无崩坏、暗裂等缺陷。
专业工程制表人项目经理项目师说明:石材加工规格、尺寸以下料单详图为准。
出站层墙面贵妃白麻订货单工程名称合肥枢纽南环线合肥南站使用部位出站层墙面规格尺寸(m数量单件面积总面积下料单序号备注宽高厚编号(块)(㎡)(㎡)(mm)(mm)(mm)16189759525110.534 5.871第五批17289760025440.53823.68118189760025330.53817.76119189750025110.449 4.9342099976002520.598 1.1962129976002560.598 3.5892219976002530.598 1.7952319975002530.499 1.4962469975952510.5930.5932579976002520.598 1.1962669976002520.598 1.1962735975952540.355 1.4212855976002520.3580.7162945976002560.358 2.1493035976002560.358 2.149石材加工要求:1、石材板面加工长、宽尺寸允许偏差0~-0.5mm,厚度允许偏差±1mm,所有尺寸均以加工完成后的尺寸为准;石材需用进口美国思康牌石材防护剂进行六面防护。
石材加工图及石材下料单
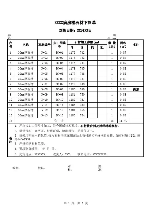
1、在石材排版图上进行石材的编号,编号根据工程实际情况进行,但是原则就是唯一性和可追溯性。
可追溯性不但方便以后的校对、查验,而且对于养成一个良好的习惯是比较有利的。
2、通常的编号是的“立面标识.下料批次.特殊标识-石材编号”。
但这不是唯一的,要根据实际情况确定(通常在排版图中进行板编号工作时,可将所有编号放到一个CAD图层上比如“No.Stone”,如果需要还可以用不同的颜色区分不同的编号,这非很适用。
若是编号多且量小的时候就不能用颜色区分了,颜色区分通常会降低出错率)。
编号一定要有规律性、顺序性、可读性。
3、编号工作完成后,就要整理加工清单,主要包括石材编号、规格、表面处理、数量、面积、备注等信息(做这个环节会使得出错率大大降低,因为这个过程包括了对前面编号图的校对和检验,同时对石材加工的大概情况有了了解。
再者下料工作通常都是分批次进行的,所以这时就需要在编号图中做一个工作,就将每次下料的编号分到一个新的CAD图层,用批次进
行标识,比如第一次下料将第一次下料的所有编号由No.stone层划到indent.stone.01,这样在第二批下料时就将这个层隐藏,就不会混淆。
这个做法还可以扩充)。
4、绘制加工图,在这个环节以根据前面第3步整理的下料清单来进行下料的依据。
同时对下料清单进行检验和校对。
5、完成上面的工作后,再对加工图和编号图进行复核,以确保下料单和加工图的准确性。
石材加工图及石材下料单
1、在石材排版图上进行石材的编号,编号根据工程实际情况进行,但是原则就是唯一性和可追溯性。
可追溯性不但方便以后的校对、查验,而且对于养成一个良好的习惯是比较有利的。
2、通常的编号是的“立面标识.下料批次.特殊标识-石材编号”。
但这不是唯一的,要根据实际情况确定(通常在排版图中进行板编号工作时,可将所有编号放到一个CAD图层上比如“”,如果需要还可以用不同的颜色区分不同的编号,这非很适用。
若是编号多且量小的时候就不能用颜色区分了,颜色区分通常会降低出错率)。
编号一定要有规律性、顺序性、可读性。
3、编号工作完成后,就要整理加工清单,主要包括石材编号、规格、表面处理、数量、面积、备注等信息(做这个环节会使得出错率大大降低,因为这个过程包括了对前面编号图的校对和检验,同时对石材加工的大概情况有了了解。
再者下料工作通常都是分批次进行的,所以这时就需要在编号图中做一个工作,就将每次下料的编号分到一个新的CAD图层,用批次进行标识,比如第一次下料将第一次下料的所有编号由层划到,这样在第二批下料时就将这个层隐藏,就不会混淆。
这个做法还可以扩充)。
4、绘制加工图,在这个环节以根据前面第3步整理的下料清单来进行下料的依据。
同时对下料清单进行检验和校对。
5、完成上面的工作后,再对加工图和编号图进行复核,以确保下料单和加工图的准确性。